男衬衫制图袖片
- 格式:doc
- 大小:539.00 KB
- 文档页数:4
一、款式特点及外形硬领长袖男衬衫,尖领;前胸左贴袋一只,直身腰;前门襟六粒扣,平下摆;袖口处开宝剑头袖衩,收两只褶裥,装中圆角袖头。
(见图5-1)图6-1二、制图规格cm 号型部位衣长胸围肩宽领围袖长袖头宽170/88A 规格72 110 46 39 58。
5 6三、制图步骤图6—2(一)前片(见图6-2)错误!基础线预留门襟挂面宽3。
8cm,里襟挂面宽2.5cm作一直线与布边平行为止口线。
错误!底边线作一直线与错误!垂直。
错误!上平线错误!~错误!等于衣长-4=68cm,作一直线与错误!垂直.错误!落肩线错误!~错误!为B/20-1=4。
5cm。
错误!胸围线错误!~错误!为B/10+12=23cm。
错误!领口深线错误!~错误!为N/5-1.5=6.3cm。
错误!搭门线错误!~错误!为搭门宽2cm,与错误!平行.错误!领口宽线错误!~错误!为N/5-1=6.8cm.错误!前肩宽错误!~错误!为S/2-1.2=21.8cm,与肩颈点相连为肩斜线。
错误!前胸宽由错误!进1。
5 cm作一直线与胸围线垂直。
错误!前胸围大错误!~错误!为B/4=27。
5cm,作一直线与胸围线垂直.○12领口弧线直开领和横开领的交点与前中点相连为领口斜线,取1/3为凹势,用弧线画顺。
错误!袖笼弧线由肩端点经胸宽点至胸围大,用弧线画顺。
错误!底边弧线按底边线在摆缝处提高1cm,用弧线画顺.错误!扣眼位在搭门线上,第一扣眼位在底领上,由领口深线提高1cm,领口深线下3cm为前衣片上扣位,末眼位由底边量上L/5+5=19.4cm。
五粒扣四等分.○16胸袋由胸宽线错误!进3cm,胸围线错误!提高4cm为袋口位,袋口大B/10+0。
5=11.5cm,袋长为袋口大+1.5=13cm,袋底中间低下1.5cm。
(二)后片、过肩(见图6-2)后片上平线由前片上平线低下1。
5cm,胸围线按前衣片延长,底边线按前衣片起翘延长。
错误!背中线在胸围线上由前摆缝线量出后胸围大B/4=27.5cm,作一直线与胸围线垂直。
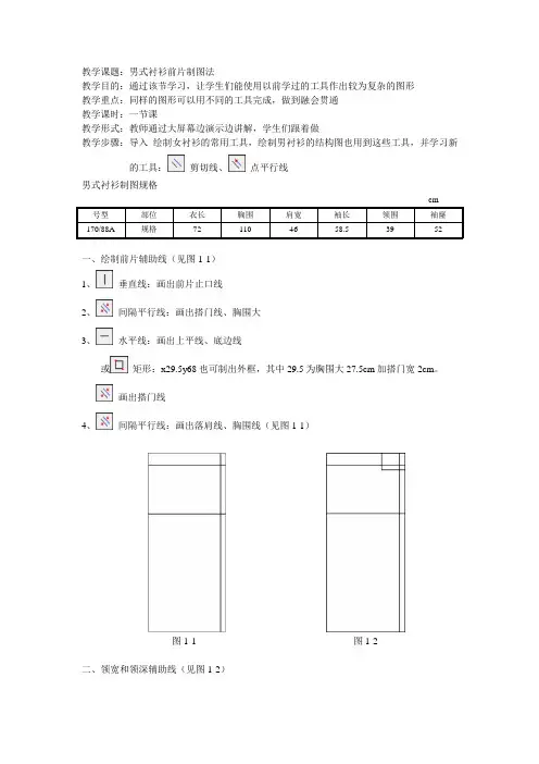
教学课题:男式衬衫前片制图法教学目的:通过该节学习,让学生们能使用以前学过的工具作出较为复杂的图形教学重点:同样的图形可以用不同的工具完成,做到融会贯通教学课时:一节课教学形式:教师通过大屏幕边演示边讲解,学生们跟着做教学步骤:导入绘制女衬衫的常用工具,绘制男衬衫的结构图也用到这些工具,并学习新的工具:剪切线、点平行线男式衬衫制图规格cm一、绘制前片辅助线(见图1-1)1、垂直线:画出前片止口线2、间隔平行线:画出搭门线、胸围大3、水平线:画出上平线、底边线或矩形:x29.5y68也可制出外框,其中29.5为胸围大27.5cm加搭门宽2cm。
画出搭门线4、间隔平行线:画出落肩线、胸围线(见图1-1)图1-1 图1-2二、领宽和领深辅助线(见图1-2)1、水平线:输入6.3,点击搭门线上端,输入x-8.8,回车2、垂直线:分别点击水平线左端和上平线三、肩斜线(见图1-3)1、间隔平行线:画出肩宽辅助线2、两点线、交点:画出肩斜线四、前胸宽线(见图1-4)1、间隔平行线:画出前胸宽线辅助线2、双侧修正:删除多余的部分3、删除:删除肩宽辅助线图1-3 图1-4五、袖窿弧线(见图1-5)1、两点线、中心点找出袖窿弧线经过的点2、曲线、中心点、端点:画出袖窿弧线六、领口弧线(见图1-6)1、两点线:画出领口弧线辅助线2、曲线、比率点、交点:画出领口弧线图1-5 图1-6七、底边弧线(见图1-7)1、曲线、投影点、交点:画出底边弧线八、左胸袋1、间隔平行线:画出左胸袋侧缝处直线2、剪切线:修正这条直线为胸围线上4cm3、水平线:点击水平线上端,输入x11.5,回车4、垂直线:点击水平线右端,输入y-13,回车5、水平线:点击垂直线下端,输入x-11.5或点平行线:画出袋底辅助线(见图1-8)图1-7 图1-86、单侧修正:修正左胸袋侧缝处直线(见图1-9)7、垂直线、中心点:画出袋底尖角点8、两点线:完成袋底线(见图1-10)图1-9 图1-10九、扣眼位1、长度调整:将搭门线上端缩短5.3cm、下端缩短19.4cm,作为扣眼位的起始点(见图1-11)2、等距扣眼:画出扣眼位,完成前片结构图(见图1-12)图1-11 图1-12课后思考:用今天所学的工具能否绘制出男衬衫后片的结构图?。
男衬衫版型制图要点任务实施衬衫版型分类1. 修身版衬衫贴合人体,各部位活动量不多,如图4-20所示。
图4-20 修身版衬衫2.合体版衬衫袖笼较小,较为合体,便于穿着西装外套,如图4-21。
图4-21 合体版衬衫3.休闲版衬衫较为宽松,因为单独穿用,袖笼相对较大,款式夸张,各部位尺寸宽放的活动量超出国标尺寸非常多,如图4-22所示。
图4-22 休闲版衬衫衬衫工业制版要点图4-23 男衬衫版型+尺寸1. 男衬衫撇胸的要点图4-24 男衬衫撇胸量图4-25 前门襟线图4-26 平行门襟折边线图4-27 指示平行线方向图4-28 平行门襟折边线2男性服装只需要比较少的撇胸量,就能够将前衣身做得比较服帖。
制作衬衫的撇胸量需要注意门襟的折量。
2. 男衬衫过肩的要点图4-29 输入过肩量图4-30 指示平行方向图4-31 框选需要调整的线段图4-32 点选参考线图4-33 调整线段细节图图4-34 调整完毕图4-35 形状对接及复制图4-36 指定对接前起点图4-37 指定对接前终点图4-38 指定对接后起点图4-39 指定对接后终点图4-40 形状对接及复制完毕图4-41 观察对接要素图4-42 框选线段多出的一端图4-43 点选参线图4-44 右键结束图4-45 相同的操作图4-46 删除前肩多余线段图4-47 删除多余线段图4-48 右键结束绘制过肩的要点:1. 绘制过肩线需要将前后领窝线、前后袖笼线调整到位,前后圆顺。
2. 注意前肩过肩后线段的调整,角连接处要将线段闭合到位,否则无法生成裁片。
男西服结构制图学习目标知识目标学习和掌握男衬衫的结构制图步骤及方法。
技能目标使学生学会男衬衫的结构制图,培养学生对男衬衫的了解和掌握能力。
重点难点重点男西服的结构制图。
难点各部位的画顺。
一、款式特点及外形单排扣、平驳领男西服是常见西服基本款式。
前衣片大袋为双嵌线有盖开袋,左胸一只手巾袋,门襟单排两粒扣,左驳头有一插花眼,腰节处胸省及胁省,胁省为通省,圆角下摆,后片中缝开背缝,腰节以下开背衩(也可不开衩)。
袖型为圆装袖,袖口处开衩,钉装饰扣各3粒(见图)。
二、成品规格(见表)男西服成品规格参考表(5·4A)单位:cm160/80 165/84 170/88 175/92 180/96衣长68 70 72 74 76胸围98 102 106 110 114肩宽42.2 43.4 44.6 45.8 47袖长55.5 57 58.5 60 61.5前腰节长40 41 42 43 44三、制图规格单位:cm号型部位衣长胸围肩宽袖长前腰节长AH170/88A 规格72 106 44.6 58.5 42 52四、制图步骤(一)前衣片(见图)(1)止口线:与布边平行。
(2)底边线:与止口线垂直。
(3)上平线:②~③等于衣长72cm,与止口线垂直。
(4)落肩线:③~④B/20=5.3 cm。
(5)胸围线:④~⑤B/6+2=19.7 cm。
(6)腰节线:③~⑥等于前腰节长42 cm。
(7)领口深线:③~⑦定数8cm,或由款式而定。
(8)搭门线:①~⑧搭门宽1.7 cm。
(9)领口宽线:⑧~⑨ B/10-0.5=10.1 cm。
(10)前肩宽:⑧~⑩ S/2+0.7=23,与肩颈点相连,中间凸出0.3cm为肩斜线。
(11)前胸宽:⑧~B/6+1.5=19.2cm,在袖窿深2/3处量出,作一直线与胸围线垂直。
(12)前胸围大:⑧~B/3-2(前后差)+1(省量)=34.3 cm,作一直线与胸围线垂直,在胸围线上提高4.5 cm。
课题:男衬衫(三)
课型:理论课
课时:
教学目的:1. 掌握男衬衫结构制图的基础知识。
2.理解男衬衫结构制图的基本原理。
3.提高学生的男衬衫制图能力,为男衬衫结构设计打下
基础。
4.培养学生的观察分析能力,以及科学求实的学风和严
禁的思维方法。
重点难点:男衬衫的结构制图步骤及窿门宽大小的确定。
教学方法:讲授法、举例法
教具器材:粉笔、挂图等
一、教学过程
(一)男衬衫款式特点及外型
硬领长袖男衬衫,中尖领前胸贴袋一只,直腰身;前门襟六粒扣,平下摆;袖口处开宝剑头袖衩,收两只褶裥,装中原角袖头;袖窿包缝辑明线。
男衬衫号型规格参考表(5.4A)
(二)制图规格
(三)男衬衫制图步骤
1.前衣片
2.后衣片及过肩
3.袖片
(1)袖中线:与布边平行。
(2)上平线:与①垂直。
(3)袖长线:②~③等于袖长58.5cm,与①垂直。
(4)袖山深(袖肥线):②~④B/10-1.5=9.5cm,与①垂直。
4. 翻领、底领
(四)制图要点
(1)此款式袖窿为包缝缉明线,袖山与袖窿装配时没有吃势,如
果袖窿用暗缝,衣片的袖窿不能开得过深,袖山也可略高一些,袖山
弧线略长一些,装配袖子时有少量吃势。
(2)门襟挂面宽3.8 cm,里襟挂面宽2.5 cm,更有利于排料,挂面使用布边。
男衬衫门襟也可使用外加贴边翻门襟,翻门襟通常为3 cm 左右。
(3)如果后片在过肩分割线处收褶裥,前后片胸围的分配应有前后差(前胸围大B/4-1,后胸围大B/4+1),这是为了重新调整摆缝线在袖窿宽中的横向位置,加大后袖窿宽的量。
(4)短袖男衬衫袖片的制图方法与长袖相同。
(5)男衬衫的下摆也可采用圆下摆,这时底边的放缝应减少(约1 cm)。
二、小结:本次课主要讲授男衬衫袖、领的制图方法。
三、作业:用八开纸绘制男衬衫袖、领各两遍。
四、教学反馈:。