材料力学课程设计--五种传动轴的静强度、变形及疲劳强度的计算
- 格式:doc
- 大小:547.00 KB
- 文档页数:24
材料力学课程设计设计计算说明书序号:160图号及数据号:7—7—16设计题目:曲柄轴的强度设计、疲劳强度校核及刚度计算学生学号:学生姓名:指导教师:2011年10月12日目录一、材料力学课程设计的目的 (2)二、材料力学课程设计的任务和要求 (2)三、设计题目 (3)1、设计题目 (3)2、曲柄轴力学模型 ................................................................... 错误!未定义书签。
3、设计数据(表7-12中第16组数据) (4)四、设计内容 (4)1、曲柄轴内力图 (4)2、按强度条件设计主轴颈D和曲柄颈的直径d (5)3、校核曲柄臂的强度 (7)4、校核主轴颈的疲劳强度 (9)5、用能量法计算A端截面转角yθ,zθ (9)五、改进措施 (9)六、设计体会 (10)七、参考文献 (11)八、附件(编程与运算结果) (11)附录:力和支座反力求解 (11)一、材料力学课程设计的目的本课程设计的目的是在于系统学完材料力学之后,能结合工程中的实际问题,运用材料力学的基本理论和计算方法,独立地计算工程中的典型零部件,以达到综合运用材料力学的知识解决工程实际问题之目的。
同时,可以使学生将材料力学的理论和现代计算方法及手段融为一体。
既从整体上掌握了基本理论和现代的计算方法,又提高了分析问题,解决问题的能力;既把以前所学的知识(高等数学、工程图学、理论力学、算法语言、计算机和材料力学等)综合运用,又为后继课程(机械设计、专业课等)打下基础,并初步掌握工程中的设计思想和设计方法,对实际工作能力有所提高。
具体的有以下六项:1、使学生的材料力学知识系统化、完整化;2、在系统全面复习的基础上,运用材料力学知识解决工程中的实际问题;3、由于选题力求结合专业实际,因而课程设计可以把材料力学知识和专业需要结合起来;4、综合运用了以前所学的个门课程的知识(高数、制图、理力、算法语言、计算机等等)使相关学科的知识有机地联系起来;5、初步了解和掌握工程实践中的设计思想和设计方法;6、为后继课程的教学打下基础。
材料力学课程设计五种传动轴静强度、变形及疲劳强度计算(b)班级:11级机械城轨二班姓名:林胜军学号:指导老师:任小平2013年6月目录一.设计目的: (3)二.材料力学课程设计的任务和要求 (3)三.设计题目: (3)四.设计内容 (5)五.程序设计 (20)六、课程设计总结 (23)一.设计目的:本课程设计的目的是在于系统学习完材料力学之后,能结合工程中的实际问题,运用材料力学的基本理论和计算方法,独立的计算工程中的典型零部件,以达到综合运用材料力学的知识解决实际问题的目的。
同时,可以使学生将材料力学的理论和现代计算方法及手段融为一体。
既从整体上掌握了基本理论和现代的计算方法,又提高了分析问题、解决问题的能力,又为后继课程(零件、专业课等)打下基础,并初步掌握工程中的设计思想和设计方法,对实际工作能力有所提高。
具体的有以下六项:1. 使学生的材料力学知识系统化完整化;2. 在全面复习的基础上,运用材料力学知识解决工程中的实际问题;3. 由于选题力求结合专业实际,因而课程设计可以把材料力学知识与专业需要结合起来;4. 综合运用以前所学习的各门课程的知识,使相关学科的只是有机的联系起来;5. 初步了解和掌握工程实践中的设计思想和设计方法;6. 为后续课程的教学打下基础二.材料力学课程设计的任务和要求参加设计者要系统复习材料力学课程全部基本理论和方法,独立分析、判断设计题目的已知条件和所求问题,画出受力分析计算简图和内力图列出理论依据并导出计算公式,独立编制计算程序,通过计算机给出输出结果,并完成设计计算说明书。
三.设计题目:传动轴的材料均为优质碳素结构钢(牌号45),许用应力[σ] =80MPa,经高频淬火处理,σb=650MPa,σ-1 =300MPa,τ-1 =155MPa。
磨削面的表面,键槽均为端铣加工,阶梯轴过度圆弧r均为2mm,疲劳安全系数n =2。
要求:1. 绘出传动轴的受力简图;2. 作出扭矩图和弯矩图;3. 根据强度条件设计等直轴的直径;4. 计算齿轮处轴的挠度(均按直径Φ1的等直杆计算);5. 对阶梯传动轴进行疲劳强度计算。
材料力学课程设计五种传动轴静强度、变形及疲劳强度计算(第6道题、第12组数据)姓名王琛所在学院汽车工程学院专业班级能源与动力(421415班)学号指导教师郭桂凯日期 2016年9 月 23日目录一设计目的 (2)二材料力学课程设计任务和要求 (2)三设计题目 (3)四设计内容 (5)(1)绘出传动轴的受力简图 (5)(2)传动轴扭矩图和弯矩图 (6)(3)设计等直轴的直径 (8)(4)设计D2轮轴处的挠度 (10)(5)对传动轴进行强度校核 (14)五程序计算 (19)六设计感想 (24)七参考文献 (25)一.设计目的:本课程设计的目的是在于系统学习完材料力学之后,能结合工程中的实际问题,运用材料力学的基本理论和计算方法,独立的计算工程中的典型零部件,以达到综合运用材料力学的知识解决实际问题的目的。
同时,可以使学生将材料力学的理论和现代计算方法及手段融为一体。
既从整体上掌握了基本理论和现代的计算方法,又提高了分析问题、解决问题的能力,又为后继课程(零件、专业课等)打下基础,并初步掌握工程中的设计思想和设计方法,对实际工作能力有所提高。
具体的有以下六项:1. 使学生的材料力学知识系统化完整化;2. 在全面复习的基础上,运用材料力学知识解决工程中的实际问题;3. 由于选题力求结合专业实际,因而课程设计可以把材料力学知识与专业需要结合起来;4. 综合运用以前所学习的各门课程的知识,使相关学科的只是有机的联系起来;5. 初步了解和掌握工程实践中的设计思想和设计方法;6. 为后续课程的教学打下基础。
二.材料力学课程设计的任务和要求参加设计者要系统复习材料力学课程全部基本理论和方法,独立分析、判断设计题目的已知条件和所求问题,画出受力分析计算简图和内力图列出理论依据并导出计算公式,独立编制计算程序,通过计算机给出输出结果,并完成设计计算说明书。
三.设计题目:传动轴的材料均为优质碳素结构钢(牌号45),许用应力[σ] =80MPa,经高频淬火处理,σb =650MPa,σ-1 =300MPa,τ-1=155MPa。
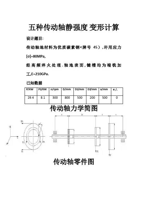
五种传动轴静强度变形计算设计题目:传动轴地材料为优质碳素钢<牌号45),许用应力[σ]=80MPa,经高频淬火处理.轴地表面,键槽均为端铣加工,E=210GPa.已知数据传动轴力学简图传动轴零件图%输入已知数据sigma=80。
E=210000。
P=input('请输入大带轮传动地功率 P= <KW)'>。
P1=input('请输入小带轮传动地功率 P1= <KW)'>。
n=input('请输入小带轮地转速 n= (rpm>'>。
D=input('请输入大带轮直径 D= <mm)'>。
D1=input('请输入小带轮直径 D1= <mm)'>。
D2=input('请输入齿轮直径 D2= <mm)'>。
a=input('请输入 a= (mm>'>。
alfa=input('请输入α= '>。
%计算各轮受力并输出F2=2*9.549*10^6*P/n/D。
fprintf('大带轮D上作用地水平力:3*F2=%3.3f(N>\n',3*F2>。
m=9.549*10^6*P/n。
fprintf('大带轮D上作用地力偶:m=%3.3f(Nmm>\n',m>。
F1=2*9.549*10^6*P1/n/D1。
fprintf('小带轮D1上作用地铅垂力:3*F1=%3.3f(N>\n',3*F1>。
m1=9.549*10^6*P1/n。
fprintf('小带轮D1上作用地力偶:m1=%3.3f(Nmm>\n',m1>。
F=2*(m-m1>/D2。
fprintf('齿轮D2上作用地水平力:F*sinα=%3.3f(N>\n',F*sin(alfa>>。
第三节 轴轴的强度计计算、设计计步骤与与设计实例例一.按抗扭强强度计算小直对于传动轴直径,然后进轴,因只受转进行轴的结构矩,可只按转构设计,并用转矩计算轴的弯扭合成强度的直径;对于度校核。
于转轴,先用用此法估算轴的最 对偿弯实心圆轴扭 对于转轴,也弯矩对轴的强扭转的强度条 τ也可用上式初步强度的影响。
条件为0.2T T W ==步估算轴的直由上式可写二.定,M 截面 式中 T P—— n—— [ τ] d——W T ——d ≥C——由轴的通过9-2式按弯扭组合轴的结构设就可以画出对于一般钢e M W σ=e M =式中,e σ为V 分别为水平面的抗弯截面T——轴传递—轴传递的功—轴的转速(r ——许用扭—轴的最小直—轴的抗弯截=的材料和受载式求出的轴的合强度计算设计完成后,轴出轴的受力简钢制的轴,可e=为当量应力(平面和垂直面面系数(mm 递的工作转矩功率(kW);r/min);扭转切应力;直径,估算时如截面模量。
=载情况所决定表9-4 几的直径d,应按算 轴上零件的位简图,然后就可按第三强度M =MPa);e M 为的弯矩(N·3),W=0.1T 3[]dτ≤ 直径,但必须出计算轴的直,也是轴承受如果该处有一 定的系数,其几种轴用材料按表圆整成标位置也确定下可以进行弯扭理论进行强度1[σ−≤为当量弯矩(mm);T 为;为根3d α据 须把轴的许用直径公式:用扭转切应力 (9-1) 力适当降低,以补受的扭矩,(一个键槽,应(N·mm);将所算的最小小直径增加5%; (9-2) 其值见表9-4.料的[及C ]τ值标准直径,作下来,外加载扭合成强度计度计算。
强度]b b(N·mm);M 为轴传递的转矩据转矩性质而作为转轴的最载荷和支反力计算,其具体度条件为为合成弯矩(矩(N·mm)而定的折合因最小直径。
力作用点也相体步骤如下:应确(N·mm);;W 为轴的危因数。
材料力学课程设计题目传动轴静强度、变形及疲劳强度姓名李福生学院机械科学与工程学院班级七班学号 ******** 指导老师周立明2014 年10 月8 日目录一、设计目的二、设计任务及要求三、设计题目四、传动轴受力分析五、设计等轴的直径六、计算齿轮处轴的挠度七、阶梯传动轴进行疲劳强度计算八、设计感想九、参考文献附:程序设计一.材料力学课程设计的目的本课程设计是在系统学完材料力学课程之后,结合工程实际中的问题,运用材料力学的基本理论和计算方法,独立地计算工程中的典型零部件,以达到综合运用材料力学知识解决工程实际问题的目的。
同时,可以使学生将材料力学的理论和现代计算方法及手段溶为一体,即从整体上掌握了基本理论和现代的计算方法,又提高了分析问题,解决问题的能力;即是对以前所学知识(高等数学、工程图学、理论力学、算法语言、计算机和材料力学等)的综合运用,又为后续课程(机械设计、专业课等)的学习打下基础,并初步掌握工程设计思想和设计方法,使实际工作能力有所提高。
具体有以下六项:1. 使所学的材料力学知识系统化、完整化。
2. 在系统全面复习的基础上,运用材料力学知识解决工程实际中的问题。
3. 由于选题力求结合专业实际,因而课程设计可以把材料力学知识与专业需求结合起来。
4. 综合运用以前所学的各门课程的知识(高等数学、工程图学、理论力学、算法语言、计算机等),使相关学科的知识有机地联系起来。
5. 初步了解和掌握工程实践中的设计思想和设计方法。
6. 为后续课程的教学打下基础。
二.材料力学课程设计的任务和要求参加设计者要系统复习材料力学课程的全部基本理论和方法,独立分析、判断设计题目的已知条件和所求问题,画出受力分析计算简图和内力图,理出理论依据并导出计算公式,独立编制计算程序,通过计算机给出计算结果,并完成设计计算说明书。
一、设计计算说明书的要求设计计算说明书是该题目设计思想、设计方法和设计结果的说明,要求书写工整,语言简练,条理清晰、明确,表达完整。
材料力学课程设计说明书设计题目五种传动轴的静强度、变形及疲劳强度的计算学院专业班设计者学号题号7﹣6﹣e﹣22指导教师2012 年10 月18 日目录一材料力学课程设计的目的 (3)二材料力学课程设计的任务和要求 (4)三材料力学课程设计的题目 (4)四设计内容 (6)1.传动轴的受力简图 (6)2.作扭矩图和弯矩图 (7)3.根据强度条件设计等直轴的直径 (8)4.计算D2轮处轴的挠度 (9)5.阶梯轴疲劳强度的计算 (11)6.C语言流程图 (17)7.(附)C语言程序 (18)8. 设计总结及体会 (21)9. 参考文献 (22)一.材料力学课程设计的目的本课程设计的目的是在于系统学完材料力学之后,能结合工程中的实际问题,运用材料力学的基本理论和计算方法,独立地计算工程中的典型零部件,以达到综合运用材料力学的知识解决工程实际问题之目的。
同时,可以使学生将材料力学的理论和现代计算方法及手段融为一体。
既从整体上掌握了基本理论和现代的计算方法,又提高了分析问题,解决问题的能力;既把以前所学的知识(高等数学、工程图学、理论力学、算法语言、计算机和材料力学等)综合运用,又为后继课程(机械设计、专业课等)打下基础,并初步掌握工程中的设计思想和设计方法,对实际工作能力有所提高。
具体的有以下六项:1.使学生的材料力学知识系统化、完整化;2.在系统全面复习的基础上,运用材料力学知识解决工程中的实际问题;3.由于选题力求结合专业实际,因而课程设计可以把材料力学知识和专业需要结合起来;4.综合运用了以前所学的个门课程的知识(高数、制图、理力、算法语言、计算机等等)使相关学科的知识有机地联系起来;5.初步了解和掌握工程实践中的设计思想和设计方法;6.为后继课程的教学打下基础。
二.材料力学课程设计的任务和要求要求参加设计者,要系统地复习材料力学的全部基本理论和方法,独立分析、判断、设计题目的已知条件和所求问题。
画出受力分析计算简图和内力图,列出理论依据和导出计算公式,独立编制计算程序,通过计算机给出计算结果,并完成设计计算说明书。
传动轴的计算及强度校核第一节概述万向传动轴由万向节和传动轴组成,有时还加中间支承。
.它主要用来在工作过程中不断改变的两根轴间传递转矩和旋转运动。
.万向传动轴设计的基本要求:1. 保证所连接的两轴的相对位置在预计的范围内变动时,能可靠的传递动力。
.2. 保证所连接的两轴尽可能等速运转。
.由于万向节夹角而产生的附近载荷、振动和噪声应在允许的范围内。
.3. 传动效率高,使用寿命长,结构简单,制造方便,维修容易等.设计要点:1. 关键性能尺寸的确定传动轴中心距由传动轴总布置确定。
.固定节、移动节的装配尺寸根据接口(轮毂、半轴齿轮等)尺寸、结构确定,主要结构参数参见传动轴的主要结构与计算。
.2. 粗糙度和形位公差的确定移动节轴颈与变速箱油封配合处,为保证油封的密封效果,轴颈处粗糙度一般选0. 8或0. 63。
.移动节、固定节轴承配合端面垂直度取0. 05。
.形状和位置公差GB/T1182-ISO1302。
. 表面粗糙度符号按GB/T131-ISO1302。
.形状和位置的未注公差按GB/T1184-k,线性尺寸的未注公差按GB/T1804-m,角度的未注公差按GB/T11335-m。
.3. 零件号要求传动轴组号为22。
.前传动轴分组号2203。
.中间传动轴分组号2202。
.后传动轴组号2201。
.第二节 万向节的设计一、万向传动的计算载荷表中, max e T ――-发动机最大转矩;N ―――计算驱动桥数;取法见下表。
.1i ―――变速器一档传动比;η―――发动机到万向节传动轴之间的传动效率;k ―――液力变矩器变矩系数, k= 〔(0k -1)/2〕+1, 0k 为最大变矩系数;2G ―――满载状态下一个驱动桥上的静载荷(N );'2m ―――汽车最大加速度时的后轴负荷转移系数, 轿车'2m = 1. 2~1. 4,货车: '2m = 1. 1~1. 2;ϕ―――轮胎与路面间的附着系数,对于安装一般轮胎的公路用汽车, 在良好的混泥土或沥青路面上, ϕ可取0. 85, 对于安装防侧滑的轮胎的轿车, ϕ可取1. 25, 对于越野车, ϕ值变化较大, 一般取1;r r ―――车轮滚动半径(m );0i ―――主减速器传动比;m i ―――主减速器从动齿轮到车轮之间的传动比;m η―――主减速器主动齿轮代车轮之间的传动效率;1G ―――满载状态下转向驱动桥上的静载荷(N );'1m ―――汽车最大加速度时的前轴负荷转移系数, 轿车: '1m = 0. 80~0. 85, 货车: '1m = 0. 75~0. 90;t F ―――日常汽车行驶平均牵引力(N );f i ―――分动器传动比, 取法见表2;d k ―――猛接离合器所产生的动载系数, 对于液力自动变速器, d k = 1,对于具有手动操纵的机械变速器的高性能赛车, d k = 3, 对于性能系数j f = 0的汽车(一般货车、况用汽车和越野车), d k = 1, 对于j f ﹥0的汽车, d k = 2或由经验选定。
材料力学课程设计题目:五种传动轴设计(题7.6、 a图、第7组数据)姓名:所在学院:专业班级:学号:指导教师:目录:一、材料力学课程设计的目的 (3)二、材料力学课程设计的任务和要求 (3)三、设计题目(传动轴静强度、变形及疲劳强度计算) (3)设计题目()、a图、7号数据 (3)四、分析计算进程 (5)1、传动轴受力简图: (5)2、作出扭矩图及弯矩图。
(5)3、依照强度条件设计等直轴的直径。
(8)4、计算齿轮处轴的挠度(均按直径1 的等直杆计算)。
(9)5、对阶梯传动轴进行疲劳强度计算。
(10)5.1 校核的相关数据 (10)5.2 校核类型的确信 (11)5.3 有效应力集中系数 (12)5.4 相关计算公式 (12)5.5 各点校核: (13)五、课程设计总结: (25)六、(附)C语言程序 (26)1、流程图 (26)2、程序代码 (27)一、材料力学课程设计的目的本课程设计是在系统学完材料力学课程以后,结合工程实际中的问题,运用材料力学的大体理论和计算方式,独立的计算工程中的典型零部件,以达到综合利用材料力学知识解决工程实际问题的目的。
同时,能够是同窗将材料力学的理论和现代的计算方式,又提高了分析问题、解决问题的能力;既是对以前所学知识(高等数学、工程图学、理论力学、算法语言、运算机和材料力学等)的综合应用,又为后续课程(机械设计、专业课等)的学习打下基础,并初步把握工程设计思想和设计方式,使实际工作能力有所提高。
具体有以下六项:一、使所学的材料力学知识系统化、完整化。
二、在系统全面温习的基础上,运用材料力学解决工程实际中的问题。
3、由于选题力求结合专业实际,因此课程设计能够把材料力学知识与专业需要结合起来。
4、综合运用以前所学的各门课程知识(高等数学、工程图学、理论力学、算法语言、运算机等),使相关学科的知识有机的联系起来。
五、初步了解和把握工程实践中的设计思想和设计方式。
材料力学课程设计设计题目五种传动轴的静强度、变形及疲劳强度的计算1.课程设计的目的本课程设计的目的是在于系统学完材料力学之后,能结合工程中的实际问题,运用材料力学的基本理论和计算方法,独立地计算工程中的典型零部件,以达到综合运用材料力学的知识解决工程实际问题之目的。
同时,可以使我们将材料力学的理论和现代计算方法及手段融为一体。
既从整体上掌握了基本理论和现代的计算方法,又提高了分析问题,解决问题的能力;既把以前所学的知识综合运用,又为后继课程打下基础,并初步掌握工程中的设计思想和设计方法,对实际工作能力有所提高。
1.使所学的材料力学知识系统化、完整化。
让我们在系统全面复习的基础上,运用材料力学知识解决工程实际问题。
2.综合运用了以前所学的各门课程的知识(高数、制图、理力、算法语言、计算机等)使相关学科的知识有机地联系起来。
3.使我们初步了解和掌握工程实践中的设计思想和设计方法,为后继课程的教学打下基础。
2.课程设计的任务和要求要求参加设计者,要系统地复习材料力学的全部基本理论和方法,独立分析、判断、设计题目的已知条件和所求问题。
画出受力分析计算简图和内力图,列出理论依据和导出计算公式,独立编制计算程序,通过计算机给出计算结果,并完成设计计算说明书。
3.课程设计的题目传动轴的强度、变形及疲劳强度计算6-1 设计题目传动轴的材料为优质碳素结构钢(牌号45),许用应力[σ]=80MPa,经高频淬火处理,其σb=650MPa,σ-1=300MPa,τ-1=155MPa,磨削轴的表面,键槽均为端铣加工,阶梯轴过渡圆弧r均为2,疲劳安全系数n=2,要求:1)绘出传动轴的受力简图;2)作扭矩图及弯矩图;3)根据强度条件设计等直轴的直径;4)计算齿轮处轴的挠度;(按直径Φ1的等直杆计算)5)对阶梯传动轴进行疲劳强度计算;(若不满足,采取改进措施使其满足疲劳强度);6)对所取数据的理论根据作必要的说明。
说明:a) 坐标的选取均按下图6—1所示;b) 齿轮上的力F与节圆相切;c) 数据表中P为直径D的皮带轮传递的功率,P为直径为D1的皮带轮传递的功率。
16—2传动轴的零件图Φ1 为静强度条件所确定的轴径,尺寸最后一位数准确到mm ,并取偶数。
设1.1433221===φφφφφφ 图号6-4本次课程设计采用第14组数据。
P=21.3kW , P1=8.1kW , n=1200r/min , D=750mm , D1=400mm , D2=250mm , G2=750N , G1=350N , a=600mm , α=25°。
4.课程设计的具体设计方案(一) 绘出传动轴的受力简图分析传动轴的零件图(下图)和受力图(右图),P 为直径D 的皮带轮传递的功率,所以直径D 的皮带轮传递的力矩M=9549nP=169.495Nm , 1P 为直径为D1的皮带轮传递的功率,所以直径D2的皮带轮传递的力矩M1=9549nP 1=64.456Nm 。
在传动轴旋转方向上由力矩守衡可得平衡方程 F ×D2/2+(2F1-F1)×D1/2+(F2-2F2)×D2/2=0 其中M=(2F2-F2)D/2 , M1=(2F1-F1)D1/2故可解得F=2(M-M1)/D2=840.312N传动轴的受力图:传动轴的零件图:现绘出传动轴的受力简图(如下图所示):(二)作扭矩图及弯矩图由传动轴的受力简图可求支反力得Fy1=(4Fcosα+2G1+6F1+G2)/5=1286.000NFz1=(4Fsinα+3F2)/5=555.297NFy2=(Fcosα+3G1+9F1+4G2)/5=1542.418NFz2=(4Fsinα+12F2)/5=1368.871N 并作出传动轴各截面的内力图:沿z轴方向的剪力图:扭矩图:沿z 轴方向的弯矩图:(三)根据强度条件设计等直轴的直径I .由于传动轴的材料为优质碳素结构钢(牌号45),因此需要选用第三强度理论进行强度计算。
根据第三强度理论3r σ=W1422=+τσ []σ<++222Mz My Mx 其中 3231πφ=W由扭矩图与弯矩图可确定危险截面在D 截面右侧与E 截面左侧。
在D 截面右侧Nm M Dy 553.1715=,Nm M Dz 608.658=,Nm M Dx 495.169=,则有NmNm Nm Nm M M M M Dx Dz Dy D 430.1845)495.169()608.658()553.1715(222222max ,=++=++=在E 截面左侧Nm M Ey 451.925=,Nm M Ez 323.821=,Nm M Ex 495.169=,则有NmNm Nm Nm M M M M Ex Ez Ey E 903.1248)49.169()474.693()434.925(222222max ,=++=++=m ax ,m ax ,E D M M >,所以等直轴只需要满足D 截面右侧即可。
因此[]MPa Nm M W D D 80430.184532131max ,max ,=<⨯==σπφσ 解得mm m 707.61061707.01==φ,取mm 621=φ。
由1.1433221===φφφφφφ得 mm m 097.56056097.02==φ,取mm 582=φ; mm m 998.50050998.03==φ,取mm 523=φ;mm m 362.46046362.04==φ,取mm 484=φ;II .再校核2φ是否满足静强度条件。
此时需对U 截面左侧进行校核。
其中32322πφφ=W ;在U 截面左侧Nm M Uy 564.1479=,Nm M Uz 250.577=,Nm M Ux 039.105=,则有 NmNm Nm Nm M M M M Ux Uz Uy U 654.1591)039.105()250.577()564.1479(222222max ,=++=++=因此[]MPa Nm M W U U 80654.159132132max ,2max ,=<⨯==σπφσφ 解得mm mm m 58738.58058738.02>==φ,所以2φ不满足静强度条件。
取mm 602=φ,由1.1433221===φφφφφφ得 mm m 612.64064612.01==φ,取mm 661=φ; mm m 398.53053398.03==φ,取mm 543=φ;mm m 544.48048544.04==φ,取mm 504=φIII .然后校核3φ是否满足静强度条件。
此时需对Q 截面左侧,V 截面右侧和E 截面左侧进行校核。
很明显max ,max ,Q V M M >,其中32333πφφ=W 。
在V 截面左侧Nm M Vy 502.1320=,Nm M Vz 965.739=,Nm M Vx 495.169=,则有 NmNm Nm Nm M M M M Vx Vz Vy V 155.1523)495.169()965.739()502.1320(222222max ,=++=++=在E 截面左侧Nm M Ey 451.925=,Nm M Ez 323.821=,Nm M Ex 495.169=,则有Nm Nm Nm Nm M M M M Ex Ez Ey E 903.1248)49.169()474.693()434.925(222222max ,=++=++=Ey Vy M M >,因此[]MPa Nm M W V V 80155.152332133max ,3max ,=<⨯==σπφσφ 解得mm mm m 54883.57057883.03>==φ,所以3φ不满足静强度条件。
取mm 583=φ,由1.1433221===φφφφφφ得 mm m 083.70070083.01==φ,取mm 721=φ;mm m 671.63063671.02==φ,取mm 642=φ; mm m 621.52052621.04==φ,取mm 544=φ。
综上所述,mm 721=φ,mm 642=φ,mm 583=φ,mm 544=φ。
(四)计算齿轮处轴的挠度(均按直径Φ1的等直杆计算)图中直径为D2的轮为齿轮。
I .可以在该轮处(图中B 点位置)沿y 轴方向加一单位力F=1,并作出单位力作用下的弯矩图M 图。
沿y 轴方向的弯矩图:M 图:其中E=200GPa(数据来源:《材料力学》(机械工业出版社)P29页表2-2),6441πφ==z y I I此时可以利用图形互乘法求齿轮处该轴沿y 轴方向的挠度mm M a M M a M M M a M M a M M M a M M a M EI f Ey Ey Dy Ey By Dy By By z y 012.4]6121125)(2183322)(214323221[1=⋅⋅+⋅-⋅+⋅+⋅-⋅+⋅+⋅⋅=II .再在该轮处沿z 轴方向加一单位力F=1,并作出单位力作用下的弯矩图M 图。
沿z 轴方向的弯矩图:M 图:此时可以利用图形互乘法求齿轮处该轴沿z 轴方向的挠度mmM a M M a M M M a M M a M EI f Ez Bz Ez Bz Bz y z 896.1]6121213)(218533221[1=⋅⋅+⋅-⋅+⋅+⋅⋅=III . mm mm f f f z y 437.4896.1012.42222=+=+=(五)对阶梯传动轴进行疲劳强度计算(若不满足,采取改进措施使其满足疲劳强度)I .首先对传动轴键槽进行疲劳强度计算因为该轴键槽为端铣加工,σb =650MPa ,所以根据《材料力学》(机械工业出版社)P355页图13-10a 可查得σK =1.8,根据《材料力学》(机械工业出版社)P355页图13-10b 可查得τK =1.48。
因为该轴经高频淬火处理,σb =650MPa ,σK =1.8,所以根据《材料力学》(机械工业出版社)P356页表13-4可查得β=2.4。
由于此传动轴工作在弯扭组合交变应力状态下,因此在进行疲劳强度计算时疲劳强度条件可写成222=≥+=n n n n n n τστσστ。
WM M WMzy 22max max+==σ,P x W M =maxτ,323πφ=W ,163πφ=P W 。
max min σσ-=,故弯矩循环系数r=-1,循环特征为对称循环;0min =τ,故扭矩循环系数r=0,循环特征为脉动循环。
所以max1σβεσσσσK n -=,m a K n τψτβετττττ+=-1。