单片机35个实例
- 格式:doc
- 大小:66.00 KB
- 文档页数:41
学习单片机//实例1:用单片机控制第一个灯亮#include<reg51.h> //包含51单片机寄存器定义的头文件void main(void){P1=0xfe; //P1=1111 1110B,即P1.0输出低电平}//实例2:用单片机控制一个灯闪烁:认识单片机的工作频率#include<reg51.h> //包含单片机寄存器的头文件/函数功能:延时一段时间/void delay(void) //两个void意思分别为无需返回值,没有参数传递{unsigned int i; //定义无符号整数,最大取值范围65535for(i=0;i<20000;i++) //做20000次空循环; //什么也不做,等待一个机器周期}/函数功能:主函数(C语言规定必须有也只能有1个主函数)/void main(void){while(1) //无限循环{P1=0xfe; //P1=1111 1110B,P1.0输出低电平delay(); //延时一段时间P1=0xff; //P1=1111 1111B,P1.0输出高电平delay(); //延时一段时间}}//实例3:将P1口状态分别送入P0、P2、P3口:认识I/O口的引脚功能#include<reg51.h> //包含单片机寄存器的头文件/函数功能:主函数(C语言规定必须有也只能有1个主函数)/ void main(void){while(1) //无限循环{P1=0xff; // P1=1111 1111B,熄灭LEDP0=P1; // 将P1口状态送入P0口P2=P1; // 将P1口状态送入P2口P3=P1; // 将P1口状态送入P3口}}//实例4:使用P3口流水点亮8位LED #include<reg51.h> //包含单片机寄存器的头文件/函数功能:延时一段时间/void delay(void){unsigned char i,j;for(i=0;i<250;i++)for(j=0;j<250;j++);}/函数功能:主函数/ void main(void){while(1){P3=0xfe; //第一个灯亮delay(); //调用延时函数P3=0xfd; //第二个灯亮delay(); //调用延时函数P3=0xfb; //第三个灯亮delay(); //调用延时函数P3=0xf7; //第四个灯亮delay(); //调用延时函数P3=0xef; //第五个灯亮delay(); //调用延时函数P3=0xdf; //第六个灯亮delay(); //调用延时函数P3=0xbf; //第七个灯亮delay(); //调用延时函数P3=0x7f; //第八个灯亮delay(); //调用延时函数}}//实例7:通过对P3口地址的操作流水点亮8位LED#include<reg51.h> //包含单片机寄存器的头文件sfr x=0xb0; //P3口在存储器中的地址是b0H,通过sfr可定义8051内核单片机//的所有内部8位特殊功能寄存器,对地址x的操作也就是对P1口的操作/函数功能:延时一段时间/void delay(void){unsigned char i,j;for(i=0;i<250;i++)for(j=0;j<250;j++); //利用循环等待若干机器周期,从而延时一段时间}/函数功能:主函数/void main(void){while(1){x=0xfe; //第一个灯亮delay(); //调用延时函数x=0xfd; //第二个灯亮delay(); //调用延时函数x=0xfb; //第三个灯亮delay(); //调用延时函数x=0xf7; //第四个灯亮delay(); //调用延时函数x=0xef; //第五个灯亮delay(); //调用延时函数x=0xdf; //第六个灯亮delay(); //调用延时函数x=0xbf; //第七个灯亮delay(); //调用延时函数x=0x7f; //第八个灯亮delay(); //调用延时函数}}//实例8:用不同数据类型控制灯闪烁时间#include<reg51.h> //包含单片机寄存器的头文件/函数功能:用整形数据延时一段时间/void int_delay(void) //延时一段较长的时间{unsigned int m; //定义无符号整形变量,双字节数据,值域为0~65535 for(m=0;m<36000;m++); //空操作}/函数功能:用字符型数据延时一段时间/void char_delay(void) //延时一段较短的时间{unsigned char i,j; //定义无符号字符型变量,单字节数据,值域0~255 for(i=0;i<200;i++)for(j=0;j<180;j++); //空操作}/函数功能:主函数/void main(void){unsigned char i;while(1){for(i=0;i<3;i++){P1=0xfe; //P1.0口的灯点亮int_delay(); //延时一段较长的时间P1=0xff; //熄灭int_delay(); //延时一段较长的时间}for(i=0;i<3;i++){P1=0xef; //P1.4口的灯点亮char_delay(); //延时一段较长的时间P1=0xff; //熄灭char_delay(); //延时一段较长的时间}}}//实例9:用P0口、P1 口分别显示加法和减法运算结果#include<reg51.h>void main(void){unsigned char m,n;m=43; //即十进制数2x16+11=43n=60; //即十进制数3x16+12=60P1=m+n; //P1=103=0110 0111B,结果P1.3、P1.4、P1.7 口的灯被点亮P0=n-m; //P0=17=0001 0001B,结果P0.0、P0.4的灯被熄灭}//实例10:用P0、P1口显示乘法运算结果#include<reg51.h> //包含单片机寄存器的头文件void main(void){unsigned char m,n;unsigned int s;m=64;s=m n; //s=64 71=4544,需要16位二进制数表示,高8位送P1口,低8位送P0口//由于4544=17 256+192=H3 16 16 16+H2 16 16+H1 16+H0//两边同除以256,可得17+192/256=H3 16+H2+(H1 16+H0)/256//因此,高8位16进制数H3 16+H2必然等于17,即4544除以256的商//低8位16进制数H1 16+H0必然等于192,即4544除以256的余数P1=s/256; //高8位送P1口,P1=17=11H=0001 0001B, P1.0和P1.4口灭,其余亮P0=s%256; //低8位送P0口, P3=192=c0H=1100 0000B,P3.1,P3.6,P3.7口灭,其余亮}//实例11:用P1、P0口显示除法运算结果#include<reg51.h> //包含单片机寄存器的头文件void main(void){P1=36/5; //求整数P0=((36%5) 10)/5; //求小数while(1); //无限循环防止程序“跑飞”}//实例12:用自增运算控制P0口8位LED流水花样#include<reg51.h> //包含单片机寄存器的头文件/函数功能:延时一段时间/void delay(void){unsigned int i;for(i=0;i<20000;i++)}/函数功能:主函数/ void main(void){unsigned char i;for(i=0;i<255;i++) //注意i的值不能超过255{P0=i; //将i的值送P0口delay(); //调用延时函数}}//实例13:用P0口显示逻辑"与"运算结果#include<reg51.h> //包含单片机寄存器的头文件void main(void){P0=(4>0)&&(9>0xab);//将逻辑运算结果送P0口while(1); //设置无限循环,防止程序“跑飞”}//实例14:用P0口显示条件运算结果#include<reg51.h> //包含单片机寄存器的头文件void main(void){P0=(8>4)?8:4;//将条件运算结果送P0口,P0=8=0000 1000Bwhile(1); //设置无限循环,防止程序“跑飞”}//实例15:用P0口显示按位"异或"运算结果#include<reg51.h> //包含单片机寄存器的头文件void main(void){P0=0xa2^0x3c;//将条件运算结果送P0口,P0=8=0000 1000Bwhile(1); //设置无限循环,防止程序“跑飞”}//实例16:用P0显示左移运算结果#include<reg51.h> //包含单片机寄存器的头文件void main(void){P0=0x3b<<2;//将左移运算结果送P0口,P0=1110 1100B=0xecwhile(1); //无限循环,防止程序“跑飞”}//实例17:"万能逻辑电路"实验#include<reg51.h> //包含单片机寄存器的头文件sbit F=P1^4; //将F位定义为P1.4sbit X=P1^5; //将X位定义为P1.5sbit Y=P1^6; //将Y位定义为P1.6sbit Z=P1^7; //将Z位定义为P1.7void main(void){while(1){F=((~X)&Y)|Z; //将逻辑运算结果赋给F;}}//实例18:用右移运算流水点亮P1口8位LED #include<reg51.h> //包含单片机寄存器的头文件/函数功能:延时一段时间/void delay(void){unsigned int n;for(n=0;n<30000;n++);}/函数功能:主函数/void main(void){unsigned char i;while(1){P1=0xff;delay();for(i=0;i<8;i++)//设置循环次数为8{P1=P1>>1; //每次循环P1的各二进位右移1位,高位补0delay(); //调用延时函数}}}//实例19:用if语句控制P0口8位LED的流水方向#include<reg51.h> //包含单片机寄存器的头文件sbit S1=P1^4; //将S1位定义为P1.4sbit S2=P1^5; //将S2位定义为P1.5/函数功能:主函数/void main(void){while(1){if(S1==0) //如果按键S1按下P0=0x0f; //P0口高四位LED点亮if(S2==0) //如果按键S2按下P0=0xf0; //P0口低四位LED点亮}}//实例20:用swtich语句的控制P0口8位LED的点亮状态#include<reg51.h> //包含单片机寄存器的头文件sbit S1=P1^4; //将S1位定义为P1.4/函数功能:延时一段时间/void delay(void){unsigned int n;for(n=0;n<10000;n++);}/函数功能:主函数/void main(void){unsigned char i;i=0; //将i初始化为0while(1){if(S1==0) //如果S1键按下{delay(); //延时一段时间if(S1==0) //如果再次检测到S1键按下i++; //i自增1if(i==9) //如果i=9,重新将其置为1i=1;}switch(i) //使用多分支选择语句{case 1: P0=0xfe; //第一个LED亮break;case 2: P0=0xfd; //第二个LED亮break;case 3:P0=0xfb; //第三个LED亮break;case 4:P0=0xf7; //第四个LED亮break;case 5:P0=0xef; //第五个LED亮break;case 6:P0=0xdf; //第六个LED亮break;case 7:P0=0xbf; //第七个LED亮break;case 8:P0=0x7f; //第八个LED亮break;default: //缺省值,关闭所有LEDP0=0xff;}}}//实例21:用for语句控制蜂鸣器鸣笛次数#include<reg51.h> //包含单片机寄存器的头文件sbit sound=P3^7; //将sound位定义为P3.7/函数功能:延时形成1600Hz音频/void delay1600(void){unsigned char n;for(n=0;n<100;n++);}/函数功能:延时形成800Hz音频/void delay800(void){unsigned char n;for(n=0;n<200;n++);}/函数功能:主函数/void main(void){unsigned int i;while(1){for(i=0;i<830;i++){sound=0; //P3.7输出低电平delay1600();sound=1; //P3.7输出高电平delay1600();}for(i=0;i<200;i++){sound=0; //P3.7输出低电平delay800();sound=1; //P3.7输出高电平delay800();}}}//实例22:用while语句控制LED #include<reg51.h> //包含单片机寄存器的头文件/函数功能:延时约60ms (3 100 200=60000μs)/void delay60ms(void){unsigned char m,n;for(m=0;m<100;m++)for(n=0;n<200;n++);}/函数功能:主函数/void main(void){unsigned char i;while(1) //无限循环{i=0; //将i初始化为0while(i<0xff) //当i小于0xff(255)时执行循环体{P0=i; //将i送P0口显示delay60ms(); //延时i++; //i自增1}}}//实例23:用do-while语句控制P0口8位LED流水点亮#include<reg51.h> //包含单片机寄存器的头文件/函数功能:延时约60ms (3 100 200=60000μs)/void delay60ms(void){unsigned char m,n;for(m=0;m<100;m++)for(n=0;n<200;n++);}/函数功能:主函数/void main(void){do{P0=0xfe; //第一个LED亮delay60ms();P0=0xfd; //第二个LED亮delay60ms();P0=0xfb; //第三个LED亮delay60ms();P0=0xf7; //第四个LED亮delay60ms();P0=0xef; //第五个LED亮delay60ms();P0=0xdf; //第六个LED亮delay60ms();delay60ms();P0=0xbf; //第七个LED亮delay60ms();P0=0x7f; //第八个LED亮delay60ms();}while(1); //无限循环,使8位LED循环流水点亮}//实例24:用字符型数组控制P0口8位LED流水点亮#include<reg51.h> //包含单片机寄存器的头文件/函数功能:延时约60ms (3 100 200=60000μs)/void delay60ms(void){unsigned char m,n;for(m=0;m<100;m++)for(n=0;n<200;n++);}/函数功能:主函数/void main(void){unsigned char i;unsigned char code Tab[ ]={0xfe,0xfd,0xfb,0xf7,0xef,0xdf,0xbf,0x7f}; //定义无符号字符型数组while(1){for(i=0;i<8;i++){P0=Tab[i];//依次引用数组元素,并将其送P0口显示delay60ms();//调用延时函数}}//实例25:用P0口显示字符串常量#include<reg51.h> //包含单片机寄存器的头文件/函数功能:延时约150ms (3 200 250=150 000μs=150ms/void delay150ms(void){unsigned char m,n;for(m=0;m<200;m++)for(n=0;n<250;n++);}/函数功能:主函数/void main(void){unsigned char str[]={"Now,Temperature is :"}; //将字符串赋给字符型全部元素赋值unsigned char i;while(1){i=0; //将i初始化为0,从第一个元素开始显示while(str[i]!='\0') //只要没有显示到结束标志'\0'{P0=str[i]; //将第i个字符送到P0口显示delay150ms(); //调用150ms延时函数i++; //指向下一个待显字符}}}//实例26:用P0 口显示指针运算结果#include<reg51.h>void main(void)unsigned char p1, p2; //定义无符号字符型指针变量p1,p2 unsigned char i,j; //定义无符号字符型数据i=25; //给i赋初值25j=15;p1=&i; //使指针变量指向i ,对指针初始化p2=&j; //使指针变量指向j ,对指针初始化P0= p1+ p2; // p1+ p2相当于i+j,所以P0=25+15=40=0x28//则P0=0010 1000B,结果P0.3、P0.5引脚LED熄灭,其余点亮while(1); //无限循环,防止程序“跑飞”}//实例27:用指针数组控制P0口8位LED流水点亮#include<reg51.h>/函数功能:延时约150ms (3 200 250=150 000μs=150ms/void delay150ms(void){unsigned char m,n;for(m=0;m<200;m++)for(n=0;n<250;n++);}/函数功能:主函数/void main(void){unsigned char code Tab[]={0xfe,0xfd,0xfb,0xf7,0xef,0xdf,0xbf,0x7f}; unsigned char p[ ]={&Tab[0],&Tab[1],&Tab[2],&Tab[3],&Tab[4],&Tab[5],&Tab[6],&Tab[7]};unsigned char i; //定义无符号字符型数据while(1){for(i=0;i<8;i++){P0= p[i];delay150ms();}}}//实例28:用数组的指针控制P0 口8 位LED流水点亮#include<reg51.h>/函数功能:延时约150ms (3 200 250=150 000μs=150ms/void delay150ms(void){unsigned char m,n;for(m=0;m<200;m++)for(n=0;n<250;n++);}/函数功能:主函数/void main(void){unsigned char i;unsigned char Tab[ ]={0xFF,0xFE,0xFD,0xFB,0xF7,0xEF,0xDF,0xBF,0x7F,0xBF,0xDF,0xEF,0xF7,0xFB,0xFD,0xFE,0xFE,0xFC,0xFB,0xF0,0xE0,0xC0,0x80,0x00,0xE7,0xDB,0xBD,0x7E,0x3C,0x18,0x00,0x81,0xC3,0xE7,0x7E,0xBD,0xDB,0xE7,0xBD,0xDB};//流水灯控制码unsigned char p; //定义无符号字符型指针p=Tab; //将数组首地址存入指针pwhile(1){for(i=0;i<32;i++) //共32个流水灯控制码{P0= (p+i); // (p+i)的值等于a[i]delay150ms(); //调用150ms延时函数}}}//实例29:用P0 、P1口显示整型函数返回值#include<reg51.h>/函数功能:计算两个无符号整数的和/unsigned int sum(int a,int b){unsigned int s;s=a+b;return (s);}/函数功能:主函数/void main(void){unsigned z;z=sum(2008,2009);P1=z/256; //取得z的高8位P0=z%256; //取得z的低8位while(1);}//实例30:用有参函数控制P0口8位LED流水速度#include<reg51.h>/函数功能:延时一段时间/void delay(unsigned char x){unsigned char m,n;for(m=0;m<x;m++)for(n=0;n<200;n++);}/函数功能:主函数/void main(void){unsigned char i;unsigned char code Tab[ ]={0xFE,0xFD,0xFB,0xF7,0xEF,0xDF,0xBF,0x7F};//流水灯控制码while(1){//快速流水点亮LEDfor(i=0;i<8;i++) //共8个流水灯控制码{P0=Tab[i];delay(100); //延时约60ms, (3 100 200=60 000μs)}//慢速流水点亮LEDfor(i=0;i<8;i++) //共8个流水灯控制码{P0=Tab[i];delay(250); //延时约150ms, (3 250 200=150 000μs)}}}//实例31:用数组作函数参数控制流水花样#include<reg51.h>/函数功能:延时约150ms/void delay(void){unsigned char m,n;for(m=0;m<200;m++)for(n=0;n<250;n++);}/函数功能:流水点亮P0口8位LED/void led_flow(unsigned char a[8]){unsigned char i;for(i=0;i<8;i++){P0=a[i];delay();}}/函数功能:主函数/void main(void){unsigned char code Tab[ ]={0xFE,0xFD,0xFB,0xF7,0xEF,0xDF,0xBF,0x7F};//流水灯控制码led_flow(Tab);}//实例32:用指针作函数参数控制P0口8位LED流水点亮#include<reg51.h>/函数功能:延时约150ms/void delay(void){unsigned char m,n;for(m=0;m<200;m++)for(n=0;n<250;n++);}/函数功能:流水点亮P0口8位LED/void led_flow(unsigned char p) //形参为无符号字符型指针{unsigned char i;while(1){i=0; //将i置为0,指向数组第一个元素while( (p+i)!='\0') //只要没有指向数组的结束标志{P0= (p+i);// 取的指针所指变量(数组元素)的值,送P0口delay(); //调用延时函数i++; //指向下一个数组元素}}}/函数功能:主函数/void main(void){unsigned char code Tab[ ]={0xFE,0xFD,0xFB,0xF7,0xEF,0xDF,0xBF,0x7F,0x7F,0xBF,0xDF,0xEF,0xF7,0xFB,0xFD,0xFE, 0xFF,0xFE,0xFC,0xFB,0xF0,0xE0,0xC0,0x80,0x00,0xE7,0xDB,0xBD,0x7E,0xFF,0xFF,0x3C,0x18,0x0,0x81,0xC3,0xE7,0xFF, 0xFF,0x7E};//流水灯控制码unsigned char pointer;pointer=Tab;led_flow(pointer);}//实例33:用函数型指针控制P1口灯花样#include<reg51.h> //包含51单片机寄存器定义的头文件unsigned char code Tab[]={0xFE,0xFD,0xFB,0xF7,0xEF,0xDF,0xBF,0x7F};//流水灯控制码,该数组被定义为全局变量/函数功能:延时约150ms/ void delay(void){unsigned char m,n;for(m=0;m<200;m++)for(n=0;n<250;n++);}/函数功能:流水灯左移/void led_flow(void){unsigned char i;for(i=0;i<8;i++) //8位控制码{P0=Tab[i];delay();}}/函数功能:主函数/void main(void){void ( p)(void); //定义函数型指针,所指函数无参数,无返回值p=led_flow; //将函数的入口地址赋给函数型指针pwhile(1)( p)(); //通过函数的指针p调用函数led_flow()}//实例34:用指针数组作为函数的参数显示多个字符串#include<reg51.h> //包含51单片机寄存器定义的头文件unsigned char code str1[ ]="Temperature is tested by DS18B20";//C语言中,字符串是作为字符数组来处理的unsigned char code str2[ ]="Now temperature is:"; //所以,字符串的名字就是字符串的首地址unsigned char code str3[ ]="The Systerm is designed by Zhang San";unsigned char code str4[ ]="The date is 2008-9-30";unsigned char p[ ]={str1,str2,str3,str4}; //定义p[4]为指向4个字符串的字符型指针数组/函数功能:延时约150ms/ void delay(void){unsigned char m,n;for(m=0;m<200;m++)for(n=0;n<250;n++);}/函数功能:流水点亮P0口8位LED/ void led_display(unsigned char x[ ]) //形参必须为指针数组{unsigned char i,j;for(i=0;i<4;i++) //有4个字符串要显示{j=0; //指向待显字符串的第0号元素while( (x[i]+j)!='\0') //只要第i个字符串的第j号元素不是结束标志{P0= (x[i]+j); //取得该元素值送到P0口显示delay(); //调用延时函数j++; //指向下一个元素}}}/函数功能:主函数/ void main(void){unsigned char i;while(1){for(i=0;i<4;i++)led_display(p); //将指针数组名作实际参数传递}}//实例35:字符函数ctype.h应用举例#include<reg51.h> //包含51单片机寄存器定义的头文件#include<ctype.h>void main(void){while(1){P3=isalpha('_')?0xf0:0x0f;//条件运算,若'_'是英文字母,P3=0xf0 }}//实例36:内部函数intrins.h应用举例#include<reg51.h> //包含51单片机寄存器定义的头文件#include<intrins.h> //包含函数isalpha()声明的头文件/函数功能:延时约150ms/void delay(void){unsigned char m,n;for(m=0;m<200;m++)for(n=0;n<250;n++);}/函数功能:主函数/void main(void){P3=0xfe; //P3=1111 1110Bwhile(1){P3=_crol_(P3,1);// 将P3的二进制位循环左移1位后再赋给P3delay(); //调用延时函数}}//实例37:标准函数stdlib.h应用举例#include<reg51.h> //包含51单片机寄存器定义的头文件#include<stdlib.h> //包含函数isalpha()声明的头文件/函数功能:延时约150ms/void delay(void){unsigned char m,n;for(m=0;m<200;m++)for(n=0;n<250;n++);}/函数功能:主函数/void main(void){unsigned char i;while(1){for(i=0;i<10;i++) //产生10个随机数{P3=rand()/160; //将产生的随机数缩小160倍后送P3显示delay();}}}//实例38:字符串函数string.h应用举例#include<reg51.h> //包含51单片机寄存器定义的头文件#include<string.h> //包含函数isalpha()声明的头文件void main(void){unsigned char str1[ ]="Now, The temperature is :";unsigned char str2[ ]="Now, The temperature is 36 Centgrade:"; unsigned char i;i=strcmp(str1,str2); //比较两个字符串,并将结果存入iif(i==0) //str1=str2P3=0x00;elseif(i<0) //str1<str2P3=0xf0;else //str1>str2P3=0x0f;while(1); //防止程序“跑飞”}//实例39:宏定义应用举例2#include<reg51.h> //包含51单片机寄存器定义的头文件# define F(a,b) (a)+(a) (b)/256+(b) //带参数的宏定义,a和b为形参void main(void){unsigned char i,j,k;i=40;j=30;k=20;P3=F(i,j+k); //i和j+k分别为实参,宏展开时,实参将替代宏定义中的形参while(1);}//实例40:宏定义应用举例2#include<AT89X51.h>#include<ctype.h>void main(void){P3_0=0; //将P3.0引脚置低电平,LED点亮P3_1=0; //将P3.0引脚置低电平,LED点亮P3_2=0; //将P3.0引脚置低电平,LED点亮P3_3=0; //将P3.0引脚置低电平,LED点亮P3_4=1; //将P3.4引脚置高电平,LED熄灭P3_5=1; //将P3.5引脚置高电平,LED熄灭P3_6=1; //将P3.7引脚置高电平,LED熄灭P3_7=1; //将P3.7引脚置高电平,LED熄灭while(1);}//实例41:宏定义应用举例3#include<reg51.h> //包含51单片机寄存器定义的头文件#define MAX 100 //将MAX宏定义为字符串100void main(void){#if MAX>80 //如果字符串100大于80P3=0xf0; //P3口低四位LED点亮#elseP3=0x0f; //否则,P3口高四位LED点亮#endif //结束本次编译}/中断、定时器中断、定时器中断、定时器中断、定时器///实例42:用定时器T0查询方式P2口8位控制LED闪烁#include<reg51.h> // 包含51单片机寄存器定义的头文件/函数功能:主函数/ void main(void){// EA=1; //开总中断// ET0=1; //定时器T0中断允许TMOD=0x01; //使用定时器T0的模式1TH0=(65536-46083)/256; //定时器T0的高8位赋初值TL0=(65536-46083)%256; //定时器T0的高8位赋初值TR0=1; //启动定时器T0TF0=0;P2=0xff;while(1)//无限循环等待查询{while(TF0==0);TF0=0;P2=~P2;TH0=(65536-46083)/256; //定时器T0的高8位赋初值TL0=(65536-46083)%256; //定时器T0的高8位赋初值}}//实例43:用定时器T1查询方式控制单片机发出1KHz音频#include<reg51.h> // 包含51单片机寄存器定义的头文件sbit sound=P3^7; //将sound位定义为P3.7引脚/函数功能:主函数/void main(void){// EA=1; //开总中断// ET0=1; //定时器T0中断允许TMOD=0x10; //使用定时器T1的模式1TH1=(65536-921)/256; //定时器T1的高8位赋初值TL1=(65536-921)%256; //定时器T1的高8位赋初值TR1=1; //启动定时器T1TF1=0;while(1)//无限循环等待查询{while(TF1==0);TF1=0;sound=~sound; //将P3.7引脚输出电平取反TH1=(65536-921)/256; //定时器T0的高8位赋初值TL1=(65536-921)%256; //定时器T0的高8位赋初值}}//实例44:将计数器T0计数的结果送P1口8位LED显示#include<reg51.h> // 包含51单片机寄存器定义的头文件sbit S=P3^4; //将S位定义为P3.4引脚/函数功能:主函数/ void main(void){// EA=1; //开总中断// ET0=1; //定时器T0中断允许TMOD=0x02; //使用定时器T0的模式2TH0=256-156; //定时器T0的高8位赋初值TL0=256-156; //定时器T0的高8位赋初值TR0=1; //启动定时器T0while(1)//无限循环等待查询{while(TF0==0) //如果未计满就等待{if(S==0) //按键S按下接地,电平为0P1=TL0; //计数器TL0加1后送P1口显示}TF0=0; //计数器溢出后,将TF0清0}}//实例45:用定时器T0的中断控制1位LED闪烁#include<reg51.h> // 包含51单片机寄存器定义的头文件sbit D1=P2^0; //将D1位定义为P2.0引脚/函数功能:主函数/void main(void){EA=1; //开总中断ET0=1; //定时器T0中断允许TMOD=0x01; //使用定时器T0的模式2TH0=(65536-46083)/256; //定时器T0的高8位赋初值TL0=(65536-46083)%256; //定时器T0的高8位赋初值TR0=1; //启动定时器T0while(1)//无限循环等待中断;}/函数功能:定时器T0的中断服务程序/void Time0(void) interrupt 1 using 0 //“interrupt”声明函数为中断服务函数//其后的1为定时器T0的中断编号;0表示使用第0组工作寄存器{D1=~D1; //按位取反操作,将P2.0引脚输出电平取反TH0=(65536-46083)/256; //定时器T0的高8位重新赋初值TL0=(65536-46083)%256; //定时器T0的高8位重新赋初值}//实例46:用定时器T0的中断实现长时间定时#include<reg51.h> // 包含51单片机寄存器定义的头文件sbit D1=P2^0; //将D1位定义为P2.0引脚unsigned char Countor; //设置全局变量,储存定时器T0中断次数/函数功能:主函数/void main(void){EA=1; //开总中断ET0=1; //定时器T0中断允许TMOD=0x01; //使用定时器T0的模式2TH0=(65536-46083)/256; //定时器T0的高8位赋初值TL0=(65536-46083)%256; //定时器T0的高8位赋初值TR0=1; //启动定时器T0Countor=0; //从0开始累计中断次数while(1)//无限循环等待中断;}/函数功能:定时器T0的中断服务程序/void Time0(void) interrupt 1 using 0 //“interrupt”声明函数为中断服务函数//其后的1为定时器T0的中断编号;0表示使用第0组工作寄存器{Countor++; //中断次数自加1if(Countor==20) //若累计满20次,即计时满1s{D1=~D1; //按位取反操作,将P2.0引脚输出电平取反Countor=0; //将Countor清0,重新从0开始计数}TH0=(65536-46083)/256; //定时器T0的高8位重新赋初值TL0=(65536-46083)%256; //定时器T0的高8位重新赋初值}//实例47:用定时器T1中断控制两个LED以不同周期闪烁#include<reg51.h> // 包含51单片机寄存器定义的头文件sbit D1=P2^0; //将D1位定义为P2.0引脚sbit D2=P2^1; //将D2位定义为P2.1引脚unsigned char Countor1; //设置全局变量,储存定时器T1中断次数unsigned char Countor2; //设置全局变量,储存定时器T1中断次数/函数功能:主函数/void main(void){EA=1; //开总中断ET1=1; //定时器T1中断允许TMOD=0x10; //使用定时器T1的模式1TH1=(65536-46083)/256; //定时器T1的高8位赋初值TL1=(65536-46083)%256; //定时器T1的高8位赋初值TR1=1; //启动定时器T1Countor1=0; //从0开始累计中断次数Countor2=0; //从0开始累计中断次数;}/函数功能:定时器T1的中断服务程序/void Time1(void) interrupt 3 using 0 //“interrupt”声明函数为中断服务函数//其后的3为定时器T1的中断编号;0表示使用第0组工作寄存器{Countor1++; //Countor1自加1Countor2++; //Countor2自加1if(Countor1==2) //若累计满2次,即计时满100ms{D1=~D1; //按位取反操作,将P2.0引脚输出电平取反Countor1=0; //将Countor1清0,重新从0开始计数}if(Countor2==8) //若累计满8次,即计时满400ms{D2=~D2; //按位取反操作,将P2.1引脚输出电平取反Countor2=0; //将Countor1清0,重新从0开始计数}TH1=(65536-46083)/256; //定时器T1的高8位重新赋初值TL1=(65536-46083)%256; //定时器T1的高8位重新赋初值}//实例48:用计数器T1的中断控制蜂鸣器发出1KHz音频#include<reg51.h> // 包含51单片机寄存器定义的头文件sbit sound=P3^7; //将sound位定义为P3.7引脚/函数功能:主函数/void main(void){EA=1; //开总中断ET1=1; //定时器T1中断允许TMOD=0x10; //TMOD=0001 000B,使用定时器T1的模式1 TH1=(65536-921)/256; //定时器T1的高8位赋初值TL1=(65536-921)%256; //定时器T1的高8位赋初值TR1=1; //启动定时器T1;}/函数功能:定时器T1的中断服务程序/ void Time1(void) interrupt 3 using 0 //“interrupt”声明函数为中断服务函数{sound=~sound;TH1=(65536-921)/256; //定时器T1的高8位重新赋初值TL1=(65536-921)%256; //定时器T1的高8位重新赋初值}//实例49:用定时器T0的中断实现"渴望"主题曲的播放#include<reg51.h> //包含51单片机寄存器定义的头文件sbit sound=P3^7; //将sound位定义为P3.7unsigned int C; //储存定时器的定时常数//以下是C调低音的音频宏定义#define l_dao 262 //将“l_dao”宏定义为低音“1”的频率262Hz#define l_re 286 //将“l_re”宏定义为低音“2”的频率286Hz#define l_mi 311 //将“l_mi”宏定义为低音“3”的频率311Hz#define l_fa 349 //将“l_fa”宏定义为低音“4”的频率349Hz#define l_sao 392 //将“l_sao”宏定义为低音“5”的频率392Hz#define l_la 440 //将“l_a”宏定义为低音“6”的频率440Hz#define l_xi 494 //将“l_xi”宏定义为低音“7”的频率494Hz//以下是C调中音的音频宏定义#define dao 523 //将“dao”宏定义为中音“1”的频率523Hz#define re 587 //将“re”宏定义为中音“2”的频率587Hz#define mi 659 //将“mi”宏定义为中音“3”的频率659Hz#define fa 698 //将“fa”宏定义为中音“4”的频率698Hz#define sao 784 //将“sao”宏定义为中音“5”的频率784Hz#define la 880 //将“la”宏定义为中音“6”的频率880Hz#define xi 987 //将“xi”宏定义为中音“7”的频率523H//以下是C调高音的音频宏定义#define h_dao 1046 //将“h_dao”宏定义为高音“1”的频率1046Hz #define h_re 1174 //将“h_re”宏定义为高音“2”的频率1174Hz#define h_mi 1318 //将“h_mi”宏定义为高音“3”的频率1318Hz#define h_fa 1396 //将“h_fa”宏定义为高音“4”的频率1396Hz#define h_sao 1567 //将“h_sao”宏定义为高音“5”的频率1567Hz#define h_la 1760 //将“h_la”宏定义为高音“6”的频率1760Hz#define h_xi 1975 //将“h_xi”宏定义为高音“7”的频率1975Hz/函数功能:1个延时单位,延时200ms/void delay(){unsigned char i,j;for(i=0;i<250;i++)for(j=0;j<250;j++);}/函数功能:主函数/void main(void){unsigned char i,j;//以下是《渴望》片头曲的一段简谱unsigned int code f[]={re,mi,re,dao,l_la,dao,l_la, //每行对应一小节音符l_sao,l_mi,l_sao,l_la,dao,l_la,dao,sao,la,mi,sao,re,mi,re,mi,sao,mi,l_sao,l_mi,l_sao,l_la,dao,l_la,l_la,dao,l_la,l_sao,l_re,l_mi,l_sao,re,re,sao,la,sao,fa,mi,sao,mi,la,sao,mi,re,mi,l_la,dao,re,mi,re,mi,sao,mi,l_sao,l_mi,l_sao,l_la,dao,l_la,dao,re,l_la,dao,re,mi,re,l_la,dao,re,l_la,dao,re,mi,re,0xff}; //以0xff作为音符的结束标志//以下是简谱中每个音符的节拍//"4"对应4个延时单位,"2"对应2个延时单位,"1"对应1个延时单位unsigned char code JP[ ]={4,1,1,4,1,1,2,2,2,2,2,8,4,2,3,1,2,2,10,4,2,2,4,4,2,2,2,2,4,2,2,2,2,2,2,2,10,4,4,4,2,2,4,2,4,4,4,2,2,2,2,2,2,10,4,2,2,4,4,2,2,2,2,6,4,2,2,4,1,1,4,10,4,2,2,4,1,1,4,10};EA=1; //开总中断ET0=1; //定时器T0中断允许TMOD=0x00; // 使用定时器T0的模式1(13位计数器)while(1) //无限循环{i=0; //从第1个音符f[0]开始播放while(f[i]!=0xff) //只要没有读到结束标志就继续播放{C=460830/f[i];TH0=(8192-C)/32; //可证明这是13位计数器TH0高8位的赋初值方法TL0=(8192-C)%32; //可证明这是13位计数器TL0低5位的赋初值方法TR0=1; //启动定时器T0for(j=0;j<JP[i];j++) //控制节拍数delay(); //延时1个节拍单位TR0=0; //关闭定时器T0i++; //播放下一个音符}}}/函数功能:定时器T0的中断服务子程序,使P3.7引脚输出音频的方波/void Time0(void ) interrupt 1 using 1{sound=!sound; //将P3.7引脚输出电平取反,形成方波TH0=(8192-C)/32; //可证明这是13位计数器TH0高8位的赋初值方法TL0=(8192-C)%32; //可证明这是13位计数器TL0低5位的赋初值方法}//实例50-1:输出50个矩形脉冲#include<reg51.h> //包含51单片机寄存器定义的头文件sbit u=P1^4; //将u位定义为P1.4/函数功能:延时约30ms (3 100 100=30 000μs =30m/void delay30ms(void){unsigned char m,n;for(m=0;m<100;m++)for(n=0;n<100;n++);}/函数功能:主函数/void main(void){unsigned char i;u=1; //初始化输出高电平for(i=0;i<50;i++) //输出50个矩形脉冲{u=1;delay30ms();u=0;delay30ms();}while(1); //无限循环,防止程序“跑飞”}//实例50-2:计数器T0统计外部脉冲数#include<reg51.h> //包含51单片机寄存器定义的头文件/函数功能:主函数/void main(void){TMOD=0x06; // TMOD=0000 0110B,使用计数器T0的模式2EA=1; //开总中断ET0=0; //不使用定时器T0的中断TR0=1; //启动T0TH0=0; //计数器T0高8位赋初值TL0=0; //计数器T0低8位赋初值while(1) //无限循环,不停地将TL0计数结果送P1口P1=TL0;}//实例51-2:定时器T0的模式2测量正脉冲宽度#include<reg51.h> //包含51单片机寄存器定义的头文件sbit ui=P3^2; //将ui位定义为P3.0(INT0)引脚,表示输入电压/函数功能:主函数/void main(void){TMOD=0x0a; // TMOD=0000 1010B,使用定时器T0的模式2,GATE置1 EA=1; //开总中断ET0=0; //不使用定时器T0的中断TR0=1; //启动T0TH0=0; //计数器T0高8位赋初值TL0=0; //计数器T0低8位赋初值while(1) //无限循环,不停地将TL0计数结果送P1口{while(ui==0) //INT0为低电平,T0不能启动;TL0=0; //INT0为高电平,启动T0计时,所以将TL0清0while(ui==1) //在INT0高电平期间,等待,计时;P1=TL0; //将计时结果送P1口显示}}//实例52:用定时器T0控制输出高低宽度不同的矩形波#include<reg51.h> //包含51单片机寄存器定义的头文件sbit u=P3^0; //将u位定义为P3.0,从该引脚输出矩形脉冲unsigned char Countor; //设置全局变量,储存负跳变累计数/函数功能:延时约30ms (3 100 100=30 000μs =30ms)/void delay30ms(void){unsigned char m,n;for(m=0;m<100;m++)for(n=0;n<100;n++);}/函数功能:主函数/void main(void){unsigned char i;EA=1; //开放总中断EX0=1; //允许使用外中断IT0=1; //选择负跳变来触发外中断Countor=0;for(i=0;i<100;i++) //输出100个负跳变{u=1;delay30ms();u=0;delay30ms();}while(1); //无限循环,防止程序跑飞}/函数功能:外中断T0的中断服务程序/ void int0(void) interrupt 0 using 0 //外中断0的中断编号为0{Countor++;P1=Countor;}//实例53:用外中断0的中断方式进行数据采集#include<reg51.h> //包含51单片机寄存器定义的头文件sbit S=P3^2; //将S位定义为P3.2,/函数功能:主函数/void main(void){EA=1; //开放总中断EX0=1; //允许使用外中断IT0=1; //选择负跳变来触发外中断P1=0xff;while(1); //无限循环,防止程序跑飞}/函数功能:外中断T0的中断服务程序/ void int0(void) interrupt 0 using 0 //外中断0的中断编号为0{P1=~P1; //每产生一次中断请求,P1取反一次。
单片机编程实例100例大全单片机编程实例*实例1:使用P3口流水点亮8位LED#include<reg51.h>//包含单片机寄存器的头文件/函数功能:延时一段时间voiddelay(void){unsignedchari,j;for(i=0;i<250;i++)for(j=0;j<250;j++);}/函数功能:主函数voidmain(void){while(1){P3=0xfe;//第一个灯亮delay();//调用延时函数P3=0xfd;//第二个灯亮delay();//调用延时函数P3=0xfb;//第三个灯亮delay();//调用延时函数P3=0xf7;//第四个灯亮delay();//调用延时函数P3=0xef;//第五个灯亮delay();//调用延时函数P3=0xdf;//第六个灯亮delay();//调用延时函数P3=0xbf;//第七个灯亮delay();//调用延时函数P3=0x7f;//第八个灯亮delay();//调用延时函数}//}*实例2:通过对P3口地址的操作流水点亮8位LED#include<reg51.h>//包含单片机寄存器的头文件sfrx=0xb0;//P3口在存储器中的地址是b0H,通过sfr可定义8051内核单片机//的所有内部8位特殊功能寄存器,对地址x的操作也就是对P1口的操作/函数功能:延时一段时间/voiddelay(void){unsignedchari,j;for(i=0;i<250;i++)for(j=0;j<250;j++);//利用循环等待若干机器周期,从而延时一段时间}/函数功能:主函数/voidmain(void){while(1){x=0xfe;//第一个灯亮delay();//调用延时函数x=0xfd;//第二个灯亮delay();//调用延时函数x=0xfb;//第三个灯亮delay();//调用延时函数x=0xf7;//第四个灯亮delay();//调用延时函数x=0xef;//第五个灯亮delay();//调用延时函数x=0xdf;//第六个灯亮delay();//调用延时函数x=0xbf;//第七个灯亮delay();//调用延时函数x=0x7f;//第八个灯亮delay();//调用延时函数}}*实例3:用不同数据类型控制灯闪烁时间#include<reg51.h>//包含单片机寄存器的头文件/函数功能:用整形数据延时一段时间/voidint_delay(void)//延时一段较长的时间{unsignedintm;//定义无符号整形变量,双字节数据,值域为0~65535for(m=0;m<36000;m++);//空操作}/函数功能:用字符型数据延时一段时间/voidchar_delay(void)//延时一段较短的时间{unsignedchari,j;//定义无符号字符型变量,单字节数据,值域0~255for(i=0;i<200;i++)for(j=0;j<180;j++);//空操作}/函数功能:主函数/voidmain(void){unsignedchari;while(1){for(i=0;i<3;i++){P1=0xfe;//P1.0口的灯点亮int_delay();//延时一段较长的时间P1=0xff;//熄灭int_delay();//延时一段较长的时间}for(i=0;i<3;i++){P1=0xef;//P1.4口的灯点亮char_delay();//延时一段较长的时间}P1=0xff;//熄灭char_delay();//延时一段较长的时间}}*实例4:用单片机控制第一个灯亮#include<reg51.h>//包含51单片机寄存器定义的头文件voidmain(void){}*实例5:用单片机控制一个灯闪烁:认识单片机的工作频率#include<reg51.h>//包含单片机寄存器的头文件/函数功能:延时一段时间/voiddelay(void)//两个void意思分别为无需返回值,没有参数传递{ unsignedinti;//定义无符号整数,最大取值范围65535for(i=0;i<20000;i++)//做20000次空循环;//什么也不做,等待一个机器周期}/函数功能:主函数(C语言规定必须有也只能有1个主函数)/voidmain(void) {while(1)//无限循环{delay();//延时一段时间delay();//延时一段时间}}*实例6:将P1口状态分别送入P0、P2、P3口:认识I/O口的引脚功能#include<reg51.h>//包含单片机寄存器的头文件/函数功能:主函数(C语言规定必须有也只能有1个主函数)/voidmain(void){while(1)//无限循环{P0=P1;//将P1口状态送入P0口P2=P1;//将P1口状态送入P2口P3=P1;//将P1口状态送入P3口}}*实例7:用P0口、P1口分别显示加法和减法运算结果#include<reg51.h> voidmain(void){unsignedcharm,n;m=43;//即十进制数2x16+11=43n=60;//即十进制数3x16+12=60P1=m+n;//P1=103=01100111B,结果P1.3、P1.4、P1.7口的灯被点亮P0=n-m;//P0=17=00010001B,结果P0.0、P0.4的灯被熄灭}*实例8:用P0、P1口显示乘法运算结果#include<reg51.h>//包含单片机寄存器的头文件voidmain(void){unsignedcharm,n;unsignedints;m=64;n=71;s=mn;//s=6471=4544,需要16位二进制数表示,高8位送P1口,低8位送P0口//由于4544=17256+192=H3161616+H21616+H116+H0//两边同除以256,可得17+192/256=H316+H2+(H116+H0)/256//因此,高8位16进制数H316+H2必然等于17,即4544除以256的商//低8位16进制数H116+H0必然等于192,即4544除以256的余数P1=s/256;//高8位送P1口,P1=17=11H=00010001B,P1.0和P1.4口灭,其余亮}*实例9:用P1、P0口显示除法运算结果#include<reg51.h>//包含单片机寄存器的头文件voidmain(void){P1=36/5;//求整数P0=((36%5)10)/5;//求小数while(1);//无限循环防止程序“跑飞”}*实例10:用自增运算控制P0口8位LED流水花样#include<reg51.h>//包含单片机寄存器的头文件/函数功能:延时一段时间/voiddelay(void){unsignedinti;for(i=0;i<20000;i++);}/函数功能:主函数/voidmain(void){unsignedchari;for(i=0;i<255;i++)//注意i的值不能超过255 {P0=i;//将i的值送P0口delay();//调用延时函数}}*实例11:用P0口显示逻辑"与"运算结果#include<reg51.h>//包含单片机寄存器的头文件voidmain(void){P0=(4>0)&&(9>0xab);//将逻辑运算结果送P0口while(1);//设置无限循环,防止程序“跑飞”}*实例12:用P0口显示条件运算结果#include<reg51.h>//包含单片机寄存器的头文件voidmain(void){P0=(8>4)8:4;//将条件运算结果送P0口,P0=8=00001000Bwhile(1);//设置无限循环,防止程序“跑飞”}*实例13:用P0口显示按位"异或"运算结果#include<reg51.h>//包含单片机寄存器的头文件voidmain(void){P0=0xa2^0x3c;//将条件运算结果送P0口,P0=8=00001000Bwhile(1);//设置无限循环,防止程序“跑飞”}*实例16:用P0显示左移运算结果#include<reg51.h>//包含单片机寄存器的头文件voidmain(void){;//无限循环,防止程序“跑飞”}*实例17:"万能逻辑电路"实验#include<reg51.h>//包含单片机寄存器的头文件sbitF=P1^4;//将F位定义为P1.4sbitX=P1^5;//将X位定义为P1.5sbitY=P1^6;//将Y位定义为P1.6sbitZ=P1^7;//将Z位定义为P1.7voidmain(void){while(1){F=((~X)&Y)|Z;//将逻辑运算结果赋给F;}}*实例18:用右移运算流水点亮P1口8位LED#include<reg51.h>//包含单片机寄存器的头文件/函数功能:延时一段时间/voiddelay(void){unsignedintn;for(n=0;n<30000;n++);}/函数功能:主函数/voidmain(void){unsignedchari;while(1){P1=0xff;delay();for(i=0;i<8;i++)//设置循环次数为8{P1=P1>>1;//每次循环P1的各二进位右移1位,高位补0delay();//调用延时函数}}}*实例19:用if语句控制P0口8位LED的流水方向#include<reg51.h>//包含单片机寄存器的头文件sbitS1=P1^4;//将S1位定义为P1.4sbitS2=P1^5;//将S2位定义为P1.5/函数功能:主函数/voidmain(void){while(1)}{if(S1==0)//如果按键S1按下P0=0x0f;//P0口高四位LED点亮if(S2==0)//如果按键S2按下P0=0xf0;//P0口低四位LED点亮}*实例20:用swtich语句的控制P0口8位LED的点亮状态#include<reg51.h>//包含单片机寄存器的头文件sbitS1=P1^4;//将S1位定义为P1.4/函数功能:延时一段时间/voiddelay(void){unsignedintn;for(n=0;n<10000;n++);}/函数功能:主函数/voidmain(void){unsignedchari;i=0;//将i初始化为0while(1){if(S1==0)//如果S1键按下{delay();//延时一段时间if(S1==0)//如果再次检测到S1键按下i++;//i自增1if(i==9)//如果i=9,重新将其置为1i=1;}switch(i)//使用多分支选择语句{}*实例21:用for语句控制蜂鸣器鸣笛次数#include<reg51.h>//包含单片机寄存器的头文件sbitsound=P3^7;//将sound 位定义为P3.7/函数功能:延时形成1600Hz音频/voiddelay1600(void){unsignedcharn;for(n=0;n<100;n++);}/函数功能:延时形成800Hz音频/voiddelay800(void){unsignedcharn;for(n=0;n<200;n++);}/函数功能:主函数/voidmain(void){unsignedinti;while(1){for(i=0;i<830;i++){sound=0;//P3.7输出低电平delay1600(); sound=1;//P3.7输出高电平delay1600();}for(i=0;i<200;i++){sound=0;//P3.7输出低电平delay800();sound=1;//P3.7输出高电平delay800();}}}*实例22:用while语句控制LED#include<reg51.h>//包含单片机寄存器的头文件/函数功能:延时约60ms(3100200=60000μs)/voiddelay60ms(void){unsignedcharm,n;for(m=0;m<100;m++)for(n=0;n<200;n++);}/函数功能:主函数/voidmain(void){unsignedchari;while(1)//无限循环{i=0;//将i初始化为0while(i<0xff)//当i小于0xff(255)时执行循环体{P0=i;//将i送P0口显示delay60ms();//延时i++;//i自增1}}}*实例23:用do-while语句控制P0口8位LED流水点亮#include<reg51.h>//包含单片机寄存器的头文件/函数功能:延时约60ms(3100200=60000μs)/voiddelay60ms(void){unsignedcharm,n;for(m=0;m<100;m++)for(n=0;n<200;n++);}/函数功能:主函数/voidmain(void){do{P0=0xfe;//第一个LED亮delay60ms();}P0=0xfd;//第二个LED亮delay60ms();P0=0xfb;//第三个LED亮delay60ms();P0=0xf7;//第四个LED亮delay60ms();P0=0xef;//第五个LED 亮delay60ms();P0=0xdf;//第六个LED亮delay60ms();delay60ms();P0=0xbf;//第七个LED亮delay60ms();P0=0x7f;//第八个LED亮delay60ms();}while(1);//无限循环,使8位LED循环流水点亮*实例24:用字符型数组控制P0口8位LED流水点亮#include<reg51.h>//包含单片机寄存器的头文件/函数功能:延时约60ms(3100200=60000μs)/voiddelay60ms(void){unsignedcharm,n;for(m=0;m<100;m++)for(n=0;n<200;n++);}/函数功能:主函数/voidmain(void){unsignedchari;unsignedcharcodeTab[]={0xfe,0xfd,0xfb,0xf7,0xef,0xdf,0xbf,0x7f};//定义无符号字符型数组while(1){for(i=0;i<8;i++){P0=Tab[i];//依次引用数组元素,并将其送P0口显示delay60ms();//调用延时函数}}}*实例25:用P0口显示字符串常量#include<reg51.h>//包含单片机寄存器的头文件/函数功能:延时约150ms(3200250=150000μs=150ms/voiddelay150ms(void){unsignedcharm,n;for(m=0;m<200;m++)for(n=0;n<250;n++);}/函数功能:主函数/voidmain(void){unsignedcharstr[]={"Now,Temperatureis:"};//将字符串赋给字符型全部元素赋值unsignedchari;while(1){i=0;//将i初始化为0,从第一个元素开始显示while(str[i]!='\0')//只要没有显示到结束标志'\0'{P0=str[i];//将第i个字符送到P0口显示delay150ms();//调用150ms延时函数i++;//指向下一个待显字符}}}*实例26:用P0口显示指针运算结果#include<reg51.h>voidmain(void){unsignedcharp1,p2;//定义无符号字符型指针变量p1,p2unsignedchari,j;//定义无符号字符型数据i=25;//给i赋初值25j=15;p1=&i;//使指针变量指向i,对指针初始化p2=&j;//使指针变量指向j,对指针初始化P0=p1+p2;//p1+p2相当于i+j,所以P0=25+15=40=0x28//则P0=00101000B,结果P0.3、P0.5引脚LED熄灭,其余点亮while(1);//无限循环,防止程序“跑飞”}*实例27:用指针数组控制P0口8位LED流水点亮#include<reg51.h>/函数功能:延时约150ms(3200250=150000μs=150msvoiddelay150ms(void){unsignedcharm,n;for(m=0;m<200;m++)for(n=0;n<250;n++);}/函数功能:主函数/voidmain(void){unsignedcharcodeTab[]={0xfe,0xfd,0xfb,0xf7,0xef,0xdf,0xbf,0x7f}; unsignedcharp[]={&Tab[0],&Tab[1],&Tab[2],&Tab[3],&Tab[4],&Tab[5],&T ab[6],&Tab[7]};unsignedchari;//定义无符号字符型数据while(1){for(i=0;i<8;i++){P0=p[i];delay150ms();}}*实例28:用数组的指针控制P0口8位LED流水点亮#include<reg51.h>/函数功能:延时约150ms(3200250=150000μs=150ms/voiddelay150ms(void){unsignedcharm,n;for(m=0;m<200;m++)for(n=0;n<250;n++);}/函数功能:主函数/voidmain(void){unsignedchari;unsignedcharTab[]={0xFF,0xFE,0xFD,0xFB,0xF7,0xEF,0xDF,0xBF,0x7F,0xB F,0xDF,0xEF,0xF7,0xFB,0xFD,0xFE,0xFE,0xFC,0xFB,0xF0,0xE0,0xC0,0x80,0x00,0xE7,0xDB,0xBD,0x7E,0x3C,0x18,0x00,0x81,0xC3,0xE7,0x7E,0xBD,0x DB,0xE7,0xBD,0xDB};//流水灯控制码unsignedcharp;//定义无符号字符型指针p=Tab;//将数组首地址存入指针pwhile(1){for(i=0;i<32;i++)//共32个流水灯控制码{P0=(p+i);//(p+i)的值等于a[i]}delay150ms();//调用150ms延时函数}}*实例29:用P0、P1口显示整型函数返回值#include<reg51.h>/函数功能:计算两个无符号整数的和/unsignedintsum(inta,intb){unsignedints;s=a+b;return(s);}/函数功能:主函数/voidmain(void){unsignedz;z=sum(2008,2009);P1=z/256;//取得z的高8位P0=z%256;//取得z的低8位while(1);}*实例30:用有参函数控制P0口8位LED流水速度#include<reg51.h>/函数功能:延时一段时间/voiddelay(unsignedcharx){unsignedcharm,n;for(m=0;m<x;m++)for(n=0;n<200;n++);}/函数功能:主函数/voidmain(void){unsignedchari;unsignedcharcodeTab[]={0xFE,0xFD,0xFB,0xF7,0xEF,0xDF,0xBF,0x7F};//流水灯控制码while(1){//快速流水点亮LEDfor(i=0;i<8;i++)//共8个流水灯控制码{P0=Tab[i];delay(100);//延时约60ms,(3100200=60000μs)} //慢速流水点亮LEDfor(i=0;i<8;i++)//共8个流水灯控制码{P0=Tab[i];delay(250);//延时约150ms,(3250200=150000μs)} }}*实例31:用数组作函数参数控制流水花样#include<reg51.h>/函数功能:延时约150ms/voiddelay(void){unsignedcharm,n;for(m=0;m<200;m++)for(n=0;n<250;n++);}/函数功能:流水点亮P0口8位LED/voidled_flow(unsignedchara[8]){unsignedchari;for(i=0;i<8;i++){P0=a[i];delay();}}/函数功能:主函数/voidmain(void){unsignedcharcodeTab[]={0xFE,0xFD,0xFB,0xF7,0xEF,0xDF,0xBF,0x7F};//流水灯控制码led_flow(Tab);}*实例32:用指针作函数参数控制P0口8位LED流水点亮#include<reg51.h> /函数功能:延时约150ms/voiddelay(void){unsignedcharm,n;for(m=0;m<200;m++)for(n=0;n<250;n++);}/函数功能:流水点亮P0口8位LED/voidled_flow(unsignedcharp)//形参为无符号字符型指针{unsignedchari;while(1){i=0;//将i置为0,指向数组第一个元素while((p+i)!='\0')//只要没有指向数组的结束标志{P0=(p+i);//取的指针所指变量(数组元素)的值,送P0口delay();//调用延时函数i++;//指向下一个数组元素}}}/函数功能:主函数/voidmain(void){unsignedcharcodeTab[]={0xFE,0xFD,0xFB,0xF7,0xEF,0xDF,0xBF,0x7F,0x7F ,0xBF,0xDF,0xEF,0xF7,0xFB,0xFD,0xFE,0xFF,0xFE,0xFC,0xFB,0xF0,0xE0,0xC0,0x80,0x00,0xE7,0xDB,0xBD,0x7E,0xFF,0xFF,0x3C,0x18,0x0,0x81,0xC3,0xE7,0xFF,0xFF,0x7E};//流水灯控制码unsignedcharpointer;pointer=Tab;led_flow(pointer);}*实例33:用函数型指针控制P1口灯花样#include<reg51.h>//包含51单片机寄存器定义的头文件unsignedcharcodeTab[]={0xFE,0xFD,0xFB,0xF7,0xEF,0xDF,0xBF,0x7F};//流水灯控制码,该数组被定义为全局变量/函数功能:延时约150ms/voiddelay(void){unsignedcharm,n;for(m=0;m<200;m++)for(n=0;n<250;n++);}/函数功能:流水灯左移/voidled_flow(void){unsignedchari;for(i=0;i<8;i++)//8位控制码{P0=Tab[i];delay();}}/函数功能:主函数/voidmain(void)void(p)(void);//定义函数型指针,所指函数无参数,无返回值p=led_flow;//将函数的入口地址赋给函数型指针pwhile(1)(p)();//通过函数的指针p调用函数led_flow()}*实例34:用指针数组作为函数的参数显示多个字符串#include<reg51.h>//包含51单片机寄存器定义的头文件unsignedcharcodestr1[]="TemperatureistestedbyDS18B20";//C语言中,字符串是作为字符数组来处理的unsignedcharcodestr2[]="Nowtemperatureis:";//所以,字符串的名字就是字符串的首地址unsignedcharcodestr3[]="TheSystermisdesignedbyZhangSan"; unsignedcharcodestr4[]="Thedateis2008-9-30";unsignedcharp[]={str1,str2,str3,str4};//定义p[4]为指向4个字符串的字符型指针数组/函数功能:延时约150ms/voiddelay(void){unsignedcharm,n;for(m=0;m<200;m++)for(n=0;n<250;n++);/函数功能:流水点亮P0口8位LED/voidled_display(unsignedcharx[])//形参必须为指针数组{unsignedchari,j;for(i=0;i<4;i++)//有4个字符串要显示{j=0;//指向待显字符串的第0号元素while((x[i]+j)!='\0')//只要第i个字符串的第j号元素不是结束标志{ P0=(x[i]+j);//取得该元素值送到P0口显示delay();//调用延时函数j++;//指向下一个元素}}}/函数功能:主函数/voidmain(void){unsignedchari;while(1){for(i=0;i<4;i++)led_display(p);//将指针数组名作实际参数传递}*实例35:字符函数ctype.h应用举例#include<reg51.h>//包含51单片机寄存器定义的头文件#include<ctype.h> voidmain(void){while(1){P3=isalpha('_')0xf0:0x0f;//条件运算,若'_'是英文字母,P3=0xf0}}*实例36:内部函数intrins.h应用举例#include<reg51.h>//包含51单片机寄存器定义的头文件#include<intrins.h>//包含函数isalpha()声明的头文件/函数功能:延时约150ms/voiddelay(void){unsignedcharm,n;for(m=0;m<200;m++)for(n=0;n<250;n++);}/函数功能:主函数/voidmain(void)while(1){P3=_crol_(P3,1);//将P3的二进制位循环左移1位后再赋给P3delay();//调用延时函数}}*实例37:标准函数stdlib.h应用举例#include<reg51.h>//包含51单片机寄存器定义的头文件#include<stdlib.h>//包含函数isalpha()声明的头文件/函数功能:延时约150ms/voiddelay(void){unsignedcharm,n;for(m=0;m<200;m++)for(n=0;n<250;n++);}/函数功能:主函数/voidmain(void){unsignedchari;while(1)for(i=0;i<10;i++)//产生10个随机数{P3=rand()/160;//将产生的随机数缩小160倍后送P3显示delay();}}}*实例38:字符串函数string.h应用举例#include<reg51.h>//包含51单片机寄存器定义的头文件#include<string.h>//包含函数isalpha()声明的头文件voidmain(void) {unsignedcharstr1[]="Now,Thetemperatureis:";unsignedcharstr2[]="Now,Thetemperatureis36Centgrade:";unsignedchari ;i=strcmp(str1,str2);//比较两个字符串,并将结果存入iif(i==0)//str1=str2P3=0x00;elseif(i<0)//str1<str2P3=0xf0;else//str1>str2P3=0x0f;while(1);//防止程序“跑飞”}*实例39:宏定义应用举例2#include<reg51.h>//包含51单片机寄存器定义的头文件#defineF(a,b)(a)+(a)(b)/256+(b)//带参数的宏定义,a和b为形参voidmain(void){unsignedchari,j,k;i=40;j=30;k=20;P3=F(i,j+k);//i和j+k分别为实参,宏展开时,实参将替代宏定义中的形参while(1);}*实例40:宏定义应用举例2#include<AT89X51.h>#include<ctype.h>voidmain(void){P3_0=0;//将P3.0引脚置低电平,LED点亮P3_1=0;//将P3.0引脚置低电平,LED点亮P3_2=0;//将P3.0引脚置低电平,LED点亮P3_3=0;//将P3.0引脚置低电平,LED点亮P3_4=1;//将P3.4引脚置高电平,LED熄灭}P3_5=1;//将P3.5引脚置高电平,LED熄灭P3_6=1;//将P3.7引脚置高电平,LED熄灭P3_7=1;//将P3.7引脚置高电平,LED熄灭while(1);*实例41:宏定义应用举例3#include<reg51.h>//包含51单片机寄存器定义的头文件#defineMAX100//将MAX宏定义为字符串100voidmain(void){#ifMAX>80//如果字符串100大于80P3=0xf0;//P3口低四位LED点亮#elseP3=0x0f;//否则,P3口高四位LED点亮#endif//结束本次编译}/中断、定时器中断、定时器中断、定时器中断、定时器/*实例42:用定时器T0查询方式P2口8位控制LED闪烁#include<reg51.h>//包含51单片机寄存器定义的头文件/函数功能:主函数/voidmain(void){//EA=1;//开总中断//ET0=1;//定时器T0中断允许TMOD=0x01;//使用定时器T0的模式1TH0=(65536-46083)/256;//定时器T0的高8位赋初值TL0=(65536-46083)%256;//定时器T0的高8位赋初值TR0=1;//启动定时器T0TF0=0;P2=0xff;while(1)//无限循环等待查询{while(TF0==0);TF0=0;P2=~P2;TH0=(65536-46083)/256;//定时器T0的高8位赋初值TL0=(65536-46083)%256;//定时器T0的高8位赋初值}}*实例43:用定时器T1查询方式控制单片机发出1KHz音频#include<reg51.h>//包含51单片机寄存器定义的头文件sbitsound=P3^7;//将sound位定义为P3.7引脚/函数功能:主函数/voidmain(void){//EA=1;//开总中断//ET0=1;//定时器T0中断允许TMOD=0x10;//使用定时器T1的模式1TH1=(65536-921)/256;//定时器T1的高8位赋初值TL1=(65536-921)%256;//定时器T1的高8位赋初值TR1=1;//启动定时器T1TF1=0;while(1)//无限循环等待查询{while(TF1==0);TF1=0;sound=~sound;//将P3.7引脚输出电平取反TH1=(65536-921)/256;//定时器T0的高8位赋初值TL1=(65536-921)%256;//定时器T0的高8位赋初值}}*实例44:将计数器T0计数的结果送P1口8位LED显示#include<reg51.h>//包含51单片机寄存器定义的头文件sbitS=P3^4;//将S位定义为P3.4引脚/函数功能:主函数/voidmain(void){//EA=1;//开总中断//ET0=1;//定时器T0中断允许TMOD=0x02;//使用定时器T0的模式2TH0=256-156;//定时器T0的高8位赋初值TL0=256-156;//定时器T0的高8位赋初值TR0=1;//启动定时器T0while(1)//无限循环等待查询{while(TF0==0)//如果未计满就等待{if(S==0)//按键S按下接地,电平为0P1=TL0;//计数器TL0加1后送P1口显示}TF0=0;//计数器溢出后,将TF0清0}}*实例45:用定时器T0的中断控制1位LED闪烁#include<reg51.h>//包含51单片机寄存器定义的头文件sbitD1=P2^0;//将D1位定义为P2.0引脚/函数功能:主函数/voidmain(void){EA=1;//开总中断ET0=1;//定时器T0中断允许TMOD=0x01;//使用定时器T0的模式2TH0=(65536-46083)/256;//定时器T0的高8位赋初值TL0=(65536-46083)%256;//定时器T0的高8位赋初值TR0=1;//启动定时器T0while(1)//无限循环等待中断;}/函数功能:定时器T0的中断服务程序/voidTime0(void)interrupt1using0//“interrupt”声明函数为中断服务函数//其后的1为定时器T0的中断编号;0表示使用第0组工作寄存器{D1=~D1;//按位取反操作,将P2.0引脚输出电平取反TH0=(65536-46083)/256;//定时器T0的高8位重新赋初值TL0=(65536-46083)%256;//定时器T0的高8位重新赋初值}*实例46:用定时器T0的中断实现长时间定时#include<reg51.h>//包含51单片机寄存器定义的头文件sbitD1=P2^0;//将D1位定义为P2.0引脚unsignedcharCountor;//设置全局变量,储存定时器T0中断次数/函数功能:主函数/voidmain(void){EA=1;//开总中断ET0=1;//定时器T0中断允许TMOD=0x01;//使用定时器T0的模式2TH0=(65536-46083)/256;//定时器T0的高8位赋初值TL0=(65536-46083)%256;//定时器T0的高8位赋初值TR0=1;//启动定时器T0Countor=0;//从0开始累计中断次数while(1)//无限循环等待中断;}/函数功能:定时器T0的中断服务程序/voidTime0(void)interrupt1using0//“interrupt”声明函数为中断服务函数//其后的1为定时器T0的中断编号;0表示使用第0组工作寄存器{Countor++;//中断次数自加1if(Countor==20)//若累计满20次,即计时满1s{D1=~D1;//按位取反操作,将P2.0引脚输出电平取反Countor=0;//将Countor清0,重新从0开始计数}TH0=(65536-46083)/256;//定时器T0的高8位重新赋初值TL0=(65536-46083)%256;//定时器T0的高8位重新赋初值}*实例47:用定时器T1中断控制两个LED以不同周期闪烁#include<reg51.h>//包含51单片机寄存器定义的头文件sbitD1=P2^0;//将D1位定义为P2.0引脚sbitD2=P2^1;//将D2位定义为P2.1引脚unsignedcharCountor1;//设置全局变量,储存定时器T1中断次数unsignedcharCountor2;//设置全局变量,储存定时器T1中断次数/函数功能:主函数/voidmain(void){EA=1;//开总中断ET1=1;//定时器T1中断允许TMOD=0x10;//使用定时器T1的模式1TH1=(65536-46083)/256;//定时器T1的高8位赋初值TL1=(65536-46083)%256;//定时器T1的高8位赋初值TR1=1;//启动定时器T1Countor1=0;//从0开始累计中断次数Countor2=0;//从0开始累计中断次数while(1)//无限循环等待中断;}/函数功能:定时器T1的中断服务程序/voidTime1(void)interrupt3using0//“interrupt”声明函数为中断服务函数//其后的3为定时器T1的中断编号;0表示使用第0组工作寄存器{Countor1++;//Countor1自加1Countor2++;//Countor2自加1if(Countor1==2)//若累计满2次,即计时满100ms{D1=~D1;//按位取反操作,将P2.0引脚输出电平取反Countor1=0;//将Countor1清0,重新从0开始计数}if(Countor2==8)//若累计满8次,即计时满400ms{D2=~D2;//按位取反操作,将P2.1引脚输出电平取反Countor2=0;//将Countor1清0,重新从0开始计数}TH1=(65536-46083)/256;//定时器T1的高8位重新赋初值TL1=(65536-46083)%256;//定时器T1的高8位重新赋初值}*实例48:用计数器T1的中断控制蜂鸣器发出1KHz音频#include<reg51.h>//包含51单片机寄存器定义的头文件sbitsound=P3^7;//将sound位定义为P3.7引脚/函数功能:主函数/voidmain(void){EA=1;//开总中断ET1=1;//定时器T1中断允许TMOD=0x10;//TMOD=0001000B,使用定时器T1的模式1TH1=(65536-921)/256;//定时器T1的高8位赋初值TL1=(65536-921)%256;//定时器T1的高8位赋初值TR1=1;//启动定时器T1while(1)//无限循环等待中断;}/函数功能:定时器T1的中断服务程序/voidTime1(void)interrupt3using0//“interrupt”声明函数为中断服务函数{sound=~sound;TH1=(65536-921)/256;//定时器T1的高8位重新赋初值TL1=(65536-921)%256;//定时器T1的高8位重新赋初值}*实例49:用定时器T0的中断实现"渴望"主题曲的播放#include<reg51.h>//包含51单片机寄存器定义的头文件sbitsound=P3^7;//将sound位定义为P3.7unsignedintC;//储存定时器的定时常数//以下是C调低音的音频宏定义#definel_dao262//将“l_dao”宏定义为低音“1”的频率262Hz#definel_re286//将“l_re”宏定义为低音“2”的频率286Hz#definel_mi311//将“l_mi”宏定义为低音“3”的频率311Hz#definel_fa349//将“l_fa”宏定义为低音“4”的频率349Hz#definel_sao392//将“l_sao”宏定义为低音“5”的频率392Hz#definel_la440//将“l_a”宏定义为低音“6”的频率440Hz#definel_xi494//将“l_xi”宏定义为低音“7”的频率494Hz//以下是C调中音的音频宏定义#definedao523//将“dao”宏定义为中音“1”的频率523Hz#definere587//将“re”宏定义为中音“2”的频率587Hz#definemi659//将“mi”宏定义为中音“3”的频率659Hz#definefa698//将“fa”宏定义为中音“4”的频率698Hz#definesao784//将“sao”宏定义为中音“5”的频率784Hz#definela880//将“la”宏定义为中音“6”的频率880Hz#definexi987//将“xi”宏定义为中音“7”的频率523H//以下是C调高音的音频宏定义#defineh_dao1046//将“h_dao”宏定义为高音“1”的频率1046Hz#defineh_re1174//将“h_re”宏定义为高音“2”的频率1174Hz#defineh_mi1318//将“h_mi”宏定义为高音“3”的频率1318Hz#defineh_fa1396//将“h_fa”宏定义为高音“4”的频率1396Hz#defineh_sao1567//将“h_sao”宏定义为高音“5”的频率1567Hz#defineh_la1760//将“h_la”宏定义为高音“6”的频率1760Hz#defineh_xi1975//将“h_xi”宏定义为高音“7”的频率1975Hz/函数功能:1个延时单位,延时200ms/voiddelay(){unsignedchari,j;for(i=0;i<250;i++)for(j=0;j<250;j++);}/函数功能:主函数/voidmain(void){unsignedchari,j;//以下是《渴望》片头曲的一段简谱unsignedintcodef[]={re,mi,re,dao,l_la,dao,l_la,//每行对应一小节音符l_sao,l_mi,l_sao,l_la,dao,l_la,dao,sao,la,mi,sao,re,mi,re,mi,sao,mi,l_sao,l_mi,l_sao,l_la,dao,l_la,l_la,dao,l_la,l_sao,l_re,l_mi,l_sao,re,re,sao,la,sao,fa,mi,sao,mi,la,sao,mi,re,mi,l_la,dao,re,mi,re,mi,sao,mi,l_sao,l_mi,l_sao,l_la,dao,l_la,dao,re,l_la,dao,re,mi,re,l_la,dao,re,l_la,dao,re,mi,re,0xff};//以0xff作为音符的结束标志//以下是简谱中每个音符的节拍//"4"对应4个延时单位,"2"对应2个延时单位,"1"对应1个延时单位unsignedcharcodeJP[]={4,1,1,4,1,1,2,2,2,2,2,8,4,2,3,1,2,2,10,4,2,2,4,4,2,2,2,2,4,2,2,2,2,2,2,2,10,4,4,4,2,2,4,2,4,4,4,2,2,2,2,2,2,10,4,2,2,4,4,2,2,2,2,6,4,2,2,4,1,1,4,10,4,2,2,4,1,1,4,10};EA=1;//开总中断ET0=1;//定时器T0中断允许TMOD=0x00;//使用定时器T0的模式1(13位计数器)while(1)//无限循环{i=0;//从第1个音符f[0]开始播放while(f[i]!=0xff)//只要没有读到结束标志就继续播放{C=460830/f[i];TH0=(8192-C)/32;//可证明这是13位计数器TH0高8位的赋初值方法TL0=(8192-C)%32;//可证明这是13位计数器TL0低5位的赋初值方法TR0=1;//启动定时器T0for(j=0;j<JP[i];j++)//控制节拍数delay();//延时1个节拍单位TR0=0;//关闭定时器T0i++;//播放下一个音符}}}/函数功能:定时器T0的中断服务子程序,使P3.7引脚输出音频的方波/voidTime0(void)interrupt1using1{sound=!sound;//将P3.7引脚输出电平取反,形成方波TH0=(8192-C)/32;//可证明这是13位计数器TH0高8位的赋初值方法TL0=(8192-C)%32;//可证明这是13位计数器TL0低5位的赋初值方法} *实例50-1:输出50个矩形脉冲#include<reg51.h>//包含51单片机寄存器定义的头文件sbitu=P1^4;//将u位定义为P1.4/函数功能:延时约30ms(3100100=30000μs=30m/voiddelay30ms(void){unsignedcharm,n;for(m=0;m<100;m++)for(n=0;n<100;n++);}/函数功能:主函数/voidmain(void){unsignedchari;。
单片机的原理及应用例子单片机(Microcontroller)是一种集成了中央处理器、存储器和输入输出设备的微型计算机系统。
其原理是在一块硅片上集成了微处理器核心、存储器、外设接口等功能模块,并采用专用集成电路工艺制造而成。
然后通过编程,利用单片机的输入输出功能和对外设的控制功能,使其能够完成各种控制和处理任务。
单片机的应用非常广泛,下面就介绍几个典型的应用例子。
第一个例子是电子血压计。
电子血压计通过测量人体的脉搏信号来获取血压信息,并实时显示在LCD屏幕上。
其主要原理是通过单片机的模拟输入通道采集脉搏信号,然后通过AD转换将模拟信号转换为数字信号,再经过一系列处理计算得出血压值,并最终显示在屏幕上。
整个系统通过单片机的程序来控制各个部分的协同工作,实现了自动测量和显示血压的功能。
第二个例子是智能家居控制系统。
智能家居控制系统通过单片机控制各种传感器和执行器,实现对家庭设备的自动控制和远程监控。
比如通过使用温湿度传感器和烟雾传感器,可以实时监测室内的温湿度和烟雾情况,一旦检测到异常情况,单片机就会发出报警信号并通过无线通信模块发送给用户手机,提醒用户及时处理。
此外,单片机还可以控制灯光、窗帘、门锁等家庭设备,实现自动化控制和远程操作。
第三个例子是机器人控制系统。
机器人控制系统通过单片机控制机器人的各个部分,包括电机驱动、传感器采集、运动控制等。
单片机通过编程实现机器人的自主行走、避障、抓取等功能。
比如机器人通过使用红外传感器检测前方障碍物,一旦检测到障碍物,单片机就会根据预先设定的行走算法进行规避操作,并通过执行器控制机器人的动作。
通过单片机的控制,机器人可以根据环境变化做出相应的反应和行为。
以上只是单片机应用的几个例子,实际上单片机的应用涵盖了各个领域。
比如智能电子锁、车载导航系统、医疗仪器等等都可以采用单片机进行控制。
单片机的优点是可以集成各种功能模块,具有小巧、低功耗、成本低等特点,非常适合于对电力和体积要求较高的应用场景。
100例程序设计范例汇总第一章 (4)【实例1】使用累加器进行简单加法运算: (4)【实例2】使用B寄存器进行简单乘法运算: (4)【实例3】通过设置RS1,RS0选择工作寄存器区1: (4)【实例4】使用数据指针DPTR访问外部数据数据存储器: (4)【实例5】使用程序计数器PC查表: (4)【实例6】IF语句实例: (4)【实例7】SWITCH-CASE语句实例: (4)【实例8】FOR语句实例: (4)【实例9】WHILE语句实例: (5)【实例10】DO...WHILE语句实例: . (5)【实例11】语句形式调用实例: (5)【实例12】表达式形式调用实例: (5)【实例13】以函数的参数形式调用实例: (5)【实例14】函数的声明实例: (5)【实例15】函数递归调用的简单实例: (5)【实例16】数组的实例: (6)【实例17】指针的实例: (6)【实例18】数组与指针实例: (6)【实例19】P1口控制直流电动机实例 (6)第二章 (8)【实例20】用74LS165实现串口扩展并行输入口 (8)【实例21】用74LS164实现串口扩展并行输出口 (10)【实例22】P0I/O扩展并行输入口 (12)【实例23】P0I/O扩展并行输出口 (12)【实例24】用8243扩展I/O端口 (12)【实例25】用8255A扩展I/O口 (14)【实例26】用8155扩展I/O口 (19)第三章 (26)【实例29】与AT24系列EEPROM接口及驱动程序 (26)【实例30】EEPROM(X5045)接口及驱动程序 (30)【实例31】与铁电存储器接口及驱动程序 (33)【实例32】与双口RAM存储器接口及应用实例 (35)【实例33】与NANDFLASH(K9F5608)接口及驱动程序 (35)第四章 (43)【实例34】独立键盘控制 (43)【实例35】矩阵式键盘控制 (44)【实例36】改进型I/O端口键盘 (46)【实例37】PS/2键盘的控制 (49)【实例39】段数码管(HD7929)显示实例 (54)【实例40】16×2字符型液晶显示实例 (55)【实例41】点阵型液晶显示实例 (61)【实例42】LCD显示图片实例 (63)第五章 (70)【实例43】简易电子琴的设计 (70)【实例44】基于MCS-51单片机的四路抢答器 (71)【实例45】电子调光灯的制作 (76)【实例46】数码管时钟的制作 (81)【实例47】LCD时钟的制作 (96)【实例48】数字化语音存储与回放 (103)【实例49】电子标签设计 (112)第六章 (120)【实例50】指纹识别模块 (121)【实例51】数字温度传感器 (121)第七章 (124)【实例53】超声波测距 (124)【实例54】数字气压计 (125)【实例55】基于单片机的电压表设计 (132)【实例56】基于单片机的称重显示仪表设计 (133)【实例57】基于单片机的车轮测速系统 (136)第八章 (138)【实例58】电源切换控制 (138)【实例59】步进电机控制 (140)【实例60】单片机控制自动门系统 (141)【实例61】控制微型打印机 (144)【实例62】单片机控制的EPSON微型打印头 (144)【实例63】简易智能电动车 (145)【实例64】洗衣机控制器 (149)第九章 (152)【实例65】串行A/D转换 (152)【实例66】并行A/D转换 (153)【实例67】模拟比较器实现A/D转换 (154)【实例68】串行D/A转换 (155)【实例69】并行电压型D/A转换 (156)【实例70】并行电流型D/A转换 (156)【实例71】2I C接口的A/D转换 (157)【实例72】2I C接口的D/A转换 (161)【实例73】单片机间双机通信 (164)【实例74】单片机间多机通信方法之一 (166)【实例75】单片机间多机通信方法之二 (171)【实例76】PC与单片机通信 (176)【实例77】红外通信接口 (178)第十一章 (180)【实例79】单片机实现PWM信号输出 (180)【实例80】实现基于单片机的低频信号发生器 (182)【实例81】软件滤波方法 (183)【实例82】FSK信号解码接收 (186)【实例83】单片机浮点数运算实现 (187)【实例84】神经网络在单片机中的实现 (192)【实例85】信号数据的FFT变换 (194)第十二章 (198)【实例86】2I C总线接口的软件实现 (198)【实例87】SPI总线接口的软件实现 (200)【实例88】1-WIRE总线接口的软件实现 (205)【实例89】单片机外挂CAN总线接口 (207)【实例90】单片机外挂USB总线接口 (210)【实例91】单片机实现以太网接口 (214)【实例92】单片机控制GPRS传输 (221)【实例93】单片机实现TCP/IP协议 (223)第十三章 (229)【实例94】读写U盘 (229)【实例95】非接触IC卡读写 (234)【实例96】SD卡读写 (238)【实例97】高精度实时时钟芯片的应用 (242)第十四章 (247)【实例98】智能手机充电器设计 (247)【实例99】单片机控制门禁系统 (248)第一章【实例1】使用累加器进行简单加法运算:MOV A,#02H ;A←2ADD A,#06H ;A←A+06H【实例2】使用B寄存器进行简单乘法运算:MOV A,#02H ; A←2MOV B,#06H ; B←6MUL AB ; BA←A*B=6*2【实例3】通过设置RS1,RS0选择工作寄存器区1:CLR PSW.4 ; PSW.4←0SETB PSW.5 ; PSW.5←1【实例4】使用数据指针DPTR访问外部数据数据存储器:MOV DPTR, #data16 ; DPTR←data16MOVX A, @ DPTR ; A←((DPTR))MOVX @ DPTR, A ; (DPTR)←A【实例5】使用程序计数器PC查表:MOV A, #data ;A←dataMOVC A, @ A+DPTR ; PC←(PC)+1 ,A←((A)+(PC)) 【实例6】if语句实例:void main(){ int a,b,c,min;printf("\n please input three number:");scanf("%d%d%d ",&a,&b,&c);if(a<b&&a<c) printf("min=%d\n",a );else if(b<a&&b<c) printf("min=%d\n",b);else if(c<a&&c<c) printf("min=%d\n",c);else printf("There at least two numbers are equal\n");}【实例7】switch-case语句实例:void main(){ int num; printf("input one number:");scanf("%d",& num);switch(num){ case 1: printf("num =%d\n", num);break;case 2: printf("num =%d\n", num);break;case 3: printf("num =%d\n", num);break;case 4: printf("num =%d\n", num);break;default: printf("The number is out of the range\n", num);}}【实例8】for语句实例:void main(){ for(int a=10;n>0;a --)printf("%d",a);}【实例9】while语句实例:void main(){ int i=0;while(i<=10) i++;}【实例10】do…while语句实例:void main(){ int i=0;do{ i++;}while(i<=10);}【实例11】语句形式调用实例:void main(){ int i=0; while(i<=10) i++; ……Sum(); /*函数调用*/}【实例12】表达式形式调用实例:void main(){ int a,b,i=0; while(i<=10) i++; ……i=4*Sum(a,b); /*函数调用*/}【实例13】以函数的参数形式调用实例:void main(){ int a,b,c,i=0; while(i<=10) i++; ……i= max(c,Sum(a,b)); /*函数调用*/ }【实例14】函数的声明实例:void main(){ int max(int x,int y); /*函数的声明*/ int a,b,c,i=0; while(i<=10) i++; ……i= max(c,Sum(a,b)); /*函数调用*/ }【实例15】函数递归调用的简单实例:void fun(){ int a=1, result,i;for(i=0;i<10;){ i=a+I;result = fun(); /*函数调用*/}return result;}【实例16】数组的实例:void main(){ char num[3] [3]={{ '','#',''},{'#','','#'},{'','#',''}}; /*定义多维数组*/ int i=0,j=0;for(;i<3;i++){ for(;j<3;j++) printf(“%c”,num[i][j]);printf(“/n”);}【实例17】指针的实例:void main(){ int a=3,*p;p=&a; /*将变量a的地址赋值给指针变量p*/printf(“%d,%d”,a,*p); /*输出二者的数值进行对比*/}【实例18】数组与指针实例:void main(){ int i=3,num[3]={1,2,3},*p;p=num; /*将数组num[]的地址赋值给指针变量p*/result =max(p,3); /*函数调用,计算数组的最大值*/}【实例19】P1口控制直流电动机实例sfr p1=0x90;sbit p10=p1^0;sbit p11=p1^1;void main (){int i, m;int j=100;int k=20;// 正快转for (i=0; i<100; i++){P10=1;for (j=0; j<50; j++){m=0;}}P10=0;for (j=0; j<10; j++){m=0}//正慢转for (i=0; i<100; i++) {P10=1;for (j=0; j<10; j++) {m=0}}p10=0;for (j=0; j<50; j++) {m=0}// 负快转for (i=0; i<100; i++) {p11=1;for (j=0; j<50; j++) {m=0;}}p11=0;for (j=0; j<10; j++) {m=0;}// 负慢转for (i=0; i<100; i++) {p11=1;for (j=0;j<10;j++) {m=0;}}p11=0for (j=0; j<50; j++) {m=0;}}第二章【实例20】用74LS165实现串口扩展并行输入口(1)函数声明管脚定义//---------------------------------------库函数声明,管脚定义------------------------------------------ #include<reg52.h>sbit LOAD=P1^7;//用P1^7控制SH/ 管脚(2)串口初始化函数UART_init()//-------------------------------------------------------------------------------------------------------------- // 函数名称:UART_init()// 功能说明:串口初始化,设定串口工作在方式0//-------------------------------------------------------------------------------------------------------------- void UART_init(void){SCON=0x10;//设串行口方式0,允许接收,启动接收过程ES=0;//禁止串口中断}(3)数据接收函数PA()//-------------------------------------------------------------------------------------------------------------- // 函数名称:PA()// 输入参数:无// 输出参数:返回由并口输入的数据// 功能说明:接收八位串行数据//-------------------------------------------------------------------------------------------------------------- unsigned char PA(void){unsigned char PA_data;LOAD=0;//当P1.7输出低电平,74LS165将并行数据装入寄存器//当中LOAD=1;//当P1.7输出高电平,74LS165在时钟信号下进行移位UART_init();//74LS165工作在时钟控制下的串行移位状态while(RI==0);//循环等待RI=0;PA_data=SBUF;return PA_data;//返回并行输入的数据}(1)函数声明管脚定义//---------------------------------------库函数声明,管脚定义------------------------------------------ #include<reg52.h>sbit a7=ACC^7;sbit simuseri_CLK=P1^6;//用P1^6模拟串口时钟sbit simuseri_DATA=P1^5;//用P1^5模拟串口数据sbit drive74165_LD=P1^7;//用P1^7控制SH/ 管脚(2)数据输入函数in_simuseri()//-------------------------------------------------------------------------------------------------------------- // 函数名称:in_simuseri()// 输入参数:无// 输出参数:data_buf// 功能说明:8位同位移位寄存器,将simuseri_DATA串行输入的数据按从低位到// 高位// 保存到data_buf//-------------------------------------------------------------------------------------------------------------- unsigned char in_simuseri(void){unsigned char i;unsigned char data_buf;i=8;do{ACC=ACC>>1;for(;simuseri_CLK==0;);a7= simuseri_DA TA;for(;simuseri_CLK==1;);}while(--i!=0);simuseri_CLK=0;data_buf=ACC;return(data_buf);}(3)数据输出函数PAs()//-------------------------------------------------------------------------------------------------------------- // 函数名称:PAs()// 输入参数:无// 输出参数:PAs _buf,返回并行输入74LS165的数据// 功能说明:直接调用,即可读取并行输入74LS165的数据,不需要考虑74LS165的// 工作原理//--------------------------------------------------------------------------------------------------------------unsigned char PAs(void){unsigned char PAs_buf;drive74165_LD=0;drive74165_LD=1;PAs_buf= in_simuseri();return(PAs_buf);}【实例21】用74LS164实现串口扩展并行输出口单片机串口驱动74LS164的程序主要包括函数声明管脚定义部分、串口初始化函数以及数据发送函数。
单片机编程实例100例大全单片机编程实例*实例1:使用P3口流水点亮8位LED#include<reg51.h> //包含单片机寄存器的头文件 / 函数功能:延时一段时间void delay(void){unsigned char i,j;for(i=0;i<250;i++)for(j=0;j<250;j++);}/ 函数功能:主函数void main(void){while(1){P3=0xfe; //第一个灯亮delay(); //调用延时函数P3=0xfd; //第二个灯亮delay(); //调用延时函数P3=0xfb; //第三个灯亮delay(); //调用延时函数P3=0xf7; //第四个灯亮delay(); //调用延时函数P3=0xef; //第五个灯亮delay(); //调用延时函数P3=0xdf; //第六个灯亮delay(); //调用延时函数P3=0xbf; //第七个灯亮delay(); //调用延时函数P3=0x7f; //第八个灯亮delay(); //调用延时函数} / /}*实例2:通过对P3口地址的操作流水点亮8位LED#include<reg51.h> //包含单片机寄存器的头文件sfr x=0xb0; //P3口在存储器中的地址是b0H,通过sfr可定义8051内核单片机//的所有内部8位特殊功能寄存器,对地址x的操作也就是对P1口的操作/函数功能:延时一段时间/. void delay(void){unsigned char i,j;for(i=0;i<250;i++)for(j=0;j<250;j++); //利用循环等待若干机器周期,从而延时一段时间}/函数功能:主函数/void main(void){while(1){x=0xfe; //第一个灯亮delay(); //调用延时函数x=0xfd; //第二个灯亮delay(); //调用延时函数x=0xfb; //第三个灯亮delay(); //调用延时函数x=0xf7; //第四个灯亮delay(); //调用延时函数. x=0xef; //第五个灯亮delay(); //调用延时函数x=0xdf; //第六个灯亮delay(); //调用延时函数x=0xbf; //第七个灯亮delay(); //调用延时函数x=0x7f; //第八个灯亮delay(); //调用延时函数}}*实例3:用不同数据类型控制灯闪烁时间#include<reg51.h> //包含单片机寄存器的头文件/函数功能:用整形数据延时一段时间/void int_delay(void) //延时一段较长的时间{unsigned int m; //定义无符号整形变量,双字节数据,值域为0~65535 for(m=0;m<36000;m++); //空操作}/函数功能:用字符型数据延时一段时间/void char_delay(void) //延时一段较短的时间{unsigned char i,j; //定义无符号字符型变量,单字节数据,值域0~255 for(i=0;i<200;i++)for(j=0;j<180;j++); //空操作}/函数功能:主函数/void main(void){unsigned char i;while(1){for(i=0;i<3;i++){P1=0xfe; //P1.0口的灯点亮int_delay(); //延时一段较长的时间P1=0xff; //熄灭int_delay(); //延时一段较长的时间}for(i=0;i<3;i++){P1=0xef; //P1.4口的灯点亮char_delay(); //延时一段较长的时间} P1=0xff; //熄灭 char_delay(); //延时一段较长的时间 } } *实例4:用单片机控制第一个灯亮#include<reg51.h> //包含51单片机寄存器定义的头文件void main(void){P1=0xfe; //P1=1111 1110B,即P1.0输出低电平}*实例5:用单片机控制一个灯闪烁:认识单片机的工作频率#include<reg51.h> //包含单片机寄存器的头文件/函数功能:延时一段时间/void delay(void) //两个void意思分别为无需返回值,没有参数传递 {unsigned int i; //定义无符号整数,最大取值范围65535for(i=0;i<20000;i++) //做20000次空循环; //什么也不做,等待一个机器周期}/ 函数功能:主函数(C语言规定必须有也只能有1个主函数) / void main(void){while(1) //无限循环{P1=0xfe; //P1=1111 1110B, P1.0输出低电平delay(); //延时一段时间P1=0xff; //P1=1111 1111B, P1.0输出高电平delay(); //延时一段时间}}*实例6:将 P1口状态分别送入P0、P2、P3口:认识I/O口的引脚功能#include<reg51.h> //包含单片机寄存器的头文件/ 函数功能:主函数(C语言规定必须有也只能有1个主函数) / void main(void){while(1) //无限循环{P1=0xff; // P1=1111 1111B,熄灭LEDP0=P1; // 将 P1口状态送入P0口P2=P1; // 将 P1口状态送入P2口P3=P1; // 将 P1口状态送入P3口}}*实例7:用P0口、P1 口分别显示加法和减法运算结果#include<reg51.h>void main(void){unsigned char m,n;m=43; //即十进制数2x16+11=43n=60; //即十进制数3x16+12=60P1=m+n; //P1=103=0110 0111B,结果P1.3、P1.4、P1.7 口的灯被点亮 P0=n-m; //P0=17=0001 0001B,结果P0.0、P0.4的灯被熄灭 } *实例8:用P0、P1口显示乘法运算结果#include<reg51.h> //包含单片机寄存器的头文件void main(void){unsigned char m,n;unsigned int s;m=64;n=71;s=m n; //s=64 71=4544,需要16位二进制数表示,高8位送P1口,低8位送P0口//由于4544=17 256+192=H3 16 16 16+H2 16 16+H1 16+H0//两边同除以256,可得17+192/256=H3 16+H2+(H1 16+H0)/256 //因此,高8位16进制数H3 16+H2必然等于17,即4544除以256的商//低8位16进制数H1 16+H0必然等于192,即4544除以256的余数P1=s/256; //高8位送P1口,P1=17=11H=0001 0001B, P1.0和P1.4口灭,其余亮P0=s%256; //低8位送P0口 , P3=192=c0H=11000000B,P3.1,P3.6,P3.7口灭,其余亮}*实例9:用P1、P0口显示除法运算结果#include<reg51.h> //包含单片机寄存器的头文件void main(void){P1=36/5; //求整数P0=((36%5) 10)/5; //求小数while(1); //无限循环防止程序“跑飞”}*实例10:用自增运算控制P0口8位LED流水花样#include<reg51.h> //包含单片机寄存器的头文件/函数功能:延时一段时间/void delay(void){unsigned int i;for(i=0;i<20000;i++);}/ 函数功能?:主函数/ void main(void){unsigned char i;for(i=0;i<255;i++) //注意i的值不能超过255 {P0=i; //将i的值送P0口delay(); //调用延时函数}}*实例11:用P0口显示逻辑"与"运算结果 #include<reg51.h> //包含单片机寄存器的头文件 void main(void){P0=(4>0)&&(9>0xab);//将逻辑运算结果送P0口while(1); //设置无限循环,防止程序“跑飞”}*实例12:用P0口显示条件运算结果#include<reg51.h> //包含单片机寄存器的头文件 voidmain(void){P0=(8>4)?8:4;//将条件运算结果送P0口,P0=8=0000 1000B while(1); //设置无限循环,防止程序“跑飞”}*实例13:用P0口显示按位"异或"运算结果 #include<reg51.h> //包含单片机寄存器的头文件 void main(void){P0=0xa2^0x3c;//将条件运算结果送P0口,P0=8=0000 1000B while(1); //设置无限循环,防止程序“跑飞”}*实例16:用P0显示左移运算结果#include<reg51.h> //包含单片机寄存器的头文件 voidmain(void){P0=0x3b<<2;//将左移运算结果送P0口,P0=1110 1100B=0xec while(1); //无限循环,防止程序“跑飞”}*实例17:"万能逻辑电路"实验#include<reg51.h> //包含单片机寄存器的头文件sbit F=P1^4; //将F位定义为 P1.4sbit X=P1^5; //将X位定义为 P1.5sbit Y=P1^6; //将Y位定义为 P1.6sbit Z=P1^7; //将Z位定义为 P1.7void main(void){while(1){F=((~X)&Y)|Z; //将逻辑运算结果赋给F;}}*实例18:用右移运算流水点亮P1口8位LED #include<reg51.h> //包含单片机寄存器的头文件/函数功能:延时一段时间/void delay(void){unsigned int n;for(n=0;n<30000;n++);}/函数功能:主函数/void main(void){unsigned char i;while(1){P1=0xff;delay();for(i=0;i<8;i++)//设置循环次数为8P1=P1>>1; //每次循环P1的各二进位右移1位,高位补0 delay(); //调用延时函数}}}*实例19:用if语句控制P0口8位LED的流水方向#include<reg51.h> //包含单片机寄存器的头文件sbit S1=P1^4; //将S1位定义为P1.4sbit S2=P1^5; //将S2位定义为P1.5/函数功能:主函数/void main(void){while(1)}{ if(S1==0) //如果按键S1按下 P0=0x0f; //P0口高四位LED点亮if(S2==0) //如果按键S2按下 P0=0xf0; //P0口低四位LED点亮 } *实例20:用swtich语句的控制P0口8位LED的点亮状态#include<reg51.h> //包含单片机寄存器的头文件sbit S1=P1^4; //将S1位定义为P1.4函数功能:延时一段时间/void delay(void){unsigned int n;for(n=0;n<10000;n++);}/函数功能:主函数/void main(void){unsigned char i;i=0; //将i初始化为0while(1){if(S1==0) //如果S1键按下{delay(); //延时一段时间if(S1==0) //如果再次检测到S1键按下i++; //i自增1if(i==9) //如果i=9,重新将其置为1i=1;}switch(i) //使用多分支选择语句{}} case 1: P0=0xfe; //第一个LED亮 break; case 2: P0=0xfd; //第二个LED亮 break; case 3:P0=0xfb; //第三个LED亮 break; case 4:P0=0xf7; //第四个LED亮 break; case 5:P0=0xef; //第五个LED亮 break; case 6:P0=0xdf; //第六个LED亮 break; case 7:P0=0xbf; //第七个LED亮 break; case 8:P0=0x7f; //第八个LED 亮 break; default: //缺省值,关闭所有LED P0=0xff; }*实例21:用for语句控制蜂鸣器鸣笛次数#include<reg51.h> //包含单片机寄存器的头文件 sbitsound=P3^7; //将sound位定义为P3.7 / 函数功能:延时形成1600Hz音频/ void delay1600(void){unsigned char n;for(n=0;n<100;n++);}/ 函数功能:延时形成800Hz音频/ void delay800(void){unsigned char n;for(n=0;n<200;n++);}/ 函数功能:主函数/ void main(void){unsigned int i;while(1){for(i=0;i<830;i++){sound=0; //P3.7输出低电平 delay1600(); sound=1; //P3.7输出高电平 delay1600(); }for(i=0;i<200;i++){sound=0; //P3.7输出低电平 delay800();. sound=1; //P3.7输出高电平 delay800();}}}*实例22:用while语句控制LED#include<reg51.h> //包含单片机寄存器的头文件 / 函数功能:延时约60ms (3 100 200=60000μs) / void delay60ms(void){unsigned char m,n;for(m=0;m<100;m++)for(n=0;n<200;n++);}/函数功能:主函数/void main(void){unsigned char i;while(1) //无限循环{i=0; //将i初始化为0while(i<0xff) //当i小于0xff(255)时执行循环体 { P0=i; //将i送P0口显示delay60ms(); //延时i++; //i自增1}}}*实例23:用do-while语句控制P0口8位LED流水点亮#include<reg51.h> //包含单片机寄存器的头文件/函数功能:延时约60ms (3 100 200=60000μs)/void delay60ms(void){unsigned char m,n;for(m=0;m<100;m++)for(n=0;n<200;n++);}/函数功能:主函数/void main(void){do{P0=0xfe; //第一个LED亮delay60ms();}P0=0xfd; //第二个LED亮 delay60ms(); P0=0xfb; //第三个LED亮 delay60ms(); P0=0xf7; //第四个LED亮 delay60ms(); P0=0xef; //第五个LED亮 delay60ms(); P0=0xdf; //第六个LED亮delay60ms(); delay60ms(); P0=0xbf; //第七个LED亮delay60ms(); P0=0x7f; //第八个LED亮 delay60ms(); }while(1); //无限循环,使8位LED循环流水点亮*实例24:用字符型数组控制P0口8位LED流水点亮#include<reg51.h> //包含单片机寄存器的头文件/函数功能:延时约60ms (3 100 200=60000μs)/void delay60ms(void){unsigned char m,n;for(m=0;m<100;m++)for(n=0;n<200;n++);}/函数功能:主函数/void main(void){unsigned char i;unsigned char codeTab[ ]={0xfe,0xfd,0xfb,0xf7,0xef,0xdf,0xbf,0x7f}; //定义无符号字符型数组while(1){for(i=0;i<8;i++){P0=Tab[i];//依次引用数组元素,并将其送P0口显示delay60ms();//调用延时函数}}}*实例25:用P0口显示字符串常量#include<reg51.h> //包含单片机寄存器的头文件/函数功能:延时约150ms (3 200 250=150 000μs=150ms/void delay150ms(void){unsigned char m,n;for(m=0;m<200;m++)for(n=0;n<250;n++);}/函数功能:主函数/void main(void){unsigned char str[]={"Now,Temperature is :"}; //将字符串赋给字符型全部元素赋值unsigned char i;while(1){i=0; //将i初始化为0,从第一个元素开始显示while(str[i]!='\0') //只要没有显示到结束标志'\0'{P0=str[i]; //将第i个字符送到P0口显示delay150ms(); //调用150ms延时函数i++; //指向下一个待显字符}}}*实例26:用P0 口显示指针运算结果#include<reg51.h>void main(void){unsigned char p1, p2; //定义无符号字符型指针变量p1,p2 unsigned char i,j; //定义无符号字符型数据i=25; //给i赋初值25j=15;p1=&i; //使指针变量指向i ,对指针初始化p2=&j; //使指针变量指向j ,对指针初始化P0= p1+ p2; // p1+ p2相当于i+j,所以P0=25+15=40=0x28//则P0=0010 1000B,结果P0.3、P0.5引脚LED熄灭,其余点亮while(1); //无限循环,防止程序“跑飞”}*实例27:用指针数组控制P0口8位LED流水点亮#include<reg51.h>/函数功能:延时约150ms (3 200 250=150 000μs=150ms /void delay150ms(void){unsigned char m,n;for(m=0;m<200;m++)for(n=0;n<250;n++);}/函数功能:主函数/void main(void){unsigned char codeTab[]={0xfe,0xfd,0xfb,0xf7,0xef,0xdf,0xbf,0x7f};unsigned charp[ ]={&Tab[0],&Tab[1],&Tab[2],&Tab[3],&Tab[4],&Tab[5], &Tab[6],&Tab[7]};unsigned char i; //定义无符号字符型数据while(1){for(i=0;i<8;i++){P0= p[i];delay150ms();}}}*实例28:用数组的指针控制P0 口8 位LED流水点亮#include<reg51.h>/函数功能:延时约150ms (3 200 250=150 000μs=150ms/void delay150ms(void){unsigned char m,n;for(m=0;m<200;m++)for(n=0;n<250;n++);}/函数功能:主函数/void main(void){unsigned char i;unsigned charTab[ ]={0xFF,0xFE,0xFD,0xFB,0xF7,0xEF,0xDF,0xBF,0x7F,0xBF,0xDF,0xEF,0xF7,0xFB,0xFD,0xFE,0xFE,0xFC,0xFB,0xF0,0xE0,0xC0,0x80,0x00,0xE7,0xDB,0xBD,0x7E,0x3C,0x18,0x00,0x81,0xC3,0xE7,0x7E,0xBD,0xDB,0xE7,0xBD,0xDB}; //流水灯控制码unsigned char p; //定义无符号字符型指针p=Tab; //将数组首地址存入指针pwhile(1){for(i=0;i<32;i++) //共32个流水灯控制码{P0= (p+i); // (p+i)的值等于a[i]}delay150ms(); //调用150ms延时函数 } }*实例29:用P0 、P1口显示整型函数返回值 #include<reg51.h> / 函数功能:计算两个无符号整数的和/ unsigned int sum(int a,int b){unsigned int s;s=a+b;return (s);}/ 函数功能:主函数/ void main(void){unsigned z;z=sum(2008,2009);P1=z/256; //取得z的高8位P0=z%256; //取得z的低8位while(1);}*实例30:用有参函数控制P0口8位LED流水速度#include<reg51.h>/ 函数功能:延时一段时间/ void delay(unsigned char x){unsigned char m,n;for(m=0;m<x;m++)for(n=0;n<200;n++);}/函数功能:主函数/void main(void){unsigned char i;unsigned char codeTab[ ]={0xFE,0xFD,0xFB,0xF7,0xEF,0xDF,0xBF,0x7F}; //流水灯控制码while(1){//快速流水点亮LEDfor(i=0;i<8;i++) //共8个流水灯控制码{P0=Tab[i];delay(100); //延时约60ms, (3 100 200=60 000μs) } //慢速流水点亮LEDfor(i=0;i<8;i++) //共8个流水灯控制码{P0=Tab[i];delay(250); //延时约150ms, (3 250 200=150 000μs) } }}*实例31:用数组作函数参数控制流水花样#include<reg51.h>/函数功能:延时约150ms/void delay(void){unsigned char m,n;for(m=0;m<200;m++)for(n=0;n<250;n++);}/函数功能:流水点亮P0口8位LED/void led_flow(unsigned char a[8]){unsigned char i;for(i=0;i<8;i++){P0=a[i];delay();}}/函数功能:主函数/void main(void){unsigned char codeTab[ ]={0xFE,0xFD,0xFB,0xF7,0xEF,0xDF,0xBF,0x7F}; //流水灯控制码led_flow(Tab);}*实例32:用指针作函数参数控制P0口8位LED流水点亮#include<reg51.h>/函数功能:延时约150ms/void delay(void){unsigned char m,n;for(m=0;m<200;m++)for(n=0;n<250;n++);}/函数功能:流水点亮P0口8位LED/void led_flow(unsigned char p) //形参为无符号字符型指针{unsigned char i;while(1){i=0; //将i置为0,指向数组第一个元素while( (p+i)!='\0') //只要没有指向数组的结束标志P0= (p+i);// 取的指针所指变量(数组元素)的值,送P0口 delay(); //调用延时函数i++; //指向下一个数组元素}}}/函数功能:主函数/void main(void){unsigned char codeTab[ ]={0xFE,0xFD,0xFB,0xF7,0xEF,0xDF,0xBF,0x7F,0x7F,0xBF,0xDF,0xEF,0xF7,0xFB,0xFD,0xFE,0xFF,0xFE,0xFC,0xFB,0xF0,0xE0,0xC0,0x80,0x00,0xE7,0xDB,0xBD,0x7E,0xFF,0xFF,0x3C,0x18,0x0,0x81,0xC3,0xE7,0xFF, 0xFF,0x7E};//流水灯控制码unsigned char pointer;pointer=Tab;led_flow(pointer);*实例33:用函数型指针控制P1口灯花样#include<reg51.h> //包含51单片机寄存器定义的头文件unsigned char codeTab[]={0xFE,0xFD,0xFB,0xF7,0xEF,0xDF,0xBF,0x7F}; //流水灯控制码,该数组被定义为全局变量/函数功能:延时约150ms/ void delay(void){unsigned char m,n;for(m=0;m<200;m++)for(n=0;n<250;n++);}/ 函数功能:流水灯左移/ void led_flow(void){unsigned char i;for(i=0;i<8;i++) //8位控制码{P0=Tab[i];delay();}}/ 函数功能:主函数/ void main(void){void ( p)(void); //定义函数型指针,所指函数无参数,无返回值p=led_flow; //将函数的入口地址赋给函数型指针pwhile(1)( p)(); //通过函数的指针p调用函数led_flow()}*实例34:用指针数组作为函数的参数显示多个字符串#include<reg51.h> //包含51单片机寄存器定义的头文件unsigned char code str1[ ]="Temperature is tested byDS18B20";//C语言中,字符串是作为字符数组来处理的unsigned char code str2[ ]="Now temperature is:"; //所以,字符串的名字就是字符串的首地址unsigned char code str3[ ]="The Systerm is designed by Zhang San";unsigned char code str4[ ]="The date is 2008-9-30"; unsigned char p[ ]={str1,str2,str3,str4}; //定义p[4]为指向4个字符串的字符型指针数组/ 函数功能:延时约150ms/ void delay(void){unsigned char m,n;for(m=0;m<200;m++)for(n=0;n<250;n++);}/ 函数功能:流水点亮P0口8位LED/ void led_display(unsigned char x[ ]) //形参必须为指针数组{unsigned char i,j;for(i=0;i<4;i++) //有4个字符串要显示{j=0; //指向待显字符串的第0号元素while( (x[i]+j)!='\0') //只要第i个字符串的第j号元素不是结束标志 {P0= (x[i]+j); //取得该元素值送到P0口显示delay(); //调用延时函数j++; //指向下一个元素}}}/ 函数功能:主函数/ void main(void){unsigned char i;while(1){for(i=0;i<4;i++)led_display(p); //将指针数组名作实际参数传递}}*实例35:字符函数ctype.h应用举例#include<reg51.h> //包含51单片机寄存器定义的头文件#include<ctype.h>void main(void){while(1){P3=isalpha('_')?0xf0:0x0f;//条件运算,若'_'是英文字母,P3=0xf0 }}*实例36:内部函数intrins.h应用举例#include<intrins.h> //包含函数isalpha()声明的头文件 / 函数功能:延时约150ms/ void delay(void){unsigned char m,n;for(m=0;m<200;m++)for(n=0;n<250;n++);}/ 函数功能:主函数/ void main(void){P3=0xfe; //P3=1111 1110Bwhile(1){P3=_crol_(P3,1);// 将P3的二进制位循环左移1位后再赋给P3 delay(); //调用延时函数}}*实例37:标准函数stdlib.h应用举例#include<stdlib.h> //包含函数isalpha()声明的头文件 / 函数功能:延时约150ms/ void delay(void){unsigned char m,n;for(m=0;m<200;m++)for(n=0;n<250;n++);}/ 函数功能:主函数/ void main(void){unsigned char i;while(1){for(i=0;i<10;i++) //产生10个随机数{P3=rand()/160; //将产生的随机数缩小160倍后送P3显示delay();}}}*实例38:字符串函数string.h应用举例#include<reg51.h> //包含51单片机寄存器定义的头文件#include<string.h> //包含函数isalpha()声明的头文件 void main(void){unsigned char str1[ ]="Now, The temperature is :"; unsigned char str2[ ]="Now, The temperature is 36 Centgrade:"; unsigned char i;i=strcmp(str1,str2); //比较两个字符串,并将结果存入iif(i==0) //str1=str2P3=0x00;elseif(i<0) //str1<str2P3=0xf0;else //str1>str2P3=0x0f;while(1); //防止程序“跑飞”}*实例39:宏定义应用举例2#include<reg51.h> //包含51单片机寄存器定义的头文件# define F(a,b) (a)+(a) (b)/256+(b) //带参数的宏定义,a和b 为形参 void main(void){unsigned char i,j,k;i=40;j=30;k=20;P3=F(i,j+k); //i和j+k分别为实参,宏展开时,实参将替代宏定义中的形参while(1);}*实例40:宏定义应用举例2#include<AT89X51.h>#include<ctype.h>void main(void){P3_0=0; //将P3.0引脚置低电平,LED点亮P3_1=0; //将P3.0引脚置低电平,LED点亮P3_2=0; //将P3.0引脚置低电平,LED点亮P3_3=0; //将P3.0引脚置低电平,LED点亮P3_4=1; //将P3.4引脚置高电平,LED熄灭P3_5=1; //将P3.5引脚置高电平,LED熄灭 P3_6=1; //将P3.7引脚置高电平,LED熄灭 P3_7=1; //将P3.7引脚置高电平,LED熄灭while(1) ;*实例41:宏定义应用举例3#include<reg51.h> //包含51单片机寄存器定义的头文件#define MAX 100 //将MAX宏定义为字符串100void main(void){#if MAX>80 //如果字符串100大于80P3=0xf0; //P3口低四位LED点亮#elseP3=0x0f; //否则,P3口高四位LED点亮#endif //结束本次编译}/ 中断、定时器中断、定时器中断、定时器中断、定时器 /*实例42:用定时器T0查询方式P2口8位控制LED闪烁#include<reg51.h> // 包含51单片机寄存器定义的头文件/函数功能:主函数/ void main(void)// EA=1; //开总中断// ET0=1; //定时器T0中断允许 TMOD=0x01; //使用定时器T0的模式1TH0=(65536-46083)/256; //定时器T0的高8位赋初值TL0=(65536-46083)%256; //定时器T0的高8位赋初值TR0=1; //启动定时器T0TF0=0;P2=0xff;while(1)//无限循环等待查询{while(TF0==0);TF0=0;P2=~P2;TH0=(65536-46083)/256; //定时器T0的高8位赋初值TL0=(65536-46083)%256; //定时器T0的高8位赋初值 }}*实例43:用定时器T1查询方式控制单片机发出1KHz音频#include<reg51.h> // 包含51单片机寄存器定义的头文件 sbit sound=P3^7; //将sound位定义为P3.7引脚/ 函数功能:主函数{// EA=1; //开总中断// ET0=1; //定时器T0中断允许 TMOD=0x10; //使用定时器T1的模式1TH1=(65536-921)/256; //定时器T1的高8位赋初值TL1=(65536-921)%256; //定时器T1的高8位赋初值TR1=1; //启动定时器T1TF1=0;while(1)//无限循环等待查询{while(TF1==0);TF1=0;sound=~sound; //将P3.7引脚输出电平取反TH1=(65536-921)/256; //定时器T0的高8位赋初值TL1=(65536-921)%256; //定时器T0的高8位赋初值 }}*实例44:将计数器T0计数的结果送P1口8位LED显示#include<reg51.h> // 包含51单片机寄存器定义的头文件 sbit S=P3^4; //将S位定义为P3.4引脚/ 函数功能:主函数{// EA=1; //开总中断// ET0=1; //定时器T0中断允许 TMOD=0x02; //使用定时器T0的模式2TH0=256-156; //定时器T0的高8位赋初值TL0=256-156; //定时器T0的高8位赋初值TR0=1; //启动定时器T0while(1)//无限循环等待查询{while(TF0==0) //如果未计满就等待{if(S==0) //按键S按下接地,电平为0P1=TL0; //计数器TL0加1后送P1口显示}TF0=0; //计数器溢出后,将TF0清0}}*实例45:用定时器T0的中断控制1位LED闪烁 #include<reg51.h> // 包含51单片机寄存器定义的头文件sbit D1=P2^0; //将D1位定义为P2.0引脚/ 函数功能:主函数{EA=1; //开总中断ET0=1; //定时器T0中断允许TMOD=0x01; //使用定时器T0的模式2TH0=(65536-46083)/256; //定时器T0的高8位赋初值TL0=(65536-46083)%256; //定时器T0的高8位赋初值TR0=1; //启动定时器T0while(1)//无限循环等待中断;}/ 函数功能:定时器T0的中断服务程序/ void Time0(void) interrupt 1 using 0 //“interrupt”声明函数为中断服务函数 //其后的1为定时器T0的中断编号;0表示使用第0组工作寄存器{D1=~D1; //按位取反操作,将P2.0引脚输出电平取反TH0=(65536-46083)/256; //定时器T0的高8位重新赋初值TL0=(65536-46083)%256; //定时器T0的高8位重新赋初值}*实例46:用定时器T0的中断实现长时间定时#include<reg51.h> // 包含51单片机寄存器定义的头文件sbit D1=P2^0; //将D1位定义为P2.0引脚unsigned char Countor; //设置全局变量,储存定时器T0中断次数/ 函数功能:主函数/ void main(void){EA=1; //开总中断ET0=1; //定时器T0中断允许TMOD=0x01; //使用定时器T0的模式2TH0=(65536-46083)/256; //定时器T0的高8位赋初值TL0=(65536-46083)%256; //定时器T0的高8位赋初值TR0=1; //启动定时器T0Countor=0; //从0开始累计中断次数while(1)//无限循环等待中断;}/ 函数功能:定时器T0的中断服务程序/ void Time0(void) interrupt 1 using 0 //“interrupt”声明函数为中断服务函数//其后的1为定时器T0的中断编号;0表示使用第0组工作寄存器{Countor++; //中断次数自加1if(Countor==20) //若累计满20次,即计时满1s{D1=~D1; //按位取反操作,将P2.0引脚输出电平取反Countor=0; //将Countor清0,重新从0开始计数}TH0=(65536-46083)/256; //定时器T0的高8位重新赋初值TL0=(65536-46083)%256; //定时器T0的高8位重新赋初值}*实例47:用定时器T1中断控制两个LED以不同周期闪烁#include<reg51.h> // 包含51单片机寄存器定义的头文件sbit D1=P2^0; //将D1位定义为P2.0引脚sbit D2=P2^1; //将D2位定义为P2.1引脚unsigned char Countor1; //设置全局变量,储存定时器T1中断次数unsigned char Countor2; //设置全局变量,储存定时器T1中断次数/ 函数功能:主函数/ void main(void){EA=1; //开总中断ET1=1; //定时器T1中断允许TMOD=0x10; //使用定时器T1的模式1TH1=(65536-46083)/256; //定时器T1的高8位赋初值TL1=(65536-46083)%256; //定时器T1的高8位赋初值TR1=1; //启动定时器T1Countor1=0; //从0开始累计中断次数Countor2=0; //从0开始累计中断次数while(1)//无限循环等待中断;}/ 函数功能:定时器T1的中断服务程序/ void Time1(void) interrupt 3 using 0 //“interrupt”声明函数为中断服务函数 //其后的3为定时器T1的中断编号;0表示使用第0组工作寄存器{Countor1++; //Countor1自加1Countor2++; //Countor2自加1if(Countor1==2) //若累计满2次,即计时满100ms{D1=~D1; //按位取反操作,将P2.0引脚输出电平取反 Countor1=0; //将Countor1清0,重新从0开始计数}if(Countor2==8) //若累计满8次,即计时满400ms{D2=~D2; //按位取反操作,将P2.1引脚输出电平取反 Countor2=0; //将Countor1清0,重新从0开始计数}TH1=(65536-46083)/256; //定时器T1的高8位重新赋初值TL1=(65536-46083)%256; //定时器T1的高8位重新赋初值}*实例48:用计数器T1的中断控制蜂鸣器发出1KHz音频#include<reg51.h> // 包含51单片机寄存器定义的头文件sbit sound=P3^7; //将sound位定义为P3.7引脚/ 函数功能:主函数/ void main(void){EA=1; //开总中断ET1=1; //定时器T1中断允许TMOD=0x10; //TMOD=0001 000B,使用定时器T1的模式1TH1=(65536-921)/256; //定时器T1的高8位赋初值TL1=(65536-921)%256; //定时器T1的高8位赋初值TR1=1; //启动定时器T1while(1)//无限循环等待中断;}/ 函数功能:定时器T1的中断服务程序/ void Time1(void) interrupt 3 using 0 //“interrupt”声明函数为中断服务函数 {sound=~sound;TH1=(65536-921)/256; //定时器T1的高8位重新赋初值TL1=(65536-921)%256; //定时器T1的高8位重新赋初值}*实例49:用定时器T0的中断实现"渴望"主题曲的播放#include<reg51.h> //包含51单片机寄存器定义的头文件sbit sound=P3^7; //将sound位定义为P3.7unsigned int C; //储存定时器的定时常数//以下是C调低音的音频宏定义#define l_dao 262 //将“l_dao”宏定义为低音“1”的频率262Hz #define l_re 286 //将“l_re”宏定义为低音“2”的频率286Hz #define l_mi 311 //将“l_mi”宏定义为低音“3”的频率311Hz #define l_fa 349 //将“l_fa”宏定义为低音“4”的频率349Hz #define l_sao 392 //将“l_sao”宏定义为低音“5”的频率392Hz #define l_la 440 //将“l_a”宏定义为低音“6”的频率440Hz#define l_xi 494 //将“l_xi”宏定义为低音“7”的频率494Hz //以下是C调中音的音频宏定义#define dao 523 //将“dao”宏定义为中音“1”的频率523Hz#define re 587 //将“re”宏定义为中音“2”的频率587Hz#define mi 659 //将“mi”宏定义为中音“3”的频率659Hz。
单片机汇编语言经典一百例汇编语言是一种底层的程序设计语言,是一种将汇编指令直接翻译成机器指令的语言。
在单片机编程中,掌握汇编语言是非常重要的,因为它可以充分发挥单片机的性能,并且提高程序的运行效率。
本文将介绍一百个经典的单片机汇编语言例子,帮助读者更好地理解汇编语言的使用。
1. 点亮LED灯```ORG 0x0000 ; 程序起始地址MOV P1, #0xAA ; P1口输出高电平,LED灯点亮END ; 程序结束```2. LED流水灯效果```ORG 0x0000 ; 程序起始地址MOV P1, #0x01 ; P1口输出低电平,第一个LED点亮CALL DELAY ; 调用延时函数MOV P1, #0x02 ; P1口输出低电平,第二个LED点亮CALL DELAY ; 调用延时函数MOV P1, #0x04 ; P1口输出低电平,第三个LED点亮CALL DELAY ; 调用延时函数MOV P1, #0x08 ; P1口输出低电平,第四个LED点亮CALL DELAY ; 调用延时函数…DELAY: ; 延时函数MOV R0, #100 ; 设置延时时间DELAY_LOOP:DJNZ R0, DELAY_LOOP ; 循环减一RET ; 返回END ; 程序结束```3. 数码管动态扫描显示```ORG 0x0000 ; 程序起始地址CLR P0.0 ; P0.0口输出低电平,选择第一个数码管MOV P2, #0x7E ; 将数码管对应的值存放到P2口CALL DELAY ; 调用延时函数CLR P0.1 ; P0.1口输出低电平,选择第二个数码管MOV P2, #0x30 ; 将数码管对应的值存放到P2口CALL DELAY ; 调用延时函数CLR P0.2 ; P0.2口输出低电平,选择第三个数码管MOV P2, #0x6D ; 将数码管对应的值存放到P2口CALL DELAY ; 调用延时函数CLR P0.3 ; P0.3口输出低电平,选择第四个数码管MOV P2, #0x79 ; 将数码管对应的值存放到P2口CALL DELAY ; 调用延时函数…DELAY: ; 延时函数MOV R0, #100 ; 设置延时时间DELAY_LOOP:DJNZ R0, DELAY_LOOP ; 循环减一RET ; 返回END ; 程序结束```...通过以上例子,我们可以看到单片机汇编语言的应用非常广泛,可以实现各种各样的功能。
单片机应用实例20个1. 温湿度监测系统单片机可以通过温湿度传感器实时检测环境的温湿度,并将数据显示在LCD屏幕上,提供参考用于对环境进行调节。
2. 微波炉控制单片机可以用于微波炉的控制,通过控制微波的加热时间和强度,实现食物的快速加热或解冻。
3. 灯光控制系统单片机可以通过光敏电阻感应环境光照强度,并控制灯光的开关和亮度,实现智能化的照明控制。
4. 电子秤单片机可以通过称重传感器检测物体的重量,并将重量数据通过LCD屏幕显示出来,广泛应用于商业和家庭领域。
5. 遥控器单片机可以通过接收红外信号,实现对电视、空调、音响等家用电器的遥控操作,提高生活的便利性。
6. 数码相机单片机可以用于数码相机的图像处理和功能控制,实现拍摄、存储和显示图片的功能。
7. 电子钟单片机可以通过RTC芯片实时获取时间,并通过数码管或LCD 屏幕显示时间,告诉人们准确的时间。
8. 智能车单片机可以作为智能车的大脑,通过传感器获取车辆的位置、速度和周围环境信息,并进行路线规划和行驶控制。
9. 温控系统单片机可以通过温度传感器检测环境的温度,并通过控制加热或制冷设备来实现温度的自动调节。
10. 电子组合锁单片机可以用于电子锁的控制,通过密码输入和验证,实现对门锁的开关控制。
11. 电子琴单片机可以用于电子琴的音乐合成和控制,通过按键触发不同音符的发声,实现曲目演奏。
12. 红外避障小车单片机可以通过红外传感器检测前方障碍物的距离,并控制小车的转向和速度,实现自动避障。
13. 室内温度控制单片机可以通过温度传感器检测室内温度,并通过控制空调或暖气设备来实现室内温度的控制。
14. 电子警报器单片机可以通过声音传感器检测环境的声音强度,并触发警报器的报警,用于室内安全保护。
15. 电子表格单片机可以用于开发简单的电子表格应用,实现数据输入、计算和显示的功能,广泛应用于办公场合。
16. 数字电视机顶盒单片机可以用于数字电视机顶盒的信号处理、解码和显示,实现高清电视节目的播放和录制功能。
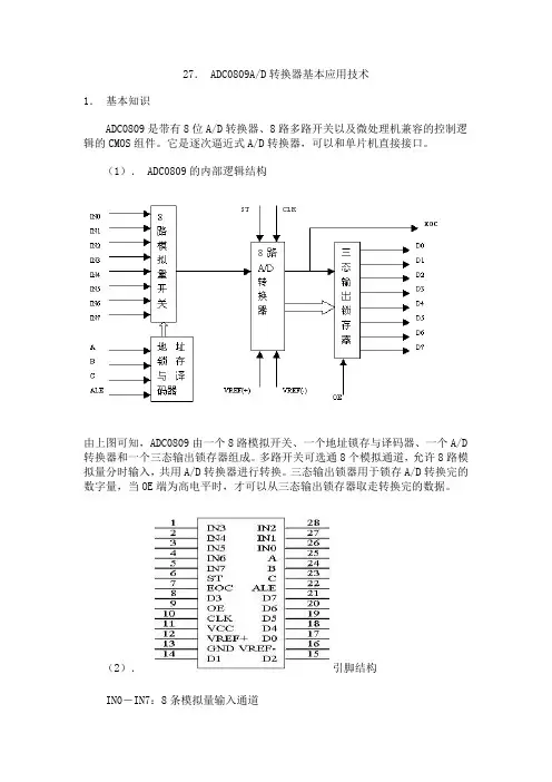
27. ADC0809A/D转换器基本应用技术1.基本知识ADC0809是带有8位A/D转换器、8路多路开关以及微处理机兼容的控制逻辑的CMOS组件。
它是逐次逼近式A/D转换器,可以和单片机直接接口。
(1). ADC0809的内部逻辑结构由上图可知,ADC0809由一个8路模拟开关、一个地址锁存与译码器、一个A/D 转换器和一个三态输出锁存器组成。
多路开关可选通8个模拟通道,允许8路模拟量分时输入,共用A/D转换器进行转换。
三态输出锁器用于锁存A/D转换完的数字量,当OE端为高电平时,才可以从三态输出锁存器取走转换完的数据。
(2).引脚结构IN0-IN7:8条模拟量输入通道ADC0809对输入模拟量要求:信号单极性,电压范围是0-5V,若信号太小,必须进行放大;输入的模拟量在转换过程中应该保持不变,如若模拟量变化太快,则需在输入前增加采样保持电路。
地址输入和控制线:4条ALE为地址锁存允许输入线,高电平有效。
当ALE线为高电平时,地址锁存与译码器将A,B,C三条地址线的地址信号进行锁存,经译码后被选中的通道的模拟量进转换器进行转换。
A,B和C为地址输入线,用于选通IN0-IN7上的一路模拟量输入。
通道选择表如下表所示。
数字量输出及控制线:11条ST为转换启动信号。
当ST上跳沿时,所有内部寄存器清零;下跳沿时,开始进行A/D转换;在转换期间,ST应保持低电平。
EOC为转换结束信号。
当EOC为高电平时,表明转换结束;否则,表明正在进行A/D转换。
OE为输出允许信号,用于控制三条输出锁存器向单片机输出转换得到的数据。
OE=1,输出转换得到的数据;OE=0,输出数据线呈高阻状态。
D7-D0为数字量输出线。
CLK为时钟输入信号线。
因ADC0809的内部没有时钟电路,所需时钟信号必须由外界提供,通常使用频率为500KHZ,VREF(+),VREF(-)为参考电压输入。
2. ADC0809应用说明(1). ADC0809内部带有输出锁存器,可以与AT89S51单片机直接相连。
20.数字钟﹝★﹞1.实验任务(1.开机时,显示12:00:00的时间开始计时;(2. P0.0/AD0控制“秒”的调整,每按一次加1秒;(3. P0.1/AD1控制“分”的调整,每按一次加1分;(4. P0.2/AD2控制“时”的调整,每按一次加1个小时;2.电路原理图3.系统板上硬件连线(1.把“单片机系统”区域中的P1.0-P1.7端口用8芯排线连接到“动态数码显示”区域中的A -H端口上;(2.把“单片机系统:区域中的P3.0-P3.7端口用8芯排线连接到“动态数码显示”区域中的S1-S8端口上;(3.把“单片机系统”区域中的P0.0/AD0、P0.1/AD1、P0.2/AD2端口分别用导线连接到“独立式键盘”区域中的SP3、SP2、SP1端口上;4.相关基本知识(1.动态数码显示的方法(2.独立式按键识别过程(3.“时”,“分”,“秒”数据送出显示处理方法5.程序框图6.汇编源程序SECOND EQU 30HMINITE EQU 31HHOUR EQU 32HHOURK BIT P0.0MINITEK BIT P0.1SECONDK BIT P0.2DISPBUF EQU 40HDISPBIT EQU 48HT2SCNTA EQU 49HT2SCNTB EQU 4AHTEMP EQU 4BHORG 00HLJMP STARTORG 0BHLJMP INT_T0START: MOV SECOND,#00HMOV MINITE,#00HMOV HOUR,#12MOV DISPBIT,#00HMOV T2SCNTA,#00HMOV T2SCNTB,#00HMOV TEMP,#0FEHLCALL DISPMOV TMOD,#01HMOV TH0,#(65536-2000) / 256 MOV TL0,#(65536-2000) MOD 256 SETB TR0SETB ET0SETB EAWT: JB SECONDK,NK1LCALL DELY10MSJB SECONDK,NK1INC SECONDMOV A,SECONDCJNE A,#60,NS60MOV SECOND,#00HNS60: LCALL DISPJNB SECONDK,$NK1: JB MINITEK,NK2LCALL DELY10MSJB MINITEK,NK2INC MINITEMOV A,MINITEMOV MINITE,#00H NM60: LCALL DISP JNB MINITEK,$NK2: JB HOURK,NK3 LCALL DELY10MSJB HOURK,NK3INC HOURMOV A,HOURCJNE A,#24,NH24 MOV HOUR,#00HNH24: LCALL DISP JNB HOURK,$NK3: LJMP WT DELY10MS:MOV R6,#10D1: MOV R7,#248 DJNZ R7,$DJNZ R6,D1RETDISP:MOV A,#DISPBUF ADD A,#8DEC AMOV R1,AMOV A,HOURMOV B,#10DIV ABMOV @R1,ADEC R1MOV A,BMOV @R1,ADEC R1MOV A,#10MOV@R1,ADEC R1MOV A,MINITE MOV B,#10DIV ABMOV @R1,ADEC R1MOV A,BMOV @R1,ADEC R1MOV A,#10MOV@R1,AMOV A,SECONDMOV B,#10DIV ABMOV @R1,ADEC R1MOV A,BMOV @R1,ADEC R1RETINT_T0:MOV TH0,#(65536-2000) / 256 MOV TL0,#(65536-2000) MOD 256 MOV A,#DISPBUFADD A,DISPBITMOV R0,AMOV A,@R0MOV DPTR,#TABLEMOVC A,@A+DPTRMOV P1,AMOV A,DISPBITMOV DPTR,#TABMOVC A,@A+DPTRMOV P3,AINC DISPBITMOV A,DISPBITCJNE A,#08H,KNAMOV DISPBIT,#00HKNA: INC T2SCNTAMOV A,T2SCNTACJNE A,#100,DONEMOV T2SCNTA,#00HINC T2SCNTBMOV A,T2SCNTBCJNE A,#05H,DONEMOV T2SCNTB,#00HINC SECONDMOV A,SECONDCJNE A,#60,NEXTMOV SECOND,#00HINC MINITEMOV A,MINITECJNE A,#60,NEXTMOV MINITE,#00HINC HOURMOV A,HOURMOV HOUR,#00HNEXT: LCALL DISPDONE: RETITABLE: DB 3FH,06H,5BH,4FH,66H,6DH,7DH,07H,7FH,6FH,40H TAB: DB 0FEH,0FDH,0FBH,0F7H,0EFH,0DFH,0BFH,07FHEND7. C语言源程序#include <AT89X51.H>unsigned char code dispcode[]={0x3f,0x06,0x5b,0x4f, 0x66,0x6d,0x7d,0x07,0x7f,0x6f,0x77,0x7c,0x39,0x5e,0x79,0x71,0x00};unsigned char dispbitcode[]={0xfe,0xfd,0xfb,0xf7,0xef,0xdf,0xbf,0x7f};unsigned char dispbuf[8]={0,0,16,0,0,16,0,0}; unsigned char dispbitcnt;unsigned char second;unsigned char minite;unsigned char hour;unsigned int tcnt;unsigned char mstcnt;unsigned char i,j;void main(void){TMOD=0x02;TH0=0x06;TL0=0x06;TR0=1;ET0=1;EA=1;while(1){if(P0_0==0){for(i=5;i>0;i--)for(j=248;j>0;j--);if(P0_0==0){second++;if(second==60)}dispbuf[0]=second%10;dispbuf[1]=second/10;while(P0_0==0);}}if(P0_1==0){for(i=5;i>0;i--)for(j=248;j>0;j--);if(P0_1==0){minite++;if(minite==60){minite=0;}dispbuf[3]=minite%10;dispbuf[4]=minite/10;while(P0_1==0);}}if(P0_2==0){for(i=5;i>0;i--)for(j=248;j>0;j--);if(P0_2==0){hour++;if(hour==24){hour=0;}dispbuf[6]=hour%10;dispbuf[7]=hour/10;while(P0_2==0);}}}}void t0(void) interrupt 1 using 0 {mstcnt++;if(mstcnt==8)P1=dispcode[dispbuf[dispbitcnt]]; P3=dispbitcode[dispbitcnt]; dispbitcnt++;if(dispbitcnt==8){dispbitcnt=0;}}tcnt++;if(tcnt==4000){tcnt=0;second++;if(second==60){second=0;minite++;if(minite==60){minite=0;hour++;if(hour==24){hour=0;}}}dispbuf[0]=second%10;dispbuf[1]=second/10;dispbuf[3]=minite%10;dispbuf[4]=minite/10;dispbuf[6]=hour%10;dispbuf[7]=hour/10;}}21.拉幕式数码显示技术1.实验任务用AT89S51单片机的P0.0/AD0-P0.7/AD7端口接数码管的a-h端,8位数码管的S1-S8通过74LS138译码器的Y0-Y7来控制选通每个数码管的位选端。
单片机开发案例在现代科技的浪潮中,单片机以其强大的功能和广泛的应用领域,成为了电子工程师们手中的得力工具。
从智能家居到工业自动化,从医疗设备到消费电子,单片机的身影无处不在。
下面,让我们一起来深入了解几个单片机开发的案例。
案例一:智能温度控制系统在工业生产中,对温度的精确控制至关重要。
为了实现这一目标,我们基于单片机开发了一套智能温度控制系统。
首先,我们选用了一款性能稳定、功能强大的单片机,如 STM32系列。
它具有丰富的外设资源和较高的运算速度,能够满足系统的实时性要求。
温度传感器采用了高精度的热敏电阻或热电偶,将温度变化转化为电信号。
这些电信号经过放大、滤波等处理后,输入到单片机的模拟数字转换器(ADC)中,单片机对转换后的数字信号进行处理和计算,得到当前的温度值。
根据设定的温度范围,单片机通过控制继电器或可控硅等器件,来调节加热或冷却设备的工作状态。
例如,当温度低于下限值时,单片机控制加热设备开启;当温度高于上限值时,控制冷却设备启动。
为了实现人机交互,我们还配备了液晶显示屏(LCD)和按键。
通过显示屏可以实时显示当前温度和设定的温度范围,按键则用于设置温度上下限等参数。
在软件方面,我们采用了 C 语言进行编程。
通过合理的算法和控制逻辑,实现了温度的精确控制和稳定运行。
同时,还加入了故障检测和报警功能,当传感器故障或温度异常时,系统能够及时发出警报,提醒工作人员进行处理。
案例二:智能家居灯光控制系统随着人们生活水平的提高,对家居智能化的需求也日益增长。
智能家居灯光控制系统就是其中的一个重要应用。
在这个系统中,我们选用了低功耗的单片机,如 Arduino 系列。
它具有简单易用、成本低廉的特点,非常适合智能家居应用。
灯光控制采用了智能灯泡或 LED 灯带,通过蓝牙或 WiFi 模块与单片机进行通信。
用户可以通过手机 APP 或语音指令,向单片机发送控制信号。
单片机接收到控制信号后,解析并执行相应的操作。
51单片机设计实例
1. 电子钟:使用51单片机设计一个数字时钟,可以显示小时和分钟,并能够设置闹钟功能。
2. 温度监控器:使用51单片机设计一个温度监控器,可以实时监测当前温度,并根据设定的阈值发出警报。
3. 电子秤:使用51单片机设计一个电子秤,可以精确测量物体的重量,并显示在LCD屏幕上。
4. 电子门锁:使用51单片机设计一个电子门锁系统,可以使用密码或者指纹进行解锁,并记录进出门的时间。
5. 智能家居控制器:使用51单片机设计一个智能家居控制器,可以通过手机APP控制家庭中的灯光、空调、窗帘等设备。
6. 智能车:使用51单片机设计一个智能车,可以根据传感器检测到的环境信息进行自主导航和避障。
7. 电子琴:使用51单片机设计一个简单的电子琴,可以通过按键发出不同的音符。
8. 电子游戏机:使用51单片机设计一个简单的电子游戏机,可以玩一些简单的游戏如打砖块、赛车等。
9. 电子宠物:使用51单片机设计一个虚拟宠物,可以通过按钮和
显示屏与宠物进行互动,喂食、玩耍等。
10. 无线遥控器:使用51单片机设计一个无线遥控器,可以控制电视、空调、音响等家电设备。
经典单片机编程100例单片机是指具有微处理器内核、存储器和输入输出设备的集成电路芯片。
它广泛应用于各种电子设备中,例如家用电器、汽车电子、工业自动化等领域。
单片机编程是指通过给单片机内部写入特定的指令,使其按照程序逻辑完成特定的功能。
本文将介绍经典的单片机编程实例,帮助读者更好地理解和掌握单片机编程的基本原理和技巧。
1. LED闪烁程序在单片机编程中,最简单的实例之一就是控制LED灯的闪烁。
通过设置相应的IO口为输出模式,并在循环中对该IO口进行高低电平的切换,可以实现LED的闪烁效果。
以下是一个基本的LED闪烁程序示例:```c#include <reg51.h>sbit LED = P1^0;void delay(unsigned int t){while(t--);}void main(){while(1){LED = 0; // 点亮LEDdelay(50000);LED = 1; // 熄灭LEDdelay(50000);}}```上述代码中,通过设置P1口的第0位为1或者0,控制LED的亮灭状态,并在两个状态之间加入适当的延时,从而实现LED的闪烁。
2. 按键控制LED开关在单片机编程中,常常需要通过外部输入设备来控制其他设备的状态。
例如,通过按下按钮来控制LED的开关。
以下是一个简单的按键控制LED开关的程序示例:```c#include <reg51.h>sbit LED = P1^0;sbit Key = P0^0;void delay(unsigned int t){while(t--);}void main(){while(1){if(Key==0) // 如果按键被按下{LED = ~LED; // 取反LED的状态delay(50000); // 延时一段时间,防止按键抖动 while(Key==0); // 等待按键释放}}}```上述代码中,通过检测P0口的第0位,判断是否有按键按下。
1.闪烁灯1.实验任务如图4.1.1所示:在P1.0端口上接一个发光二极管L1,使L1在不停地一亮一灭,一亮一灭的时间间隔为0.2秒。
2.电路原理图图4.1.13.系统板上硬件连线把“单片机系统”区域中的P1.0端口用导线连接到“八路发光二极管指示模块”区域中的L1端口上。
4.程序设计内容(1).延时程序的设计方法作为单片机的指令的执行的时间是很短,数量大微秒级,因此,我们要求的闪烁时间间隔为0.2秒,相对于微秒来说,相差太大,所以我们在执行某一指令时,插入延时程序,来达到我们的要求,但这样的延时程序是如何设计呢?下面具体介绍其原理:如图4.1.1所示的石英晶体为12MHz,因此,1个机器周期为1微秒机器周期微秒MOV R6,#20 2个 2D1: MOV R7,#248 2个 2 2+2×248=498 20×DJNZ R7,$ 2个2×248 (498DJNZ R6,D1 2个2×20=4010002因此,上面的延时程序时间为10.002ms。
由以上可知,当R6=10、R7=248时,延时5ms,R6=20、R7=248时,延时10ms,以此为基本的计时单位。
如本实验要求0.2秒=200ms,10ms×R5=200ms,则R5=20,延时子程序如下:DELAY: MOV R5,#20D1: MOV R6,#20D2: MOV R7,#248DJNZ R7,$DJNZ R6,D2DJNZ R5,D1RET(2).输出控制如图1所示,当P1.0端口输出高电平,即P1.0=1时,根据发光二极管的单向导电性可知,这时发光二极管L1熄灭;当P1.0端口输出低电平,即P1.0=0时,发光二极管L1亮;我们可以使用SETB P1.0指令使P1.0端口输出高电平,使用CLR P1.0指令使P1.0端口输出低电平。
5.程序框图如图4.1.2所示图4.1.2 6.汇编源程序ORG 0START: CLR P1.0LCALL DELAYSETB P1.0LCALL DELAYLJMP STARTDELAY: MOV R5,#20 ;延时子程序,延时0.2秒D1: MOV R6,#20D2: MOV R7,#248DJNZ R7,$DJNZ R6,D2DJNZ R5,D1RETEND7. C语言源程序#include <AT89X51.H>sbit L1=P1^0;void delay02s(void) //延时0.2秒子程序{unsigned char i,j,k;for(i=20;i>0;i--)for(j=20;j>0;j--)for(k=248;k>0;k--);}void main(void){while(1){L1=0;delay02s(); L1=1;delay02s(); }2.模拟开关灯1.实验任务如图4.2.1所示,监视开关K1(接在P3.0端口上),用发光二极管L1(接在单片机P1.0端口上)显示开关状态,如果开关合上,L1亮,开关打开,L1熄灭。
13.动态数码显示技术1.实验任务如图4.13.1所示,P0端口接动态数码管的字形码笔段,P2端口接动态数码管的数位选择端,P1.7接一个开关,当开关接高电平时,显示“12345”字样;当开关接低电平时,显示“HELLO”字样。
2.电路原理图图4.13.13.系统板上硬件连线(1.把“单片机系统”区域中的P0.0/AD0-P0.7/AD7用8芯排线连接到“动态数码显示”区域中的a-h端口上;(2.把“单片机系统”区域中的P2.0/A8-P2.7/A15用8芯排线连接到“动态数码显示”区域中的S1-S8端口上;(3.把“单片机系统”区域中的P1.7端口用导线连接到“独立式键盘”区域中的SP1端口上;4.程序设计内容(1.动态扫描方法动态接口采用各数码管循环轮流显示的方法,当循环显示频率较高时,利用人眼的暂留特性,看不出闪烁显示现象,这种显示需要一个接口完成字形码的输出(字形选择),另一接口完成各数码管的轮流点亮(数位选择)。
(2.在进行数码显示的时候,要对显示单元开辟8个显示缓冲区,每个显示缓冲区装有显示的不同数据即可。
(3.对于显示的字形码数据我们采用查表方法来完成。
5.程序框图图4.13.26.汇编源程序ORG 00HSTART: JB P1.7,DIR1MOV DPTR,#TABLE1SJMP DIRDIR1: MOV DPTR,#TABLE2DIR: MOV R0,#00HMOV R1,#01HNEXT: MOV A,R0MOVC A,@A+DPTRMOV P0,AMOV A,R1MOV P2,ALCALL DAYINC R0RL AMOV R1,ACJNE R1,#0DFH,NEXTSJMP STARTDAY: MOV R6,#4D1: MOV R7,#248DJNZ R7,$DJNZ R6,D1RETTABLE1: DB 06H,5BH,4FH,66H,6DHTABLE2: DB 78H,79H,38H,38H,3FHEND7. C语言源程序#include <AT89X51.H>unsigned char code table1[]={0x06,0x5b,0x4f,0x66,0x6d}; unsigned char code table2[]={0x78,0x79,0x38,0x38,0x3f}; unsigned char i;unsigned char a,b;unsigned char temp;void main(void){while(1){temp=0xfe;for(i=0;i<5;i++){if(P1_7==1){P0=table1[i];}else{P0=table2[i];}P2=temp;a=temp<<(i+1);b=temp>>(7-i);temp=a|b;for(a=4;a>0;a--)for(b=248;b>0;b--);}}}14.4×4矩阵式键盘识别技术1.实验任务如图4.14.2所示,用AT89S51的并行口P1接4×4矩阵键盘,以P1.0-P1.3作输入线,以P1.4-P1.7作输出线;在数码管上显示每个按键的“0-F”序号。
目录实例3:用单片机控制第一个灯亮 ................................. 实例4:用单片机控制一个灯闪烁:认识单片机的工作频率........... 实例5:将 P1口状态分别送入P0、P2、P3口:认识I/O口的引脚功能.实例6:使用P3口流水点亮8位LED ............................... 实例7:通过对P3口地址的操作流水点亮8位LED ................... 实例8:用不同数据类型控制灯闪烁时间........................... 实例9:用P0口、P1 口分别显示加法和减法运算结果............... 实例10:用P0、P1口显示乘法运算结果........................... 实例11:用P1、P0口显示除法运算结果........................... 实例12:用自增运算控制P0口8位LED流水花样................... 实例13:用P0口显示逻辑"与"运算结果........................... 实例14:用P0口显示条件运算结果 ............................... 实例15:用P0口显示按位"异或"运算结果......................... 实例16:用P0显示左移运算结果 ................................. 实例17:"万能逻辑电路"实验 .................................... 实例18:用右移运算流水点亮P1口8位LED ........................ 实例19:用if语句控制P0口8位LED的流水方向.................. 实例20:用swtich语句的控制P0口8位LED的点亮状态............ 实例21:用for语句控制蜂鸣器鸣笛次数.......................... 实例22:用while语句控制LED ................................... 实例23:用do-while语句控制P0口8位LED流水点亮..............实例24:用字符型数组控制P0口8位LED流水点亮................. 实例25:用P0口显示字符串常量 ................................ 实例26:用P0 口显示指针运算结果............................... 实例27:用指针数组控制P0口8位LED流水点亮................... 实例28:用数组的指针控制P0 口8 位LED流水点亮................ 实例29:用P0 、P1口显示整型函数返回值 ........................ 实例30:用有参函数控制P0口8位LED流水速度................... 实例31:用数组作函数参数控制流水花样.......................... 实例32:用指针作函数参数控制P0口8位LED流水点亮............. 实例33:用函数型指针控制P1口灯花样........................... 实例34:用指针数组作为函数的参数显示多个字符串................ 实例35:字符函数ctype.h应用举例 .............................. 实例36:内部函数intrins.h应用举例............................ 实例37:标准函数stdlib.h应用举例............................. 实例38:字符串函数string.h应用举例........................... 实例39:宏定义应用举例2 ....................................... 实例40:宏定义应用举例2 ....................................... 实例41:宏定义应用举例3 ....................................... 实例42:用定时器T0查询方式P2口8位控制LED闪烁.............. 实例43:用定时器T1查询方式控制单片机发出1KHz音频............ 实例44:将计数器T0计数的结果送P1口8位LED显示.............. 实例45:用定时器T0的中断控制1位LED闪烁..................... 实例46:用定时器T0的中断实现长时间定时.......................实例47:用定时器T1中断控制两个LED以不同周期闪烁............. 实例48:用计数器T1的中断控制蜂鸣器发出1KHz音频.............. 实例49:用定时器T0的中断实现"渴望"主题曲的播放............... 实例50-1:输出50个矩形脉冲 ................................... 实例50-2:计数器T0统计外部脉冲数............................. 实例51-2:定时器T0的模式2测量正脉冲宽度..................... 实例52:用定时器T0控制输出高低宽度不同的矩形波............... 实例53:用外中断0的中断方式进行数据采集...................... 实例54-1:输出负脉宽为200微秒的方波.......................... 实例54-2:测量负脉冲宽度 ...................................... 实例55:方式0控制流水灯循环点亮 .............................. 实例56-1:数据发送程序 ........................................ 实例56-2:数据接收程序 ........................................ 实例57-1:数据发送程序 ........................................ 实例57-2:数据接收程序 ........................................ 实例58:单片机向PC发送数据 ................................... 实例59:单片机接收PC发出的数据............................... 实例60:用LED数码显示数字5 ................................... 实例61:用LED数码显示器循环显示数字0~9 ....................... 实例62:用数码管慢速动态扫描显示数字"1234" .................... 实例63:用LED数码显示器伪静态显示数字1234 .................... 实例64:用数码管显示动态检测结果 .............................. 实例65:数码秒表设计 ..........................................实例66:数码时钟设计 .......................................... 实例67:用LED数码管显示计数器T0的计数值..................... 实例68:静态显示数字“59” .................................... 实例69:无软件消抖的独立式键盘输入实验 ........................ 实例70:软件消抖的独立式键盘输入实验.......................... 实例71:CPU控制的独立式键盘扫描实验........................... 实例72:定时器中断控制的独立式键盘扫描实验.................... 实例73:独立式键盘控制的4级变速流水灯 ........................ 实例74:独立式键盘的按键功能扩展:"以一当四" .................. 实例75:独立式键盘调时的数码时钟实验.......................... 实例76:独立式键盘控制步进电机实验............................ 实例77:矩阵式键盘按键值的数码管显示实验...................... 实例78:矩阵式键盘按键音 ...................................... 实例79:简易电子琴 ............................................ 实例80:矩阵式键盘实现的电子密码锁............................ 实例81:用LCD显示字符'A' ..................................... 实例82:用LCD循环右移显示"Welcome to China" .................. 实例83:用LCD显示适时检测结果 ................................ 实例84:液晶时钟设计 .......................................... 实例85:将数据"0x0f"写入AT24C02再读出送P1口显示............. 实例86:将按键次数写入AT24C02,再读出并用1602LCD显示......... 实例87:对I2C总线上挂接多个AT24C02的读写操作................ 实例88:基于AT24C02的多机通信读取程序......................实例88:基于AT24C02的多机通信写入程序....................... 实例90:DS18B20温度检测及其液晶显示........................... 实例91:将数据"0xaa"写入X5045再读出送P1口显示............... 实例92:将流水灯控制码写入X5045并读出送P1口显示............. 实例93:对SPI总线上挂接多个X5045的读写操作.................. 实例94:基于ADC0832的数字电压表 .............................. 实例95:用DAC0832产生锯齿波电压 .............................. 实例96:用P1口显示红外遥控器的按键值......................... 实例97:用红外遥控器控制继电器 ................................ 实例98:基于DS1302的日历时钟 ................................. 实例99:单片机数据发送程序 .................................... 实例100:电机转速表设计 ....................................... 模拟霍尔脉冲................................................... /*函数的使用和熟悉*///实例3:用单片机控制第一个灯亮#include<reg51.h> //包含51单片机寄存器定义的头文件void main(void){while(1) //无限循环P1=0xfe; //P1=1111 1110B,即P1.0输出低电平}//实例4:用单片机控制一个灯闪烁:认识单片机的工作频率#include<reg51.h> //包含单片机寄存器的头文件/****************************************函数功能:延时一段时间*****************************************/void delay(void) //两个void意思分别为无需返回值,没有参数传递{unsigned int i; //定义无符号整数,最大取值范围65535for(i=0;i<20000;i++) //做20000次空循环; //什么也不做,等待一个机器周期}/*******************************************************函数功能:主函数(C语言规定必须有也只能有1个主函数)********************************************************/void main(void){while(1) //无限循环{P1=0xfe; //P1=1111 1110B, P1.0输出低电平delay(); //延时一段时间P1=0xff; //P1=1111 1111B, P1.0输出高电平delay(); //延时一段时间}}//实例5:将 P1口状态分别送入P0、P2、P3口:认识I/O口的引脚功能#include<reg51.h> //包含单片机寄存器的头文件/******************************************************* 函数功能:主函数(C语言规定必须有也只能有1个主函数)********************************************************/ void main(void){while(1) //无限循环{P1=0xff; // P1=1111 1111, 熄灭LEDP0=P1; // 将 P1口状态送入P0口P2=P1; // 将 P1口状态送入P2口P3=P1; // 将 P1口状态送入P3口}}//实例6:使用P3口流水点亮8位LED#include<reg51.h> //包含单片机寄存器的头文件/****************************************函数功能:延时一段时间*****************************************/void delay(void){unsigned char i,j;for(i=0;i<250;i++)for(j=0;j<250;j++);}/******************************************************* 函数功能:主函数********************************************************/ void main(void){while(1){P3=0xfe; //第一个灯亮delay(); //调用延时函数P3=0xfd; //第二个灯亮delay(); //调用延时函数P3=0xfb; //第三个灯亮delay(); //调用延时函数P3=0xf7; //第四个灯亮delay(); //调用延时函数P3=0xef; //第五个灯亮delay(); //调用延时函数P3=0xdf; //第六个灯亮delay(); //调用延时函数P3=0xbf; //第七个灯亮delay(); //调用延时函数P3=0x7f; //第八个灯亮delay(); //调用延时函数}}//实例7:通过对P3口地址的操作流水点亮8位LED#include<reg51.h> //包含单片机寄存器的头文件sfr x=0xb0; //P3口在存储器中的地址是b0H,通过sfr可定义8051内核单片机 //的所有内部8位特殊功能寄存器,对地址x的操作也就是对P1口的操作/****************************************函数功能:延时一段时间*****************************************/void delay(void){unsigned char i,j;for(i=0;i<250;i++)for(j=0;j<250;j++); //利用循环等待若干机器周期,从而延时一段时间}/*****************************************函数功能:主函数******************************************/void main(void){while(1){x=0xfe; //第一个灯亮delay(); //调用延时函数x=0xfd; //第二个灯亮delay(); //调用延时函数x=0xfb; //第三个灯亮delay(); //调用延时函数x=0xf7; //第四个灯亮delay(); //调用延时函数x=0xef; //第五个灯亮delay(); //调用延时函数x=0xdf; //第六个灯亮delay(); //调用延时函数x=0xbf; //第七个灯亮delay(); //调用延时函数x=0x7f; //第八个灯亮delay(); //调用延时函数}}//实例8:用不同数据类型控制灯闪烁时间#include<reg51.h> //包含单片机寄存器的头文件/******************************************************函数功能:用整形数据延时一段时间******************************************************/void int_delay(void) //延时一段较长的时间{unsigned int m; //定义无符号整形变量,双字节数据,值域为0~65535 for(m=0;m<36000;m++); //空操作}/******************************************************函数功能:用字符型数据延时一段时间******************************************************/void char_delay(void) //延时一段较短的时间{unsigned char i,j; //定义无符号字符型变量,单字节数据,值域0~255 for(i=0;i<200;i++)for(j=0;j<180;j++); //空操作}/******************************************************函数功能:主函数******************************************************/{unsigned char i;while(1){for(i=0;i<3;i++){P1=0xfe; //P1.0口的灯点亮int_delay(); //延时一段较长的时间P1=0xff; //熄灭int_delay(); //延时一段较长的时间}for(i=0;i<3;i++){P1=0xef; //P1.4口的灯点亮char_delay(); //延时一段较长的时间P1=0xff; //熄灭char_delay(); //延时一段较长的时间}}}//实例9:用P0口、P1口分别显示加法和减法运算结果#include<reg51.h>{unsigned char m,n;m=43; //即十进制数2x16+11=43n=60; //即十进制数3x16+12=60P1=m+n; //P1=103=0110 0111,结果P1.3、P1.4、P1.7 口的灯被点亮P0=n-m; //P0=17=0001 0001,结果P0.0、P0.4的灯被熄灭}//实例10:用P0、P1口显示乘法运算结果#include<reg51.h> //包含单片机寄存器的头文件void main(void){unsigned char m,n;unsigned int s;m=64;n=71;s=m*n; //s=64*71=4544,需要16位二进制数表示,高8位送P1口,低8位送P0口//由于4544=17*256+192=H3*16*16*16+H2*16*16+H1*16+H0 //两边同除以256,可得17+192/256=H3*16+H2+(H1*16+H0)/256//因此,高8位16进制数H3*16+H2必然等于17,即4544除以256的商//低8位16进制数H1*16+H0必然等于192,即4544除以256的余数P1=s/256; //高8位送P1口,P1=17=11H=0001 0001B, P1.0和P1.4口灭,其余亮P0=s%256; //低8位送P0口 , P3=192=c0H=1100 0000B,P3.1,P3.6,P3.7口灭,其余亮}//实例11:用P1、P0口显示除法运算结果#include<reg51.h> //包含单片机寄存器的头文件void main(void){P1=36/5; //求整数P0=((36%5)*10)/5; //求小数while(1); //无限循环防止程序“跑飞”}//实例12:用自增运算控制P0口8位LED流水花样#include<reg51.h> //包含单片机寄存器的头文件/******************************************************函数功能:延时一段时间******************************************************/void delay(void){unsigned int i;for(i=0;i<20000;i++);}/****************************************************** 函数功能:主函数******************************************************/ void main(void){unsigned char i;for(i=0;i<255;i++) //注意i的值不能超过255{P0=i; //将i的值送P0口delay(); //调用延时函数}}//实例13:用P0口显示逻辑"与"运算结果#include<reg51.h> //包含单片机寄存器的头文件void main(void){P0=(4>0)&&(9>0xab);//将逻辑运算结果送P0口while(1); //设置无限循环,防止程序“跑飞”}//实例14:用P0口显示条件运算结果#include<reg51.h> //包含单片机寄存器的头文件void main(void){P0=(8>4)?8:4;//将条件运算结果送P0口,P0=8=0000 1000B while(1); //设置无限循环,防止程序“跑飞”}//实例15:用P0口显示按位"异或"运算结果#include<reg51.h> //包含单片机寄存器的头文件void main(void){P0=0xa2^0x3c;//将条件运算结果送P0口,P0=8=0000 1000B while(1); //设置无限循环,防止程序“跑飞”}//实例16:用P0显示左移运算结果#include<reg51.h> //包含单片机寄存器的头文件void main(void){P0=0x3b<<2; //将左移运算结果送P0口,P0=1110 1100B=0xec while(1); //无限循环,防止程序“跑飞”}//实例17:"万能逻辑电路"实验#include<reg51.h> //包含单片机寄存器的头文件sbit F=P1^4; //将F位定义为 P1.4sbit X=P1^5; //将X位定义为 P1.5sbit Y=P1^6; //将Y位定义为 P1.6sbit Z=P1^7; //将Z位定义为 P1.7void main(void){while(1){F=((~X)&Y)|Z; //将逻辑运算结果赋给F ;}}//实例18:用右移运算流水点亮P1口8位LED#include<reg51.h> //包含单片机寄存器的头文件/*****************************函数功能:延时一段时间*****************************/void delay(void){unsigned int n;for(n=0;n<30000;n++);}/*****************************函数功能:主函数*****************************/void main(void){unsigned char i;while(1){P1=0xff;delay();for(i=0;i<8;i++)//设置循环次数为8{P1=P1>>1; //每次循环P1的各二进位右移1位,高位补0 delay(); //调用延时函数}}}//实例19:用if语句控制P0口8位LED的流水方向#include<reg51.h> //包含单片机寄存器的头文件sbit S1=P1^4; //将S1位定义为P1.4sbit S2=P1^5; //将S2位定义为P1.5/*****************************函数功能:主函数*****************************/void main(void){while(1){if(S1==0) //如果按键S1按下P0=0x0f; //P0口高四位LED点亮if(S2==0) //如果按键S2按下P0=0xf0; //P0口低四位LED点亮}}//实例20:用swtich语句的控制P0口8位LED的点亮状态#include<reg51.h> //包含单片机寄存器的头文件sbit S1=P1^4; //将S1位定义为P1.4/*****************************函数功能:延时一段时间*****************************/void delay(void){unsigned int n;for(n=0;n<10000;n++);}/*****************************函数功能:主函数*****************************/void main(void){unsigned char i;i=0; //将i初始化为0while(1){if(S1==0) //如果S1键按下{delay(); //延时一段时间if(S1==0) //如果再次检测到S1键按下i++; //i自增1if(i==9) //如果i=9,重新将其置为1i=1;}switch(i) //使用多分支选择语句{case 1: P0=0xfe; //第一个LED亮break;case 2: P0=0xfd; //第二个LED亮break;case 3:P0=0xfb; //第三个LED亮break;case 4:P0=0xf7; //第四个LED亮break;case 5:P0=0xef; //第五个LED亮break;case 6:P0=0xdf; //第六个LED亮break;case 7:P0=0xbf; //第七个LED亮break;case 8:P0=0x7f; //第八个LED亮break;default: //缺省值,关闭所有LEDP0=0xff;}}}//实例21:用for语句控制蜂鸣器鸣笛次数sbit sound=P3^7; //将sound位定义为P3.7 /**************************************** 函数功能:延时形成1600Hz音频****************************************/ void delay1600(void){unsigned char n;for(n=0;n<100;n++);}/**************************************** 函数功能:延时形成800Hz音频****************************************/ void delay800(void){unsigned char n;for(n=0;n<200;n++);}/**************************************** 函数功能:主函数****************************************/{unsigned int i;while(1){for(i=0;i<830;i++){sound=0; //P3.7输出低电平delay1600();sound=1; //P3.7输出高电平delay1600();}for(i=0;i<200;i++){sound=0; //P3.7输出低电平delay800();sound=1; //P3.7输出高电平delay800();}}}//实例22:用while语句控制LED#include<reg51.h> //包含单片机寄存器的头文件函数功能:延时约60ms (3*100*200=60000μs)****************************************/void delay60ms(void){unsigned char m,n;for(m=0;m<100;m++)for(n=0;n<200;n++);}/****************************************函数功能:主函数****************************************/void main(void){unsigned char i;while(1) //无限循环{i=0; //将i初始化为0while(i<0xff) //当i小于0xff(255)时执行循环体{P0=i; //将i送P0口显示delay60ms(); //延时}}}//实例23:用do-while语句控制P0口8位LED流水点亮#include<reg51.h> //包含单片机寄存器的头文件/****************************************函数功能:延时约60ms (3*100*200=60000μs)****************************************/void delay60ms(void){unsigned char m,n;for(m=0;m<100;m++)for(n=0;n<200;n++);}/****************************************函数功能:主函数****************************************/void main(void){do{P0=0xfd; //第二个LED亮delay60ms();P0=0xfb; //第三个LED亮delay60ms();P0=0xf7; //第四个LED亮delay60ms();P0=0xef; //第五个LED亮delay60ms();P0=0xdf; //第六个LED亮delay60ms();delay60ms();P0=0xbf; //第七个LED亮delay60ms();P0=0x7f; //第八个LED亮delay60ms();}while(1); //无限循环,使8位LED循环流水点亮}//实例24:用字符型数组控制P0口8位LED流水点亮#include<reg51.h> //包含单片机寄存器的头文件/****************************************函数功能:延时约60ms (3*100*200=60000μs){unsigned char m,n;for(m=0;m<100;m++)for(n=0;n<200;n++);}/****************************************函数功能:主函数****************************************/void main(void){unsigned char i;unsigned char code Tab[ ]={0xfe,0xfd,0xfb,0xf7,0xef,0xdf,0xbf,0x7f}; //定义无符号字符型数组while(1){for(i=0;i<8;i++){P0=Tab[i];//依次引用数组元素,并将其送P0口显示delay60ms();//调用延时函数}}//实例25:用P0口显示字符串常量#include<reg51.h> //包含单片机寄存器的头文件/*************************************************函数功能:延时约150ms (3*200*250=150 000μs=150ms*************************************************/void delay150ms(void){unsigned char m,n;for(m=0;m<200;m++)for(n=0;n<250;n++);}/*************************************************函数功能:主函数*************************************************/void main(void){unsigned char str[]={"Now,Temperature is :"}; //将字符串赋给字符型全部元素赋值unsigned char i;while(1)i=0; //将i初始化为0,从第一个元素开始显示while(str[i]!='\0') //只要没有显示到结束标志'\0'{P0=str[i]; //将第i个字符送到P0口显示delay150ms(); //调用150ms延时函数i++; //指向下一个待显字符}}}//实例26:用P0 口显示指针运算结果#include<reg51.h>void main(void){unsigned char *p1,*p2; //定义无符号字符型指针变量p1,p2unsigned char i,j; //定义无符号字符型数据i=25; //给i赋初值25j=15;p1=&i; //使指针变量指向i ,对指针初始化p2=&j; //使指针变量指向j ,对指针初始化P0=*p1+*p2; //*p1+*p2相当于i+j,所以P0=25+15=40=0x28//则P0=0010 1000B,结果P0.3、P0.5引脚LED熄灭,其余点亮 while(1)}//实例27:用指针数组控制P0口8位LED流水点亮#include<reg51.h>/*************************************************函数功能:延时约150ms (3*200*250=150 000μs=150ms*************************************************/void delay150ms(void){unsigned char m,n;for(m=0;m<200;m++)for(n=0;n<250;n++);}/*************************************************函数功能:主函数*************************************************/void main(void){unsigned char code Tab[]={0xfe,0xfd,0xfb,0xf7,0xef,0xdf,0xbf,0x7f}; unsigned char *p[ ]={&Tab[0],&Tab[1],&Tab[2],&Tab[3],&Tab[4],&Tab[5], &Tab[6],&Tab[7]};unsigned char i; //定义无符号字符型数据{for(i=0;i<8;i++){P0=*p[i];delay150ms();}}}//实例28:用数组的指针控制P0 口8 位LED流水点亮#include<reg51.h>/************************************************* 函数功能:延时约150ms (3*200*250=150 000μs=150ms *************************************************/ void delay150ms(void){unsigned char m,n;for(m=0;m<200;m++)for(n=0;n<250;n++);}/************************************************* 函数功能:主函数void main(void){unsigned char i;unsigned char Tab[ ]={0xFF,0xFE,0xFD,0xFB,0xF7,0xEF,0xDF,0xBF,0x7F,0xBF,0xDF,0xEF,0xF7,0xFB,0xFD,0xFE,0xFE,0xFC,0xFB,0xF0,0xE0,0xC0,0x80,0x00,0xE7,0xDB,0xBD,0x7E,0x3C,0x18,0x00,0x81,0xC3,0xE7,0x7E,0xBD,0xDB,0xE7,0xBD,0xDB};//流水灯控制码unsigned char *p; //定义无符号字符型指针p=Tab; //将数组首地址存入指针pwhile(1){for(i=0;i<32;i++) //共32个流水灯控制码{P0=*(p+i); //*(p+i)的值等于a[i]delay150ms(); //调用150ms延时函数}}}//实例29:用P0 、P1口显示整型函数返回值#include<reg51.h>函数功能:计算两个无符号整数的和*************************************************/ unsigned int sum(int a,int b){unsigned int s;s=a+b;return (s);}/************************************************* 函数功能:主函数*************************************************/ void main(void){unsigned z;z=sum(2008,2009);P1=z/256; //取得z的高8位P0=z%256; //取得z的低8位while(1);}//实例30:用有参函数控制P0口8位LED流水速度#include<reg51.h>函数功能:延时一段时间*************************************************/void delay(unsigned char x){unsigned char m,n;for(m=0;m<x;m++)for(n=0;n<200;n++);}/*************************************************函数功能:主函数*************************************************/void main(void){unsigned char i;unsigned char code Tab[ ]={0xFE,0xFD,0xFB,0xF7,0xEF,0xDF,0xBF,0x7F};//流水灯控制码while(1){//快速流水点亮LEDfor(i=0;i<8;i++) //共8个流水灯控制码{delay(100); //延时约60ms, (3*100*200=60 000μs) }//慢速流水点亮LEDfor(i=0;i<8;i++) //共8个流水灯控制码{P0=Tab[i];delay(250); //延时约150ms, (3*250*200=150 000μs) }}}//实例31:用数组作函数参数控制流水花样#include<reg51.h>/*************************************************函数功能:延时约150ms*************************************************/void delay(void){unsigned char m,n;for(m=0;m<200;m++)for(n=0;n<250;n++);}函数功能:流水点亮P0口8位LED*************************************************/void led_flow(unsigned char a[8]){unsigned char i;for(i=0;i<8;i++){P0=a[i];delay();}}/*************************************************函数功能:主函数*************************************************/void main(void){unsigned char code Tab[ ]={0xFE,0xFD,0xFB,0xF7,0xEF,0xDF,0xBF,0x7F};//流水灯控制码led_flow(Tab);}//实例32:用指针作函数参数控制P0口8位LED流水点亮#include<reg51.h>函数功能:延时约150ms*************************************************/void delay(void){unsigned char m,n;for(m=0;m<200;m++)for(n=0;n<250;n++);}/*************************************************函数功能:流水点亮P0口8位LED*************************************************/void led_flow(unsigned char *p) //形参为无符号字符型指针{unsigned char i;while(1){i=0; //将i置为0,指向数组第一个元素while(*(p+i)!='\0') //只要没有指向数组的结束标志{P0=*(p+i);// 取的指针所指变量(数组元素)的值,送P0口 delay(); //调用延时函数}}}/*************************************************函数功能:主函数*************************************************/void main(void){unsigned char code Tab[ ]={0xFE,0xFD,0xFB,0xF7,0xEF,0xDF,0xBF,0x7F, 0x7F,0xBF,0xDF,0xEF,0xF7,0xFB,0xFD,0xFE,0xFF,0xFE,0xFC,0xFB,0xF0,0xE0,0xC0,0x80,0x00,0xE7,0xDB,0xBD,0x7E,0xFF,0xFF,0x3C,0x18,0x0,0x81,0xC3,0xE7,0xFF, 0xFF,0x7E};//流水灯控制码unsigned char *pointer;pointer=Tab;led_flow(pointer);}//实例33:用函数型指针控制P1口灯花样#include<reg51.h> //包含51单片机寄存器定义的头文件unsigned char code Tab[]={0xFE,0xFD,0xFB,0xF7,0xEF,0xDF,0xBF,0x7F};//流水灯控制码,该数组被定义为全局变量函数功能:延时约150ms**************************************************************/ void delay(void){unsigned char m,n;for(m=0;m<200;m++)for(n=0;n<250;n++);}/************************************************************** 函数功能:流水灯左移**************************************************************/ void led_flow(void){unsigned char i;for(i=0;i<8;i++) //8位控制码{P0=Tab[i];delay();}}/****************************************************************************************************************************/void main(void){void (*p)(void); //定义函数型指针,所指函数无参数,无返回值p=led_flow; //将函数的入口地址赋给函数型指针pwhile(1)(*p)(); //通过函数的指针p调用函数led_flow()}//实例34:用指针数组作为函数的参数显示多个字符串#include<reg51.h> //包含51单片机寄存器定义的头文件unsigned char code str1[ ]="Temperature is tested by DS18B20";//C语言中,字符串是作为字符数组来处理的unsigned char code str2[ ]="Now temperature is:"; //所以,字符串的名字就是字符串的首地址unsigned char code str3[ ]="The Systerm is designed by Zhang San"; unsigned char code str4[ ]="The date is 2008-9-30";unsigned char *p[ ]={str1,str2,str3,str4}; //定义p[4]为指向4个字符串的字符型指针数组/**************************************************************函数功能:延时约150ms**************************************************************/void delay(void)unsigned char m,n;for(m=0;m<200;m++)for(n=0;n<250;n++);}/**************************************************************函数功能:流水点亮P0口8位LED**************************************************************/void led_display(unsigned char *x[ ]) //形参必须为指针数组{unsigned char i,j;for(i=0;i<4;i++) //有4个字符串要显示{j=0; //指向待显字符串的第0号元素while(*(x[i]+j)!='\0') //只要第i个字符串的第j号元素不是结束标志 {P0=*(x[i]+j); //取得该元素值送到P0口显示delay(); //调用延时函数j++; //指向下一个元素}}}/**************************************************************函数功能:主函数**************************************************************/void main(void){unsigned char i;while(1){for(i=0;i<4;i++)led_display(p); //将指针数组名作实际参数传递}}//实例35:字符函数ctype.h应用举例#include<reg51.h> //包含51单片机寄存器定义的头文件#include<ctype.h>void main(void){while(1){P3=isalpha('_')?0xf0:0x0f;//条件运算,若'_'是英文字母,P3=0xf0 }}//实例36:内部函数intrins.h应用举例#include<reg51.h> //包含51单片机寄存器定义的头文件#include<intrins.h> //包含函数isalpha()声明的头文件/*************************************************函数功能:延时约150ms*************************************************/void delay(void){unsigned char m,n;for(m=0;m<200;m++)for(n=0;n<250;n++);}/*************************************************函数功能:主函数*************************************************/void main(void){P3=0xfe; //P3=1111 1110Bwhile(1){P3=_crol_(P3,1);// 将P3的二进制位循环左移1位后再赋给P3 delay(); //调用延时函数}}//实例37:标准函数stdlib.h应用举例#include<reg51.h> //包含51单片机寄存器定义的头文件#include<stdlib.h> //包含函数isalpha()声明的头文件/*************************************************函数功能:延时约150ms*************************************************/ void delay(void){unsigned char m,n;for(m=0;m<200;m++)for(n=0;n<250;n++);}/*************************************************函数功能:主函数*************************************************/ void main(void){unsigned char i;while(1){for(i=0;i<10;i++) //产生10个随机数{P3=rand()/160; //将产生的随机数缩小160倍后送P3显示delay();}}}//实例38:字符串函数string.h应用举例#include<reg51.h> //包含51单片机寄存器定义的头文件#include<string.h> //包含函数isalpha()声明的头文件void main(void){unsigned char str1[ ]="Now, The temperature is :";unsigned char str2[ ]="Now, The temperature is 36 Centgrade:"; unsigned char i;i=strcmp(str1,str2); //比较两个字符串,并将结果存入iif(i==0) //str1=str2P3=0x00;elseif(i<0) //str1<str2P3=0xf0;else //str1>str2P3=0x0f;while(1); //防止程序“跑飞”}//实例39:宏定义应用举例2#include<reg51.h> //包含51单片机寄存器定义的头文件# define F(a,b) (a)+(a)*(b)/256+(b) //带参数的宏定义,a和b为形参void main(void){unsigned char i,j,k;i=40;j=30;k=20;P3=F(i,j+k); //i和j+k分别为实参,宏展开时,实参将替代宏定义中的形参while(1);}//实例40:宏定义应用举例2#include<AT89X51.h>#include<ctype.h>void main(void){P3_0=0; //将P3.0引脚置低电平,LED点亮P3_1=0; //将P3.0引脚置低电平,LED点亮P3_2=0; //将P3.0引脚置低电平,LED点亮P3_3=0; //将P3.0引脚置低电平,LED点亮P3_4=1; //将P3.4引脚置高电平,LED熄灭P3_5=1; //将P3.5引脚置高电平,LED熄灭P3_6=1; //将P3.7引脚置高电平,LED熄灭P3_7=1; //将P3.7引脚置高电平,LED熄灭while(1);}//实例41:宏定义应用举例3#include<reg51.h> //包含51单片机寄存器定义的头文件#define MAX 100 //将MAX宏定义为字符串100void main(void){#if MAX>80 //如果字符串100大于80P3=0xf0; //P3口低四位LED点亮#elseP3=0x0f; //否则,P3口高四位LED点亮#endif //结束本次编译}/*中断、定时器*///实例42:用定时器T0查询方式P2口8位控制LED闪烁#include<reg51.h> // 包含51单片机寄存器定义的头文件/**************************************************************函数功能:主函数**************************************************************/ void main(void){// EA=1; //开总中断// ET0=1; //定时器T0中断允许TMOD=0x01; //使用定时器T0的模式1TH0=(65536-46083)/256; //定时器T0的高8位赋初值TL0=(65536-46083)%256; //定时器T0的高8位赋初值TR0=1; //启动定时器T0TF0=0;P2=0xff;while(1)//无限循环等待查询{while(TF0==0);TF0=0;P2=~P2;TH0=(65536-46083)/256; //定时器T0的高8位赋初值 TL0=(65536-46083)%256; //定时器T0的高8位赋初值}}//实例43:用定时器T1查询方式控制单片机发出1KHz音频#include<reg51.h> // 包含51单片机寄存器定义的头文件sbit sound=P3^7; //将sound位定义为P3.7引脚/************************************************************** 函数功能:主函数**************************************************************/ void main(void){// EA=1; //开总中断// ET0=1; //定时器T0中断允许TMOD=0x10; //使用定时器T1的模式1TH1=(65536-921)/256; //定时器T1的高8位赋初值TL1=(65536-921)%256; //定时器T1的高8位赋初值TR1=1; //启动定时器T1TF1=0;while(1)//无限循环等待查询{while(TF1==0);TF1=0;sound=~sound; //将P3.7引脚输出电平取反TH1=(65536-921)/256; //定时器T0的高8位赋初值 TL1=(65536-921)%256; //定时器T0的高8位赋初值}。
1.闪烁灯1.实验任务如图4.1.1所示:在端口上接一个发光二极管L1,使L1在不停地一亮一灭,一亮一灭的时间间隔为秒。
2.电路原理图图4.1.13.系统板上硬件连线把“单片机系统”区域中的端口用导线连接到“八路发光二极管指示模块”区域中的L1端口上。
4.程序设计内容(1).延时程序的设计方法作为单片机的指令的执行的时间是很短,数量大微秒级,因此,我们要求的闪烁时间间隔为秒,相对于微秒来说,相差太大,所以我们在执行某一指令时,插入延时程序,来达到我们的要求,但这样的延时程序是如何设计呢?下面具体介绍其原理:如图4.1.1所示的石英晶体为12MHz,因此,1个机器周期为1微秒机器周期微秒MOV R6,#20 2个 2D1: MOV R7,#248 2个 2 2+2×248=498 20× DJNZ R7,$ 2个2×248 (498DJNZ R6,D1 2个2×20=40 10002 因此,上面的延时程序时间为。
由以上可知,当R6=10、R7=248时,延时5ms,R6=20、R7=248时,延时10ms,以此为基本的计时单位。
如本实验要求秒=200ms,10ms×R5=200ms,则R5=20,延时子程序如下:DELAY: MOV R5,#20D1: MOV R6,#20D2: MOV R7,#248DJNZ R7,$DJNZ R6,D2DJNZ R5,D1RET(2).输出控制如图1所示,当端口输出高电平,即=1时,根据发光二极管的单向导电性可知,这时发光二极管L1熄灭;当端口输出低电平,即=0时,发光二极管L1亮;我们可以使用SETB 指令使端口输出高电平,使用CLR 指令使端口输出低电平。
5.程序框图如图4.1.2所示图4.1.26.汇编源程序ORG 0START: CLRLCALL DELAYSETBLCALL DELAYLJMP STARTDELAY: MOV R5,#20 ;延时子程序,延时秒D1: MOV R6,#20D2: MOV R7,#248DJNZ R7,$DJNZ R6,D2DJNZ R5,D1RETEND7. C语言源程序#include <>sbit L1=P1^0;void delay02s(void) 4.2.14.2.14.2.24.3.14.3.1 4.3.20F0F4.4.14.4.14.4.24.5.14.5.20F0F0F0F7f7f7f7f4.6.14.6.2实验任务如图13所示,利用AT89S51单片机的P0端口的-连接到一个共阴数码管的a-h的笔段上,数码管的公共端接地。
在数码管上循环显示0-9数字,时间间隔秒。
2. 电路原理图图4.7.13. 系统板上硬件连线把“单片机系统”区域中的AD0-AD7端口用8芯排线连接到“四路静态数码显示模块”区域中的任一个数码管的a-h端口上;要求:AD0与a相连,AD1与b相连,AD2与c相连,……,AD7与h相连。
4. 程序设计内容(1. LED数码显示原理七段LED显示器内部由七个条形发光二极管和一个小圆点发光二极管组成,根据各管的极管的接线形式,可分成共阴极型和共阳极型。
LED数码管的g~a七个发光二极管因加正电压而发亮,因加零电压而不以发亮,不同亮暗的组合就能形成不同的字形,这种组合称之为字形码,下面给出共阴极的字形码见表2(2.由于显示的数字0-9的字形码没有规律可循,只能采用查表的方式来完成我们所需的要求了。
这样我们按着数字0-9的顺序,把每个数字的笔段代码按顺序排好!建立的表格如下所示:TABLE DB 3FH,06H,5BH,4FH,66H,6DH,7DH,07H,7FH,6FH5.程序框图图4.7.26.汇编源程序ORG 0START: MOV R1,#00HNEXT: MOV A,R1MOV DPTR,#TABLEMOVC A,@A+DPTRMOV P0,ALCALL DELAYINC R1CJNE R1,#10,NEXTLJMP STARTDELAY: MOV R5,#20D2: MOV R6,#20D1: MOV R7,#248DJNZ R7,$DJNZ R6,D1DJNZ R5,D2RETTABLE: DB 3FH,06H,5BH,4FH,66H,6DH,7DH,07H,7FH,6FHEND7. C语言源程序#include <>unsigned char code table[]={0x3f,0x06,0x5b,0x4f,0x66, 0x6d,0x7d,0x07,0x7f,0x6f};unsigned char dispcount;void delay02s(void){unsigned char i,j,k;for(i=20;i>0;i--)for(j=20;j>0;j--)for(k=248;k>0;k--);}void main(void){while(1){for(dispcount=0;dispcount<10;dispcount++){P0=table[dispcount];delay02s(); }}}8.按键识别方法之一1.实验任务每按下一次开关SP1,计数值加1,通过AT89S51单片机的P1端口的到显示出其的二进制计数值。
2.电路原理图图4.8.13.系统板上硬件连线(1.把“单片机系统”区域中的RD端口连接到“独立式键盘”区域中的SP1端口上;(2.把“单片机系统”区域中的-端口用8芯排线连接到“八路发光二极管指示模块”区域中的“L1-L8”端口上;要求,连接到L1,连接到L2,连接到L3,连接到L4上。
4.程序设计方法(1.其实,作为一个按键从没有按下到按下以及释放是一个完整的过程,也就是说,当我们按下一个按键时,总希望某个命令只执行一次,而在按键按下的过程中,不要有干扰进来,因为,在按下的过程中,一旦有干扰过来,可能造成误触发过程,这并不是我们所想要的。
因此在按键按下的时候,图4.8.2要把我们手上的干扰信号以及按键的机械接触等干扰信号给滤除掉,一般情况下,我们可以采用电容来滤除掉这些干扰信号,但实际上,会增加硬件成本及硬件电路的体积,这是我们不希望,总得有个办法解决这个问题,因此我们可以采用软件滤波的方法去除这些干扰信号,一般情况下,一个按键按下的时候,总是在按下的时刻存在着一定的干扰信号,按下之后就基本上进入了稳定的状态。
具体的一个按键从按下到释放的全过程的信号图如上图所示:从图中可以看出,我们在程序设计时,从按键被识别按下之后,延时5ms以上,从而避开了干扰信号区域,我们再来检测一次,看按键是否真得已经按下,若真得已经按下,这时肯定输出为低电平,若这时检测到的是高电平,证明刚才是由于干扰信号引起的误触发,CPU就认为是误触发信号而舍弃这次的按键识别过程。
从而提高了系统的可靠性。
由于要求每按下一次,命令被执行一次,直到下一次再按下的时候,再执行一次命令,因此从按键被识别出来之后,我们就可以执行这次的命令,所以要有一个等待按键释放的过程,显然释放的过程,就是使其恢复成高电平状态。
(1.对于按键识别的指令,我们依然选择如下指令JB BIT,REL 指令是用来检测BIT是否为高电平,若BIT=1,则程序转向REL处执行程序,否则就继续向下执行程序。
或者是JNBBIT,REL指令是用来检测BIT是否为低电平,若BIT=0,则程序转向REL处执行程序,否则就继续向下执行程序。
(2.但对程序设计过程中按键识别过程的框图如右图所示:图4.8.35.程序框图图4.8.46.汇编源程序ORG 0START: MOV R1,#00H ;初始化R7为0,表示从0开始计数MOV A,R1 ;CPL A ;取反指令MOV P1,A ;送出P1端口由发光二极管显示REL: JNB ,REL ;判断SP1是否按下LCALL DELAY10MS ;若按下,则延时10ms左右JNB ,REL ;再判断SP1是否真得按下INC R7 ;若真得按下,则进行按键处理,使MOV A,R7 ;计数内容加1,并送出P1端口由CPL A ;发光二极管显示MOV P1,A ;JNB ,$ ;等待SP1释放SJMP REL ;继续对K1按键扫描DELAY10MS: MOV R6,#20 ;延时10ms子程序L1: MOV R7,#248DJNZ R7,$DJNZ R6,L1RETEND7. C语言源程序#include <>unsigned char count;void delay10ms(void) {unsigned char i,j; for(i=20;i>0;i--)for(j=248;j>0;j--); }void main(void){while(1){if(P3_7==0){delay10ms();if(P3_7==0){count++;if(count==16){count=0;}P1=~count; while(P3_7==0); }}}}9.一键多功能按键识别技术1.实验任务如图4.9.1所示,开关SP1接在RD管脚上,在AT89S51单片机的P1端口接有四个发光二极管,上电的时候,L1接在管脚上的发光二极管在闪烁,当每一次按下开关SP1的时候,L2接在管脚上的发光二极管在闪烁,再按下开关SP1的时候,L3接在管脚上的发光二极管在闪烁,再按下开关SP1的时候,L4接在管脚上的发光二极管在闪烁,再按下开关SP1的时候,又轮到L1在闪烁了,如此轮流下去。
2.电路原理图图4.9.13.系统板上硬件连线(1.把“单片机系统”区域中的RD端口连接到“独立式键盘”区域中的SP1端口上;(2.把“单片机系统”区域中的-端口用8芯排线连接到“八路发光二极管指示模块”区域中的“L1-L8”端口上;要求,连接到L1,连接到L2,连接到L3,连接到L4上。
4.程序设计方法(1.设计思想由来在我们生活中,我们很容易通过这个叫张三,那个叫李四,另外一个是王五;那是因为每个人有不同的名子,我们就很快认出,同样,对于要通过一个按键来识别每种不同的功能,我们给每个不同的功能模块用不同的ID号标识,这样,每按下一次按键,ID的值是不相同的,所以单片机就很容易识别不同功能的身份了。
(2.设计方法从上面的要求我们可以看出,L1到L4发光二极管在每个时刻的闪烁的时间是受开关SP1来控制,我们给L1到L4闪烁的时段定义出不同的ID号,当L1在闪烁时,ID=0;当L2在闪烁时,ID=1;当L3在闪烁时,ID=2;当L4在闪烁时,ID=3;很显然,只要每次按下开关K1时,分别给出不同的ID号我们就能够完成上面的任务了。