施工现场砖砌围墙砌筑方案
- 格式:doc
- 大小:18.00 KB
- 文档页数:4
施工现场围墙砌筑方案1施工工艺 测量定位垫层施工砖放脚围墙砌筑检查验收① 测量定位:以给定基点为准,根据基准点放出基础位置线。
标高控制采用皮数杆,测出+0.50m 标高控制线。
② 垫层施工:采用商混C20素混凝土,厚度为10cm 。
控制混凝土的塌落度,禁止直接在混凝土中加水。
③ 砖放脚:基础采用砖砌大放脚基础,基础宽度为370mm ,厚度为一皮砖。
④ 围墙砌筑:1、砌筑高度为2m ,砖墙的转角处和交接处应同时砌筑。
不能同时砌筑处,应砌成斜槎,斜槎长度不应小于高度的2/3。
不得在半砖墙和砖柱等部位中留设脚手眼。
围墙砌砖每天高度不超过1m 。
临时间断处必须砌成斜槎。
2、每隔5m 设置砖柱,砖柱应选用整砖砌筑,砖柱砌筑应保证砖柱外表面上下皮垂直灰缝相互错开1/4砖长,砖柱内部少通缝,为错缝需要加砌配砖,不得采用包心砌法。
⑤ 检查验收:砌筑完后后,质量员检查验收,合格后方可进行下一步工作。
2质量控制点(一)材料①砖:品种、强度等级必须符合设计要求,砖应色泽均匀,边角整齐。
砖应提前1~2天浇水湿润,含水率宜为10~15%。
②水泥:品种及标号应根据砌体部位及所处环境条件选择,一般宜采用32.5号硅酸复合盐水泥。
③砂:用中砂,配制M5以下砂浆所用砂的含泥量不超过10%,M5及其以上砂浆的砂含泥量不超过5%,使用前用5mm 孔径的筛子过筛。
(二)、质量检查标准①拌制砂浆掺加防冻剂,随拌随用。
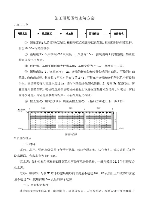
墙体砌筑前,应进行排砖。
根据设计于面图和施工自然地坪490×490砖柱 (间距5m) 自然地坪 围墙立面图放线位置,按照排砖方法,试排满第一皮砖并确认妥当无误后,方可开始砌筑。
②砌体应内外搭砌、上下错缝。
砌筑采用“三一一灌缝”砌砖法,即一铲灰、一块砖、一揉压,再增加一灌缝的动作,以保证竖向灰缝饱满度。
灰缝应横平竖直,宽度一般为10mm,不应小于8mm或大于12mm;砂浆应饱满,水平灰缝的砂浆饱满度不应小于8mm。
砌筑围墙施工方案一、施工前准备工作在进行围墙施工前,需要做好一系列的准备工作,以确保施工的顺利进行。
首先,需要对施工现场进行清理和平整,清除任何障碍物,并确保施工区域的安全。
其次,要根据设计要求和相关规范,准确测量和标记出围墙的位置和高度。
最后,检查所需材料的供应情况,确保材料质量达到要求,并进行必要的拣选和分类。
二、基础建设1.挖掘基坑:根据设计要求,在围墙的基础位置进行挖掘基坑。
基坑的深度和宽度应根据围墙的高度和结构类型进行确定,并注意避开任何地下管线或设施。
2.基础浇筑:在基坑中进行基础的浇筑。
根据设计要求,采用适当的混凝土配合比和施工工艺,确保基础的强度和稳定性。
同时,在基础中埋设钢筋以增强整体结构的承载能力。
三、墙体砌筑1.墙体布局:根据设计图纸和标准要求,进行墙体的布局。
在施工现场搭建临时支撑架和墙线,以确保墙体的垂直和水平度。
2.砌筑材料准备:将所需的砖块和砌筑材料分类并存放在施工现场。
确保材料的质量符合标准,并按需预先处理和清洁。
3.砌筑工艺:根据设计要求和标准规范,按照砌筑工艺进行墙体的砌筑。
采用适量的砂浆将砖块砌筑成整齐、均匀的墙体,并注意处理好门窗洞口等特殊部位。
4.墙体加固:根据需要,在墙体上设置加固筋或加固网,以增强墙体的强度和稳定性。
同时,在墙角和交界处进行加固处理,确保墙体整体坚固可靠。
四、封顶处理1.墙帽设置:在围墙的顶部设置墙帽,以增加围墙的整体美观和稳定性。
墙帽的材料可以根据设计要求和实际情况选择,如石材、水泥制品等。
2.处理接缝:对于围墙的墙体接缝部位,进行必要的处理,以确保接缝的紧密度和美观性。
根据需要,可以采用填缝剂或涂料进行封闭和装饰。
五、施工质量控制1.质量检验:在施工过程中,进行必要的质量检验,确保墙体的垂直度、水平度和强度达到相应标准。
同时进行墙体施工的记录和档案建立。
2.施工安全措施:在围墙施工过程中,严格遵守相关的安全规定和操作规程,确保施工人员和周围环境的安全。
第1篇一、工程概况1. 工程名称:XX项目砖围墙施工2. 工程地点:XX市XX区XX路XX号3. 工程规模:围墙长度为500米,高为2.5米,共需砌筑砖墙5000平方米。
4. 施工周期:预计施工周期为30天。
二、施工准备1. 人员组织(1)项目经理:负责整个工程的施工管理和协调。
(2)技术负责人:负责施工方案的实施和施工过程中的技术指导。
(3)施工班组:负责砖墙的砌筑、抹灰等具体施工工作。
2. 材料准备(1)砖块:选用标准砖,强度等级不低于MU10,尺寸为240mm×115mm×53mm。
(2)水泥:选用普通硅酸盐水泥,强度等级不低于32.5MPa。
(3)砂子:选用中粗砂,含泥量不大于3%。
(4)石灰膏:选用新鲜石灰膏,熟化时间不少于7天。
(5)砂浆:根据设计要求,配制符合标准的M5水泥砂浆。
3. 工具准备(1)砌筑工具:砖刀、泥刀、线锤、水平尺、钢卷尺等。
(2)抹灰工具:抹子、刮板、水平尺等。
(3)其他工具:切割机、电焊机、电钻等。
4. 施工现场准备(1)施工现场应平整、坚实,排水良好。
(2)施工道路畅通,确保施工材料、设备的运输。
(3)施工现场设置临时设施,如办公室、仓库、宿舍等。
(4)施工现场设置安全警示标志,确保施工安全。
三、施工工艺1. 砌筑工艺(1)基础处理:根据设计要求,挖设基础,夯实后铺设垫层,垫层厚度为100mm。
(2)砌筑墙体:按照设计图纸,先砌筑墙身,再砌筑窗台、垛口等。
(3)墙体放线:根据设计图纸,确定墙体的位置,使用墨斗、线锤等进行放线。
(4)砌筑墙体:选用合适的水泥砂浆,按照砌筑规范进行砌筑。
(5)墙体验收:砌筑完成后,进行墙体验收,确保墙体质量。
2. 抹灰工艺(1)墙体清理:清理墙面,去除松动、起砂、起皮等。
(2)浇水湿润:墙体表面浇水湿润,确保抹灰层与墙体粘结牢固。
(3)抹灰层施工:选用合适的水泥砂浆,按照抹灰规范进行抹灰。
(4)抹灰层养护:抹灰完成后,进行养护,确保抹灰层强度。
砖砌围墙专项方案一、前期准备工作1.全面了解围墙建设的设计要求和规范,包括围墙的高度、长度、材料等相关要求。
2.测量围墙所在位置的尺寸和地势情况,确定建筑围墙的布局方案。
3.准备建设所需的材料和工具,如砖块、水泥、砂浆、砖铲、水平仪等。
二、围墙施工步骤1.地基处理在施工位置进行地面准备,清除杂草、石块和其他障碍物。
根据围墙的高度和要求,挖掘合适的地基坑,基坑的深度一般要求底部埋深600mm 以上。
清理坑底,以保证其平整均匀。
2.围墙基础施工根据设计要求,混凝土基础应当具有足够的强度来承受围墙的荷载。
在地基坑中倒入砂浆底层,然后按照设计要求铺设钢筋网,并进行焊接和固定。
最后,倒入混凝土,并使用振动棒振实,使其均匀密实。
3.围墙主体施工根据围墙的设计要求,确定墙体的高度和宽度。
使用砖铲将砂浆涂抹在基础上,然后将砖块按照预定布局和设计要求逐层砌筑。
注意控制每层砖块之间的水平度和垂直度,使用水平仪进行测量和调整。
每一层砖块完成后,使用软刷刷去多余的砂浆,以保持围墙的整洁。
4.围墙顶部处理根据设计要求,对围墙的顶部进行加固和处理。
可以选择在围墙的顶部添加防护栏杆或装饰石材等,以增加围墙的美观性和实用性。
5.围墙表面处理待围墙建设完成后,对其表面进行处理,如刷涂防水涂料、做套网抹灰、粉刷等,以保护围墙免受风化和腐蚀的影响。
6.清理和验收完成围墙的施工后,对施工现场进行整理和清理,清除施工废料和杂物。
进行围墙的验收,检查围墙的每个部分是否符合设计要求和规范,确保其质量和安全性。
三、施工过程中的注意事项1.安全第一,施工现场应设有明显的安全提示标识,施工人员应佩戴好安全帽等个人防护装备。
2.严格按照设计要求和规范施工,保证围墙的质量和稳定性。
3.控制好施工进度,合理安排施工人员和材料,确保施工的顺利进行。
4.重视对施工现场的保护,避免砂浆和水泥等物质对周围环境造成污染。
5.施工过程中及时沟通和协调各方的合作,确保施工的顺利进行。
第1篇一、工程概况本工程位于我国某市某区,主要建设内容包括围墙砌筑。
围墙砌筑长度约为1000米,高度约为2.5米,材料采用红砖,砂浆强度等级为M7.5。
工程总投资约100万元,工期为60天。
二、施工准备1. 施工组织设计(1)成立项目经理部,明确项目经理、技术负责人、施工负责人等岗位职责。
(2)编制施工组织设计,明确施工方案、进度计划、质量保证措施、安全措施等。
(3)组织施工人员、材料、机械设备等进场。
2. 材料准备(1)红砖:符合国家相关标准,尺寸准确,无裂纹、无残缺。
(2)水泥:符合国家相关标准,强度等级为32.5MPa以上。
(3)砂:中粗砂,含泥量不大于3%。
(4)石子:粒径为5-20mm,含泥量不大于3%。
(5)水:符合生活饮用水标准。
3. 机械设备准备(1)搅拌机:用于砂浆搅拌。
(2)运输车:用于材料运输。
(3)砂浆泵:用于砂浆输送。
(4)砖夹:用于砌筑砖块。
(5)水平尺、垂直尺、线锤等测量工具。
三、施工工艺1. 施工流程(1)场地平整:将施工现场进行平整,确保场地平整度符合要求。
(2)放线定位:根据设计图纸,放出围墙位置线,确保位置准确。
(3)基础施工:挖基坑,垫层铺设,基础砼浇筑。
(4)墙体砌筑:砌筑墙体,分层砌筑,确保墙体垂直、平整。
(5)勾缝:对墙体进行勾缝处理,确保勾缝均匀、美观。
(6)验收:对施工质量进行验收,确保工程质量符合要求。
2. 施工要点(1)场地平整:将施工现场进行平整,确保场地平整度符合要求。
(2)放线定位:根据设计图纸,放出围墙位置线,确保位置准确。
(3)基础施工:挖基坑,垫层铺设,基础砼浇筑。
(4)墙体砌筑:1)砖块选用:选用符合国家相关标准的红砖,尺寸准确,无裂纹、无残缺。
2)砂浆制备:按照砂浆配合比,制备M7.5砂浆。
3)分层砌筑:墙体分层砌筑,每层高度为0.5米,确保墙体垂直、平整。
4)砂浆饱满:砌筑过程中,确保砂浆饱满,砖块间缝隙不大于5mm。
5)垂直度控制:砌筑过程中,使用垂直尺、线锤等测量工具,确保墙体垂直度符合要求。
砖砌围墙施工方案_一、前期准备工作1.1确定施工范围和尺寸,根据需求和设计图纸确定围墙的长度、高度和宽度等尺寸参数。
1.2开展勘测工作,确定施工现场的地势情况、土质条件和地下管线等情况,以确定施工方案的可行性和安全性。
1.3准备材料和工具,包括水泥、砖块、沙子、水、工具等,并检查其质量和数量是否满足施工需求。
二、基础处理2.1根据地势情况和土质条件,进行基础的处理。
如地势较高或土质较差的地方,需要进行挖土、填充和夯实等工作,以保证围墙基础的稳固性。
2.2在基础处理完成后,进行基础的沉降观测,确保基础稳定后再进行后续的施工。
三、围墙立柱3.1根据设计图纸和施工要求,确定立柱的位置和间距。
3.2在立柱位置处进行挖孔,并按要求加固孔底。
孔底加固可采用混凝土浇筑或填充碎石等方式。
3.3在加固孔底后,安装立柱。
立柱可采用整体浇筑或预制立柱。
3.4立柱安装完成后,进行竖直度和水平度的调整,保证立柱的垂直和水平。
四、围墙连接件4.1根据设计要求,选择合适的围墙连接件。
常用的连接件包括砖墙钢筋连接带、砖墙角码等。
4.2在立柱之间的连接位置,进行连接件的安装。
安装时要注意连接件与立柱的咬合紧密,并采取适当的固定措施,以保证连接的牢固性。
五、砖砌施工5.1在连接件安装完成后,进行砖砌施工。
施工前要注意砖块的质量和尺寸是否符合要求。
5.2施工时,应逐层砌筑,并保证每层砖砌完后进行验收,以确保施工质量。
5.3采用适当的砌筑方式和方法,如梁式砌筑或基础砌筑等,以保证围墙的稳固性和美观性。
六、墙面处理6.1在围墙砌筑完成后,进行墙面处理。
墙面处理可采用涂料或贴瓷砖等方式,提高围墙的美观性和耐久性。
6.2在墙面处理前,应进行墙面清理和处理,确保墙面干净和平整,以便后续的施工工序顺利进行。
6.3根据设计要求和施工要求,选择合适的墙面处理材料,并按照操作规范进行施工。
七、收尾工作7.1施工完成后,进行围墙的验收工作。
验收时要检查围墙的垂直度、水平度、平整度和美观度等,以确保围墙的施工质量符合要求。
围墙砌筑施工方案一、土方工程1、本工程的基础土方开挖,采用机械人工相配合开挖方式。
挖土时,要严格按照建筑物的基础底标高进行,施工时至少保留300mm 土层,用人工挖至槽底标高,避免超挖。
2、基础回填土采用素土回填,分层填筑夯实法,回填次序从下而上,从低至高分层铺筑。
每层厚度控制在25cm内,夯击3~4遍。
基础边50cm范围须人工夯实,墙基两侧必须夯填密实。
3、填土严禁使用生活垃圾、有机质含量过高的耕作土等不符合要求的土,回填土密实度严格按施工规范要求进行抽样检查,检验合格后再进行上一层施工,以保证达到设计要求。
二、砌体工程1、按砖基础的砌筑:①.按砖基础砌筑前,必须校核基底标高和轴线尺寸以及检查垫层的平整度,如平整度大于20mm,必须用C10细石混凝土找平,不得用砂浆、砖屑塞垫,然后弹出边线。
第一皮和顶层均应采用丁砖砌筑。
②.按砖在砌筑前应派专人湿润,严禁干砖上墙,淋在雨中或浸泡在水里的砖不应立即使用。
③.按砖基础砌筑完毕后,应及时清理杂物和积水。
并及时与现场监理工程师办理隐蔽验收手续,方可进行分层回填土施工。
⑴.按砖砌体应上下错缝,内外搭接,不得有通缝。
采用一顺一丁的砌筑形式。
⑵.按砌体采用“四一”砌砖法(一铲灰、一块砖、一挤揉、添一刀头缝灰)砌筑。
采用铺浆法砌筑时,必须挤压,铺浆长度不得超过500mm。
先灌竖向灰缝,再铺水平灰缝,打丁头灰后砌筑。
多孔砖的孔洞应垂直于受压面砌筑。
砌筑要上跟线、下跟楞、左右相对平。
⑶.按砌体灰缝应横平竖直。
水平灰缝厚度和竖向灰缝宽度一般为10mm,但不小于8mm,也不大于12mm。
埋设的拉接筋必须放置在砌体砂浆层中。
⑷.按砌体灰缝应填满砂浆。
水平灰缝的砂浆饱满度不得小于80%,竖向灰缝应采用加浆填灌的方法,使其砂浆饱满,砌体不得有透缝的现象,严禁用水冲浆灌缝。
⑸.按承重墙的首皮砖和最上层以及梁的砖应用丁砖砌筑。
⑹.按砖墙与构造柱交接处必须留大马牙槎,且每层需先退后进,进出必须整齐,以保证构造柱断面。
砖砌围墙施工方案(2)
一、施工准备工作
在进行砖砌围墙施工之前,首先需要完成以下准备工作:
1.确定围墙的位置和尺寸,绘制详细的施工图纸。
2.准备好所需的砖块、水泥、砂浆等施工材料,确保质量符合要求。
3.租赁或购买必要的施工工具,如砌筑工具、水平仪、刷子等。
4.清理并整理施工现场,确保围墙施工区域干净整洁。
二、施工步骤
1. 地基处理
•在围墙的施工位置上挖掘基础沟槽,深度一般应在20厘米以上。
•填充砂石或碎石,倒入水泥浆,夯实基础,保持均匀水平。
2. 立砖柱
•根据设计要求,在基础上依次砌起砖墙的柱子,每隔固定距离设置一个柱子,确保垂直度和水平度。
•柱子高度应大于围墙高度,以便围墙的稳定性。
3. 砌墙体
•在立柱之间砌筑围墙墙体,先用水泥砂浆将砖块粘贴在一起,然后逐层交错砌筑。
•注意保持墙体的垂直度和水平度,同时留出承重柱和门窗洞口的位置,便于后续施工。
4. 加固处理
•在围墙的顶部和底部加固钢筋,以增强整体结构的承载能力。
•在墙体内侧加入横向填充物,增加围墙的稳定性。
三、收尾工作
•检查围墙的质量和外观,修补可能存在的砂浆裂缝和砖块错位问题。
•清理施工现场,清除多余的材料和工具,确保施工现场整洁。
结语
以上是关于砖砌围墙的施工方案,希望能够为您提供帮助。
在施工过程中,请务必严格按照设计要求和安全规范进行操作,确保围墙的质量和稳定性。
祝施工顺利!。
一、工程概况本工程为某小区围墙砌筑工程,位于我国某市某小区内,围墙总长度为500米,高度为2.5米,采用红砖砌筑,砂浆强度等级为M7.5。
工程总造价为30万元,工期为60天。
二、施工准备1. 施工组织(1)项目经理负责整个工程的施工管理,协调各部门的工作。
(2)施工员负责现场施工技术指导,确保施工质量。
(3)质量员负责现场质量检查,确保工程质量符合要求。
(4)安全员负责现场安全监督,确保施工安全。
2. 材料准备(1)红砖:尺寸为240mm×115mm×53mm,要求无裂缝、无残缺。
(2)水泥:强度等级为32.5号,要求无结块、无杂质。
(3)砂:中粗砂,粒径不大于5mm,要求清洁、无杂质。
(4)砂浆:M7.5强度等级,采用水泥砂浆。
3. 施工工具(1)砖夹:用于搬运砖块。
(2)砖槌:用于敲打砖块。
(3)砂浆桶:用于搅拌砂浆。
(4)水平尺:用于检查墙体水平度。
(5)线锤:用于检查墙体垂直度。
(6)砂浆搅拌机:用于搅拌砂浆。
三、施工工艺1. 砌筑基础(1)挖基槽:根据设计要求,挖基槽深度为0.6米,宽度为0.8米。
(2)基础垫层:铺设10厘米厚的碎石垫层,平整压实。
(3)基础砌筑:采用M7.5水泥砂浆,砌筑宽度为0.8米,高度为0.6米的基础。
2. 砌筑墙体(1)砌筑前,将砖块提前浸泡2小时,使其充分吸水。
(2)墙体砌筑:从一端开始,按照先立柱后砌墙的顺序进行。
(3)墙体砌筑过程中,每砌一层砖块,用水平尺检查墙体水平度,用线锤检查墙体垂直度。
(4)墙体转角处,采用45度斜砌,确保墙体牢固。
(5)墙体顶部砌筑完成后,用砂浆填充墙体顶部缝隙。
3. 砌筑门窗洞口(1)门窗洞口尺寸:按照设计要求确定。
(2)洞口砌筑:采用M7.5水泥砂浆,砌筑洞口墙体。
(3)洞口两侧墙体砌筑完成后,用砂浆填充洞口缝隙。
四、质量控制1. 砌筑过程中,严格控制砂浆配合比,确保砂浆强度。
2. 每层砖块砌筑完成后,及时进行勾缝,确保墙体美观。
施工现场砖砌围墙砌筑方案XX大道道路工程中的火车北站联络线隧道工程是一项双向六车道隧道,长1201m,其中铁路部门代建范围为500m,而我公司施工范围为381m和320m。
隧道单洞建筑界限为13.75×5m,隧道起点至K0+180左右洞净距小于18m,为小净距隧道,而K0+180至隧道终点左右洞净距大于18m,为分离式隧道,隧道进出口平面均位于曲线上,纵面为-2.98单向坡。
隧道采用灯光照明、机械通风。
砖砌围墙施工时间为2014年11月8日至2014年12月8日,共计30个日历天。
施工步骤包括施工放线、挖基础土方、C15素砼基础、砌筑围墙、墙面抹灰、砖墙面涂料和围墙外侧美化。
为确保施工质量,砌筑用砖和水泥均需符合国家现行标准有关规定,进场时应有产品质量检查合格证,并进行抽样检查。
施工方法包括测量放线及开槽和砌筑围墙施工。
开槽采用人工进行,开槽后的基底标高、坡度、宽度、轴线位置、基底夯实应达到规定要求。
基础采用厚15cmC15素砼基础,砖基础为标准砖M5水泥砂浆砌筑,砖墙为标准砖M5水泥砂浆砌筑,墙柱为标准砖M5水泥砂浆砌筑,砖压顶为标准砖M5水泥砂浆砌筑。
围墙每间隔5m设置砌体墙柱(墙垛),每隔30cm在墙体中间设置沉降缝。
围墙内外墙体进行粉刷,砖墙为厚2cm的1:1.6混合砂浆抹灰,砖压顶为1:2水泥砂浆抹灰。
围墙外侧进行美化,结合国家卫生城市、全国文明城市等要求喷刷相应的宣传标语、宣传画。
在施工区域内,需要用砖砌围挡将其与外界隔开,以达到文明施工和安全的需求。
同时,需要保持交通道路的整洁,围挡的砌筑应该美观、整齐、牢固,并且需要派专人进行维护和清洁。
为了实现文明施工和安全,需要在交通疏导范围和施工区域内设置硬质围挡来隔开。
所有隔离设施都必须贴有反光条,以确保夜间行车的安全。
在保持交通便线整洁的同时,需要将围挡安装美观、整齐、牢固,并且派专人进行维护和清洁。
围挡的上沿应该设置照明设备,以确保夜间行车的安全。
一、工程概况本工程为室外围墙砌筑,主要用途为隔离、美化环境、保障安全。
围墙高度为2.4米,基础深度0.4米,墙厚240毫米,采用混水砖墙结构,并配备电动伸缩门。
本方案旨在确保施工质量、安全及环保,以满足设计要求和使用功能。
二、施工准备1. 材料及主要机具:1.1 砖:选用符合设计要求的品种、强度等级的砖,清水墙砖色泽均匀、边角整齐。
砖应提前1-2天浇水湿润,含水率宜为10~15%。
1.2 水泥:根据砌体部位及所处环境条件选择,一般宜采用32.5号普通硅酸盐水泥或矿渣硅酸盐水泥。
1.3 砂:选用中砂,配制M5以下砂浆所用砂的含泥量不超过10%,M5及其以上砂浆的砂含泥量不超过5%,使用前用5mm孔径的筛子过筛。
1.4 掺合料:白灰熟化时间不少于7天,或采用粉煤灰等。
1.5 主要机具:大铲、刨锛、瓦刀、扇子、托线板、线坠、小白线、卷尺、铁水平尺、皮数杆、小水桶、灰槽、砖夹子、扫帚等。
2. 砌筑前准备:2.1 选砖:用于清水墙的砖应色泽均匀、边角整齐,使用前提前3小时浇水湿润,含水率控制在10~15%。
2.2 放线:砌筑基础前,应用钢尺校核放线尺寸,允许偏差应符合相关规定。
2.3 选择砌筑方法:采用“三一”砌筑法,即一铲灰、一块砖、一揉压的砌筑方法。
三、施工工艺1. 搅拌水泥砂浆,处理红砖块;2. 拉上铅垂线,保证砌筑不歪斜;3. 横向砌筑一排红砖块,作为基础;4. 砌筑第二排红砖块,作为墙体的起始层;5. 采用“三一”砌筑法,逐层砌筑墙体;6. 砌筑过程中,注意砖缝饱满、垂直度、水平度;7. 完成墙体砌筑后,进行勾缝、清理。
四、安全措施1. 施工人员必须佩戴安全帽、手套、防护眼镜等个人防护用品;2. 施工现场设置安全警示标志,确保施工安全;3. 施工过程中,注意高空作业安全,防止坠落;4. 施工机械操作人员必须持证上岗,确保机械操作安全;5. 施工现场禁止吸烟、使用明火,防止火灾事故发生。
五、环保措施1. 施工过程中,严格控制扬尘、噪音、废水等污染;2. 施工现场设置围挡、喷淋设施,降低扬尘;3. 施工废水经处理后达标排放;4. 施工结束后,及时清理现场,恢复环境。
第1篇一、工程概况本工程位于XX市XX区,主要施工内容包括围墙的砌筑。
围墙总长度为500米,高度为2.5米,采用砖砌结构,围墙基础为混凝土结构。
围墙主要用于界定地块范围,保障地块安全,美化环境。
二、施工准备1. 人员准备- 组建施工队伍,包括施工队长、技术员、质检员、安全员等。
- 对施工人员进行技术培训和安全教育。
2. 材料准备- 砖块:选择质量合格的砌筑砖,尺寸符合设计要求。
- 混凝土:采用符合国家标准的混凝土,配合比根据设计要求确定。
- 水泥:选择强度等级符合要求的普通硅酸盐水泥。
- 骨料:采用粒径适宜的碎石,含泥量符合要求。
- 钢筋:选用符合设计要求的钢筋,并进行加工成型。
3. 工具设备准备- 砌砖工具:锤子、砖夹、线锤、水平尺等。
- 混凝土搅拌机、运输车、振捣器等。
- 测量工具:经纬仪、水准仪、钢卷尺等。
4. 施工图纸及技术资料- 审查施工图纸,明确施工要求。
- 收集相关技术资料,如材料标准、施工规范等。
三、施工工艺1. 基础施工- 根据设计图纸,确定基础位置和尺寸。
- 挖设基坑,清理杂物,检查基槽尺寸和标高。
- 铺设垫层,厚度一般为100mm,采用碎石或砂石。
- 浇筑混凝土基础,强度等级应符合设计要求。
- 待混凝土达到一定强度后,进行基础检查,确保基础稳固。
2. 墙体施工- 砌筑前,检查基础尺寸和标高,确保符合设计要求。
- 摆砖:根据设计要求,摆放砖块,注意砖块的尺寸和形状。
- 砌筑:采用一顺一丁砌筑法,先砌筑墙体底部,然后逐层向上砌筑。
- 砌筑过程中,注意墙体垂直度、水平度和厚度,确保墙体平整。
- 填缝:采用砂浆填充砖块缝隙,确保缝隙密实。
3. 混凝土施工- 混凝土搅拌:按照配合比要求,进行混凝土搅拌。
- 混凝土运输:采用混凝土运输车将混凝土运至施工现场。
- 混凝土浇筑:将混凝土均匀浇筑到模板内,采用振捣器进行振捣。
- 混凝土养护:浇筑完成后,进行养护,确保混凝土强度。
4. 墙面处理- 砌筑完成后,清理墙面,去除杂物。
第1篇一、工程概况本工程为某住宅小区围墙砌筑工程,位于我国某城市。
围墙长度共计1000米,高度为2.5米,采用砖混结构,墙体厚度为0.24米。
工程内容包括:基础开挖、基础浇筑、墙体砌筑、防水处理、抹灰等。
二、施工准备1. 施工人员:组织具备相关资质的施工队伍,对施工人员进行技术交底,确保施工质量。
2. 材料设备:备足砖块、水泥、砂石、钢筋、模板、防水材料、砂浆等施工材料;租赁挖掘机、搅拌机、泵车、吊车等机械设备。
3. 施工图纸:熟悉施工图纸,了解工程结构、尺寸、要求,确保施工过程中符合设计规范。
4. 施工现场:清理施工现场,确保场地平整、排水畅通。
三、施工工艺及流程1. 基础开挖:按照设计图纸要求,开挖基础,保证基础尺寸准确,确保基础稳定。
2. 基础浇筑:在基础开挖完成后,按照设计要求进行混凝土浇筑,确保基础混凝土强度达到设计要求。
3. 墙体砌筑:采用砖混结构,墙体厚度为0.24米,砌筑过程中注意以下几点:(1)墙体砌筑前,先对基础进行平整处理,确保墙体垂直度。
(2)墙体砌筑时,按照施工顺序进行,先砌筑底部,再砌筑上部,保证墙体整体稳定性。
(3)墙体砌筑过程中,注意砖块排列整齐,砂浆饱满,缝隙均匀。
(4)墙体砌筑完成后,进行垂直度和水平度检查,确保墙体符合设计要求。
4. 防水处理:在墙体砌筑完成后,对墙体进行防水处理,采用防水涂料进行涂抹,确保墙体防水性能。
5. 抹灰:墙体防水处理完成后,对墙体进行抹灰,确保墙体表面平整、光滑。
6. 工程验收:施工完成后,进行自检、互检、专检,确保工程质量符合设计要求。
四、施工质量控制1. 材料检验:对进场材料进行检验,确保材料质量符合设计要求。
2. 施工过程控制:对施工过程进行严格把控,确保施工质量。
3. 质量验收:按照施工规范进行质量验收,确保工程质量合格。
4. 工程记录:做好施工记录,为工程验收提供依据。
五、施工安全措施1. 施工人员:对施工人员进行安全教育,提高安全意识。
第1篇一、工程概况本工程为某住宅小区围墙施工项目,围墙总长度为1000米,围墙高度为2.5米,采用砖混结构,墙体厚度为240毫米。
围墙设计为美观大方、坚固耐用,既满足小区的隔离需求,又具有一定的观赏性。
二、施工准备1. 施工组织设计(1)施工队伍:成立围墙施工项目部,由项目经理、技术负责人、施工员、质检员、安全员等组成。
(2)施工进度计划:制定合理的施工进度计划,确保工程按时完成。
(3)施工质量控制:严格按照施工规范和设计要求进行施工,确保工程质量。
2. 材料准备(1)砖:选用抗压强度大于10MPa的烧结普通砖,颜色、尺寸应符合设计要求。
(2)水泥:选用符合国家标准的水泥,强度等级不低于32.5MPa。
(3)砂:选用中粗砂,含泥量不大于3%。
(4)钢筋:选用HRB400钢筋,直径应符合设计要求。
(5)模板:选用符合国家标准的钢模板,表面平整,无明显锈蚀。
3. 施工设备(1)施工车辆:运输车辆、搅拌车、泵车等。
(2)施工工具:砖夹、切割机、水平尺、线锤、卷尺等。
(3)施工机械:搅拌机、振捣器、切割机、钢筋弯曲机等。
三、施工工艺1. 施工顺序(1)测量放线:根据设计图纸,进行测量放线,确定围墙位置。
(2)基础施工:挖基槽,处理地基,垫层,浇筑混凝土基础。
(3)墙体施工:砌筑墙体,抹灰,刷涂料。
(4)检查验收:对施工过程进行检查,确保工程质量。
2. 施工要点(1)基础施工:根据设计要求,开挖基槽,处理地基,垫层,浇筑混凝土基础。
(2)墙体施工:砌筑墙体,确保墙体垂直、平整,墙体厚度符合设计要求。
(3)抹灰:抹灰前,对墙体进行清理,确保墙体表面平整、无油污、无浮土。
(4)刷涂料:涂料前,对墙体进行打磨、清洗,确保涂料均匀、美观。
四、施工质量控制1. 材料质量控制:对进场材料进行检验,确保材料质量符合设计要求。
2. 施工过程控制:严格按照施工规范和设计要求进行施工,确保工程质量。
3. 工程验收:在施工过程中,对关键工序进行验收,确保工程质量。
第1篇一、工程概况1. 工程名称:某住宅小区围墙砌筑工程2. 工程地点:某市某区某住宅小区3. 工程规模:围墙总长度约500米,高度约2.5米,共计约1250立方米砌体工程量4. 工程期限:预计60个工作日完成5. 施工单位:某建筑工程有限公司二、施工准备1. 施工组织设计根据工程特点和施工要求,编制详细的施工组织设计,明确施工工艺、施工顺序、施工方法、质量保证措施、安全措施等。
2. 施工图纸及技术资料组织技术人员进行施工图纸的审核,确保施工图纸的准确性、完整性和可操作性。
收集相关技术资料,如材料规格、施工规范、施工标准等。
3. 材料设备(1)材料:砖、水泥、砂、石子、钢筋、防水材料等。
(2)设备:砂浆搅拌机、切割机、泵送设备、模板、脚手架、安全防护设施等。
4. 人员组织成立项目经理部,明确项目经理、技术负责人、施工负责人、质量负责人、安全负责人等岗位职责。
组织施工队伍,进行技术培训和安全教育。
5. 施工现场(1)施工现场布置:按照施工组织设计,合理布置施工现场,确保施工场地整洁、安全。
(2)临时设施:搭建办公室、宿舍、食堂等临时设施,满足施工人员的生活需求。
三、施工工艺1. 砌筑工艺(1)基础施工:按照设计要求,进行基础施工,确保基础稳固、平整。
(2)墙体砌筑:采用一顺一丁砌筑法,砌体灰缝饱满,墙体垂直、平整。
(3)墙体抹灰:墙体砌筑完成后,进行墙体抹灰,确保墙面平整、光滑。
2. 钢筋工程(1)钢筋加工:根据设计要求,加工钢筋,确保钢筋规格、长度、形状符合要求。
(2)钢筋绑扎:按照设计要求,进行钢筋绑扎,确保钢筋位置准确、牢固。
(3)钢筋焊接:采用电弧焊焊接钢筋,确保焊接质量。
3. 防水工程(1)防水材料:选用合格的水泥基防水涂料。
(2)防水施工:按照设计要求,进行防水施工,确保防水层严密、均匀。
四、施工顺序1. 施工准备(1)施工图纸审核(2)材料设备准备(3)人员组织(4)施工现场布置2. 基础施工(1)开挖基槽(2)基础垫层施工(3)基础混凝土施工3. 墙体砌筑(1)墙体放线(2)墙体砌筑(3)墙体抹灰4. 钢筋工程(1)钢筋加工(2)钢筋绑扎(3)钢筋焊接5. 防水工程(1)防水材料准备(2)防水施工6. 工程验收(1)自检(2)监理验收(3)竣工验收五、质量控制措施1. 材料质量(1)严格筛选材料供应商,确保材料质量符合要求。
围墙砖砌体工程施工方案一、工程概况:本施工方案为围墙砖砌体工程的施工方案,施工范围为围墙的建造。
围墙的高度为2.5米,长度为50米,宽度为0.2米。
二、施工材料和设备:1.施工材料:(1) 砖块:采用标准砖,砖的尺寸为250mm×125mm×65mm。
(2)水泥:采用普通硅酸盐水泥。
(3)砂浆:采用标准砂浆,配合比为1:3(水泥:砂)。
(4) 钢筋:采用Φ8mm的普通钢筋。
(5)扣件:采用镀锌扣件。
(6)抹面材料:采用大理石抹面材料。
(7)墙角线:采用塑料材料。
2.施工设备:(1)搅拌设备:搅拌机。
(2)起重设备:吊车。
(3)铲车:用于运输材料。
(4)手持工具:锤子、刀具、量具等。
三、施工工艺和流程:1.基础处理:(1)根据设计要求,对围墙的基础进行清理和整平。
(2)根据设计要求,在围墙基础上进行浇筑混凝土基座,宽度为0.3米,厚度为0.1米。
(3) 在基座上嵌入Φ8mm的钢筋,间距为400mm,固定在基座上。
2.砌墙工艺:(1)按照设计要求,在基座上运用水平尺板进行水平标高的控制。
(2)采用砂浆涂抹墙底,然后在墙角处安装固定塑料墙角线。
(3)用砂浆将砖块一层一层地砌上去,注意保持砖缝均匀,同时进行墙面的垂直控制,采用垂直尺进行垂直度的检测。
(4)在砌墙过程中,根据需要安装门窗洞口的钢筋墩。
(5)在砌墙过程中,留出通风口和排水口。
(6)按照需要在墙面中安装插孔和水泥融合作为固定节点。
(7)使用砂浆填充墙缝,使用抹子将墙面整体抹平。
3.保护处理:(1)墙体砌筑结束后,对围墙进行养护。
在水泥凝固之前,保持墙体的湿润状态,避免干裂。
(2)完工后,对墙体外观进行检查,修补可能存在的破损。
四、安全措施:1.施工人员必须穿戴好安全帽、安全鞋等安全防护用品,严禁携带易燃、易爆品进入施工现场。
2.施工现场必须设立明显的警示标志,确保施工现场的安全性。
3.在使用吊车等起重设备时,必须由专业人员操作,并注意周围人员的安全。
砖砌围墙施工方案一、施工准备1.1 材料准备在砖砌围墙的施工中,材料是关键。
首先,得选用优质的砖块,坚固耐用,才能确保围墙稳如泰山。
然后,砂浆的配比也不能马虎,水泥、沙子得按比例混合,太稀或太稠都不行。
再者,别忘了采购合适的工具,像铲子、水平仪、砖锤等,没它们可不行。
1.2 场地清理施工前,场地得清理干净。
这就像是打基础,只有把杂草、石头都清除掉,才能为围墙的稳固奠定基础。
场地的平整度也要保证,不能有大的坑洼。
记住,干净利落才能提高后面的施工效率。
二、施工步骤2.1 标线放样接下来,就是标线放样了。
这一步是至关重要的,得确保围墙的尺寸和位置都准确无误。
可以用绳子或墨线,把围墙的边界标好。
把每一个角落都标记清楚,确保后续施工不走样。
2.2 砌筑砖块砖砌围墙的核心环节就是砌砖了。
砖块得一层一层稳稳地叠上去,水泥砂浆的涂抹要均匀。
要时刻注意砖缝的对齐,别让它们歪七扭八。
用水平仪时常检查,确保围墙的高度和直线度。
这个过程就像搭积木,细心点,一不小心就得重新来。
2.3 养护施工砌完砖后,养护不可忽视。
砂浆需要时间凝固,得保持一定的湿度。
可以用麻袋或者塑料布覆盖,避免阳光直晒。
这就像是在呵护一颗小苗,得细心对待,才能长得壮实。
三、施工注意事项3.1 安全措施施工过程中,安全始终是第一位的。
工人得穿戴好安全帽、手套,避免意外伤害。
施工现场要设立警示标志,防止无关人员误入。
记住,安全工作做好,大家才能安心施工。
3.2 天气因素天气也是个大问题。
下雨天可不是砌墙的好时机,砖块湿了可就难办了。
如果有大风天气,现场的工具和材料也得妥善安置,避免被风吹走。
时刻关注天气预报,灵活调整施工计划。
四、总结砖砌围墙的施工,看似简单,实则大有讲究。
从材料准备到施工步骤,每一个环节都不能马虎。
做好每一项,围墙才能坚固耐用。
施工前的准备,现场的安全,施工后的养护,都是不可或缺的。
经过这样的施工,最终看到那一面整齐划一的围墙,心里别提有多高兴。
XX大道道路工程
火车北站联络线隧道工程施工现场砖砌围墙砌筑方案
编制:
审核:
审批:
XX大道项目经理部
20 - -
一、工程概况
火车北站联络线隧道起点接站西路,终点接XX大道,Z1幅里程K0+079-K1+280,长1201m,其中K0+460-K0+960,长度500m,为铁路部门代建范围,K0+079-K0+460,长度381m,K0+960-K1+280,长度320m为我公司施工范围;Z2幅里程K0+080-K1+220,长度1140m,其中K0+380-K0+900,长度520m为铁路部门代建范围,K0+080-K0+380,长度300m,K0+900-K1+220,长度320m为我公司施工范围。
为双向六车道隧道,隧道单洞建筑界限13.75×5m,隧道起点至K0+180左右洞净距小于18m,为小净距隧道;K0+180至隧道终点左右洞净距大于18m,为分离式隧道,隧道进出口平面均位于曲线上,纵面为-2.98单向坡。
隧道采用灯光照明、机械通风。
二、砖砌围墙施工时间
2014年11月8日~2014年12月8日,共计30个日历天。
三、砖砌围墙施工方法
3.1施工步骤
施工放线-挖基础土方-C15素砼基础-砌筑围墙-墙面抹灰-砖墙面涂料-围墙外侧美化
3.2材料准备
砌筑用砖:砖进场应有产品质量检查合格证,进程后应进行抽样检查,质量等级符合国家现行标准有关规定。
水泥:水泥进场应有产品质量合格证和出厂检验报告,进程后应对强度、安定性及其它必要的性能进行取样复试,其质量必须符合
国家现行标准有关规定
3.3施工方法
1)测量放线及开槽
放线完成后,进行开槽施工,开槽采用人工进行,开槽后的基底标高、坡度、宽度、轴线位置、基底夯实应达到规定要求2)砌筑围墙施工
基础:基础采用厚15cmC15素砼基础。
墙体:砖基础为标准砖M5水泥砂浆砌筑,砖墙为标准砖M5水泥砂浆砌筑,墙柱为标准砖M5水泥砂浆砌筑,砖压顶为标准砖M5水泥砂浆砌筑。
围墙每间隔5m设置砌体墙柱(墙垛),每隔30cm在墙体中间设置沉降缝。
(详细尺寸见后附图)
饰面:围墙内外墙体进行粉刷,砖墙为厚2cm的1:1.6混合砂浆抹灰,砖压顶为1:2水泥砂浆抹灰。
3.4围墙外侧进行美化,结合国家卫生城市、全国文明城市等要求喷刷相应的宣传标语、宣传画。
(详细内容见后附图)
后附砌体围墙示意图、砌体围墙横断图。
四、文明施工、安全措施
4.1施工区域用砖砌围挡与外界隔开,达到文明施工和安全的需求,保持交通道路的整洁,围挡砌筑美观、整齐、牢固,并派专人维护、清洁。
4.2交通疏导范围和施工区域内设硬质围挡隔开,以达到文明施工和安全的需要,所有隔离设施上均要求贴有反光条,以确保夜间行车安全。
4.3保持交通便线的整洁,围挡的安装美观、整齐、牢固,并派专人维护、清洁。
围挡上沿设置照明设备,以保证夜间行车安全。
4.4夜间施工区域和交通导行路线保证有足够的照明;施工人员、机械、车辆进出施工范围必须按交通法规或交通方案中规定的时间、路线行驶。
4.5夜间施工车辆须背挂双闪箭头灯、顶置黄色警报灯,作业人员按规定穿戴反光服饰。
4.6教育所有职工提高交通法规意识,必须统一着装(穿戴有反光标志的背心)。