绿色建筑评分表 绿建评分表
- 格式:xls
- 大小:25.50 KB
- 文档页数:2
绿色建筑评价得分表w康舒适8.2.2地下空间平均采光系数不小于0.5%的面积与地下室首层面积的比例达到10%以上,得3分;38.2.3室内主要功能空间至少60%面积比例区域的采光照度值不低于采光要求的小时数平均不少于4h/d,得3分。
38.3主要功能房间有眩光控制措施。
3 9具有良好的室内热湿环境。
89.1采用自然通风或复合通风的建筑,建筑主要功能房间室内热环境参数在适应性热舒适区域的时间比例,达到30%,得2分;每再增加10%,再得1分,最高得8分。
89.2采用人工冷热源的建筑,主要功能房间达到现行国家标准《民用建筑室内热湿环境评价标准》GB/T50785规定的室内人工冷热源热湿环境整体评价Ⅱ级的面积比例,达到60%,得5分;每再增加10%,再得1分,最高得8分。
810优化建筑空间和平面布局,改善自然通风效果。
810.1住宅建筑:通风开口面积与房间地板面积的比例在夏热冬暖地区达到12%,在夏热冬冷地区达到8%,在其他地区达到5%,得5分;每再增加2%,再得1分,最高得8810.2公共建筑:过渡季典型工况下主要功能房间平均自然通风换气次数不小于2次/h的面积比例达到70%,得5分;每再增加10%,再得1分,最高得8分。
811设置可调节遮阳设施,改善室内热舒适,评价总分值为9分,根据可调节遮阳设施的面积占外窗透明部分的比例按下表的规则评分。
91建筑、室外场地、公共绿地、城市道路相互之间应设置连贯的无障碍步行系统。
2场地人行出入口500m内应设有公共交通站点或配备联系公共交通站点的专用接驳车。
3停车场应具有电动汽车充电设施或具备充电设施的安装条件,并应合理设置电动汽车和无障碍汽车停车位。
4自行车停车场所应位置合理、方便出入。
5建筑设备管理系统应具有自动监控管理功能。
6建筑应设置信息网络系统。
1场地与公共交通站点联系便捷,并按下列规则分别评分并累计:81.1场地出入口到达公共交通站点的步行距离不超过500m,或到达轨道交通站的步行距离不大于800m,得2分;场地出入口到达公共交通站点的步行距离不超过300m,或到达轨道交通站的步行距离不大于500m,得4分;41.2场地出入口步行距离800m范围内设有不少于2条线路的公共交通站点,得4分。
房屋建筑工程高品质绿色建造项目评分表
— 1 —
— 2 —
— 3 —
注:名词解释:
1.绿色建筑:按国家《绿色建筑评价标准》(GB/T 50378)进行评价。
2.装配式建筑:按国家《装配式建筑评价标准》(GB/T51129)进行评价。
3.绿色施工工程:是指绿色施工工作满足《湖南省建筑工程绿色施工评价标准》良好及以上等级标准,且在绿色建材选用、绿色工艺采用、绿色技术应用、绿色管理实施等方面有显著成效,按《湖南省建筑工程绿色施工管理办法》,由湖南省住房和城乡建设厅公布的绿色施工工程。
4.全装修:(居住类)交房前墙面、地面等房屋固定面、水电管线、开关插座等基本设施完成装修安装,厨房和卫生间的固定设施安装到位。
(公共建筑类)交房前公用区域墙面、地面等房屋固定面、水电管线、开关插座等基本设施完成装修安装,各种公用固定设施安装到位。
5.拎包入住:(居住类)具备起居、就寝、盥洗等基本居住功能,提供装修及家具、家电等生活设施的居住建筑。
(公共建筑类)具备办公等基本服务功能,提供装修及家具、家电等办公设施的公共建筑。
6.采用绿色建材比例:按《湖南省建设工程绿色建材使用比例计算细则(试行)》的通知(湘建科〔2018〕65号)计算得。
— 4 —。
绿色建造施工水平评价打分表1.工程建设项目绿色建造施工水平评价遵循因地制宜的原则,依据施工管理、环境保护与安全、资源节约与循环利用、技术创新与创效、绿色可持续发展等五个评价维度进行评价。
各考核维度权重分配如下:2. 评价指标分为控制项指标和一般项指标,控制项指标必须完全符合要求,一般项指标按照实际情况计分。
一般项指标根据适用范围分为通用指标和专项指标。
所有指标得分不小于90分为“三星”,小于90分不小于80分为“二星”,小于80分不小于70分为“一星”,小于70分不评价。
3. 评价指标中列出了在实施过程中项目自我评价、企业对项目的评价、过程检查和验收时应重点关注的内容。
目录一、绿色建造施工管理(控制项) (3)二、环境保护与安全(30分) (5)三、资源节约与循环利用(40分) (14)四、技术创新与创效(20分) (27)五、绿色可持续发展(10分) (30)附录A 评价方法 (32)一、绿色建造施工管理(控制项)表1:绿色建造施工管理指标二、环境保护与安全(30分)表2:环境保护与安全指标(30分;其中通用指标25 分,专项指标 5分)三、资源节约与循环利用(40分)表3-2:建筑垃圾控制和循环利用指标(8分;其中通用指标4分,专项指标4分)表3-3:水资源节约与利用指标(10分;其中通用指标 6分,专项指标 4分)表3-4:能源节约与利用指标(10分;通用指标6分,专项指标4分)四、技术创新与创效(20分)表4:技术创新与创效指标(20分;其中通用指标16分,专项指标4分)五、绿色可持续发展(10分)表5:绿色可持续发展指标(10分)附录A:评价方法1.应对绿色施工过程进行评价。
2.每个施工阶段至少应进行一次评价,每个季度至少增加一次评价;施工阶段评价最后得分为该施工阶段多次评价得分的平均值。
3.绿色施工单位工程评价在绿色施工阶段评价完成的基础上进行,单位工程绿色施工评价得分按下式计算:U=∑(S×β)式中:U—单位工程评价得分;S—施工阶段评价得分;β—单位工程阶段权重系数。
(
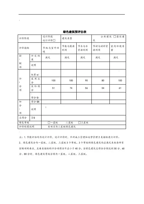
绿色建筑预评估表
设计阶段运行评价□
公共建筑□居住建筑
满足满足满足满足满足
□一星级二星级□三星级
,
注:1.节能评估均为设计评价,设计评价时,不对施工管理和运营管理2类指标进行评价。
2.绿色建筑分为一星级、二星级、三星级3个等级。
3个等级的绿色建筑均应满足本标准所有控制项的要求,且每类指标的评分项得分不应小于40分。
当绿色建筑总得分分别达到50分、60分、80分时,绿色建筑等级分别为一星级、二星级、三星级。
附录D 绿色建筑预评估表
满足
)
不满
足□
满足
不满
足□
满足
不满
足□
满足
不满
足□
满足
不满足□}
满足
不满足□满足
不满足□
满足
不满足□
满足
!
不满足□满足
不满足□满足
不满足□
满足不满
满足
不满足□满足
不满足□
不满足□满足
不满足□满足
不满足□满足
}
不满足□满足
不满足□满足
不满足□
注:资料现状有3种:已提供√,未提供×,项目中无需提供〇。
绿色建筑评价得分表w康舒适8.2.2地下空间平均采光系数不小于0.5%的面积与地下室首层面积的比例达到10%以上,得3分;38.2.3室内主要功能空间至少60%面积比例区域的采光照度值不低于采光要求的小时数平均不少于4h/d,得3分。
38.3主要功能房间有眩光控制措施。
3 9具有良好的室内热湿环境。
89.1采用自然通风或复合通风的建筑,建筑主要功能房间室内热环境参数在适应性热舒适区域的时间比例,达到30%,得2分;每再增加10%,再得1分,最高得8分。
89.2采用人工冷热源的建筑,主要功能房间达到现行国家标准《民用建筑室内热湿环境评价标准》GB/T50785规定的室内人工冷热源热湿环境整体评价Ⅱ级的面积比例,达到60%,得5分;每再增加10%,再得1分,最高得8分。
810优化建筑空间和平面布局,改善自然通风效果。
810.1住宅建筑:通风开口面积与房间地板面积的比例在夏热冬暖地区达到12%,在夏热冬冷地区达到8%,在其他地区达到5%,得5分;每再增加2%,再得1分,最高得8810.2公共建筑:过渡季典型工况下主要功能房间平均自然通风换气次数不小于2次/h的面积比例达到70%,得5分;每再增加10%,再得1分,最高得8分。
811设置可调节遮阳设施,改善室内热舒适,评价总分值为9分,根据可调节遮阳设施的面积占外窗透明部分的比例按下表的规则评分。
91建筑、室外场地、公共绿地、城市道路相互之间应设置连贯的无障碍步行系统。
2场地人行出入口500m内应设有公共交通站点或配备联系公共交通站点的专用接驳车。
3停车场应具有电动汽车充电设施或具备充电设施的安装条件,并应合理设置电动汽车和无障碍汽车停车位。
4自行车停车场所应位置合理、方便出入。
5建筑设备管理系统应具有自动监控管理功能。
6建筑应设置信息网络系统。
1场地与公共交通站点联系便捷,并按下列规则分别评分并累计:81.1场地出入口到达公共交通站点的步行距离不超过500m,或到达轨道交通站的步行距离不大于800m,得2分;场地出入口到达公共交通站点的步行距离不超过300m,或到达轨道交通站的步行距离不大于500m,得4分;41.2场地出入口步行距离800m范围内设有不少于2条线路的公共交通站点,得4分。
绿色建筑评价表注:达标判定结论有3种:满足要求√,不满足要求×,不参评○《绿色建筑评价标准》条文评价内容拟采取的具体技术措施自评结论专家评定意见1.节地与室外环境1.1节地与室外环境控制项1.1.1场地建设不破坏当地文物、自然水系、湿地、基本农田、森林和其他保护区建设过程中应尽可能维持原有场地的地形地貌。
场地内有较高的生态价值的树木、水塘、水系,是传承区域历史文脉的重要载体,应根据国家相关规定予以保护。
确实需要改造的,工程结束后,须生态复原项目规划用地性质为居住用地,土地分类为城镇住宅用地。
项目属商居工程,土地、资源利用方式未发生变化。
√1.1.2建筑场地选址无洪涝灾害、泥石流及含氡土壤的威胁。
建筑场地安全范围内无电磁辐射危害和火、爆、有毒物质等危险源洪灾、泥石流等自然灾害,对建筑场地会造成毁灭性破坏,氡、电磁波等对人的健康也会产生危害;油库、煤气站、有害物质车间等均有发生火灾、爆炸和毒气泄漏的可能,为此,绿色建筑选址必须符合国家相关的安全规定项目所在地属平原地区,一般情况氡无超标。
√1.1.3人均居住用地指标:低层不高于43㎡、多层不高于28㎡、中高层不高于24㎡、高层不高于15㎡人均用地指标是控制建筑节地的关键性指标,有两种方法控制人均用地指标:一是控制户均住宅面积;二是通过增加中高层住宅和高层住宅的建设比例,在增加户均住宅面积的同时,满足国家控制指标的要求本项目为高层居住建筑,规划用地面积16532.10㎡,常住人口1920人,则人均居住用地指标为8.61㎡,不高于15㎡。
√1.1.4住区建筑布局保证室内外的日照环境、采光和通风的要求,满足现行国家标准《城市居住区规划设计规范》GB 50180中有关住宅建筑日照标准的要求应正确理解《城市居住区规划设计规范》GB 50180关于日照标准要求的有关问题:1.明确大中小城市的涵义,2.老年人居住建筑应有更高的标准,3.建设中增设的空调机、建筑小品、雕塑、户外广告牌等均不能使相邻住宅楼、相邻住户的日照标准降低见本建设项目日照分析报告,用地范围内建筑物内每一套住宅均有一个居室满足大寒日大于等于2小时日照要求。
中国建筑设计研究院绿色建筑(居住建筑)评价体系2010 版(草稿)工作室名称:项目名称:1/6项序控制项目号1场地建设不破坏当地文物、自然水系、湿地、基本农田、森林和其他保护区。
2场地选址无洪涝灾害、泥石流及含氡土壤的威胁。
建筑场地安全范围内无电磁辐射危害和火、爆、有毒物质等危险源。
3人均居住用地指标:低层不高于 43 平米、多层不高于 28平米、中高层不高于 24 平米、高层不高于 15 平米。
4住区建筑布局保证室内外的日照环境、采光和通风的要节求,满足国家《城市居住区规地划设计规范》 GB50180 中关与室于住宅建筑日照标准的要求。
外环5种植适应当地气候和土壤条境件的乡土植物,选用少维护、耐候性强、病虫害少、对人体无害的植物。
6住区的绿地率不低于30%,人均公共绿地面积不低于 1 平米。
专业序一般项专业序优选项专业号号是 V是 V是 V 否 X否 X否 X 建筑1住区公共服务设施按规划配建,合理采建筑1合理开发利用地建筑用综合建筑并与周边地区共享。
下空间。
建筑2充分利用尚可使用的旧建筑。
建筑2合理选用废气场建筑地进行建设建筑3住区环境噪声符合现行《城市区域环境暖通噪声标准》 GB3096 的规定。
建筑4住区室外日平均热岛强度不高于暖通1.5℃ 。
建筑5住区风环境有利于冬季室外行走舒适暖通及过渡季、夏季的自然通风。
建筑6根据当地的气候条件和植物自然分布建筑特点,栽植多种类型植物,乔、灌、草结合构成多层次的植物群落,乔木量≥3 株/ 100m2 绿地面积。
7住区内无排放超标准的污染建筑7选址和住区出入口的设置方便居民充建筑源。
分利用公共交通网络,到达公共交通站点的步行距离不超过500m 。
8住区非机动车道路、地面停车场和其他建筑硬质铺地采用透水地面,并利用园林绿化提供遮阳。
室外场地透水地面面积比不小于 45%。
合完成分项数目:项完成分项数目:项完成分项数目:项计2/6项序控制项目号1住宅建筑热工设计和暖通空调设计符合国家批准或备案的居住建筑节能标准的规定。