报站器快速使用说明
- 格式:doc
- 大小:1.17 MB
- 文档页数:3
®®编制:张影娜日期: 2010-07-20页码:第 2 页共 2 页参数配置过程:(上电并鸣响三声后默认进入运行模式,可以进行设置操作)首先,按FUN键,报站器会提示功能1,即“报站语言选择”;然后,按“+”或“-”键设置参数值,操作时报站器会播报所选的参数值,即“中文”、“英文”或“中英文”;最后,再按“FUN”键,报站器会保存参数并提示下一项功能,即“背景音乐选择”。
依次的,每次按“FUN”键,都会保存当前参数并提示下一项功能。
当最后一项参数设置完再按“FUN”键,会提示“保存设置,进入运行模式”,报站器回到运行模式。
运行模式下只有按“FUN”键才可以重新开始参数设置。
在参数设置过程中不响应报站指令,并且在没有语音播放的情况下若超过10秒没有按键操作,则自动保存参数,并回到运行模式,同时提示“保存设置,进入运行模式”。
在设置“背景音乐选择”功能参数时,每次按“+”或“-”修改参数后,除了播报相应参数值“1~10”,随后还会播放相应的背景音乐,在音乐播放结束之前不会启动10秒的操作超时计时,但是可以响应任何按键操作,来结束播放以进行新的设置。
在设置“背景音乐音量”和“报站音量”功能参数时,每次按“+”或“-”修改参数后,除了播报相应参数值“1~16”,随后还会以设定的音量播放相应的背景音乐或报站语。
同样的,在播放结束之前不会启动10秒的操作超时计时,但是可以响应任何按键操作。
四、 高级设置对于需要更改报站语音内容、问候语、广告语以及对不同楼层的特殊配置等操作,需要取出报站器内的SD卡修改卡中的相关文件。
同时SD卡内有关于此类操作的说明文档——《高级设置操作说明》。
语音MP3报站器操作说明书一、主要功能特点:1、电源电压范围:8-36V,适合安装在所有的公交车上;2、音频功放输出功率:内喇叭(25*4W),外喇叭(25W);3、文件存储支持SD卡;4、支持外接音视频输入,实现外接音频和语音报站之间的声音自由切换,共用同一组喇叭输出声音(语音报站器在没有报站时,自动把外接音视频切换到输出端口输出,报站时自动把报站声音切换到音频输出口,报站文件播放完后自动切到外接音视频)本功能根据客户要求可选,如下图显示范例:5、支持语音内外报站功能,在没有报站时,语音报站器会去播放MUSIC文件夹的*.MP3文件,车内喇叭输出声音,外喇叭没有声音输出;报站时内外喇叭同时输出报站声音,本功能根据客户要求可选,如下图显示范例:6、MUSIC音乐播放(1)当插入SD卡,上电自动循环播放SD卡中“music”文件夹的*.MP3音乐节目;如果SD卡中没有MUSIC文件夹或MUSIC文件夹中没有*.mp3文件,则语音报站器上电没有声音输出,只有在按“报站”或按“礼貌”按键时播放相应的报站文件和礼貌用语,平时报站器处于静音状态;(2)每当报站时或者播放礼貌用语时,自动转去播放报站文件或者礼貌用语,播完后,自动转到原来音乐播放的断点处继续播放。
(3)如果当前已经在播放报站文件,或者礼貌用语,则断点不会被记忆。
7、输出端口定义: 见如下图(MIC功能根据客户要求可选)司机可以通过MIC对车内乘客进行广播二、面板功能按键定义说明:1、线路切换上电后,自动初始化线路1的报站节目,如果需要切换线路,可长按“线路”键,直到LED 上显示“-XXX”,XXX为当前的线路号。
此时,按“进一站”,“退一站”可对线路号进行调整,直到调整到需要的线路。
按“上/下行”键可对当前调整到的线路号进行确认。
确认后,系统会自动重新初始化,并开始播放音乐节目。
2、音量调整按“线路”键,可以在正常显示和音量显示状态下切换,当显示“U”音量时,“进一站”,“退一站”可对当前音量进行调整。
报站器软件操作说明书
V1.0
一、概述
该软件主要适用于我司调度屏报站配置,通过该软件可对报站内容、公共用于等信息进行编辑,导入、导出,方便用户配置。
二、使用说明
1.打开我司光盘,可看到报站器配置客户端,双击打开可进
入配置界面;
2.站名编辑,共可编辑90个站名,编辑好站名后,连接报站器,选择下载参数到报站器;
3.公共用语编辑,共可编辑10条公共用语;
4.其他:设置起步用语、到站用语、发音声音、播报类型、线路名称等;
5.导入参数:用户可将导出的参数,通过导入参数按钮,实现参数导入功能;
6.保存参数:设置好参数后,点击保存参数,保存当前设置的值;
7.测试GPS:(内部测试使用,其他用户目前暂无法使用)
8.读取参数:连接好设备后,点击读取参数,可获取出当前设备的参数;
9.下载参数:配置好参数后或修改过新的参数值后,点击下载按钮,可把当前参数下载到调度屏,重启调度屏后,可显示新的参数;
10.退出:选择退出按钮,退出程序;。
公交报站机的操作方法
公交报站机的操作方法如下:
1. 开启报站机电源:通常在报站机的背面或底部有一个开关,将开关打开即可开启报站机的电源。
2. 选择报站方式:报站机通常有多种报站方式可供选择,例如文字报站、语音报站、图像报站等,根据实际需要和设备功能选择相应的报站方式。
3. 设置报站内容:根据需要,设置报站机要报出的具体站点名称或数字编号等信息。
4. 设置自动报站时间间隔:报站机通常有自动报站功能,可以设置报站时间间隔,即每隔多少秒自动报站一次。
5. 确定报站模式:报站机通常有手动和自动两种报站模式,如果选择手动模式,则需要手动按下报站按钮才会进行报站。
6. 测试报站功能:在设置完成后,可以进行报站机的测试,确保报站内容正确,声音清晰。
7. 安装和调试报站机:将报站机安装在公交车的合适位置,调整报站机的音量
和报站内容,确保报站机的声音能够清晰传达到车厢内的乘客。
注意事项:
- 操作报站机前,务必阅读并理解报站机的操作说明书。
- 维护人员应定期检查报站机的工作状态和正常运行,及时更换电池或维修设备故障。
- 报站机操作过程中,应该合理安排时间间隔和音量大小,以确保报站信息清晰有效,不影响乘客的正常乘车体验。
在城市的日常生活中,公交车可以说是我们出行的重要选择之一。
然而,在繁忙的城市节奏中,很多时候我们可能会错过下车的站点,或者在陌生的城市里不知道何时下车。
而天迈语音报站器的使用正是在这种情况下能够帮助我们更好地出行。
1. 天迈语音报站器的介绍天迈语音报站器是一款专为公交车设计的智能报站设备。
它采用先进的语音识别技术,可以自动识别公交车当前所在位置,并通过语音提示告知乘客即将到达的站点。
它还可以显示当前所在位置的站点信息,让乘客可以清晰地了解自己的行程。
2. 使用方法天迈语音报站器非常简单易用,只需要按照以下步骤操作即可:- 上车后,请尽量站在车厢内离报站器较近的位置,以确保能够清晰地听到语音提示。
- 当公交车行驶至即将到站的站点时,语音报站器会自动播放报站信息,例如“即将到达XXX站,请做好准备下车”。
- 在车厢内还配备了显示屏,显示当前所在位置的站点名称,方便乘客进行核对。
3. 个人观点和理解天迈语音报站器的使用极大地方便了乘客的出行,特别是对于老年人、外地游客或者行动不便的乘客来说,更是一项贴心的设计。
通过语音提示和显示屏,乘客可以清晰地了解自己的位置,避免错过下车站点,提高出行的便利性和舒适度。
总结回顾在城市出行中,公交车天迈语音报站器为乘客提供了更加方便、准确的出行体验。
通过先进的技术,它能够准确识别乘车的位置并及时进行语音提示,同时配备显示屏让乘客确认自己的位置。
我相信随着技术的不断进步,类似智能设备的出现将会给我们的生活带来更多便利,让我们的出行更加轻松愉快。
通过以上的文章撰写,我尽可能从多个角度对公交车天迈语音报站器进行了全面评估和深度探讨,并按照需求提及了指定的主题文字。
希望这篇文章能够帮助您更加深入地了解这一话题。
天迈语音报站器的出现,无疑给城市的公交出行带来了极大的便利和舒适性。
作为一种智能设备,它采用先进的语音识别技术,完全可以满足乘客在公交出行中对信息获取的需求。
在繁忙的城市节奏中,很多时候我们可能会错过下车的站点,或者在陌生的城市里不知道何时下车。
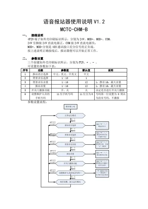
语音报站器使用说明V1.2MCTC-CHM-B一、接线说明4PIN端子如外壳印刷标识所示,分别为24V、MOD+、MOD-、COM。
24V引脚接24V直流电源正,COM接24V直流电源负;MOD+、MOD-分别是485通讯接口差分信号的正负端。
按上述说明正确接线后,报站器便可以开始正常工作。
二、参数设置三个按键如外壳印刷标识所示,分别为FUN、+ 、- 。
参数设置流程说明:(上电默认进入运行模式,可以进行设置操作)首先,按FUN键,报站器会提示功能1,即“报站语言选择”;然后,按“+”或“-”键设置参数值,操作时报站器会播报所选的参数值,即“中文”、“英文”或“中英文”;最后,再按“FUN”键,报站器会保存参数并提示下一项功能,即“背景音乐选择”。
依次的,每次按“FUN”键,都会保存当前参数并提示下一项功能。
当最后一项参数设置完再按“FUN”键,会提示“保存设置,进入运行模式”,报站器回到运行模式。
运行模式下只有按“FUN”键才可以重新开始参数设置。
在参数设置过程中不响应报站指令,并且在没有语音播放的情况下若超过10秒没有按键操作,则自动保存参数,并回到运行模式,同时提示“保存设置,进入运行模式”。
在设置“背景音乐选择”功能参数时,每次按“+”或“-”修改参数后,除了播报相应参数值“1~10”,随后还会播放相应的背景音乐,在音乐播放结束之前不会启动10秒的操作超时计时,但是可以响应任何按键操作,来结束播放以进行新的设置。
在设置“背景音乐音量”和“报站音量”功能参数时,每次按“+”或“-”修改参数后,除了播报相应参数值“1~16”,随后还会以设定的音量播放相应的背景音乐或报站语。
同样的,在播放结束之前不会启动10秒的操作超时计时,但是可以响应任何按键操作。
系统发生故障后,报站器先播报安抚语,若检测到设置的维保人员手机号码第一位不是“0”则播报11位手机号,并播两遍,完后播背景音乐(音量减轻)。
在故障状态,每一分钟播报一次安慰语和两遍手机号。
WHB-11B型GPS报站器V2.02操作手册一、功能描述1.GPS定位自动报站;起点、终点开机自动切换上下行;中途断电记忆上下行状态。
2.手动报站。
3.同时拷贝多条线路(最多99条线路),可自由切换线路4.车辆转弯提示语播报。
5.车辆超速提示语播报,可对不同的多个任意区段设置不同的限速值。
6.整点报时。
7.可选择分时段(三个时间段)启用外喇叭播报。
8.4条服务语(含1条转弯提示语,3条自定义服务语)手动选择播报。
9.自动同步GPS时间显示。
10.前置标准USB接口,可直接插入U盘或使用USB直连线连接PC,更新语音及GPS线路数据(语音及GPS线路数据由上位机软件制作生成),高速传输(一般一条线路的语音和数据只需十几秒);可一次拷贝多条线路,由上位机软件制作生成语音及GPS线路数据。
11.语音加密,保证安全性。
12.双色屏及外屏同步显示支持。
二、控制面板图解说明按键功能说明:①键功能:服务语1;指示灯:亮(有GPS信号),灭(无GPS信号)②键功能:服务语2;指示灯:亮(上行状态)③键功能:服务语3;指示灯:亮(下行状态)④键功能:服务语4(转弯);指示灯:亮(USB设备模式)⑤键功能:电源开关;指示灯:亮(电源开),闪烁(电源关),灭(无电源)⑥键功能:+/移站⑦键功能:-/移站⑧键功能:完成⑨键功能:切换(上下行);长按:传输⑩键功能:重复(上次播放);长按:功能三、基本操作1.上电:接通电源,报站器缺省为开机状态,系统进入初始化过程,数码显示屏将显示当前线路号(H开头表示空调车,L开头表示普通车),继而显示当前时间。
初次上电,GPS模块将会有1到5分钟的搜星时间,当搜索到3颗及以上卫星时,GPS开始定位,GPS指示灯(灯①)亮,同时数码屏将被同步为GPS时间显示。
报站器默认显示记忆的上下行状态,当车位于上行或下行起点站时,报站器会根据GPS数据自动切换上下行。
2.开关机:正常工作时,按下电源开关(键⑤),报站器关机,同时,电源指示灯(灯⑤)闪烁,再次按下电源开关,报站器开机,电源指示灯(灯⑤)常亮。
一、键功能及操作方法1.1 按键分布操作屏右侧从左至右,自上向下,设有数字键【F1】,【F2】,【F3】,【F4】,【F5】,【F6】,【F7】,【F8】,【播放】,【重/退】,【自/手】,【报警】,【电话】,【菜单】,【+/9】,【-/0】,共16个按键1.2 数字键(【F1】,【F2】,【F3】,【F4】,【F5】,【F6】)在常规界面下,按此键,播报对应服务用语。
如:“请给需要帮助的乘客让个座,谢谢”等一类公交车辆服务用语。
在输入司机编号、密码、音量大小时,就是数字键,【+/9】,【-/0】可复用为数字9,0。
1.3 【播放】键常规界面,按此键,手动语音报站。
在菜单界面下,按此键,表示确认选择。
1.4 【重/退】键常规界面,按此键,重播前次语音。
在菜单界面下,按此键退出当前菜单界面,返回上一级菜单或者退出菜单界面。
1.5 【自/手】键按此键进行自动语音报站和手动语音报站之间切换。
在显示屏下方第四行中的右侧第一个状态位表示报站状态,ZD对应自动,SD对应手动。
1.6【报警】键按下此键后,车载设备会立即向中心发送报警报告,表示车上有情况。
1.7【电话】键按此键可以接听来电,或者向中心拨打电话。
1.8 【菜单】键按此键,进入菜单。
然后可进行相应操作。
1.9 【+/9】,【-/0】键按“+”键,下翻按“-”键,上翻二、报站器操作屏显示常态显示(常规显示)常态显示是指智能终端在正常行驶时,无超速、调度短信接收时显示的内容,如下图所示:显示屏解释:第一行:“15路”:线路号,▲:为上行标志,倒置为下行标志;“001”:当前站号;表示进站,表示出站。
第二行: “V:020”:当前时刻该车辆行驶速度值;“L:060.0”:当前路段上的限速值。
第三行: 2010/ 01/21 16:00:当前日期、时间;第四行: GPS :表示GPS信号有效;当为“NO”时,表示无GPS信号。
GPRS:表示GPRS信号有效;当为”NO”表示GPRS通信断路;本机使用时该状态位正常显示为WORK,表示本机处于正常工作状态。
深圳明进康GPS报站器使用说明书(版)深圳明进康电子有限公司Shenzhen mjk-tech Technology Co., Ltd.1报站器简介1.1概述本报站器是一款应用于公交自动报站的智能设备。
它集简洁、方便、灵活的特点于一体,广泛应用于公交系统中。
它适用于深圳明进康大部分DMP产品。
报站器外观及设备安装外观图片报站器按键图片2. GPS报站器主机图片天线连接与安装方法图片模块与系统连接图2报站器相关软件的使用方法报站器系统软件由三部分组成:设备端软件,需支持报站功能。
配置文件编辑(客户自己做的报站文件);录音文件格式转换工具(客户可以自己制作)。
3报站器操作3.1报站数据的导入复制报站文件有两种方法:1)用PC机直接拷贝到将CF卡报站器的配置文件拷入CF卡中。
2)通过播放器的USB接口将CFG报站配置文件添加到本机的CF卡中。
3.2报站器软件的运行报站模式:a)自动报站:是指车辆行驶到公交站台根据自己已经要采集到的GPS数据进行自动报站。
b)手动报站:是指车辆行驶到公交站台需人为按下报站器上的3.3报站器的按键说明此报站器总共有10个按钮、1个指示遥控接收和一个显示屏幕。
【正常报站模式】:LED显示信息:第一个LED 8 显示:线路信息第二个LED 8 显示:线路上下行第三和第四个LED 8 显示:编号站台信息,最多显示支持 99个站台信息a)按“ (重复)”键,重复播报上次内容。
如:上次播报的是“车辆起步,请坐稳扶好,注意安全,下一站…”,按一下此键,重复播报这条语音。
显示屏上显示当前播报内容名。
b)按“礼貌1”,报站器将播报设定好的1条服务用语。
如没有服务用语,不播报。
显示屏上显示播报的服务用语名。
c)按“礼貌2”,报站器将播报设定好的2条服务用语。
如没有服务用语,不播报。
显示屏上显示播报的服务用语名。
d)按“礼貌3”,报站器将播报设定好的3条服务用语。
如没有服务用语,不播报。
显示屏上显示播报的服务用语名。
一、键功能及操作方法1.1 按键分布操作屏右侧从左至右,自上向下,设有数字键【F1】,【F2】,【F3】,【F4】,【F5】,【F6】,【F7】,【F8】,【播放】,【重/退】,【自/手】,【报警】,【电话】,【菜单】,【+/9】,【-/0】,共16个按键1.2 数字键(【F1】,【F2】,【F3】,【F4】,【F5】,【F6】)在常规界面下,按此键,播报对应服务用语。
如:“请给需要帮助的乘客让个座,谢谢”等一类公交车辆服务用语。
在输入司机编号、密码、音量大小时,就是数字键,【+/9】,【-/0】可复用为数字9,0。
1.3 【播放】键常规界面,按此键,手动语音报站。
在菜单界面下,按此键,表示确认选择。
1.4 【重/退】键常规界面,按此键,重播前次语音。
在菜单界面下,按此键退出当前菜单界面,返回上一级菜单或者退出菜单界面。
1.5 【自/手】键按此键进行自动语音报站和手动语音报站之间切换。
在显示屏下方第四行中的右侧第一个状态位表示报站状态,ZD对应自动,SD对应手动。
1.6【报警】键按下此键后,车载设备会立即向中心发送报警报告,表示车上有情况。
1.7【电话】键按此键可以接听来电,或者向中心拨打电话。
1.8 【菜单】键按此键,进入菜单。
然后可进行相应操作。
1.9 【+/9】,【-/0】键按“+”键,下翻按“-”键,上翻二、报站器操作屏显示常态显示(常规显示)常态显示是指智能终端在正常行驶时,无超速、调度短信接收时显示的内容,如下图所示:显示屏解释:第一行:“15路”:线路号,▲:为上行标志,倒置为下行标志;“001”:当前站号;表示进站,表示出站。
第二行: “V:020”:当前时刻该车辆行驶速度值;“L:060.0”:当前路段上的限速值。
第三行: 2010/ 01/21 16:00:当前日期、时间;第四行: GPS :表示GPS信号有效;当为“NO”时,表示无GPS信号。
GPRS:表示GPRS信号有效;当为”NO”表示GPRS通信断路;本机使用时该状态位正常显示为WORK,表示本机处于正常工作状态。
CP3报站器使用说明书(V1.0版)深圳市锐明视讯技术有限公司Shenzhen Streaming Video Technology Co., Ltd.目录1报站器简介 (3)1.1概述 (3)1.2报站器外观及说明 (3)1.2.1外观 (3)1.2.2外观说明 (3)1.2.3按键功能说明: (4)1.2.4界面说明 (5)1.3报站器参数设置........................................................................错误!未定义书签。
1.3.1系统设置..............................................................................错误!未定义书签。
1 报站器简介1.1 概述本报站器是一款应用于公交自动报站的智能设备。
它集简洁、方便、灵活的特点于一体,广泛应用于公交系统中。
它适用于锐明视讯大部分3系列的MDVR产品。
1.2 报站器外观及说明1.2.1 外观第三代报站器<图1>1.2.2 外观说明此报站器共有17个按键、1个显示屏、1个内置喇叭。
1.按键分两类:a) 0-9数字键:播报报站文件设定对应数字键的服务用语或数字快捷键发送的短信。
如没有设定语音,不播报。
b) 功能键:除数字键外的所有按键,用于设备的操作和配置。
2. 显示屏:显示车辆行驶信息、站点信息、时间信息。
3. 内置喇叭:用于IP通话、短信阅读、播报超速报警语音。
4. 方向键旁边的符号,表示可以在此处刷卡上班。
1.2.3 按键功能说明:a) 按“数字键1-5”,报站器将播报设定好的5条服务用语。
如没有服务用语,不播报。
例:按数字键【1】,车内喇叭播报语音:“车上人多,乘客们请保管好随身物品”。
b) 按“数字键6—0”,快捷发送设定好的短信,如没有设定,不发送。
例:按数字键【9】,发送“请求排班”短信。
GPS自动报站器Product DatasheetGPS自动报站器 (1)1.概述 (2)2.产品外观 (2)2.1 报站器正面 (2)2.2 报站器背面 (3)2.3 报站器侧面 (3)3.操作说明 (3)3.1 报站器按键功能说明 (3)3.2 报站音量设置 (4)3.3 线路选择 (4)3.4 调整上下行 (4)3.5 设置对应的司机编号 (4)3.6 采集经纬度 (5)4.报站语音录入及编排 (5)4.1 如何录入报站语音 (5)4.1.1录入报站语音文件说明 (5)4.1.2线路文件夹说明 (5)4.1.3配置表格说明 (6)4.2 报站语音编排 (6)4.2.1起点站语音编排 (6)4.2.2中途进站语音编排 (6)4.2.3中途出站语音编排 (7)4.2.4下站为终点站时语音编排 (7)4.2.5终点站语音编排 (7)4.3 服务用语编排 (7)4.4 音乐文件编排 (7)5.设备安装 (7)5.1 连接电源及喇叭 (7)5.2 安装GPS天线 (8)6.技术参数 (8)概述随着目前公交事业的不断发展,带动了公交配套设施的不断更新、改进,因而公交车报站器就成为了当今公交车必不可少的配套设备。
本公司博采各家所长,在“MP3语音报站器”基础上研发出了GPS自动语音报站器,它采用GPS全球卫星定位系统测量技术与高品质MP3解码技术相结合的方式,完全智能化、人性化。
彻底改变了传统公交车语音报站器必须由司机操控才能工作的落后方式,进站、出站自动播报预报站名及服务用语,准确、及时、完全不需要人工介入,是公交车等报站的一项技术革命。
具有全自动插播广告功能,界面简单稳重,操作方便灵活,质量可靠,软件操作简单,维修方便且成本低。
具有众多优点本产品功能特点:报站功能:GPS自动报站。
广告多语种支持功能:多种语言报站,语音优美并且随便插入音乐和广告语产生更多经济效益。
稳定性、抗干扰性能好:主控采用进口PIC MCU,语音解码部分采用本公司成熟的MP3解码模块,极大提高元器件的抗干扰能力和稳定性。
GPS自动报站器Product DatasheetGPS自动报站器 (1)1.概述 (2)2.产品外观 (2)2.1 报站器正面 (2)2.2 报站器背面 (3)2.3 报站器侧面 (3)3.操作说明 (3)3.1 报站器按键功能说明 (3)3.2 报站音量设置 (4)3.3 线路选择 (4)3.4 调整上下行 (4)3.5 设置对应的司机编号 (4)3.6 采集经纬度 (5)4.报站语音录入及编排 (5)4.1 如何录入报站语音 (5)4.1.1录入报站语音文件说明 (5)4.1.2线路文件夹说明 (5)4.1.3配置表格说明 (6)4.2 报站语音编排 (6)4.2.1起点站语音编排 (6)4.2.2中途进站语音编排 (6)4.2.3中途出站语音编排 (7)4.2.4下站为终点站时语音编排 (7)4.2.5终点站语音编排 (7)4.3 服务用语编排 (7)4.4 音乐文件编排 (7)5.设备安装 (7)5.1 连接电源及喇叭 (7)5.2 安装GPS天线 (8)6.技术参数 (8)概述随着目前公交事业的不断发展,带动了公交配套设施的不断更新、改进,因而公交车报站器就成为了当今公交车必不可少的配套设备。
本公司博采各家所长,在“MP3语音报站器”基础上研发出了GPS自动语音报站器,它采用GPS全球卫星定位系统测量技术与高品质MP3解码技术相结合的方式,完全智能化、人性化。
彻底改变了传统公交车语音报站器必须由司机操控才能工作的落后方式,进站、出站自动播报预报站名及服务用语,准确、及时、完全不需要人工介入,是公交车等报站的一项技术革命。
具有全自动插播广告功能,界面简单稳重,操作方便灵活,质量可靠,软件操作简单,维修方便且成本低。
具有众多优点本产品功能特点:➢报站功能:GPS自动报站。
➢广告多语种支持功能:多种语言报站,语音优美并且随便插入音乐和广告语产生更多经济效益。
➢稳定性、抗干扰性能好:主控采用进口PIC MCU,语音解码部分采用本公司成熟的MP3解码模块,极大提高元器件的抗干扰能力和稳定性。
北京网智运通科技有限公司GPS自动报站器使用说明书MODE: SG-GPS-ARMV30北京网智运通科技有限公司北京网智运通科技有限公司第一章概述 (1)第二章安装与接线 (2)2.1 装箱单 (2)2.2外形尺寸和安装说明 (2)2.2.1 SG-GPS-ARMV30自动报站器安装 (2)2.2.2 GPS天线安装 (4)2.3接线定义 (4)2.4安装说明 (5)2.4.1安装环境要求 (5)2.4.2安装注意事项 (6)2.4.3 安装部件和材料要求 (6)第三章操作说明 (7)3.1按键定义 (7)3.2按键定义说明 (7)3.3操作步骤(仅供司售人员操作) (8)3.3.1 开机 (8)3.3.2 自动报站 (10)3.3.3 手动报站 (10)3.3.4 关机 (11)3.3.5 误操作 (11)3.4菜单操作(仅供技术人员操作) (11)3.4.1线路设置 (14)3.4.2 GPS设置 (18)3.4.3本机设置 (24)第一章概述感谢您使用SG-GPS-ARMV30自动报站器。
本手册提供用户关于安装、运行操作、异常诊断等方面的使用方法,为确保SG-GPS-ARMV30自动报站器的稳定运行,在安装使用之前,请仔细阅读本说明书并妥善保存。
SG-GPS-ARMV30自动报站器是专为公交系统设计的一款自动报站,控制车内信息提示屏和电子路牌的智能化报站产品。
它采用了嵌入式微处理器和嵌入式系统,结合了USB通信技术、RS485通信技术,实现了线路的自动报站和电子路牌的中央控制,信息下载及线路管理。
外观简洁、抗震,安装灵活方便,功能强大,系统运行稳定,可广泛应用于城市公交系统。
SG-GPS-ARMV30自动报站器具有以下功能:GPS定位,无需人工干预,实现自动报站;MP3语音报站,语音清晰悦耳;手持话筒,方便乘务员提醒乘客;与车内显示屏联动,实现文字显示与语音同步;与车外路牌联动,自动更新线路号和起始站点;可以保存多条线路(4/8/16),方便车辆调度;液晶屏显示,可以清晰显示线路号、车辆上下行方向、站点等信息;键盘控制(10个按键),方便设置或手动报站;SD卡接口,用于线路、语音、GPS数据下载;每个站点的GPS信息两点标定,实现精确报站,GSP数据可以以文件的形式保存在SD卡中,便于和线路、语音文件一起下载宽电源输入:DC 9~36V第二章安装与接线2.1 装箱单装箱清单2.2外形尺寸和安装说明2.2.1 SG-GPS-ARMV30自动报站器安装仪表台开一个180*52方孔将报站器嵌入用4只M4*12自攻螺钉固定SG-GPS-ARMV30自动报站器外形尺寸图自动报站控制器安装示意图2.2.2 GPS 天线安装将天线接收头置于车顶,信号接收头应用密封胶做防水密封。
报站器使用说明书(V1.9版)目录1报站器简介 (3)1.1概述 (3)1.2报站器外观及设备安装 (3)1.2.1外观 (3)1.2.2连接与安装方法 (3)2报站器相关软件的使用方法 (6)2.1报站配置文件的生成 (6)2.2录音文件的转换工具(Audio_converter.exe) (15)2.3录音文件转换工具Eufony(目前主要针对mini 4路和X2时采用) (19)3报站器操作 (24)3.1报站数据的导入 (24)3.2报站器软件的运行 (25)3.3报站器的按键说明 (25)3.4GPS数据采集方法 (27)1 报站器简介1.1 概述本报站器是一款应用于公交自动报站的智能设备。
它集简洁、方便、灵活的特点于一体,广泛应用于公交系统中。
它适用于锐明视讯大部分MDVR产品。
1.2 报站器外观及设备安装1.2.1 外观图1报站器1.2.2 连接与安装方法1. 把魔术贴的其中一半贴在报站器背面,另外一半贴在司机的左手边便于司机操作的位置,报站器依靠两魔术帖固定于车上。
2. 报站器的连线有两种:分为黑色线和白色线两种●黑色线接线的方法是:红色:接第6脚(+5V)、白色:接第24脚(地)、棕色:接第7脚(485(2)A)、蓝色;接第25脚(485(2)B),相连时应走暗线,必须走明线时,尽量保持隐蔽美观。
●白色线接线的方法是:红色:接第6脚(+5V)、黄色:接第24脚(地)、黑色:接第7脚(485(2)A)、绿色;接第25脚(485(2)B),相连时应走暗线,必须走明线时,尽量保持隐蔽美观。
具体接线方法如图2和图3:表1报站器黑色线接线表表2报站器白色线接线表2 报站器相关软件的使用方法报站器系统软件由三部分组成:●设备端软件,需支持报站功能。
●配置文件编辑工具;●录音文件格式转换工具。
2.1 报站配置文件的生成运行配置工具ReportStation.exe,屏幕弹出以下界面:图4报站器编辑工具【创建】:用于新建一个新的配置文件;点击进入创建界面图5创建配置文件第一步:在红圈1中点击【增加】输入公交线路的名称,点击【修改】可以对当前显示的线路名称进行修改,也可以点击【删除】去掉该线路;第二步:站点录音文件的录入只有两类输入法:批量导入和逐个录入批量导入:1)点击【浏览】找到放置站点录音文件的路径,每个站点需要制作两个录音文件。
报站器快速使用说明
1、电源和喇叭线接线方式
脚位 1 2 3 4 5 6
定义AOUT-L GND 电源正AOUT-R NC 电源地
颜色绿色黑红蓝色空黑接线说明:
第1脚,绿色线,是设备内音哈喇正极(左声道);
第2脚,黑色线,GND-地线,为喇叭负极,左右声道共用;
第4脚,蓝色线,是设备外音哈喇正极(右声道);
第3脚,红色线,接电源正极;
第6脚,黑色线,电源地(黑)接电源负极;
第5脚,为空脚。
2、踩点
①、设备接上GPS天线,GPS天线放室外空旷处,等待界面GPS显示“定位”;如下图:
②、上路踩点;设备进菜单“坐标采集”,到达相应站点后按下【确认】键即可采集对应站点信息并自动保存到相应的表格,光标会自动跳至下一站点,且设备最底部会显示下一站名称。
若采集过程中发现错误可以将光标移至对应的编号再次采集覆盖原有经纬度;如下图表:
③、踩点位置:接近站台2~5m左右处;
④、线路坐标采集完成后,重启设备,按既定线路即可自动报站。
3、文件制作
例:添加一条线路:102路
①、在bus文件夹下新建文件夹命名为“102”;
②、在102文件夹中添加“102S.csv”和“102X.csv”两个文件,以及该线路所有站点音频文件(.mp3);
③、编辑“102S.csv”和“102X.csv”两个表格;
④、把本站的线路名音频(102.mp3)放到“线路名称”文件夹中;
⑤、打开bus下的“line.csv”文档,按照格式添加线路名;
⑥、在“102”文件夹下同时把对应站点语音放进去。
4、设备升级
方法A:
把要升级的固件文件update.img放到SD(2G内)卡中,再把SD卡插到报站器的SD卡槽,重启设备,LCD屏此时会黑屏,等待10S钟左右,设备显示主界面,升级完成,拔出SD卡,升级完成。
方法B:
把要升级的固件文件updata.img,拷贝至设备根目录下,重启设备,LCD屏此时会黑屏,等待10S钟左右,设备显示主界面,升级完成(升级完成后,原本拷贝在根目录下的固件文件updata.img会自动删除,不影响下次重启)。
5、文件拷贝
在使用报站器的时候,有时需要编辑站点表格文档或者语音文件,这时可以把报站器和电脑通过USB线连接,在电脑上对报站器中的配置文件进行操作,步骤如下:
1、接好线后按下“电话”按键
2、进入菜单,选择连接PC
3、电脑上出现盘符,把磁盘格式化为FAT文件类型
4、将做好的文件拷贝至报站器
5、拷贝完成按确认键重启设备即可(如下文件结构)
报站器常见问题说明
1、Q:手动按下“报站”按钮,个别站点不报站
A:检查线路表格中“报站语音”和对应.mp3站点语音名称是否一致,并且不能超过4个字
2、Q:个别站点不自动报站,但是手动能够报站
A:站点经纬度采集有误,重新采集
3、Q:报站器报站声音很小
A:检查报站器音频输出线负极是否接上,绿线和蓝线接喇叭正极,中间黑色线接喇叭负极;同时检查设备“报站设置”下的音量
4、Q:站名不能再报站器上显示,切换线路显示线路切换失败
A:线路表格有问题,严格按照出厂设备文件样来做;检查线路表格中“站名”栏下,所列站名是否在7个字以内,并且站名尾部是否有“空格”字符
5、Q:报站器界面GPS无法定位
A:检查天线是否放在空旷处;若设备第一次定位需较长时间,一般在2~3分钟左右,请等待
6、Q:设备自动报站时是否提前报站?提前多久
A:提前报站,提前报站距离按线路表格中“站前里程”栏下数据,20就表示距离站点20m处开始报站
7、Q:设备用USB线接上PC机后,PC机上没有盘符出现
A:设备用USB线连接后,需长按设备上有“电话”标识的按键,然后选择连接电脑方可
8、Q:为何连上LED屏之后LED屏无反应,不能显示
A:每个客户的LED屏的控制卡不一样,因此要客户提供自己屏控制卡的协议,由我司定制程序投币机、DVR、刷卡机等外接设备的对接也一样。