ACS 510 恒压供水参数
- 格式:xlsx
- 大小:9.93 KB
- 文档页数:1
ABBACS510变频器主要参数设定ABBACS510变频器是ABB公司生产的一款中低压变频器,主要用于驱动各种电动机,在各种工业场合中广泛应用。
变频器主要参数的设置包括输入电压、输出电压、额定频率、输出电流、过载能力、过程控制参数等。
以下是ABBACS510变频器主要参数的设定详解:1.输入电压:输入电压表示变频器工作时的电源电压。
一般情况下,输入电压为380V/400V/415V/440V等,根据实际电源的电压来决定。
在设备安装前,需要确认设备的输入电压,以免发生设备损坏或发生故障。
2.输出电压:输出电压表示变频器对电机的输出电压。
输出电压的设定要根据电机的额定电压来进行调节。
一般情况下,输出电压与输入电压相同,但是也可以通过变频器的参数设定进行调节。
在设备调试和运行过程中,需要保持输出电压的稳定,在电机额定电压的范围内进行调节。
3.额定频率:额定频率表示电机的额定工作频率。
一般情况下,额定频率为50Hz或60Hz,根据实际需求来进行设定。
在实际工作中,需要根据生产工艺的要求以及电源的供电频率来确定变频器的额定频率。
4.输出电流:输出电流表示变频器对电机的输出电流。
输出电流的设定取决于电机的额定电流和负载要求。
根据实际需要进行设定,将输出电流控制在电机额定电流的范围内。
5.过载能力:过载能力表示变频器对负载的适应能力。
在设备运行中,可能会出现瞬时的负载过大的情况,要求变频器具有一定的过载能力,能够稳定地工作并驱动负载。
6.过程控制参数:过程控制参数包括加速时间、减速时间、PID参数等。
加速时间和减速时间表示电机从静止状态到额定转速或从额定转速到静止状态的时间。
PID参数表示变频器对于开闭环控制的参数,实现对负载的精确控制。
以上是ABBACS510变频器主要参数的设定。
在实际使用过程中,需要根据具体的应用要求和工艺要求进行参数的设定,并进行调试和优化,以保证变频器的正常运行。
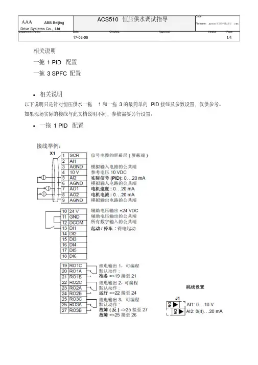
相关说明一拖1 PID配置一拖3 SPFC配置相关说明以下说明只是针对恒压供水一拖1和一拖3的最简单的PID接线及参数设置,仅供参考。
如果现场实际的接线与此文档说明不同,参数需要另行设置。
一拖1 PID配置接线说明:1)电压输出型仪表,例如远程压力表(量程0-10V)的三根线按标识接4,5,6端子(内阻要求1K?-10K?),同时要把端子排上头的跳线J1中的AI2 拨码拨到左边(如上图),此信号为实际压力反馈值;如果是电流输出型压力传感器的两根线就接5,6端子,同时要把端子排上头的跳线J1中的AI2 拨码拨到右边(如上图);2) 11,12短接;3) 10和13接通是启动信号。
参数设置:(以下是不同于PID默认参数的设置)参数设定值99.02 6=PID控制宏10.02 1=DI1控制启停11.02 7=外部216.01 0=不需要启动允许信号13.04 20%(实际信号为4-20mA或2-10V 时)40.10 19(内部设定给定值)40.11 设定压力值(压力表满量程的百分数)一拖3 SPFC配置接线说明:1)电压输出型仪表,例如远程压力表(量程0-10V)的三根线按标识接4,5,6端子(内阻要求1K?-10K?),同时要把端子排上头的跳线J1 中的AI2 拨码拨到左边;(如上图),此信号为实际压力反馈值;如果是电流输出型压力传感器的两根线就接5,6端子,同时要把端子排上头的跳线J1中的AI2 拨码拨到右边(如上图);2) 11,12短接;3) 10和13接通是启动信号;4) 10和16,17,18接通是三台泵的启动联锁信号;5) 3个继电器分别接三台泵。
参数设置:(以下是不同于SPFC宏默认参数的设置)参数设定值99.02 15=SPFC控制宏10.02 1=DI1控制启停11.02 7=外部216.01 0=不需要启动允许信号14.01 31=PFC控制14.02 31=PFC控制14.03 31=PFC控制13.04 20%(实际信号为4-20mA 时或2-10V 时)40.10 19(内部设定给定值)40.11 设定压力值(压力表满量程的百分数)81.17 2=辅机数量81.27 3=电机数量。
ABB ACS510低压交流传动变频器PID控制恒压的设置方法1、必须设置成远程控制模式才可以用电气柜上的二档开关控制变频器的手动电位器调频、停止和根据端子AI1反馈量PID控制。
这步需要按变频器操作面板上的LOC/REM按钮,按此按钮使变频器屏幕上左方显示REM。
2、设置99组应用宏中的9902为PID宏。
3、若硬件端子上远传压力表接在AI1上,则设置40组的4016为AI1输入,具体数值见说明书。
电阻式远传压力表与端子的链接方法:低端接AGND,中端接AI1,高端接10V。
(有时在高端与10V间又串了个精确电阻是为了让电流小于变频器端子要求的最小电流)附:如何判断使用中的三线电阻式远传压力表(1MPA)的低中高端答:分别量三线间的电阻,若某两端电阻为压力表的最大电阻如:400欧姆,则这两端为低端或者高端不能确定,但肯定的是为接入的那条线为中端。
此时观察压力表指针所在位置,以中端为一端,分别测量其与未判断出高低的两线,若此时指针大于,则刚测两电阻值较大的为中端与低端,较小的为中端与高端。
若指针小于,则相反。
4、当压力表高端与10V间串了个精确电阻时,计算保持的压力对应的PID百分量是有变化的是不易的,(例如,1MPA量程的表,若想保持在的压力,PID的设置将不再是50%),此时有个非常好的方法,不需要计算也可实现设定合适的PID数值,即观察变频器的01状态组的0130,这里显示的是压力表的反馈值,例如40%。
这个状态非常有用,有了它,你不需要再换算。
5、将4011数据设置成比0130中反馈值大的某数,比如0130为40%,将4011(PID设定值功能项)设置成50%,此时变频器开车,再看0130状态,由于反馈值在增大以趋近于50%,此过程观察压力表是否达到你需要的压力,并记住当达到你需要的压力时0130的数值,并将等值的数输入到4011中,即可实现PID控制。
若所需压力的反馈量不在40%-50%这个区间,用此方法再调大4011中的数值,并用我刚才所叙述的方法调试,直到满意为止。
ACS510/550恒压供水一拖三接线及调试一、变频器接线图系统图参见ACS510手册P126、P127二、参数设置及说明此图的给定信号来自变频器内部9902=> 15(SPFC控制宏)9905=>电机额定电压9906=>电机额定电流(选取三电机中最大值)9907=>电机额定频率9908=>电机额定转速9907=>电机额定功率(选取三电机中最大值)1002=>6(DI6)1003=>1(FORW ARD)1102=>7(EXT2)1304=>如压力表是4~20mA,应设为41401、1402、1403=>31(PFC)1601=>2(DI2)4010=>194011=>定义内部给值8117=>2(辅机数量)8718=>自动切换间隔(>0才有效)8120=>38123=>2(循环软启)8127=>3(电机数量)8109(起动频率)、8112(停止频率)、8115(辅机起动延时时间)8115(辅机停止延时时间)=>说明:f最小 <8112<8109<f最大81组其余参数请结合ACS510手册及现场实际设置如需要睡眠功能:4022=>7(内部)4023=>说明:f最小<40234024、4026=>睡眠延时、唤醒延时4025=>唤醒偏差三、循环工作时序:1、ROI(继电器1)吸合,这样接触器K1也吸合,M1变频起动。
2、如果压力不够,准备将M2投入。
于是:●变频器暂时停机,RO1断开,K1断开;●RO2吸合,因此K2吸合,M2投入变频;●RO1吸合,因此K1.1吸合保持,M1投入工频。
3、如果压力还不够,准备将M3投入,于是:●变频器暂时停机,RO2断开,因此K2断开,K1.1保持,M1继续工频运行●RO3吸合,因此K3吸合,M3变频●RO2吸合,因此K2.1吸合并保持,M2投入工频4、如果此时M1、M2工频运行,M3变频,实际压力高于给定压力●RO1断开,这时K1.1掉电,M1停止工频运行5、如果实际压力仍高于给定压力●RO2断开,这时K2.1掉电,M2停止工频运行,只有M3变频运行6、如果此时压力又不够,这时:●RO3断开,K3断开停止变频器运行●RO1闭合,K1吸合,M1变频运行●RO闭合,K3.1吸合并保持,M3工频运行7、注意:在电机起动之前,可以随意将S1、S2和S3开关拨动零位和手动位,这样变频器就找不到该位的电机。
ABB ACS510低压交流传动变频器PID控制恒压的设置方法1、必须设置成远程控制模式才可以用电气柜上的二档开关控制变频器的手动电位器调频、停止和根据端子AI1反馈量PID控制。
这步需要按变频器操作面板上的LOC/REM按钮,按此按钮使变频器屏幕上左方显示REM。
2、设置99组应用宏中的9902为PID宏。
3、若硬件端子上远传压力表接在AI1上,则设置40组的4016为AI1输入,具体数值见说明书。
电阻式远传压力表与端子的链接方法:低端接AGND,中端接AI1,高端接10V。
(有时在高端与10V间又串了个精确电阻是为了让电流小于变频器端子要求的最小电流)附:如何判断使用中的三线电阻式远传压力表(1MPA)的低中高端答:分别量三线间的电阻,若某两端电阻为压力表的最大电阻如:400欧姆,则这两端为低端或者高端不能确定,但肯定的是为接入的那条线为中端。
此时观察压力表指针所在位置,以中端为一端,分别测量其与未判断出高低的两线,若此时指针大于,则刚测两电阻值较大的为中端与低端,较小的为中端与高端。
若指针小于,则相反。
4、当压力表高端与10V间串了个精确电阻时,计算保持的压力对应的PID百分量是有变化的是不易的,(例如,1MPA量程的表,若想保持在的压力,PID的设置将不再是50%),此时有个非常好的方法,不需要计算也可实现设定合适的PID 数值,即观察变频器的01状态组的0130,这里显示的是压力表的反馈值,例如40%。
这个状态非常有用,有了它,你不需要再换算。
5、将4011数据设置成比0130中反馈值大的某数,比如0130为40%,将4011(PID设定值功能项)设置成50%,此时变频器开车,再看0130状态,由于反馈值在增大以趋近于50%,此过程观察压力表是否达到你需要的压力,并记住当达到你需要的压力时0130的数值,并将等值的数输入到4011中,即可实现PID控制。
若所需压力的反馈量不在40%-50%这个区间,用此方法再调大4011中的数值,并用我刚才所叙述的方法调试,直到满意为止。
精心整理ABBACS510低压交流传动变频器PID控制恒压的设置方法1、必须设置成远程控制模式才可以用电气柜上的二档开关控制变频器的手动电位器调频、停止和根据端子AI1反馈量PID控制。
这步需要按变频器操作面板上的LOC/REM按钮,按此按钮使变频器屏幕上左方显示REM。
2、设置99组应用宏中的9902为PID宏。
3、若硬件端子上远传压力表接在AI1上,则设置40组的4016为AI1端子的链接方法:低端接AGND与10V400欧出高低的两线,,则刚测两电阻值较大的为中端与0.5MPA,则相反。
4、当压力表高端与PID百分量是有1MPA量程的表,若想保持在0.5MPA的压力,PID),此时有个非常好的方法,不需要计算也可实现设定合适的PID数值,即观察变频器的01状态组的0130,这里显示的是压力表的反馈值,例如40%。
这个状态非常有用,有了它,你不需要再换算。
5、将4011数据设置成比0130中反馈值大的某数,比如0130为40%,将4011(PID设定值功能项)设置成50%,此时变频器开车,再看0130状态,由于反馈值在增大以趋近于50%,此过程观察压力表是否达到你需要的压力,并记住当达到你需要的压力时0130的数值,并将等值的数输入到4011中,即可实现PID控制。
若所需压力的反馈量不在40%-50%这个区间,用此方法再调大4011中的数值,并用我刚才所叙述的方法调试,直到满意为止。
PID设置算是初步完成了。
6、用以上方法设置好以后,你会发现电机总是在变频器的低频下运行,这样即功耗大,又损耗电机。
那么我们需要把4022设置成7,具体功能看说明。
再把4025设置一个偏差数。
注:1、表格中没注明的参数,可不用设定。
2、压力给定值由参数4011组设定:4公斤对应40%;5公斤对应50%,依此类推。
3、4019为1.6Mpa时,设为160%;压力表量程为设为250%,依此类推。
ABB——ACS510系列变频器PID控制参数设定,我是用压力传感的一拖一就是99组电机参数输进去,把9902选PID宏,信号要是4-20MA的就直接接AI2上就可以了,电压信号接AI1上,4-20MA的话在13组中将下限调成20%。
继电器有三个,用哪个就把你用的接任何一个上,在14组调你用的功能!15组时变频器输出,要什么反馈值,选上再接反馈线就哦了!稳压参数在40组,睡眠也在这组,自己看下就哦了!你的5分有点少,我调一次北京都得要500,呵呵!看玩笑,有问题给我留言啊!ABB ACS510变频器的压力如何设置参数???浏览次数:2846次悬赏分:0 |解决时间:2009-5-14 16:04 |提问者:陆五lw新买的变频器用与水池供水,一拖三,请问一些参数如何设置问题补充:有一个远传压力表,一台供水,压力不够时启动第二台、第三台加压,用一个控制柜,第一次用ABB的变频器,我不知道参数如何设定,关键是压力值设定的代码,请高手指教我的邮箱:压力设定在40组(因为咱们的一定是稳压控制)具体参数,看你是4-20MA 还是0-10V的,它AI1默认电压信号,AI2默认电流信号。
继电器都选成PFC或SPFC(14组的参数,看你用PFC切泵控制还是SPFC循环软起控制)压力值在4011设定(用你要的水压数比上你水压表的总量程求得的百分比就是这组参数,注意4010这时选19就是内部给定)压力值会有偏差,自己找下就行。
还有什么问题可以给我留言!abb变频器ACS510恒压供水时具体参数设置浏览次数:833次悬赏分:50 |解决时间:2010-5-26 16:41 |提问者:dongbao10有ACS510变频器一台,三台电机,远传压力表及PLC,恒压供水。
要求:先一台泵运行,压力不足,变频器输出一信号给PLC作为增泵信号,PLC投入第二台泵,压力还不够,投第三台。
水压高出要求,变频器输出减泵信号给PLC。
先设定的参数如下:9902=6 1001=1 1002=1 1101=2 1102=7 1106=19 1401=8 1402=9 1403首先,增泵信号不用变频器给PLC,而是PLC跟具现场压力和设定目标自行计算出来的,变频器的运行及频率也应该是PLC给的,其次,ACS510完全可以独立进行恒压控制,没必要采用PLC,除非你要做图控。
abbacs510低压交流传动变频器pid控制恒压的设置方法ABB ACS510低压交流传动变频器PID控制恒压的设置方法1、必须设置成远程控制模式才可以用电气柜上的二档开关控制变频器的手动电位器调频、停止和根据端子AI1反馈量PID控制。
这步需要按变频器操作面板上的LOC/REM按钮,按此按钮使变频器屏幕上左方显示REM。
2、设置99组应用宏中的9902为PID宏。
3、若硬件端子上远传压力表接在AI1上,则设置40组的4016为AI1输入,具体数值见说明书。
电阻式远传压力表与端子的链接方法:低端接AGND,中端接AI1,高端接10V。
(有时在高端与10V 间又串了个精确电阻是为了让电流小于变频器端子要求的最小电流)附:如何判断使用中的三线电阻式远传压力表(1MPA)的低中高端答:分别量三线间的电阻,若某两端电阻为压力表的最大电阻如:400欧姆,则这两端为低端或者高端不能确定,但肯定的是为接入的那条线为中端。
此时观察压力表指针所在位置,以中端为一端,分别测量其与未判断出高低的两线,若此时指针大于,则刚测两电阻值较大的为中端与低端,较小的为中端与高端。
若指针小于,则相反。
4、当压力表高端与10V间串了个精确电阻时,计算保持的压力对应的PID百分量是有变化的是不易的,(例如,1MPA量程的表,若想保持在的压力,PID的设置将不再是50%),此时有个非常好的方法,不需要计算也可实现设定合适的PID 数值,即观察变频器的01状态组的0130,这里显示的是压力表的反馈值,例如40%。
这个状态非常有用,有了它,你不需要再换算。
5、将4011数据设置成比0130中反馈值大的某数,比如0130为40%,将4011(PID设定值功能项)设置成50%,此时变频器开车,再看0130状态,由于反馈值在增大以趋近于50%,此过程观察压力表是否达到你需要的压力,并记住当达到你需要的压力时0130的数值,并将等值的数输入到4011中,即可实现PID控制。
ACS510恒压供水参数表序号参数号参数值参数说明备注99组:启动数据此参数组专门用于配置变频器及电机数据199010=ENGLIS选择所显示的语言基本型操作面板无中文显示299026应用宏06为PID宏39905380V电机额定电压必须等于电机铭牌上的值4990621.3A电机额定电流必须等于电机铭牌上的值5990750Hz电机额定频率必须等于电机铭牌上的值699082900r/min电机额定转速必须等于电机铭牌上的值7990911KW电机额定功率必须等于电机铭牌上的值10组:输入指令定义用于启停的外部控制源810010=NOT SET定义外部控制1(EXT1)不使用外部控制1(EXT1) 910021=DI1定义外部控制2(EXT2)DI1为2线制起停1010031=FORWARD定义电机转向方向固定为正转11组:给定选择定义变频器如何选择控制源1111012=REF2(%)-给定控制盘给定选择选择控制盘为百分比给定1211027=EXT2此参数用于选择外部1/外部2选择外部控制21311030=KEYPAD 本参数定义外部给定1的信号源给定来自控制盘1411040Hz给定1最小限值外部给定1的最小值为0Hz 15110550Hz给定1最大限值外部给定1的最大值为50Hz 16110619给定值2选择给定值来源于PID1的输出1711070%给定2最小值外部给定2的最小值为0% 181108100%给定2最大值外部给定2的最大值为100%1912010恒速选择未选择,恒速功能无效2013040%AI2低限定义AI2的低限为0% 211305100%AI2高限定义AI2的高限为100%2214018继电器输出1 当监控器1(3201)设定的参数超过限幅值(3203)时继电器动作23140210继电器输出2 当监控器2(3204)设定的参数高于限幅值(3206)时继电器动作12组:恒速运行本参数定义了一组恒速设定13组:模拟输入这组参数定义了模拟输入的限幅值和滤波时间14组:继电器输出定义了每个继电器动作的条件24140430s 继电器1延时接通继电器1延时30s后接通,避免增泵信号在临界点波动25140630s继电器2延时接通继电器2延时30s后接通,避免减泵信号在临界点波动261501103AO1赋值定义AO1为变频器实际输出频率271604故障复位选择定义只有控制盘才能复位故障28200323A 最大电流变频器最大输出电流为23A 2920051=ENABLE 过压调节器允许过压调节器工作3020061=ENABLE TIME欠压调节器欠压调节器最大工作时限为500毫秒31200720Hz 最小频率定义了变频器输出的最小频率为20Hz 32200850Hz 最大频率定义了变频器输出的最大频率为50Hz3321018起运功能斜坡起动3421021=COAST 停车功能直接切断电机电源,电机自由停车21组:起动/停止这组参数定义了电机的启运和停止方式15组:模拟输出定义变频器模拟信号输出(电流信号0--20mA)16组:系统控制定义了系统控制参数,如锁定、复位和使能功能20组:限幅这组参数对电机的频率、电流等做出最大和最小限定3521080=OFF 禁止起动禁止起运无效3621135s启动延时当启动条件满足之后,变频器经过5秒延时等待后开始启动电机3422010加减速曲线选择选择未使能,使用第1组斜坡曲线参数35220230s 加速时间(第1组参数)设定曲线1由0Hz升到最高频率所需的时间为30S3622035s 减速时间(第1组参数)设定曲线1由最高频率减到0Hz所需的时间为5S3722040.1速度曲线形状(第1组参数)设定加减速曲线1为S曲线3825010=OFF 危险速度选择关闭此功能393201103监控器1参数设定变频器实际输出频率为监控器1的值40320249.7监控器1低限设定监控器1的低限为49.7Hz 41320349.9监控器1高限设定监控器1的高限为49.9Hz 423204130监控器2参数设定PID反馈值为监控器2的值43320567监控器2低限设定监控器2的低限为67%44320667.1监控器2高限设定监控器1的高限为67.1%32组:监控器监控器监控某个参数,当该参数超过限定值后使继电器动作22组:加速/减速这组参数定义了加减速积分曲线的低斜率25组:危险频率变频器在运行时将跨过所设定的危险频率段,避免机械共振454001 1.5增益46400215s积分时间4740030s微分时间4840041s微分滤波4940050=NOT偏差值取反反馈信号减小时,引起电机转速上升50401019给定值选择内部给定,即给定值是恒定的,由4011设定51401163.5%内部给定5240141=ACT1反馈值选择选择实际值ACT1为反馈信号5340162=AI2ACT1输入取AI2为ACT1544019100%ACT上限设定ACT1的最大值5540227睡眠选择睡眠状态由输出频率,实际值和给定值来控制56402330Hz睡眠频率睡眠频率为30Hz574024120s睡眠延时 当输出频率低于4023所设定的值延时60s 后,变频器停车5840255%唤醒偏差 当对应给定值大于此参数定义的值后,PID 调节器根据4026参数延时重新启动40组:设置PID1这组参数定义了PID调节器1的参数设置5940262s唤醒延时 当对应给定值大于此参数定义的值后,PID 调节器根据4026参数延时重新启动6040270PID1参数组选择使用PID参数组1。
ACS510变频器参数设定ACS510变频器是一种常用的变频驱动装置,适用于各种行业和应用场合。
在使用ACS510变频器之前,需要对其进行参数设定,以确保其能够正确运行并满足需求。
以下是ACS510变频器参数设定的一般步骤和相关参数说明,供参考:1.基本参数设定:-设定变频器的电源电压等级,通常有220V和380V两种选择。
-设定变频器的额定电流,根据所控制设备的负载来确定。
-设定变频器的额定频率,通常为50Hz或60Hz。
-设定变频器的额定功率,根据所控制设备的功率需求来确定。
2.过电流保护参数设定:-设定变频器的过电流保护等级,根据所控制设备的负载特性来确定。
-设定变频器的过电流保护时间,即超过设定电流多长时间后触发保护。
3.过载保护参数设定:-设定变频器的过载保护等级,根据所控制设备的负载特性来确定。
-设定变频器的过载保护时间,即超过设定负载多长时间后触发保护。
4.过温保护参数设定:-设定变频器的过温保护温度,根据所控制设备的工作环境来确定。
-设定变频器的过温保护启动延时时间,即在达到设定温度后延迟多少时间启动保护。
5.频率设定参数设定:-设定变频器的最小输出频率,根据所控制设备的要求来确定。
-设定变频器的最大输出频率,根据所控制设备的要求来确定。
6.PID控制参数设定(适用于需要闭环控制的设备):-设定变频器的PID控制使能开关。
-设定变频器的PID控制参数,包括比例系数、积分系数和微分系数。
7.通讯参数设定(如需要和上位机进行通讯):-设定变频器的通讯协议和通信速率。
-设定变频器的通讯地址。
总结起来,ACS510变频器参数设定涉及到基本参数、过电流保护参数、过载保护参数、过温保护参数、频率设定参数、PID控制参数和通讯参数等多个方面。
在设定这些参数时,需要根据具体的应用需求和所控制设备的特性来确定,以确保变频器能够正常工作并满足控制要求。
同时,应根据变频器的说明书和技术规格来了解具体参数设定的操作方法和限制条件。
ABB变频器ACS510 应用于多泵PID恒压供水系统一、前言北京ABB电气传动系统有限公司,作为全球传动行业的龙头企业,它的产品广泛地用于各行各业之中。
ACS510 作为其中的一款产品广泛地用于工业领域,还针对风机、水泵应用做了特别的优化,典型的应用包括恒压供水,冷却风机,铁和隧道通风机等等。
ACS510产品系列功率范围从0.75 KW至132 KW。
不仅性能稳定,质量可靠,而且功能强大,它的SPFC(循环软启动控制)功能很方便实现恒压供水系统,无需要使用额外的PLC。
二、ABB ACS510变频器特点简介1.完美匹配风机水泵:●增强的PFC应用:最多可控制7 (1+6) 各水泵:能切换更多的泵。
●SPFC:循环软启功能:可依次调节每个泵,最多可拖动6台水泵,无须使用额外的PLC。
●多点U/F曲线:可自由定义5段U/F曲线;可灵活广泛的应用。
●超越模式:应用于隧道风机的火灾模式;应用于紧急情况下。
●PID调节器:两个独立的内置PID控制器,PID1和PID2。
2.更经济:●直觉特性:噪音最优化,当传动温度降低时增加开关频率;可控的冷却风机,仅在需要时启动;可随机分布开关频率,从而降低噪音,极大改善了电机噪音,降低了传动噪音并提高功效。
●连接性:简单安装,可并排安装,容易连接电缆,通过多种I/O连接和即插式可选件方便地连接到现场总线系统上;减少安装时间,节约安装空间,可靠的电缆连接。
3.更环保●EMC:适用于第一及第二环境的RFI滤波器为标配;不需要额外的外部滤波器。
●电抗器:变感电抗器:根据不同的负载匹配电感量,因此抑制和减少谐波,降低总谐波。
三SPFC功能概述SPFC 功能,又称循环软启动功能,内置在ACS510变频器中。
该功能不同于PFC功能之处在于,SPFC功能每次启动新电机的时候,都是用变频器来启动的,而变频器刚刚拖动过的电机,将投切到工频上。
下面将以1台ACS510变频器拖动3台水泵为例介绍SPFC功能在恒压供水系统中的实现。
ACS510 系列产品功率范围从0.75~132 kW。
不仅性能稳定,质量可靠,而且功能强大,它的SPFC(循环软启动控制)功能很方便实现恒压供水系统,无须使用额外的PLC。
1 ABB ACS510变频器特点简介1)完美匹配风机水泵:(1)增强的PFC 应用最多可控制7(1+6)台水泵,能切换更多的泵;(2)SPFC 循环软启功能可依次调节每个泵,最多可拖动6台水泵,无须使用额外的PLC;(3)多点U/f 曲线自由定义5 段U/f 曲线,可灵活广泛的应用;(4)超越模式应用于隧道风机的火灾模式等紧急情况下;(5)PID调节器有两个独立的内置PID控制器,PID1 和PID2。
2)更经济:(1)直觉特性噪音最优化,当传动温度降低时增加开关频率;可控的冷却风机,仅在需要时启动;可随机分布开关频率,从而降低噪音,极大改善了电机噪音,降低了传动噪音并提高功效;(2)连接性简单安装,可并排安装,容易连接电缆,通过多种I/O 连接和即插式可选件方便地连接到现场总线系统上;减少安装时间,节约安装空间,可靠的电缆连接。
3)更环保:(1)EMC 适用于第一及第二环境的RFI 滤波器为标配,不需要额外的外部滤波器;(2)电抗器变感电抗器,根据不同的负载匹配电感量,因此能抑制和减少谐波,降低总谐波。
2 SPFC功能概述SPFC 功能,又称循环软启动功能,内置在ACS510 变频器中。
该功能不同于PFC 功能之处在于,SPFC 功能每次启动新电机的时候,都是用变频器来启动的,而变频器刚刚拖动过的电机,将投切到工频上。
下面以1 台ACS510 变频器拖动3 台水泵为例,介绍SPFC 功能在恒压供水系统中的实现。
2.1 系统要求1)控制室无人值守,要求全自动,同时要求设计手动回路作为应急备用。
2)3 台泵循环软启动,要求不用PLC 控制,以降低成本。
3)1 台泵出现故障时,能切换掉,保证系统能继续工作。
4)3 台泵轮换运行,保证各泵运行时间相等,防止泵体久置生锈。
ABBACS510变频器参数设置1.主要参数设置- 输出频率范围(Output frequency range):ACS510允许用户设置电机的输出频率范围,其单位为赫兹(Hz)。
用户可以根据实际应用需要设置输出频率范围,以满足电机的运行要求。
- 最大输出电流(Maximum output current):ACS510可以通过设置最大输出电流来限制电机的最大负载能力。
用户应根据电机的额定电流选择合适的最大输出电流值。
2.控制方式设置- 控制模式(Control mode):ACS510提供了多种控制模式选择,如速度开环控制、速度闭环控制、转矩控制等。
用户可以根据具体应用需求选择合适的控制模式。
- 控制反馈(Control feedback):ACS510的控制反馈可以选择电机转速、电流、位置等反馈信号。
用户应根据具体应用需求选择合适的控制反馈模式,以实现更精确的控制效果。
3.运行保护设置- 过载保护(Overload protection):ACS510提供了过载保护功能,可以通过设置合适的过载保护阈值来保护电机免受过高负载的损害。
用户可以根据电机的额定功率和负载特性设置过载保护阈值。
- 输电线路保护(Line protection):ACS510可以检测输电线路的状态,并在发现异常情况时及时采取保护措施,以防止电机和变频器的损坏。
用户可以设置输电线路保护参数,以提高系统的可靠性和安全性。
4.其他参数设置- 输入电压范围(Input voltage range):ACS510适用于不同的电压等级,用户可以根据实际应用需求选择合适的输入电压范围。
- 控制界面(Control interface):ACS510的控制界面可以通过外部控制器、键盘、HMI等多种方式进行操作和设置。
用户可以选择适合自己的控制界面,以方便操作和监控。
ACS510变频器可以通过自动或手动方式进行参数设置。
对于自动设置,用户只需按照变频器的操作指南进行相应设置即可。
ABB变频器ACS510一拖三参数设定推荐答案1002 DI11101 给定21102 外部21103 AI21402 PFC- -2003 252008 502202 202203 253415 AI24001 24002 64010 内部4011 27.50%4012 1.00%8103 1.00%8104 1.00%8105 1.00%8109 49HZ8110 49HZ8111 49HZ8112 208113 238114 268116 108117 28120 DI38124 108125 108127 39902 74011是反馈修整值,要自己算的回答时间:2009-8-28 14:532009-5-21ABB——ACS510系列变频器PID控制参数设定,我是用压力传感的 26∙2010-9-30恒压水泵变频器是ABB。
PLC是三凌系统。
PLC的参数怎么调?压力传感器怎么 (2)∙2010-9-13abb acs510说明书中的一拖三电路图疑问!如果要每2小时切换变频泵运转...∙2010-5-26abb变频器ACS510恒压供水时具体参数设置 13查看同主题问题:abb 变频器acs510一拖参数等待您来回答∙0回答5写作文开头cell∙0回答沈阳海天的飞跃计划过的人多吗?∙1回答修改病句:即使我们不能亲自到地震灾区参加抗震救灾,但是我们同样可以...∙0回答单词应该怎么背,老是记不住怎么办?∙1回答10谁帮我做下毕业设计汽车备轮加固板冲压工艺与模具设计∙0回答20《21世纪的花园美》的作文什么写∙0回答10基于GPRS的三相多功能电表参考资料(主要芯片是基于ATT7022))∙0回答成绩不好学什么好?。
丁ACS510变频器参数设定
9902=5(自动/手动宏)
9905=电机额定电压
9906电机额定电流
9907=电机额定频率
9908=电机额定转速
9909=电机额定功率
DP通讯时9802=4(EXT .FBA)
1001=10(外部控制地1的控制命定选择通讯控制)
1002=1(EXT2 的控制命定用DI1控制)
1003=3(允许双向)
1101=1(面板给定的类型是REF1(HZ)
1102=6(通过DI6选择EXT2.即就地控制)
1103=8(REF1是通讯给定)
1104=25HZ(给定1的最小值)
1105=50HZ(给定1的最大值)
1106=2(给定2的选择)
1107=50%(给定2的最小值)
1108=100%(给定2的最大值)
1201=1(通过DI1选择恒速1)
1202=45HZ(恒定速度1)
1403=4(输出继电器3在变频器有故障时动作)
1601=0(不需要连接任何运行允许信号)
2007=25HZ(变频器的最小输出频率)
2008=50HZ(变频器的最大输出频率)
2101=8(斜坡启动)
2102=2(斜坡停止)
2202=30S(加速时间)
2203=30S(减速时间)
2605=2(风机水泵型负载)
3001=0(AI丢失不报警)
5101=1(profibus)
5102=站地。