变频一拖一-五台联动恒压供水控制系统
- 格式:docx
- 大小:85.45 KB
- 文档页数:6
plc恒压供水一拖一工变频控制要求PLC恒压供水一拖一工变频控制要求PLC恒压供水一拖一工变频控制系统是一种基于可编程逻辑控制器(PLC)和变频器的智能供水系统,它能够实现对供水系统的恒压控制和多个水泵的自动切换。
本文将介绍该系统的基本原理、工作流程以及相关要求。
一、基本原理PLC恒压供水一拖一工变频控制系统的基本原理是通过PLC控制器和变频器实现对供水系统的智能控制。
PLC控制器作为系统的核心,通过与传感器和执行器的连接,获取供水系统的实时参数,并根据预设的控制逻辑进行处理,最终输出控制信号给变频器,实现对水泵的启停和转速调节。
二、工作流程1. 参数采集:PLC控制器通过与压力传感器、流量传感器等连接,实时采集供水系统的压力、流量等参数。
2. 控制逻辑处理:PLC控制器根据用户预设的压力设定值和控制策略,对采集到的参数进行处理,比较实际压力与设定值之间的差异,确定控制策略。
3. 控制信号输出:根据控制策略,PLC控制器输出相应的控制信号给变频器,控制水泵的启停和转速。
4. 水泵控制:变频器接收到PLC控制器的信号后,控制水泵的启停和转速。
当实际压力低于设定值时,变频器启动水泵,并逐渐提高转速;当实际压力达到设定值时,变频器停止水泵或降低转速。
5. 系统监控:PLC控制器实时监测供水系统的运行状态,如压力变化、水泵故障等,并根据设定的报警条件进行报警处理。
三、系统要求1. 系统可靠性:PLC恒压供水一拖一工变频控制系统应具备高可靠性,能够稳定运行并保证供水系统的正常工作。
2. 系统稳定性:系统应具备良好的稳定性,能够快速响应用户需求并实现恒压供水。
3. 控制精度:系统应具备较高的控制精度,能够准确控制供水系统的压力,并确保在设定范围内波动。
4. 自动切换功能:系统应具备一拖一的自动切换功能,能够实现多个水泵的自动切换运行,确保供水系统的连续供水。
5. 报警功能:系统应具备完善的报警功能,能够监测供水系统的异常情况,并及时发出报警信号,提醒操作人员进行处理。
plc恒压供水一拖一工变频控制要求PLC恒压供水一拖一工变频控制要求是指使用可编程控制器(PLC)实现恒压供水系统中的一拖一工况控制,并通过变频控制达到恒压供水的要求。
下面将详细介绍PLC恒压供水一拖一工变频控制的要求。
一、恒压供水系统概述恒压供水系统是指在供水过程中,根据用户需求自动调节泵运行状态和水流量,保持出水压力恒定。
这样可以有效地解决水压不稳定、压力波动大等问题,提高供水效果和用户体验。
二、一拖一工况控制1. PLC控制方式:使用PLC作为主控制设备,完成控制逻辑的编排和运行,具有高可靠性和灵活性。
2. 运行模式:恒压供水系统采用一拖一工况控制,即根据不同的用水情况,在需求发生变化时能够自动切换到恰当的工况,并调整泵的运行状态。
3. 控制策略:通过监测出水压力信号,采用反馈控制算法,对泵的转速、负载等进行调节,以保持出水压力恒定。
4. 排水处理:当水池水位过高或过低时,PLC会自动控制排水泵进行排水处理,保证水池水位处于正常范围内。
三、变频控制1. 变频器选型:根据泵的负荷情况和供水要求,选择适合的变频器。
变频器具有调整电机转速和输出频率的功能,可以有效控制泵的输出流量,并减少能耗。
2. 变频器参数设置:设置变频器的工作参数,如最大输出频率、起动频率、运行频率等,以满足实际工况要求。
3. 变频器运行模式:设置变频器的运行模式,如V/F控制模式、矢量控制模式等,根据实际情况选择最合适的模式。
4. 变频器保护功能:设置变频器的过流保护、过载保护、过压保护等功能,以保证系统的安全运行。
总结:使用PLC恒压供水一拖一工变频控制,能够提高供水系统的可靠性和稳定性,满足用户对恒压供水的需求。
同时,通过变频器的控制,可实现对泵的输出流量的调节和能耗的降低,进一步提高系统的运行效率。
该系统具有应用广泛、控制精度高等优点,在实际工程中有着很重要的应用价值。
阐述变频恒压供水控制系统从目前的趋势来看,人类赖以生存的有限的能源越来越紧缺,可持续发展道路是当今应对环境问题的必经之路。
水是人们生活中必不可缺的一部分,而我国城市长期在供水方面的技术比较落后,造成供水设备的损坏、水资源的浪费等现象。
因此,为了解决城市供水所面临的问题,必须要利用先进的计算机技术、自动化技术以及控制技术,通过先进的科学技术设计研究出高性能和高节能的能够适应人类供水需求的变频恒压供水控制系统。
1 自来水变频恒压供水控制系统的设计及研究变频恒压供水控制系统主要是由压力传感器、压力变送器、可编程控制器(PLC)、变频器、人机界面(HMI)、水泵机组、恒压控制单元和低压电器等部件构成。
其工作原理就是用恒压控制单元令变频器控制一台水泵或者循环控制多台水泵,从而达到管网水压恒定的效果和水泵电机的软启动及变频水泵与工频水泵之间得以切换,与此同时还能传输系统在运行过程中的数据。
从这点看来,自来水变频恒压供水控制系统的设计研究根据不同的场所有以下三个方案可供选择。
1.1 供水基板的变频器、水泵机组和压力传感器的组合这是一种相对较为简单的自来水变频恒压供水控制系统的研究方案。
其通过把PID调节器和PLC可编程控制器这些硬件设置在变频器供水基板上,并且设置指令代码,使PID和PLC等硬件的电控功能得到很好的运用。
这种方法的好处是通过把电路结构进行简化,降低了设备的成本,但是也有缺点——显示压力设定值和压力反馈值麻烦,对于不同时间段的不同恒压要求不能做到自动转换实现,难以找到PID的调节参数,调节范围较小,系统稳定性较低,输入接口的可扩展性较低,带负载容量受到限制等。
所以此方案一般用在要求较低的、容量较小的场所。
1.2 变频器、单片机、人机界面和压力传感器的组合一方面,这种自来水变频恒压供水控制系统精度比较高,控制的算法可以灵活变化,对参数的调整也比较方便,具有相对较高的性价比。
但是这种方法开发的时间长,对已经固化的程序修改过程麻烦,现场调试的灵活性较差。
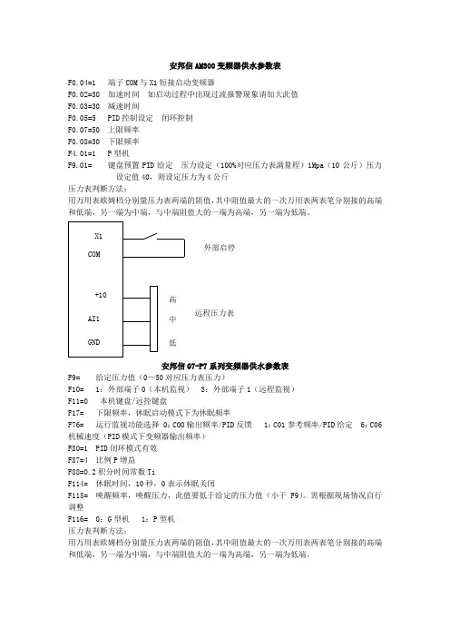
安邦信AM300变频器供水参数表F0.04=1 端子COM 与X1短接启动变频器F0.02=30 加速时间 如启动过程中出现过流报警现象请加大此值F0.03=30 减速时间F0.05=5 PID 控制设定 闭环控制F0.07=50 上限频率F0.08=30 下限频率F4.01=1 P 型机F9.01= 键盘预置PID 给定 压力设定(100%对应压力表满量程)1Mpa (10公斤)压力设定值40,则设定压力为4公斤压力表判断方法:用万用表欧姆档分别量压力表两端的阻值,其中阻值最大的一次万用表两表笔分别接的高端和低端,另一端为中端,与中端阻值大的一端为高端,另一端为低端。
安邦信G7-P7系列变频器供水参数表F9= 给定压力值(0—50对应压力表压力)F10= 1:外部端子0(本机监视) 3:外部端子1(远程监视)F11=0 本机键盘/远控键盘F17= 下限频率,休眠启动模式下为休眠频率F76= 运行监视功能选择 0:C00输出频率/PID 反馈 1:C01参考频率/PID 给定 6:C06机械速度(PID 模式下变频器输出频率)F80=1 PID 闭环模式有效F87=4 比例P 增益F88=0.2积分时间常数TiF114= 休眠时间,10秒,0表示休眠关闭F115= 唤醒频率,唤醒压力,此值要低于给定的压力值(小于F9)。
需根据现场情况自行调整F116= 0:G 型机 1:P 型机压力表判断方法:用万用表欧姆档分别量压力表两端的阻值,其中阻值最大的一次万用表两表笔分别接的高端和低端,另一端为中端,与中端阻值大的一端为高端,另一端为低端。
欧陆变频器PID 供水参数参数设置:P0.00 设为1 P 机型P0.02 面板运行时设为0,端子运行时设为1P0.04 设为20 加速时间(根据机型设定)(秒)P0.05 设为20 减速时间(根据机型设定)(秒)P0.10 设为20 最小频率(Hz )P0.11 设为50 最大频率(Hz )P6.00 设为 1 PID 控制P6.01 设为2 比例,积分控制P6.02 设为 1 压力设定通道 1面板数字设定P6.03 设为0 反馈通道选择 V1(0-10V )P6.07 设为0.5 比例增益P6.08 设为 1 积分时间常数P6.18 设为 30 预置频率,开始运行频率(Hz )P6.19 设为 10 预置频率运行时间(秒)(本变频器为使系统快速达到稳定状态,避免对管网的冲击,可先预置30 Hz 运行,10秒钟后在闭环运行)d-08 设定压力值(此值为百分比形式,例:压力表量程为1Mpa(10公斤),如果想设定压力为3公斤,则此值应设为30)日业供水参数SY32000100=1 端子FWD 与COM 短接启动变频器 运行命令选择0105=30 30 加速时间,如启动过程中出现过流报警现象请加大此值0107=50 上限频率0108=30 下限频率0216=0 减速停止 变频器停止方式0500=1 PID 闭环控制0501=0 PI 调节误差极性(正极性,反馈值减小,PI 输出频率增加)0502=0 PI 给定信号选择(数字给定)0503= PI 数字给定值(0.0-100.0%) 压力设定(100%对应压力表满量程)1.0Mpa (10公斤)压力表设定值为40,则设定压力为4公斤0504=2 PI 反馈信号(外部VF )0506=0.4 比例增益P0507=6 积分增益TI1017 睡眠延时 0.0—600.0S 0.1S 0.0S1018 唤醒差值 0.0—10.0% 0.1% 10.0%压力表判断方法:用万用表欧姆档分别量压力表两端的阻值,其中阻值最大的一次万用表两表笔分别接的高端和低端,另一端为中端,与中端阻值大的一端为高端,另一端为低端。
城市恒压供水系统一、前言1、供水系统概述城市规模的不断扩大,高层建筑的不断增长,对于高层的用户来说,在白天或者用水高峰时供水系统的电动机负荷最大,常常需要满负荷或超负荷运行,而在晚上或休闲是,所需水量减少很多,但是电动机依然处于满负荷运行状态,这样既浪费了大量的资源,对电动机的损耗也较大。
所以需要根据不同的需求条件来调节电动机的转速以实现恒压供水。
在供水系统中,当用水量需要变化时,传统的调节方法是通过人工改变阀门的开度来调整, 但是此类方法无法对供水管道内的压力和水位变化做出及时、恰当的反应,往往会造成用水高峰期时供水压力不足,用水低峰期时供水压力过高,不仅十分浪费能源而且存在事故隐患(例如压力过高容易造成爆管事故)。
因此无法满足城市供水系统的要求。
采用变频调速的供水系统可以有效解决以上的问题。
根据用水量的大小,控制水泵的转速,即用水量增大时,调高变频,使水泵转速升高,增加供水量。
当用水量超过一台水泵的供水量时启动新的水泵以增加供水量,当用水量减少时,使水泵转速降低或减少投入运行的水泵数量,减少供水量。
2、供水系统功能城市供水系统的主要功能是在用水量不断变化的情况下,维持管内的压力在一定范围内,既能满足用水的需求,又能最大程度节约能源,延长设备寿命。
变频供水的控制器经历了从继电器-接触器,到单片机,再到PLC。
而变频器也从多端速度控制、模拟量输入控制发展到专用变频器,为实现城市供水系统简单、高效、低能耗的功能,并且实现自动化的控制过程,采用PLC作为核心控制器是个较好的方案。
PLC具有体积小、设计周期短、数据处理和通信方便、易于维护和操作、明显降低成本等优点,可满足城市供水系统的控制要求.除此以外,PLC作为城市供水控制系统使设计过程变得更加简单,可实现的功能变得更多。
由于PLC的CPU强大的网络通信能力,是城市供水系统的数据传输与通信变得可能,并且也可以实现其远程监控.利用PLC作为控制器的城市供水系统主要涉及两个方面:一是信号输入;二是控制输出信号。
恒压供水控制器说明书一、产品概述恒压供水控制器是一种用于自动控制供水系统压力的智能化设备。
它能够根据实际用水需求,实时调节水泵的运行状态,以保持供水压力的稳定,从而提高供水质量,节约能源,并延长水泵的使用寿命。
二、工作原理恒压供水控制器通过压力传感器采集供水系统中的压力信号,并将其与设定的压力值进行比较。
当实际压力低于设定压力时,控制器会启动水泵增加供水量,直至压力达到设定值;当实际压力高于设定压力时,控制器则会减少水泵的运行数量或降低水泵的转速,以减少供水量,使压力恢复到设定范围内。
三、主要功能1、压力设定用户可以根据实际需求,在控制器上设定所需的供水压力值。
2、多泵控制支持对多台水泵的自动切换和协调控制,实现水泵的轮流工作和备用,提高系统的可靠性。
3、自动调速根据压力变化,自动调节水泵的转速,实现节能运行。
4、故障报警当系统出现故障,如水泵过载、缺水等,控制器会发出报警信号,并采取相应的保护措施。
5、数据显示实时显示供水压力、水泵运行状态、电流、电压等参数,方便用户监控系统运行情况。
6、通信功能具备通信接口,可与上位机进行通信,实现远程监控和管理。
四、技术参数1、输入电源:_____V,_____Hz2、压力测量范围:_____MPa3、控制精度:_____MPa4、输出控制方式:_____5、防护等级:_____五、安装与接线1、安装环境控制器应安装在干燥、通风良好、无腐蚀性气体的场所,避免阳光直射和强烈震动。
2、接线步骤(1)按照控制器的接线图,将压力传感器、水泵电机、电源等线路正确连接。
(2)确保接线牢固,接触良好,避免虚接和短路。
六、操作方法1、开机接通电源,控制器将进行自检,显示正常后即可进入工作状态。
2、参数设置通过操作面板上的按键,进入参数设置界面,按照提示输入设定压力等参数。
3、手动/自动切换可根据需要选择手动控制或自动控制模式。
4、运行监控在运行过程中,密切关注控制器的显示参数,如有异常及时处理。
变频器恒压供水控制案例,值得收藏~话题随着电力电子技术的飞速发展,变频器恒压供水在写字楼、商场、居民楼应用十分广泛!变频器恒压供水配合风机、泵类、空气压缩机等流量和压力控制特点可实现供水压力的闭环控制,在管网流量变化时达到稳定供水压力和节约电能的目的。
为客户节省成本,具有较高的经济性和实用性。
变频器恒压供水模型一、控制要求如下图所示,K1开关正转启停变频器,用面板设置参数值为PID 闭环控制给定值;AI1端外接电位器作为模拟量反馈信号,用手动方式旋转RP电位器,改变反馈量,可使电机自动增速,自动减速或恒速运行。
这样用手动方式模拟PID闭环控制。
二、控制原理图三、参数设置在工作过程中发现恒压供水的难点并不在接线上面或者控制方式上,很多电工朋友在做恒压供水控制时,往往存在不知道参数如何设置。
以下基于某品牌变频器恒压供水的参数设置,也可作为通用型参数。
当然,不同变频器可能存在参数差异!变频器参数设置功能代号功能说明F00.11=1 端子启停命令F15.00=2 DI1为正转启停变频器F15.16=0 两线式运行方式F04.00=1 PID闭环控制有效F04.02=0 AI端模拟量反馈输入F16.01=5 AI端PID反馈F04.03=45 给定量设置为45%F04.04=3 比例增益P值设置为3F04.05=2 积分时间I值设置为2SF04.7=0 微分时间D设置为0F04.09=0.2 采样周期设置为0.2SF04.10=5.0 偏差极限设置为5%,反馈量与给定量之差注:当反馈值大于给定值时,电机减速,当反馈值小于给定值时,电机增速,当反馈值等于给定值时,电机恒速。
变频恒压供水控制设备用户手册一、概述随着变频技术的推广运用,人们的认识不断深入,传统的供水方式已无法真正保证系统长期可靠运行,已逐步被新兴的变频恒压供水系统所替代。
本系统采用先进的变频器(VVVF)以及专用的恒压供水控制器对管网压力进行控制,大大地简化了操作的复杂程度。
在自动工作状态下,用户在据需要的压力值进行设定后,通过专用的恒压供水控制器与变频器之间的相互控制,使管网压力始终保持在设定的压力值误差范围以内。
在对生活管网进行供水时,系统执行管网设定压力。
若为消防与生活共用系统,则平时执行生活管网供水压力,当消防信号到达控制柜时执行消防压力,消防信号撤消时继续执行生活压力。
系统具有重新上电后自动启动的功能,无需人员值守。
水泵处于无水情况下将自动停机。
二、分类标记变频恒压供水控制设备分类标记设备的型号编制中包括设备特征标记、消防工作压力、消防工作流量、消防泵台数等内容H水泵台数工作流量L/S。
工作压力MPa。
特征标记(参阅特征标记说明)特征标记说明三、原理框图如下:3.1 生活水泵组为两用一备形式的变频恒压供水控制设备示意图如下:3.2 生活水泵组为两用一备形式的变频恒压供水控制设备产品简介生活水泵组为两用一备形式的变频恒压供水控制设备由三台生活水泵、电控系统、远传压力表、阀门管路、共同底座等组成。
设备运行前,需根据供水所需要的压力值预先设定稳压压力值,打开所有阀门。
水泵手动运行时,通过控制柜面板直接启停水泵(具体参阅消防专用自动恒压给水控制柜操作说明)水泵自动运行时,通过远传压力表构成闭环调节系统,按照恒压供水控制器恒压\节能\节水的优化运行原则, 随着用水量的变化, 恒压供水控制器不断进行压力采样, 逻辑运算和人工神经元控制算法调节运算,自动控制三台水泵,从而实现恒压变量全自动供水。
四、系统性能特点1.系统运行过程中无功损耗小,功率因素高,一般可达0.85以上,运行效率为90%以上,系统基本处于经济运行状况。
恒压供水节能方案(一拖一)一、公司介绍深圳市德瑞斯电气技术有限公司是由一群多年从事电力电子技术研究、开发与产业化的专业人士创立的高新技术企业。
拥有一支经验丰富、勇于实践、不断创新的高素质的开发、科研团队。
主要从事电气传动、工业自动化领域内的变频调速以及电子节能等高科技产品的开发、生产与销售。
公司已独立自主开发DRS1000面向客户设计的特制变频器、DRS2000高性能交流通用变频调速器、DRS2800高集成高性能通用变频调速器、DRS3000交流矢量变频调速器四大系列100多个规格产品,完全拥有自主知识产权,可满足不同行业不同客户的需求。
其良好的性能、可靠的品质深得用户的信赖与赞赏,表现出了德瑞斯变频器独有的技术特点。
公司秉承客户第一、信誉第一、质量第一的原则。
时刻跟随世界技术的发展。
不断推出更先进、性价比更好的产品,为客户的发展提供更有力的产品和技术保障。
二、供水系统节能分析在供水系统中,最基本的控制对象是流量,供水系统的基本任务就是要满足用户对流量的需求。
目前,常见的流量控制方式有阀门控制和转速控制两种。
1. 阀门控制即通过调节阀门开度来控制流量。
此时,供水系统的管道阻力将随阀门开度的改变而改变,而扬程特性保持不变。
在供水系统设计时,其水泵扬程及供水流量都是以满足用户的最大可能需求而选定的,且留有一定余量。
而实际应用当中,系统在大部分时间里都是非满负荷运行的,这就必须要减小阀门开度,调整供水流量。
这样,管道阻力随之增大,从而产生大量的截流损失。
这种控制方式不仅会浪费许多电机输出功率,而且因为管阻特性的改变,整个系统的供水效率也会大为降低。
2. 转速控制即通过改变水泵的转速来调节流量,而阀门的开度保持不变(一般保持最大开度)。
当水泵转速改变时,供水系统的扬程特性随之改变,而管阻特性不变。
在这种控制方式下,通过变频调速技术改变水泵电机的转速,水泵的供水流量可随着用水流量的改变而改变,达到真正的供需平衡,在节能的同时,也可使整个系统达到最佳工作效率。
变频恒压供水系统接线+工作原理+参数设置,再看不懂就没办法了!变频器恒压供水系统在工业生产和居民生活中的应用越来越广泛,但是很多的电力作业人员对变频器恒压供水系统的认识模糊,以至于在面对变频恒压供水系统故障时束手无策,明白变频恒压供水的原理是进行维修的前提。
下面以一个最基础的变频恒压供水系统来说明其工作原理。
一,变频恒压供水系统接线。
按接线图所示的电路, 连接空气开关,漏电开关,电源, 检查接线无误后, 合上空气开关, 变频器上电,数码管显示 0.0。
关掉电源,电源指示灯熄灭后,再连接电机、起停开关、远程压力表、限流电阻等,变频器和电动机接地端子可靠接地,并仔细检查。
压力表选用 YTZ-150电位器式远程压力表,安装在水泵的出水管上,该压力表适用于一般压力表适用的工作环境场所, 既可直观测出压力值, 又可以输出相应的电信号, 输出的电信号传至远端的控制器。
压力表有红、黄、蓝三根引出线。
二,压力表电气技术参数:电阻满量程:400Ω (蓝、红)零压力起始电阻值:≤ 20Ω (黄、红)满量程压力上限电阻值:≤ 360Ω (黄、红)接线端外加电压:≤ 6V (蓝、红)变频恒压供水系统接线三,变频器开环调试:检查接线无误后, 合上空气开关和漏电开关, 变频器上电, 数码管显示 0.0, 按 JOG 键, 检查水泵的转向,若反向,改变电机相序。
按运行键RUN,运行指示灯亮(绿色),顺时针方向旋转键盘旋钮,输出频率上升,观察压力表的压力指示,同时用万用表直流电压档测量变频器端子 VF 和 GND 之间电压值,随着变频器输出频率升高,压力增加,VF 和 GND 之间的反馈电压上升,记录下将要设定的恒定压力(比如 5公斤)对应的反馈电压值(比如 3.1V)。
按停车键 STOP,变频器减速停车。
四,变频器参数设定:F1.01出厂值为 0.0,设定为 1F1.23出厂值为 0,设定为 30.0F2.05出厂值为 0,设定为 1F2.19出厂值为 0,设定为 1F4.00出厂值为 0,设定为 1F4.06出厂值为 0,设定为 3.10按电机名牌设定电机参数:F1.21、F5.00~F5.04五,闭环变频恒压运行。
增压泵变频一拖一,五台联动恒压供水控制系统1.1 变频恒压供水系统的理论分析1.1.1 电动机的调速原理水泵电机多采用三相异步电动机,而其转速公式为:(1−s)n=60fp式中:f表示电源频率,p表示电动机极对数,s表示转差率。
根据公式可知,当转差率变化不大时,异步电动机的转速n基本上与电源频率f成正比。
连续调节电源频率,就可以平滑地改变电动机的转速。
但是,单一地调节电源频率,将导致电机运行性能恶化。
随着电力电子技术的发展,已出现了各种性能良好、工作可靠的变频调速电源装置,它们促进了变频调速的广泛应用。
1.1.2 变频恒压供水系统的节能原理变频恒压供水系统的供水部分主要由水泵、电动机、管道和阀门等构成。
通常由异步电动机驱动水泵旋转来供水,并且把电机和水泵做成一体,通过变频器调节异步电机的转速,从而改变水泵的出水流量而实现恒压供水的。
因此,供水系统变频的实质是异步电动机的变频调速。
异步电动机的变频调速是通过改变定子供电频率来改变同步转速而实现调速的。
在供水系统中,通常以压力或者流量为控制目的,常用的控制方法为阀门控制法和转速控制法。
阀门控制法是通过调节阀门开度来调节流量,水泵电机转速保持不变。
其实质是通过改变水路中的阻力大小来改变流量,因此,管阻将随阀门开度的改变而改变,但扬程特性不变。
由于实际用水中,需水量是变化的,若阀门开度在一段时间内保持不变,必然要造成超压或欠压现象的出现。
转速控制法是通过改变水泵电机的转速来调节流量,而阀门开度保持不变,是通过改变水的动能改变流量。
因此,扬程特性将随水泵转速的改变而改变,但管阻特性不变。
变频调速供水方式属于转速控制。
其工作原理是根据用户用水量的变化自动地调整水泵电机的转速,使管网压力始终保持恒定,当用水量增大时电机加速,用水量减小时电机减速。
2.2 变频恒压供水系统控制方案的确定2.2.1控制方案的比较和确定恒压变频供水系统主要有压力变送器、变频器、恒压控制单元、水泵机组以及低压电器组成。
ABB ACS510系列变频器恒压供水接线图及参数设置一、1拖1 PID配置:1.1、ABB变频器一拖一接线:2.3.注:1)图压力传感器反馈的信号为电流型,设置J1为电流,向右拨码;4.2)11和12短接;5.3)10和13接通是启动信号。
6.2、变频器参数调节:7.参数设定值8.99.02-- 6=PID控制宏9.10.02 --1=DI1控制启停10.11.02 --7=外部2控制11.13.04 ---20%(实际信号为4-20ma或2-10V时)12.16.01-- 0-不需要启动允许信号13.40.10 --19(内部设定给定值压力设定)14.40.11 设定压力值(压力表量程的百分数,比如目标8公斤,量程16公斤,设置成50%)9901,语言选择1中文。
9902应用宏设置为6PID控制宏15.确定控制源是电压还是电流,选择好AI拨码开关16.设置电机参数,电机转向0101(+表示正转)-电机转速9908- 电机频率9907-电机电流9906-电机功率9909-电机电压9905-电机功率因数991517.控制线接在AI1和GND上,外部给定1信号源参数1103设置为1(给定来自AI1),18.恒速选择参数1201设置为0(恒速功能无效)19.给定1最小值1104,给定1最大值110520.给你1低限1301,给定1高限130221.输入信号低于下限时的动作3001设置1(发出故障信号并停车)22.故障极限3021设置5%23.故障停车后自动复位,变频器恢复正常运行3107设置1(允许自动复位)24.故障发生后自动复位时间3103设置为0。
一、系统概述VC-3200系列微电脑变频供水/补水控制器是专为变频恒压供水系统和锅炉及换热系统补水而设计的微电脑控制器,可与各种品牌的变频器配套使用。
具有压力控制精度高、压力稳定、第二消防压力(动压)设定、系统超压泄水自动控制、设定参数密码锁定等多项功能。
二、主要性能指标1.可编程设定多种泵工作方式,最多可拖五台泵(1变频+4工频);2.具有压力测量值防抖动补偿控制功能;3.参数调整和设定具有密码锁定及保护功能;4.采用人工智能模糊控制算法,设定参数少,控制精度高,带看门狗电路,采用数字滤波及多项抗干扰措施。
5.可接无源远传压力表、有源电压及电流型压力变送器;6. D/A输出控制频率电压为DC 0-10V, 也可设定为DC 0-5V;7.具有压力传感器零点和满度补偿功能;8.具有定时自动倒泵功能;9.具有第二压力(消防压力)设定和控制功能;10.具有缺水自动检测保护功能和外部输入停机保护功能;11.系统补水控制时,具有超压自动泄水控制功能;12.具有供水附属小泵控制功能,可设定小泵变频或工频模式;13.具有可选的定时自动开、关机控制功能;14.具有小流量水泵睡眠控制功能;15.具有手操器功能,可手动调节输出电压来控制变频器的频率;16.可代替电接点压力表进行上、下限压力控制;17.具有可选分时分压供水控制功能,最多有六段时间控制;三、安装和配线端子说明1.控制器外形尺寸: 160mm×80mm×80mm(AC-3200)160mm×80mm×90mm (AC-3200)2.控制柜面板开口尺寸152mm×76mm,面板卡入式安装。
3.使用环境为:无水滴、蒸汽、腐蚀、易燃、灰尘及金属微粒的场所;4.使用环境温度:-20℃~50℃5.相对湿度:<95%;6.额定工作电压:AC220V±10%;7.控制器额定功耗:<=AC 5W;8.控制器接线端子输出容量:3A/ AC220V9.面板及配线端子说明:VC-3200型控制器端子接线图VC-3200型控制器接线端子说明:N---AC 220V零线 L --- AC 220V火线B1---1#泵变频运行触点B2---2#泵变频运行触点B3---3#泵变频(或4#泵工频)运行触点 G1---1#泵工频运行触点G2---2#泵工频运行触点 G3---3#泵工频运行触点TXD/T+ ---RS232/485通讯接口NC ---空点RXD/T- ---RS232/485通讯接口GND—信号地CM1---信号公共点1 FWD---正转运行V+ ----远传压力表高端IN---压力信号输入端(0-5V)GND---压力信号公用端DI2---停机信号输入DI1---第二压力信号设定端D/A ---DC 0-10V输出CM2---信号公共点2四、操作面板指示及参数设定说明1.面板及按键:PV窗口为测量值显示窗口,SV窗口为设定值显示窗口。
一拖二恒压供水控制系统中的PLC与变频器一拖二恒压供水控制系统1引言变频变频技术就是将近十几年来快速发展出来的比以往任何变频方法更加优越的新技术,因其具有节能效果明显、调速曲线平滑、调速过程简单、安全可靠、保护功能齐全、起动性能优越、自动化程度高等特点而受到越来越多的企业的青睐,被应用到工业生产控制过程中的任何场合,显著的节能效果给众多的企业带来了巨大的经济效益。
特别是近几年来随着igbt功率元件和dsp微处理系统在变频器中的应用,变频器本身已非常成熟,使得变频调速技术的优越性更加突出,传动效率越来越高,使用越来越方便,可靠性也得到了进一步的提高。
2系统形成及掌控方案2.1系统形成一拖二(一台变频器控制两台电机)变频恒压供水控制系统由变频器、信号采集及处理系统和控制系统3部分组成。
(1)变频器此系统对变频器的建议不低,现有国内外各品牌变频器基本都能够满足用户技术建议,在此我们以深圳蓝海华腾e5-p-4t18.5变频器为基准。
此变频器经过几番更新换代,质量更加可信、性能更加平衡,与国内其他品牌较之性价比较低。
再加之恒压供水专用扩展卡ex-dt03,并使控制系统更直观便利。
(2)信号收集及处置系统该系统主要由压力变送器,信号隔离器及pid调节器等组成,对就地采集的信号进行处理和转换,为控制系统提供一个准确可利用的信号。
(3)控制系统该控制系统由按钮、继电器、接触器、触摸屏等电子电气元件共同组成。
该系统做为变频变频掌控主体,可以掌控水泵的电控、提失速运转以及泵间的相互转换等。
主要电气元件均使用国内领先产品。
tpc7062ks就是北京昆仑通态旗下产品。
直观易学的组态的软件,并使它组态便利轻便,益于操作方式。
2.2控制系统方案为了同时实现恒压力供水的目的,系统使用闭环控制,同时考量系统的安全性,额外开环掌控,做为水泵。
开环、闭环之间可以便利的展开切换。
压力传感器展开实时检测,并将检测至的管道水压信号经过切换后传输给变频pid调节器,pid调节器将此信号与取值值展开比较后,经过一系列的运算将输入一个标准的掌控信号给本系统的执行器-变频器,变频器根据调节器输入信号的变化去发生改变其输入频率,进而发生改变水泵电机的输出功率,以此去掌控出水量的大小。
plc恒压供水一拖一工变频控制要求PLC恒压供水一拖一工变频控制随着科技的不断发展,PLC恒压供水一拖一工变频控制在水泵控制系统中得到了广泛应用。
它通过使用可编程逻辑控制器(PLC)和变频器,实现了对供水系统的智能化控制和稳定运行。
本文将介绍PLC恒压供水一拖一工变频控制的基本原理、工作方式以及其在实际应用中的优势。
一、基本原理PLC恒压供水一拖一工变频控制的基本原理是通过PLC控制器和变频器来实现对水泵的控制。
PLC控制器作为控制中心,通过对传感器获取到的水压信号进行处理,判断水泵的启停和变频运行状态。
当水压低于设定值时,PLC控制器会启动水泵,并根据水压信号的变化控制变频器的运行频率,以达到恒定的水压输出。
当水压达到设定值时,PLC控制器会停止水泵的运行,从而实现恒压供水的目标。
二、工作方式PLC恒压供水一拖一工变频控制的工作方式如下:1.启动过程:当水泵控制系统通电后,PLC控制器会自动进行自检并初始化。
接着,PLC控制器会读取水压传感器的信号,并判断当前水压是否低于设定值。
2.恒压供水:若水压低于设定值,PLC控制器会启动水泵,并通过变频器控制水泵的运行频率。
当水压达到设定值时,PLC控制器会停止水泵的运行。
3.停止过程:当水泵停止运行后,PLC控制器会继续监测水压传感器的信号。
如果水压再次低于设定值,PLC控制器会重新启动水泵,以保持恒压供水的状态。
三、优势PLC恒压供水一拖一工变频控制相比传统的水泵控制系统具有以下优势:1.节能高效:通过变频器控制水泵的运行频率,可以根据实际需求调整水泵的运行速度,从而节约能源并提高水泵的效率。
2.稳定可靠:PLC控制器可以实时监测水压信号,并根据信号的变化对水泵进行精确控制,保证恒定的水压输出,确保供水系统的稳定运行。
3.智能化控制:PLC控制器具有强大的逻辑控制能力,可以根据不同的工况要求进行灵活的控制策略,提高供水系统的智能化水平。
4.维护方便:PLC恒压供水一拖一工变频控制系统可以实时监测水泵的运行状态,当发生故障时能够快速报警并定位故障点,便于维护人员进行排查和维修。
增压泵变频一拖一,五台联动恒压供水控制系统1.1 变频恒压供水系统的理论分析1.1.1 电动机的调速原理水泵电机多采用三相异步电动机,而其转速公式为:(1−s)n=60fp式中:f表示电源频率,p表示电动机极对数,s表示转差率。
根据公式可知,当转差率变化不大时,异步电动机的转速n基本上与电源频率f成正比。
连续调节电源频率,就可以平滑地改变电动机的转速。
但是,单一地调节电源频率,将导致电机运行性能恶化。
随着电力电子技术的发展,已出现了各种性能良好、工作可靠的变频调速电源装置,它们促进了变频调速的广泛应用。
1.1.2 变频恒压供水系统的节能原理变频恒压供水系统的供水部分主要由水泵、电动机、管道和阀门等构成。
通常由异步电动机驱动水泵旋转来供水,并且把电机和水泵做成一体,通过变频器调节异步电机的转速,从而改变水泵的出水流量而实现恒压供水的。
因此,供水系统变频的实质是异步电动机的变频调速。
异步电动机的变频调速是通过改变定子供电频率来改变同步转速而实现调速的。
在供水系统中,通常以压力或者流量为控制目的,常用的控制方法为阀门控制法和转速控制法。
阀门控制法是通过调节阀门开度来调节流量,水泵电机转速保持不变。
其实质是通过改变水路中的阻力大小来改变流量,因此,管阻将随阀门开度的改变而改变,但扬程特性不变。
由于实际用水中,需水量是变化的,若阀门开度在一段时间内保持不变,必然要造成超压或欠压现象的出现。
转速控制法是通过改变水泵电机的转速来调节流量,而阀门开度保持不变,是通过改变水的动能改变流量。
因此,扬程特性将随水泵转速的改变而改变,但管阻特性不变。
变频调速供水方式属于转速控制。
其工作原理是根据用户用水量的变化自动地调整水泵电机的转速,使管网压力始终保持恒定,当用水量增大时电机加速,用水量减小时电机减速。
2.2 变频恒压供水系统控制方案的确定2.2.1控制方案的比较和确定恒压变频供水系统主要有压力变送器、变频器、恒压控制单元、水泵机组以及低压电器组成。
系统主要的任务是利用恒压控制单元使变频器控制一台水泵或循环控制多台水泵,实现管网水压的恒定和水泵电机的软起动以及水泵的变频和定频的切换,同时还要能对运行数据进行传输和监控。
根据系统的设计任务要求,本系统采用如下方案:选用ABB ACS510变频器+西门子SMART200系列PLC(包括变频控制、调节器控制)+人机界面+压力传感器这种控制方式灵活方便。
具有良好的通信接口,可以方便地与其他的系统进行数据交换,通用性强;由于PLC产品的系列化和模块化,用户可灵活组成各种规模和要求不同控制系统。
在硬件设计上,只需确定PLC的硬件配置和I/O的外部接线,当控制要求发生改变时,可以方便地通过PC机来改变存贮器中的控制程序,所以现场调试方便。
同时由于PLC的抗干扰能力强、可靠性高,因此系统的可靠性大大提高。
该系统能适用于各类不同要求的恒压供水场合,并且与供水机组的容量大小无关。
这种控制方案既有扩展功能灵活方便、便于数据传输的优点,又能达到系统稳定性及控制精度的要求。
2.2.2变频器概述变频恒压供水是在变频调速技术发展之后逐渐发展起来的,在早期,由于国外生产的变频器的功能主要限定在频率控制、升降速控制、正反转控制、起制动控制、变压变频比控制及各种保护功能。
应用在变频恒压供水系统中,变频器仅作为执行机构,为了满足供水量大小需求的不同时,保证管网压力恒定,需在变频器外部压力控制器和压力传感器,对压力进行闭环控制。
从查阅的资料的情况来看,国外的恒压供水工程在设计时都采用一台变频器只带一台水泵机组的方式,几乎没有用一台变频器拖动多台水泵机组运行的情况,因而投资成本高。
但目前变频器技术已发展的较为成熟,变频器的成本也逐年下降,企业单位一般都会采用一台水泵机组配一台变频器的方式。
2.2.3 变频恒压供水系统的组成及原理图PLC控制变频恒压供水系统主要有变频器、可编程控制器、压力变送器和现场的水泵机组一起组成一个完整的闭环调节系统,本系统的控制流程图如图2-1所示:图2-1变频恒压供水系统控制流程图从图中可看出,系统可分为:执行机构、信号检测机构、控制机构三大部分,具体为:(1)执行机构:执行机构是由5台水泵组成,它们用于将水供入用户管网,用以根据用水量的变化增加或减少投入电机的数量以及改变变频运行电机的转速,以维持管网的水压恒定。
(2)信号检测机构:在系统控制过程中,需要检测的信号包括管网水压信号、水池水位信号和保护液位及报警信号。
管网水压信号反映的是用户管网的水压值,它是恒压供水控制的主要反馈信号。
水池水位信号反映蓄水池水量是否充足,以作为控制水源井的启停信号。
系统保护液位信号有效时,控制系统要对系统实施保护控制,以防止水泵空抽而损坏电机和水泵。
此信号来自安装于进水口的无水检测传感器。
报警信号反映系统是否正常运行,变频器是否有异常。
(3)控制机构:供水控制系统分为动力配电柜、变频控制柜以及PLC控制柜。
其中供水控制器是整个变频恒压供水控制系统的核心。
供水控制器直接对系统中的压力、液位、报警信号进行采集,对来自人机接口和通讯接口的数据信息进行分析、实施控制算法,得出对执行机构的控制方案,通过变频调速器和接触器对执行机构(即水泵机组)进行控制;变频器是对水泵进行转速控制的单元,其跟踪供水控制器送来的控制信号改变调速泵的运行频率,完成对调速泵的转速控制。
根据用户用水量的不同,本系统采用冬季和夏季两种供水模式。
冬季用户用水量较小,低峰期约200m³/h,高峰期约400~500 m³/h,此时采用一大一小(任意选择一台55KW的大泵和一台30KW的水泵)组合方式即可满足用户用水。
当55KW水泵运行在50Hz时,其供水量仍不能达到用水要求,需要增加水泵机组时,首先将这台55KW的水泵固定频率运行,再启动30KW的水泵机组变频运行;高峰期退去,30KW的水泵会运行在一个较低的频率范围,如果运行频率低于减泵下限值,则需要退出30KW的这台水泵,55KW水泵变频运行,以此保证系统供水的压力的稳定。
夏季用户用水量波动较大,低峰期约400m³/h,高峰期约500~700 m³/h,此时采用一大两小(任意选择一台55KW的大泵和两台30KW的水泵)或者两台大泵组合方式均可满足用户用水。
当55KW水泵运行在50Hz时,其供水量仍不能达到用水要求,需要增加水泵机组时,首先将这台55KW的水泵固定频率运行,再启动30KW的水泵机组变频运行,若这台水泵运行在50HZ还不能满足用户用水需求,则启动另外一台30KW的水泵;高峰期退去,30KW的两台水泵根据先起先停的原则,按顺序退出,以此保证系统供水的压力的稳定。
作为一个控制系统,报警是必不可少的重要组成部分。
由于本系统能适用于不同的供水领域,所以为了保证系统安全、可靠、平稳的运行,防止因电机过载、变频器报警、电网过大波动、供水水源中断造成故障,因此系统必须要对各种报警量进行监测,由PLC判断报警类别,进行显示和保护动作控制,以免造成不必要的损失。
变频恒压供水系统以供水出口管网水压为控制目标,在控制上实现出口总管网的实际供水压力跟随设定的供水压力。
变频恒压供水系统的结构框图如图2-2所示:图2-2变频恒压供水系统框图恒压供水系统通过安装在用户供水管道上的压力变送器实时地测量参考点的水压,检测管网出水压力,并将其转换为4—20mA的电信号,此检测信号是实现恒压供水的关键参数。
由于电信号为模拟量,故必须通过PLC的A/D转换模块才能读入并与设定值进行比较,将比较后的偏差值进行PID运算,再将运算后的数字信号通过D/A转换模块转换成模拟信号作为变频器的输入信号,控制变频器的输出频率,从而控制电动机的转速,进而控制水泵的供水流量,最终使用户供水管道上的压力恒定,实现变频恒压供水。
2.2.4 变频恒压供水系统控制流程变频恒压供水系统控制流程如下:(l)系统通电,按照接收到有效的自控系统启动信号后,有运行使能的水泵(55KW大泵优先启动)M1启动工作,根据压力变送器测得的用户管网实际压力和设定压力的偏差由PLC进行PID算法调节变频器的输出频率,控制Ml的转速,当输出压力达到设定值,其供水量与用水量相平衡时,转速才稳定到某一定值,这期间Ml工作在调速运行状态。
(2)当用水量增加水压减小时,压力变送器反馈的水压信号减小,偏差变大,PLC的输出信号变大,变频器的输出频率变大,所以水泵的转速增大,供水量增大,最终水泵的转速达到另一个新的稳定值。
反之,当用水量减少水压增加时,通过压力闭环,减小水泵的转速到另一个新的稳定值。
(3)当用水量继续增加,变频器的输出频率达到上限频率50Hz时,若此时用户管网的实际压力还未达到设定压力,并且满足增加水泵的条件时,在变频循环式的控制方式下,系统将在PLC的控制下自动投入水泵M2(30KW水泵)变速运行,同时变频泵M1做固定频率运行,系统恢复对水压的闭环调节,直到水压达到设定值为止。
如果用水量继续增加,满足增加水泵的条件,将继续发生如上转换,将另一台30KW水泵M3投入。
(4)当用水量下降水压升高,变频器的输出频率降至下限频率,用户管网的实际水压仍高于设定压力值,并且满足减少水泵的条件时,系统将按顺序停止M2和M3这两台30KW 的水泵。
2.2.5 水泵切换条件分析在上述的系统工作流程中,我们提到当变频泵己运行在上限频率,此时管网的实际压力仍低于设定压力,此时需要增加水泵来满足供水要求,达到恒压的目的;当变频泵和定频泵都在运行且变频泵己运行在下限频率,此时管网的实际压力仍高于设定压力,此时需要减少定频泵来减少供水流量,达到恒压的目的。
那么何时进行切换,才能使系统提供稳定可靠的供水压力,同时使机组不过于频繁的切换呢?由于电网的限制以及变频器和电机工作频率的限制,50HZ成为频率调节的上限频率。
另外,变频器的输出频率不能够为负值,最低只能是0HZ 。
其实,在实际应用中,变频器的输出频率是不可能降到0HZ 。
因为当水泵机组运行,电机带动水泵向管网供水时,由于管网中的水压会反推水泵,给带动水泵运行的电机一个反向的力矩,同时这个水压也在一定程度上阻止源水池中的水进入管网,因此,当电机运行频率下降到一个值时,水泵就己经抽不出水了,实际的供水压力也不会随着电机频率的下降而下降。
这个频率在实际应用中就是电机运行的下限频率。
这个频率远大于0HZ ,具体数值与水泵特性及系统所使用的场所有关,一般在30HZ 左右。
所以选择50HZ 和30HZ 作为水泵机组切换的上下限频率。
当输出频率达到上限频率时,实际供水压力在设定压力上下波动。
若出现s f P P >时就进行机组切换,很可能由于新增加了一台机组运行,供水压力一下就超过了设定压力。