人教版八年级物理下册周周清3
- 格式:pptx
- 大小:230.68 KB
- 文档页数:7
学校2012-2013第一学期八年级第3周周周清作业姓名:_______________ 班级:_______________ 家长签名:_______________物理部分单项选择题( 40分)题号 1 2 3 4 5 6 7 8 9 10 11 12 13 14 15 16 17 18 19 20 答案1、2012年国际田联110m栏比赛中,刘翔以12秒97破赛会记录夺得冠军。
如图1所示,是刘翔在跨栏时的情景,若说赛场的主席台是运动的,可选的参照物是:A.刘翔B.看台上坐着的观众C.地面D.刘翔前方立着的栏图1 图2 图32、2011年11月3日,“神舟八号”飞船与“天宫一号”飞行器顺利完成首次对接,开启了中国航天事业发展的新阶段。
图2所示为“神舟八号”与“天宫一号”即将对接时的模拟图, 那么,对接后的“神舟八号”飞船相对下列哪一个参照物是静止的:A.月球B.地球C.太阳D.“天宫一号”飞行器3、如图3为运动员百米赛跑的情景,下列说法正确的是:A.以地面为参照物,运动员是静止的B.运动员跑得越快,到达终点所用时间越长C.以其中一名运动员为参照物,其他运动员是静止的D.运动员跑得越慢,到达终点所用时间越长4、为了检验人躺着和站立时身体长度是否有差异,选用下列哪种尺最合适:A.量程3m,分度值1mm B.量程10m,分度值1dmC.量程30cm,分度值1mm D.量程15cm,分度值0.5mm5、晓燕在学校春季运动会百米赛跑中以16s的成绩获得冠军,测得她在50m处的速度是6m/s,到终点时的速度为7.5m/s,则全程内的平均速度是:A.6m/s B.6.25m/s C.6.75m/s D.7.5m/s6、甲、乙两辆汽车行驶在平直的公路上,甲车上的乘客看乙车在向北运动。
乙车上的乘客看到甲车和树木都向南运动,则以下说法中正确的是:A.甲乙车可能都向南运动B.甲乙两车可能都向北运动C.甲车向北运动乙车向南运动D.甲车一定在向南运动,乙车向北运动7、2012年5月22日,美国“猎鹰9 号”火箭把“龙”号飞船送人太空,在近两个小时的时间内,“龙”号飞船与国际空间站相伴而飞.空间站内宇航员透过舷窗看到“龙”号飞船纹丝不动、地球在缓缓转动,宇航员选取的参照物是:A.舷窗B.地球C.太阳D.“龙”号飞船8、用刻度尺测得某物体的长度为1. 700米,则所用刻度尺的最小刻度是:A.米B.分米C.厘米D.毫米9、图4(甲)是某物体运动的s-t图像,则图4(乙)中能与之相对应的v-t图像是:图410、小明按物理课本“想一想”中的要求,测出了自己正常步行的平均速度是1.2m/s,某天他从家出发,正常步行到学校的所用的时间是10min。
2015-2016 学年江苏省扬州市江都区宜陵中学八年级(下)第三周周练物理试卷一、选择题1.在生产和生活中,人们常以密度作为所选资料的主要考虑要素,下边属于主要从密度的角度考虑选材的是()A.用塑料做电源插座的外壳B.用钨做电灯泡的灯丝C.冬季,暖气片顶用水作为传达热的物质D.用塑料泡沫做成表演场景中滚落的“石头”2.已知人的密度约等于水的密度,一个初中学生,身体的体积最靠近于()A. 0.5m3 B. 0.05m3C. 0.005m3D. 500cm33.用质量同样的铅、铜、铁、铝制成同体积的四个球,(ρ 铅>ρ 铜>ρ 铁>ρ 铝),以下说法中正确的选项是()A.四球都是实心的B.四球都是空心的C.铝球必定是实心的 D .铁球必定是空心的4.王兵在“丈量石块的密度”的实验时,测出几组数据,依据这些数据绘出图象,能正确表示“密度与质量的关系”的图象是(A. B)5.物体右盘,天平恰巧均衡,则物体A. 2的体积的,将物体 a 放在已调好的天平左盘,物体的密度ρ a与物体b的密度ρ b的比值(b 放在天平的)6.甲、A. 0.8倍B. 1.25倍C. 0.2乙的质量是甲的倍D.5 倍2 倍,则甲的体积是乙的体积的()7.利用天平易量筒丈量不规则形状石块的密度,采纳了以下实验步骤,此中剩余的步骤是()A.用天平称出石块的质量B.用天平称出量筒的质量C.在量筒内倒入适当的水,记下量筒内水的体积V1D.用细线系住石块,淹没在盛水量筒内,记下石块和水的体积V28.小明用量简量取液体,视野与量筒内液体的凹液面最低处保持水平,读数为15mL;倒出部分液体后,俯视凹液面的最低处,读数为9mL,则实质倒出的液体体积()A.小于 6mL B.大于 6mL C.等于 6mL D.没法确立范围9.一只好够容纳1kg 水的瓶子,必定能够容纳得下1kg 的()A.白酒 B .食用油C.盐水 D .煤油10.工人依据需要,把一块钢板切成大小不同的两块,则切割后的这两块钢板()A.质量相等 B .密度相等C.体积相等 D .面积相等11.小明为了查验运动会中获取的铜牌能否由纯铜制成,以下方法中最合理的是()A.察看铜牌颜色 B .测铜牌的质量C.测铜牌的体积 D .测铜牌的密度3312.一个质量为890g 的铜球,测出它的体积为100cm ,则此铜球为(ρ铜=8.9g/cm )()A.必定是空心铜球B.必定是实心铜球C.可能是空心铜球,可能是实心铜球D.没法确立13.一把汤勺的质量是18.4g ,体积是 8cm3,则依据以下密度表,能够知道做成这把汤勺的资料可能是()物质银铜铁铝陶瓷密度10.5 × 1038.9 × 1037.9 × 103 2.7 ×103 2.3 × 103(kg/m 3)A.铝B.铜C.铁D.陶瓷14.小明利用天平易量杯丈量某种液体的密度,获取的数据以下表,依据数据绘出的图象如图所示.则量杯的质量与液体的密度是()液体与量杯的质量 m/g406080100液体的体积 V/cm320406080A. 20g, 1.0 × 103kg/m3B. 60g, 0.8 × 103kg/m3C. 60g, 1.0 × 103kg/m3D. 20g, 0.8 × 103kg/m3二、填空题3______kg ,水的体积是315.体积为 1m 的冰块所有消融成水后,水的质量是______m.16.体积相等的冰和水的质量之比是______,一块冰的体积跟它完整消融成水的体积之比是______,质量比是 ______.(ρ冰 =0.9 × 103kg/m3)17.献血荣耀,它也是我们的义务,已知20cm3人体血液的质量为 21.0g ,则血液的密度是______kg/m3,成年人体内血液共有 4.2kg,则人体内的血液共有 ______m3.18.一瓶铭牌标上有 5L 的花生油,密度为0.94 × 103kg/m3,质量为 ______kg,这瓶花生油用去一半后,剩下的花生油的密度为______kg/m3.19.一个质量为 0.25kg的玻璃瓶,盛满水时称得质量是 1.5kg ,则这玻璃瓶的容积是______m3.它最多能装 ______kg 的酒精(酒精的密度ρ =0.8 × 103 kg/m 3).20.把一块质量为 8.1 克的金属,投入盛有68 毫升水的量筒中,水面高升到71 毫升刻度处,该金属的密度是 ______千克 / 米3,它表示的物理意义是______,此金属可能是 ______.三、解答题(共 4 小题)21.关于测定某种液体的密度来说,其实验步骤的安排有以下两种方法:(1)方法 A:①用天平称出空烧杯的质量m1;②用烧杯取适当的液体称出总质量m2;③将烧杯中的液体倒入量筒中,读出液体的体积V 则液体密度的表达式为:ρ=______.(2)方法 B:①在烧杯中盛液体,称出它的质量1m;②把烧杯中的一部分液体倒入量筒中(使量筒中液面瞄准某刻度线为宜),记下量筒中液体的体积 V;③称出烧杯及剩下的液体的质量m2则液体密度的表达式为:ρ=______.(3)这两种方法中,你以为最理想的是方法 ______(选填“ A”或“ B”).另一种的做法使丈量值偏 ______.22.为了鉴识金属的资料,下边是小明同学的实验操作过程和实验情形.A.用细线将金属块拴好轻轻放入量简内的水中,测出水和金属块的整体积V2;B.计算金属块的密度;C.在量筒中倒入适当的水,测出水的体积V1;D.用天平称出金属块的质量m0;E.把天平放在水平桌面上,调理均衡螺母,使天平均衡.((2)请将图中测得的数据填在表格中,并填写表格中的缺项处.金属块的质量量筒中水的体积金属块的体积金属块的密度m0/g V1/cm 33﹣ 3)V/cmρ/ ( kg?m(3)经查表比较可知,该金属可能是______ .金属密度ρ/ ( kg?m﹣3)铜8.9 × 103铁7.9 × 103铝2.7 × 103铅11.3 × 103银10.5 × 10323.小明在实验室里丈量一块形状不规则、体积较大的矿石的密度.(1)用调理好的天平丈量矿石的质量.当日平均衡时,右盘中砝码和游码如图 1 所示,矿石的质量是 ______g;(2)因矿石体积较大,放不进量筒,所以他利用一只烧杯,按如图 2 所示方法进行丈量,33填“偏大”、“偏小”、“不变”).24.某校科学研究小组应用所学物理知识丈量瓷器的密度,他们所用的器械有:若干小碎瓷片,足够的水,一个质量为 m0、容积为 V0、有密封盖的瓶子,如图.问:(1)他们还需要选择 ______,才能测出小碎瓷片的密度.(只限选一件仪器)(2)请简要写出丈量过程,并用适合的符号表示所丈量的物理量.四、解答题(共 3 小题,满分0 分)25.某公园要铸一尊铜像,先用木材制成一尊跟铜像大小同样的木模.现测得木模质量为63kg,则需要多少千克的铜才能锻造成此铜像?(ρ木 =0.7 × 103 kg/m3ρ铜=8.9 × 103kg/m3)26.一块碑石体积为30m3,为了计算它的质量,取一块碑石的岩石样品,测出它的质量为140g,用量筒装入100mL的水,而后将这块样品淹没在水中,此时水面高升到150mL.请你用这些数据,算出这块碑石的质量.27.一个体积为0.5dm3的铁球,其质量是 1.58kg,问(ρ铁=7.9 × 103kg/m3)(1)它是实心的仍是空心的?为何?(2)假如是空心的,空心部分能注入多少克水?2015-2016 学年江苏省扬州市江都区宜陵中学八年级(下)第三周周练物理试卷参照答案与试题分析一、选择题1.在生产和生活中,人们常以密度作为所选资料的主要考虑要素,下边属于主要从密度的角度考虑选材的是()A.用塑料做电源插座的外壳B.用钨做电灯泡的灯丝C.冬季,暖气片顶用水作为传达热的物质D.用塑料泡沫做成表演场景中滚落的“石头”【考点】与密度相关的物理现象.【剖析】单位体积某种物质的质量就做这类物质的密度.在表演的场景中,坍毁的房子、滚落的石头都是用密度较小的泡沫塑料制成的,目的是防备将人砸伤.【解答】解: A、用塑料做电源插座的外壳是因为塑料是绝缘体,可防备触电事故.B、用钨做电灯泡的灯丝是因为钨的熔点比较高,防备灯丝因为发热而烧断.C、冬季,暖气片顶用水作为传达热的物质是因为水的比热容较大,在降低同样的温度时能够放出更多的热量.D、用塑料泡沫做成表演场景中滚落的“石头”是为了防备将人砸伤.应选 D.2.已知人的密度约等于水的密度,一个初中学生,身体的体积最靠近于()A. 0.5m3 B. 0.05m3C. 0.005m3D. 500cm3【考点】密度公式的应用.【剖析】先估测出一名中学生的质量约为 50kg ,密度与水的密度差不多,利用密度的变形公式 V= 求身体的体积.【解答】解:一名中学生的质量约为 50kg,水的密度为 1.0 × 103kg/m3;由ρ =得一名初中学生的体积:V===0.05m应选3.用质量同样的铅、铜、铁、铝制成同体积的四个球,(ρ铅>ρ铜>ρ铁>ρ铝),以下说法中正确的选项是()A.四球都是实心的B.四球都是空心的C.铝球必定是实心的 D .铁球必定是空心的【考点】密度的计算;密度的应用与物质鉴识.【剖析】先依据 V=能够判断,假如质量同样,则密度越大的体积越小,反之,密度越小的体积越大;再分类判断密度最小的球是实心仍是空心;最后依据密度的大小即可判断四个小球哪些必定是空心的.【解答】解:∵ ρ 铅>ρ 铜>ρ 铁>ρ 铝;∴依据 V=可知:假如质量同样,那么密度越大的,体积V 越小.故若四个球都是实心的,则四个球的质量是不同样的,故 A 错误.∵不知道密度最小体积最大的铝球究竟是实心仍是空心,∴能够做出两个假定:假定 1:铝球是实心的,那么其余几个密度大的球体积必定小于铝球,所以铅、铜、铁球是必定空心.假定 2:铝球是空心的,既然它都是空心,那么其余几个密度大铅、铜、铁球也必定是空心.故 B、C错误;又知铝球有可能实心有可能空心,题干里并无说明;∴再依据以上两个假定的结论都说了然不论铝球是实心仍是空心,铁球都是必然空心的,故D正确.应选 D.4.王兵在“丈量石块的密度”的实验时,测出几组数据,依据这些数据绘出图象,能正确表示“密度与质量的关系”的图象是()A. B【考点】固体的密度丈量实验.【剖析】密度是物质的一种特征,同种物质的密度与它的质量和体积没关,不同物质的密度一般不同,据此,我们可对选项中的各图象进行剖析.【解答】解:因为密度是物质的一种特征,其大小与物质的质量没关,所以,石块的密度不会随质量发生变化,只有选项A切合题意.应选 A.5.物体 a 的体积是物体 b 的体积的,将物体 a 放在已调好的天平左盘,物体右盘,天平恰巧均衡,则物体 a 的密度ρa与物体 b 的密度ρb的比值(A.2:1 B. 1:2 C.4:1 D.1: 4b 放在天平的)【考点】密度的计算;天平的使用.【剖析】天平均衡说明质量相等,已知体积之比.依据公式可求密度之比.【解答】解:.应选 A.6.甲、乙两金属块,甲的密度是乙的,乙的质量是甲的A.0.8 倍B.1.25 倍C.0.2 倍D.5 倍【考点】密度公式的应用.【剖析】已知甲乙的密度之比和质量之比,依据公式【解答】解:甲乙的体积之比为====1.25 .应选 B.2 倍,则甲的体积是乙的体积的(V=可求甲乙的体积之比.)7.利用天平易量筒丈量不规则形状石块的密度,采纳了以下实验步骤,此中剩余的步骤是()A.用天平称出石块的质量B.用天平称出量筒的质量C.在量筒内倒入适当的水,记下量筒内水的体积V1D.用细线系住石块,淹没在盛水量筒内,记下石块和水的体积V2【考点】固体的密度丈量实验.【剖析】测固体的密度用到的器械是天平易量筒,用天平测出固体的质量量筒测出固体的体积V,用公式ρ =计算出固体的密度.m,依据排水法用【解答】解:测固体石块的密度的基本方法是:用天平测出石块的质量量水,读出体积为V1,将石块放入量筒淹没水中,读出水面体积值为ρ=.m,在量筒中倒入适V2,则石块的密度为所以上述步骤实用的为A、 C、 D.应选 B.8.小明用量简量取液体,视野与量筒内液体的凹液面最低处保持水平,读数为部分液体后,俯视凹液面的最低处,读数为9mL,则实质倒出的液体体积(A.小于 6mL B.大于 6mL C.等于 6mL D.没法确立范围15mL;倒出)【考点】量筒的使用.【剖析】依据量筒的实质值和丈量值的关系判断实质倒出的液体体积.【解答】解:视野与量筒内液体的凹液面最低处保持水平读数15mL是正确的读数,俯视凹液面的最低处,读出来示数偏大,则实质读数小于9mL,则实质倒出的液体体积大于6mL.应选 B9.一只好够容纳1kg 水的瓶子,必定能够容纳得下1kg的()A.白酒 B .食用油C.盐水 D .煤油【考点】密度公式的应用.【剖析】依据公式 V=可知,质量同样的不同物质,密度小的体积大.瓶子的容积是必定的,所以能够容纳 1kg 水的瓶子,不可以容纳 1kg 密度比它小的物质.【解答】解:由ρ =得,V=∴质量同样的不同物质,密度小的体积大.所以能够容纳1kg 水的瓶子,不可以容纳1kg 密度比它小的物质.因为 A、 B、 D 选项中的物质密度都小于水的密度,所以能够容纳1kg 水的瓶子,不可以容纳1kg 密度比水小的A、 C、 D 选项中的物质.而 C 选项中的物质密度大于水的密度,所以能容纳1kg 水的瓶子,能容纳 1kg 密度比水大的C选项中的物质.故C选项正确.应选 C.10.工人依据需要,把一块钢板切成大小不同的两块,则切割后的这两块钢板(A.质量相等 B .密度相等C.体积相等 D .面积相等【考点】密度及其特征.)【剖析】质量是物体所含物质的多少,所含物质少的,质量少;所含物质多的,质量多;密度是物质的一种特征.它不随质量和体积的改变而改变,同种物质密度不变;体积是物质或物体所占空间的大小;面积是物体所占平面图形的大小.【解答】解:A、切割后的两块钢板,大的那块所含的钢多,质量大;小的那块所含的钢少,质量小.故A不切合题意;B、同种物质密度必定,密度与物体的质量和体积都没关.所以大的钢板和小的钢板密度是同样的.故 B 切合题意;C、切割后的两块钢板,大的那块体积大,小的那块体积小.故D、切割后的两块钢板,大的那块面积大,小的那块面积小.故应选 B.C 不切合题意;D 不切合题意.11.小明为了查验运动会中获取的铜牌能否由纯铜制成,以下方法中最合理的是()A.察看铜牌颜色 B .测铜牌的质量 C.测铜牌的体积 D .测铜牌的密度【考点】密度的应用与物质鉴识;物质的物理特点.【剖析】密度是物质的基本特征之一,每种物质都有自己的密度.应用密度的知识能够鉴识物质.【解答】解: A、假如铜牌掺假,必定是在铜牌里边掺其余物质,而铜牌的表面颜色仍是铜牌颜色,所以 A 不合理;B、测铜牌的质量是没法鉴识铜牌能否由纯铜制成,因为掺其余物质,也能够让铜牌的质量与纯铜制成的铜牌质量同样,所以 B 不合理;C、测铜牌的体积是没法鉴识铜牌能否由纯铜制成,因为掺其余物质,也能够让铜牌的体积与纯铜制成的铜牌体积同样,所以C不合理;D、假如铜牌掺了假,即便铜牌质量与纯铜制成的铜牌质量同样,但它们的体积必定不同,因为不同物质密度不同,在质量同样的状况下,体积不同;即便铜牌体积与纯铜制成的体积同样,但它们的质量必定不同,因为不同物质密度不同,在体积同样的状况下,质量不同.应选 D.12.一个质量为890g 的铜球,测出它的体积为100cm3,则此铜球为(ρ铜=8.9g/cm 3)()A.必定是空心铜球B.必定是实心铜球C.可能是空心铜球,可能是实心铜球D.没法确立【考点】密度的计算;密度公式的应用;密度的应用与物质鉴识.【剖析】解法一:依据公式ρ =算出密度值,与已知的铜的密度进行比较,得出结论;解法二:依据公式 m=ρ v 算出质量值,与已知的质量进行比较,得出结论;解法三:依据公式v=算出体积值,与已知的体积进行比较,得出结论.【解答】解法一:铜球质量m=890g,体积 v=100cm3,铜球密度ρ ===8.9g/cm3,与已知的密度相等,是实心的.应选 B.33 33 解法二:铜球密度ρ =8.9g/cm ,体积 v=100cm ,铜球质量 m=ρ v=8.9g/cm × 100cm =890g,等于测出的质量 890g,是实心的.解法三:铜球质量 m=890g,密度ρ =8.9g/cm 3,体积 v===100cm,等于测出的体积,是实心的.应选 B.13.一把汤勺的质量是18.4g ,体积是 8cm3,则依据以下密度表,能够知道做成这把汤勺的资料可能是()物质银铜铁铝陶瓷密度10.5 × 1038.9 × 1037.9 × 103 2.7 ×103 2.3 × 103(kg/m 3)A.铝B.铜C.铁D.陶瓷【考点】密度的计算;密度的应用与物质鉴识.【剖析】依据密度的计算公式ρ =求出汤勺的密度,而后从密度表中查出是用什么资料制成的.【解答】解:依据题意可得: =2.3 从密度表中能够看出汤勺的密度与陶瓷的密度同样,所以汤勺是用陶瓷制成的.应选 D.14.小明利用天平易量杯丈量某种液体的密度,获取的数据以下表,依据数据绘出的图象如图所示.则量杯的质量与液体的密度是()液体与量杯的质量 m/g406080100液体的体积 V/cm320406080A, 0.8 × 103kg/m3C, 0.8 × 103kg/m3【考点】【剖析】要求得物质的密度需先找到物质的质量和体积,察看图象:①当体积为能够确立烧杯质量为20g,液体质量等于总质量减去烧杯质量;②因质量和体积成正比,我们只需选用随意一组数据就能够计算出密度.【解答】当体积为 0 时质量是 20g,所以烧杯质量为 20g;当体积为3 60cm时质量为20) g 即:应选 A.二、填空题3的冰块所有消融成水后,水的质量是900 kg,水的体积是0.9315.体积为 1m m.【考点】密度的计算;密度公式的应用.【剖析】所求水的质量就是冰的质量,能够先求冰的质量,而后除以水的密度,就是水的体积.【解答】解: m =m =ρv=0.9 ×10333冰冰kg/m × 1m=900kg水冰V 水 ===0.9m故答案为:0.916.体积相等的冰和水的质量之比是9: 10,一块冰的体积跟它完整消融成水的体积之比是 10:9,质量比是1: 1 .(ρ冰 =0.9 × 103kg/m3)【考点】密度公式的应用.【剖析】①已知体积相等的冰和水,利用密度公式变形可求得其质量之比;②质量是物体自己的一种属性,与状态没关,冰消融成水质量不变.【解答】解:①已知 V 水 =V 冰,由ρ =可得, m水=ρ水 V 水, m冰=ρ冰 V 冰,则体积相等的冰和水的质量之比====;②一块冰完整消融成水后,质量不变,故质量比是1: 1.由ρ =可得,一块冰的体积=,一块冰完整消融成水的体积=,则=: = × ===.故答案为: 9: 10; 10; 9; 1: 1.17.献血荣耀,它也是我们的义务,已知20cm3人体血液的质量为21.0g ,则血液的密度是1.05 ×10 3kg/m3,成年人体内血液共有 4.2kg ,则人体内的血液共有4×10 ﹣3m3.【考点】密度公式的应用;密度的计算.【剖析】已知血液的质量和体积,直接利用公式ρ =即可求出血液的密度;已知血液的密度和质量,直接利用公式v=即可求出血液的体积.【解答】解:血液的密度:ρ ===1.05g/cm =1.05 ×103kg/m 3;人体内的血液共: v′= ==4故答案为 1.05 × 103;4×18.一瓶铭牌标上有 5L 的花生油,密度为0.94 × 103kg/m3,质量为 4.7kg,这瓶花生油用去一半后,剩下的花生油的密度为0.94 ×10 3kg/m3.【考点】密度公式的应用.【剖析】知道花生油的体积,依据密度公式的变形式m=ρ V 即可算出花生油的质量;密度是物质的一种特征,与物体的质量和体积没关.【解答】解:33,花生油的体积 V=5L=5dm=0.005m由ρ =得一瓶花生油的质量:m油 =ρ油 V油 =0.94 × 103㎏ /m3× 5× 10﹣3m3=4.7kg ,同种物质,密度是必定的,与物体的质量和体积没关(固然节余的花生油的质量和体积都变成了本来的一半,但它们的比值仍旧不变),所以当这瓶花生油用去一半后,剩下花生油的密度为 0.94 × 103㎏ /m3.故答案为: 4.7; 0.94 × 103.19.一个质量为0.25kg 的玻璃瓶,盛满水时称得质量是 1.5kg ,则这玻璃瓶的容积是1.25 ×10 ﹣3m3.它最多能装1kg 的酒精(酒精的密度ρ =0.8 × 103 kg/m 3).【考点】密度公式的应用.【剖析】已知玻璃瓶的质量m1,装满水时玻璃瓶的质量m2,则水的质量 m=m2﹣ m1,由密度公式的变形公式可求出玻璃瓶的容积,进一步求出玻璃瓶所能装酒精的质量.【解答】解:玻璃瓶的质量m1=0.25kg ,装满水玻璃瓶的质量m2=1.5kg ,瓶中水的体积即玻璃瓶的容积,V 容 =V水===1.25;酒精的质量: m酒精 =ρ酒精 V容=0.8 × 1033﹣ 33kg/m ×1.25 × 10m=1kg.故答案为:.20.把一块质量为 8.1 克的金属,投入盛有68 毫升水的量筒中,水面高升到71 毫升刻度处,该金属的密度是 2.7 ×103千克/米3,它表示的物理意义是3的这类金属的质量是1m2.7 ×10 3kg,此金属可能是铝.【考点】密度的计算;密度的应用与物质鉴识.【剖析】先依据量筒中水面高度的变化确立金属的体积,而后依据密度的计算公式求出金属的密度;密度所描绘的是单位体积的物质的质量.详细表述,第一是表述单位体积,而后才是质量.求出金属的密度与密度表中物质的密度比较,找出与其密度相等的金属.【解答】解:因为量筒中水的体积有68ml 高升到 71ml ,所以该金属的体积为 71ml ﹣68ml=3ml ;该金属的密度为ρ ===2.7g/cm 3=2.7 × 103kg/m3;33它表示的物理意义是: 1m 的这类金属的质量是 2.7 × 10 kg.查密度表可得:与其密度相等的金属是铝.故答案为: 2.7 × 103;1m3的这类金属的质量是 2.7 × 103kg;铝.三、解答题(共 4 小题)21.关于测定某种液体的密度来说,其实验步骤的安排有以下两种方法:(1)方法 A:①用天平称出空烧杯的质量 m1;②用烧杯取适当的液体称出总质量m2;③将烧杯中的液体倒入量筒中,读出液体的体积V 则液体密度的表达式为:ρ=.(2)方法 B:①在烧杯中盛液体,称出它的质量m1;②把烧杯中的一部分液体倒入量筒中(使量筒中液面瞄准某刻度线为宜),记下量筒中液体的体积 V;③称出烧杯及剩下的液体的质量m2则液体密度的表达式为:ρ=.(3)这两种方法中,你以为最理想的是方法B(选填“ A”或“ B”).另一种的做法使丈量值偏大.【考点】液体的密度丈量实验.【剖析】液体密度的丈量方法:依据液体的密度的计算公式ρ =可知需要丈量的物理量是m 和 V, m用天平丈量、 V 用量筒丈量.但液体的质量不可以直接用天平丈量,一定分两步.我们应选用丈量偏差小的方法来判断终究是先丈量质量仍是体积.【解答】解:(1)液体的质量m=m2﹣m1,液体密度的表达式:ρ ==;(2)量筒中液体的质量 m=m1﹣ m2,液体密度的表达式:ρ ==;(3)方法 A 是先丈量空烧杯的质量,再丈量空烧杯和液体的总质量,再丈量液体的体积,此种做法方会使一部分液体留在烧杯壁,进而使测出的液体的体积偏小,依据ρ =可知密度会偏大;方法 B 是先丈量烧杯与液体的总质量,再将部分液体倒入量筒中,读出液体的体积,再丈量节余液体和烧杯的总质量,此种做法方就防止了液体残留在烧杯内壁上的问题,减小了偏差.故答案为:( 1);( 2);( 3) B;大.22.为了鉴识金属的资料,下边是小明同学的实验操作过程和实验情形.A.用细线将金属块拴好轻轻放入量简内的水中,测出水和金属块的整体积2;VB.计算金属块的密度;C.在量筒中倒入适当的水,测出水的体积V1;D.用天平称出金属块的质量0m;E.把天平放在水平桌面上,调理均衡螺母,使天平均衡.(1)正确的操作次序为EDCAB (填序号).(2)请将图中测得的数据填在表格中,并填写表格中的缺项处.金属块的质量量筒中水的体积金属块的体积金属块的密度m/g V1/cm33﹣ 3)V/cmρ/ ( kg?m 0(3)经查表比较可知,该金属可能是铝.金属密度ρ/ ( kg?m﹣3)铜8.9 × 103铁7.9 × 103铝2.7 × 103铅11.3 × 103银10.5 × 103【考点】固体的密度丈量实验.【剖析】( 1)关于固体密度的丈量,往常是先调理天平均衡,再用天平测出质量,而后用量筒测出体积,最后辈入密度公式计算物体的密度.(2)量筒和天平的读数,第一要弄清楚其量程和分度值再去读数.金属块的体积等于金属块和水的整体积减去水的体积;依据公式ρ =计算出金属块的密度.(3)依据求出的密度值,查密度表可知此金属为铝.【解答】解:( 1)测金属块密度应先测质量再测体积,所以测金属块的密度正确的实验操作次序是 EDCAB.(2)用量筒丈量的是水的体积和水和金属块的整体积 V2/cm3;金属块的质量 =砝码质量 +游码质量, m=50g+4g=54g,量筒 1 个大格表示 10cm3,里面有10 个小格,故其分度值为1cm3,故水的体积V1=20cm3,放入金属块后的整体积V2=40cm3,金属块的体积3 V=20cm,金属块的密度ρ ===2.7g/cm 3=2.7 × 103kg/m3(3)经查密度表可知,该金属可能是铝.故答案为:( 1) EDCAB;(2)见下表;金属块质量 m0/g 量筒中水体积放入金属块后金属块的体积金属块的密度V1/cm3的整体积 V2/cm3V/cm3ρ/ ( kg?m﹣3)54204020 2.7 × 103(3)铝.23.小明在实验室里丈量一块形状不规则、体积较大的矿石的密度.(1)用调理好的天平丈量矿石的质量.当日平均衡时,右盘中砝码和游码如图 1 所示,矿石的质量是 175.6 g;(2)因矿石体积较大,放不进量筒,所以他利用一只烧杯,按如图 2 所示方法进行丈量,333小(选填“偏大”、“偏小”、“不变”).【考点】固体的密度丈量实验.【剖析】( 1)质量的读数应按照先累加砝码,再加游码示数的规律;(2)矿石体积的读数要注意烧杯、量筒中水量的代替关系,读数时分清量筒的分度值;(3)密度的计算运用公式ρ =来进行;影响丈量结果的要素主要在体积的丈量上,所以剖析出体积有可能偏大仍是偏小才是重点.。
八年级物理(下)第三次周清试题 一.填空题(每题3分,共36分) 1.下列关于力的说法错误的是( ) A 、只有两个物体接触时才能发生力的作用 B 、力是物体对物体的作用 C 、物体间力的作用是相互的 D 、物体间发生力的作用时,不一定要接触 2.公共汽车匀速直线运动时,乘客不会倾倒;突然刹车时,乘客会向前倾倒,在这两种情况下 ( ) A.前者乘客有惯性,后者没有 B.前者乘客没有惯性,后者有 C.两种情况,乘客都有惯性 D.两种情况,乘客都没有惯性 3.用如图所示的滑轮匀速提升重物,那么( ) A .a 方向的拉力最小 B .b 方向的拉力最小 C .c 方向的拉力最小 D .三个方向的拉力都一样大 4.在湖水中划船时,使船前进的动力是( ) A 、桨对水的推力 B 、水直接对船的推力 C 、人对船的推力 D 、水对桨的推力 5.如图所示,下列物体受力示意图中,物体处于二力平衡的是( )6.如图1所示,重为3N 的贡柑,从树上落下的过程中,同时受到重力和空气阻力的作用. 对于贡柑所受合力的大小和方向,以下说法中正确的是( ) A .大于3N ,方向向上 B .小于3N ,方向向上 C .大于3N ,方向向下 D .小于3N ,方向向下. 7.我国公安部门规定:坐在小汽车前排的司机和乘客都应在胸前系上安全带,这主要是为了减轻在下列哪种情况出现时可能对人身造成的伤( ) A 倒车 B 车速太慢C 突然启动D 紧急刹车 8.用如图所示的钢丝钳来剪钢丝时,钢丝放在刀口尽量靠近0点的位置,手握在B 点的位置.这种钢丝钳是 A .省力杠杆 B .费力杠杆 C .等臂杠杆 D .都不是 9.下列说法中正确的是 ( ) A .物体不受力,一定是静止的 B .作用在运动物体上的力一定是不平衡的 C .物体受到非平衡力作用时,速度大小一定改变D .物体运动方向改变时,则一定受到了力的作用 10.2008年奥运会上,我国运动员奋力拼搏为国争光,在下列比赛项目中,有关运动和力的说法中不正确...的是() A .头球攻门,说明力可以改变物体的运动状态B.用力拉弓,说明力可以改变物体的形状 C .用力向后划水,皮划艇才能前进,说明物体间力的作用是相互的 D .百米冲刺后很难停下,是因为运动员的惯性消失了 11.如图6所示,要使杠杆处于平衡状态,在A 点分别作用的四个力中,最小的是( ) A .F 1 B .F 2 C .F 3 D .F 4 12.在水平地面上放置一个重为360N 的物体用图中所示的装置匀速拉动物体(不计绳子与滑轮的摩擦),拉力F 等于40N ,则物体与地面间的摩擦力应为( ) A .60N B .80N C .120N D .360N 二、填空(每空1分,共21分) 13.定滑轮实质是﹍﹍﹍﹍﹍杠杆,不省力也不费力,但是可以改变﹍﹍﹍﹍﹍的作用方向;动滑轮实质是﹍﹍﹍﹍﹍的杠杆,能够省力﹍﹍﹍﹍﹍,费﹍﹍﹍﹍﹍倍的距离,但不能改变力的﹍﹍﹍﹍﹍。
八年级物理下册周周清(三)一.填空题1.单位换算1m2=( mm)2=()mm24m2=()dm2=( )cm2=( )mm210cm2=( ) dm2 = ( )m2600mm2=( )cm2=( )dm2=( )m2300cm2=()m2 800mm2=( ) m22. 质量为6Х103kg的大象,每只脚掌的面积为600cm2,它的重力为________N,它四脚着地时对地面的压强为________Pa.若大象抬起一条腿,它对地面的压力________(填“变大”“变小”或“不变”).(g取10N/kg)二.选择题1.关于压力和压强的说法,正确的是()A单位面积上受到的压力越大,压强越大B受力面积越大,压强越小C.重力越大,压力越大D.压力越小,压强越小2.下列实例中,属于减小压强的是()3.质量相同的正方体实心铜块和铁块,平放在水平桌面上,比较它们对桌面的压强和压力 ( )A.压力相等,铜块对桌面的压强较大 B.压力相等,铁块对桌面的压强较大 C.压强相等,铜块对桌面的压力较大 D.压强相等,铁块对桌面的压力较大4. 关于压力和压强,下列说法正确的是 ( )A.压力的方向总是竖直向下的B.压力的方向总是垂直于支持面的C.物体的重力越大,对支持面的压力一定越大D.压力大,压强一定大5.以下措施中,能增大压强的是( )A.铁路的铁轨要铺在枕木上B.汽车的轮胎表面有凹凸花纹C.刀刃要磨得很薄D.在坦克的轮子上安装履带6.如图13—1所示,物体重10 N ,它与竖直墙面的接触面积是 0.5 dm 2,现用24 N 的水平力把物体按在墙上,墙面受到物体的压力和压强分别为( ) A.10 N ,2×103 Pa B.10 N ,4.8×103 Pa C.24 N ,2×103 Pa D.24 N ,4.8×103 Pa三.计算题1.一位质量为50kg 的同学,他每只脚接触地面的面积是200cm 2(g 取10/kg).求: (1)这位同学对地面的压力(2)这位同学双腿站立时对地面的压强(3)这位同学行走时对地面的压强2.在封冻的冰面上,若人的每只鞋底面积是125 cm 2,体重为500 N 的人恰好可以通过,如果每只鞋底面积是175 cm 2,体重为500 N 的人最多可以负重多少通过冰面?图13—1。
卜人入州八九几市潮王学校第三周习题 答题人:_________分数:_________1.某导体两端电压为15V ,此时通过导体的电流为3A ,假设导体两端的电压增加3V ,那么此时通过导体的电流和导体的电阻分别是〔〕A .5ΩB.5ΩC .1ΩD.4A6Ω2.如图7-5所示,R 1=1Ω,R 2=2Ω,那么电压表V 1、V 2示数之比是〔〕A.1:1B.1:2C.2:1D.1:33.如图7-6所示电路,电源电压保持不变,开关S 由闭合到断开时〔〕4.如图7-7所示,电源电压保持不变,假设P向右挪动,那么电压表、电流表示数的变化分别为()A.变大,变小B.变大,变大C.变小,变大D.变小、变小 向右挪动过程中,电路中的电流变大。
5.如图7-8所示在滑动变阻器的滑片P 那么电路与滑动变阻器的连接方式正确的选项是〔〕A.a 连C ,b 连D B .a 连A 、b 连B 图7-5图7-6 图7-8C.a连C,b连B D.a连C,b连D1.两个导体并联后的总电阻〔〕A.比每个导体的电阻都大B.比每个导体的电阻都小C.等于两个导体的电阻之和D.等于两个导体电阻的倒数之和2.甲、乙两电阻之比是3/1,将它们串联后接入电路中,假设测得乙电阻两端的电压为4V,那么这个电路的电源电压为()A.4VB.8VC.12VD.16V3.如图7-9所示,AB间电压保持不变,当开关S闭合后,电流表的示数为I1,当S断开后,电流表示数为I2,那么I1、图7-9I2的大小关系为().A.I1<I2B.I1=I2C.I1>I2D.无法判断4.一只电阻两端的电压从2V,增加到V,通过该电阻的电流增加了,那么该电阻的阻值是〔〕A.8ΩB.20ΩC.28ΩD.无法确定5.有三个定值电阻并联在电路中,它们的电阻值之比R1:R2:R3=1:3:5,那么通过它们的电流之比I1:I2:I3为()A.1:3:5B.15:5:3 C.5:3:1D.5:3:156.假设把4Ω和6Ω的两只电阻串联在一个电压不变的电源上,电路中的电流为,假设再把它们并联在同一电路中,那么干路的电流应为〔〕A.2AB.3AC.4AD.5A7、当导体两端的电压是6V时,通过的电流是0.2A,求:(1)该导体的电阻是多大(2)假设将该导体改接在15V的电源上,通过它的电流为多少。
1.导体对电流的叫电阻,电阻是本身的一种,它的大小跟,,和有关。
2.A、B是两根材料相同,长度相同的导体,如果A导体的横截面积是0.5cm2,B导体的横截面积是5mm2,则导体A的电阻导体B的电阻。
3.有三根相同材料制成的导体A、B、C,在相同的温度下,A比B长,粗细相同;C与B长度一样,C粗些.这三根导体的电阻由大到小的排列顺序为。
4.小芳同学在探究“决定导体电阻大小的因素”时,做出了如下猜想:猜想①:在温度不变时,导体的电阻与导体的材料有关;猜想②:在温度不变时,导体的电阻与导体的长度有关;猜想③:在温度不变时,导体的电阻与导体的横被面积有关.她画出了实验电路图,并按要求正确地连接了电路.请完成下列填空(只填序号):(1)要验证猜想①,小芳同学应选择的两段导体是和;(2)要验证猜想②,小芳同学应选择的两段导体是和;(3)要验证猜想③,小芳同学应选择的两段导体是和;(4)这种物理研究方法,通常叫做。
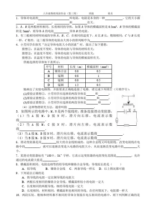
5. 如图所示的电路中,M、N是两个接线柱,准备连接滑动变阻器,(1)当A接M,D接N时,滑片向右移,电流表示数将。
(2)当A接M,C接N时,滑片向左移,电流表示数将。
(3)当A接M,B接N时,滑片向右移,电流表示数将。
(4)当B接M,D接N时,滑片向左移,电流表示数将。
6.滑动变阻器是用__________较大的合金线制成的,这种合金线又叫电阻线。
改变电阻线在电路中的__________,就可以逐渐改变连入电路的电阻大小,从而逐渐改变电路中的_________大小。
7.某滑动变阻器标有“100Ω,5A”字样。
它表示这变阻器的电阻变化范围是__________,允许通过的电流最大值是__________。
8.横截面积相同,电阻也相等的铝导线和镍铬合金导线,导线较长的是()A.铝导线B.镍铬合金线C.两条导线一样长D.以上情况都可能9.下列说法正确的是A.铁导线的电阻一定比铜导线的电阻大B.两根长度相同的镍铬合金导线,横截面积较小的电阻一定大C.长度相同的两根导线,细的导线电阻一定大D.长度相同,材料相同,横截面积也相同的导线,在任何情况下,电阻都一样大10.两段长短、粗细和材料都不相同的导体分别接在电压相同的电路中,则下列判断正确的是()A.长导体中的电流一定大些C.无论哪段导体被拉长后,通过的电流都一定变小P图6-25 B .短导体中的电流一定大些 D .无论哪段导体被冷却后,通过的电流都一定变小11.如图6-21所示,AB 和BC 是由同种材料制成的长度相同、横截面积不同的两段导体,将它们串联后连入电路中.比较通过它们的电流的大小,有( )A . I AB <I BC B . I AB =I BCC .I AB >I BCD .无法确定12.滑动变阻器的滑片P 滑动时,接入电路的电阻发生变化的原因是( )A .加在电阻丝两端的电压发生变化B .电阻丝横截面积发生变化C .连入电路的电阻丝长度发生变化D .通过变阻器的电流强度发生变化 13.如图6-25,要使滑动变阻器的滑片P 向右移动时,电阻变大,应选择的接线柱是( )A .A 、DB .B 、C C .A 、BD .C 、D14.在用滑动变阻器改变灯泡亮度的实验中,对于连接实验电路的注意事项,不必要的一点是( )A .连入变阻器时,应使滑片位于变阻器值最大的位置B .开关、电流表应接在靠近电源电流流出的一端C .连接电路时,应先将开关断开D .电流表应与灯泡串联,并使它的“+”接线柱,靠近电源的“+”极一端15.一根铝导线的电阻为R ,现在要使它接入电路中后电阻大于R ,可采取的措施有( )A .减小这根导线两端的电压或者增大通过它的电流B .将这根导线拉长后接入电路C .将这根导线对折后接入电路D .用长短粗细都相同的铜导线代替铝导线接入电路16.有两只定值电阻,上面分别标有“2A 10Ω”和“1A 5Ω”的字样,若将它们串联在电路中使用,则电路中允许通过的最大电流为〔 〕A . 1AB .2AC . 3AD . 不能确定17.设计题:如图6-27所示,有灯泡L 1、L 2,开关S ,电源,电压表、电流表,滑动变阻器和导线若干,要求:L 1、L 2并联,开关控制整个电路,电流表测总电流,电压表测L 1的电压,滑动变阻器改变通过L 2的电流。
八年级物理第3周周清试卷一、选择题(4’×9=36’)1、人类发射的探测器已飞出了太阳系,如果探测器所受外力全部消失,那么探测器将()A.落回地球B.飞向太阳C.绕地球运动D.做匀速直线运动2、一个跳远运动员助跑以后跳得更远,是因为()A.速度快,惯性大,跳得远B.受到惯性力的作用,跳得远C.利用惯性,跳得远D.以上说法都不正确3、惯性在日常生活和生产中有利有弊,下面四种现象有弊的是()A.锤头松了,把锤柄在地面上撞击几下,锤头就紧紧的套在锤柄上B.往锅炉内添煤时,不用把铲子送进炉灶内,煤就随着铲子运动的方向进入灶内C.汽车刹车时,站在车内的人向前倾倒D.拍打衣服可以去掉衣服上的尘土4、下列受到非平衡力作用的物体是()A.匀速直线行驶的汽车B.用力搬一块大石头,但没有搬动C.静止在地面上的桌子D.从滑梯上加速下滑的小孩5、天花板上吊一盏灯,吊线的重力忽略不计,下列各对力中属于平衡力的是( )A.天花板对吊线的拉力和吊线对天花板的拉力B.灯对吊线的拉力和吊线对灯的拉力C.天花板对吊线的拉力和吊线对灯的拉力D.灯受到的重力和吊线对灯的拉力6、如图所示,一位同学用水平推力推停在地面上的汽车,但没能推动,则下列说法中正确的是()A.因为推力小于汽车所受的阻力,所以汽车未被推动B.因为推力小于汽车的重力,所以汽车未被推动C.虽然汽车未被推动,但推力等于汽车所受的阻力D.虽然汽车未被推动,但推力一定等于汽车的重力7、一个人用大小为120N的水平力推着一个木箱在水平地板上做匀速直线运动,箱重350N,那么木箱所受的阻力的大小为()A.470NB. 350NC. 230ND. 120N8、一跳伞运动员的质量为65kg,降落伞的质量为5kg。
运动员在空中张开伞匀速竖直下降,在此过程中人和伞受到空气阻力的大小为(取g=10N/kg)()A.650N B.65N C.700N D.70N9、如图所示,在一辆表面光滑的小车上,放有质量分别为m1、m2的两个小球,随车一起作匀速直线运动。
河北省石家庄市藁城区尚西中学2017-2018学年八年级物理下学期周清1.在探究压强与哪些因素有关时,小明猜想“压强可能与压力和接触面积有关”,为验证“压强是否与接触面积有关”,小明采用如图甲和图乙两种方法静止地挤压在两手指间来进行实验,下列说法不正确的是()A.图甲与图乙中铅笔都受到了平衡力的作用B.图甲的方法合理,图乙的方法不合理C.图甲、图乙的方法都合理D.用图甲的方法还能研究压强与压力的关系2.在探究影响压力作用效果的因素的实验中,如图所示,则正确的是()A.甲图和乙图相比,压力不同,受力面积不同B.乙图和丙图相比,压力相同,受力面积不同C.甲图和丙图相比,压力不同,受力面积相同D.乙图和甲图相比,压力相同,受力面积相同3.如图所示,一个装满水的饮料瓶,正放在水平桌面上时,瓶底对桌面的压力为F a、压强为p a,倒放在水平桌面上时,瓶盖对桌面的压力为F b、压强为p b,则()A.F a=F b p a<p b B.F a>F b p a=p bC.F a=F b p a=p b D.F a<F b p a<p b4.当蛟龙号潜艇下潜至3500m时,潜艇承受的最大压强为(海水密度为1.03×103kg/m3)()A.3.605×107Pa B.3.87×107Pa C.3.79×107Pa D.无法测定5.放在水平桌面上的甲、乙两烧杯的底面积之比为3:1,依次盛入密度之比为1:2的液体,且液体深度之比为2:1,则两烧杯底面所受液体的压力之比是()A.1:3 B.1:2 C.1:1 D.3:16.如图所示,容器下部横截面积为S2上部横截面积S1的3倍,当由管口注入重为G的某种液体时,上部液体与容器的下部等高,则液体对容器底部的压力为()A.B.G C.D.7.如图,甲、乙、丙是三个质量和底面积均相同的容器,若容器中都装入等量的水(水不溢出),三个容器底部都受到水的压强()A.甲最大B.乙最大C.丙最大D.一样大8.如图所示,甲容器中盛有水,乙容器中盛有酒精(ρ水>ρ酒精)两液面一样高,在其中有A、B、C三点,则三点的压强关系是()A.p A>p B>p C B.p A<p B<p C C.p A>p C>p B D.p B<p C<p A9.下列实例中,属于利用连通器原理工作的是()A.吸尘器B.茶壶 C.脱排油烟机D.订书机10.举世瞩目的三峡工程日前已关闸蓄水,大坝设计高度为185m.预计全部投入使用后发电机的总功率将达 1.82×107kW.据新浪网消息,小型轮船通过大坝要乘电梯,大型轮船通过大坝要通过船闸.船闸工作时利用的原理是;如果蓄水高度为170m,则大坝底部受到水的压强为Pa (取g=10N/kg).11.如图是小明在研究液体内部压强特点时所做的实验.将蒙有橡皮膜的金属盒作为探头与压强计相连,在一个烧杯中倒入适量的水,将金属盒放在水中不同的位置,实验现象如图甲、乙,根据实验现象可以得出的结论是:.乙图中,U形管左侧管内气体的压强右侧的管内气体的压强(选填“大于”、“等于”或“小于”).12.如图是用来探究液体内部压强的特点的一个重要工具,它叫;实验时把金属盒放入水中,通过观察两管中水面的就可以反映橡皮膜受到水的压强的大小,这种方法在物理中叫法;根据你所学的知识写出一条液体内部压强的规律.13.学习完液体压强知识后,小虎找来了一个空塑料瓶做实验.他先在a、b、c处各开了一个小孔,在瓶内装满水,发现a、b、c三处都有水流出,这说明了.并且C处水流速最快,这又说明了.为了加快小孔处水的流速,他将水瓶向上举起了一定高度.他这样做能达到目的么?.(填“能”或“不能”)这是因为.14.如图所示,一装水的水桶放在水平地面上.空水桶重力是20N,木桶的底面积是0.03m2,桶内水的重力是100N,水的深度是20cm.水的密度是1.0×103kg/m3,g取10N/kg.试求:(1)水桶底受到水的压强是多少?(2)水桶底受到水的压力是多少?(3)水桶对地面的压力是多少?15.如图所示,用食指托住一瓶容量为500mL的矿泉水,使之处于静止状态.已知空矿泉水瓶的质量为20g,手指和瓶盖的接触面积约为1cm2.g取10N/kg.求:(1)这瓶矿泉水的总重力.(2)食指端所受到瓶子的压强.。
八年级物理下学期周周清试题一、填空(24)1、物体所含物质的多少叫做物体的 .用符号表示。
在国际单位制中,质量的单位是,符号为,常用单位还有 ( ),( ), ( )。
2、单位换算 1t= kg 1kg= g 1g= mg 3700 mg= g 25 cm3= ml lg/cm3=_________kg/m33、事实说明,物体的,,发生改变时,他的质量改变。
是物体的物理属性。
4、小明用天平测了一鸡蛋的质量,当天平平衡后,右盘中砝码的质量和游码的位置如图所示,则鸡蛋的质量是 g 。
5、刘明做测小石块的密度实验时,在测量时,向右盘中添加砝码,当加上最小砝码后,发现指针静止时指在分度盘右侧的位置,则接下去的操作应是8.8×107。
天平平衡时,右盘里砝码的质量、游码在标尺上的位置如图所示,再用量杯测出小石块的体积为20cm3,则小石块的密度是 g/cm3。
二、选择(10)1.下面关于质量的说法正确的()A、质量是物质的大小B、质量是物体的多少C、质量是物体中所含物质的多少D、质量是物体的大小2.下列说法中正确的是()A、登月舱从地球到月球质量变小B、1kg铁比1kg棉花的质量大C、玻璃杯打碎后,质量不变D、一杯水凝固成冰后体积变大,质量也变大3.小明做“用托盘天平测物体质量”实验时,用已调节好的天平测量物体质量,发现指针静止时指在分度盘的中央刻度线左侧,要使天平平衡,他接着应该()A.把横梁右端螺母向右旋出一些 B.把横梁右端螺母向左旋进一些C.把天平右盘的砝码减少一些 D.向右移动游码4.测物体质量前,调节横梁平衡时,发现指针在分度盘中线的左侧,这时应该()A.将游码向左移动B.将右端平衡螺母向左旋进一些C.将游码向右移动D.将右端平衡螺母向右旋出一些5、一瓶矿泉水放入冰箱结冰后,下列物理量不发生改变的是()A.质量 B.温度 C.内能 D.密度三、实验(9)1、某托盘天平的全部砝码及标尺如图7,此天平的称量(即称量范围)是 ___ g。
八年级物理组周周清3(运动的快慢) 主备人:SUN 审核:八年级物理组比较物体运动快慢的方法通常有两种,其中甲是 ;乙是 。
这种实验方法称为:1.完成以下速度单位的换算:(1) 1.5min=_________s; (2) 7200s=________h (3)6.8×108nm=_______m (4) 6.5m/s=_________km/h; (5) 1080km/h=_________m/s;2.在物理学中,把物体运动速度保持不变的直线运动称为________________,速度变化的直线运动称为________________.在匀速直线运动中,速度等于运动物体在________通过的________.公式为________,一个做匀速直线运动的物体,在5S 内通过的路程为10m,那么它的速度为_____m/s,在第2秒内的速度为______m/s,前2秒内通过的路程为______m.3.甲车的速度V 1=36km/h,乙车的速度V 2=15m/s,则V 1_____V 2,2小时内甲车行驶____米,乙车行驶30km 需要_______小时.4.汽车的速度计上有“km/h ”字样,当速度计指针指在“90”处,该汽车此时的速度为________km/h=________m/s.5.在国际单位制中,速度的单位是由长度单位和时间单位组合而成的,写作______,读作________________,可用符号________或_________表示.6.一位同学乘坐一辆汽车行驶在一条限速为60km/h 的公路上,他测出汽车每隔2秒就驶过一根路边相距45m 的电线杆,则汽车的速度是________m/s,这辆车_______(填“已经”或“没有”)超过速度.7.要测量自己步行的速度,需要的测量工具是________和________,一个中学生步行的速度大约是1.5_____.8.目前普通列车的速度位100km/h,而磁悬浮列车的速度约为500km/h.南京到上海的路程为300km,按以上速度计算,磁悬浮列车从南京到上海需要______h.9.使用刻度尺前要观察它的_________、__________和___________.10.随着我国社会经济的快速发展,为了缓解铁路运力紧张状况,今年4月份我国铁路进行了第五次大提速.2004年4月17日19时23分,西安至北京Z20/19次直达特快首发列车由西安火车站缓缓驶出,这是西部地区唯一一列全列软卧特快列车.陕西日报以“西安至北京直达特快列车昨开行,一路不歇到京城”为标题在头版进行了特别报道.Z20/19次列车夕发朝至,全程1200km,运行12h,最高时速可达160km/h,即_______m/s.Z20/19次列车西安至北京的平均速度为________km/h.11.用如下图所示的方法测细铜钱的直径,铜线的直径是( ) A.1.45mm B.1.5mm C.1.9mm D.29.0mm12.明代诗人曾写下这样一首诗:“空手把锄头,步行骑水牛,人在桥上走,桥流水不流”其中“桥流水不流”这一句应理解成选择的参照物为( )A 水B 桥C 人D 地面 13.速度是40km/h 的运动物体可能是( ) A 行人 B 卡车 C 飞机 D 人造卫星 14.由匀速直线运动的速度公式v=s/t 可知道( ) A 速度跟路程成正比 B 速度跟时间成反比 C 路程跟时间成正比 D 以上说法都不对 15.关于速度,以下各种说法正确的是( ) A 运动路程越长,速度越大 B 运动时间越短,速度越大 C 相同时间内,通过路程越长,速度越大 D 通过相同的路程,所用时间越长,速度越大16.甲乙两物体都在做匀速直线运动,其速度之比为3:1,路程之比是2:3,则甲乙两物体所用的时间之比是( )A 2:9B 2:1C 9:2D 1:217.一个物体做匀速直线运动,通过相等的路程所用的时间( )A 一定都不相等B 不一定都相等C 一定都相等D 三种情况都不正确18.甲乙两个物体都做匀速直线运动,甲通过的距离比乙大,而乙所用的时间比甲短,那么甲乙两物体的运动快慢是( )A 甲较快B 乙较快C 一样快D 无法比较19.2004年4月18日起全国铁路第五次大面积提速,“西宁——北京”新运行时刻表如图表所示,根据表中数据我们可知道提速后西宁至北京列车的平均速度约为T151 北京 西宁 > 14:23 21:07 21:15 00:12 00:14 03:25 03:31 … 11:09 11:1715:06车 次 自北京起公里/km 0 689 935 1200 … 1876 2092 始发 终到 北京 郑州 三门峡 西安 … 兰州 西宁 求:(1)行车时间(2)行车速度(发票信息见上图)班级 .姓名 物理学号TAXI 车号:鲁C8888 日期: 05--9--10 上车: 10:00 下车: 10:06 单价: 2元 里程: 8.0公里 金额: 14.00元中考题汇编1.(四川)“纳米”是长度单位,100nm,即 m.1.76×108nm可能是( )A 一个人的身高B 物理课本的长度C 一座山的高度D 一个篮球场的长度2.(大连)以下数据,最接近一间普通教室的天花板距教室地面的高度的是( )A 5.5mB 3.5mC 2.0mD 1.5m3.(无锡)在匀速运动的火车上,某乘客说车厢小桌上茶杯是静止的,则他选的参照物是( )A.从乘客旁边走过的乘务员B.车厢内放茶杯的小桌C.铁路旁的树木D.铁路旁的建筑物4.(广州)一人骑自行车沿平直公路行驶,第1s内通过的路程为2m,第2s内通过的路程为3m,第3s内通过的路程为4m,则( )A.前2s内平均速度为3m/sB.前2s内平均速度为2m/sC. 3s内平均速度为3m/sD.后2s内平均速度为4m/s5.(天津)火车速度为72km/h,汽车速度为18m/s,则( )A 火车速度大B 汽车速度大C 两者速度一样大D 无法确定6.(连云港)关于参照物,下列说法正确的是( )A.任何情况下,都应该选地面为参照物B.看到月亮在云中穿行,是以月亮为参照物C.看到五星红旗徐徐升起,是以旗杆为参照物D.航天英雄杨利伟在飞船中感到舱内物体静止,是以地球为参照物7.(无锡)填上合适单位:课桌高度是60_____,人步行速度为1.2_____8.(扬州)我国古书记载有“人在大舟中闭牖(牖指窗户),舟行而人不觉动”.这是对运动和静止的__________的生动描述,其中“人不觉动”是以_________为参照物.9.(山西)超声波在海水中速度为1500m/s,合________km/h,如果从海面某处向海底竖直发出超声波经4s返回海面,则该处海深_______m.10.(南京)甲乙丙三位同学百米赛跑,成绩如下表所示.由表可知,跑得最快的是_____.这里比较快慢是采用在相同的条件下比较的方法.甲乙丙成绩/s 14.3 13.8 13.711.(佛山)驾驶员看到过马路的人,从决定停车直到右脚刚好踩在刹车板上,在这段反应时间内,汽车行驶的距离称为反应距离.(从踩刹车到车停下的这段距离称为刹车距离).普通人正常反应时间约为0.5—1.5s;酒后驾驶的反应时间则增加2—3倍,为确保安全,新的道路交通安全法对酒后驾驶给予严厉处罚.小张正常反应时间是1s,他以72km/h的速度开车时反应距离是多少米?假设小张酒后驾驶的反应时间是正常时的2倍,那么他以相同速度驾驶时反应距离又是多少米?12.新龟兔赛跑:乌龟和兔子同时从起点出发,当兔子远远超过乌龟时,便骄傲地睡起了大觉,当它醒来后,发现乌龟已快接近终点,于是兔子撒腿就追,结果乌龟和兔子同时到达终点,在龟兔赛跑地全程中,下列说法正确的是( )A.兔子的速度始终大于乌龟的速度B.乌龟的平均速度大于兔子的平均速度C.兔子的平均速度大于乌龟的平均速度D.乌龟的平均速度等于兔子的平均速度13.某同学用正常速度匀速步行30m,需40s的时间,若以正常的速度用6min30s的时间沿操场跑道走完一圈,那么跑道的周长最接近( )A 100mB 300mC 200mD 150m14.15.。
八年级物理第三次周周清3.6号1.划船时,人向后划桨,船却向前运动,推动船向前运动的力的施力物体是,此现象说明:一是;二是。
2.一座平直的跨海大桥全长2km,桥头立着两个标志牌,如果一辆匀速行驶的载重汽车恰好达到两个标志牌的最大限定值,该车通过桥中央时对桥面的压力是 N,通过该桥所用的时间为 h.(限重40t,限速50km/h)3.放在桌面上的一本字典,受到和两个力的作用,他们的施力物体分别是和;对于桌面和字典而言,和是相互作用力,受力物体分别是和;施力物体分别是和。
4.下列估计值与实际值最接近的是()A一张课桌的高度约为80cm B一名中学生的体重约为50NC正常人的步行速度约为10m/s D某中学生的体温为23℃5.一根弹簧,一端固定在竖直墙上,在弹性限度内用手水平向右拉伸弹簧另一端,下列有关“弹簧形变产生的力”描述正确的是()A.弹簧对手的拉力B墙对弹簧的拉力. C.手对弹簧的拉力 D.以上说法都正确6.一杯水放在做直线运动的列车内的水平桌面上,如果水面情形如图8-2 1所示,则列车的运动状态可能是( )A.列车向左匀速运动 B.列车向右匀速运动C.列车向左运动时突然刹车 D.列车向右运动时突然刹车7.作图(1)向日葵因生长在茎顶端的花盘随太阳转动而得名.如图8—32是处于静止状态的向日葵,请在图中作出花盘的受力示意图.(2)如图8—33所示,将一个小球放在竖直放置的弹簧上,用手向下压小球,松手后,小球在弹簧弹力作用下向上加速运动,不考虑空气阻力,请画出此时小球的受力示意图.(3)有一根粗细均匀的长木棒,斜放在墙角,画出木棒所受重力G、木棒对墙面的压力一和地面对木棒的支持力F B的示意图.8.8.。
8.实验题在探究“二力平衡的条件”的实验中,小刚同学采用的实验装置如图甲所示,小华同学采用的实验装置如图乙所示。
(1)当物体处于静止状态或______________状态时,它受到的力是相互平衡的。
八年级周周清物理试卷班级姓名得分一、填空(计35分)1、“冰雪消融”是现象,“滴水成冰”是现象。
“立竿见影”说明了,“镜中花,水中月”说明了。
2、液体温度计的原理是根据液体的来测量温度的,下图体温计,它的分度值是。
温度计上的读数是。
3、如图所示,是-10℃的冰块受热溶解,溶解过程中温度随时间的变化图像。
分析图像可知:加热后最初5分钟内冰块呈态;冰块溶化过程持续分钟,此过程温度(填升高、不变、降低),加热25分钟时,冰全部变成℃的水。
4、爸爸与芳芳在大海边游戏,爸爸举起湿润的手臂。
“芳芳,爸爸手臂朝东的一侧感觉凉,你能据此判断风向吗?”芳芳学着爸爸的动作做了几次,联系学过的物理知识,经过思考得出此时的风向是,理由:。
5、取一只大的注射器吸进适量的乙醚,用橡皮帽堵住注射器的小孔。
向外拉活塞到一定的程度时,液体乙醚消失的现象称为;向里推活塞,一会观察到液态乙醚的出现的现象称为。
6、有四个实验现象:A、将正在发声的音叉接触水面,水面溅起水花;B、吹响笛子,手指按住不同的孔,发出不同的声音;C、吊着的大钟上固定一支细小的笔,钟敲响后,用纸在笔尖上迅速水平拖过,纸上出现弯曲的图像;D、锣发声的时候,用手按住锣面,锣声消失。
能够说明声音的产生条件的实验是:。
7、仔细观察“水循环状态变化图”,请在空白方框内填上适当的物态变化名称.8、物理学是探索的科学,物理学家们在科学之路上披荆斩棘,勇于探索,为人类创造了丰硕的精神财富和物质财富。
自开始接触物理这门课以来,我们在老师的带领下,也进行了许多探究活动。
以下几项活动,你肯定参与过:A 探究琴弦的音调跟弦的长短、粗细、松紧的关系; B 探究液体蒸发的快慢跟液体表面积、温度、表面空气流速的关系; C 探究充水玻璃管中气泡的运动;D 探究声音产生的原因。
其中有两组所用的研究方法是相同的,它们是和。
9、用手执纸盒,让弹性片在书页上刮动(选用纸页较厚实的书),可以听到弹性薄片振动发出的声音,可视为弹性片每滑过一页便振动一次,当弹性薄片迅速在书页上刮动时,可以听到“吱……吱……”尖脆响声(音调高),这是由于______产生的;当慢慢地在书上刮动时,则听到“晰……,晰……”的低沉响声(音调低),这是由于______产生的.实验说明音调的高低是由______来决定的。
八年级物理周周清(3)1、如图所示,放在水平地面上的立方体、长方体和圆柱体都是由铁制成的实心物体,其高度从左到右逐步增大,对地面的压强分别为 P1、P2和 P3,则下列关系正确的是A. P1 = P2 = P3B. P1<P2<P3C. P1>P2>P3D. 缺少条件,无法判断2、下列实例中,为了增大压强的是()A.书包带做的较宽 B.图钉帽做得面积较大C.大型平板车装有很多车轮 D.石磨的磨盘做得很重3、下列生活实例中,属于增大压强的是()A.大型载重货车有很多车轮 B.铁路的钢轨铺在枕木上C.取出一些书的书包背起来更舒服 D.剪刀的刀刃做得很薄4、如图所示,甲、乙两个质量相等的均匀实心正方体放在水平地面上,已知铜的密度大于铁的密度,可能使甲和乙对地面的压强相等的方法是()A.将质量相等的铜块和铁块分别放在甲、乙的上面B.将体积相等的铜块和铁块分别放在甲、乙的上面C.沿水平方向分别截去质量相等的部分D.沿水平方向分别截去体积相等的部分5、如图一块砖,沿竖直方向将它切掉一半,则下说法正确的是()A.对地面的压力不变 B.对地面的压力减小了四分之一C.对地面的压强减小了二分之一 D.对地面的压强不变6、如图所示,两个质量相等的实心均匀正方体A、B静止放置在水平地面上,A的边长小于B的边长.下列说法正确的是()A.A、B对水平地面的压强P A<P BB.若均沿竖直方向截去一半,则剩余部分对水平地面的压强P A<P BC.若均沿水平方向截去一半,则剩余部分对水平地面的压强P A<P BD.若均沿图中所示虚线截去上面的一半,则剩余部分对水平地面的压强P A>P B7、如图所示是一体重672N的初三学生在方格纸上站立时描下的鞋底部分的轮廓,其中每个方格的面积为6.0cm2,则该同学双脚站立于水平地面时,对地面的压强值较为准确的是()A.1.65×104Pa B.2.0×104Pa C.3.30×104Pa D.4.0×104Pa八年级物理周周清(4)1、如图所示,小明将压强计的金属盒分别放入甲乙两种液体中,从图中可以得到的结论是A. 甲液体的密度大于乙液体的密度B. 甲液体的密度等于乙液体的密度C. 甲金属盒处的压强等于乙金属盒处的压强D. 甲金属盒处的压强小于乙金属盒处的压强2、下列装置及器材中,不属于应用连通器原理的是()A. 液位计B. 茶壶C. 抽水机D. 船闸3、如图所示,一个密封的圆台状容器,内装一定质量的水,放在水平桌面上,现把它倒置过来,则()A、水对容器底的压力减小;B、水对容器底的压强减小;C、容器对桌面的压强减小;D、容器对桌面的压力减小。