配管及管内穿线分项工程质量验收记录表
- 格式:doc
- 大小:51.50 KB
- 文档页数:1
管道及配件安装分项工程质量验收记录验收日期:xxxx年xx月xx日验收单位:xxxx公司一、项目概况本次验收的是管道及配件安装分项工程,工程包括xxx米管道的安装、配件的选择和安装等相关工作。
二、验收内容1.工程质量验收(1)管道安装的质量:检查管道的连接是否牢固、无渗漏情况,管道弯曲是否符合设计要求,管道安装是否符合工程规范;(2)配件的选择和安装:检查配件的材质质量是否符合要求,检查配件的安装是否牢固、无裂缝等质量问题。
2.工程文件验收(1)设计文件:验收设计文件内容是否齐全、准确,符合工程规范和要求;(2)验收报告:验收报告是否符合实际工程情况,提供的数据是否真实可靠;(3)备品备件清单:检查备品备件清单的准确性和完整性。
三、验收结果1.工程质量验收(1)管道安装的质量:经验收,管道连接牢固,无渗漏情况,弯曲符合设计要求,安装符合工程规范;(2)配件的选择和安装:配件的材质质量符合要求,安装牢固,无裂缝等质量问题。
2.工程文件验收(1)设计文件:设计文件内容齐全、准确,符合工程规范和要求;(2)验收报告:验收报告符合实际工程情况,提供的数据真实可靠;(3)备品备件清单:备品备件清单准确、完整。
四、存在问题及处理意见1.问题描述:部分管道连接处存在松动现象。
处理意见:责令施工单位进行紧固处理,确保管道连接牢固。
2.问题描述:部分配件接口出现小裂缝。
处理意见:要求施工单位更换质量合格的配件,确保安装质量。
五、下一步工作要求1.处理好存在的问题,并重新进行验收。
2.验收合格后,出具工程质量验收报告和竣工验收报告。
六、负责人意见本次管道及配件安装分项工程质量验收内容齐全,工程质量符合要求,可以进行下一步的工程验收。
电线电缆穿管和线槽敷线安装检验批质量验收记录项目名称:XXX电气工程验收日期:20XX年XX月XX日验收单位:XXX工程公司施工单位:XXX工程队一、施工单位基本情况施工单位:XXX工程队组织结构:由一名项目经理,两名工程师和十名工人组成。
资质证书:具有XXX相关资质证书。
施工人员:施工工人经过专业培训,持有相应的工作证书。
二、施工材料的验收情况1.电线、电缆序号规格型号生产厂家验收数量合格数量备注1XXXXXXXXXX2XXXXXXXXXX3XXXXXXXXXX备注:所有材料品牌规格符合设计要求,生产厂家具有相应的生产许可证。
2.线槽序号型号供应商验收数量合格数量备注1XXXXXXXXXX2XXXXXXXXXX3XXXXXXXXXX备注:线槽的材质符合设计要求,安装前进行了外观检查,无裂纹、变形等表面缺陷。
三、穿管安装质量验收情况1.管道铺设序号管道规格验收长度合格长度备注1XXXXXX2XXXXXX3XXXXXX备注:管道铺设符合设计要求,规格、长度等符合要求。
无破损、松动等质量问题。
2.穿线验收序号穿线位置穿线长度验收结果备注1XXXX合格2XXXX合格3XXXX合格备注:穿线操作规范,无线缠绕、破损等问题,穿线长度满足要求。
四、敷线安装质量验收情况1.敷设长度序号敷设位置敷设长度验收结果备注1XXXX合格2XXXX合格3XXXX合格备注:敷设长度符合设计要求,无断头、错位等问题。
2.线缆固定序号固定位置固定方式验收结果备注1XXXX合格2XXXX合格3XXXX合格备注:线缆固定牢固,固定位置正确,无松动、脱落等现象。
五、施工质量问题处理情况施工过程中未发现质量问题。
六、验收结论通过以上的检验与验收,电线、电缆穿管和线槽敷线安装工作符合设计要求和施工规范。
施工单位按照要求对材料和施工过程进行检查和验收,没有发现重大质量问题。
现将该记录交验收单位,经过审查合格。
七、备注(可根据实际情况添加相关备注信息)施工单位项目经理签字:____________施工单位质量人员签字:____________验收单位负责人签字:____________以上是电线、电缆穿管和线槽敷线安装检验批质量验收记录的样本,该记录对于电气工程的施工质量控制具有重要的参考价值,可以确保工程的顺利进行和安全运行。
本文从网络收集而来,上传到平台为了帮到更多的人,如果您需要使用本文档,请点击下载,另外祝您生活愉快,工作顺利,万事如意!
GB50303-2015建筑电气分部工程质量验收全套记录表
建筑电气分部工程质量验收记录
GB50303-2015
注:1.地基与基础分部工程的验收应由施工、勘察、设计单位项目负责人和总监工程师参加并签字。
2.主休结构、节能分部工程验收应由施工、设计单位项目负责人和总监工程师参加并签字。
建筑电气分部工程质量验收记录
GB50303-2015
注:1.地基与基础分部工程的验收应由施工、勘察、设计单位项目负责人和总监工程师参加并签字。
2.主休结构、节能分部工程验收应由施工、设计单位项目负责人和总监工程师参加并签字。
建筑电气分部工程质量验收记录
GB50303-2015。
管内穿线和槽盒内敷线分项工程检验批质量检验说明
1、检验批容量填写:(检验批划分的界区,依据庭院大小、投运时间先后、功能区块划分,检验批容量为该检验批所代表的批量(按本规范28.0.1第二款填写)
2、最小/实际检查数量栏中,实际检查数量:(≥统一标准表3.0.9),最小数量填写:(统一标准表
3.0.9)。
3、表头中“施工依据”栏目应依照实际的施工操作依据填写,如施工企业的操作规程、工法、施工工艺标准等。
4、分项工程检验批的验收记录应使用检验批空白表格用不易褪色笔填写原始记录,并符合《房屋建筑和市政基础设施工程工程档案资料管理规范》DGJ32/TJ143-2012的规定。
5、施工依据应填写施工操作规程、工法、工艺标准、企业操作标准等,不应填写验收标准(规范)。
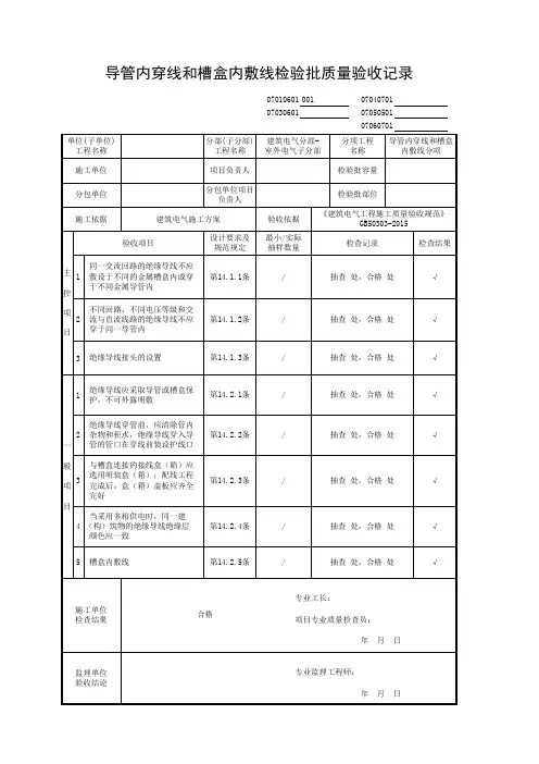
管内穿线和槽盒内敷线检验批质量验收记录
注:本表内容的填写需依据《现场验收检验批检查原始记录》。
本检验批质量验收的规范依据见本页背面。
填写说明
一、填写依据
1 《建筑电气工程质量验收规范》GB50303-2002。
2 《建筑工程施工质量验收统一标准》GB50300-2013。
二、检验批划分
可按楼层、系统、施工段、竖井等划分检验批。
三、GB50303-2002规范摘要
主控项目
15.1.1 三相或单相的交流单芯电缆,不得单独穿于钢导管内。
15.1.2 不同回路、不同电压等级和交流与直流的电线,不应穿于同一导管内;同一交流回路的电线应穿于同一金属导管内,且管内电线不得有接头。
15.1.3 爆炸危险环境照明线路的电线和电缆额定电压不得低于750V,且电线必须穿于钢导管内。
一般项目
15.2.1 电线、电缆穿管前,应清除管内杂物和积水。
管口应有保护措施,不进入接线盒(箱)的垂直管口穿入电线、电缆后,管口应密封。
15.2.2 当采用多相供电时,同一建筑物、构筑物的电线绝缘层颜色选择应一致,即保护地线(PE线)应是黄绿相间色,零线用淡蓝色;相线用:A相-黄色、B相-绿色、C相-红色。
15.2.3 线槽敷线应符合下列规定:
1 电线在线槽内有一定余量,不得有接头。
电线按回路编号分段绑扎,绑扎点间距不应大于2m。
2 同一回路的相线和零线,敷设于同一金属线槽内。
3 同一电源的不同回路无抗干扰要求的线路可敷设于同一线槽内;敷设于同一线槽内有抗干扰要求的线路用隔板隔离,或采用屏蔽电线且屏蔽护套一端接地。