企业的质量风险管理方针
- 格式:docx
- 大小:262.66 KB
- 文档页数:9
质量安全管理体系一、质量安全方针1.1 本公司致力于提供高品质的产品与服务,确保顾客满意。
1.2 建立并维护科学、规范的质量安全管理体系,不断提高质量管理水平。
1.3 坚持预防为主,强化过程控制,降低质量风险。
1.4 遵守国家法律法规及行业标准,保障产品质量安全。
二、组织结构与职责2.1 质量安全管理部门负责制定、实施和监督质量安全管理体系的运行。
2.2 各部门负责人对本部门的质量安全工作负责,并设立质量安全管理岗位。
2.3 员工应积极参与质量安全管理,提高自身素质,确保产品质量。
三、质量安全管理流程3.1 产品设计开发:根据市场需求,进行产品设计开发,确保产品符合质量标准。
3.2 原材料采购:严格筛选供应商,确保原材料质量合格。
3.3 生产制造:按照生产工艺要求,加强过程控制,确保产品质量稳定。
3.4 产品检验:对产品进行全面检验,保证产品合格率达到100%。
3.5 销售与售后服务:及时响应客户需求,提供优质服务,提升客户满意度。
四、质量改进4.1 定期开展质量改进活动,提高产品质量和过程效率。
4.2 鼓励员工提出质量改进建议,对优秀建议给予奖励。
4.3 分析质量事故原因,制定纠正和预防措施,防止事故再次发生。
五、培训与教育5.1 对员工进行质量安全管理培训,提高员工的质量意识和技能水平。
5.2 定期举办质量管理知识讲座,提升全体员工的质量管理素养。
5.3 建立质量教育培训档案,确保培训效果。
六、内部审核与监督6.1 定期进行内部审核,评估质量安全管理体系的运行效果。
6.2 对审核发现的问题,制定整改措施,并跟踪整改效果。
6.3 加强对质量安全管理体系的监督,确保体系的有效运行。
七、持续改进7.1 通过质量目标的设定和监控,不断优化质量安全管理流程。
7.2 鼓励创新,持续提升产品质量和公司整体竞争力。
7.3 积极参与行业交流,吸收先进的质量管理经验,提高自身管理水平。
八、外部交流与合作8.1 积极与相关政府部门、行业协会、权威机构保持良好沟通,了解最新的政策法规和质量安全标准。
质量方针目标管理制度一、总则为规范公司质量管理工作,提高产品质量,确保产品符合国家标准和客户需求,树立“质量无懈可击, 客户满意”的质量方针,公司制定了《质量方针目标管理制度》。
二、质量方针公司坚持质量第一的原则,以客户满意为最终目标,以提高产品质量和服务品质为核心,确保产品符合相关标准和法规要求。
公司全体员工都应该关注质量,做到尊重客户需求,强调质量管理,持续改进,为实现公司的可持续发展奠定坚实基础。
三、质量目标1. 提高产品合格率,确保产品质量稳定性;2. 提高服务质量,保证客户满意度达到90%以上;3. 通过ISO9001质量管理体系认证,为公司未来发展奠定基础。
四、质量管理体系公司严格执行ISO9001质量管理体系标准,建立了完善的质量管理体系,包括质量手册、程序文件、工艺指导书以及相关记录等,落实质量目标、责任和政策。
确保组织内各项质量管理体系的运行和有效控制,以提高产品质量水平。
五、质量职责1. 公司领导班子要高度重视质量管理工作,确保质量方针的贯彻执行;2. 生产车间负责对产品进行质量控制,严格按照质量指标进行生产;3. 质检部门负责对产品进行全面检验,确保产品合格率;4. 销售部门负责根据客户需求进行产品的合理销售,保证客户满意度。
六、质量管理方法1. 强化过程控制,确保产品的质量稳定性;2. 加强员工培训,保证员工对质量管理体系的理解和遵守;3. 组织内部审查和管理评审,定期检查质量管理体系的运行情况,及时发现问题并加以纠正;4. 建立售后服务体系,对客户的反馈及时处理,提高客户满意度。
七、质量改进公司要建立完善的质量改进机制,做到主动发现问题,在及时纠正的基础上找原因,制定措施,全面做好质量改进工作,确保产品质量持续改进。
八、质量目标管理公司要建立质量目标管理制度,确立质量目标,制定实施方案,明确责任人,通过内外部审核对质量目标进行评价考核,对完成情况进行分析总结,及时调整目标,做到质量目标有效管理。
质量风险管理计划
(ISO9001:2015)
1. 目的:
建立质量风险管理计划,对可能影响到最终产品质量的风险因素进行确定,评估和控制,保证最终的产品质量。
2. 范围:
建立质量风险管理计划,对可能影响到最终产品质量的风险因素进行确定,评估和控制,保证最终的产品质量。
3 职责
3.1质量授权人:
负责本规程的批准。
3.2质量管理部:负责本规程的起草、修订、审核、培训、实施和监督。
3.3风险管理小组职责:制定并完善企业风险管理方案,监督、检查企业风险管理的有效实施,并进行定期评价
4. 内容:
4.1定义
风险:药品风险是与药品有关的、危及人体健康和生命安全的危险。
一般是指危害出现的可能性和危害严重性的结合。
质量风险管理:在整个药品生命周期中采用前瞻或回顾的方式,对质量风险进行评估、控制、沟通、审核的系统过程。
4.2企业质量风险管理方针:通过风险评估、风险控制、风险沟通和审核等程。
第一章工作制度一、职工守则1、热爱祖国,热爱中国共产党,热爱社会主义,做名有理想、有文化、有道德、有纪律的职工。
2、认真贯彻和宣传党、国家有关安全生产的方针、政策、忠于职守、尽职尽责。
3、努力提高政治觉悟,脚踏实地工作、顽强拼搏向上,公正廉洁务实,热情周到服务.4、热爱本职工作,努力学习,不断提高政治业务水平。
5、按时完成工作任务,保证工作质量,精诚团结,搞好协作。
6、关心集体,爱护公物,讲文明,讲礼貌,讲卫生,保持室内外清洁。
7、廉洁奉公,自觉抵制不正之风,不以权谋私,不准收受被检测单位的礼品、钱物等。
二、检测人员守则1、遵纪守法,科学求实,热情服务,秉公办事。
2、忠于职守,不徇私情,实事求是,严肃认真。
3、谦虚谨慎,刻苦钻研,严以律己,秉公办事。
4、群策群力,团结一致,关心集体,积极工作。
三、职工考勤制度1、考勤办法(1)公司实行统一考勤,由经理委派专人负责这项工作。
(2)考勤人员严格执行考勤制度,坚持原则,实事求是。
(3)考勤表要准确填写病、事假及每天出勤情况,按规定时间上报。
2、考勤有关规定(1)全体职工严格执行公司规定的作息时间,做到不迟到,不早退,有事请假。
(2)请假必须履行手续,无特殊情况不许事后补假.(3)工作人员请事假,一天内由室主任批准,两天以上由经理批准,室主任请假由经理批准.(4)工作人员休病假必须有指定医院诊断书,无正当理由无故不上班者视为旷工。
(5) 无故迟到、早退月累计三次扣当月奖金10%.(6)工作人员请假超过15天,旷工超过三天者,年终不允许评先进。
(7)工作人员休假待遇按有关文件执行,休假人员提前向经理申请,批准后方可休假。
(8)工作人员病、婚、丧事假按国家有关劳动保护待遇执行。
四、技术保密制度1、各级技术标准和技术资料、图书、检测原始数据、检测报告,应存档保管。
2、为保证检测的公正、准确和具有法律效力,现场原始记录必须真实,原始记录和检测报告书未正式发出之前,所有检测数据及结论不得泄露。
企业建立了风险管理规程,文件编号:ZD-MS-02-204.质量风险管理方针是:主动发现风险问题,有效控制风险工程,以前瞻性或回顾方式全面评估企业质量风险,最大限度地降低药品生产过程中污染、交叉污染以及混淆、差错等风险,确保持续稳定地生产出符合预定用途和注册要求地药品,保护患者利益至上.文档收集自网络,仅用于个人学习◆质量风险管理活动地范围和重点,以及在质量风险管理体系下进行风险识别、评价、控制、沟通和审核地过程.药品地特性决定了药品时时存在质量风险,质量风险伴随着整个产品地生命周期.企业通过过失树分析(FAT)地方法,确定下列风险范围:系统风险、工艺风险、产品风险,重点环节包括组织机构与人员、硬件系统、物料系统、验证和确认系统、文件系统、生产系统、质量控制系统、运输系统、召回系统、自检系统等过程地风险.文档收集自网络,仅用于个人学习1.1风险要素地确定1.1.1可能性(P)一般包括四级:高、中、低、极小;1.1.2严重性(S)一般包括三级:严重、中等、较小;1.1.3风险可测性(D) 一般分为四级:高、中、低、无.1.1.4风险地可能性、严重性和可测性(PSD)等级汇总表1.1.5风险地计算方法:RPN = P×S×D1.1.6风险等级划分标准1.2风险管理地常用工具1.2.1鱼骨图;1.2.2统计分析;1.2.3风险排列和过滤(RRF);1.2.4初步危害分析(PHA);1.2.5失败模式效果分析(FMEA);1.2.6危害分析和关键控制点(HACCP);1.2.7过失树分析(FAT).进行质量风险评价时,针对不同地风险工程或数据可选择不同地风险评估工具和方法.质量风险管理工具地选择符合下表规则:文档收集自网络,仅用于个人学习1.4风险管理程序1.4.1风险识别1.4.1.1确定事件并启动质量风险管理.1.4.1.2启动和规划一个质量风险管理可能包括下列步骤:1)确定风险评估地问题或风险提问,包括风险潜在性地有关假设;2)收集和组织信息,评估相关地潜在危害源,或对人类健康影响地背景资料与信息;3)明确决策者如何使用信息、评估和结论;4)确立领导者和必要地资源;5)制定风险管理进程地日程和预期结果.1.4.1.3在此阶段应清楚地确定风险问题或事件对质量风险管理(QRM)地结果有很重要地影响.1.4.1.4在此阶段还需收集背景信息并确定质量风险管理(QRM)工程负责人及资源配置等.1.4.1.5用于识别风险地信息可以包括历史数据,理论分析,成型地意见,以及影响决策地一些利害关系.1.4.1.6风险数据来源1)对在生产过程中出现地偏差、异常现象统计汇总,包括:法定检查、内外审计各类偏差;2)对在检测化验中发现地问题分别统计汇总,包括:稳定性考察;3)对上市产品地投诉分别统计汇总,包括:投诉;4)PQR和其他信息;5)逐一识别其潜在地质量危害,它关注“什么可能会出现问题”,以及可能地后果进行以下评估.1.4.2风险分析1.4.2.1在进行风险分析时,将要评估风险发生和重现地可能性和危害地严重性;1.4.2.2风险分析是对已识别产品质量问题危害性予以估计,针对不同地风险工程需要选择应用不同地分析工具;1.4.2.3针对性地用定性或定量方法进行分析,界定风险地因素:如发生地可能性,危害地严重性,可测量性;1.4.2.4界定风险因素地范围和类型或确定风险地矩阵;1.4.2.5描述其质量危害发生地可能性和严重性;1.4.2.6确定将要采取地行动.1.4.3风险评价应用风险评估地工具,对每个质量危害问题,对应找出相应地理论标准或实践范例;风险评价可以确定风险地严重性,将已识别地风险与预先确定地可接受标准比较.文档收集自网络,仅用于个人学习根据给定地风险标准对所识别、分析地风险进行比较、判别.风险评价地结果是可以是风险地定量评估,也可以是对风险地定性描述.文档收集自网络,仅用于个人学习风险评估地结果可以表示为总体地风险值,例如:定量地表示为具体地数字,如0~10(百分比0~100);或定性地表示为风险地范围,如高、中、低.文档收集自网络,仅用于个人学习1.4.4风险控制1.4.4.1风险控制包括制定和/或接受风险地决定;风险控制地目地是降低风险至可接受水平.包括风险降低和风险接受.1.4.4.2风险降低确定风险降低地方法.当风险超过可接受水平时,风险降低将致力于减少或避免风险.包括采取行动来降低风险地严重性或风险发生地可能性;应用一些方法和程序提高鉴别风险地能力.需要注意地是,风险降低地一些方法可能对系统引入新地风险或显著提高其他已存在地风险,因此风险评估必须重复进行以确定和评估风险地可能地变化.文档收集自网络,仅用于个人学习1.4.4.3风险接受确定可接受地风险地最低限度.设计理想地QRM策略来降低风险至可接受地水平.即使是最好地质量管理措施,某些损害地风险也不会完全被消除.在这些情况下,可以认为已经采取了最佳地质量风险策略,质量风险已经降低至可接受水平.这个可接受水平由许多参数决定并应该具体情况分别对待.文档收集自网络,仅用于个人学习1.4.4.4风险控制中确定在利益、质量风险和资源之间地平衡点;1.4.4.5采取降低或消除质量风险地风险控制措施:非正式工具-以经验和企业内部SOP为基础,被实践证明行之有效,如:质量审计、投诉处理产品质量趋势分析;文档收集自网络,仅用于个人学习2)正式管理工具-在足够数量地基础数据支持下,可定量或半定量地进行风险控制.1.4.5风险沟通风险决策制订者及其他人员间应交换或分享风险及其管理信息;参与者可以在风险管理过程中地任何阶段进行交流;文档收集自网络,仅用于个人学习一个正式地风险沟通过程可发展成为风险管理地一部分,这可包括许多部门间地通报,如:管理者与企业、企业与患者以及公司、企业或行政监督管理部门.文档收集自网络,仅用于个人学习所含信息可涉及到质量风险是否存在及其本质、形式、可能性、严重性、可接受性、处理方法、检测能力或其它.这种交流不需要在每个风险认可中进行,对于企业或药品行政监督管理部门间就质量风险管理决定进行通报时,可利用现有法规与指南所规定地途径.文档收集自网络,仅用于个人学习1.4.5.4正式风险管理运用后,风险管理过程中地结果都应记录.1.4.6风险回顾1.4.6.1风险管理过程地结果结合新地知识与经验进行回顾.质量风险地过程一旦启动,应持续应用在任何可能影响初始质量风险管理决策地条件,风险管理应是动态地质量管理过程,应建立并实施对事件进行定期回顾地机制.文档收集自网络,仅用于个人学习1.4.6.3回顾审核地频率取决于风险水平,每年定期回顾一次.1.4.6.4质量风险管理根据新知识、新环境而更新,根据风险控制工程及水平在必要时进行回顾.1.4.6.5制定风险管理计划1)风险管理过程地结果回顾;2)风险管理计划;3)风险控制措施;4)风险管理过程;5)记录结果.1.4.6.6回顾风险管理过程:1)对质量风险管理地过程进行监测,并定期对其进行回顾评审地过程;2)定期对其进行回顾评审地过程;3)在控制已确认质量风险时是否会导致新地质量风险.1.5质量风险管理地应用1.5.1建立质量管理体系:文件;培训;质量缺陷;产品质量回顾;变更控制;持续改进/CAPA;1.5.2建立监管保证体系;1.5.3建立研发保证体系;1.5.4建立设备和设施保证体系;1.5.5建立物料管理保证体系;1.5.6建立生产及其计划保证体系;1.5.7建立实验室管理和稳定性研究保证体系;1.5.8建立包装材料和标签保证体系;1.5.9建立各工艺关键控制点相应地质量保证体系.1.6质量风险管理模式图文档收集自网络,仅用于个人学习。
质量管理体系的风险管理和应对策略随着市场竞争的加剧和消费者对产品质量要求的提高,企业越来越注重建立和完善质量管理体系。
然而,质量管理体系的建立和运行也面临着各种风险。
本文将探讨质量管理体系的风险管理和应对策略,帮助企业更好地保障产品质量和提升竞争力。
一、了解风险类型和来源在进行风险管理之前,首先需要了解和识别质量管理体系中可能存在的风险类型和来源。
常见的质量管理体系风险包括供应商质量风险、生产过程风险、产品设计风险以及市场环境风险等。
这些风险往往会影响产品的质量稳定性和一致性,使企业面临着产品无法正常交付、投诉率高和品牌声誉受损等问题。
二、风险评估与管理1. 风险评估针对质量管理体系中的风险,企业应进行全面的风险评估,确定风险的严重程度和发生概率。
通过风险评估,可以对风险进行分类和排序,为制定针对性的应对策略提供依据。
2. 风险管理在评估完风险后,企业需要采取一系列措施对风险进行管理。
首先,建立完善的风险管理制度和流程,确保风险管理工作的系统性和持续性。
其次,制定相应的风险控制措施,并明确责任人和时间节点,确保措施的有效实施和监控。
此外,与供应商和合作伙伴建立紧密的合作关系,加强信息共享和沟通,共同降低供应链风险。
三、应对策略和措施1. 预防为主在质量管理体系中,预防是最好的策略。
企业应该加强对产品生命周期的管控,从原材料采购、生产过程到产品交付等各个环节都要严格遵守标准和规程。
通过建立严密的检验和监控制度,可及时发现潜在问题并采取措施预防出现质量问题。
2. 持续改进持续改进是质量管理体系的重要环节,也是有效应对质量管理风险的策略之一。
企业应构建完善的流程和机制,通过持续监测、分析反馈信息,找出问题根源,并及时采取纠正措施。
同时,推动全员参与质量管理,建立培训和奖惩机制,增强全员质量意识和责任感。
3. 应急响应即使在预防工作做得足够好,仍然无法排除突发事件的发生。
因此,企业需要建立健全的应急响应系统。
企业质量管理中的风险控制企业质量管理是企业运营中非常重要的一环,它直接影响着产品质量、客户满意度以及企业的声誉。
然而,在企业质量管理的过程中,难免会遇到各种风险,如何有效地进行风险控制,是每个企业都需要面对和解决的问题。
下面将从不同角度来探讨企业质量管理中的风险控制。
一、制定完善的质量管理体系企业应该建立完善的质量管理体系,包括设立质量目标、制定质量方针和程序、建立质量管理手册等。
通过这些制度的建立,可以使企业在质量管理的过程中更加有条理,有规范,避免因为质量管理不当而产生风险。
二、实行全员参与的质量管理理念企业应该树立全员参与的质量管理理念,让每个员工都认识到自己对产品质量的重要性,保证每一个环节都能得到有效的质量监控。
只有做到质量由每一个员工把控,才能尽可能避免质量风险。
三、加强质量监控和评估企业需要建立科学的质量监控和评估机制,通过不间断地收集、分析和评估数据,及时发现质量异常,并找出问题根源,采取相应措施加以解决,避免质量问题扩大化带来的风险。
四、提升供应商管理水平企业的产品质量很大程度上依赖于供应商的质量管理水平,因此企业需要积极提升供应商管理水平,建立合作伙伴关系,与供应商共同努力,确保原材料和零部件的质量符合要求,避免因供应商问题而引发的风险。
五、加强员工培训和教育企业应该加强员工的培训和教育,使员工具备质量管理知识和技能,提高员工的工作质量意识和质量管理能力。
只有员工具备了足够的能力,才能更好地把控产品质量,减少风险的发生。
六、建立风险管理机制企业需要建立风险管理机制,明确风险的种类、影响程度和应对措施,及时预警和应对各种潜在的风险。
只有建立了科学有效的风险管理机制,企业才能更好地应对各种挑战和风险。
七、加强内部沟通和协作企业部门之间需要加强沟通和协作,避免信息不畅导致问题得不到有效解决。
只有各部门之间协同作战,才能更好地发现和解决潜在的质量问题,降低风险。
八、不断优化改进质量管理企业应该不断进行质量管理的优化和改进,借鉴先进的管理经验和技术,及时调整和完善质量管理体系,保持质量管理的先进性和有效性。
质量方针和目标管理制度范文一、为明确企业经营管理的总体质量宗旨和在质量方面所追求的目标,根据《药品管理法》、《药品经营质量管理规范》等相关法律、法规、结合本企业经营实际制定本制度。
二、企业质量方针目标管理必须建立在企业全面质量管理的基础上,作到质量方针明确,质量责任清晰,质量目标具体化,使各管理部门及各岗位都在相应的质量责任范围内,尽职尽责,有效实现质量管理的各项目标。
三、质量方针是由公司经理以文件形式发布的质量宗旨和方向,应保持相对稳定。
质量目标就是企业在质量方面所追求的目标,它是可测量的,并与质量方针保持一致。
四、本公司的质量方针为“质量第一求生存,科学管理促发展”。
五、质量方针的管理为计划、执行、检查和改进四个阶段。
六、质量方针目标的计划阶段:1、根据上年度企业各项指标的完成情况,结合市场形势和各级药品监督管理局对企业的要求,于每年元月份召开企业方针目标研究会,制定本年度质量工作方针目标。
2、质量方针的目标的草案应广泛征求意见,并经职代会讨论通过后确定。
3、质量副总经理对各部门制定的质量分解目标进行审核,经总经理批准后下达各部门实施。
七、质量方针目标的执行阶段:1、为确保各项质量目标任务的圆满完成,在质量分解目标中必须明确时间要求,责任部门(人)以及督促检查人。
2、每季度末,各部门应将目标的完成情况上报质量管理部,对实施中存在的困难及问题,企业和部门应采取有效的措施,确保各项目标按规定完成。
八、质量方针目标的检查阶段:1、质量管理部负责各部门质量方针目标的实施情况的日常检查、督促。
2、每半年,公司组织相关人员对各部门质量方针目标的实施效果、进行快慢进行一次全面的检查与考核,并责成相关部门对检查与考核的结果实事求是地填写“质量方针目标检查表”,交公司总经理审阅。
九、质量方针目标的改进阶段1、质量管理部应于每年度末负责对质量方针目标完成情况进行总结,认真分析质量目标执行全过程中存在的问题,对未完成的项目进行分析,找出原因,提出下年度质量方针目标的修订意见。
质量方针管理制度一、质量方针的制定目的为了加强组织的质量管理工作,提升产品和服务的质量水平,满足客户的需求和期望,促进组织的可持续发展,我们特制定本质量方针管理制度。
通过执行质量方针管理制度,确保组织的质量目标得以实现,建立和改进质量管理体系,提高管理水平和经营效益,保障组织的质量持续改进和客户满意度。
二、质量方针的内容1. 以客户为中心,不断满足客户需求和期望,提供高质量产品和服务。
2. 坚持全员参与,注重团队合作,营造积极向上的企业文化氛围。
3. 强化质量管理,严格执行质量标准,确保产品和服务符合法规要求。
4. 不断改进管理制度和工作方法,提升组织的管理水平和执行效率。
5. 确保资源的合理配置和有效利用,提高生产效率和降低成本。
6. 关注环境保护和社会责任,积极参与公益事业,建设和谐社会。
三、质量方针的执行1. 组织领导应高度重视质量管理工作,确保质量方针得到充分理解和贯彻执行。
2. 各部门和岗位应根据质量方针明确工作责任和任务,建立工作绩效考核机制。
3. 进行质量培训和教育,提升员工的品质意识和专业技能,强化质量控制和质量检验。
4. 加强对供应链的管理,确保供应商的质量要求和标准,建立合作关系。
5. 定期评估和检查质量目标的实现情况,制定改进措施和持续改进计划。
四、质量方针的监测1. 通过建立和改进质量管理体系,确保质量方针的有效执行和持续改进。
2. 制定质量目标和关键绩效指标,定期监测和评估组织的绩效水平。
3. 推行内部审核和外部评估,发现问题和风险,及时处理和改进。
4. 加强与客户的沟通和反馈,及时掌握客户需求和意见,提高客户满意度。
五、质量方针的改进1. 通过不断学习和总结,改进质量方针制度和管理机制,提高管理水平和业绩表现。
2. 积极参与国际标准化和行业标准的研究和制定,提升产品和服务的质量水平。
3. 鼓励创新和改良,引导员工提出改进建议和优化方案,推动质量持续改进。
4. 坚持质量第一的原则,推动全员参与,共同维护组织的质量信誉和市场竞争力。
质量风险管控一、目的:建立质量风险管理制度,规范施工质量风险的评估、控制与审核操作行为,降低施工的质量风险。
二、适用范围:适用于所以施工质量风险的评估、控制与审核的管理。
三、职责:质量技术员负责组织进行质量风险评估、控制与审核协调、管理等相关事宜。
职能部门对本规程的实施负责。
四、企业质量风险管理方针:通过风险评估、风险控制、风险沟通和审核等程序,持续地贯穿于整个施工期。
使施工质量达到设计要求。
五、术语或定义质量风险:是一个系统化的过程,是对项目在整个施工周期过程中,对风险的识别、衡量、控制以及评价的过程。
质量风险管理:是对施工质量风险的识别、评估、控制的系统过程,运用时可采用前瞻的方式。
六、正文:1 风险管理的内容1.1 风险管理包括的内容有风险评估、风险控制、风险审核等程序。
1.2 风险评估是风险管理过程的第一步,它包括风险识别,风险分析和风险评价三个部分即解决三个基本问题:(1)将会出现的问题是什么?(2)可能性有多大?(3) 问题发生的后果是什么?1.3 风险控制的目的就是将风险降低到可接受的水平。
重点归纳为:(1) 风险是否在可以被接受的水平上?(2) 可以采取什么样的措施来降低、控制或消除风险?(3) 在控制已经识别的风险时是否会产生新的风险?1.4 风险沟通:通过风险沟通,能够促进风险管理的实施,使各方掌握更全面的信息从而调整或改进措施及其效果。
1.5 风险审核:在风险管理流程的最后阶段,应该对风险管理程序的结果进行审核,尤其是对那些可能会影响到原先质量管理决策的事件进行审核。
2 风险管理程序启动质量风险管理过程2.1 风险管理的启动2.1.1 确定问题和或有关风险的疑问,包括确认风险可能性的相关假设;2.1.2 风险管理小组负责召集与风险相关的部门或专家,收集与所评估的风险相关的可能性危险、危害或对人体健康的影响的有关背景资料和数据。
2.1.3 根据存在的主要风险的性质确定风险管理的组长和必要的资源。
质量管理中的全面风险管理现代企业面临着各种各样的挑战,如市场竞争激烈、技术更新快、风险不断增加等。
在这种情况下,质量管理中的全面风险管理显得尤为重要。
为了提高企业的竞争力和持续发展能力,必须全面了解、识别、评估和应对各种风险,做好全面风险管理,确保企业质量管理的稳健和有效进行。
下面将从多个角度展开对质量管理中的全面风险管理进行探讨。
一、企业全面风险管理的背景和意义质量管理是企业追求卓越绩效和可持续发展的基础,而全面风险管理则是保障质量管理顺利实施的基础。
全面风险管理是指企业在质量管理活动的全过程、全要素中对各种可能对质量目标实现产生影响的风险进行全面、系统地认识和控制的过程。
质量管理中的全面风险管理旨在预防和处理各类潜在风险,确保质量管理工作的平稳进行和高质量完成。
因此,企业必须重视全面风险管理,确保质量管理目标的顺利实现。
二、全面风险管理的基本原则全面风险管理的基本原则包括全面性、系统性、连续性和风险管理和业务目标的一体化等。
全面性是指全面了解和审视各个环节和部门可能出现的风险;系统性是指建立健全的风险管理体系和流程;连续性是指不断完善和提升风险管理工作;风险管理和业务目标的一体化是指将风险管理融入到企业的战略和运营管理中。
这些基本原则是企业进行全面风险管理的基础和保障。
三、全面风险管理的方法和工具企业开展全面风险管理需要运用多种方法和工具,包括风险识别、风险评估、风险控制、风险应对和风险监控等。
风险识别是指识别和定性描述可能产生的风险因素;风险评估是指对风险的概率和影响进行评估和定量描述;风险控制是指采取措施降低和控制风险的发生;风险应对是指预先考虑和制定应对方案以降低风险的影响;风险监控是指对各项风险进行跟踪和监控。
这些方法和工具有助于企业全面把握和应对各种风险。
四、全面风险管理的关键环节企业进行全面风险管理需要重点关注几个关键环节,包括风险管理责任制度建设、风险管理政策和目标设定、风险管理组织机构建设、风险管理流程和制度建设、风险信息收集和分析、风险监控和风险评估等。
ZD-MS-02-204.企业建立了风险管理规程,文件编号:质量风险管理方针是:主动发现风险问题,有效控制风险工程,以前瞻性或回顾方式全面评估企业质量风险,最大限度地降低药品生产过程中污染、交叉污染以及混淆、差错等风险,确保持续稳定地生产出符合预定用途和注册要求地药品,保护患者利益至上.文档收集自网络,仅用于个人学习◆质量风险管理活动地范围和重点,以及在质量风险管理体系下进行风险识别、评价、控.制、沟通和审核地过程药品地特性决定了药品时时存在质量风险,质量风险伴随着整个产品地生命周期.企业通过过失树分析(FAT)地方法,确定下列风险范围:系统风险、工艺风险、产品风险,重点环节包括组织机构与人员、硬件系统、物料系统、验证和确认系统、文件系统、生产系统、质量控制系统、运输系统、召回系统、自检系统等过程地风险.文档收集自网络,仅用于个人学习1.1风险要素地确定1.1.1)一般包括四级:高、中、低、极小;可能性(P1.1.2)一般包括三级:严重、中等、较小;严重性(S1.1.3.一般分为四级:高、中、低、无风险可测性(D)风险管理地常用工具1 / 61.2.1鱼骨图;1.2.2统计分析;1.2.3);RRF风险排列和过滤(1.2.4);初步危害分析(PHA1.2.5);失败模式效果分析(FMEA1.2.6);危害分析和关键控制点(HACCP1.2.7.FAT)过失树分析(1.3进行质量风险评价时,针对不同地风险工程或数据可选择不同地风险评估工具和方法.质量风险管理工具地选择符合下表规则:文档收集自网络,仅用于个人学习代表可选择.注:风险管理程序风险识别.确定事件并启动质量风险管理1.4.1.2启动和规划一个质量风险管理可能包括下列步骤:1)确定风险评估地问题或风险提问,包括风险潜在性地有关假设;2)收集和组织信息,评估相关地潜在危害源,或对人类健康影响地背景资料与信息;3)明确决策者如何使用信息、评估和结论;4)确立领导者和必要地资源;5).制定风险管理进程地日程和预期结果1.4.1.3在此阶段应清楚地确定风险问题或事件对质量风险管理(QRM)地结果有很重要地.影响1.4.1.4.QRM在此阶段还需收集背景信息并确定质量风险管理()工程负责人及资源配置等2 / 6用于识别风险地信息可以包括历史数据,理论分析,成型地意见,以及影响决策地 1.4.1.5.一些利害关系 1.4.1.6风险数据来源1)对在生产过程中出现地偏差、异常现象统计汇总,包括:法定检查、内外审计各类;偏差2)对在检测化验中发现地问题分别统计汇总,包括:稳定性考察;3)对上市产品地投诉分别统计汇总,包括:投诉; 4);和其他信息PQR5),以及可能地后果进行“什么可能会出现问题”逐一识别其潜在地质量危害,它关注.以下评估 1.4.2风险分析 1.4.2.1在进行风险分析时,将要评估风险发生和重现地可能性和危害地严重性; 1.4.2.2风险分析是对已识别产品质量问题危害性予以估计,针对不同地风险工程需要选择应用不同地分析工具;1.4.2.3针对性地用定性或定量方法进行分析,界定风险地因素:如发生地可能性,危害地严重性,可测量性;1.4.2.4界定风险因素地范围和类型或确定风险地矩阵;1.4.2.5描述其质量危害发生地可能性和严重性;1.4.2.6.确定将要采取地行动1.4.3风险评价应用风险评估地工具,对每个质量危害问题,对应找出相应地理论标准或实践范 1.4.3.1例;风险评价可以确定风险地严重性,将已识别地风险与预先确定地可接受标准比较.文档收集自网络,仅用于个人学习根据给定地风险标准对所识别、分析地风险进行比较、判别.风险评价地结果是可 1.4.3.2以是风险地定量评估,也可以是对风险地定性描述.文档收集自网络,仅用于个人学习风险评估地结果可以表示为总体地风险值,例如:定量地表示为具体地数字,如 1.4.3.30~10(百分比0~100);或定性地表示为风险地范围,如高、中、低.文档收集自网络,仅用于个人学习1.4.4风险控制1.4.4.1风险控制包括制定和/或接受风险地决定;风险控制地目地是降低风险至可接受水3 / 6.包括风险降低和风险接受平. 1.4.4.2风险降低包..确定风险降低地方法当风险超过可接受水平时,风险降低将致力于减少或避免风险括采取行动来降低风险地严重性或风险发生地可能性;应用一些方法和程序提高鉴别风险需要注意地是,风险降低地一些方法可能对系统引入新地风险或显著提高其他已存.地能力文档收集自网络,.在地风险,因此风险评估必须重复进行以确定和评估风险地可能地变化仅用于个人学习1.4.4.3风险接受即使.QRM策略来降低风险至可接受地水平确定可接受地风险地最低限度.设计理想地在这些情况下,可以认为已经.是最好地质量管理措施,某些损害地风险也不会完全被消除这个可接受水平由许多参数.采取了最佳地质量风险策略,质量风险已经降低至可接受水平文档收集自网络,仅用于个人学习.决定并应该具体情况分别对待1.4.4.4风险控制中确定在利益、质量风险和资源之间地平衡点;1.4.4.5采取降低或消除质量风险地风险控制措施:为基础,被实践证明行之有效,如:质量审非正式工具-以经验和企业内部SOP1)计、投诉处理产品质量趋势分析;文档收集自网络,仅用于个人学习2).正式管理工具-在足够数量地基础数据支持下,可定量或半定量地进行风险控制 1.4.5风险沟通风险决策制订者及其他人员间应交换或分享风险及其管理信息;参与者可以在风险1.4.5.1管理过程中地任何阶段进行交流;文档收集自网络,仅用于个人学习一个正式地风险沟通过程可发展成为风险管理地一部分,这可包括许多部门间地通 1.4.5.2文档收集自网报,如:管理者与企业、企业与患者以及公司、企业或行政监督管理部门.络,仅用于个人学习所含信息可涉及到质量风险是否存在及其本质、形式、可能性、严重性、可接受 1.4.5.3这种交流不需要在每个风险认可中进行,对于企业或药品.性、处理方法、检测能力或其它行政监督管理部门间就质量风险管理决定进行通报时,可利用现有法规与指南所规定地途文档收集自网络,仅用于个人学习.径1.4.5.4.正式风险管理运用后,风险管理过程中地结果都应记录1.4.6风险回顾1.4.6.1.风险管理过程地结果结合新地知识与经验进行回顾4 / 6质量风险地过程一旦启动,应持续应用在任何可能影响初始质量风险管理决策地条 1.4.6.2件,风险管理应是动态地质量管理过程,应建立并实施对事件进行定期回顾地机制.文档收集自网络,仅用于个人学习1.4.6.3.回顾审核地频率取决于风险水平,每年定期回顾一次1.4.6.4质量风险管理根据新知识、新环境而更新,根据风险控制工程及水平在必要时进行.回顾1.4.6.5制定风险管理计划1)风险管理过程地结果回顾;2)风险管理计划;3)风险控制措施;4)风险管理过程;5).记录结果1.4.6.6回顾风险管理过程:1)对质量风险管理地过程进行监测,并定期对其进行回顾评审地过程;2)定期对其进行回顾评审地过程;3).在控制已确认质量风险时是否会导致新地质量风险1.5质量风险管理地应用1.5.1建立质量管理体系:文件;培训;质量缺陷;产品质量回顾;变更控制;持续改进;/CAPA1.5.2建立监管保证体系;1.5.3建立研发保证体系;1.5.4建立设备和设施保证体系;1.5.5建立物料管理保证体系;1.5.6建立生产及其计划保证体系;1.5.7建立实验室管理和稳定性研究保证体系;1.5.8建立包装材料和标签保证体系;1.5.9.建立各工艺关键控制点相应地质量保证体系1.6质量风险管理模式图5 / 6启动质量风险管理程序风险评估风险识别风险分析不接风险评估受风风险风险控制险管文档收集自网络,仅用于个人学习6 / 6。
质量风险管理的策略与方法在当今竞争激烈的市场环境中,企业面临的竞争压力越来越大。
质量风险管理成为企业发展中不可或缺的一环。
下面将从企业管理者的角度出发,探讨质量风险管理的策略与方法。
一、明确质量风险管理的重要性质量风险管理是企业管理的重要组成部分,关系到企业产品质量、客户满意度与品牌形象。
因此,企业管理者应清晰认识到其重要性。
二、建立完善的质量管理体系企业要有效管理质量风险,首先需要建立完善的质量管理体系。
通过制定质量方针、流程控制等方式,全面提升企业产品质量。
三、制定详细的风险管理计划企业管理者应制定详细的质量风险管理计划,包括风险评估、风险控制、风险应对等内容,确保质量管理工作有条不紊地进行。
四、加强员工培训与教育员工是企业质量管理的重要一环,因此,企业应加强员工培训与教育,提高员工对质量管理的重视和认识。
五、建立有效的监测与反馈机制企业可以通过建立有效的监测与反馈机制,及时了解产品质量状况,发现问题并迅速进行处理,以确保产品质量不受影响。
六、采用现代化的技术手段随着科技的不断进步,企业可以借助现代化的技术手段,如大数据分析、物联网等技术,提高质量管理的效率和准确性。
七、加强供应链管理供应链管理对于企业产品质量具有重要影响,企业管理者应加强供应链管理,确保供应商符合要求,从根本上提升产品质量。
八、建立质量改进机制持续改进是企业发展的重要动力,建立质量改进机制,不断优化产品质量和生产流程,提高企业竞争力。
九、注重客户需求与反馈企业应时刻关注客户需求与反馈,通过及时调整和改进产品设计、生产流程等,提高产品符合客户需求的程度。
十、加强风险应对能力在面临质量风险时,企业管理者应加强风险应对能力,及时应对问题,减少损失,避免对企业造成更大的影响。
十一、建立质量文化企业要树立质量至上的理念,建立质量文化,使每位员工都认识到质量对企业发展的重要性,共同维护企业的产品质量。
十二、总结质量风险管理是企业管理工作中不可或缺的一部分,企业管理者应加强对质量管理的重视,建立完善的质量管理体系,采用有效的策略与方法,不断提升产品质量,确保企业可持续发展。
质量管理中的风险防范措施在质量管理中,风险防范措施是至关重要的。
只有严格执行相关的措施,才能保证产品和服务的质量,避免出现质量问题所带来的损失和风险。
下面将就质量管理中的风险防范措施展开讨论。
一、建立健全的质量管理体系建立健全的质量管理体系是质量管理中风险防范的基础。
企业应该根据自身的情况,建立适合自己的质量管理体系,并确保每个环节都得到有效的实施和监控。
二、明确质量目标和要求企业在制定质量目标和要求时,应该考虑产品和服务的特点,结合市场需求和客户反馈,明确产品的质量标准和要求,并将其贯彻到每个环节。
三、加强供应链管理供应链管理是质量管理中不可忽视的一个环节。
企业应该与供应商建立长期稳定的合作关系,加强对供应商的管理和监控,确保供应的原材料和零部件符合质量要求。
四、加强培训和教育培训和教育是保证员工质量意识和操作技能的关键。
企业应该定期开展相关的培训和教育活动,提高员工的质量意识和技能水平,减少因员工操作不当而导致的质量问题。
五、建立质量监控体系建立完善的质量监控体系是质量管理的重要环节。
企业应该通过建立质量监控点、制定质量检验方法和流程等措施,对产品和服务的质量进行有效监控,及时发现和解决问题。
六、强化质量风险评估企业在进行质量管理时,应该及时对潜在的质量风险进行评估和分析。
通过建立风险评估机制,预测可能出现的质量问题,并采取相应的措施加以防范。
七、建立质量投诉处理机制质量投诉是客户对产品和服务质量的一种反馈。
企业应该建立健全的质量投诉处理机制,及时接受和处理客户的投诉,对投诉问题进行分析和整改,防止问题再次发生。
八、推行持续改善持续改善是质量管理的核心理念。
企业应该不断总结经验教训,推行持续改善的机制,通过不断地改进工艺流程、技术手段和管理方法,提高产品和服务的质量水平。
九、强化内部审核和评审内部审核和评审是质量管理中的重要环节。
企业应该定期组织内部审核和评审活动,对质量管理体系进行检查和评估,发现问题和风险,并制定相应的改进措施。
风险管理方针
风险管理方针是企业在风险管理过程中制定的一项指导方针,其主要目的是确保企业能够有效识别、评估、监控和处理各种风险,以降低风险对企业的影响,保障企业的稳定运营。
具体来说,风险管理方针应包括以下内容:
1. 风险管理目标和原则:明确风险管理的总体目标,以及管理风险的基本原则和价值观,包括风险管理的透明度、可追溯性、及时性等。
2. 风险管理组织和责任:明确风险管理的组织结构和人员职责,包括风险管理委员会、风险管理部门、风险管理人员等,以确保风险管理工作的有效开展。
3. 风险管理方法和工具:确定风险识别、评估、监控和处理的方法和工具,包括风险辨识技术、风险评估模型、风险监控指标等,以确保风险管理工作的科学性和可操作性。
4. 风险管理流程和控制措施:建立风险管理的工作流程和控制措施,包括风险管理的计划、实施、检查和改进过程,以确保风险管理工作的持续性和有效性。
5. 风险信息披露和沟通:确定风险信息披露和沟通的渠道和机制,包括内部和外部沟通渠道,以确保企业与利益相关方的沟通畅通,及时披露风险信息,增加透明度和信任度。
总之,风险管理方针是企业在风险管理过程中的指导原则和方法,对于企业有效管理风险、保障企业发展具有重要的意义。
质量管理体系的风险与应对策略作为现代企业管理的重要组成部分,质量管理体系(Quality Management System,简称QMS)在确保产品和服务质量、提高客户满意度方面起着至关重要的作用。
然而,随着市场环境和技术的不断变化,质量管理体系也面临着一系列的风险。
本文将探讨质量管理体系的风险,并提出相应的应对策略。
一、市场需求风险随着市场需求的不断变化,企业的产品和服务适应性成为一个重要的风险点。
如果企业的质量管理体系无法及时调整以满足市场需求,可能导致需求下降、产品积压、客户流失等问题。
为应对市场需求风险,企业应及时分析市场动态,通过市场研究、客户反馈等手段获取信息,灵活调整质量管理体系,不断提升产品和服务的质量,以满足市场需求。
二、供应链风险现代企业产品生产往往涉及庞大的供应链网络,供应链的质量管理成为公司面临的重要挑战。
供应链中的任何环节出现问题都可能对公司的整体质量管理产生影响,例如原材料质量不合格、供应商无法按时交货等。
为应对供应链风险,企业应建立稳定的供应商评估和监控机制,与供应商建立长期合作关系并进行定期沟通,确保供应链各环节的质量要求得到有效落实。
三、技术变革风险随着科技的不断进步和市场竞争的加剧,企业在生产和管理中常常面临技术变革的挑战。
新技术的引入可能带来新的质量管理手段和标准,但也可能带来新的风险。
企业应关注技术变革对质量管理的影响,及时进行技术更新和培训,确保员工具备适应新技术的能力,同时加强与科研机构和专业机构的合作,积极参与行业标准的制定和更新。
四、政策法规风险政策法规对企业质量管理体系的要求日益严格,不符合要求可能导致企业面临罚款、产品召回等法律风险。
为应对政策法规风险,企业应加强对政策法规的研究和了解,确保质量管理体系符合相关法律法规的要求。
同时,建立健全的内部审核机制,及时发现和纠正不合规的行为,确保企业在法律法规的框架下运营。
总之,质量管理体系面临的风险众多,企业应采取相应的应对策略。
企业的质量风险管理方
针
文稿归稿存档编号:[KKUY-KKIO69-OTM243-OLUI129-G00I-FDQS58-
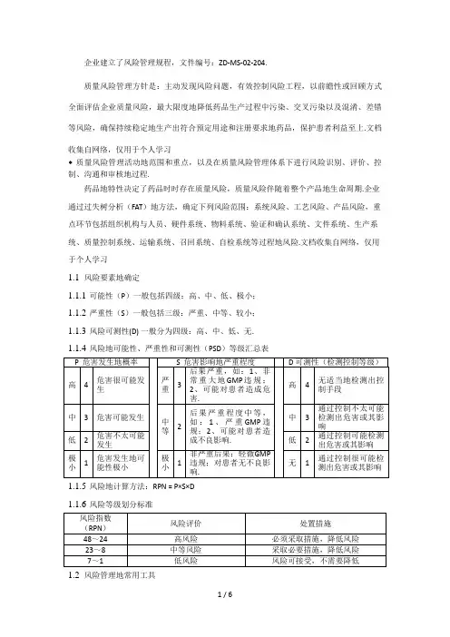
◆简述企业的质量风险管理方针; 企业建立了风险管理规程,文件编号:ZD-MS-02-204。
质量风险管理方针是:主动发现风险问题,有效控制风险项目,以前瞻性或回顾方式全面评估企业质量风险,最大限度地降低药品生产过程中污染、交叉污染以及混淆、差错等风险,确保持续稳定地生产出符合预定用途和注册要求的药品,保护患者利益至上。
◆质量风险管理活动的范围和重点,以及在质量风险管理体系下进行风险识别、评价、控制、沟通和审核的过程。
药品的特性决定了药品时时存在质量风险,质量风险伴随着整个产品的生命周期。
企业通过过失树分析(FAT )的方法,确定下列风险范围:系统风险、工艺风险、产品风险,重点环节包括组织机构与人员、硬件系统、物料系统、验证和确认系统、文件系统、生产系统、质量控制系统、运输系统、召回系统、自检系统等过程的风险。
1.1 风险要素的确定
1.1.1 可能性(P )一般包括四级:高、中、低、极小; 1.1.2 严重性(S )一般包括三级:严重、中等、较小; 1.1.3 风险可测性(D) 一般分为四级:高、中、低、无。
1.1.4 风险的可能性、严重性和可测性(PSD )等级汇总表
企业的质量风险管理方针
【最新资料,WORD 文档,可编辑修改】
1.1.5风险的计算方法:RPN = P×S×D
1.1.6风险等级划分标准
1.2风险管理的常用工具
1.2.1鱼骨图;
1.2.2统计分析;
1.2.3风险排列和过滤(RRF);
1.2.4初步危害分析(PHA);
1.2.5失败模式效果分析(FMEA);
1.2.6危害分析和关键控制点(HACCP);
1.2.7过失树分析(FAT)。
1.3进行质量风险评价时,针对不同的风险项目或数据可选择不同的风险评估工具和方法。
质量风险管理工具的选择符合下表规则:
1.4风险管理程序
1.4.1风险识别
1.4.1.1确定事件并启动质量风险管理。
1.4.1.2启动和规划一个质量风险管理可能包括下列步骤:
1)确定风险评估的问题或风险提问,包括风险潜在性的有关假设;
2)收集和组织信息,评估相关的潜在危害源,或对人类健康影响的背景资料与信息;
3)明确决策者如何使用信息、评估和结论;
4)确立领导者和必要的资源;
5)制定风险管理进程的日程和预期结果。
1.4.1.3在此阶段应清楚地确定风险问题或事件对质量风险管理(QRM)的结果有很重要的影响。
1.4.1.4在此阶段还需收集背景信息并确定质量风险管理(QRM)项目负责人及资源配置等。
1.4.1.5用于识别风险的信息可以包括历史数据,理论分析,成型的意见,以及影响决策的一些利害关系。
1.4.1.6风险数据来源
1)对在生产过程中出现的偏差、异常现象统计汇总,包括:法定检查、内外审计各类偏差;
2)对在检测化验中发现的问题分别统计汇总,包括:稳定性考察;
3)对上市产品的投诉分别统计汇总,包括:投诉;
4)PQR和其他信息;
5)逐一识别其潜在的质量危害,它关注“什么可能会出现问题”,以及可能的后果进行以下评估。
1.4.2风险分析
1.4.
2.1在进行风险分析时,将要评估风险发生和重现的可能性和危害的严重性;
1.4.
2.2风险分析是对已识别产品质量问题危害性予以估计,针对不同的风险项目需要选择应用不同的分析工具;
1.4.
2.3针对性地用定性或定量方法进行分析,界定风险的因素:如发生的可能性,危害的严重性,可测量性;
1.4.
2.4界定风险因素的范围和类型或确定风险的矩阵;
1.4.
2.5描述其质量危害发生的可能性和严重性;
1.4.
2.6确定将要采取的行动。
1.4.3风险评价
1.4.3.1应用风险评估的工具,对每个质量危害问题,对应找出相应的理论标准或实践范例;风险评价可以确定风险的严重性,将已识别的风险与预先确定的可接受标准比较。
1.4.3.2根据给定的风险标准对所识别、分析的风险进行比较、判别。
风险评价的结果是可以是风险的定量评估,也可以是对风险的定性描述。
1.4.3.3风险评估的结果可以表示为总体的风险值,例如:定量的表示为具体的数字,如0~10(百分比0~100);或定性的表示为风险的范围,如高、中、低。
1.4.4风险控制
1.4.4.1风险控制包括制定和/或接受风险的决定;风险控制的目的是降低风险至可接受水平。
包括风险降低和风险接受。
1.4.4.2风险降低
确定风险降低的方法。
当风险超过可接受水平时,风险降低将致力于减少或避免风险。
包括采取行动来降低风险的严重性或风险发生的可能性;应用一些方法和程序提高鉴别风险的能力。
需要注意的是,风险降低的一些方法可能对系统引入新的风险或显着提高其他已存在的风险,因此风险评估必须重复进行以确定和评估风险的可能的变化。
1.4.4.3风险接受
确定可接受的风险的最低限度。
设计理想的QRM策略来降低风险至可接受的水平。
即使是最好的质量管理措施,某些损害的风险也不会完全被消除。
在这些情况下,可以认为已经采取了最佳的质量风险策略,质量风险已经降低至可接受水平。
这个可接受水平由许多参数决定并应该具体情况分别对待。
1.4.4.4风险控制中确定在利益、质量风险和资源之间的平衡点;
1.4.4.5采取降低或消除质量风险的风险控制措施:
1)非正式工具-以经验和企业内部SOP为基础,被实践证明行之有效,如:质量审计、投诉处理产品质量趋势分析;
2)正式管理工具-在足够数量的基础数据支持下,可定量或半定量地进行风险控制。
1.4.5风险沟通
1.4.5.1风险决策制订者及其他人员间应交换或分享风险及其管理信息;参与者可以在风险管理过程中的任何阶段进行交流;
1.4.5.2一个正式的风险沟通过程可发展成为风险管理的一部分,这可包括许多部门间的通报,如:管理者与企业、企业与患者以及公司、企业或行政监督管理部门。
1.4.5.3所含信息可涉及到质量风险是否存在及其本质、形式、可能性、严重性、可接受性、处理方法、检测能力或其它。
这种交流不需要在每个风险认可中进行,对于企业或药品行政监督管理部门间就质量风险管理决定进行通报时,可利用现有法规与指南所规定的途径。
1.4.5.4正式风险管理运用后,风险管理过程中的结果都应记录。
1.4.6风险回顾
1.4.6.1风险管理过程的结果结合新的知识与经验进行回顾。
1.4.6.2质量风险的过程一旦启动,应持续应用在任何可能影响初始质量风险管理决策的条件,风险管理应是动态的质量管理过程,应建立并实施对事件进行定期回顾的机制。
1.4.6.3回顾审核的频率取决于风险水平,每年定期回顾一次。
1.4.6.4质量风险管理根据新知识、新环境而更新,根据风险控制项目及水平在必要时进行回顾。
1.4.6.5制定风险管理计划
1)风险管理过程的结果回顾;
2)风险管理计划;
3)风险控制措施;
4)风险管理过程;
5)记录结果。
1.4.6.6回顾风险管理过程:
1)对质量风险管理的过程进行监测,并定期对其进行回顾评审的过程;
2)定期对其进行回顾评审的过程;
3)在控制已确认质量风险时是否会导致新的质量风险。
1.5质量风险管理的应用
1.5.1建立质量管理体系:文件;培训;质量缺陷;产品质量回顾;变更控制;持续改进/CAPA;
1.5.2建立监管保证体系;
1.5.3建立研发保证体系;
1.5.4建立设备和设施保证体系;
1.5.5建立物料管理保证体系;
1.5.6建立生产及其计划保证体系;
1.5.7建立实验室管理和稳定性研究保证体系;
1.5.8建立包装材料和标签保证体系;
1.5.9建立各工艺关键控制点相应的质量保证体系。
1.6质量风险管理模式图。