门窗验收记录表
- 格式:docx
- 大小:14.45 KB
- 文档页数:1
门窗检验批验收记录表
1. 概述
本文档记录了门窗检验批的验收记录,是为了确保门窗质量符合标准要求而进行的检验步骤和结果记录。
2. 检验批信息
2.1 检验批编号
- 检验批编号:[填写检验批编号]
2.2 检验批类型
- 检验批类型:[填写检验批类型,如门窗类型]
2.3 生产单位信息
- 生产单位名称:[填写生产单位名称]
- 生产单位地址:[填写生产单位地址]
- 联系人:[填写生产单位联系人]
- 联系[填写生产单位联系电话]
3. 检验项目
3.1 项目1
- 项目名称:[填写检验项目名称]
- 检验标准:[填写相应标准]
- 检验结果:[填写检验结果,合格/不合格]
3.2 项目2
- 项目名称:[填写检验项目名称]
- 检验标准:[填写相应标准]
- 检验结果:[填写检验结果,合格/不合格] [继续添加检验项目,按照相同格式进行填写]
4. 检验人员信息
4.1 检验员信息
- 检验员姓名:[填写检验员姓名]
- 职务:[填写检验员职务]
4.2 复核人信息
- 复核人姓名:[填写复核人姓名]
- 职务:[填写复核人职务]
5. 检验日期及备注
5.1 检验日期
- 检验日期:[填写检验日期]
5.2 备注
[填写任何需要备注的信息]
---
以上是门窗检验批验收记录表的内容。
请注意,这份文档为参考模板,具体内容请根据具体情况进行修改和填写。
门窗检验批的验收过程中应严格按照相关标准进行检验,确保门窗质量符合要求,以提供安全、可靠的产品。
正面垂直2mm 侧面垂直2mm 对角线3mm
1.5mm
5mm
2mm
北阳台
门窗位置(与内墙面距离一
致)查厨卫间尺寸合页收口
是否有影响是否预留镶砖
量)
次卧书房主卫次卫厨房南阳台门窗锁具到位,拉手安装
合格牢固、使用可靠
检查位置
检查内容门窗框水平度门安装位置与内墙面
距离一致外墙门窗垂
直、平整等允许偏差项
符合要求)
门窗内外胶缝质量及泄水口
无堵塞
同樘门窗相邻扇的横
端角高度验收人门窗无磕碰、擦伤等损坏
施工单位
2008年 月 日
门窗工程分户检查、验收记录单
客厅门窗、纱窗开关灵活,传动
、拉手安装牢固、使用灵活
锁闭到位
门窗清洁无污染)
门窗使用材料及五金配件安
装齐全,符合合同要求
餐厅主卧
注:存在问题或超出规定数值的,请在表格相应位置注明实际测量尺寸及问题
月日。
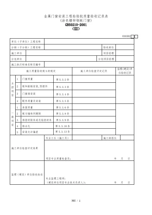
门窗玻璃安装检验批质量验收记录GB50210-2001单位(子单位)工程名称分部(子分部)工程名称分项工程名称施工单位项目经理检验批容量分包单位项目经理检验批部位施工依据验收依据《建筑装饰装修工程施工质量验收规范》GB50210-2001主控项目施工质量验收规范规定最小/实际抽样数量检查记录检查结果1玻璃的品种、规格、尺寸、色彩、图案和涂膜朝向应符合设计要求。
单块玻璃大于1.5㎡计时应使用安全玻璃/2门窗玻璃裁割尺寸应正确。
安装后的玻璃应牢固,不得有裂纹、损伤和松动/3玻璃的安装方法应符合设计要求。
固定玻璃的钉子或钢丝卡的数量、规格应保证玻璃安装牢固。
/4镶钉木压条接触玻璃处,应与裁口边缘平齐。
木压条应互相紧密连接,并与裁口边缘紧贴,割角应整齐。
/5密封条与玻璃、玻璃槽口的接触应紧密、平整。
密封条与玻璃、玻璃槽口的边缘应粘接牢固、接缝平齐。
/6带密封条的玻璃压条,其密封条必须与玻璃全部贴紧,压条与型材之间应无明显缝隙,压条接缝应不大于0.5mm/一般项目1玻璃表面应洁净,不得有腻子、密封胶、涂料等污渍。
中空玻璃内外表面均应洁净,玻璃中空层内不得有灰尘和水蒸气。
/2门窗玻璃不应直接接触型材。
单面镀膜玻璃的镀膜层及磨砂玻璃的磨砂面应朝向室内。
中空玻璃的单面镀膜玻璃应在最外层,镀膜层应朝向室内。
/3腻子应填抹饱满、粘接牢固;腻子边缘与裁口应平齐。
固定玻璃的卡子不应在腻子表面显露/施工单位检查结果专业工长:项目质量员:年月日资料号仅供个人学习参考监理单位验收结论专业监理工程师:年月日云南省住房和城乡建设厅印制仅供个人学习参考。