烟囱大体积混凝土计算
- 格式:doc
- 大小:35.00 KB
- 文档页数:10
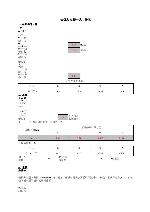
Th= m c Q/C ρ(1-е-mt)式中:Th—混凝土的绝热温升(℃);m c ——每m 3 混凝土的水泥用量,取3;Q——每千克水泥28d 水化热,取C——混凝土比热,取0.97[KJ/(Kg·K)];ρ——混凝土密度,取2400(Kg/m3);е——为常数,取2.718;t——混凝土的龄期(d);m——系数、随浇筑温度改变,取2、混凝土内部中心温度计算T 1(t)=T j +Thξ(t)式中:T 1(t)——t 龄期混凝土中心计算温度,是混凝土温度最高值T j ——混凝土浇筑温度,取由上表可知,砼第9d左右内部温度最高,则验算第9d砼温差2、混凝土养护计算①保温材料厚度混凝土表层(表面下50-100mm 处)温度,底板混凝土表面采用保温材料(棉毡)蓄热保温养护,并在棉毡下铺一层不透风的塑料薄膜。
大体积混凝土热工计算计算结果如下表:1、绝热温升计算计算结果如下表ξ(t)——t 龄期降温系数,取值如下表δ= 0.5h·λi (T 2-T q )K b /λ·(T max -T 2)式中:δ——保温材料厚度(m);λi ——各保温材料导热系数[W/(m·K)] ,取λ——混凝土的导热系数,取2.33[W/(m·K)]T 2——混凝土表面温度:27.5(℃)(Tmax-25)T q ——施工期大气平均温度:25(℃)T 2-T q —- 2.5(℃)T max -T 2—10.0(℃)K b ——传热系数修正值,取δ= 0.5h·λi (T 2-T q )K b /λ·(T max -T2)*100=1.58cm故可采用一层阻燃草帘并在其上下各铺一层塑料薄膜进行养护。
②混凝土保温层的传热系数计算β=1/[Σδi /λi +1/βq ]δi ——各保温材料厚度λi ——各保温材料导热系数[W/(m·K)]βq ——空气层的传热系数,取23[W/(m 2·K)]代入数值得:β=1/[Σδi /λi +1/βq ]= 3.25③混凝土虚厚度计算:hˊ=k·λ/βk——折减系数,取2/3;λ——混凝土的传热系数,取2.33[W/(m·K)]hˊ=k·λ/β=0.47725④混凝土计算厚度:H=h+2hˊ= 3.45m⑤混凝土表面温度T 2(t)= T q +4·hˊ(H- h)[T 1(t)- T q ]/H 2式中:T 2(t)——混凝土表面温度(℃)T q —施工期大气平均温度(℃)hˊ——混凝土虚厚度(m)H——混凝土计算厚度(m)T 1(t)——t 龄期混凝土中心计算温度(℃)式中:β——混凝土保温层的传热系数[W/(m 2·K)]式中: hˊ——混凝土虚厚度(m)不同龄期混凝土的中心计算温度(T 1(t))和表面温度(T 2(t))如下表。
**综合楼大体积混凝土热工计算1、大体积混凝土各组份含量通过与力天混凝土搅拌站工程技术人员协商,拟采用P.O 42.5水泥配置C40混凝土,因设计要求降低水化热对混凝土的影响,故混凝土配比将降低水泥用量,增加掺合料其配合比可按以下常规配合比计算材料名称水泥水砂石外加剂掺合料合计每立方米用量(kg)325175*********.351302361.35百分比(%)13.767.4128.3743.45 1.50 5.51导热系数(W/m.k)2.2180.63.082 2.908 2.5 2.5比热C(kj/kg.k)0.5364.1870.7450.7080.60.62、计算常数取值水泥水化热:Q=461J/kg 混凝土密度:ρ=2400kg/m 3混凝土比热:C=0.96常数e= 2.718常数m=0.3(控制入模温度10℃以下)标准状态下最终收缩值:=0.000324混凝土线膨胀系数:α=0.00001混凝土最终弹性模量:E 0=32500N/mm 2混凝土外约束系数:R=0.32泊松比:v=0.15混凝土稳定时温度:T h =29℃验算时间:3,7,28,60h 混凝土水化热绝热温升值:m c 为每立方米混凝土中水泥用量T(3)=38.59ΔT=38.59℃T(7)=57.06ΔT=18.48℃T(28)=65.01ΔT=7.95℃T(60)=65.03ΔT=0.01℃0y ε()()mt c t e C q m T --=1ρ3、各龄期混凝土收缩变形值计算M1=M2=M3=M9=1M4=1.3M5=0.9M6=1.1M7=0.54M8=1E a A a /E b A b =0.031577 M10=0.9 = 5.99E-06= 1.37E-05= 4.95E-05=9.14E-054、各龄期混凝土收缩当量温差计算:=-0.60℃ =-1.37℃ =-4.95℃ =-9.14℃5、各龄期混凝土弹性模量计算:计算公式:=7689.47N/mm 2 =15189.64N/mm 2 =29884.38N/mm 2 =32353.13N/mm 26、混凝土初始温度计算必要时,可采取一定降低水温的措施nt y y m m m e t ⋅⋅⋅⨯⨯-=-2101.00)1()(εε)3(y ε)7(y ε)28(y ε)60(y ε)3(y T aT t y y /)()(ε-=)7(y T )28(y T )60(y T )1()(09.00t e E t E --=)3(E )7(E )28(E )60(E混凝土拌合物理论值式中:T 0--混凝土拌合物温度(℃)T s 、T g --砂石的温度(℃)T c 、T w --水泥、拌合用水的温度(℃)m c 、m s 、m g 、m w --水泥、砂、石、水的重量(kg)C c 、C s 、C g 、C w --水泥、砂、石、水的热容(kj/kg.k)=20.86℃混凝土拌合物出机温度计算其中T 1--混凝土拌合物出机温度T i --搅拌机棚内温度则T 1=22.00℃混凝土拌合物浇筑温度计算式中T2--混凝土拌合物运输到浇筑时温度t 1--从运输到浇筑的时间n--混凝土拌合物运转次数T a --运输时环境温度--温度损失系数0.0042则T 2=22.87℃7、混凝土最大综合温差:(℃)混凝土水化热:Q=461kJ/kg则混凝土最高水化热温度=(325×260)/(0.96×2500)=65.03℃混凝土1、2、7d的水化热绝热温度基础底板厚度1800mm)/()(0w c g s w w w c c c g g g s s s m m m m m T C m T C m T C m T C T ++++++=0T )(16.0001i T T T T --=))(032.0(1112T T n t T T -++=αααh T查降温系数 可求得不同龄期的水热温升及中心温度:其中T 0 --混凝土浇筑入模温度T(t) --浇筑完t 时后的绝热温升T h --混凝土浇筑稳定后的温度,一般为当地平均气温(℃):28则ΔT (3)=19.31℃ΔT (7)=16.18℃ΔT (28)= 4.16℃ΔT (60)= 5.75℃因混凝土核心与大气温差为23度,故,核心与表面温差及表面与大气温差均小于25度8、混凝土松驰系数=0.57=0.502=0.336=0.2889、混凝土收缩应力计算其中 --混凝土拉应力(N/mm2)--混凝土弹性模量 --混凝土热膨胀系数--混凝土截面中心与表面之间的温差--混凝土的泊松比,取0.15)3(h S )7(h S )28(h S )60(h S t σα1T ∆ν)(t E )1(09.00)(tt e E E ⨯--=ht y t T T T T T -++=∆)()(032αε)()(t y t y T -=RS TE t ct )()(1⋅-∆-=νασζS (t) --考虑徐变影响的松弛系数:R 混凝土外约束系数0.32则 σ3 =0.32N/mm 2σ7 =0.46N/mm 2σ28 =0.16N/mm 2σ60 =0.20N/mm 210、最大拉应力计算大体积混凝土分块最大尺寸:32m×24m厚度1800mm Cx=0.03(考虑垫层与基础地板同步伸缩)最大温度收缩拉应力:其中σ(t) --各龄期混凝土承受的温度应力cosh --双曲余弦函数β --约束状态系数L --大体积混凝土长度β3 =4.66E-05 =0.744897β7 =3.31E-05 =0.529994β28 =2.36E-05 =0.377852β60 =2.27E-05=0.36315查双曲函数表得3d= 1.437d= 1.2128d= 1.160d= 1.08σ3 =0.299478约束状态影响系数ν)(t x E H C ⋅=β∑=∆⎥⎥⎦⎤⎢⎢⎣⎡⋅⋅--=n i n t i t i t i t S T E l )()()()(2cosh 111βνασ2L ⋅β2L ⋅β2L ⋅β2L ⋅β2cosh L⋅⋅β2cosh L ⋅⋅β2cosh L ⋅⋅β2cosh L ⋅⋅βσ7 =0.251968σ280.04463σ600.04668 =0.642756N/mm 2混凝土抗拉强度设计值取1.1N/mm 2,则抗裂安全度:K= 1.7113804>1.15满足抗裂条件故不会出现裂缝。
大体积混凝土计算公式1.温度计算公式1最大绝热温升T h =(W c+K·F) Q/ C·ρT h------混凝土最大绝热温升(℃)W c---混凝土中水泥用量(kg/m3)F----混凝土中标活性掺合料用量(kg/m3)K---掺合料折减系数。
粉煤灰取0.25~0.30Q----水泥28d水化热(KJ/kg)。
C----混凝土比热.取0.97(KJ/kg . k)ρ—混凝土密度.取2400(kg/m3)不同品种.标号水泥的水化热2.混凝土中心计算温度T1(t) =T j+T h·ξ(t)……(5-5-7).T1(t)-----t岭期混凝土中心计算温度(℃)T j =混凝土浇筑温度(℃)ξ(t) =t龄期降温系数。
降温系数ξ3 混凝土表层(表面下50~100mm处)温度(1)保温材料厚度(或蓄水养护深度)δ=0.5h·λx(T2-T q)k b/λ(T max-T2)δ---保温材料厚度(m)h---大体积混凝土厚度(m)λx--所选保温材料导热系数(w/mk),T2---混凝土表面温度(℃)T q---环境平均温度(℃)K b---修正值.取1.3~2.0λ---混凝土导热系数,取2.33(w/m.k)T max----计算得混凝土最高温度(℃)计算时可取T2 - T q=15~ 20 ℃T max - T2=20~25℃几种保温材料导热系数传热系Kb数修正值K b1值为一般刮风情况(风速<4m/s,结构位置/>25m)K b2值为刮大风情况如采用蓄水养护方法. 蓄水深度h w= X·M(T max-T2)K b·λw/(700T j+0.28w c·Q) ……(5-5-9)其中:M=F/Vh w-----养护水深度(m)X-----混凝土维持到指定温度的延续时间,既蓄水养护时间(h)M-----混凝土机构表面系数(1/m)F------与大气接触的表面积(m2)V------混凝土体积(m3)T max - T2-----一般取20~25(℃)K b------传热系数修正值700-----混凝土热容量,既比热与表观密度的乘积(KJ/ m3 k)(2)混凝土表面保温层及摸板的传热系数β=1/[Σδi/λi+1/βq]其中:β---混凝土表面保温层及模板的传热系数(w/m k)δi------各保温材料厚度(m)λi-----各保温材料导热系数(w/m2 k)(3)混凝土虚厚度h’=k·λ/β…………(5-5-11)其中:h’---混凝土虚厚度(m)k----折减系数,2/3(w/m2k)(4) 混凝土计算厚度H=h+2h’…………(5-5-12)其中:H---混凝土计算厚度(m)h---混凝土实际厚度(m)(5)混凝土表层温度T2(t)=T q+4·h’(H-h’) [T1(t)-t q]/H2其中:T2(t)----混凝土表面温度(℃)T q----施工期大气平均温度(℃)h’----混凝土虚厚度(m)H----混凝土计算厚度(m)T1(t)----混凝土中心温度(℃)4混凝土内平均温度T m(t)=[ T1(t)+ T2(t)]/2T m(t)----混凝土内平均温度(℃)。
混凝土烟囱墙体体积计算公式表以混凝土烟囱墙体体积计算公式表为标题的文章烟囱作为建筑物的一部分,起到排烟和通风的作用,是工业和家庭生活中必不可少的设施之一。
在建造烟囱的过程中,计算烟囱墙体的体积是一个重要的步骤。
本文将介绍混凝土烟囱墙体体积计算的公式和相关内容。
1. 烟囱墙体体积的计算公式混凝土烟囱墙体的体积可以使用以下公式进行计算:体积 = 高度× (底部面积 + 顶部面积+ 4 × 侧面面积)其中,高度是烟囱墙体的高度,底部面积是烟囱底部的面积,顶部面积是烟囱顶部的面积,侧面面积是烟囱侧面的面积。
2. 烟囱墙体体积计算的步骤(1)测量烟囱的高度:使用测量工具(如测量尺或测量仪器),从烟囱的底部测量到顶部,得到烟囱的高度。
(2)计算烟囱底部的面积:使用适当的方法(如测量或计算),得到烟囱底部的面积。
常见的烟囱底部形状包括圆形、方形和矩形等。
(3)计算烟囱顶部的面积:根据烟囱的形状,计算得到烟囱顶部的面积。
如果烟囱顶部是平面,则可以直接测量得到面积;如果烟囱顶部是锥形或其他形状,则需要进行相应的计算。
(4)计算烟囱侧面的面积:根据烟囱的形状,计算得到烟囱侧面的面积。
常见的烟囱形状包括圆柱形、多边形和锥形等。
(5)带入公式计算体积:将测量或计算得到的高度、底部面积、顶部面积和侧面面积带入计算公式,得到烟囱墙体的体积。
3. 烟囱墙体体积计算的注意事项在进行烟囱墙体体积计算时,需要注意以下几点:(1)测量或计算的数据要准确:测量或计算得到的高度、底部面积、顶部面积和侧面面积需要尽可能准确,以确保计算结果的准确性。
(2)单位要统一:在进行计算时,需要保证所使用的单位是统一的,如长度单位使用米,面积单位使用平方米。
(3)考虑墙体厚度:如果烟囱墙体的厚度不可忽略,需要在计算底部面积、顶部面积和侧面面积时,考虑墙体的厚度,并进行相应的修正。
4. 结语混凝土烟囱墙体体积的计算是烟囱建造过程中的重要一环。
第1章工程概况1.1烟囱大承台底标高-4.000m、顶标高-2.000m。
1.2烟囱大承台宽11.6m,长14.6m,厚2m,砼体积约为320m3。
1.3混凝土标号C25,抗渗等级S8。
1.4选用厦门市二建混凝土公司商品混凝土,砼供应能力可达50m3/h。
第2章原材料选用与配合比设计为降低C25大体积混凝土的最高温度,最主要的措施是降低混凝土的水化热。
因此,必须提前与商品混凝土公司协调,做好混凝土配合比设计及试配工作。
2.1水泥:C25大体积混凝土应选用水化热较低的水泥,并尽可能减少水泥用量。
本工程应尽量选用高标号水泥,减少水化热。
2.2细骨料:宜采用Ⅱ区中砂,因为使用中砂比用细砂,可减少水及水泥的用量。
2.3粗骨料:选用粒径较大5-50mm连续级配石子,以减少混凝土收缩变形。
2.4含泥量:在大体积混凝土中,粗细骨料的含泥量是要害问题,若骨料中含泥量偏多,不仅增加了混凝土的收缩变形,又严重降低了混凝土的抗拉强度,对抗裂的危害性很大。
因此骨料必须现场取样实测,石子的含泥量控制在1%以内,砂的含泥量控制在2%以内。
2.5掺合料及外加剂采用“三掺”技术:2.5.1应用添加粉煤灰技术。
在混凝土中掺用的粉煤灰不仅能够节约水泥,降低水化热,增加混凝土和易性,而且能够大幅度提高混凝土后期强度,并且混凝土的28天强度基本能接近混凝土标准强度值。
2.5.2采用外加FS技术。
在混凝土中添加约6-7%的FS。
试验表明在混凝土添加了FS之后,混凝土内部产生的膨胀应力可以抵消一部分混凝土的收缩应力,这样相应地提高混凝土抗裂强度及抗渗能力。
2.5.3掺加一定的缓凝剂,控制砼初凝时间不小于8小时,避免因砼凝固太早而造成施工缝。
第3章混凝土供应、浇筑与表面养护3.1砼供应:严格考察商品混凝土公司软硬件设施,确保其砼供应能力。
3.2砼运输车:要求砼供应商确保8-10台砼运输车同时正常作业。
3.3手推车: 10台;3.4劳动力:砼泵送施工过程中安排两个班组轮换作业,每个班组15人左右;空闲班组应留守现场,以便能应付突发事件。
大体积混凝土计算公式大体积混凝土计算公式1.温度计算公式1最大绝热温升T h =(W c+K·F) Q/ C·ρT h------混凝土最大绝热温升(℃)W c---混凝土中水泥用量(kg/m3)F----混凝土中标活性掺合料用量(kg/m3)K---掺合料折减系数。
粉煤灰取0.25~0.30 Q----水泥28d水化热(KJ/kg)。
C----混凝土比热.取0.97(KJ/kg . k)ρ—混凝土密度.取2400(kg/m3)不同品种.标号水泥的水化热2.混凝土中心计算温度T1(t) =T j+T h·ξ(t)……(5-5-7).T1(t)-----t岭期混凝土中心计算温度(℃)T j =混凝土浇筑温度(℃)ξ(t) =t龄期降温系数。
降温系数ξ3 混凝土表层(表面下50~100mm处)温度(1)保温材料厚度(或蓄水养护深度)δ=0.5h·λx(T2-T q)k b/λ(T max-T2)δ---保温材料厚度(m)h---大体积混凝土厚度(m)λx--所选保温材料导热系数(w/mk),T2---混凝土表面温度(℃)T q---环境平均温度(℃)K b---修正值.取1.3~2.0λ---混凝土导热系数,取2.33(w/m.k)T max----计算得混凝土最高温度(℃)计算时可取T2 - T q=15~20 ℃T max - T2=20~25℃几种保温材料导热系数传热系Kb数修正值K b1值为一般刮风情况(风速<4m/s,结构位置/>25m)K b2值为刮大风情况如采用蓄水养护方法. 蓄水深度h w= X·M(T max-T2)K b·λw/(700T j+0.28w c·Q) ……(5-5-9) 其中:M=F/Vh w-----养护水深度(m)X-----混凝土维持到指定温度的延续时间,既蓄水养护时间(h)M-----混凝土机构表面系数(1/m)F------与大气接触的表面积(m2)V------混凝土体积(m3)T max - T2-----一般取20~25(℃)K b------传热系数修正值700-----混凝土热容量,既比热与表观密度的乘积(KJ/ m3 k)(2)混凝土表面保温层及摸板的传热系数β=1/[Σδi/λi+1/βq]其中:β---混凝土表面保温层及模板的传热系数(w/m k)δi------各保温材料厚度(m)λi-----各保温材料导热系数(w/m2 k)βq――空气的传热系数,取23[w/(m2.K)(3)混凝土虚厚度h’=k·λ/β…………(5-5-11)其中:h’---混凝土虚厚度(m)k----折减系数,2/3(w/m2k)(4) 混凝土计算厚度H=h+2h’…………(5-5-12)其中:H---混凝土计算厚度(m)h---混凝土实际厚度(m)(5)混凝土表层温度T2(t)=T q+4·h’(H-h’) [T1(t)-t q]/H2其中:T2(t)----混凝土表面温度(℃)T q----施工期大气平均温度(℃)h’----混凝土虚厚度(m)H----混凝土计算厚度(m)T1(t)----混凝土中心温度(℃)4混凝土内平均温度T m(t)=[ T1(t)+ T2(t)]/2T m(t)----混凝土内平均温度(℃)。
烟囱混凝土浇灌温度计算1、混凝土温度计算T(t)=m c Q(1-e-m t)/cρT h=m c Q/cρ式中T(t)——浇灌完一段时间t,混凝土的绝热温升值(℃);T h——混凝土最终水化热绝热温升值(℃);m c——每立方米混凝土水泥实际用量(kg/m3);Q——每千克水泥水化热量(J/kg);c——混凝土比热,取0.97×103(J/kg•℃);ρ——混凝土的容重,取2410kg/m3;t——混凝土的龄期(d);e——常数,为2.719;m——经验系数,取0.3~0.5。
m c =256kg(暂定)Q=378kJ/kg;c=0.97×103J/kg•℃;ρ=2410kg/m3;T m a x=m c Q/cρ=256×378/(0.97×2410)=41.4℃2、混凝土入模温度混凝土入模温度控制在36℃以内。
三、混凝土内部不同龄期的最高温度基础混凝土底板最厚的部位为5.9米,绝热温升与厚度关系系数ζ取0.83,最薄的为3.3米。
由于厚度较厚,《建筑施工计算手册》(中国工业出版社出版)大体积混凝土工程一节中,不同龄期的绝热温升与厚度关系系数ζ值得列表中,最厚的厚度为4.5米,因此考虑的ζ值为:0.83×ζ(t)/ζ(3),见下表:混凝土不同龄期的水化热绝热温度:T(t)=T h·(1-e-m t) t为龄期混凝土不同龄期的内部最高温度为:T m a x= T0+T(t)·ζ则:T(1)=13.8℃T m a x=48.8℃T(3)=29.5℃T m a x=59.2℃T(6)=36.4℃T m a x=64.5℃T(9)=39.4℃T m a x=66.5℃T(12)=40.7℃T m a x=64.3℃T(15)=41.4℃T m a x=61.3℃T(18)=41.6℃T m a x=57.3℃T(21)=41.7℃T m a x=52.2℃T(24)=41.7℃T m a x=48.8℃T(27)=41.7℃T m a x=46.7℃T(30)=41.7℃T m a x=46.3℃。
烟囱基础(大体积)砼施工方案工程名称:天富南热电厂2×135MW热电联产技改工程设计单位:河南电力勘测设计院建设单位:新疆天富能源投资有限责任公司监理单位:达华集团北京中达联咨询有限公司项目监理部施工单位:兵团五建电力三分公司编制单位: 兵团五建电力三分公司编制: 时间: 年月日审核: 时间: 年月日审批: 时间: 年月日烟囱基础(大体积)砼施工方案1.0工程简介:该烟囱基础分为底板和环壁两部分,环壁与底板之间留设施工缝。
底板半径7.5m,高度1.8m,砼共计295m3;环壁内半径4m,上口宽600mm,下口宽1800mm,高度3700mm,砼共计130m3环壁部分考虑到高度、施工因素分两次施工,每次施工高度2米。
故底板、环壁匀属大体积砼。
底板砼标号C35,环壁砼标号C35,采用商品砼进行浇筑。
2.0施工准备2.1机具准备:汽车泵两台。
混凝土罐车10辆。
振动棒及电机10套。
2.2材料准备:提前三天通知砼搅拌站准备浇灌所需水泥、砂石料等。
2.3劳力准备:电工1人,砼工20人,振动手6人。
3.0施工方法及技术措施3.1施工方法:基础砼均采用天富立城砼搅拌站的商品砼,底板用两台汽车泵分东西两半进行浇筑,两泵车从南面一点开始,沿环向向两相反方向进行,最后在北面汇合。
每层均以此顺序进行连续浇筑。
3.2烟囱基础属大体积砼,大体积砼基础的整体性要求较高,一般要求砼连续浇筑,一气呵成。
施工工艺上应做到分层浇筑,分层捣实,但又必须保证上下层混凝土在初凝之前结合好,不致形成施工缝。
3.3底板采用全面分层的方法浇筑,即砼从底层开始一层层住上进行浇筑,分层厚度决定于振动器的棒长和振动力的大小,也要考虑混凝土的供应量大小和可能浇筑量的多少,一般为20---30厘米。
但必须保证在下一层砼初凝前进行上层砼浇筑,以使层与层之间结合良好。
3.4砼下料高度超过2米时应使泵车管倾斜放置,使砼徐徐滑落,以保证砼不致发生离析现象。
120米钢筋混凝土烟囱设计资料烟囱高度H=120m ,烟囱顶部内直径D0=2.75m,基本风压W0=0.7 kN/ m 2,地面粗糙度类别为B 类;抗震设防烈度为 8度;建筑场地土类别为Ⅲ类;夏季极端最高温度 38.4℃;冬季极端最低温度为30.4℃;烟气最高温度gT =750℃;材料选择及计算指标1.筒壁采用强度等级C25混凝土,HRB335钢筋。
(1)混凝土计算指标:轴心抗压强度标准值 ck f =16.7N/mm 2 ; 轴心抗压强度设计值 c f =11.9N/mm 2 ; 轴心抗拉强度标准值 tk f =1.78N/mm 2 ; 轴心抗拉强度设计值 t f =1.27N/mm 2 ; 弹性模量 c E =2.8×104N/mm 2 ; 线膨胀系数 c =1×10-5℃ ; 重力密度 24 kN/m 3 。
(2)钢筋计算指标:抗拉强度标准值 yk f =335N/mm 2 ; 抗拉强度设计值 y f =300N/mm 2 ; 弹性模量 s E =2×105N/mm 2 ;2.隔热层矿渣棉重力密度 2 kN/m 3 ; 硅藻土砖砌体重力密度 6 kN/m 3; 3.内衬粘土质耐火砖重力密度 19 kN/m 3。
烟囱形式烟囱筒身高度每10m 为一节,共分十二节,外壁坡度为0.02,筒身尺寸见下页表,在烟囱根部相应位置开两个空洞,孔洞所对应的圆心角分别为60度和30度:180米钢筋混凝土烟囱设计资料烟囱高度H=180m ,烟囱顶部内直径D0=6m,基本风压W0=0.5 kN/ m 2,地面粗糙度类别为B 类;抗震设防烈度为 6度;建筑场地土类别为Ⅲ类;夏季极端最高温度 40℃;冬季极端最低温度为-25℃;烟气最高温度gT =170℃;材料选择及计算指标1.筒壁采用强度等级C30混凝土,HRB335钢筋。
(1)混凝土计算指标:轴心抗压强度标准值 ck f =20.1N/mm 2 ; 轴心抗压强度设计值 c f =14.3N/mm 2 ; 轴心抗拉强度标准值 tk f =2.01N/mm 2 ; 轴心抗拉强度设计值 t f =1.43N/mm 2 ; 弹性模量 c E =3.0×104N/mm 2 ; 线膨胀系数 c =1×10-5℃ ; 重力密度 24 kN/m 3 。
大体积混凝土相关计算第一节浇筑体温度应力和收缩应力计算1混凝土绝热温升计算T t=WQCρ(1−e−mt)m=km0,m0=AW+B,W=λW C,k=k1+k2—1式中:T(t)——混凝土龄期为t时的绝热温升(℃);W——每立方米混凝土的胶凝材料用量(kg/m3);C—混凝土的比热容,可取0.92~1.00[kJ/(kg·℃)],取0.97;ρ——混凝土的质量密度,可取2400~2500( kg/m3),取2400;t——混凝土龄期(d);m——与水泥品种、用量和入模温度等有关的单方胶凝材料对应系数。
按20℃入模温度考虑,k取值0.85+0.86-1=0.71,W取值0.65×435=282.75kg,m0取值0.0024×282.75+0.5159=1.195,m取值0.71×1.195=0.848计算过程:龄期3d的绝热温升:T(3d)=282.75×314×(1-e-0.848×3)/(0.97×2400)=35.14℃龄期7d的绝热温升:T(7d)=282.75×354×(1-e-0.848×7)/(0.97×2400)=38.04℃龄期28d的绝热温生:T(28d)=282.75×375×(1-e-0.848×28)/(0.97×2400)=45.55℃T m=282.75×375×1/(0.97×2400)=45.55℃不同品种、强度等级水泥的水化热:2混凝土收缩值的当量温度计算εy(t)=εy0(1−e−0.01t)∙M1∙M2∙M3∙∙∙M11T y(t)=εy(t)/α式中:εy——龄期为t时,混凝土收缩引起的相对变形值;εy0——在标准试验状态下混凝土最终收缩的相对变形值,取4.0×10-4;M1、M2、…M1——混凝土收缩变形不同条件影响修正系数;T y(t)——龄期为t时,混凝土收缩值当量温度;α——混凝土的线膨胀系数,取1.0×10-5。
烟囱基础大体积砼施工方案烟囱基础是指用于承受烟囱本体和烟气排放设备的重量,并将其传递给地基的结构。
由于烟囱本体高度较高,重量较大,因此烟囱基础的设计和施工非常重要。
本文将介绍烟囱基础大体积砼施工的方案。
烟囱基础的材料选择烟囱基础一般选择使用混凝土作为施工材料,主要原因是混凝土具有较好的强度和耐久性,并且可以满足较大的承载能力要求。
砼的配合比设计混凝土的配合比设计应考虑以下几个方面:1.基材料的选择:一般使用普通硅酸盐水泥,砂石和骨料。
2.强度等级的选择:根据设计要求和实际荷载情况,确定所需的混凝土强度等级。
3.控制水灰比:水灰比会直接影响混凝土的质量和强度,应根据设计要求控制在合适的范围内。
4.掺合料的使用:可以适量添加适合的掺合料,如粉煤灰、矿渣粉等,以提高混凝土的强度和耐久性。
砼的浇筑过程砼的浇筑过程应按照以下步骤进行:1.模板搭设:根据设计要求搭设好烟囱基础的模板,并确保模板的平整度和垂直度。
2.铺设钢筋:根据设计要求,在模板内铺设钢筋,并使用钢筋支撑牢固。
3.砼浇筑:在模板内倒入预先调配好的混凝土,要求浇筑均匀,避免出现空鼓或夹杂物。
4.振捣:使用振动器振捣混凝土,以排除气泡和提高混凝土的密实度和强度。
5.平整和养护:浇筑完成后,使用抹光机将砼表面平整,并进行适当的养护以增加混凝土的强度和耐久性。
砼的质量检测为保证砼质量,应进行以下质量检测:1.水泥质量检测:对使用的水泥进行检测,确保其质量符合要求。
2.骨料和砂石检测:对使用的骨料和砂石进行检测,确保其质量符合要求。
3.混凝土强度检测:在施工过程中和养护期结束后,进行混凝土强度检测,以确保混凝土符合设计要求。
砼的养护措施为确保混凝土的强度和耐久性,应采取以下养护措施:1.水养护:在砼浇筑完成后,立即进行水养护,保持砼表面湿润。
2.防止温度变化:在低温条件下,应采取保温措施,防止砼受冻和开裂。
3.防止日晒和风化:避免混凝土暴露在阳光下和风雨中,以防止施工质量受到影响。
大体积混凝土热工计算1.底板混凝土单次混凝土浇筑厚度最大为2850mm,混凝土强度等级为C35/P12,理论上该处混凝土内部温度最高,容易产生裂缝,所以将此部位混凝土作为范例进行热工计算。
根据C35/P12混凝土配合比为:P.O42.5级水泥227kg,水162kg,中砂761kg,石子1051kg,粉煤灰:102kg,S95级磨细矿渣48kg。
2.预计施工浇筑时间为5月份,查气象历史数据,月最高平均气温为28°。
3.水泥水化热:q=286.6KJ/kg7.1混凝土表面温度裂缝控制计算大体积混凝土结构施工应该使混凝土中心与表面温度、表面温度与大气温度之差在允许范围内,则可控制混凝土裂缝的出现。
7.1.1混凝土的绝热温升水泥水化热引起的混凝土内部实际最高温度与混凝土的绝热温升有关。
混凝土的绝热温升:T i=W×Q×(1-e-mt)/(C×ρ)式中:T h—混凝土的绝热温升(℃)W—每立方混凝土的胶凝材料用量(kg/m3),W=227+102+48=377kg/m3Q—每公斤水泥的水化热,本工程为P.O42.5水泥,查计算手册,Q为335k J/kg C—混凝土比热0.994k J/(kg·K);ρ—混凝土容重2400㎏/m3;t—混凝土龄期(天);m—常数,与水泥品种、浇筑时温度有关,取0.406;e—常数,e=2.718自然对数的底;T(3)=WQ(1-e-mt)/Cρ=377×335×(1-e-0.406×3)/(0.994×2400)=38.198°C;经过计算,得到3天,5天,7天,14天混凝土最高水化热绝热温升:Th3=38.198℃,Th5=47.122℃,Th7=51.076℃,Th14=54.06℃。
7.1.2混凝土的内部最高温度Tmax(t) =Tj+Ti×ζ(t)式中Tmax(t)—混凝土t龄期内部最高温度(℃);分别取3、5、7、14天计算;Tj—混凝土浇筑温度(℃),混凝土浇筑入模温度取35℃;ζ—混凝土t龄期的散热系数,3天,5天,7天,14天分别计算得ζ(3)=0.55,ζ(5)=0.51,ζ(7)=0.351,ζ(14)=0.183;T max =Ti+T(7)ζ=35+38.198×0.55=51°C;按上式计算,3天,5天,7天,14天的结果为T max3=56℃,T max5=59.03℃,T max7=52.93℃,T max14=44.89℃7.1.3砼表层(表面下50~100mm)温度(1)、保温材料厚度(麻袋)δ=0.5h.λx (T2-Tq)Kb/λ(Tmax-T2)=0.5×2.85×0.05×20×1.3/2.33×25=0.0318mδ-保温材料厚度λx-所选保温材料导热系数,材料选麻袋,考虑薄膜保温作用按0.05(T2-Tq)本工程取20℃(Tmax -T2)最高温度与表面温度差,本工程取25℃Kb–传热系数修正值,选1.3。
烟囱大体积混凝土计算关键信息项:1、混凝土配合比设计参数水泥品种及强度等级:____________________粉煤灰掺量:____________________矿粉掺量:____________________粗骨料种类及粒径:____________________细骨料种类及细度模数:____________________外加剂种类及掺量:____________________水胶比:____________________2、烟囱结构尺寸及参数烟囱高度:____________________烟囱底部外径:____________________烟囱顶部外径:____________________筒壁厚度:____________________3、施工条件及环境参数施工季节:____________________混凝土浇筑温度:____________________养护方式:____________________风速:____________________环境湿度:____________________4、混凝土性能要求强度等级:____________________抗渗等级:____________________坍落度要求:____________________初凝时间要求:____________________终凝时间要求:____________________11 引言本协议旨在规范烟囱大体积混凝土计算的相关事宜,确保计算的准确性和可靠性,以满足烟囱结构的安全性和耐久性要求。
111 计算依据计算应依据以下标准和规范:《混凝土结构设计规范》(GB 50010)《大体积混凝土施工规范》(GB 50496)相关的工程地质勘察报告112 计算方法采用有限元分析方法或经验公式进行温度场和应力场的计算。
考虑混凝土的水化热、热传导、边界条件等因素。
12 混凝土配合比设计计算121 确定水泥用量根据强度等级要求和水胶比,计算水泥用量。
注:此结果仅供参考单筒式钢筋混凝土烟囱计算书项目名称_____________构件编号_____________日期_____________设计_____________校对_____________审核_____________ 计算时间 2011年4月2日(星期六)15:05一、设计资料1.基本设计资料烟囱总高度H = 150m烟气温度Tgas = 150.00℃夏季极端最高温度Tsum = 40.00℃冬季极端最低温度Twin = -30.00℃烟囱日照温差△T = 20.00℃基本风压0 = 0.40kN/m2地面粗糙度: B类空气密度 = 1.25kg/m3烟囱安全等级: 二级环境类别: 一类抗震设防烈度: 7度(0.15g) 设计地震分组: 第二组建筑场地土类别: Ⅲ类筒壁竖向钢筋等级: HRB335 筒壁环向钢筋等级: HRB335 燃煤含硫量Sar = 0.43%烟道底部标高0.00m混凝土刚度折减系数0.90m 2.材料信息3.几何尺寸信息烟囱总截面数: 16筒身代表截面: 截面12 烟囱筒身分节参数表(1)注: 1. 内衬材料列中“内衬1”为“耐热混凝土”,“内衬2”为“耐热混凝土”2. 上表中标高及长度单位为m烟囱筒身分节参数表(2)4.基础设计参数基础形式: 圆形基础基础混凝土等级: C30基础钢筋等级: HRB335底板下部配筋形式: 径环向配筋地下烟道: 无底板及其上土平均重度G = 20.00 kN/m3底板埋深: 5.00m地基土抗震承载力调整系数a = 1.00基础宽度修正系数b = 0.30基础埋深修正系数d = 1.50自动计算沉降经验系数基础几何尺寸:环壁顶部厚度rt = 0.60 mr1 = 10.50m r2 = 7.02m r3 = 5.85m h = 2.00m h1 = 1.20m±0.000相当于绝对标高0.000m天然地面标高0.000m土层参数表二、计算依据《建筑结构荷载规范》GB 50009-2001(以下简称“荷载规范”)《建筑抗震设计规范》GB 50011-2001(以下简称“抗震规范”)《烟囱设计规范》 GB 50051-2002(以下简称“烟囱规范”)《建筑地基基础设计规范》GB 50007-2002(以下简称“基础规范”)《混凝土结构设计规范》GB 50010-2002(以下简称“混凝土规范”)《烟囱工程手册》(中国计划出版社,2004年7月第1版,以下简称“烟囱手册”)《钢筋混凝土烟囱》 05G212 (以下简称“烟囱图集”)三、筒身自重计算筒壁内侧挑出牛腿支承内衬和隔热层的重量,因此每节下部重量不包括本节的内衬及隔热层的重量,该重量由下一节来承受。
陆丰市(东南)生活垃圾焚烧发电厂项目建筑工程烟囱基础大体积混凝土浇筑方案编制:审核:批准:湖南省工业设备安装有限公司陆丰市分公司2017年9月16日目录一、工程概况 (4)二、编制依据 (5)三、施工准备 (5)四、主要施工方法 (7)五、质量保证措施 (11)六、安全保证措施 (15)七、危险源清单及安全预控措施 (16)八、应急预案 (17)九、预防环境污染措施 (19)十、大体积混凝土降温措施措施 (20)十一、附图表 (20)一、工程概况工程名称:陆丰市(东南)生活垃圾焚烧发电项目工程地点:陆丰市南塘镇后西村建设单位:陆丰粤丰环保电力有限公司设计单位:中国轻工业广州工程有限公司监理单位:深圳市合创建设工程顾问有限公司施工单位:湖南省工业设备安装有限公司陆丰市分公司陆丰市(东南)生活垃圾焚烧发电项目,处理规模为1200t/d,分两阶段建设。
一阶段800 t/d(2×400t/d机械炉排垃圾焚烧炉)、2×15MW凝汽式汽轮发电机组以及配套的主辅生产系统等,土建部分包括一二阶段的所有工程范围、生活办公区域建筑工程。
预留二阶段1×400t/d工程相关的公用配套设备与接口(二阶段的锅炉、尾气系统的本体设备及系统不在本次的安装范围内)。
质量标准:本工程的建设参照市政工程建设标准、生活垃圾焚烧厂评价标准AAA级、中电建协工(2006)6号文颁布的《电力工程达标投产管理办法》(2006版)规定的《火电工程达标投产考核标准》,同时跟踪最新版达标投产考核标准执行(以机组通过72+24小时整套试运结束时间为限),实现达标投产。
施工条件、施工、调整试运、竣工和完成的工程应遵守中国国家和原电力部、原国家电力公司颁发的规范、技术标准以及建筑、施工和环保规定及有关类似容量、范围及性质的发电厂的规定。
在签订合同后,如果国内的规范、技术标准或规定作了重大修改,或颁发新的国家规范标准及规定,则应遵守新的国家规范标准及规定。
烟囱大体积混凝土计算书烟囱底板混凝土为宽5.9m,高2 m的圆环体,属大体积混凝土,需进行大体积混凝土计算。
底板混凝土采用标号C30混凝土,中热硅酸盐水泥。
一、大体积混凝土计算公式1.混凝土最大绝热温升Th=m c*Q/(c*ρ*(1-e-mt))式中Th----------最大绝热温升(℃);m c---------混凝土中水泥(包括膨胀剂)用量(Kg/m3),取m c=350 Kg/m3;Q---------水泥28d水化热(KJ/(mg*K)),取Q=375 KJ/(mg*K);C---------混凝土比热,取C=0.97 KJ/(mg*K);ρ-----混凝土密度(Kg/m3),取ρ=2400 Kg/m3;e------为常数,取e=2.718;t------混凝土龄期(d);m------系数,随混凝土浇筑温度改变;计算求得:Th=350×375×103/(0.97×103×2400×(1- e-0.362×28))=56.38℃2.混凝土中心温度计算T1(t)=T j+Th*ξ(t)式中T1(t)------t龄期混凝土中心温度(℃);T j-----------混凝土浇筑温度(℃)ξ(t)---------------t龄期混凝土降温系数;T1(3)=52.14℃ T1(18)=32.40℃T1(6)=49.32℃ T1(21)=29.87℃T1(9)=46.78℃ T1(24)=27.61℃T1(12)=41.71℃ T1(27)=25.92℃T1(15)=36.63℃ T1(30)=25.36℃3.混凝土表面(表面下50~100mm处)温度(1)保温材料厚度δ=0.5h*λx*(T2- T q)*K b/(λ*(Tmax- T2))式中δ---------保温材料厚度(m);λx--------所选保温材料导热系数(W/(m*K)),草袋取λx=0.14 ;h---------混凝土实际厚度(m),h=2 m;T2--------混凝土表面温度(℃);T q--------施工期大气平均温度(℃);λ-------混凝土导热系数(W/(m*K)),取λ=2.33 W/(m*K); Tmax-----计算得最高温度(℃)计算时可取:T2- T q=18℃,Tmax- T2=20℃;K b--------传热系数修正值,取K b=2.0;计算所得:δ=0.5×2×0.14×18×2/(2.33×20)=0.108m(2)混凝土表面模板及保温的导热系数β=1/(∑δi/λi+1/βq)式中β---------混凝土表面模板及保温材料等穿热系数;δi---------各层保温材料厚度(m);λi---------各层保温导热系数(W/(m*K));βq--------空气层导热系数;经计算得:β=1/(0.108/0.14+1/23)=1.227(3)混凝土厚度h’=K*λ/β式中h’-----混凝土虚厚度(m);K-------折减系数,取2/3;经计算得:h’=2/3×2.33/1.277=1.266 m(4)混凝土计算厚度H=h+2*h’式中H------混凝土计算厚度(m)h------混凝土实际厚度(m)H=2+2×1.266=4.532 m(5)混凝土表面温度T2(t)= T q+4* h’*(H-h’)*(T1(t)- T q)/H2式中T2(t)-------混凝土表面温度(℃);T q-----------施工期大气平均温度(℃),取T q=15℃;h’----------混凝土虚铺厚度(m);H------------混凝土计算厚度(m);T1(t)-------混凝土计算温度(℃);T2(t)=15+4×1.266×(4.532-1.266)×(52.14-15)/4.5322=57.03℃ T2(6)=52.7℃T2(9)=48.8℃ T2(12)=41.01℃T2(15)=33.21 ℃ T2(18)=26.33℃T2(21)=22.83℃ T2(24)=19.36℃T2(27)=16.77 ℃ T2(30)=15.91℃(6)混凝土内平均温度Tm(t)= (T1(t)+ T2(t))/2Tm(3)= 54.95 ℃ Tm(18)=29.37℃Tm(6)=51.01 ℃ Tm(21)=26.35℃Tm(9)=47.79 ℃ Tm(24)=23.49℃Tm(12)=41.36 ℃ Tm(27)=21.35℃Tm(15)=34.92 ℃ Tm(30)=20.64℃二、应力计算(1)地基约束力①大体积混凝土瞬时弹性模量E(t)=E0*(1- e-0.09*t)式中E(t)----------- t龄期混凝土弹性模量(N/mm2);E0--------------取28d混凝土弹性模量(N/mm2);e--------------为常数,取e=2.718;t---------------龄期(d);E(3)=3.0×104×(1-e-0.09×3)=0.71×104 N/mm2E(6)=1.25×104 N/mm2 E(21)=2.55×104 N/mm2E(9)=1.67 ×104 N/mm2 E(24)=2.65×104 N/mm2E(12)= 1.98 ×104 N/mm2 E(27)=2.74×104 N/mm2E(15)= 2.22 ×104 N/mm2 E(30)=3.0×104 N/mm2E(18)=2.41×104 N/mm2②地基约束系数β2(t)=CX1/(h* E(t))式中β(t)---------- t龄期混凝土约束系数(1/㎜);CX1-------------单纯地基阻力系数(N/mm3);h---------------混凝土实际厚度(㎜);E(t)----------- t龄期混凝土弹性模量(N/mm2);β2(3)=0.8/(2×103×0.71×104)β(3)=2.37×10-4 β(18)=1.29×10-4β(6)=1.79×10-4 β(21)=1.25×10-4 β(9)=1.55×10-4 β(24)=1.23×10-4 β(12)=1.42×10-4 β(27)=1.21×10-4β(15)=1.34×10-4 β(30)=2.37×10-4(2)混凝土干缩率和收缩当量温差①混凝土干缩率εy(t)= εy0*(1- e-0.01*t)*M1*M2*M3*M4*M5*M6*M7*M8*M9*M10式中εy(t)------------- t龄期混凝土干缩率;εy0-----------标准状态下混凝土极限收缩值,εy0=3.24×10-4;M1-----------------水泥品种为中热硅酸盐水泥,取1.2;M2-----------------骨料为石灰石,取1.00;M3-----------------水泥细度为4000孔,取1.13;M4-----------------水灰比为0.46,取1.13;M5-----------------水泥浆量为0.2,取1.00;M6-----------------自然养护30天,取0.93;M7-----------------相对湿度为50%,取0.54;M8-----------------水里半径倒数,取1.08;M9-----------------机械振捣,取1.00;M10-----------------含筋率为1%,取0.972;εy(3)= 3.24×10-4×(1- e-0.01×3)×1.2×1×1.13×1.13×1×0.93×0.54×1.08×1×0.97=7.72×10-6εy(6)=1.52×10-6εy(21)=4.95×10-6εy(9)=2.25×10-6εy(24)=5.57×10-6εy(12)=2.95×10-6εy(27)=6.18×10-6εy(15)=3.64 ×10-6εy(30)=6.77×10-6εy(18)=4.30×10-6②收缩温度当量Ty(t)= εy(t)/α式中Ty(t)-------------- t龄期混凝土收缩温度当量(℃);εy(t)------------- t龄期混凝土干缩率;α------------------混凝土线膨胀系数,α=1×10-5;Ty(3)=0.77℃ Ty(18)=4.3℃Ty(6)=1.52℃ Ty(21)=4.95℃Ty(9)=2.25℃ Ty(24)=5.57℃Ty(12)=2.95℃ Ty(27)=6.18℃Ty(15)=3.64℃ Ty(30)=6.77℃(3)结构温差ΔTi= Tm(i)- Tm(i+3)+ Ty(i+3)- Ty(i)式中ΔTi-------------i区段结构计算温差(℃);Tm(i)------------ i区段平均温度起始值(℃);Tm(i+3)---------- i区段平均温度终止值(℃);Ty(i)------------ i区段当量温差起始值(℃);Ty(i+3)---------- i区段当量温差终止值(℃);ΔT3=4.69℃ΔT18=3.67℃ΔT6=3.94℃ΔT21=3.48℃ΔT9=7.13℃ΔT24=2.75℃ΔT12=7.13℃ΔT27=1.3℃ΔT15=6.21℃ΔT30=0℃(4)计算各区段拉应力σi=ˆEi*α*ΔTi*ˆSi*(1-1/ch(ˆβi*L/2))式中σi----------i区段混凝土内拉力(N/mm2);ˆEi----------i区段平均弹性模量(N/mm2);ΔTi-------------i区段结构计算温差(℃);ˆSi-------------i区段平均应力松弛系数ˆβi------------i区段平均地基约束系数L---------------混凝土最大尺寸(㎜)Ch--------------双曲线函数各区段的平均弹性模量(N/mm2)ˆE3=0.98×10-4(N/mm2)ˆE18=2.48×10-4(N/mm2)ˆE6=1.46×10-4(N/mm2)ˆE21=2.60×10-4(N/mm2)ˆE9=1.83×10-4(N/mm2)ˆE24=2.70×10-4(N/mm2)ˆE12=2.1×10-4(N/mm2)ˆE27=2.87×10-4(N/mm2)ˆE15=2.32×10-4(N/mm2)ˆE30=3.0×10-4(N/mm2)各区段的平均应力松弛系数ˆS3=0.55 ˆS3=0.377ˆS6=0.50 ˆS3=0.36ˆS9=0.46 ˆS3=0.346ˆS12=0.43 ˆS3=0.333ˆS15=0.398 ˆS3=0.327各区段的平均地基约束系数ˆβ3=2.08×10-4 ˆβ18=1.27×10-4ˆβ6=1.67×10-4 ˆβ21=1.24×10-4ˆβ9=1.49×10-4 ˆβ24=1.22×10-4ˆβ12=1.38×10-4 ˆβ27=1.18×10-4ˆβ15=1.32×10-4 ˆβ30=1.15×10-4σ3=0.98×104×1×10-5×4.69×0.55×(1-1/(ch(2.08×10-4 ×2.95×103)))= 0.041 N/mm2σ6=0.032 N/mm2σ21= 0.021 N/mm2σ9=0.054 N/mm2 σ24=0.015 N/mm2σ12=0.058 N/mm2 σ27=0.07 N/mm2σ15=0.041 N/mm2 σ30=0 N/mm2σ18=0.023 N/mm2(5)到30d混凝土最大应力σmax=(1/(1-v))*∑σi式中σmax-------------到30d混凝土最大拉应力(N/mm2);v-----------------波桑比,取0.15;σmax=(1/(1-0.15))×(0.041+0.032+0.054+0.058+0.041+0.023+0.021+0.015+0.007)=0.289 N/mm2(6)安全系数K=f t/σmax式中 K-------------安全系数;f t-------------30d混凝土抗拉强度,取f t=1.50 N/mm2;K =1.5/0.289=5.19>1.5,混凝土满足抗拉裂要求。