国家危险废物名录用于废物代码查询
- 格式:doc
- 大小:63.00 KB
- 文档页数:11
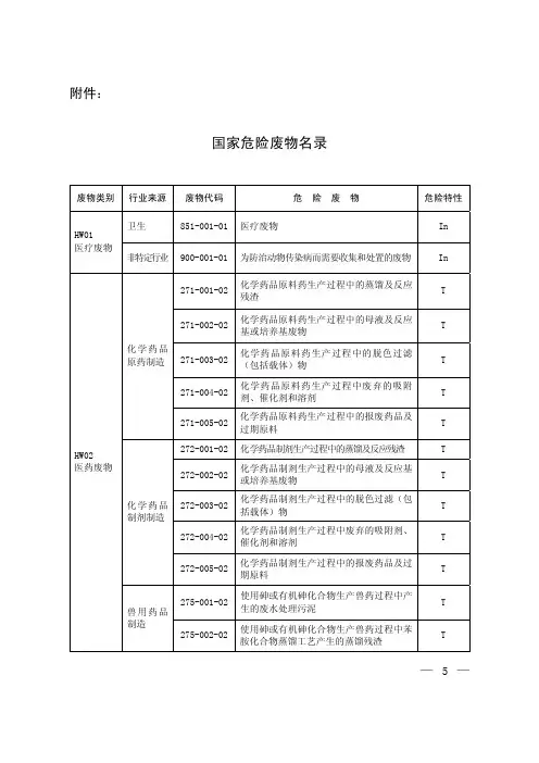
国家危险废物名录废物类别行业来源废物代码危险废物危险特性卫生851-001-01医疗废物InHW01医疗废物非特定行业 900-001-01为防治动物传染病而需要收集和处置的废物In271-001-02化学药品原料药生产过程中的蒸馏及反应残渣T271-002-02化学药品原料药生产过程中的母液及反应基或培养基废物T271-003-02化学药品原料药生产过程中的脱色过滤(包括载体)物T271-004-02化学药品原料药生产过程中废弃的吸附剂、催化剂和溶剂T化学药品原药制造271-005-02化学药品原料药生产过程中的报废药品及过期原料T272-001-02化学药品制剂生产过程中的蒸馏及反应残渣T272-002-02化学药品制剂生产过程中的母液及反应基或培养基废物T272-003-02化学药品制剂生产过程中的脱色过滤(包括载体)物T272-004-02化学药品制剂生产过程中废弃的吸附剂、催化剂和溶剂T化学药品制剂制造272-005-02化学药品制剂生产过程中的报废药品及过期原料T275-001-02使用砷或有机砷化合物生产兽药过程中产生的废水处理污泥THW02医药废物兽用药品制造275-002-02使用砷或有机砷化合物生产兽药过程中苯胺化合物蒸馏工艺产生的蒸馏残渣T废物类别行业来源废物代码危险废物危险特性275-003-02使用砷或有机砷化合物生产兽药过程中使用活性炭脱色产生的残渣T275-004-02其他兽药生产过程中的蒸馏及反应残渣T275-005-02其他兽药生产过程中的脱色过滤(包括载体)物T275-006-02兽药生产过程中的母液、反应基和培养基废物T275-007-02兽药生产过程中废弃的吸附剂、催化剂和溶剂T兽用药品制造275-008-02兽药生产过程中的报废药品及过期原料T276-001-02利用生物技术生产生物化学药品、基因工程药物过程中的蒸馏及反应残渣T276-002-02利用生物技术生产生物化学药品、基因工程药物过程中的母液、反应基和培养基废物T276-003-02利用生物技术生产生物化学药品、基因工程药物过程中的脱色过滤(包括载体)物与滤饼T276-004-02利用生物技术生产生物化学药品、基因工程药物过程中废弃的吸附剂、催化剂和溶剂THW02医药废物生物、生化制品的制造276-005-02利用生物技术生产生物化学药品、基因工程药物过程中的报废药品及过期原料THW03废药物、药品非特定行业 900-002-03生产、销售及使用过程中产生的失效、变质、不合格、淘汰、伪劣的药物和药品(不包括HW01、HW02、900-999-49类)T263-001-04氯丹生产过程中六氯环戊二烯过滤产生的残渣;氯丹氯化反应器的真空汽提器排放的废物T263-002-04乙拌磷生产过程中甲苯回收工艺产生的蒸馏残渣T263-003-04甲拌磷生产过程中二乙基二硫代磷酸过滤产生的滤饼T263-004-042,4,5-三氯苯氧乙酸(2,4,5-T)生产过程中四氯苯蒸馏产生的重馏分及蒸馏残渣THW04农药废物农药制造263-005-042,4-二氯苯氧乙酸(2,4-D)生产过程中产生的含2,6-二氯苯酚残渣T废物类别行业来源废物代码危险废物危险特性263-006-04乙烯基双二硫代氨基甲酸及其盐类生产过程中产生的过滤、蒸发和离心分离残渣及废水处理污泥;产品研磨和包装工序产生的布袋除尘器粉尘和地面清扫废渣 T263-007-04溴甲烷生产过程中反应器产生的废水和酸干燥器产生的废硫酸;生产过程中产生的废吸附剂和废水分离器产生的固体废物T263-008-04其他农药生产过程中产生的蒸馏及反应残渣T263-009-04农药生产过程中产生的母液及(反应罐及容器)清洗液T263-010-04农药生产过程中产生的吸附过滤物(包括载体、吸附剂、催化剂)T263-011-04农药生产过程中的废水处理污泥T农药制造263-012-04农药生产、配制过程中产生的过期原料及报废药品THW04农药废物非特定行业900-003-04销售及使用过程中产生的失效、变质、不合格、淘汰、伪劣的农药产品T201-001-05使用五氯酚进行木材防腐过程中产生的废水处理污泥,以及木材保存过程中产生的沾染防腐剂的废弃木材残片T201-002-05使用杂芬油进行木材防腐过程中产生的废水处理污泥,以及木材保存过程中产生的沾染防腐剂的废弃木材残片T锯材、木片加工201-003-05使用含砷、铬等无机防腐剂进行木材防腐过程中产生的废水处理污泥,以及木材保存过程中产生的沾染防腐剂的废弃木材残片T266-001-05木材防腐化学品生产过程中产生的反应残余物、吸附过滤物及载体T266-002-05*木材防腐化学品生产过程中产生的废水处理污泥T专用化学产品制造266-003-05木材防腐化学品生产、配制过程中产生的报废产品及过期原料THW05木材防腐剂废物非特定行业 900-004-05销售及使用过程中产生的失效、变质、不合格、淘汰、伪劣的木材防腐剂产品THW06有机溶剂废物基础化学原料制造261-001-06硝基苯-苯胺生产过程中产生的废液T废物类别行业来源废物代码危险废物危险特性261-002-06羧酸肼法生产1,1-二甲基肼过程中产品分离和冷凝反应器排气产生的塔顶流出物T261-003-06羧酸肼法生产1,1-二甲基肼过程中产品精制产生的废过滤器滤芯T261-004-06甲苯硝化法生产二硝基甲苯过程中产生的洗涤废液T261-005-06有机溶剂的合成、裂解、分离、脱色、催化、沉淀、精馏等过程中产生的反应残余物、废催化剂、吸附过滤物及载体I,THW06有机溶剂废物基础化学原料制造261-006-06有机溶剂的生产、配制、使用过程中产生的含有有机溶剂的清洗杂物I,T346-001-07使用氰化物进行金属热处理产生的淬火池残渣T346-002-07使用氰化物进行金属热处理产生的淬火废水处理污泥T346-003-07含氰热处理炉维修过程中产生的废内衬T346-004-07热处理渗碳炉产生的热处理渗碳氰渣T346-005-07金属热处理过程中的盐浴槽釜清洗工艺产生的废氰化物残渣R,THW07热处理含氰废物金属表面处理及热处理加工346-049-07其他热处理和退火作业中产生的含氰废物T071-001-08石油开采和炼制产生的油泥和油脚T,I天然原油和天然气开采071-002-08废弃钻井液处理产生的污泥T251-001-08清洗油罐(池)或油件过程中产生的油/水和烃/水混合物T251-002-08石油初炼过程中产生的废水处理污泥,以及储存设施、油-水-固态物质分离器、积水槽、沟渠及其他输送管道、污水池、雨水收集管道产生的污泥T251-003-08石油炼制过程中API分离器产生的污泥,以及汽油提炼工艺废水和冷却废水处理污泥T251-004-08石油炼制过程中溶气浮选法产生的浮渣T,I251-005-08石油炼制过程中的溢出废油或乳剂T,I251-006-08石油炼制过程中的换热器管束清洗污泥THW08废矿物油精炼石油产品制造251-007-08石油炼制过程中隔油设施的污泥T废物类别行业来源废物代码危险废物危险特性251-008-08石油炼制过程中储存设施底部的沉渣T,I251-009-08石油炼制过程中原油储存设施的沉积物T,I251-010-08石油炼制过程中澄清油浆槽底的沉积物T,I251-011-08石油炼制过程中进油管路过滤或分离装置产生的残渣T,I精炼石油产品制造251-012-08石油炼制过程中产生的废弃过滤粘土T涂料、油墨、颜料及相关产品制造264-001-08油墨的生产、配制产生的废分散油T专用化学产品制造266-004-08粘合剂和密封剂生产、配置过程产生的废弃松香油T 船舶及浮动装置制造375-001-08拆船过程中产生的废油和油泥T,I900-200-08珩磨、研磨、打磨过程产生的废矿物油及其含油污泥T900-201-08使用煤油、柴油清洗金属零件或引擎产生的废矿物油T,I900-202-08使用切削油和切削液进行机械加工过程中产生的废矿物油T900-203-08使用淬火油进行表面硬化产生的废矿物油T900-204-08使用轧制油、冷却剂及酸进行金属轧制产生的废矿物油T900-205-08使用镀锡油进行焊锡产生的废矿物油T900-206-08锡及焊锡回收过程中产生的废矿物油T900-207-08使用镀锡油进行蒸汽除油产生的废矿物油T900-208-08使用镀锡油(防氧化)进行热风整平(喷锡)产生的废矿物油T900-209-08废弃的石蜡和油脂T,I900-210-08油/水分离设施产生的废油、污泥T,IHW08废矿物油非特定行业900-249-08其他生产、销售、使用过程中产生的废矿物油T,I废物类别行业来源废物代码危险废物危险特性900-005-09来自于水压机定期更换的油/水、烃/水混合物或乳化液T900-006-09使用切削油和切削液进行机械加工过程中产生的油/水、烃/水混合物或乳化液THW09油/水、烃/水混合物或乳化液非特定行业900-007-09其他工艺过程中产生的废弃的油/水、烃/水混合物或乳化液T900-008-10含多氯联苯(PCBs)、多氯三联苯(PCTs)、多溴联苯(PBBs)的废线路板、电容、变压器T900-009-10含有PCBs、PCTs和PBBs的电力设备的清洗液T900-010-10含有PCBs、PCTs和PBBs的电力设备中倾倒出的介质油、绝缘油、冷却油及传热油T900-011-10含有或直接沾染PCBs、PCTs和PBBs的废弃包装物及容器THW10多氯(溴)联苯类废物非特定行业900-012-10含有或沾染PCBs、PCTS、PBBS和多氯(溴)萘,且含量≥50mg/kg的废物、物质和物品T精炼石油产品的制造251-013-11石油精炼过程中产生的酸焦油和其他焦油T252-001-11炼焦过程中蒸氨塔产生的压滤污泥T252-002-11炼焦过程中澄清设施底部的焦油状污泥T252-003-11炼焦副产品回收过程中萘回收及再生产生的残渣T252-004-11炼焦和炼焦副产品回收过程中焦油储存设施中的残渣T252-005-11煤焦油精炼过程中焦油储存设施中的残渣T252-006-11煤焦油蒸馏残渣,包括蒸馏釜底物T252-007-11煤焦油回收过程中产生的残渣,包括炼焦副产品回收过程中的污水池残渣T252-008-11轻油回收过程中产生的残渣,包括炼焦副产品回收过程中的蒸馏器、澄清设施、洗涤油回收单元产生的残渣T252-009-11轻油精炼过程中的污水池残渣T252-010-11煤气及煤化工生产行业分离煤油过程中产生的煤焦油渣THW11精(蒸)馏残渣炼焦制造252-011-11焦炭生产过程中产生的其他酸焦油和焦油T废物类别行业来源废物代码危险废物危险特性261-007-11乙烯法制乙醛生产过程中产生的蒸馏底渣T261-008-11乙烯法制乙醛生产过程中产生的蒸馏次要馏分T261-009-11苄基氯生产过程中苄基氯蒸馏产生的蒸馏釜底物T261-010-11四氯化碳生产过程中产生的蒸馏残渣T261-011-11表氯醇生产过程中精制塔产生的蒸馏釜底物T261-012-11异丙苯法生产苯酚和丙酮过程中蒸馏塔底焦油T261-013-11萘法生产邻苯二甲酸酐过程中蒸馏塔底残渣和轻馏分T261-014-11邻二甲苯法生产邻苯二甲酸酐过程中蒸馏塔底残渣和轻馏分T261-015-11苯硝化法生产硝基苯过程中产生的蒸馏釜底物T261-016-11甲苯二异氰酸酯生产过程中产生的蒸馏残渣和离心分离残渣T261-017-111,1,1-三氯乙烷生产过程中产生的蒸馏底渣T261-018-11三氯乙烯和全氯乙烯联合生产过程中产生的蒸馏塔底渣T261-019-11苯胺生产过程中产生的蒸馏底渣T261-020-11苯胺生产过程中苯胺萃取工序产生的工艺残渣T261-021-11二硝基甲苯加氢法生产甲苯二胺过程中干燥塔产生的反应废液T261-022-11二硝基甲苯加氢法生产甲苯二胺过程中产品精制产生的冷凝液体轻馏分T261-023-11二硝基甲苯加氢法生产甲苯二胺过程中产品精制产生的废液T261-024-11二硝基甲苯加氢法生产甲苯二胺过程中产品精制产生的重馏分T261-025-11甲苯二胺光气化法生产甲苯二异氰酸酯过程中溶剂回收塔产生的有机冷凝物THW11精(蒸)馏残渣基础化学原料制造261-026-11氯苯生产过程中的蒸馏及分馏塔底物T废物类别行业来源废物代码危险废物危险特性261-027-11使用羧酸肼生产1,1-二甲基肼过程中产品分离产生的塔底渣T261-028-11乙烯溴化法生产二溴化乙烯过程中产品精制产生的蒸馏釜底物T261-029-11α-氯甲苯、苯甲酰氯和含此类官能团的化学品生产过程中产生的蒸馏底渣T261-030-11四氯化碳生产过程中的重馏分T261-031-11二氯化乙烯生产过程中二氯化乙烯蒸馏产生的重馏分T261-032-11氯乙烯单体生产过程中氯乙烯蒸馏产生的重馏分T261-033-111,1,1-三氯乙烷生产过程中产品蒸汽汽提塔产生的废物T261-034-111,1,1-三氯乙烷生产过程中重馏分塔产生的重馏分T基础化学原料制造261-035-11三氯乙烯和全氯乙烯联合生产过程中产生的重馏分T常用有色金属冶炼331-001-11有色金属火法冶炼产生的焦油状废物T环境管理业 802-001-11废油再生过程中产生的酸焦油THW11精(蒸)馏残渣非特定行业900-013-11其他精炼、蒸馏和任何热解处理中产生的废焦油状残留物T264-002-12铬黄和铬橙颜料生产过程中产生的废水处理污泥T264-003-12钼酸橙颜料生产过程中产生的废水处理污泥T264-004-12锌黄颜料生产过程中产生的废水处理污泥T264-005-12铬绿颜料生产过程中产生的废水处理污泥T264-006-12氧化铬绿颜料生产过程中产生的废水处理污泥T264-007-12氧化铬绿颜料生产过程中产生的烘干炉残渣T264-008-12铁蓝颜料生产过程中产生的废水处理污泥THW12染料、涂料废物涂料、油墨、颜料及相关产品制造264-009-12使用色素、干燥剂、肥皂以及含铬和铅的稳定剂配制油墨过程中,清洗池槽和设备产生的洗涤废液和污泥T废物类别行业来源废物代码危险废物危险特性264-010-12油墨的生产、配制过程中产生的废蚀刻液T264-011-12其他油墨、染料、颜料、油漆、真漆、罩光漆生产过程中产生的废母液、残渣、中间体废物T264-012-12其他油墨、染料、颜料、油漆、真漆、罩光漆生产过程中产生的废水处理污泥,废吸附剂T涂料、油墨、颜料及相关产品制造264-013-12油漆、油墨生产、配制和使用过程中产生的含颜料、油墨的有机溶剂废物T纸浆制造221-001-12废纸回收利用处理过程中产生的脱墨渣T900-250-12使用溶剂、光漆进行光漆涂布、喷漆工艺过程中产生的染料和涂料废物T,I900-251-12使用油漆、有机溶剂进行阻挡层涂敷过程中产生的染料和涂料废物T,I900-252-12使用油漆、有机溶剂进行喷漆、上漆过程中产生的染料和涂料废物T,I900-253-12使用油墨和有机溶剂进行丝网印刷过程中产生的染料和涂料废物T,I900-254-12使用遮盖油、有机溶剂进行遮盖油的涂敷过程中产生的染料和涂料废物T,I900-255-12使用各种颜料进行着色过程中产生的染料和涂料废物T900-256-12使用酸、碱或有机溶剂清洗容器设备的油漆、染料、涂料等过程中产生的剥离物THW12染料、涂料废物非特定行业900-299-12生产、销售及使用过程中产生的失效、变质、不合格、淘汰、伪劣的油墨、染料、颜料、油漆、真漆、罩光漆产品T,I261-036-13树脂、乳胶、增塑剂、胶水/胶合剂生产过程中产生的不合格产品、废副产物T261-037-13树脂、乳胶、增塑剂、胶水/胶合剂生产过程中合成、酯化、缩合等工序产生的废催化剂、母液T261-038-13树脂、乳胶、增塑剂、胶水/胶合剂生产过程中精馏、分离、精制等工序产生的釜残液、过滤介质和残渣THW13有机树脂类废物基础化学原料制造261-039-13树脂、乳胶、增塑剂、胶水/胶合剂生产过程中产生的废水处理污泥T废物类别行业来源废物代码危险废物危险特性900-014-13废弃粘合剂和密封剂T900-015-13饱和或者废弃的离子交换树脂THW13有机树脂类废物非特定行业900-016-13使用酸、碱或溶剂清洗容器设备剥离下的树脂状、粘稠杂物THW14新化学药品废物非特定行业900-017-14研究、开发和教学活动中产生的对人类或环境影响不明的化学废物T/C/In/I/R266-005-15炸药生产和加工过程中产生的废水处理污泥R266-006-15含爆炸品废水处理过程中产生的废炭R266-007-15生产、配制和装填铅基起爆药剂过程中产生的废水处理污泥T,R炸药及火工产品制造266-008-15三硝基甲苯(TNT)生产过程中产生的粉红水、红水,以及废水处理污泥RHW15爆炸性废物非特定行业900-018-15拆解后收集的尚未引爆的安全气囊R266-009-16显、定影液、正负胶片、像纸、感光原料及药品生产过程中产生的不合格产品和过期产品T专用化学产品制造266-010-16显、定影液、正负胶片、像纸、感光原料及药品生产过程中产生的残渣及废水处理污泥T231-001-16使用显影剂进行胶卷显影,定影剂进行胶卷定影,以及使用铁氰化钾、硫代硫酸盐进行影像减薄(漂白)产生的废显(定)影液、胶片及废像纸T印刷231-002-16使用显影剂进行印刷显影、抗蚀图形显影,以及凸版印刷产生的废显(定)影液、胶片及废像纸T电子元件制造406-001-16使用显影剂、氢氧化物、偏亚硫酸氢盐、醋酸进行胶卷显影产生的废显(定)影液、胶片及废像纸T电影893-001-16电影厂在使用和经营活动中产生的废显(定)影液、胶片及废像纸T摄影扩印服务828-001-16摄影扩印服务行业在使用和经营活动中产生的废显(定)影液、胶片及废像纸THW16感光材料废物非特定行业900-019-16其他行业在使用和经营活动中产生的废显(定)影液、胶片及废像纸等感光材料废物T废物类别行业来源废物代码危险废物危险特性346-050-17使用氯化亚锡进行敏化产生的废渣和废水处理污泥T346-051-17使用氯化锌、氯化铵进行敏化产生的废渣和废水处理污泥T346-052-17*使用锌和电镀化学品进行镀锌产生的槽液、槽渣和废水处理污泥T346-053-17使用镉和电镀化学品进行镀镉产生的槽液、槽渣和废水处理污泥T346-054-17*使用镍和电镀化学品进行镀镍产生的槽液、槽渣和废水处理污泥T346-055-17*使用镀镍液进行镀镍产生的槽液、槽渣和废水处理污泥T346-056-17硝酸银、碱、甲醛进行敷金属法镀银产生的槽液、槽渣和废水处理污泥T346-057-17使用金和电镀化学品进行镀金产生的槽液、槽渣和废水处理污泥T346-058-17*使用镀铜液进行化学镀铜产生的槽液、槽渣和废水处理污泥T346-059-17使用钯和锡盐进行活化处理产生的废渣和废水处理污泥T346-060-17使用铬和电镀化学品进行镀黑铬产生的槽液、槽渣和废水处理污泥T346-061-17使用高锰酸钾进行钻孔除胶处理产生的废渣和废水处理污泥T346-062-17*使用铜和电镀化学品进行镀铜产生的槽液、槽渣和废水处理污泥T346-063-17*其他电镀工艺产生的槽液、槽渣和废水处理污泥T346-064-17金属和塑料表面酸(碱)洗、除油、除锈、洗涤工艺产生的废腐蚀液、洗涤液和污泥T346-065-17金属和塑料表面磷化、出光、化抛过程中产生的残渣(液)及污泥THW17表面处理废物金属表面处理及热处理加工346-066-17镀层剥除过程中产生的废液及残渣T废物类别行业来源废物代码危险废物危险特性HW17表面处理废物金属表面处理及热处理加工346-099-17其他工艺过程中产生的表面处理废物T802-002-18生活垃圾焚烧飞灰T802-003-18危险废物焚烧、热解等处置过程产生的底渣和飞灰(医疗废物焚烧处置产生的底渣除外)T802-004-18危险废物等离子体、高温熔融等处置后产生的非玻璃态物质及飞灰THW18焚烧处置残渣环境治理802-005-18固体废物及液态废物焚烧过程中废气处理产生的废活性炭、滤饼THW19含金属羰基化合物废物非特定行业 900-020-19在金属羰基化合物生产以及使用过程中产生的含有羰基化合物成分的废物THW20含铍废物基础化学原料制造261-040-20铍及其化合物生产过程中产生的熔渣、集(除)尘装置收集的粉尘和废水处理污泥T193-001-21*使用铬鞣剂进行铬鞣、再鞣工艺产生的废水处理污泥T毛皮鞣制及制品加工193-002-21*皮革切削工艺产生的含铬皮革碎料T231-003-21*使用含重铬酸盐的胶体有机溶剂、黏合剂进行漩流式抗蚀涂布(抗蚀及光敏抗蚀层等)产生的废渣及废水处理污泥T231-004-21*使用铬化合物进行抗蚀层化学硬化产生的废渣及废水处理污泥T印刷231-005-21*使用铬酸镀铬产生的槽渣、槽液和废水处理污泥T261-041-21有钙焙烧法生产铬盐产生的铬浸出渣(铬渣)T261-042-21有钙焙烧法生产铬盐过程中,中和去铝工艺产生的含铬氢氧化铝湿渣(铝泥)T261-043-21有钙焙烧法生产铬盐过程中,铬酐生产中产生的副产废渣(含铬硫酸氢钠)THW21含铬废物基础化学原料制造261-044-21*有钙焙烧法生产铬盐过程中产生的废水处理污泥T废物类别行业来源废物代码危险废物危险特性324-001-21铬铁硅合金生产过程中尾气控制设施产生的飞灰与污泥T324-002-21铁铬合金生产过程中尾气控制设施产生的飞灰与污泥T铁合金冶炼324-003-21铁铬合金生产过程中金属铬冶炼产生的铬浸出渣T346-100-21*使用铬酸进行阳极氧化产生的槽渣、槽液及废水处理污泥T金属表面处理及热处理加工346-101-21使用铬酸进行塑料表面粗化产生的废物THW21含铬废物电子元件制造406-002-21使用铬酸进行钻孔除胶处理产生的废物T常用有色金属矿采选091-001-22硫化铜矿、氧化铜矿等铜矿物采选过程中集(除)尘装置收集的粉尘T印刷231-006-22*使用酸或三氯化铁进行铜板蚀刻产生的废蚀刻液及废水处理污泥T玻璃及玻璃制品制造314-001-22*使用硫酸铜还原剂进行敷金属法镀铜产生的槽渣、槽液及废水处理污泥T406-003-22使用蚀铜剂进行蚀铜产生的废蚀铜液THW22含铜废物电子元件制造406-004-22*使用酸进行铜氧化处理产生的废液及废水处理污泥T346-102-23热镀锌工艺尾气处理产生的固体废物T金属表面处理及热处理加工346-103-23热镀锌工艺过程产生的废弃熔剂、助熔剂、焊剂T电池制造394-001-23碱性锌锰电池生产过程中产生的废锌浆THW23含锌废物非特定行业900-021-23*使用氢氧化钠、锌粉进行贵金属沉淀过程中产生的废液及废水处理污泥THW24含砷废物常用有色金属矿采选091-002-24硫砷化合物(雌黄、雄黄及砷硫铁矿)或其他含砷化合物的金属矿石采选过程中集(除)尘装置收集的粉尘THW25含硒废物基础化学原料制造261-045-25硒化合物生产过程中产生的熔渣、集(除)尘装置收集的粉尘和废水处理污泥THW26含镉废物电池制造394-002-26镍镉电池生产过程中产生的废渣和废水处理污泥T废物类别行业来源废物代码危险废物危险特性261-046-27氧化锑生产过程中除尘器收集的灰尘T261-047-27锑金属及粗氧化锑生产过程中除尘器收集的灰尘T261-048-27氧化锑生产过程中产生的熔渣THW27含锑废物基础化学原料制造261-049-27锑金属及粗氧化锑生产过程中产生的熔渣THW28含碲废物基础化学原料制造261-050-28碲化合物生产过程中产生的熔渣、集(除)尘装置收集的粉尘和废水处理污泥T天然原油和天然气开采071-003-29天然气净化过程中产生的含汞废物T092-001-29“全泥氰化-炭浆提金“黄金选矿生产工艺产生的含汞粉尘、残渣T贵金属矿采选092-002-29汞矿采选过程中产生的废渣和集(除)尘装置收集的粉尘T印刷231-007-29使用显影剂、汞化合物进行影像加厚(物理沉淀)以及使用显影剂、氨氯化汞进行影像加厚(氧化)产生的废液及残渣T261-051-29水银电解槽法生产氯气过程中盐水精制产生的盐水提纯污泥T261-052-29水银电解槽法生产氯气过程中产生的废水处理污泥T基础化学原料制造261-053-29氯气生产过程中产生的废活性炭T265-001-29氯乙烯精制过程中使用活性炭吸附法处理含汞废水过程中产生的废活性炭T,C合成材料制造265-002-29氯乙烯精制过程中产生的吸附微量氯化汞的废活性炭 T,C电池制造394-003-29含汞电池生产过程中产生的废渣和废水处理污泥T照明器具制造397-001-29含汞光源生产过程中产生的荧光粉、废活性炭吸收剂T通用仪器仪表制造411-001-29含汞温度计生产过程中产生的废渣T。
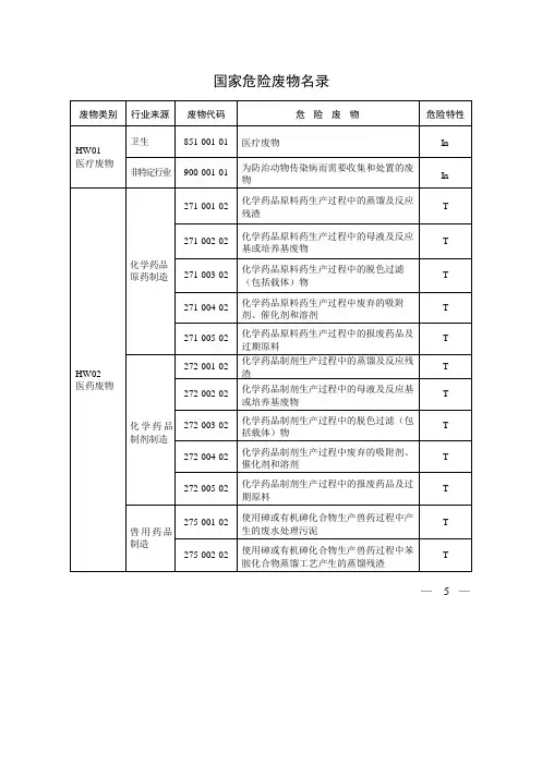
附件:国家危险废物名录废物类别 行业来源废物代码 危 险 废 物 危险特性卫生 851-001-01医疗废物 In HW01医疗废物非特定行业900-001-01为防治动物传染病而需要收集和处置的废物 In271-001-02化学药品原料药生产过程中的蒸馏及反应残渣T271-002-02化学药品原料药生产过程中的母液及反应基或培养基废物T271-003-02化学药品原料药生产过程中的脱色过滤(包括载体)物T271-004-02化学药品原料药生产过程中废弃的吸附剂、催化剂和溶剂T化学药品原药制造271-005-02化学药品原料药生产过程中的报废药品及过期原料T272-001-02化学药品制剂生产过程中的蒸馏及反应残渣 T272-002-02化学药品制剂生产过程中的母液及反应基或培养基废物T272-003-02化学药品制剂生产过程中的脱色过滤(包括载体)物T272-004-02化学药品制剂生产过程中废弃的吸附剂、催化剂和溶剂T化学药品制剂制造272-005-02化学药品制剂生产过程中的报废药品及过期原料T275-001-02使用砷或有机砷化合物生产兽药过程中产生的废水处理污泥THW02医药废物兽用药品制造275-002-02使用砷或有机砷化合物生产兽药过程中苯胺化合物蒸馏工艺产生的蒸馏残渣T—5—废物类别 行业来源废物代码 危 险 废 物 危险特性275-003-02使用砷或有机砷化合物生产兽药过程中使用活性炭脱色产生的残渣T275-004-02其他兽药生产过程中的蒸馏及反应残渣 T275-005-02其他兽药生产过程中的脱色过滤(包括载体)物T275-006-02兽药生产过程中的母液、反应基和培养基废物T275-007-02兽药生产过程中废弃的吸附剂、催化剂和溶剂T兽用药品制造275-008-02兽药生产过程中的报废药品及过期原料 T276-001-02利用生物技术生产生物化学药品、基因工程药物过程中的蒸馏及反应残渣T276-002-02利用生物技术生产生物化学药品、基因工程药物过程中的母液、反应基和培养基废物T276-003-02利用生物技术生产生物化学药品、基因工程药物过程中的脱色过滤(包括载体)物与滤饼T276-004-02利用生物技术生产生物化学药品、基因工程药物过程中废弃的吸附剂、催化剂和溶剂THW02医药废物生物、生化制品的制造276-005-02利用生物技术生产生物化学药品、基因工程药物过程中的报废药品及过期原料THW03废药物、药品非特定行业900-002-03生产、销售及使用过程中产生的失效、变质、不合格、淘汰、伪劣的药物和药品(不包括HW01、HW02、900-999-49类)T 263-001-04氯丹生产过程中六氯环戊二烯过滤产生的残渣;氯丹氯化反应器的真空汽提器排放的废物T 263-002-04乙拌磷生产过程中甲苯回收工艺产生的蒸馏残渣T 263-003-04甲拌磷生产过程中二乙基二硫代磷酸过滤产生的滤饼T 263-004-042,4,5-三氯苯氧乙酸(2,4,5-T)生产过程中四氯苯蒸馏产生的重馏分及蒸馏残渣THW04农药废物农药制造263-005-042,4-二氯苯氧乙酸(2,4-D)生产过程中产生的含2,6-二氯苯酚残渣T—6—。
附表7 国家危险废物名录编号废物类别废物来源常见国际危害组分或废物名称HW01医院临床废物从医院、医疗中心和诊所的医疗服务中产生的临床废物——手术、包扎残余物——生物培养、动物试验残余物——化验检查残余物——传染性废物——废水处理污泥手术残物,敷料、化验废物,传染性废物,动物试验废物HW02医药废物从医用药品的生产制作过程中产生的废物,包括兽药产品(不含中药类废物)——蒸馏及反应残余物——高浓度母液及反应基或培养基废物——脱色过滤(包括载体)物——用过废弃的吸附剂、催化剂、溶剂——生产中产生的报废药品及过期原料废抗菌药、甾类药、抗组织胺类药、镇痛药、心血管药、神经系统药、杂药,基因类废物HW03废药物、药品过期、报废的无标签的及多种混杂的药物、药品(不包括HW01,HW02类中的废药品)——生产中产生的报废药品(包括药品废原料和中间体反应物)——使用单位(科研、监测、学校、医疗单位、化验室等)积压或报废的药品(物)——经营部门过期的报废药品(物)废化学试剂,废药品,废药物HW04农药废物来自杀虫、杀菌、除草、灭鼠和植物生长调节剂的生产、经销、配制和使用过程中产生的废物——蒸馏及反应残余物——生产过程母液及(反应罐及容器)清洗液——吸附过滤物(包括载体,吸附剂,催化剂)——废水处理污泥——生产、配制过程中的过期原料——生产、销售、使用过程中的过期和淘汰产品——沾有农药及除草剂的包装物及容器废有机磷杀虫剂、有机氯杀虫剂、有机氮杀虫剂、氨基甲酸酯类杀虫剂、拟除虫菊酯类杀虫剂、杀螨剂、有机磷杀菌剂、有机氯杀菌剂、有机硫杀菌剂、有机锡杀菌剂、有机氮杀菌剂、醌类杀菌剂、无机杀菌剂、有机胂杀菌剂、氨基甲酸酯类除草剂、醚类除草剂、酚类除草剂、酰胺类除草剂、取代脲类除草剂、苯氧羧酸类除草剂、均三氮苯类除草剂、无机除草剂HW05木材防腐剂废物从木材防腐化学品的生产、配制和使用中产生的废物(不包括与HW04类重复的废物)——生产单位生产中产生的废水处理污泥、工艺反应残余物、吸附过滤物及载体——使用单位积压、报废或配制过剩的木材防腐化学品——销售经营部门报废的木材防腐化学品含五氯酚,苯酚,2-氯酚, 甲酚,对氯间甲酚,三氯酚,屈萘, 四氯酚,杂酚油,萤蒽,苯并a芘,2,4-二甲酚,2,4-二硝基酚苯并(b)萤蒽,苯并(a)蒽,二苯并(a)蒽的废物HW06有机溶剂废物从有机溶剂生产、配制和使用过程中产生的废物(不包括HW42类的废有机溶剂)——有机溶剂的合成、裂解、分离、脱色、催化、沉淀、精馏等过程中产生的反应残余物,吸附过滤物及载体——配制和使用过程中产生的含有机溶剂的清洗杂物废催化剂,清洗剥离物,反应残渣及滤渣,吸附物与载体废物HW07热处理含氰废物从含有氰化物热处理和退火作业中产生的废物——金属含氰热处理——含氰热处理回火池冷却——含氰热处理炉维修——热处理渗碳炉含氰热处理钡渣,含氰污泥及冷却液,含氰热处理炉内衬,热处理渗碳氰渣HW08废矿物油不适合原来用途的废矿物油——来自于石油开采和炼制产生的油泥和油脚——矿物油类仓储过程中产生的沉积物——机械、动力、运输等设备的更换油及清洗油(泥)——金属轧制、机械加工过程中产生的废油(渣)——含油废水处理过程中产生的废油及油泥——油加工和油再生过程中产生的油渣及过滤介质废机油、原油、液压油、真空泵油、柴油、汽油、重油、煤油、热处理油、樟脑油、润滑油(脂)、冷却油HW09废乳化液 从机械加工、设备清洗等过程中产生的废乳化液、废油水混合物——生产、配制、使用过程中产生的过剩乳化液(膏)——机械加工、金属切削和冷拔过程产生的废乳化剂——清洗油罐、油件过程中产生的油水、烃水混合物——来自于(乳化液)水压机定期更换的乳化废液废皂液、乳化油/水、烃/水混合物、乳化液(膏)、切削剂、冷却剂、润滑剂、拔丝剂HW10含多氯联苯废物 含有或沾染多氯联苯(PCBs)、多氯三联苯(PCTs)、多溴联苯(PBBs)的废物质和废物品——过剩的、废弃的、封存的、待替换的含有PCBs、PBBs和PCTs的电力设备(电容器、变压器)——从含有PCBs,PBBs或PCTs的电力设备中倾倒出的介质油、绝缘油、冷却油及传热油——来自含有PCBs,PBBs和PCTs或被这些物质污染的电力设备的拆装过程中的清洗液——被PCBs,PBBs和PCTs污染的土壤及包装物含多氯联苯(PCBs),多溴联苯(PBBs)、多氯三联苯(PCTs)废物HW11精(蒸)馏残渣从精炼、蒸馏和任何热解处理中产生的废焦油状残留物——煤气生产过程中产生的焦油渣——原油蒸馏过程中产生的焦油残余物——原油精制过程中产生的沥青状焦油及酸焦油——化学品生产过程中产生的蒸馏残渣和蒸馏釜底物——化学品原料生产的热解过程中产生生的焦油状残余物——被工业生产过程中产生的焦油或蒸馏残余物所污染的土壤——盛装过焦油状残余物的包装和容器沥青渣,焦油渣,废酸焦油,酚渣,蒸馏釜残物,精馏釜残物,甲苯渣,液化石油气残渣(含苯并(a)芘、屈萘、萤蒽、多环芳烃类废物)HW12染料、涂料废物从油墨、染料、颜料、油漆、真漆、罩光漆的生产配制和使用过程中产生的废物——生产过程中产生的废弃的颜料、染料、涂料和不合格产品——染料、颜料生产硝化、氧化、还原、磺化、重氮化、卤化等化学反应中产生的废母液、残渣、中间体废物——油漆、油墨生产、配制和使用过程中产生的含颜料、油墨的有机溶剂废物——使用酸、碱或有机溶剂清洗容器设备产生的污泥状剥离物——含有染料、颜料、油墨、油漆残余物的废弃包装物——废水处理污泥废酸性染料、碱性染料、媒染染料偶氮染料、直接染料、冰染染料、还原染料、硫化染料、活性染料、醇酸树脂涂料、丙烯酸树脂涂料、聚氨酯树脂涂料、聚乙烯树脂涂料、环氧树脂涂料、双组份涂料、油墨、重金属颜料HW13有机树酯类废物从树酯、胶乳、增塑剂、胶水/胶合剂的生产、配制和使用过程中产生的废物——生产、配制、使用过程中产生的不合格产品、废副产物——在合成、酯化、缩合等反应中产生的废催化剂、高浓度废液——精馏、分离、精制过程中产生的釜残液、过滤介质和残渣——使用溶剂或酸、碱清洗容器设备剥离下的树脂状、黏稠杂物——废水处理污泥含邻苯二甲酸酯类,脂肪酸二元酸酯类,磷酸酯类,环氧化合物类,偏苯三甲酸酯类,聚酯类、氯化石蜡,二元醇和多元醇酯类,磺酸衍生物的废物HW14新化学品废物从研究和开发或教学活动中产生的尚未鉴定的和(或)新的并对人类和(或)环境的影响未明的化学废物新化学品研制中产生的废物HW15爆炸性废物在生产、销售、使用爆炸物品过程中产生的次品、废品及具有爆炸性质的废物——不稳定,在无爆震时容易发生剧烈变化的废物——能和水形成爆炸性混合物——经过发热、吸湿、自发的化学变化具有着火倾向的废物——在有引发源或加热时能爆震或爆炸的废物含叠氮乙酰,硝酸乙酰酯,叠氮胺,氯酸铵,六硝基高钴酸铵,硝酸铵,氮化铵,过碘酸铵,高锰酸铵,苦味酸铵,四过氧铬酸铵,叠氮羰基胍,叠氮钡,氯化重氮苯,苯并三唑,亚硝基胍,硝化甘油,四硝基戊四醇,三硝基氯苯,聚乙烯硝酸酯,硝酸钾,叠氮化银,氮化银,三硝基苯间二酚银,四氮烯银,无烟火药,叠氮化钠,苦味酸钠,四硝基甲烷,四氮化四硒,四氮化四硫,四氮烯,氮化铊,二氮化三铅,二氮化三汞,三硝基苯,氯酸钾,雷汞,雷银,三硝基甲苯,三硝基间苯二酚的废物HW16感光材料废物从摄影化学品、感光材料的生产、配制、使用中产生的废物——生产过程中产生的不合格产品和过期产品——生产过程中产生的残渣及废水污泥——出版社、报社、印刷厂、电影厂在使用和经营活动中产生的废显(定)影液、胶片及废像纸——社会照像部、冲洗部在使用和经营活动中产生的废显(定)影液、胶片及废像纸——医疗院所的X光和CT检查中产生的废显(定)液及胶片废显影液、定影液、正负胶片、像纸、感光原料及药品HW17表面处理废物从金属和塑料表面处理过程中产生的废物——电镀行业的电镀槽渣、槽液及水处理污泥——金属和塑料表面酸(碱)洗、除油、除锈、洗涤工艺产生的腐蚀液、洗涤液和污泥——金属和塑料表面磷化、出光、化抛过程中产生的残渣(液)及污泥——镀层剥除过程中产生的废液及残渣废电镀溶液,镀槽淤渣,电镀水处理污泥,表面处理酸碱渣,氧化槽渣,磷化渣,亚硝酸盐废渣HW18焚烧处置残渣从工业废物处置作业中产生的残余物焚烧处置残渣及灰尘HW19含金属羰基化合物废物在金属羰基化合物制造以及使用过程中产生的含有羰基化合物成份的废物——精细化工产品生产——金属有机化合物的合成金属羰基化合物(五羰基铁,八羰基二钴,羰基镍,三羰基钴,氢氧化四羰基钴)废物HW20含铍废物含铍及其化合物的废物——稀有金属冶炼——铍化合物生产含铍,硼氢化铍,溴化铍,氢氧化铍,碘化铍,碳酸铍,硝酸铍,氧化铍,硫酸铍,氟化铍,氯化铍,硫化铍的废物HW21含铬废物含有六价铬化合物的废物——化工(铬化合物)生产——皮革加工(鞣革)业——金属、塑料电镀——酸性媒介染料染色——颜料生产与使用——金属铬冶炼(铁合金)含铬酸酐,(重)铬酸钾,(重)铬酸钠,铬酸,重铬酸,三氧化铬,铬酸锌,铬酸钾,铬酸钙,铬酸银,铬酸铅,铬酸钡的废物HW22含铜废物含有铜化物的废物——有色金属采选和冶炼——金属、塑料电镀——铜化合物生产含溴化(亚)铜,氢氧化铜,硫酸(亚)铜,碘化(亚)铜,碳酸铜,硝酸铜,硫化铜,氟化铜,硫化(亚)铜,氯化(亚)铜,醋酸铜,氧化铜钾,磷酸铜,二水合氯化铜铵的废物HW23含锌废物含有锌化合物的废物——有色金属采选及冶炼——金属、塑料电镀——颜料、油漆、橡胶加工——锌化合物生产——含锌电池制造业含溴化锌,碘化锌,硝酸锌,硫酸锌,氟化锌,硫化锌,过氧化锌,高锰酸锌,醋酸锌,草酸锌铬酸锌,溴酸锌,磷酸锌,焦磷酸锌,磷化锌的废物HW24含砷废物含砷及砷化合物的废物——有色金属采选及冶炼——砷及其化合物的生产——石油化工——农药生产——染料和制革业含砷,三氧化二砷,亚砷酐,五氧化二砷,五硫化二砷,硫化亚砷,砷化锌,乙酰基砷铜,砷化钙,砷化铁,砷化铜,砷化铅,砷化银,乙基二氯化砷,(亚)砷酸,三氟化砷,砷酸锌,砷酸铵,砷酸钙,砷酸铁,砷酸钠,砷酸汞,砷酸铅,砷酸镁,三氯化砷,二硫化砷,砷酸钾,砷化(三)氢的废物HW25含硒废物含硒及硒化合物废物——有色金属冶炼及电解——硒化合物生产——颜料、橡胶、玻璃生产含硒,二氧化硒,三氧化硒,四氟化硒,六氟化硒,二氯化二硒,四氯化硒,亚硒酸,硒化氢,硒化钠.(亚)硒酸钠,二硫化硒,硒化亚铁,亚硒酸钡,硒酸,二甲基硒的废物HW26含镉废物含镉及其化合物废物——有色金属采选及冶炼——镉化合物生产——电池制造业——电镀行业含镉,溴化镉,碘化镉,氢氧化镉,碳酸镉,硝酸镉,硫酸镉,硫化镉,氯化镉,氟化镉,醋酸镉,氧化镉,二甲基镉的废物HW27含锑废物含锑及其化合物废物——有色金属冶炼——锑化合物生产和使用含锑,二氧化二锑,亚锑酐,五氧化二锑,硫化亚锑,硫化锑,氟化亚锑,氟化锑,氯化(亚)锑,三氢化锑,锑酸钠,锑酸铅,乳酸锑,亚锑酸钠的废物HW28含碲废物含碲及其化合物废物——有色金属冶炼及电解——碲化合物生产和使用含碲,四溴化碲,四碘化碲,三氧化碲,六氟化碲,四氯化碲,亚碲酸,碲化氢,碲酸,二乙基碲,二甲基碲的废物HW29含汞废物含汞及其化合物废物——化学工业含汞催化剂制造与使用——含汞电池制造业——汞冶炼及汞回收工业——有机汞和无机汞化合物生产含汞,溴化(亚)汞,碘化(亚)汞,硝酸(亚)汞,氧化汞,硫酸(亚)汞,氯化(亚)汞,硫化汞,氯化乙基汞,氯化汞铵,氯化甲基汞,醋酸(亚)汞,HW29含汞废物——农药及制药业——荧光屏及汞灯制造及使用——含汞玻璃计器制造及使用——汞法烧碱生产产生的含汞盐泥二甲基汞,二乙基汞,氯化高汞的废物。
国家危险废物名录废物类别行业来源废物代码危险废物危险特性HW01 医疗废物卫生851-001-01医疗废物In非特定行业900-001-01为防治动物传染病而需要收集和处置的废物InHW02 医药废物化学药品原药制造271-001-02 化学药品原料药生产过程中的蒸馏及反应残渣T271-002-02 化学药品原料药生产过程中的母液及反应基或培养基废物T 271-003-02化学药品原料药生产过程中的脱色过滤(包括载体)物T271-004-02 化学药品原料药生产过程中废弃的吸附剂、催化剂和溶剂T271-005-02 化学药品原料药生产过程中的报废药品及过期原料T化学药品制剂制造272-001-02 化学药品制剂生产过程中的蒸馏及反应残渣T272-002-02 化学药品制剂生产过程中的母液及反应基或培养基废物T272-003-02 化学药品制剂生产过程中的脱色过滤(包括载体)物T272-004-02 化学药品制剂生产过程中废弃的吸附剂、催化剂和溶剂T272-005-02 化学药品制剂生产过程中的报废药品及过期原料T兽用药品制造275-001-02 使用砷或有机砷化合物生产兽药过程中产生的废水处理污泥T275-002-02 使用砷或有机砷化合物生产兽药过程中苯胺化合物蒸馏工艺产生的蒸馏残渣T— 5 —废物类别行业来源废物代码危险废物危险特性HW02 医药废物兽用药品制造275-003-02使用砷或有机砷化合物生产兽药过程中使用活性炭脱色产生的残渣T 275-004-02 其他兽药生产过程中的蒸馏及反应残渣T275-005-02其他兽药生产过程中的脱色过滤(包括载体)物T 275-006-02兽药生产过程中的母液、反应基和培养基废物T 275-007-02兽药生产过程中废弃的吸附剂、催化剂和溶剂T 275-008-02 兽药生产过程中的报废药品及过期原料T生物、生化制品的制造276-001-02利用生物技术生产生物化学药品、基因工程药物过程中的蒸馏及反应残渣T 276-002-02利用生物技术生产生物化学药品、基因工程药物过程中的母液、反应基和培养基废物T 276-003-02利用生物技术生产生物化学药品、基因工程药物过程中的脱色过滤(包括载体)物与滤饼T 276-004-02利用生物技术生产生物化学药品、基因工程药物过程中废弃的吸附剂、催化剂和溶剂T 276-005-02利用生物技术生产生物化学药品、基因工程药物过程中的报废药品及过期原料THW03 废药物、药品非特定行业900-002-03生产、销售及使用过程中产生的失效、变质、不合格、淘汰、伪劣的药物和药品(不包括 HW01、HW02、900-999-49 类)THW04 农药废物农药制造263-001-04氯丹生产过程中六氯环戊二烯过滤产生的残渣;氯丹氯化反应器的真空汽提器排放的废物T263-002-04 乙拌磷生产过程中甲苯回收工艺产生的蒸馏残渣T263-003-04 甲拌磷生产过程中二乙基二硫代磷酸过滤产生的滤饼T 263-004-042,4,5-三氯苯氧乙酸(2,4,5-T)生产过程中四氯苯蒸馏产生的重馏分及蒸馏残渣T 263-005-042,4-二氯苯氧乙酸(2,4-D)生产过程中产生的含 2,6-二氯苯酚残渣T— 6 —废物类别行业来源废物代码危险废物危险特性HW04 农药废物农药制造263-006-04乙烯基双二硫代氨基甲酸及其盐类生产过程中产生的过滤、蒸发和离心分离残渣及废水处理污泥;产品研磨和包装工序产生的布袋除尘器粉尘和地面清扫废渣T 263-007-04溴甲烷生产过程中反应器产生的废水和酸干燥器产生的废硫酸;生产过程中产生的废吸附剂和废水分离器产生的固体废物T 263-008-04 其他农药生产过程中产生的蒸馏及反应残渣T263-009-04农药生产过程中产生的母液及(反应罐及容器)清洗液T263-010-04 农药生产过程中产生的吸附过滤物(包括载体、吸附剂、催化剂)T 263-011-04 农药生产过程中的废水处理污泥T263-012-04农药生产、配制过程中产生的过期原料及报废药品T 非特定行业900-003-04销售及使用过程中产生的失效、变质、不合格、淘汰、伪劣的农药产品THW05木材防腐剂废物锯材、木片加工201-001-05使用五氯酚进行木材防腐过程中产生的废水处理污泥,以及木材保存过程中产生的沾染防腐剂的废弃木材残片T 201-002-05使用杂芬油进行木材防腐过程中产生的废水处理污泥,以及木材保存过程中产生的沾染防腐剂的废弃木材残片T 201-003-05使用含砷、铬等无机防腐剂进行木材防腐过程中产生的废水处理污泥,以及木材保存过程中产生的沾染防腐剂的废弃木材残片T专用化学产品制造266-001-05木材防腐化学品生产过程中产生的反应残余物、吸附过滤物及载体T 266-002-05∗木材防腐化学品生产过程中产生的废水处理污泥T266-003-05木材防腐化学品生产、配制过程中产生的报废产品及过期原料T非特定行业900-004-05销售及使用过程中产生的失效、变质、不合格、淘汰、伪劣的木材防腐剂产品THW06有机溶剂废物基础化学原料制造261-001-06 硝基苯-苯胺生产过程中产生的废液T—7 —废物类别行业来源废物代码危险废物危险特性HW06有机溶剂废物基础化学原料制造261-002-06 羧酸肼法生产 1,1-二甲基肼过程中产品分离和冷凝反应器排气产生的塔顶流出物T261-003-06 羧酸肼法生产 1,1-二甲基肼过程中产品精制产生的废过滤器滤芯T261-004-06 甲苯硝化法生产二硝基甲苯过程中产生的洗涤废液T 261-005-06有机溶剂的合成、裂解、分离、脱色、催化、沉淀、精馏等过程中产生的反应残余物、废催化剂、吸附过滤物及载体I,T261-006-06 有机溶剂的生产、配制、使用过程中产生的含有有机溶剂的清洗杂物I,THW07热处理含氰废物金属表面处理及热处理加工346-001-07 使用氰化物进行金属热处理产生的淬火池残渣T346-002-07 使用氰化物进行金属热处理产生的淬火废水处理污泥T 346-003-07 含氰热处理炉维修过程中产生的废内衬T346-004-07 热处理渗碳炉产生的热处理渗碳氰渣T346-005-07 金属热处理过程中的盐浴槽釜清洗工艺产生的废氰化物残渣R,T 346-049-07 其他热处理和退火作业中产生的含氰废物THW08 废矿物油天然原油和天然气开采071-001-08 石油开采和炼制产生的油泥和油脚T,I071-002-08 废弃钻井液处理产生的污泥T精炼石油产品制造251-001-08 清洗油罐(池)或油件过程中产生的油/水和烃/水混合物T 251-002-08石油初炼过程中产生的废水处理污泥,以及储存设施、油-水-固态物质分离器、积水槽、沟渠及其他输送管道、污水池、雨水收集管道产生的污泥T251-003-08 石油炼制过程中 API 分离器产生的污泥,以及汽油提炼工艺废水和冷却废水处理污泥T 251-004-08 石油炼制过程中溶气浮选法产生的浮渣T,I251-005-08 石油炼制过程中的溢出废油或乳剂T,I251-006-08 石油炼制过程中的换热器管束清洗污泥T251-007-08 石油炼制过程中隔油设施的污泥T—8 —废物类别行业来源废物代码危险废物危险特性HW08 废矿物油精炼石油产品制造251-008-08 石油炼制过程中储存设施底部的沉渣T,I251-009-08 石油炼制过程中原油储存设施的沉积物T,I251-010-08 石油炼制过程中澄清油浆槽底的沉积物T,I251-011-08 石油炼制过程中进油管路过滤或分离装置产生的残渣T,I 251-012-08 石油炼制过程中产生的废弃过滤粘土T涂料、油墨、颜料及相关产品制造264-001-08 油墨的生产、配制产生的废分散油T专用化学产品制造266-004-08 粘合剂和密封剂生产、配置过程产生的废弃松香油T船舶及浮动装置制造375-001-08 拆船过程中产生的废油和油泥T,I非特定行业900-200-08 珩磨、研磨、打磨过程产生的废矿物油及其含油污泥T900-201-08 使用煤油、柴油清洗金属零件或引擎产生的废矿物油T,I900-202-08 使用切削油和切削液进行机械加工过程中产生的废矿物油T 900-203-08 使用淬火油进行表面硬化产生的废矿物油T900-204-08 使用轧制油、冷却剂及酸进行金属轧制产生的废矿物油T900-205-08 使用镀锡油进行焊锡产生的废矿物油T900-206-08 锡及焊锡回收过程中产生的废矿物油T900-207-08 使用镀锡油进行蒸汽除油产生的废矿物油T900-208-08 使用镀锡油(防氧化)进行热风整平(喷锡)产生的废矿物油T900-209-08 废弃的石蜡和油脂T,I900-210-08 油/水分离设施产生的废油、污泥T,I900-249-08其他生产、销售、使用过程中产生的废矿物油T,I—9 —废物类别行业来源废物代码危险废物危险特性HW09油/水、烃/ 水混合物或乳化液非特定行业900-005-09来自于水压机定期更换的油/水、烃/水混合物或乳化液T 900-006-09使用切削油和切削液进行机械加工过程中产生的油/水、烃/水混合物或乳化液T 900-007-09其他工艺过程中产生的废弃的油/水、烃/水混合物或乳化液THW10多氯(溴) 联苯类废物非特定行业900-008-10含多氯联苯(PCBs)、多氯三联苯(PCTs)、多溴联苯(PBBs)的废线路板、电容、变压器T 900-009-10 含有PCBs、PCTs 和PBBs 的电力设备的清洗液T900-010-10含有 PCBs、PCTs和 PBBs的电力设备中倾倒出的介质油、绝缘油、冷却油及传热油T900-011-10含有或直接沾染PCBs、PCTs和PBBs的废弃包装物及容器T900-012-10 含有或沾染PCBs、PCTS、PBBS和多氯(溴)萘,且含量≥50mg/kg的废物、物质和物品THW11精(蒸)馏残渣精炼石油产品的制造251-013-11 石油精炼过程中产生的酸焦油和其他焦油T 炼焦制造252-001-11 炼焦过程中蒸氨塔产生的压滤污泥T252-002-11 炼焦过程中澄清设施底部的焦油状污泥T252-003-11炼焦副产品回收过程中萘回收及再生产生的残渣T 252-004-11炼焦和炼焦副产品回收过程中焦油储存设施中的残渣T 252-005-11 煤焦油精炼过程中焦油储存设施中的残渣T252-006-11 煤焦油蒸馏残渣,包括蒸馏釜底物T252-007-11煤焦油回收过程中产生的残渣,包括炼焦副产品回收过程中的污水池残渣T 252-008-11轻油回收过程中产生的残渣,包括炼焦副产品回收过程中的蒸馏器、澄清设施、洗涤油回收单元产生的残渣T 252-009-11 轻油精炼过程中的污水池残渣T252-010-11煤气及煤化工生产行业分离煤油过程中产生的煤焦油渣T 252-011-11 焦炭生产过程中产生的其他酸焦油和焦油T—10 —废物类别行业来源废物代码危险废物危险特性HW11精(蒸)馏残渣基础化学原料制造261-007-11 乙烯法制乙醛生产过程中产生的蒸馏底渣T261-008-11乙烯法制乙醛生产过程中产生的蒸馏次要馏分T 261-009-11苄基氯生产过程中苄基氯蒸馏产生的蒸馏釜底物T 261-010-11 四氯化碳生产过程中产生的蒸馏残渣T261-011-11 表氯醇生产过程中精制塔产生的蒸馏釜底物T261-012-11异丙苯法生产苯酚和丙酮过程中蒸馏塔底焦油T 261-013-11萘法生产邻苯二甲酸酐过程中蒸馏塔底残渣和轻馏分T 261-014-11邻二甲苯法生产邻苯二甲酸酐过程中蒸馏塔底残渣和轻馏分T 261-015-11苯硝化法生产硝基苯过程中产生的蒸馏釜底物T 261-016-11甲苯二异氰酸酯生产过程中产生的蒸馏残渣和离心分离残渣T 261-017-11 1,1,1-三氯乙烷生产过程中产生的蒸馏底渣T261-018-11三氯乙烯和全氯乙烯联合生产过程中产生的蒸馏塔底渣T 261-019-11 苯胺生产过程中产生的蒸馏底渣T261-020-11苯胺生产过程中苯胺萃取工序产生的工艺残渣T 261-021-11二硝基甲苯加氢法生产甲苯二胺过程中干燥塔产生的反应废液T 261-022-11二硝基甲苯加氢法生产甲苯二胺过程中产品精制产生的冷凝液体轻馏分T 261-023-11二硝基甲苯加氢法生产甲苯二胺过程中产品精制产生的废液T 261-024-11二硝基甲苯加氢法生产甲苯二胺过程中产品精制产生的重馏分T 261-025-11甲苯二胺光气化法生产甲苯二异氰酸酯过程中溶剂回收塔产生的有机冷凝物T 261-026-11 氯苯生产过程中的蒸馏及分馏塔底物T—11 —废物类别行业来源废物代码危险废物危险特性HW11精(蒸)馏残渣基础化学原料制造261-027-11使用羧酸肼生产1,1-二甲基肼过程中产品分离产生的塔底渣T 261-028-11乙烯溴化法生产二溴化乙烯过程中产品精制产生的蒸馏釜底物T 261-029-11α-氯甲苯、苯甲酰氯和含此类官能团的化学品生产过程中产生的蒸馏底渣T 261-030-11 四氯化碳生产过程中的重馏分T261-031-11二氯化乙烯生产过程中二氯化乙烯蒸馏产生的重馏分T 261-032-11氯乙烯单体生产过程中氯乙烯蒸馏产生的重馏分T 261-033-111,1,1-三氯乙烷生产过程中产品蒸汽汽提塔产生的废物T 261-034-111,1,1-三氯乙烷生产过程中重馏分塔产生的重馏分T 261-035-11三氯乙烯和全氯乙烯联合生产过程中产生的重馏分T常用有色金属冶炼331-001-11 有色金属火法冶炼产生的焦油状废物T 环境管理业802-001-11 废油再生过程中产生的酸焦油T 非特定行业900-013-11其他精炼、蒸馏和任何热解处理中产生的废焦油状残留物THW12染料、涂料废物涂料、油墨、颜料及相关产品制造264-002-12铬黄和铬橙颜料生产过程中产生的废水处理污泥T 264-003-12 钼酸橙颜料生产过程中产生的废水处理污泥T264-004-12 锌黄颜料生产过程中产生的废水处理污泥T264-005-12 铬绿颜料生产过程中产生的废水处理污泥T264-006-12 氧化铬绿颜料生产过程中产生的废水处理污泥T264-007-12 氧化铬绿颜料生产过程中产生的烘干炉残渣T264-008-12 铁蓝颜料生产过程中产生的废水处理污泥T264-009-12使用色素、干燥剂、肥皂以及含铬和铅的稳定剂配制油墨过程中,清洗池槽和设备产生的洗涤废液和污泥T—12 —废物类别行业来源废物代码危险废物危险特性HW12染料、涂料废物涂料、油墨、颜料及相关产品制造264-010-12 油墨的生产、配制过程中产生的废蚀刻液T264-011-12其他油墨、染料、颜料、油漆、真漆、罩光漆生产过程中产生的废母液、残渣、中间体废物T 264-012-12其他油墨、染料、颜料、油漆、真漆、罩光漆生产过程中产生的废水处理污泥,废吸附剂T 264-013-12油漆、油墨生产、配制和使用过程中产生的含颜料、油墨的有机溶剂废物T 纸浆制造221-001-12 废纸回收利用处理过程中产生的脱墨渣T非特定行业900-250-12使用溶剂、光漆进行光漆涂布、喷漆工艺过程中产生的染料和涂料废物T,I 900-251-12使用油漆、有机溶剂进行阻挡层涂敷过程中产生的染料和涂料废物T,I 900-252-12使用油漆、有机溶剂进行喷漆、上漆过程中产生的染料和涂料废物T,I 900-253-12使用油墨和有机溶剂进行丝网印刷过程中产生的染料和涂料废物T,I 900-254-12使用遮盖油、有机溶剂进行遮盖油的涂敷过程中产生的染料和涂料废物T,I 900-255-12使用各种颜料进行着色过程中产生的染料和涂料废物T 900-256-12使用酸、碱或有机溶剂清洗容器设备的油漆、染料、涂料等过程中产生的剥离物T 900-299-12生产、销售及使用过程中产生的失效、变质、不合格、淘汰、伪劣的油墨、染料、颜料、油漆、真漆、罩光漆产品T,IHW13有机树脂类废物基础化学原料制造261-036-13树脂、乳胶、增塑剂、胶水/胶合剂生产过程中产生的不合格产品、废副产物T 261-037-13树脂、乳胶、增塑剂、胶水/胶合剂生产过程中合成、酯化、缩合等工序产生的废催化剂、母液T 261-038-13树脂、乳胶、增塑剂、胶水/胶合剂生产过程中精馏、分离、精制等工序产生的釜残液、过滤介质和残渣T 261-039-13树脂、乳胶、增塑剂、胶水/胶合剂生产过程中产生的废水处理污泥T—13 —废物类别行业来源废物代码危险废物危险特性HW13有机树脂类废物非特定行业900-014-13 废弃粘合剂和密封剂T900-015-13 饱和或者废弃的离子交换树脂T900-016-13 使用酸、碱或溶剂清洗容器设备剥离下的树脂状、粘稠杂物THW14新化学药品废物非特定行业900-017-14 研究、开发和教学活动中产生的对人类或环境影响不明的化学废物T/C/In/I/RHW15爆炸性废物炸药及火工产品制造266-005-15 炸药生产和加工过程中产生的废水处理污泥R 266-006-15 含爆炸品废水处理过程中产生的废炭R266-007-15 生产、配制和装填铅基起爆药剂过程中产生的废水处理污泥T,R266-008-15 三硝基甲苯(TNT)生产过程中产生的粉红水、红水,以及废水处理污泥R 非特定行业900-018-15 拆解后收集的尚未引爆的安全气囊RHW16感光材料废物专用化学产品制造266-009-16显、定影液、正负胶片、像纸、感光原料及药品生产过程中产生的不合格产品和过期产品T 266-010-16显、定影液、正负胶片、像纸、感光原料及药品生产过程中产生的残渣及废水处理污泥T 印刷231-001-16使用显影剂进行胶卷显影,定影剂进行胶卷定影,以及使用铁氰化钾、硫代硫酸盐进行影像减薄(漂白)产生的废显(定)影液、胶片及废像纸T 231-002-16使用显影剂进行印刷显影、抗蚀图形显影,以及凸版印刷产生的废显(定)影液、胶片及废像纸T电子元件制造406-001-16使用显影剂、氢氧化物、偏亚硫酸氢盐、醋酸进行胶卷显影产生的废显(定)影液、胶片及废像纸T 电影893-001-16电影厂在使用和经营活动中产生的废显(定)影液、胶片及废像纸T摄影扩印服务828-001-16 摄影扩印服务行业在使用和经营活动中产生的废显(定)影液、胶片及废像纸T 非特定行业900-019-16其他行业在使用和经营活动中产生的废显(定)影液、胶片及废像纸等感光材料废物T—14 —废物类别行业来源废物代码危险废物危险特性HW17表面处理废物金属表面处理及热处理加工346-050-17 使用氯化亚锡进行敏化产生的废渣和废水处理污泥T346-051-17 使用氯化锌、氯化铵进行敏化产生的废渣和废水处理污泥T346-052-17∗使用锌和电镀化学品进行镀锌产生的槽液、槽渣和废水处理污泥T346-053-17 使用镉和电镀化学品进行镀镉产生的槽液、槽渣和废水处理污泥T346-054-17∗使用镍和电镀化学品进行镀镍产生的槽液、槽渣和废水处理污泥T346-055-17∗使用镀镍液进行镀镍产生的槽液、槽渣和废水处理污泥T346-056-17 硝酸银、碱、甲醛进行敷金属法镀银产生的槽液、槽渣和废水处理污泥T346-057-17 使用金和电镀化学品进行镀金产生的槽液、槽渣和废水处理污泥T346-058-17∗使用镀铜液进行化学镀铜产生的槽液、槽渣和废水处理污泥T346-059-17 使用钯和锡盐进行活化处理产生的废渣和废水处理污泥T346-060-17 使用铬和电镀化学品进行镀黑铬产生的槽液、槽渣和废水处理污泥T346-061-17 使用高锰酸钾进行钻孔除胶处理产生的废渣和废水处理污泥T346-062-17∗使用铜和电镀化学品进行镀铜产生的槽液、槽渣和废水处理污泥T346-063-17∗其他电镀工艺产生的槽液、槽渣和废水处理污泥T346-064-17 金属和塑料表面酸(碱)洗、除油、除锈、洗涤工艺产生的废腐蚀液、洗涤液和污泥T346-065-17 金属和塑料表面磷化、出光、化抛过程中产生的残渣(液)及污泥T346-066-17 镀层剥除过程中产生的废液及残渣T—15 —废物类别行业来源废物代码危险废物危险特性HW17表面处理废物金属表面处理及热处理加工346-099-17 其他工艺过程中产生的表面处理废物THW18焚烧处置残渣环境治理802-002-18 生活垃圾焚烧飞灰T802-003-18危险废物焚烧、热解等处置过程产生的底渣和飞灰(医疗废物焚烧处置产生的底渣除外)T802-004-18 危险废物等离子体、高温熔融等处置后产生的非玻璃态物质及飞灰T802-005-18 固体废物及液态废物焚烧过程中废气处理产生的废活性炭、滤饼THW19含金属羰基化合物废物非特定行业900-020-19 在金属羰基化合物生产以及使用过程中产生的含有羰基化合物成分的废物THW20 含铍废物基础化学原料制造261-040-20 铍及其化合物生产过程中产生的熔渣、集(除)尘装置收集的粉尘和废水处理污泥THW21 含铬废物毛皮鞣制及制品加工193-001-21∗使用铬鞣剂进行铬鞣、再鞣工艺产生的废水处理污泥T 193-002-21∗皮革切削工艺产生的含铬皮革碎料T印刷231-003-21∗使用含重铬酸盐的胶体有机溶剂、黏合剂进行漩流式抗蚀涂布(抗蚀及光敏抗蚀层等)产生的废渣及废水处理污泥T231-004-21∗使用铬化合物进行抗蚀层化学硬化产生的废渣及废水处理污泥T231-005-21∗使用铬酸镀铬产生的槽渣、槽液和废水处理污泥T基础化学原料制造261-041-21 有钙焙烧法生产铬盐产生的铬浸出渣(铬渣)T261-042-21 有钙焙烧法生产铬盐过程中,中和去铝工艺产生的含铬氢氧化铝湿渣(铝泥)T261-043-21 有钙焙烧法生产铬盐过程中,铬酐生产中产生的副产废渣(含铬硫酸氢钠)T261-044-21∗有钙焙烧法生产铬盐过程中产生的废水处理污泥T—16 —废物类别行业来源废物代码危险废物危险特性HW21 含铬废物铁合金冶炼324-001-21 铬铁硅合金生产过程中尾气控制设施产生的飞灰与污泥T324-002-21 铁铬合金生产过程中尾气控制设施产生的飞灰与污泥T324-003-21 铁铬合金生产过程中金属铬冶炼产生的铬浸出渣T金属表面处理及热处理加工346-100-21∗使用铬酸进行阳极氧化产生的槽渣、槽液及废水处理污泥T346-101-21 使用铬酸进行塑料表面粗化产生的废物T 电子元件制造406-002-21 使用铬酸进行钻孔除胶处理产生的废物THW22 含铜废物常用有色金属矿采选091-001-22 硫化铜矿、氧化铜矿等铜矿物采选过程中集(除)尘装置收集的粉尘T印刷231-006-22∗使用酸或三氯化铁进行铜板蚀刻产生的废蚀刻液及废水处理污泥T玻璃及玻璃制品制造314-001-22∗使用硫酸铜还原剂进行敷金属法镀铜产生的槽渣、槽液及废水处理污泥T电子元件制造406-003-22 使用蚀铜剂进行蚀铜产生的废蚀铜液T406-004-22∗使用酸进行铜氧化处理产生的废液及废水处理污泥THW23 含锌废物金属表面处理及热处理加工346-102-23 热镀锌工艺尾气处理产生的固体废物T346-103-23 热镀锌工艺过程产生的废弃熔剂、助熔剂、焊剂T 电池制造394-001-23 碱性锌锰电池生产过程中产生的废锌浆T非特定行业900-021-23∗使用氢氧化钠、锌粉进行贵金属沉淀过程中产生的废液及废水处理污泥THW24 含砷废物常用有色金属矿采选091-002-24硫砷化合物(雌黄、雄黄及砷硫铁矿)或其他含砷化合物的金属矿石采选过程中集(除)尘装置收集的粉尘THW25 含硒废物基础化学原料制造261-045-25 硒化合物生产过程中产生的熔渣、集(除)尘装置收集的粉尘和废水处理污泥THW26 含镉废物电池制造394-002-26 镍镉电池生产过程中产生的废渣和废水处理污泥T—17 —废物类别行业来源废物代码危险废物危险特性HW27 含锑废物基础化学原料制造261-046-27 氧化锑生产过程中除尘器收集的灰尘T261-047-27 锑金属及粗氧化锑生产过程中除尘器收集的灰尘T 261-048-27 氧化锑生产过程中产生的熔渣T261-049-27 锑金属及粗氧化锑生产过程中产生的熔渣THW28 含碲废物基础化学原料制造261-050-28 碲化合物生产过程中产生的熔渣、集(除)尘装置收集的粉尘和废水处理污泥THW29 含汞废物天然原油和天然气开采071-003-29 天然气净化过程中产生的含汞废物T贵金属矿采选092-001-29 “全泥氰化-炭浆提金”黄金选矿生产工艺产生的含汞粉尘、残渣T092-002-29 汞矿采选过程中产生的废渣和集(除)尘装置收集的粉尘T印刷231-007-29使用显影剂、汞化合物进行影像加厚(物理沉淀)以及使用显影剂、氨氯化汞进行影像加厚(氧化)产生的废液及残渣T基础化学原料制造261-051-29 水银电解槽法生产氯气过程中盐水精制产生的盐水提纯污泥T261-052-29 水银电解槽法生产氯气过程中产生的废水处理污泥T 261-053-29 氯气生产过程中产生的废活性炭T合成材料制造265-001-29 氯乙烯精制过程中使用活性炭吸附法处理含汞废水过程中产生的废活性炭T,C265-002-29 氯乙烯精制过程中产生的吸附微量氯化汞的废活性炭T,C电池制造394-003-29 含汞电池生产过程中产生的废渣和废水处理污泥T照明器具制造397-001-29 含汞光源生产过程中产生的荧光粉、废活性炭吸收剂T通用仪器仪表制造411-001-29 含汞温度计生产过程中产生的废渣T基础化学原料制造261-054-29 卤素和卤素化学品生产过程产生中的含汞硫酸钡污泥T—18 —。
附件:国家危险废物名录废物类别 行业来源废物代码 危 险 废 物 危险特性卫生 851-001-01医疗废物 In HW01医疗废物非特定行业900-001-01为防治动物传染病而需要收集和处置的废物 In271-001-02化学药品原料药生产过程中的蒸馏及反应残渣T271-002-02化学药品原料药生产过程中的母液及反应基或培养基废物T271-003-02化学药品原料药生产过程中的脱色过滤(包括载体)物T271-004-02化学药品原料药生产过程中废弃的吸附剂、催化剂和溶剂T化学药品原药制造271-005-02化学药品原料药生产过程中的报废药品及过期原料T272-001-02化学药品制剂生产过程中的蒸馏及反应残渣 T272-002-02化学药品制剂生产过程中的母液及反应基或培养基废物T272-003-02化学药品制剂生产过程中的脱色过滤(包括载体)物T272-004-02化学药品制剂生产过程中废弃的吸附剂、催化剂和溶剂T化学药品制剂制造272-005-02化学药品制剂生产过程中的报废药品及过期原料T275-001-02使用砷或有机砷化合物生产兽药过程中产生的废水处理污泥THW02医药废物兽用药品制造275-002-02使用砷或有机砷化合物生产兽药过程中苯胺化合物蒸馏工艺产生的蒸馏残渣T—5—废物类别 行业来源废物代码 危 险 废 物 危险特性275-003-02使用砷或有机砷化合物生产兽药过程中使用活性炭脱色产生的残渣T275-004-02其他兽药生产过程中的蒸馏及反应残渣 T275-005-02其他兽药生产过程中的脱色过滤(包括载体)物T275-006-02兽药生产过程中的母液、反应基和培养基废物T275-007-02兽药生产过程中废弃的吸附剂、催化剂和溶剂T兽用药品制造275-008-02兽药生产过程中的报废药品及过期原料 T276-001-02利用生物技术生产生物化学药品、基因工程药物过程中的蒸馏及反应残渣T276-002-02利用生物技术生产生物化学药品、基因工程药物过程中的母液、反应基和培养基废物T276-003-02利用生物技术生产生物化学药品、基因工程药物过程中的脱色过滤(包括载体)物与滤饼T276-004-02利用生物技术生产生物化学药品、基因工程药物过程中废弃的吸附剂、催化剂和溶剂THW02医药废物生物、生化制品的制造276-005-02利用生物技术生产生物化学药品、基因工程药物过程中的报废药品及过期原料THW03废药物、药品非特定行业900-002-03生产、销售及使用过程中产生的失效、变质、不合格、淘汰、伪劣的药物和药品(不包括HW01、HW02、900-999-49类)T 263-001-04氯丹生产过程中六氯环戊二烯过滤产生的残渣;氯丹氯化反应器的真空汽提器排放的废物T 263-002-04乙拌磷生产过程中甲苯回收工艺产生的蒸馏残渣T 263-003-04甲拌磷生产过程中二乙基二硫代磷酸过滤产生的滤饼T 263-004-042,4,5-三氯苯氧乙酸(2,4,5-T)生产过程中四氯苯蒸馏产生的重馏分及蒸馏残渣THW04农药废物农药制造263-005-042,4-二氯苯氧乙酸(2,4-D)生产过程中产生的含2,6-二氯苯酚残渣T—6—— 7 —废物类别 行业来源废物代码 危 险 废 物危险特性263-006-04乙烯基双二硫代氨基甲酸及其盐类生产过程中产生的过滤、蒸发和离心分离残渣及废水处理污泥;产品研磨和包装工序产生的布袋除尘器粉尘和地面清扫废渣 T263-007-04溴甲烷生产过程中反应器产生的废水和酸干燥器产生的废硫酸;生产过程中产生的废吸附剂和废水分离器产生的固体废物 T 263-008-04其他农药生产过程中产生的蒸馏及反应残渣 T 263-009-04农药生产过程中产生的母液及(反应罐及容器)清洗液T 263-010-04农药生产过程中产生的吸附过滤物(包括载体、吸附剂、催化剂) T 263-011-04农药生产过程中的废水处理污泥 T 农药制造263-012-04农药生产、配制过程中产生的过期原料及报废药品T HW04 农药废物非特定行业900-003-04销售及使用过程中产生的失效、变质、不合格、淘汰、伪劣的农药产品T201-001-05使用五氯酚进行木材防腐过程中产生的废水处理污泥,以及木材保存过程中产生的沾染防腐剂的废弃木材残片T201-002-05使用杂芬油进行木材防腐过程中产生的废水处理污泥,以及木材保存过程中产生的沾染防腐剂的废弃木材残片T锯材、木片加工201-003-05使用含砷、铬等无机防腐剂进行木材防腐过程中产生的废水处理污泥,以及木材保存过程中产生的沾染防腐剂的废弃木材残片 T266-001-05木材防腐化学品生产过程中产生的反应残余物、吸附过滤物及载体T 266-002-05∗木材防腐化学品生产过程中产生的废水处理污泥 T 专用化学产品制造266-003-05木材防腐化学品生产、配制过程中产生的报废产品及过期原料T HW05 木材防腐剂废物非特定行业 900-004-05销售及使用过程中产生的失效、变质、不合格、淘汰、伪劣的木材防腐剂产品 THW06 有机溶剂废物基础化学原料制造261-001-06硝基苯-苯胺生产过程中产生的废液T废物类别 行业来源废物代码 危 险 废 物 危险特性261-002-06羧酸肼法生产1,1-二甲基肼过程中产品分离和冷凝反应器排气产生的塔顶流出物T261-003-06羧酸肼法生产1,1-二甲基肼过程中产品精制产生的废过滤器滤芯T261-004-06甲苯硝化法生产二硝基甲苯过程中产生的洗涤废液T261-005-06有机溶剂的合成、裂解、分离、脱色、催化、沉淀、精馏等过程中产生的反应残余物、废催化剂、吸附过滤物及载体I,THW06有机溶剂废物 基础化学原料制造261-006-06有机溶剂的生产、配制、使用过程中产生的含有有机溶剂的清洗杂物I,T 346-001-07使用氰化物进行金属热处理产生的淬火池残渣T 346-002-07使用氰化物进行金属热处理产生的淬火废水处理污泥T 346-003-07含氰热处理炉维修过程中产生的废内衬 T346-004-07热处理渗碳炉产生的热处理渗碳氰渣 T346-005-07金属热处理过程中的盐浴槽釜清洗工艺产生的废氰化物残渣R,THW07热处理含氰废物 金属表面处理及热处理加工346-049-07其他热处理和退火作业中产生的含氰废物 T071-001-08石油开采和炼制产生的油泥和油脚 T,I 天然原油和天然气开采 071-002-08废弃钻井液处理产生的污泥T 251-001-08清洗油罐(池)或油件过程中产生的油/水和烃/水混合物T 251-002-08石油初炼过程中产生的废水处理污泥,以及储存设施、油-水-固态物质分离器、积水槽、沟渠及其他输送管道、污水池、雨水收集管道产生的污泥T 251-003-08石油炼制过程中API分离器产生的污泥,以及汽油提炼工艺废水和冷却废水处理污泥T 251-004-08石油炼制过程中溶气浮选法产生的浮渣 T,I251-005-08石油炼制过程中的溢出废油或乳剂 T,I251-006-08石油炼制过程中的换热器管束清洗污泥 THW08废矿物油精炼石油产品制造251-007-08石油炼制过程中隔油设施的污泥 T—8—— 9 —废物类别 行业来源废物代码 危 险 废 物危险特性251-008-08石油炼制过程中储存设施底部的沉渣 T,I 251-009-08石油炼制过程中原油储存设施的沉积物 T,I 251-010-08石油炼制过程中澄清油浆槽底的沉积物 T,I 251-011-08石油炼制过程中进油管路过滤或分离装置产生的残渣T,I 精炼石油产品制造251-012-08石油炼制过程中产生的废弃过滤粘土T涂料、油墨、颜料及相关产品制造 264-001-08油墨的生产、配制产生的废分散油 T专用化学产品制造266-004-08粘合剂和密封剂生产、配置过程产生的废弃松香油T 船舶及浮动装置制造375-001-08拆船过程中产生的废油和油泥T,I 900-200-08珩磨、研磨、打磨过程产生的废矿物油及其含油污泥T 900-201-08使用煤油、柴油清洗金属零件或引擎产生的废矿物油T,I 900-202-08使用切削油和切削液进行机械加工过程中产生的废矿物油T 900-203-08使用淬火油进行表面硬化产生的废矿物油 T 900-204-08使用轧制油、冷却剂及酸进行金属轧制产生的废矿物油T 900-205-08使用镀锡油进行焊锡产生的废矿物油 T 900-206-08锡及焊锡回收过程中产生的废矿物油 T 900-207-08使用镀锡油进行蒸汽除油产生的废矿物油 T 900-208-08使用镀锡油(防氧化)进行热风整平(喷锡)产生的废矿物油 T 900-209-08废弃的石蜡和油脂T,I 900-210-08油/水分离设施产生的废油、污泥 T,I HW08 废矿物油非特定行业900-249-08其他生产、销售、使用过程中产生的废矿物油T,I废物类别 行业来源废物代码 危 险 废 物 危险特性900-005-09来自于水压机定期更换的油/水、烃/水混合物或乳化液T900-006-09使用切削油和切削液进行机械加工过程中产生的油/水、烃/水混合物或乳化液THW09油/水、烃/水混合物或乳化液非特定行业900-007-09其他工艺过程中产生的废弃的油/水、烃/水混合物或乳化液T900-008-10含多氯联苯(PCBs)、多氯三联苯(PCTs)、多溴联苯(PBBs)的废线路板、电容、变压器T900-009-10含有PCBs、PCTs和PBBs的电力设备的清洗液 T900-010-10含有PCBs、PCTs和PBBs的电力设备中倾倒出的介质油、绝缘油、冷却油及传热油T900-011-10含有或直接沾染PCBs、PCTs和PBBs的废弃包装物及容器THW10多氯(溴)联苯类废物非特定行业900-012-10含有或沾染PCBs、PCT S、PBB S和多氯(溴)萘,且含量≥50mg/kg的废物、物质和物品T精炼石油产品的制造251-013-11石油精炼过程中产生的酸焦油和其他焦油 T252-001-11炼焦过程中蒸氨塔产生的压滤污泥 T252-002-11炼焦过程中澄清设施底部的焦油状污泥 T252-003-11炼焦副产品回收过程中萘回收及再生产生的残渣T252-004-11炼焦和炼焦副产品回收过程中焦油储存设施中的残渣T252-005-11煤焦油精炼过程中焦油储存设施中的残渣 T 252-006-11煤焦油蒸馏残渣,包括蒸馏釜底物 T252-007-11煤焦油回收过程中产生的残渣,包括炼焦副产品回收过程中的污水池残渣T252-008-11轻油回收过程中产生的残渣,包括炼焦副产品回收过程中的蒸馏器、澄清设施、洗涤油回收单元产生的残渣T252-009-11轻油精炼过程中的污水池残渣 T252-010-11煤气及煤化工生产行业分离煤油过程中产生的煤焦油渣THW11精(蒸)馏残渣 炼焦制造252-011-11焦炭生产过程中产生的其他酸焦油和焦油 T—10—废物类别 行业来源废物代码 危 险 废 物 危险特性261-007-11乙烯法制乙醛生产过程中产生的蒸馏底渣 T261-008-11乙烯法制乙醛生产过程中产生的蒸馏次要馏分T261-009-11苄基氯生产过程中苄基氯蒸馏产生的蒸馏釜底物T261-010-11四氯化碳生产过程中产生的蒸馏残渣 T 261-011-11表氯醇生产过程中精制塔产生的蒸馏釜底物 T261-012-11异丙苯法生产苯酚和丙酮过程中蒸馏塔底焦油T261-013-11萘法生产邻苯二甲酸酐过程中蒸馏塔底残渣和轻馏分T261-014-11邻二甲苯法生产邻苯二甲酸酐过程中蒸馏塔底残渣和轻馏分T261-015-11苯硝化法生产硝基苯过程中产生的蒸馏釜底物T261-016-11甲苯二异氰酸酯生产过程中产生的蒸馏残渣和离心分离残渣T261-017-111,1,1-三氯乙烷生产过程中产生的蒸馏底渣 T261-018-11三氯乙烯和全氯乙烯联合生产过程中产生的蒸馏塔底渣T261-019-11苯胺生产过程中产生的蒸馏底渣 T261-020-11苯胺生产过程中苯胺萃取工序产生的工艺残渣T261-021-11二硝基甲苯加氢法生产甲苯二胺过程中干燥塔产生的反应废液T261-022-11二硝基甲苯加氢法生产甲苯二胺过程中产品精制产生的冷凝液体轻馏分T261-023-11二硝基甲苯加氢法生产甲苯二胺过程中产品精制产生的废液T261-024-11二硝基甲苯加氢法生产甲苯二胺过程中产品精制产生的重馏分T261-025-11甲苯二胺光气化法生产甲苯二异氰酸酯过程中溶剂回收塔产生的有机冷凝物THW11精(蒸)馏残渣 基础化学原料制造261-026-11氯苯生产过程中的蒸馏及分馏塔底物 T—11—— 12 —废物类别 行业来源废物代码 危 险 废 物危险特性261-027-11使用羧酸肼生产1,1-二甲基肼过程中产品分离产生的塔底渣T 261-028-11乙烯溴化法生产二溴化乙烯过程中产品精制产生的蒸馏釜底物T 261-029-11α-氯甲苯、苯甲酰氯和含此类官能团的化学品生产过程中产生的蒸馏底渣 T 261-030-11四氯化碳生产过程中的重馏分T 261-031-11二氯化乙烯生产过程中二氯化乙烯蒸馏产生的重馏分T 261-032-11氯乙烯单体生产过程中氯乙烯蒸馏产生的重馏分T 261-033-111,1,1-三氯乙烷生产过程中产品蒸汽汽提塔产生的废物T 261-034-111,1,1-三氯乙烷生产过程中重馏分塔产生的重馏分T 基础化学原料制造261-035-11三氯乙烯和全氯乙烯联合生产过程中产生的重馏分T 常用有色金属冶炼331-001-11有色金属火法冶炼产生的焦油状废物 T 环境管理业 802-001-11废油再生过程中产生的酸焦油T HW11 精(蒸)馏残渣非特定行业900-013-11其他精炼、蒸馏和任何热解处理中产生的废焦油状残留物T 264-002-12铬黄和铬橙颜料生产过程中产生的废水处理污泥T 264-003-12钼酸橙颜料生产过程中产生的废水处理污泥 T 264-004-12锌黄颜料生产过程中产生的废水处理污泥 T 264-005-12铬绿颜料生产过程中产生的废水处理污泥 T 264-006-12氧化铬绿颜料生产过程中产生的废水处理污泥 T 264-007-12氧化铬绿颜料生产过程中产生的烘干炉残渣 T 264-008-12铁蓝颜料生产过程中产生的废水处理污泥 THW12 染料、涂料废物涂料、油墨、颜料及相关产品制造264-009-12使用色素、干燥剂、肥皂以及含铬和铅的稳定剂配制油墨过程中,清洗池槽和设备产生的洗涤废液和污泥T废物类别 行业来源废物代码 危 险 废 物 危险特性264-010-12油墨的生产、配制过程中产生的废蚀刻液 T264-011-12其他油墨、染料、颜料、油漆、真漆、罩光漆生产过程中产生的废母液、残渣、中间体废物T264-012-12其他油墨、染料、颜料、油漆、真漆、罩光漆生产过程中产生的废水处理污泥,废吸附剂T涂料、油墨、颜料及相关产品制造264-013-12油漆、油墨生产、配制和使用过程中产生的含颜料、油墨的有机溶剂废物T纸浆制造221-001-12废纸回收利用处理过程中产生的脱墨渣 T900-250-12使用溶剂、光漆进行光漆涂布、喷漆工艺过程中产生的染料和涂料废物T,I900-251-12使用油漆、有机溶剂进行阻挡层涂敷过程中产生的染料和涂料废物T,I900-252-12使用油漆、有机溶剂进行喷漆、上漆过程中产生的染料和涂料废物T,I900-253-12使用油墨和有机溶剂进行丝网印刷过程中产生的染料和涂料废物T,I900-254-12使用遮盖油、有机溶剂进行遮盖油的涂敷过程中产生的染料和涂料废物T,I900-255-12使用各种颜料进行着色过程中产生的染料和涂料废物T900-256-12使用酸、碱或有机溶剂清洗容器设备的油漆、染料、涂料等过程中产生的剥离物THW12染料、涂料废物非特定行业900-299-12生产、销售及使用过程中产生的失效、变质、不合格、淘汰、伪劣的油墨、染料、颜料、油漆、真漆、罩光漆产品T,I261-036-13树脂、乳胶、增塑剂、胶水/胶合剂生产过程中产生的不合格产品、废副产物T261-037-13树脂、乳胶、增塑剂、胶水/胶合剂生产过程中合成、酯化、缩合等工序产生的废催化剂、母液T261-038-13树脂、乳胶、增塑剂、胶水/胶合剂生产过程中精馏、分离、精制等工序产生的釜残液、过滤介质和残渣THW13有机树脂类废物 基础化学原料制造261-039-13树脂、乳胶、增塑剂、胶水/胶合剂生产过程中产生的废水处理污泥T—13—— 14 —废物类别 行业来源废物代码 危 险 废 物危险特性900-014-13废弃粘合剂和密封剂 T 900-015-13饱和或者废弃的离子交换树脂T HW13 有机树脂类废物非特定行业900-016-13使用酸、碱或溶剂清洗容器设备剥离下的树脂状、粘稠杂物T HW14 新化学药品废物非特定行业900-017-14研究、开发和教学活动中产生的对人类或环境影响不明的化学废物T/C/In/I /R266-005-15炸药生产和加工过程中产生的废水处理污泥 R 266-006-15含爆炸品废水处理过程中产生的废炭 R 266-007-15生产、配制和装填铅基起爆药剂过程中产生的废水处理污泥T,R 炸药及火工产品制造266-008-15三硝基甲苯(TNT)生产过程中产生的粉红水、红水,以及废水处理污泥 R HW15爆炸性废物非特定行业900-018-15拆解后收集的尚未引爆的安全气囊 R 266-009-16显、定影液、正负胶片、像纸、感光原料及药品生产过程中产生的不合格产品和过期产品T专用化学产品制造266-010-16显、定影液、正负胶片、像纸、感光原料及药品生产过程中产生的残渣及废水处理污泥T231-001-16使用显影剂进行胶卷显影,定影剂进行胶卷定影,以及使用铁氰化钾、硫代硫酸盐进行影像减薄(漂白)产生的废显(定)影液、胶片及废像纸T印刷231-002-16使用显影剂进行印刷显影、抗蚀图形显影,以及凸版印刷产生的废显(定)影液、胶片及废像纸T电子元件制造 406-001-16使用显影剂、氢氧化物、偏亚硫酸氢盐、醋酸进行胶卷显影产生的废显(定)影液、胶片及废像纸T电影 893-001-16电影厂在使用和经营活动中产生的废显(定)影液、胶片及废像纸T 摄影扩印服务 828-001-16摄影扩印服务行业在使用和经营活动中产生的废显(定)影液、胶片及废像纸 T HW16 感光材料废物非特定行业900-019-16其他行业在使用和经营活动中产生的废显(定)影液、胶片及废像纸等感光材料废物T废物类别 行业来源废物代码 危 险 废 物 危险特性346-050-17使用氯化亚锡进行敏化产生的废渣和废水处理污泥T346-051-17使用氯化锌、氯化铵进行敏化产生的废渣和废水处理污泥T346-052-17∗使用锌和电镀化学品进行镀锌产生的槽液、槽渣和废水处理污泥T346-053-17使用镉和电镀化学品进行镀镉产生的槽液、槽渣和废水处理污泥T346-054-17∗使用镍和电镀化学品进行镀镍产生的槽液、槽渣和废水处理污泥T346-055-17∗使用镀镍液进行镀镍产生的槽液、槽渣和废水处理污泥T346-056-17硝酸银、碱、甲醛进行敷金属法镀银产生的槽液、槽渣和废水处理污泥T346-057-17使用金和电镀化学品进行镀金产生的槽液、槽渣和废水处理污泥T346-058-17∗使用镀铜液进行化学镀铜产生的槽液、槽渣和废水处理污泥T346-059-17使用钯和锡盐进行活化处理产生的废渣和废水处理污泥T346-060-17使用铬和电镀化学品进行镀黑铬产生的槽液、槽渣和废水处理污泥T346-061-17使用高锰酸钾进行钻孔除胶处理产生的废渣和废水处理污泥T346-062-17∗使用铜和电镀化学品进行镀铜产生的槽液、槽渣和废水处理污泥T346-063-17∗其他电镀工艺产生的槽液、槽渣和废水处理污泥T346-064-17金属和塑料表面酸(碱)洗、除油、除锈、洗涤工艺产生的废腐蚀液、洗涤液和污泥T346-065-17金属和塑料表面磷化、出光、化抛过程中产生的残渣(液)及污泥THW17表面处理废物 金属表面处理及热处理加工346-066-17镀层剥除过程中产生的废液及残渣 T—15—废物类别 行业来源废物代码 危 险 废 物 危险特性HW17表面处理废物 金属表面处理及热处理加工346-099-17其他工艺过程中产生的表面处理废物 T802-002-18生活垃圾焚烧飞灰 T802-003-18危险废物焚烧、热解等处置过程产生的底渣和飞灰(医疗废物焚烧处置产生的底渣除外)T 802-004-18危险废物等离子体、高温熔融等处置后产生的非玻璃态物质及飞灰THW18焚烧处置残渣环境治理802-005-18固体废物及液态废物焚烧过程中废气处理产生的废活性炭、滤饼THW19含金属羰基化合物废物 非特定行业900-020-19在金属羰基化合物生产以及使用过程中产生的含有羰基化合物成分的废物THW20含铍废物 基础化学原料制造261-040-20铍及其化合物生产过程中产生的熔渣、集(除)尘装置收集的粉尘和废水处理污泥T 193-001-21∗使用铬鞣剂进行铬鞣、再鞣工艺产生的废水处理污泥T 毛皮鞣制及制品加工193-002-21∗皮革切削工艺产生的含铬皮革碎料 T231-003-21∗使用含重铬酸盐的胶体有机溶剂、黏合剂进行漩流式抗蚀涂布(抗蚀及光敏抗蚀层等)产生的废渣及废水处理污泥T 231-004-21∗使用铬化合物进行抗蚀层化学硬化产生的废渣及废水处理污泥T 印刷231-005-21∗使用铬酸镀铬产生的槽渣、槽液和废水处理污泥T 261-041-21有钙焙烧法生产铬盐产生的铬浸出渣(铬渣)T 261-042-21有钙焙烧法生产铬盐过程中,中和去铝工艺产生的含铬氢氧化铝湿渣(铝泥)T 261-043-21有钙焙烧法生产铬盐过程中,铬酐生产中产生的副产废渣(含铬硫酸氢钠)THW21含铬废物基础化学原料制造261-044-21∗有钙焙烧法生产铬盐过程中产生的废水处理污泥T—16—— 17 —废物类别 行业来源废物代码 危 险 废 物危险特性324-001-21铬铁硅合金生产过程中尾气控制设施产生的飞灰与污泥T 324-002-21铁铬合金生产过程中尾气控制设施产生的飞灰与污泥T 铁合金冶炼 324-003-21铁铬合金生产过程中金属铬冶炼产生的铬浸出渣T 346-100-21∗使用铬酸进行阳极氧化产生的槽渣、槽液及废水处理污泥T 金属表面处理及热处理加工346-101-21使用铬酸进行塑料表面粗化产生的废物 T HW21 含铬废物电子元件制造 406-002-21使用铬酸进行钻孔除胶处理产生的废物 T 常用有色金属矿采选 091-001-22硫化铜矿、氧化铜矿等铜矿物采选过程中集(除)尘装置收集的粉尘T 印刷231-006-22∗使用酸或三氯化铁进行铜板蚀刻产生的废蚀刻液及废水处理污泥T 玻璃及玻璃制品制造314-001-22∗使用硫酸铜还原剂进行敷金属法镀铜产生的槽渣、槽液及废水处理污泥 T 406-003-22使用蚀铜剂进行蚀铜产生的废蚀铜液 T HW22 含铜废物电子元件制造406-004-22∗使用酸进行铜氧化处理产生的废液及废水处理污泥T 346-102-23热镀锌工艺尾气处理产生的固体废物 T 金属表面处理及热处理加工346-103-23热镀锌工艺过程产生的废弃熔剂、助熔剂、焊剂T 电池制造394-001-23碱性锌锰电池生产过程中产生的废锌浆 T HW23 含锌废物非特定行业900-021-23∗使用氢氧化钠、锌粉进行贵金属沉淀过程中产生的废液及废水处理污泥THW24 含砷废物 常用有色金属矿采选 091-002-24硫砷化合物(雌黄、雄黄及砷硫铁矿)或其他含砷化合物的金属矿石采选过程中集(除)尘装置收集的粉尘THW25 含硒废物 基础化学原料制造261-045-25硒化合物生产过程中产生的熔渣、集(除)尘装置收集的粉尘和废水处理污泥 THW26 含镉废物电池制造394-002-26镍镉电池生产过程中产生的废渣和废水处理污泥T— 18 —废物类别 行业来源废物代码 危 险 废 物危险特性261-046-27氧化锑生产过程中除尘器收集的灰尘 T 261-047-27锑金属及粗氧化锑生产过程中除尘器收集的灰尘T 261-048-27氧化锑生产过程中产生的熔渣T HW27 含锑废物 基础化学原料制造261-049-27锑金属及粗氧化锑生产过程中产生的熔渣 T HW28 含碲废物 基础化学原料制造261-050-28碲化合物生产过程中产生的熔渣、集(除)尘装置收集的粉尘和废水处理污泥 T天然原油和天然气开采071-003-29天然气净化过程中产生的含汞废物 T092-001-29“全泥氰化-炭浆提金”黄金选矿生产工艺产生的含汞粉尘、残渣T 贵金属矿采选092-002-29汞矿采选过程中产生的废渣和集(除)尘装置收集的粉尘T印刷 231-007-29使用显影剂、汞化合物进行影像加厚(物理沉淀)以及使用显影剂、氨氯化汞进行影像加厚(氧化)产生的废液及残渣 T261-051-29水银电解槽法生产氯气过程中盐水精制产生的盐水提纯污泥T 261-052-29水银电解槽法生产氯气过程中产生的废水处理污泥T 基础化学原料制造261-053-29氯气生产过程中产生的废活性炭 T 265-001-29氯乙烯精制过程中使用活性炭吸附法处理含汞废水过程中产生的废活性炭 T,C 合成材料制造265-002-29氯乙烯精制过程中产生的吸附微量氯化汞的废活性炭T,C 电池制造394-003-29含汞电池生产过程中产生的废渣和废水处理污泥T 照明器具制造 397-001-29含汞光源生产过程中产生的荧光粉、废活性炭吸收剂T 通用仪器仪表制造411-001-29含汞温度计生产过程中产生的废渣 T HW29 含汞废物基础化学原料制造261-054-29卤素和卤素化学品生产过程产生中的含汞硫酸钡污泥T。
代码名称废物来源HW01医院临床废物从医院、医疗中心和诊所的医疗服务中产生的临床废物HW02医药废物从医用药品的生产制作过程中产生的废物,包括兽药产品(不含中药类废物)HW03废药物、药品过期、报废的无标签的及多种混杂的药物、药品(不包括HW01,HW02类中的废药品)HW04农药废物来自杀虫、杀菌、除草、灭鼠和植物生长调节剂的生产、经销、配制和使用过程中产生的废物HW05木材防腐剂废物从木材防腐化学品的生产、配制和使用中产生的废物(不包括与HW04类重复的废物)HW06有机溶剂废物从有机溶剂生产、配制和使用过程中产生的废物(不包括HW42类的废有机溶剂)HW07热处理含氰废物从含有氰化物热处理和退火作业中产生的废物HW08废矿物油不适合原来用途的废矿物油HW09废乳化液从机械加工、设备清洗等过程中产生的废乳化液、废油水混合物HW10含多氯联苯废物含有或沾染多氯联苯(PCBs)、多氯三联苯(PCTs)、多溴联苯(PBBs)的废物质和废物品HW11精(蒸)馏残渣从精炼、蒸馏和任何热解处理中产生的废焦油状残留物HW12染料、涂料废物从油墨、染料、颜料、油漆、真漆、罩光漆的生产配制和使用过程中产生的废物HW13有机树酯类废物从树酯、胶乳、增塑剂、胶水/胶合剂的生产、配制和使用过程中产生的废物HW14新化学品废物从研究和开发或教学活动中产生的尚未鉴定的和(或)新的并对人类和(或)环境的影响未明的化学废物HW15爆炸性废物在生产、销售、使用爆炸物品过程中产生的次品、废品及具有爆炸性质的废物HW16感光材料废物从摄影化学品、感光材料的生产、配制、使用中产生的废物HW17表面处理废物从金属和塑料表面处理过程中产生的废物HW18焚烧处置残渣从工业废物处置作业中产生的残余物HW19含金属羰基化合物废物在金属羰基化合物制造以及使用过程中产生的含有羰基化合物成份的废物HW20含铍废物含铍及其化合物的废物HW21含铬废物含有六价铬化合物的废物HW22含铜废物含有铜化物的废物HW23含锌废物含有锌化合物的废物HW24含砷废物含砷及砷化合物的废物HW25含硒废物含硒及硒化合物废物HW26含镉废物含镉及其化合物废物HW27含锑废物含锑及其化合物废物HW28含碲废物含碲及其化合物废物HW29含汞废物含汞及其化合物废物HW30含铊废物含铊及其化合物废物HW31含铅废物含铅及其化合物废物HW32无机氟化物废物含无机氟化物的废物(不包括氟化钙、氟化镁)HW33无机氰化物废物从无机氰化物生产、使用过程中产生的含无机氰化物的废物(不包括HW07类热处理含氰废物)HW34废酸从工艺生产、配制、使用过程中产生的废酸液、固态酸及酸渣(PH〈=2的液态酸〉HW35废碱从工业生产、配制、使用过程中产生的废碱液、固态碱及碱渣(PH>=12.5的液态碱)HW36石棉废物从生产和使用过程中产生的石棉废物HW37有机磷化合物废物从农药以外其他有机磷化合物生产、配制和使用过程中产生的含有机磷废物HW38有机氰化物废物从生产、配制和使用过程中产生的含有机氰化物的废物HW39含酚废物酚、酚化合物的废物(包括氯酚类和硝基酚类)HW40含醚废物从生产、配制和使用过程中产生的含醚废物HW41废卤化有机溶剂从卤化有机溶剂生产、配制、使用过程中产生的废溶剂HW42废有机溶剂从有机溶剂的生产、配制和使用中产生的其他废有机溶剂(不包括HW41类的卤化有机溶剂)HW43含多氯苯并呋喃类废物含任何多氯苯并呋喃类同系物的废物HW44含多氯苯并二恶英废物含任何多氯苯并二恶英同系物的废物HW45含有机卤化物废物从其他有机卤化物的生产、配制、使用过程中产生的废物(不包括上述HW39,HW41,HW42,HW43,HW44类别的废物)HW46含镍废物含镍化合物的废物HW47含钡废物含钡化合物的废物(不包括硫酸钡)HW48有色金属冶炼废物铅锌冶炼过程中,氧化锌浸出处理产生的氧化锌渣HW49其他废物常见危害组分或废物名称手术残物,敷料、化验废物,传染性废物,动物试验废物废抗菌药、甾类药、抗组织胺类药、镇痛药、心血管药、神经系统药、杂药,基因类废物。