国家危险废物名录编号
- 格式:doc
- 大小:55.50 KB
- 文档页数:10
2020年整理)国家危废名国家危险废物名录已经对不同来源的废物进行了分类编号,以方便管理和处理。
以下是一些常见的废物类别和来源。
HW01废物来自医院、医疗中心和诊所的医疗服务中产生的临床废物,包括手术、包扎残余物、生物培养、动物试验残余物、化验检查残余物、传染性废物和废水处理污泥等。
HW02废物来自医用药品的生产制作过程中产生的废物,包括兽药产品,如蒸馏及反应残余物、高浓度母液及反应基或培养基废物、脱色过滤物、用过废弃的吸附剂、催化剂、溶剂等。
HW03废物包括过期、报废的无标签的及多种混杂的药物、药品,但不包括HW01,HW02类中的废药品。
这些废物来源包括生产中产生的报废药品及过期原料、使用单位积压或报废的药品、经营部门过期的报废药品。
HW05废物来自杀虫、杀菌、除草、灭鼠和植物生长调节剂的生产、经销、配制和使用过程中产生的废物,包括蒸馏及反应残余物、生产过程母液及(反应罐及)清洗液、吸附过滤物、废水处理污泥、生产、配制过程中的过期原料、生产、销售、使用过程中的过期和淘汰产品、沾有农药及除草剂的包装物及等。
除此之外,还有常见国际危害组分或废物名称HW04的手术残物、敷料、化验废物、传染性废物、动物试验废物等。
另外,腐剂废物也是一种常见的废物类别,产生于不同的生产过程中,包括生产单位生产中产生的废水处理污泥、工艺反应残余物、吸附过滤物及载体、使用单位积压、报废或配制过剩的木材防腐化学品、销售经营部门报废的木材防腐化学品等。
总之,对废物进行分类编号有助于更好地管理和处理这些废物,减少对环境和人类健康的危害。
有机溶剂废物是指在有机溶剂的合成、裂解、分离、脱色、催化、沉淀、精馏等过程中产生的反应残余物,吸附过滤物及载体,以及配制和使用过程中产生的含有机溶剂的清洗杂物。
这些废物不包括HW42类的废有机溶剂。
含氰废物是指从含有氰化物热处理和退火作业中产生的废物,包括金属含氰热处理、含氰热处理回火池冷却、含氰热处理炉维修和热处理渗碳炉等。
国家环境保护局国家经济贸易委员会对外贸易经济合作部公安部国家危险废物名录--------------------------------------------------------------------------------编号废物类别废物来源常见危害组分或废物名称HW01 医院临床废物从医院、医疗中心和诊所的医疗服务产生的临床废物——手术、包扎残余物——生物培养、动物试验残余物——化验检查残余物——传染性废物——废水处理污泥手术残物,敷料、化验废物,传染性废物,动物试验废物HW02 医药废物从医用药品的生产制作过程中产生的废物,包括兽药产品(不含中药类废物——蒸馏及反应残余物——高浓度母液及反应基或培养基废物——脱色过滤(包括载体)物——用过废弃的吸附剂、催化剂、溶剂——生产中产生的报废药品及过期原料废抗菌药、甾类药、抗组织胺类药、镇痛药、心血管药、神经系统药、杂药,基因类废物HW03 废药物、药品过期、报废的无标签的及多种混杂的药物、药品(不包括HW01,HW02类中的废药品——生产中产生的报废药品(包括药品废原料和中间体反应物——使用单位(科研、滥测、学校、医疗单位、化验室等)积压或报废的药品(物——经营部门过期的报废药品(物) 废化学试剂,废药品,废药物HW04 农药废物来自杀虫、杀菌、除草、灭鼠和植物生长调节剂的生产、经销、配制和使用过程中产生的废物——蒸馏及反应残余物——生产过程母液及(反应罐及容器)清洗液——吸附过滤物(包括载体,吸附剂,催化剂——废水处理污泥——生产、配制过程中的过期原料——生产、销售、使用过程中的过期和淘汰产品——沾有农药及除草剂的包装物及容器废有机磷杀虫剂、有机氯杀虫剂、有机氮杀虫剂、氨基甲酸酯类杀虫剂、拟除虫菊酯类杀虫剂、杀螨剂、有机磷杀菌剂、有机氯杀菌剂、有机硫杀菌剂、有机锡杀菌剂、有机氮杀菌剂、醌类杀菌剂、无机杀菌剂、有机胂杀菌剂、氨基甲酸酯类除草剂、醚类除草剂、酚类除草剂、酰胺类除草剂、取代脲类除草剂、苯氧羧酸类除草剂、均三氮苯类除草剂、无机除草剂HW05 木材防腐剂废物从木材防腐化学品的生产、配制和使用中产生的废物(不包括与HW04类重复的废物——生产单位生产中产生的废水处理污泥、工艺反应残余物、吸附过滤物及载体——使用单位积压、报废或配制过剩的木材防腐化学品——销售经营部报废的木材防腐化学品含五氯酚、苯酚,2-氯酚,甲酚,对氯间甲酚,三氯酚,屈萘,四氯酚,杂酚油,萤蒽,苯并a芘,2,4一二甲酚,2,4一二硝基酚,苯并(b)萤蒽,苯并(a)蒽,二苯并(a)蒽的废物HW06 有机溶剂废物从有机溶剂生产、配制和使用过程中产生的废物(不包括HW42类的废有机溶剂——有机溶剂的合成、裂解、分离、脱色、催化、沉淀、精馏等过程中发生的反应残余物,吸附过滤物及载体——配制和使用过程中产生的含有机溶剂的清洗杂物废催化剂,清洗剥离物,反应残渣及滤渣,吸附物与载体废物HW07 热处理含氰废物从含有氰化物热处理和退火作业中产生的废物——金属含氰热处理——含氰热处理回火池冷却——含氰热处理炉维修——热处理渗碳炉含氰热处理钡渣,含氰污泥及冷却液,含氰热处理炉内衬,热处理渗碳氰渣HW08 废矿物油不适合原来用途的废矿物油——来自于石油开采和炼制产生的油泥和油脚——矿物油类仓贮过程中产生的沉积物——机构、动力、运输等设备的更换油及清洗油(泥——金属轧制、机械加工过程中产生的废油(渣——含油废水处理过程中产生的废油及油泥——油加工和油再生过程中产生的油渣及过滤介质废机油、原油、液压油、真空泵油、柴油、汽油、重油、煤油、热处理油、樟脑油、润滑油(脂)、冷却油HW09 废乳化液从机构加工、设备清洗等过程中产生的废乳化液、废油水混合物——生产、配制、使用过程中产生的过剩乳化液(膏——机械加工、金属切削和冷拔过程产生的废乳化剂——清洗油罐、油件过程中产生的油水、烃水混合物——来自于(乳化液)水压机定期更换的乳化废液废皂液、乳化油/水、烃/水混合物、乳化液(膏)、切削剂、冷却剂、润滑剂、拔丝剂HW10 含多氯联苯废物含有或沾染多氯联苯(PCBs)、多氯三联苯(PCTs)、多溴联苯(PBBs)的废物质和废物品——过剩的、废弃的、封存的、待替换的含有PCBs、PBBs和PCTs的电力设备(电容器、变压器——从含有PCBs、PBBs或PCTs的电力设备中倾倒出的介质油、绝缘油、冷却油及传热油——来自含有PCBs,PBBst和PCTs或被这些物质污染的电力设备的拆装过程中的清洗液——被PCBs、PBBs和PCTs污染的土壤及包装物含多氯联苯(PCBs),多溴联苯(PBBs)、多氯三联苯(PCTs)废物HW11 精(蒸)馏残渣从精炼、蒸馏和任何热解处理中产生的废焦油状残留物——煤气生产过程中产生的焦油渣——原油蒸馏过程中产生的焦油残余物——原油精制过程中产生的沥青状焦油及酸焦油——化学品生产过程中产生的蒸馏残渣和蒸馏釜底物——化学品原料生产的热解过程中产生的焦油状残余物——被工业生产过程中产生的焦油或蒸馏残余物所污染的土壤——盛装过焦油状残余物的包装和容器沥青渣、焦油渣、废酸焦油、酚渣,蒸馏釜残物,精馏釜残物,甲苯渣,液化石油气残液(含苯并(a)芘、屈萘、萤蒽、多环芳烃类废物)HW12 染料、涂料废物从油墨、染料、颜料、油漆、真漆、罩光漆的生产配制和使用过程中产生的废物——生产过程中产生的废弃的颜料、染料、涂料和不合格产品——染料、颜料生产硝化、氧化、还原、磺化、重氮化、卤化等化学反应中产生的废母液、残渣、中间体废物——油漆、油墨生产、配制和使用过程中产生的含颜料、油墨的有机溶剂废物——使用酸、碱或有机溶剂清洗容器设备产生的污泥状剥离物——含有染料、颜料、油墨、油漆残余物的废弃包装物——废水处理污泥废酸性染料、碱性染料、媒染染料、偶氮染料、直接染料、冰染染料、还原染料、硫化染料、活性染料、醇酸树脂涂料、丙烯酸树脂涂料、聚氨酯树脂涂料、聚乙烯树脂涂料、环氧树脂涂料、双组份涂料、油墨、重金属颜料HW13 有机树脂类废物从树脂、胶乳、增塑剂、胶水/胶合剂的生产、配制和使用过程中产生的废物——生产、配制、使用过程中产生不合格产品、废副产物——在合成、酯化、缩合等反应中产生的废催化剂、高浓度废液——精馏、分离、精制过程中产生的釜残液、过虑介质和残渣——使用溶剂或酸、碱清洗容器设备剥离下的树脂状、黏稠杂物——废水处理污泥含邻苯二甲酸酯类,脂肪酸及二元酸酯类,磷酸酯类,环氧化合物类,偏苯三甲酸酯类,聚酯类,氯化石蜡,二元醇和多元醇酯类,磺酸衍生物的废物HW14 新化学品废物从研究和开发或教学活动中产生的尚未鉴定的和(或)新的并对人类和(或)环境的影响未明的化学废物新化学品研制中产生的废物HW15 爆炸性废物在生产、销售、使用爆炸物品过程中产生的次品、废品及具有爆炸性质的废物——不稳定,在无爆震时容易发生剧烈变化的废物——能和水形成爆炸性混合物——经过发热、吸湿、自发的化学变化具有着火倾向的废物——在有引发源或加热时能爆震或爆炸的废物含叠氯乙酰,硝酸乙酰酯,叠氮铵,氯酸铵,六硝基高钴酸铵,硝酸铵,氮化铵,过碘酸铵,高猛酸铵,苦味酸铵,四过氧铬酸铵,叠氮羰基胍,叠氮钡,氯化重氮苯,苯并三唑,亚硝基胍,硝化甘油,四硝基戊四醇,三硝基氯苯,聚乙烯硝酸酯,硝酸钾,叠氮化银,氮化银,三硝基苯间二酚银,四氮烯银,无烟火药,叠氮化钠,苦味酸钠,四硝基甲烷、四氮化四硒,四氮化四硫,四氮烯,氮化铊,二氮化三铅,二氮化三汞,三硝基苯,氯酸钾,雷汞,雷银,三硝基甲苯,三硝基间苯二酚的废物HW16 感光材料废物从摄影化学品、感光材料的生产、配制、使用中产生的废物——生产过程中产生的不合格产品和过期产品——生产过程中产生的残渣及废水污泥——出版社、报社、印刷厂、电影厂在使用和经营活动中产生的废显(定)影液、胶片及废像纸——社会照像部、冲洗部在使用和经营活动中产生的废显(定)影液、胶片及废像纸——医疗院所的X光和CT检查中产生的废显(定)液及胶片废显影液、定影液、正负胶片、像纸、感光原料及药品HW17 表面处理废物从金属和塑料表面处理过程中产生的废物——电镀行业的电镀糟渣、槽液及水处理污泥——金属和塑料表面酸(碱)洗、除油、除锈、洗涤工艺产生的腐蚀液、洗涤液和污泥——金属和塑料表面磷化、出光、化抛过程中产生的残渣(液)及污泥——镀层剥除过程中产生的废液及残渣废电镀溶液,镀槽淤渣,电镀水处理污泥,表面处理酸碱渣,氧化槽渣,磷化渣,亚硝酸盐废渣HW18 焚烧处置残渣从工业废物处置作业中产生的残余物焚烧处置残渣及灰尘HW19 含金属羰基化合物废物在金属羰基化合物制造以及使用过程中产生的含有羰基化合物成份的废物——精细化工产品生产——金属有机化合物的合成金属羰基化合物(五羰基铁,八羰基二钴,羰基镍,三羰基钴,氢氧化四羰基钴)废物HW20 含铍废物含铍及其化合物的废物——稀有金属冶炼——铍化合物生产含铍、硼氢化铍,溴化铍,氢氧化铍,碘化铍,碳酸铍,硝酸铍,氧化铍,硫酸铍,氟化铍,氯化铍,硫化铍的废物HW21 含铬废物含有六价铬化合物的废物——化工(铬化合物)生产——皮革加工(鞣革)业——金属、塑料电镀——酸性媒介染料染色——颜料生产与使用——金属铬冶炼(铁合金) 含铬酸酐,(重)铬酸钾,(重)铬酸钠,铬酸,重铬酸,三氧化铬,铬酸锌,铬酸钾,铬酸钙,铬酸银,铬酸铅,铬酸钡的废物HW22 含铜废物含有铜化合物的废物——有色金属采选和冶炼——金属、塑料电镀——铜化合物生产含溴化(亚)铜,氢氧化铜,硫酸(亚)铜,磺化(亚)铜,碳酸铜,硝酸铜,硫化铜,氟化铜,硫化(亚)铜,氯化(亚)铜,醋酸铜,氧化铜钾,磷酸铜,二水合氯化铜铵的废物HW23 含锌废物含有锌化合物的废物——有色金属采选及冶炼——金属、塑料电镀——颜料、油漆、橡胶加工——锌化合物生产——含锌电池制造业含溴化锌,碘化锌,硝酸锌,硫酸锌,氟化锌,硫化锌,过氧化锌,高锰酸锌,醋酸锌,草酸锌,铬酸锌,溴酸锌,磷酸锌,焦磷酸锌,磷化锌的废物HW24 含砷废物含砷及砷化合物的废物——有色金属采选及冶炼——砷及其化合物的生产——石油化工——农药生产——染料和制革业含砷,三氧化二坤,亚砷酐,五氧化二砷,五硫化二坤,硫化亚砷,砷化锌,乙酰基砷铜,砷化钙,砷化铁,砷化铜,砷化铅,砷化银,乙基二氯化砷,(亚)砷酸,三氟化砷,砷酸锌,砷酸铵,砷酸钙,砷酸铁,砷酸钠,砷酸汞,砷酸铅,砷酸镁,三氯化砷,二硫化砷,砷酸钾,砷化(三)氢的废物HW25 含硒废物含硒及硒化合物废物——有色金属冶炼及电解——硒化合物生产——颜料、橡胶、玻璃生产含硒,二氧化硒,三氧化硒,四氟化硒,六氟化硒,二氯化二硒,四氯化硒,亚硒酸,硒化氢,硒化钠,(亚)硒酸钠,二硫化硒,硒化亚铁,亚硒酸钡,硒酸,二甲基硒的废物HW26 含镉废物含镉及其化合物废物——有色金属采选及冶炼——镉化合物生产——电池制造业——电镀行业含镉,溴化镉,碘化镉,氢氧化镉,碳酸镉,硝酸镉,硫酸镉,硫化镉,氯化镉,氟化镉,醋酸镉,氧化镉,二甲基镉的废物HW27 含锑废物含锑及其化合物废物——有色金属冶炼——锑化合物生产和使用含锑,二氧化二锑,亚锑酐,五氧化二锑,硫化亚锑,硫化锑,氟化亚锑,氟化锑,氯化(亚)锑,三氢化锑,锑酸钠,锑酸铅,乳酸锑,亚锑酸钠的废物HW28 含碲废物含碲及其化合物废物——有色金属冶炼及电解——碲化合物生产和使用含碲、四溴化碲,四碘化碲,三氧化碲,六氟化碲,四氯化碲,亚碲酸,碲化氢,碲酸,二乙基碲,二甲基碲的废物HW29 含汞废物含汞及其化合物废物——化学工业含汞催化剂制造与使用——含汞电池制造业——汞治炼及汞回收工业——有机汞和无机汞化合物生产——农药及制药业——荧光屏及汞灯制造及使用——含汞玻璃计器制造及使用——汞法烧碱生产产生的含汞盐泥含汞,溴化(亚)汞,碘化(亚)汞,硝酸(亚)汞,氧化汞,硫酸(亚)汞,氯化(亚)汞,硫化汞,氯化乙基汞,氯化汞铵,氯化甲基汞,醋酸(亚)汞,二甲基汞,二乙基汞,氯化高汞的废物HW30 含铊废物含铊及其化合物废物——有色金属冶炼及农药生产——铊化合物生产及使用含铊,溴化亚铊,氢氧化(亚)铊,碘化亚铊,硝酸亚铊,碳酸亚铊,硫酸亚铊,氧化亚铊,硫化亚铊,三氧化二铊,三硫化二铊,氟化亚铊,氯化(亚)铊,铬酸铊,氯酸铊,醋酸铊的废物HW31 含铅废物含铅及其化合物废物——铅冶炼及电解过程中的残渣及铅尘——铅(酸)蓄电池生产中产生的废铅渣及铅酸(污泥——报废的铅蓄电池——铅铸造业及制品业的废铅渣及水处理污泥——铅化合物制造和使用过程中产生的废物含铅,乙酸铅,溴化铅,氢氧化铅,碘化铅,碳酸铅,硝酸铅,氧化铅,硫酸铅,铬酸铅,氯化铅,氟化铅,硫化铅,高氯酸铅,碱性硅酸铅,四烷基铅,四氧化铅,二氧化铅的废物HW32 无机氟化物废物含无机氟化物的废物(不包括氟化钙、氟化镁) 含氟化铯,氟硼酸,氟硅酸锌,氢氟酸,氟硅酸,六氟化硫,氟化纳,五氧化硫,二氟磷酸,氟硫酸,氟硼酸铵,氟硅酸铵,氟化铵,氟化钾,氟化铬,五氟化碘,氟氢化钾,氟氢化纳,氟硅酸钠的废物HW33 无机氰化物废物从无机氰化物生产、使用过程中产生的含无机氰化物的废物(不包括HW07类热处理含氰废物——金属制品业的电解除油、表面硬化化学工艺中产生的含氰废物——电镀业和电子零件制造业中电镀工艺、镀层剥除工艺中产生的含氰废物——金矿开采与筛选过程中产生的含氰废物——首饰加工的化学抛光工艺产生的含氰废物——其他生产、实验、化验分析过程中产生的含氰废物及包装物含氢氰酸,氰化钠,氰化钾,氰化锂,氰化汞,氰化铅,氰化铜,氰化锌,氰化钡,氰化钙,氰化亚铜,氰化银,氰溶体,汞氰化钾,氰化镍,铜氰化钠,铜氰化钾,镍氰化钾,溴化氰,氰化钴的废物HW34 废酸从工业生产、配制、使用过程中产生的废酸液、固态酸及酸渣(PH≤2的液态酸——工业化学品制造——化学分析及测试——金属及其他制品的酸蚀、出光、除锈(油)及清洗——废水处理——纺织印染前处理废硫酸、硝酸、盐酸、磷酸(次)氯酸、溴酸、氢氟酸、氢溴酸、硼酸、砷酸、硒酸、氰酸、氯磺酸、碘酸、王水HW35 废碱从工业生产、配制使用过程中产生的废碱、固态碱及碱渣(PH≥12.5的液态碱——工业化学品制造——化学分析及测试——金属及其他制品的碱蚀、出光、除锈(油)及清洗——废水处理——纺织印染前处理——造纸废液废氢氧化钠、氢氧化钾、氢氧化钙、氢氧化锂、碳酸(氢)钠、碳酸(氢)钾、硼砂、(次)氯酸钠、(次)氯酸钾、(次)氯酸钙、磷酸钠HW36 石棉废物从生产和使用过程中产生的石棉废物——石棉矿开采及其石棉产品加工——石棉建材生产——含石棉设施的保养(石棉隔膜,热绝缘体等——车辆制动器衬片的生产与更换石棉尘,石棉废纤维,废石棉绒,石棉隔热废料,石棉尾矿渣HW37 有机磷化合物废物从农药以外其他有机磷化合物生产、配制和使用过程中产生的含有机磷废物——生产过程中产生的反应残余物——生产过程中过滤物、催化剂(包括载体)及废弃的吸附剂——废水处理污泥——配制,使用过程中的过剩物、残渣及其包装物含氯硫磷,硫磷嗪,磷酰胺,丙基磷酸四乙酯,四磷酸六乙酯,硝基硫磷酯,苯腈磷,磷酰酯类化合物,苯硫磷,异丙膦,三氯氧磷,磷酸三丁酯的废物HW38 有机氰化物废物从生产、配制和使用过程中产生的含有机氰化物的废物——在合成、缩合等反应中产生的高浓度废液及反应残余物——在催化、精馏、过滤过程中产生的废催化剂、釜残及过滤介质物——生产、配制过程中产生的不合格产品——废水处理污泥含乙腈,丙烯腈,己二腈,氨丙腈,氯丙烯腈,氰基乙酸,氰基氯戊烷,乙醇腈,丙腈,四甲基琥珀腈,溴苯甲腈,苯腈,乳酸腈,丙酮腈,丁基腈,苯基异丙酸酯,氰酸酯类的废物HW39 含酚废物酚、酚化合物的废物(包括氯酚类和硝基酚类——生产过程中产生的高浓度废液及反应残余物——生产过程中产生的吸附过滤物,废催化剂、精馏釜残液(包括石油、化工、煤气生产中产生的含酚类化合物废物) 含氨基苯酚,溴酚,氯甲苯酚,煤焦油,二氯酚,二硝基苯酚,对苯二酚,三羟基苯,五氯酚(钠),硝基苯酚,三氯酚,氯酚,甲酚,硝基苯甲酚,苦味酸,二硝基苯酚钠,苯酚胺的废物HW40 含醚废物从生产、配制和使用过程中产生的含醚废物——生产、配制过程中产生的醚类残液、反应残余物、水处理污泥及过滤渣——配制、使用过程中产生的含醚类有机混合溶剂含苯甲醚,乙二醇单丁醚,甲乙醚,丙烯醚,二氯乙醚,苯乙基醚,二苯醚,二氧基乙醇乙醚,乙二醇甲基醚,乙二醇醚,异丙醚,二氯二甲醚,甲基氯甲醚,丙醚,四氯丙醚,三硝基苯甲醚,乙二醇二乙醚,亚乙基二醇丁基醚,二甲醚,丙烯基苯基醚,甲基丙基醚,乙二醇异丙基醚,乙二醇苯醚,乙二醇戊基醚,氯甲基乙醚,丁醚,乙醚,二甘醇二乙基醚,乙二醇二甲基醚,乙二醇单乙醚的废物HW41 废卤化有机溶剂从卤化有机溶剂生产、配制使用过程中产生的废溶剂——生产、配制过程中产生的高浓度残液、吸附过滤物、反应残渣、水处理污泥及废载体——生产、配制过程中产生的报废产品——生产、配制、使用过程中产生的废物卤化有机溶剂。
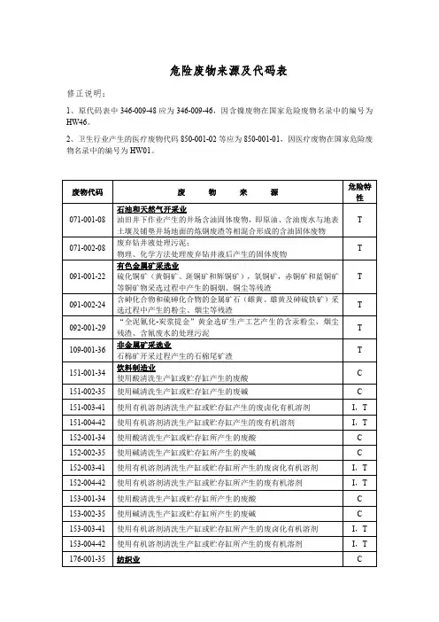
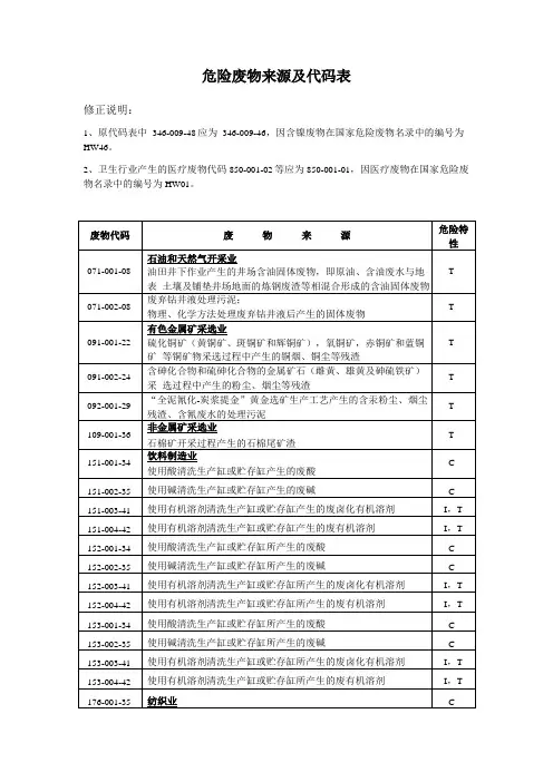
危险废物来源及代码表修正说明:1、原代码表中346-009-48应为346-009-46,因含镍废物在国家危险废物名录中的编号为HW46。
2、卫生行业产生的医疗废物代码850-001-02等应为850-001-01,因医疗废物在国家危险废物名录中的编号为HW01。
废物代码废物来源危险特性071-001-08石油和天然气开采业油田井下作业产生的井场含油固体废物,即原油、含油废水与地表土壤及铺垫井场地面的炼钢废渣等相混合形成的含油固体废物T071-002-08废弃钻井液处理污泥;物理、化学方法处理废弃钻井液后产生的固体废物T091-001-22有色金属矿采选业硫化铜矿(黄铜矿、斑铜矿和辉铜矿),氧铜矿,赤铜矿和蓝铜矿等铜矿物采选过程中产生的铜烟、铜尘等残渣T091-002-24含砷化合物和硫砷化合物的金属矿石(雌黄、雄黄及砷硫铁矿)采选过程中产生的粉尘、烟尘等残渣T092-001-29“全泥氰化-炭浆提金”黄金选矿生产工艺产生的含汞粉尘、烟尘残渣、含氰废水的处理污泥T109-001-36非金属矿采选业石棉矿开采过程产生的石棉尾矿渣T151-001-34饮料制造业使用酸清洗生产缸或贮存缸产生的废酸C151-002-35使用碱清洗生产缸或贮存缸产生的废碱C 151-003-41使用有机溶剂清洗生产缸或贮存缸产生的废卤化有机溶剂I,T 151-004-42使用有机溶剂清洗生产缸或贮存缸产生的废有机溶剂I,T 152-001-34使用酸清洗生产缸或贮存缸所产生的废酸C 152-002-35使用碱清洗生产缸或贮存缸所产生的废碱C 152-003-41使用有机溶剂清洗生产缸或贮存缸所产生的废卤化有机溶剂I,T 152-004-42使用有机溶剂清洗生产缸或贮存缸所产生的废有机溶剂I,T 153-001-34使用酸清洗生产缸或贮存缸所产生的废酸C 153-002-35使用碱清洗生产缸或贮存缸所产生的废碱C 153-003-41使用有机溶剂清洗生产缸或贮存缸所产生的废卤化有机溶剂I,T 153-004-42使用有机溶剂清洗生产缸或贮存缸所产生的废有机溶剂I,T 176-001-35纺织业C性使用氢氧化钠进行煮炼过程中产生的废碱176-002-35使用氢氧化钠进行丝光处理过程中产生的废碱C 176-003-34使用硫酸进行酸性碳化产生的废酸C 191-001-41皮革、毛皮、羽毛(绒)及其制品业皮革干洗过程产生的废卤化有机溶剂T191-002-42皮革干洗过程产生的废有机溶剂T 192-001-41溶剂清洗工艺产生的废卤化有机溶剂T 192-002-42溶剂清洗工艺产生的废有机溶剂T 193-001-35使用氢氧化钙、硫化钙进行灰浸产生的废碱T 193-002-34使用硫酸进行酸蚀产生的废酸T 193-003-21铬化合物、碳酸氢盐进行铬鞣、再鞣工艺产生的含铬废物T 193-004-17使用溶剂、光漆进行光漆涂布、喷漆工艺产生的染料、涂料废物T 193-005-21皮革切削工艺产生的含铬皮革碎料T201-001-05木材加工及木、竹、藤、棕、草制品业锯材及木片加工厂积压、废弃或配制过剩的木材防腐剂T201-002-05使用木馏油或五氯苯酚进行木材保存过程中产生的废水处理污泥T201-003-05含氯酚的废水及工艺残余物;木材保存工艺过程中产生的含氯酚废物;此类别不包括201-002-05规定的废水处理污泥T201-004-05含杂酚油的废水、工艺残余物;木材保存工艺过程中产生的含杂酚油废物;此类别不包括201-002-05规定的废水处理污泥I,T201-005-05含砷、铬等无机防腐剂的废水、工艺残余物;木材保存工艺过程中产生的含砷或铬的无机防腐剂废物;此类别不包括201-002-05规定的废水处理污泥T211-001-17家具制造业使用有机溶剂、油漆进行喷漆工艺产生的染料、涂料废物T 211-002-41使用有机溶剂进行油漆剥落产生的废卤化有机溶剂T 211-003-42使用有机溶剂进行油漆剥落产生的废有机溶剂T 212-001-17使用有机溶剂、油漆进行喷漆工艺产生的染料、涂料废物T 212-002-41使用有机溶剂进行油漆剥落产生的废卤化有机溶剂T 212-003-42使用有机溶剂进行油漆剥落产生的废有机溶剂T 213-001-17使用有机溶剂、油漆进行喷漆工艺产生的染料、涂料废物T 213-002-41使用有机溶剂进行油漆剥落产生的废卤化有机溶剂T 213-003-42使用有机溶剂进行油漆剥落产生的废有机溶剂T 214-001-17使用有机溶剂、油漆进行喷漆工艺产生的染料、涂料废物T性214-002-41使用有机溶剂进行油漆剥落产生的废卤化有机溶剂T 214-003-42使用有机溶剂进行油漆剥落产生的废有机溶剂T 219-001-17使用有机溶剂、油漆进行喷漆工艺产生的染料、涂料废物T 219-002-41使用有机溶剂进行油漆剥落产生的废卤化有机溶剂T 219-003-42使用有机溶剂进行油漆剥落产生的废有机溶剂T 221-001-35造纸及纸制品业碱法制浆过程中蒸煮制浆产生的黑液和造纸厂产生的白泥C231-001-16印刷业和记录媒介的复制使用显影剂进行胶卷(菲林)显影,定影剂进行胶卷(菲林)定影,以及使用铁氰化钾、硫代硫酸盐进行影像减薄漂白产生的感光材料废物T231-002-29使用显影剂进行影像加厚(物理方法)产生的废物,包括使用汞化合物显影剂或氨氯化汞进行影像加厚(氧化)产生的废物T231-003-21使用重铬酸盐的胶体有机溶剂、黏合剂进行漩流式抗蚀涂布(抗蚀及光敏抗蚀层等)产生的含铬废物T231-004-16使用显影剂进行印刷显影、抗蚀圆形显影,以及使用水槽液进行凸版印刷产生的感光材料废物T 231-005-21使用铬化合物进行抗蚀层化学硬化产生的含铬废物T 231-006-22使用酸或三氯化铁进行铜板蚀刻产生的含铜废物T231-007-41使用有机溶剂进行橡皮版印刷产生的废卤化有机溶剂;使用煤油、柴油等清洗印刷工具产生的废卤化有机溶剂T231-008-42使用有机溶剂进行橡皮版印刷产生的废有机溶剂;使用有机溶剂进行清洗印刷工具产生的废有机溶剂T 231-009-35使用碱去除抗蚀层产生的废碱C 231-010-21使用酸铬酸镀铬产生的含铬废物T 231-011-12使用油墨有机溶剂进行凹版轮转丝网印刷产生的染料、涂料废物T244-001-34文教体育用品制造业使用酸清洗金属零件产生的废酸C 244-002-35使用碱清洗金属零件产生的废碱C 244-003-41使用有机溶剂进行清洗、蒸汽除油产生的废卤化有机溶剂T 244-004-42使用有机溶剂进行清洗、蒸汽除油产生的废有机溶剂T 244-005-31焊锡工艺中产生的含铅废物T 244-006-08使用助焊剂镀锡油进行焊锡作业产生的废矿物油T251-001-09石油加工、炼焦业清洗油罐(池)、油件过程中产生的油水、烃水混合物T性251-002-09石油精炼-初炼过程中油-水-固态物质分离产生的污泥;在储存或重力分离处理工艺废水期间产生的污泥;汽油提炼冷却废水;上述污泥包括油-水-固态物质分离器、积水槽、沟渠及其他输送管道、污水池、雨水收集管道产生的污泥T251-003-09石油精炼-乳化过程中油-水-固态物质分离产生的污泥;汽油提炼厂工艺废水和油冷却废水进行物理或化学分离产生的污泥及悬浮物T251-004-09炼油精炼过程中的溶解空气浮选法产生的浮渣T 251-005-09炼油精炼过程中的溢出废油乳剂T 251-006-09炼油精炼过程中的换热器管束清洗污泥T 251-007-09炼油精炼过程中的隔油池污泥T 251-008-09炼油精炼过程中的储存池底沉渣T 251-009-09石油精炼过程中的原油储存池沉积物T 251-010-09石油精炼过程中的澄清油浆槽底沉积物;石油精炼过程中的进油管路过滤或分离装置产生的固体废物T251-011-09使用电石气(乙炔)在氯化汞催化剂条件下生产氯乙烯单体过程中产生的废水处理污泥T 251-012-09石油精炼过程中的废氢化处理催化剂T 252-001-11炼焦过程中的蒸氨塔压滤污泥T 252-002-11炼焦过程中的澄清池底焦油状污泥T252-003-11煤焦油回收过程中产生的残渣,包括炼焦副产品回收过程中的污水池残渣T 252-004-11炼焦和炼焦副产品回收过程中的焦油储存池残渣T252-005-11轻油回收过程中产生的残渣,包括炼焦副产品回收过程中的蒸馏器、澄清池、洗涤油回收单元产生的残渣T252-006-11轻油精炼的污水池残渣;炼焦副产品回收过程中的污水池残渣T 252-007-11炼焦副产品回收过程中萘回收及再生产生的残渣T 252-008-11煤焦油精炼过程中的焦油储存池残渣T 252-009-11煤焦油蒸馏残渣,不限于蒸馏釜底物T261-001-27化学原料及化学制品制造业-无机化工原料生产氧化锑生产过程中布袋除尘器的收集灰尘;锑金属及粗氧化锑生产过程中布袋除尘器的收集灰尘T261-002-27氧化锑生产过程中所产生的熔渣;锑金属及粗氧化锑生产过程中所产生的熔渣T 261-003-29水银电解槽生产氯气过程中的盐水提纯污泥T 261-004-45使用石墨阳极生产氯气工艺隔膜电池提纯阶段产生的氯化烃废物T性261-005-29水银电解槽生产氯气产生的废水处理污泥T261-006-11使用氯化物(酸)-钛铁矿法在TiO2生产过程中形成的废酸和残渣T、C261-007-34使用酸清洗槽缸反应器或锅炉产生的废酸C 261-008-35使用碱清洗槽缸反应器或锅炉产生的废碱C 261-009-29水银法烧碱工艺过程中产生的含汞盐泥T261-010-11化学原料及化学制品制造业-有机化工原料及制品生产使用乙烯基制备乙醛过程中产生的蒸馏底渣T 261-011-11使用乙烯基制备乙醛过程中产生的蒸馏面馏分残渣T 261-012-11丙烯腈生产过程中的废水汽提器塔底流出物R,T 261-013-11丙烯腈生产过程中的乙腈塔底流出物R,T 261-014-11丙烯腈生产过程中的乙腈净化塔底残渣T 261-015-11苄基氯生产过程中蒸馏苄基氯产生的蒸馏釜底物T261-016-11四氯化碳生产过程中的重馏分;四氯化碳生产过程中的蒸馏底渣T 261-017-11环氧丙烷生产过程中的净化塔蒸馏釜底物T 261-018-11乙基氯生产过程中的分馏塔重馏分T 261-019-11二氯化乙烯生产过程中蒸馏二氯化乙烯产生的重馏分T 261-020-11氯乙烯单体生产过程中蒸馏氯乙烯产生的重馏分T 261-021-27氟代甲烷生产过程中的含水废锑催化剂T 261-022-11使用异丙苯生产苯酚和丙酮过程中的蒸馏底部焦油T 261-023-11使用萘生产邻苯二甲酸酐过程中的蒸馏轻馏分T 261-024-11使用萘生产邻苯二甲酸酐过程中的蒸馏底渣T 261-025-11使用苯硝化法生产硝基苯过程中的蒸馏釜底物T 261-026-11甲基乙基吡啶生产过程中的汽提蒸馏釜尾馏分T261-027-11甲苯二异氰酸酯生产过程中的离心分离残渣;甲苯二异氰酸酯生产过程中的蒸馏残渣T 261-028-451,1,1-三氯乙烷生产过程中的氢氯化反应器产生的废催化剂T 261-029-451,1,1-三氯乙烷生产过程中的蒸汽汽提废物T 261-030-11三氯乙烯和全氯乙烯组合产品生产过程中的塔底渣和重馏分T 261-031-11苯胺生产过程中的蒸馏底渣T 261-032-11氯苯生产过程中的蒸馏或分馏塔底物T 261-033-11使用邻二甲苯生产邻苯二甲酸酐过程中的蒸馏轻馏分T 261-034-11使用邻二甲苯生产邻苯二甲酸酐过程中的蒸馏底渣T性261-035-111,1,1-三氯乙烷生产过程中的蒸馏底渣T 261-036-111,1,1-三氯乙烷生产过程中的重馏分塔中的重馏分T 261-037-11苯胺生产过程中苯胺萃取工艺产生的残渣T 261-038-11硝基苯-苯胺生产过程中产生的混合废水T 261-039-45氯苯生产反应器中产品洗涤工序分离出的废水T 261-040-11使用羧酸肼生产1,1-二甲基肼产品分离过程中的塔底渣C,T261-041-11使用羧酸酰肼生产1,1-二甲基肼产品分离过程中的浓缩塔顶流出物I,T 261-042-11使用羧酸酰肼生产1,1-二甲基肼产品净化过程中的废过滤桶T261-043-11使用羧酸二甲基肼生产1,1-二甲基肼产品分离过程中的浓缩塔顶流出物T 261-044-11使用甲苯硝化法生产二硝基甲苯产品的清洗废水C,T 261-045-11使用氢化二硝基甲苯生产甲苯二胺过程中的干燥塔反应废水T 261-046-11使用氢化二硝基甲苯生产甲苯二胺提纯过程中的浓缩轻馏分T 261-047-11使用氢化二硝基甲苯生产甲苯二胺提纯过程中产生的同系副产物T 261-048-11使用氢化二硝基甲苯生产甲苯二胺提纯过程中产生的重馏分T261-049-11使用甲苯二胺通过光气化作用生产甲苯二异氰酸酯过程中的溶剂回收塔有机冷凝物T261-050-45乙烯通过溴化作用生产溴化乙烯过程中的反应器尾气排放口洗涤废水T261-051-45乙烯通过溴化作用生产溴化乙烯过程中的溴化乙烯提纯产生的废吸附剂T261-052-11乙烯通过溴化作用生产溴化乙烯过程中溴化乙烯提纯产生的蒸馏釜底物T261-053-11α-(或甲基-)氯化甲苯、环上氯代甲苯、苯甲酰氯和这些混合基团的化合物生产过程中的蒸馏底渣(此类废物不包括蒸馏苄基氯的蒸馏底渣)T261-054-45α-(或甲基-)氯化甲苯、环上氯代甲苯、苯甲酰氯和这些混合基团的化合物生产过程中氯气和盐酸回收工艺产生的有机残余物T261-055-45α-(或甲基-)氯化甲苯、环氯化甲苯、苯甲酰氯和这些混合基团化合物生产过程中产生的废水处理污泥T261-056-11氨基甲酸盐和氨基甲酰肟生产过程中产生的有机废物,包括重馏分、蒸馏釜底物、轻馏分、废溶剂、滤出液和洗涤液T261-057-11氨基甲酸盐和氨基甲酰肟生产过程中产生的废水,包括洗涤水、冷凝水、冲洗水和分离废水T261-058-11氨基甲酸盐和氨基甲酰肟生产过程中的布袋除尘器灰尘;氨基甲酸盐和氨基甲酰肟生产过程中过滤-分离的固态废物T 261-059-11处理硫代氨基甲酸盐废物过程中产生的有机废物T性261-060-11二硫代氨基甲酸盐酸及其盐生产过程中的提纯工艺产生的固态废物(包括过滤、蒸发和离心工艺产生)、布袋除尘器灰尘和清扫残渣R,T263-001-04化学原料及化学制品制造业-农药制造氯丹生产过程中的废水处理污泥;氯丹生产过程中氯化环戊二烯工艺产生的废水和洗涤水;氯丹生产过程中过滤六氯代环戊二烯产生的过滤废物;氯丹生产过程中氯丹氯化器-真空剥离产生的废物T263-002-04杂酚油生产过程中的废水处理污泥C 263-003-04乙拌磷生产过程中的废水处理污泥;甲苯回收工艺产生的蒸馏残渣T263-004-04甲拌磷生产过程的洗涤和汽提废水;过滤二乙基磷连二硫酸钠酸的滤饼;废水处理污泥T263-005-04毒杀芬生产过程中的废水及废水处理污泥T 263-006-042,4,5-三氯苯酚生产过程中四氯苯蒸馏产生的重馏分或蒸馏残渣T263-007-042,4-二氯苯酚和2,6-二氯苯酚生产过程中的残余物;2,4-二氯苯酚生产过程中的废水T263-008-04乙烯二连二硫酸氨基甲酸及其盐生产过程中的废水;反应器通气洗涤废水;过滤、蒸发和离心过程中产生的固态废物;产品研磨和包装工艺中的布袋除尘器灰尘和残余物T263-009-04甲基溴生产过程中反应器和酸干燥器产生的含硫酸废水;废吸附剂和废水分离器产生的固态废物C,T264-001-12化学原料及化学制品制造业-涂料、油墨、颜料及类似产品制造生产铬黄和橙黄色颜料的废水处理污泥T 264-002-12生产钼铬红黄色颜料的废水处理污泥T 264-003-12生产锌黄颜料的废水处理污泥T 264-004-12生产铬绿颜料的废水处理污泥T 264-005-12生产氧化铬绿颜料(无水的和水合的)的废水处理污泥T 264-006-12生产铁蓝颜料的废水处理污泥T 264-007-12生产氧化铬绿颜料的烘箱残渣T264-008-12使用颜料、速干膏、肥皂清洗含铬铅稳定剂油墨成分的设备过程中产生的溶剂清洗物和污泥T266-001-15炸药及火工产品制造制造和加工爆炸品产生的废水处理污泥R 266-002-15含爆炸品的废水在处理时产生的废炭R 266-003-15制造、配制和装载铅基化合物的废水处理污泥T 266-004-15三硝基甲苯(TNT)生产工艺中产生的粉红水或红水R性275-001-02医药制造业使用砷或有机砷化合物生产畜医药品过程中的废水处理污泥;使用砷或有机砷化合物生产畜医药品过程中蒸馏苯胺化合物所产生的蒸馏焦油残渣;使用砷或有机砷化合物生产畜医药品过程中使用活性碳脱色产生的残渣T291-001-31橡胶制品业使用硬脂酸铅进行抗黏涂层产生的含铅废物T 292-001-31使用硬脂酸铅进行抗黏涂层产生的含铅废物T 293-001-31使用硬脂酸铅进行抗黏涂层产生的含铅废物T 294-001-31使用硬脂酸铅进行抗黏涂层产生的含铅废物T 295-001-31使用硬脂酸铅进行抗黏涂层产生的含铅废物T 296-001-31使用硬脂酸铅进行抗黏涂层产生的含铅废物T 299-001-31使用硬脂酸铅进行抗黏涂层产生的含铅废物T301-001-41塑料制品业塑料板管棒制造中织品应用工艺使用有机溶剂黏合剂产生的废卤化有机溶剂I,T301-002-12人造革、合成革制品生产过程中使用油漆有机溶剂喷漆处理产生的染料、涂料废物T301-003-42塑料板管棒制造中织品应用工艺使用有机溶剂黏合剂产生的废有机溶剂I,T302-001-41塑料板管棒制造中织品应用工艺使用有机溶剂黏合剂产生的废卤化有机溶剂I,T302-002-42人造革、合成革制品生产过程中使用油漆有机溶剂喷漆处理产生的染料、涂料废物T302-003-12塑料板管棒制造中织品应用工艺使用有机溶剂黏合剂产生的废有机溶剂I,T303-001-41塑料板管棒制造中织品应用工艺使用有机溶剂黏合剂产生的废卤化有机溶剂I,T303-002-12人造革、合成革制品生产过程中使用油漆有机溶剂喷漆处理产生的染料、涂料废物T303-003-42塑料板管棒制造中织品应用工艺使用有机溶剂黏合剂产生的废有机溶剂I,T304-001-41塑料板管棒制造中织品应用工艺使用有机溶剂黏合剂产生的废卤化有机溶剂I,T304-002-12人造革、合成革制品生产过程中使用油漆有机溶剂喷漆处理产生的染料、涂料废物T304-003-42塑料板管棒制造中织品应用工艺使用有机溶剂黏合剂产生的废有机溶剂I,T 305-001-41塑料板管棒制造中织品应用工艺使用有机溶剂黏合剂产生的废卤I,T性化有机溶剂T 305-002-12人造革、合成革制品生产过程中使用油漆有机溶剂喷漆处理产生的染料、涂料废物I,T 305-003-42塑料板管棒制造中织品应用工艺使用有机溶剂黏合剂产生的废有机溶剂306-001-41塑料板管棒制造中织品应用工艺使用有机溶剂黏合剂产生的废卤I,T 化有机溶剂T 306-002-12人造革、合成革制品生产过程中使用油漆有机溶剂喷漆处理产生的染料、涂料废物306-003-41塑料板管棒制造中织品应用工艺使用有机溶剂黏合剂产生的废有I,T 机溶剂I,T 307-001-41塑料板管棒制造中织品应用工艺使用有机溶剂黏合剂产生的废卤化有机溶剂307-002-12人造革、合成革制品生产过程中使用油漆有机溶剂喷漆处理产生的T 染料、涂料废物307-003-42塑料板管棒制造中织品应用工艺使用有机溶剂黏合剂产生的废有I,T 机溶剂I,T 308-001-41塑料板管棒制造中织品应用工艺使用有机溶剂黏合剂产生的废卤化有机溶剂I,T 308-002-41塑料板管棒制造中织品应用工艺使用有机溶剂黏合剂产生的废有机溶剂T 308-003-12人造革、合成革制品生产过程中使用油漆有机溶剂喷漆处理产生的染料、涂料废物I,T 309-001-41塑料板管棒制造中织品应用工艺使用有机溶剂黏合剂产生的废卤化有机溶剂309-002-12人造革、合成革制品生产过程中使用油漆有机溶剂喷漆处理产生的T 染料、涂料废物I,T 309-003-42塑料板管棒制造中织品应用工艺使用有机溶剂黏合剂产生的废有机溶剂312-001-36非金属矿物制品业T 石棉建材生产过程中产生的石棉尘,废纤维,废石棉绒T 314-001-08玻璃及制品生产过程中使用打磨油或冷却剂进行打磨产生的废矿物油314-002-32使用氢氟酸进行玻璃蚀刻产生的无机氟化物废物T 314-003-41使用有机溶剂进行抗蚀层剥落、清洗等产生的废卤化有机溶剂T 314-004-35使用碱性清洗剂进行玻璃制品清洗产生的废碱CT 314-005-17使用氯化锡进行敏化、硝酸银碱甲醛进行敷金属法镀银产生的表面处理废物314-006-22使用硫酸铜还原剂进行敷金属法镀铜产生的含铜废物T 314-007-12使用油漆有机溶剂进行保护层涂敷产生的染料、涂料废物T性314-008-31使用铅盐或氧化物进行显像管玻璃熔炼产生的含铅废物T 314-009-42使用有机溶剂进行抗蚀层剥落、清洗等产生的废有机溶剂TT 322-001-21黑色金属冶炼及压延加工业电炉粗炼钢过程中尾气控制设施产生的飞灰与污泥322-002-34钢的精加工过程中产生的废酸性洗液C,T 323-001-08金属轧制或冷却产生的废矿物油T 323-002-34使用氢氧化钠进行金属除油过程中产生的废碱CC 323-003-34使用酸进行酸蚀产生的废酸;使用磷酸进行磷化产生的废酸323-004-23使用氯化锌、氯化铵进行敏化产生的含锌废渣T 324-001-21铬铁硅合金生产过程中尾气控制设施产生的飞灰与污泥T 324-002-21铁铬合金生产过程中尾气控制设施产生的飞灰与污泥T 324-003-21铁铬合金生产过程中金属铬冶炼产生的含有六价铬的废渣TT 331-001-31有色金属冶炼及压延加工业粗铅熔炼过程中储存池产生的浮渣和底泥331-002-33粗铝压延加工过程中产生的废弃电解电池列T 331-003-23粗锌压延加工过程中产生的废水处理污泥C 341-001-34金属制品业使用酸进行酸蚀产生的废酸342-001-35使用碱性清洗剂除蜡产生的废碱C 343-001-35碱性除油产生的废碱C 344-001-34使用酸进行电解除油产生的废酸C 344-002-35使用碱进行电解除油产生的废碱C 344-003-33使用氰化物进行电解除油产生的无机氰化物废物R,T 345-001-41溶剂除油过程中产生的废卤化有机溶剂I,T 345-002-42溶剂除油过程中产生的废有机溶剂I,T 346-001-41使用有机溶剂进行金属零件清洗、油漆剥落、溶剂除油产生的废卤I,T 化有机溶剂T 346-002-08使用煤油、柴油清洗金属零件过程中产生的废矿物油;使用切削油和切削液进行机械加工过程中产生的废矿物油346-003-13使用油漆、有机溶剂进行喷漆、上漆过程产生的染料、涂料废物T 346-004-09使用切削油和切削液进行机械加工过程中产生的废乳化液T性346-005-34使用酸进行电解除油、金属浸洗产生的废酸;使用硫酸、硝酸进行电解抛光处理产生的废酸;使用硝酸进行不合格镀层及挂架金镀层剥落产生的废酸;使用硝酸进行钝化产生的废酸;青铜生产过程中使用酸出光工艺产生的废酸C346-006-35使用碱进行电解除油产生的废碱C346-007-33使用氰化物进行电解除油产生的无机氰化物废物;使用氰化物进行浸洗产生的无机氰化物废物;使用镉和电镀化学品进行镀镉产生的无机氰化物废物;更换镀槽的滤芯产生的无机氰化物废物R,T346-008-17使用铬和电镀化学品进行镀黑铬产生的表面处理废物;使用铜和电镀化学品进行镀铜产生的表面处理废物;使用金和电镀化学品进行镀金产生的表面处理废物T346-009-46使用镍和电镀化学品进行镀镍产生的含镍废物T 346-010-23使用锌和电镀化学品进行镀锌产生的含锌废物T 346-011-41使用有机化合物进行光漆涂布产生的废卤化有机溶剂I,T346-012-33使用氰的氧化物进行电镀阻挡层或抗蚀层的脱除产生的无机氰化物R,T 346-013-35使用碱进行电镀阻挡层或抗蚀层的脱除产生的废碱C346-014-41使用有机溶剂进行电镀阻挡层或抗蚀层的脱除产生的废卤化有机溶剂I,T 346-015-35使用碱进行氧化膜浸蚀产生的废碱C346-016-21使用酸铬酸进行阳极氧化产生的含铬废物;铬酸进行表面粗化(塑胶)产生的含铬废物T 346-017-17使用钯及锡盐进行活化(化学镀)的表面处理废物T 346-018-34使用酸进行催化(化学镀)产生的废酸C 346-019-22使用镀铜液进行镀铜产生的含铜废物T 346-020-46使用镀镍液进行镀镍产生的含镍废物T 346-021-17电镀过程中产生的废水处理污泥T 346-022-33电镀过程中产生的废氰化物电镀液R,T 346-023-33使用氰化物进行电镀产生的电镀槽底残渣R,T 346-024-33使用氰化物进行电镀产生的废刮除剂和清洗槽液R,T 346-025-33使用氰化物进行金属热处理产生的淬火池残渣R,T 346-026-07使用氰化物进行金属热处理产生的淬火废水处理污泥T 346-027-33金属热处理过程中的盐浴槽釜清洗工艺产生的废氰化物残渣R,T 346-028-17铝的化学转化镀层(含磷化过程)过程中产生的废水处理污泥T 346-029-42使用有机溶剂进行金属零件清洗、油漆剥落、溶剂除油产生的废卤I,T。
附件国家危险废物名录第一条根据《中华人民共和国固体废物污染环境防治法》的有关规定,制定本名录。
第二条具有下列情形之一的固体废物(包括液态废物),列入本名录:(一)具有腐蚀性、毒性、易燃性、反应性或者感染性等一种或者几种危险特性的;(二)不排除具有危险特性,可能对环境或者人体健康造成有害影响,需要按照危险废物进行管理的。
第三条医疗废物属于危险废物。
医疗废物分类按照《医疗废物分类目录》执行。
第四条列入《危险化学品目录》的化学品废弃后属于危险废物。
第五条列入本名录附录《危险废物豁免管理清单》中的危险废物,在所列的豁免环节,且满足相应的豁免条件时,可以按照豁免内容的规定实行豁免管理。
第六条危险废物与其他固体废物的混合物,以及危险废物处理后的废物的属性判定,按照国家规定的危险废物鉴别标准执行。
第七条本名录中有关术语的含义如下:—3—(一)废物类别,是在《控制危险废物越境转移及其处置巴塞尔公约》划定的类别基础上,结合我国实际情况对危险废物进行的分类。
(二)行业来源,是指危险废物的产生行业。
(三)废物代码,是指危险废物的唯一代码,为8位数字。
其中,第1-3位为危险废物产生行业代码(依据《国民经济行业分类(GB/T 4754-2011)》确定),第4-6位为危险废物顺序代码,第7-8位为危险废物类别代码。
(四)危险特性,包括腐蚀性(Corrosivity, C)、毒性(Toxicity, T)、易燃性(Ignitability, I)、反应性(Reactivity, R)和感染性(Infectivity, In)。
第八条对不明确是否具有危险特性的固体废物,应当按照国家规定的危险废物鉴别标准和鉴别方法予以认定。
经鉴别具有危险特性的,属于危险废物,应当根据其主要有害成分和危险特性确定所属废物类别,并按代码“900-000-××”(××为危险废物类别代码)进行归类管理。
经鉴别不具有危险特性的,不属于危险废物。
废矿物油与含矿物油废物900-047-49生产、研究、开发、教学、环境检测(监测)活动中,化学和生物实验室(不包含感染性医学实验室及医疗机构化验室)产生的含氰、氟、重金属无机废液及无机废液处理产生的残渣、残液,含矿物油、有机溶剂、甲醛有机废液,废酸、废碱,具有危险特性的残留样品,以及沾染上述物质的一次性实验用品(不包括按实验室管理要求进行清洗后的废弃的烧杯、量器、漏斗等实验室用品)、包装物(不包括按实验室管理要求进行清洗后的试剂包装T/C/I/RHW13有机树脂 类废物非特定行业900-015-13湿法冶金、表面处理和制药行业重金属、抗生素提取、分离过程产生的废弃离子交换树脂,以及工业废水处理过程产生的废弃离子交换树脂T HW49其他废物非特定行业900-041-49含有或沾染毒性、感染性危险废物的废弃包装物、容器、过滤吸附介质T/In HW49其他废物非特定行业900-047-49生产、研究、开发、教学、环境检测(监测)活动中,化学和生物实验室(不包含感染性医学实验室及医疗机构化验室)产生的含氰、氟、重金属无机废液及无机废液处理产生的残渣、残液,含矿物油、有机溶剂、甲醛有机废液,废酸、废碱,具有危险特性的残留样品,以及沾染上述物质的一次性实验用品(不包括按实验室管理要求进行清洗后的废弃的烧杯、量器、漏斗等实验室用品)、包装物(不包括按实验室管理要求进行清洗后的试剂包装T/C/I/RHW13有机树脂类废物,危废代码(900-015-13)废弃离子交换树脂有了范围界定;锅炉水处理离子交换树脂不属于危废范围HW49其他废物危废代码 900-047-49(按实验室管理要求进行清洗后的试剂包装物、容器)不属于危废范围。
需各企业完善实验室管理要求中对试剂包装物、容器的清洗要求。
HW49其他废物危废代码 900-041-49含有或沾染毒性、感染性危险废物的废弃包装物、容器、过滤吸附介废矿物油 与含矿物 油废。
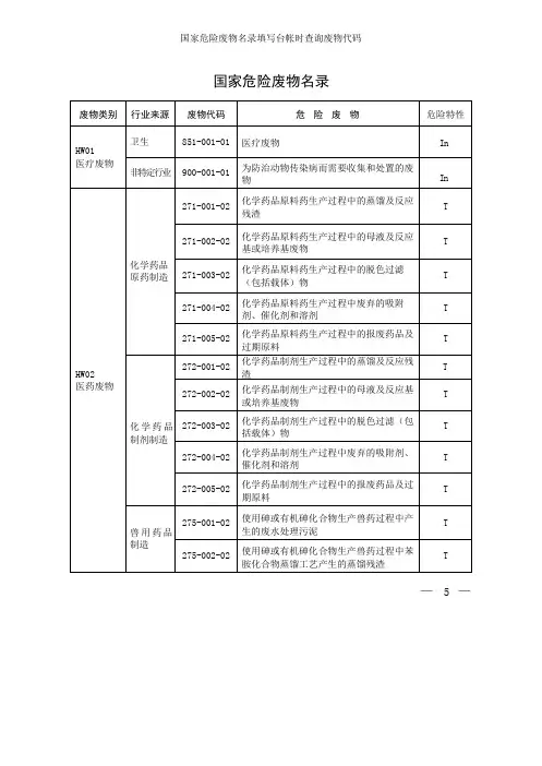
国家危险废物名录废物类别行业来源废物代码危险废物危险特性HW01 医疗废物卫生851-001-01医疗废物In非特定行业900-001-01为防治动物传染病而需要收集和处置的废物InHW02 医药废物化学药品原药制造271-001-02 化学药品原料药生产过程中的蒸馏及反应残渣T271-002-02 化学药品原料药生产过程中的母液及反应基或培养基废物T 271-003-02化学药品原料药生产过程中的脱色过滤(包括载体)物T271-004-02 化学药品原料药生产过程中废弃的吸附剂、催化剂和溶剂T271-005-02 化学药品原料药生产过程中的报废药品及过期原料T化学药品制剂制造272-001-02 化学药品制剂生产过程中的蒸馏及反应残渣T272-002-02 化学药品制剂生产过程中的母液及反应基或培养基废物T272-003-02 化学药品制剂生产过程中的脱色过滤(包括载体)物T272-004-02 化学药品制剂生产过程中废弃的吸附剂、催化剂和溶剂T272-005-02 化学药品制剂生产过程中的报废药品及过期原料T兽用药品制造275-001-02 使用砷或有机砷化合物生产兽药过程中产生的废水处理污泥T275-002-02 使用砷或有机砷化合物生产兽药过程中苯胺化合物蒸馏工艺产生的蒸馏残渣T— 5 —废物类别行业来源废物代码危险废物危险特性HW02 医药废物兽用药品制造275-003-02使用砷或有机砷化合物生产兽药过程中使用活性炭脱色产生的残渣T 275-004-02 其他兽药生产过程中的蒸馏及反应残渣T275-005-02其他兽药生产过程中的脱色过滤(包括载体)物T 275-006-02兽药生产过程中的母液、反应基和培养基废物T 275-007-02兽药生产过程中废弃的吸附剂、催化剂和溶剂T 275-008-02 兽药生产过程中的报废药品及过期原料T生物、生化制品的制造276-001-02利用生物技术生产生物化学药品、基因工程药物过程中的蒸馏及反应残渣T 276-002-02利用生物技术生产生物化学药品、基因工程药物过程中的母液、反应基和培养基废物T 276-003-02利用生物技术生产生物化学药品、基因工程药物过程中的脱色过滤(包括载体)物与滤饼T 276-004-02利用生物技术生产生物化学药品、基因工程药物过程中废弃的吸附剂、催化剂和溶剂T 276-005-02利用生物技术生产生物化学药品、基因工程药物过程中的报废药品及过期原料THW03 废药物、药品非特定行业900-002-03生产、销售及使用过程中产生的失效、变质、不合格、淘汰、伪劣的药物和药品(不包括 HW01、HW02、900-999-49 类)THW04 农药废物农药制造263-001-04氯丹生产过程中六氯环戊二烯过滤产生的残渣;氯丹氯化反应器的真空汽提器排放的废物T263-002-04 乙拌磷生产过程中甲苯回收工艺产生的蒸馏残渣T263-003-04 甲拌磷生产过程中二乙基二硫代磷酸过滤产生的滤饼T 263-004-042,4,5-三氯苯氧乙酸(2,4,5-T)生产过程中四氯苯蒸馏产生的重馏分及蒸馏残渣T 263-005-042,4-二氯苯氧乙酸(2,4-D)生产过程中产生的含 2,6-二氯苯酚残渣T— 6 —废物类别行业来源废物代码危险废物危险特性HW04 农药废物农药制造263-006-04乙烯基双二硫代氨基甲酸及其盐类生产过程中产生的过滤、蒸发和离心分离残渣及废水处理污泥;产品研磨和包装工序产生的布袋除尘器粉尘和地面清扫废渣T 263-007-04溴甲烷生产过程中反应器产生的废水和酸干燥器产生的废硫酸;生产过程中产生的废吸附剂和废水分离器产生的固体废物T 263-008-04 其他农药生产过程中产生的蒸馏及反应残渣T263-009-04农药生产过程中产生的母液及(反应罐及容器)清洗液T263-010-04 农药生产过程中产生的吸附过滤物(包括载体、吸附剂、催化剂)T 263-011-04 农药生产过程中的废水处理污泥T263-012-04农药生产、配制过程中产生的过期原料及报废药品T 非特定行业900-003-04销售及使用过程中产生的失效、变质、不合格、淘汰、伪劣的农药产品THW05木材防腐剂废物锯材、木片加工201-001-05使用五氯酚进行木材防腐过程中产生的废水处理污泥,以及木材保存过程中产生的沾染防腐剂的废弃木材残片T 201-002-05使用杂芬油进行木材防腐过程中产生的废水处理污泥,以及木材保存过程中产生的沾染防腐剂的废弃木材残片T 201-003-05使用含砷、铬等无机防腐剂进行木材防腐过程中产生的废水处理污泥,以及木材保存过程中产生的沾染防腐剂的废弃木材残片T专用化学产品制造266-001-05木材防腐化学品生产过程中产生的反应残余物、吸附过滤物及载体T 266-002-05∗木材防腐化学品生产过程中产生的废水处理污泥T266-003-05木材防腐化学品生产、配制过程中产生的报废产品及过期原料T非特定行业900-004-05销售及使用过程中产生的失效、变质、不合格、淘汰、伪劣的木材防腐剂产品THW06有机溶剂废物基础化学原料制造261-001-06 硝基苯-苯胺生产过程中产生的废液T—7 —废物类别行业来源废物代码危险废物危险特性HW06有机溶剂废物基础化学原料制造261-002-06 羧酸肼法生产 1,1-二甲基肼过程中产品分离和冷凝反应器排气产生的塔顶流出物T261-003-06 羧酸肼法生产 1,1-二甲基肼过程中产品精制产生的废过滤器滤芯T261-004-06 甲苯硝化法生产二硝基甲苯过程中产生的洗涤废液T 261-005-06有机溶剂的合成、裂解、分离、脱色、催化、沉淀、精馏等过程中产生的反应残余物、废催化剂、吸附过滤物及载体I,T261-006-06 有机溶剂的生产、配制、使用过程中产生的含有有机溶剂的清洗杂物I,THW07热处理含氰废物金属表面处理及热处理加工346-001-07 使用氰化物进行金属热处理产生的淬火池残渣T346-002-07 使用氰化物进行金属热处理产生的淬火废水处理污泥T 346-003-07 含氰热处理炉维修过程中产生的废内衬T346-004-07 热处理渗碳炉产生的热处理渗碳氰渣T346-005-07 金属热处理过程中的盐浴槽釜清洗工艺产生的废氰化物残渣R,T 346-049-07 其他热处理和退火作业中产生的含氰废物THW08 废矿物油天然原油和天然气开采071-001-08 石油开采和炼制产生的油泥和油脚T,I071-002-08 废弃钻井液处理产生的污泥T精炼石油产品制造251-001-08 清洗油罐(池)或油件过程中产生的油/水和烃/水混合物T 251-002-08石油初炼过程中产生的废水处理污泥,以及储存设施、油-水-固态物质分离器、积水槽、沟渠及其他输送管道、污水池、雨水收集管道产生的污泥T251-003-08 石油炼制过程中 API 分离器产生的污泥,以及汽油提炼工艺废水和冷却废水处理污泥T 251-004-08 石油炼制过程中溶气浮选法产生的浮渣T,I251-005-08 石油炼制过程中的溢出废油或乳剂T,I251-006-08 石油炼制过程中的换热器管束清洗污泥T251-007-08 石油炼制过程中隔油设施的污泥T—8 —废物类别行业来源废物代码危险废物危险特性HW08 废矿物油精炼石油产品制造251-008-08 石油炼制过程中储存设施底部的沉渣T,I251-009-08 石油炼制过程中原油储存设施的沉积物T,I251-010-08 石油炼制过程中澄清油浆槽底的沉积物T,I251-011-08 石油炼制过程中进油管路过滤或分离装置产生的残渣T,I 251-012-08 石油炼制过程中产生的废弃过滤粘土T涂料、油墨、颜料及相关产品制造264-001-08 油墨的生产、配制产生的废分散油T专用化学产品制造266-004-08 粘合剂和密封剂生产、配置过程产生的废弃松香油T船舶及浮动装置制造375-001-08 拆船过程中产生的废油和油泥T,I非特定行业900-200-08 珩磨、研磨、打磨过程产生的废矿物油及其含油污泥T900-201-08 使用煤油、柴油清洗金属零件或引擎产生的废矿物油T,I900-202-08 使用切削油和切削液进行机械加工过程中产生的废矿物油T 900-203-08 使用淬火油进行表面硬化产生的废矿物油T900-204-08 使用轧制油、冷却剂及酸进行金属轧制产生的废矿物油T900-205-08 使用镀锡油进行焊锡产生的废矿物油T900-206-08 锡及焊锡回收过程中产生的废矿物油T900-207-08 使用镀锡油进行蒸汽除油产生的废矿物油T900-208-08 使用镀锡油(防氧化)进行热风整平(喷锡)产生的废矿物油T900-209-08 废弃的石蜡和油脂T,I900-210-08 油/水分离设施产生的废油、污泥T,I900-249-08其他生产、销售、使用过程中产生的废矿物油T,I—9 —废物类别行业来源废物代码危险废物危险特性HW09油/水、烃/ 水混合物或乳化液非特定行业900-005-09来自于水压机定期更换的油/水、烃/水混合物或乳化液T 900-006-09使用切削油和切削液进行机械加工过程中产生的油/水、烃/水混合物或乳化液T 900-007-09其他工艺过程中产生的废弃的油/水、烃/水混合物或乳化液THW10多氯(溴) 联苯类废物非特定行业900-008-10含多氯联苯(PCBs)、多氯三联苯(PCTs)、多溴联苯(PBBs)的废线路板、电容、变压器T 900-009-10 含有PCBs、PCTs 和PBBs 的电力设备的清洗液T900-010-10含有 PCBs、PCTs和 PBBs的电力设备中倾倒出的介质油、绝缘油、冷却油及传热油T900-011-10含有或直接沾染PCBs、PCTs和PBBs的废弃包装物及容器T900-012-10 含有或沾染PCBs、PCTS、PBBS和多氯(溴)萘,且含量≥50mg/kg的废物、物质和物品THW11精(蒸)馏残渣精炼石油产品的制造251-013-11 石油精炼过程中产生的酸焦油和其他焦油T 炼焦制造252-001-11 炼焦过程中蒸氨塔产生的压滤污泥T252-002-11 炼焦过程中澄清设施底部的焦油状污泥T252-003-11炼焦副产品回收过程中萘回收及再生产生的残渣T 252-004-11炼焦和炼焦副产品回收过程中焦油储存设施中的残渣T 252-005-11 煤焦油精炼过程中焦油储存设施中的残渣T252-006-11 煤焦油蒸馏残渣,包括蒸馏釜底物T252-007-11煤焦油回收过程中产生的残渣,包括炼焦副产品回收过程中的污水池残渣T 252-008-11轻油回收过程中产生的残渣,包括炼焦副产品回收过程中的蒸馏器、澄清设施、洗涤油回收单元产生的残渣T 252-009-11 轻油精炼过程中的污水池残渣T252-010-11煤气及煤化工生产行业分离煤油过程中产生的煤焦油渣T 252-011-11 焦炭生产过程中产生的其他酸焦油和焦油T—10 —废物类别行业来源废物代码危险废物危险特性HW11精(蒸)馏残渣基础化学原料制造261-007-11 乙烯法制乙醛生产过程中产生的蒸馏底渣T261-008-11乙烯法制乙醛生产过程中产生的蒸馏次要馏分T 261-009-11苄基氯生产过程中苄基氯蒸馏产生的蒸馏釜底物T 261-010-11 四氯化碳生产过程中产生的蒸馏残渣T261-011-11 表氯醇生产过程中精制塔产生的蒸馏釜底物T261-012-11异丙苯法生产苯酚和丙酮过程中蒸馏塔底焦油T 261-013-11萘法生产邻苯二甲酸酐过程中蒸馏塔底残渣和轻馏分T 261-014-11邻二甲苯法生产邻苯二甲酸酐过程中蒸馏塔底残渣和轻馏分T 261-015-11苯硝化法生产硝基苯过程中产生的蒸馏釜底物T 261-016-11甲苯二异氰酸酯生产过程中产生的蒸馏残渣和离心分离残渣T 261-017-11 1,1,1-三氯乙烷生产过程中产生的蒸馏底渣T261-018-11三氯乙烯和全氯乙烯联合生产过程中产生的蒸馏塔底渣T 261-019-11 苯胺生产过程中产生的蒸馏底渣T261-020-11苯胺生产过程中苯胺萃取工序产生的工艺残渣T 261-021-11二硝基甲苯加氢法生产甲苯二胺过程中干燥塔产生的反应废液T 261-022-11二硝基甲苯加氢法生产甲苯二胺过程中产品精制产生的冷凝液体轻馏分T 261-023-11二硝基甲苯加氢法生产甲苯二胺过程中产品精制产生的废液T 261-024-11二硝基甲苯加氢法生产甲苯二胺过程中产品精制产生的重馏分T 261-025-11甲苯二胺光气化法生产甲苯二异氰酸酯过程中溶剂回收塔产生的有机冷凝物T 261-026-11 氯苯生产过程中的蒸馏及分馏塔底物T—11 —废物类别行业来源废物代码危险废物危险特性HW11精(蒸)馏残渣基础化学原料制造261-027-11使用羧酸肼生产1,1-二甲基肼过程中产品分离产生的塔底渣T 261-028-11乙烯溴化法生产二溴化乙烯过程中产品精制产生的蒸馏釜底物T 261-029-11α-氯甲苯、苯甲酰氯和含此类官能团的化学品生产过程中产生的蒸馏底渣T 261-030-11 四氯化碳生产过程中的重馏分T261-031-11二氯化乙烯生产过程中二氯化乙烯蒸馏产生的重馏分T 261-032-11氯乙烯单体生产过程中氯乙烯蒸馏产生的重馏分T 261-033-111,1,1-三氯乙烷生产过程中产品蒸汽汽提塔产生的废物T 261-034-111,1,1-三氯乙烷生产过程中重馏分塔产生的重馏分T 261-035-11三氯乙烯和全氯乙烯联合生产过程中产生的重馏分T常用有色金属冶炼331-001-11 有色金属火法冶炼产生的焦油状废物T 环境管理业802-001-11 废油再生过程中产生的酸焦油T 非特定行业900-013-11其他精炼、蒸馏和任何热解处理中产生的废焦油状残留物THW12染料、涂料废物涂料、油墨、颜料及相关产品制造264-002-12铬黄和铬橙颜料生产过程中产生的废水处理污泥T 264-003-12 钼酸橙颜料生产过程中产生的废水处理污泥T264-004-12 锌黄颜料生产过程中产生的废水处理污泥T264-005-12 铬绿颜料生产过程中产生的废水处理污泥T264-006-12 氧化铬绿颜料生产过程中产生的废水处理污泥T264-007-12 氧化铬绿颜料生产过程中产生的烘干炉残渣T264-008-12 铁蓝颜料生产过程中产生的废水处理污泥T264-009-12使用色素、干燥剂、肥皂以及含铬和铅的稳定剂配制油墨过程中,清洗池槽和设备产生的洗涤废液和污泥T—12 —废物类别行业来源废物代码危险废物危险特性HW12染料、涂料废物涂料、油墨、颜料及相关产品制造264-010-12 油墨的生产、配制过程中产生的废蚀刻液T264-011-12其他油墨、染料、颜料、油漆、真漆、罩光漆生产过程中产生的废母液、残渣、中间体废物T 264-012-12其他油墨、染料、颜料、油漆、真漆、罩光漆生产过程中产生的废水处理污泥,废吸附剂T 264-013-12油漆、油墨生产、配制和使用过程中产生的含颜料、油墨的有机溶剂废物T 纸浆制造221-001-12 废纸回收利用处理过程中产生的脱墨渣T非特定行业900-250-12使用溶剂、光漆进行光漆涂布、喷漆工艺过程中产生的染料和涂料废物T,I 900-251-12使用油漆、有机溶剂进行阻挡层涂敷过程中产生的染料和涂料废物T,I 900-252-12使用油漆、有机溶剂进行喷漆、上漆过程中产生的染料和涂料废物T,I 900-253-12使用油墨和有机溶剂进行丝网印刷过程中产生的染料和涂料废物T,I 900-254-12使用遮盖油、有机溶剂进行遮盖油的涂敷过程中产生的染料和涂料废物T,I 900-255-12使用各种颜料进行着色过程中产生的染料和涂料废物T 900-256-12使用酸、碱或有机溶剂清洗容器设备的油漆、染料、涂料等过程中产生的剥离物T 900-299-12生产、销售及使用过程中产生的失效、变质、不合格、淘汰、伪劣的油墨、染料、颜料、油漆、真漆、罩光漆产品T,IHW13有机树脂类废物基础化学原料制造261-036-13树脂、乳胶、增塑剂、胶水/胶合剂生产过程中产生的不合格产品、废副产物T 261-037-13树脂、乳胶、增塑剂、胶水/胶合剂生产过程中合成、酯化、缩合等工序产生的废催化剂、母液T 261-038-13树脂、乳胶、增塑剂、胶水/胶合剂生产过程中精馏、分离、精制等工序产生的釜残液、过滤介质和残渣T 261-039-13树脂、乳胶、增塑剂、胶水/胶合剂生产过程中产生的废水处理污泥T—13 —废物类别行业来源废物代码危险废物危险特性HW13有机树脂类废物非特定行业900-014-13 废弃粘合剂和密封剂T900-015-13 饱和或者废弃的离子交换树脂T900-016-13 使用酸、碱或溶剂清洗容器设备剥离下的树脂状、粘稠杂物THW14新化学药品废物非特定行业900-017-14 研究、开发和教学活动中产生的对人类或环境影响不明的化学废物T/C/In/I/RHW15爆炸性废物炸药及火工产品制造266-005-15 炸药生产和加工过程中产生的废水处理污泥R 266-006-15 含爆炸品废水处理过程中产生的废炭R266-007-15 生产、配制和装填铅基起爆药剂过程中产生的废水处理污泥T,R266-008-15 三硝基甲苯(TNT)生产过程中产生的粉红水、红水,以及废水处理污泥R 非特定行业900-018-15 拆解后收集的尚未引爆的安全气囊RHW16感光材料废物专用化学产品制造266-009-16显、定影液、正负胶片、像纸、感光原料及药品生产过程中产生的不合格产品和过期产品T 266-010-16显、定影液、正负胶片、像纸、感光原料及药品生产过程中产生的残渣及废水处理污泥T 印刷231-001-16使用显影剂进行胶卷显影,定影剂进行胶卷定影,以及使用铁氰化钾、硫代硫酸盐进行影像减薄(漂白)产生的废显(定)影液、胶片及废像纸T 231-002-16使用显影剂进行印刷显影、抗蚀图形显影,以及凸版印刷产生的废显(定)影液、胶片及废像纸T电子元件制造406-001-16使用显影剂、氢氧化物、偏亚硫酸氢盐、醋酸进行胶卷显影产生的废显(定)影液、胶片及废像纸T 电影893-001-16电影厂在使用和经营活动中产生的废显(定)影液、胶片及废像纸T摄影扩印服务828-001-16 摄影扩印服务行业在使用和经营活动中产生的废显(定)影液、胶片及废像纸T 非特定行业900-019-16其他行业在使用和经营活动中产生的废显(定)影液、胶片及废像纸等感光材料废物T—14 —废物类别行业来源废物代码危险废物危险特性HW17表面处理废物金属表面处理及热处理加工346-050-17 使用氯化亚锡进行敏化产生的废渣和废水处理污泥T346-051-17 使用氯化锌、氯化铵进行敏化产生的废渣和废水处理污泥T346-052-17∗使用锌和电镀化学品进行镀锌产生的槽液、槽渣和废水处理污泥T346-053-17 使用镉和电镀化学品进行镀镉产生的槽液、槽渣和废水处理污泥T346-054-17∗使用镍和电镀化学品进行镀镍产生的槽液、槽渣和废水处理污泥T346-055-17∗使用镀镍液进行镀镍产生的槽液、槽渣和废水处理污泥T346-056-17 硝酸银、碱、甲醛进行敷金属法镀银产生的槽液、槽渣和废水处理污泥T346-057-17 使用金和电镀化学品进行镀金产生的槽液、槽渣和废水处理污泥T346-058-17∗使用镀铜液进行化学镀铜产生的槽液、槽渣和废水处理污泥T346-059-17 使用钯和锡盐进行活化处理产生的废渣和废水处理污泥T346-060-17 使用铬和电镀化学品进行镀黑铬产生的槽液、槽渣和废水处理污泥T346-061-17 使用高锰酸钾进行钻孔除胶处理产生的废渣和废水处理污泥T346-062-17∗使用铜和电镀化学品进行镀铜产生的槽液、槽渣和废水处理污泥T346-063-17∗其他电镀工艺产生的槽液、槽渣和废水处理污泥T346-064-17 金属和塑料表面酸(碱)洗、除油、除锈、洗涤工艺产生的废腐蚀液、洗涤液和污泥T346-065-17 金属和塑料表面磷化、出光、化抛过程中产生的残渣(液)及污泥T346-066-17 镀层剥除过程中产生的废液及残渣T—15 —废物类别行业来源废物代码危险废物危险特性HW17表面处理废物金属表面处理及热处理加工346-099-17 其他工艺过程中产生的表面处理废物THW18焚烧处置残渣环境治理802-002-18 生活垃圾焚烧飞灰T802-003-18危险废物焚烧、热解等处置过程产生的底渣和飞灰(医疗废物焚烧处置产生的底渣除外)T802-004-18 危险废物等离子体、高温熔融等处置后产生的非玻璃态物质及飞灰T802-005-18 固体废物及液态废物焚烧过程中废气处理产生的废活性炭、滤饼THW19含金属羰基化合物废物非特定行业900-020-19 在金属羰基化合物生产以及使用过程中产生的含有羰基化合物成分的废物THW20 含铍废物基础化学原料制造261-040-20 铍及其化合物生产过程中产生的熔渣、集(除)尘装置收集的粉尘和废水处理污泥THW21 含铬废物毛皮鞣制及制品加工193-001-21∗使用铬鞣剂进行铬鞣、再鞣工艺产生的废水处理污泥T 193-002-21∗皮革切削工艺产生的含铬皮革碎料T印刷231-003-21∗使用含重铬酸盐的胶体有机溶剂、黏合剂进行漩流式抗蚀涂布(抗蚀及光敏抗蚀层等)产生的废渣及废水处理污泥T231-004-21∗使用铬化合物进行抗蚀层化学硬化产生的废渣及废水处理污泥T231-005-21∗使用铬酸镀铬产生的槽渣、槽液和废水处理污泥T基础化学原料制造261-041-21 有钙焙烧法生产铬盐产生的铬浸出渣(铬渣)T261-042-21 有钙焙烧法生产铬盐过程中,中和去铝工艺产生的含铬氢氧化铝湿渣(铝泥)T261-043-21 有钙焙烧法生产铬盐过程中,铬酐生产中产生的副产废渣(含铬硫酸氢钠)T261-044-21∗有钙焙烧法生产铬盐过程中产生的废水处理污泥T—16 —废物类别行业来源废物代码危险废物危险特性HW21 含铬废物铁合金冶炼324-001-21 铬铁硅合金生产过程中尾气控制设施产生的飞灰与污泥T324-002-21 铁铬合金生产过程中尾气控制设施产生的飞灰与污泥T324-003-21 铁铬合金生产过程中金属铬冶炼产生的铬浸出渣T金属表面处理及热处理加工346-100-21∗使用铬酸进行阳极氧化产生的槽渣、槽液及废水处理污泥T346-101-21 使用铬酸进行塑料表面粗化产生的废物T 电子元件制造406-002-21 使用铬酸进行钻孔除胶处理产生的废物THW22 含铜废物常用有色金属矿采选091-001-22 硫化铜矿、氧化铜矿等铜矿物采选过程中集(除)尘装置收集的粉尘T印刷231-006-22∗使用酸或三氯化铁进行铜板蚀刻产生的废蚀刻液及废水处理污泥T玻璃及玻璃制品制造314-001-22∗使用硫酸铜还原剂进行敷金属法镀铜产生的槽渣、槽液及废水处理污泥T电子元件制造406-003-22 使用蚀铜剂进行蚀铜产生的废蚀铜液T406-004-22∗使用酸进行铜氧化处理产生的废液及废水处理污泥THW23 含锌废物金属表面处理及热处理加工346-102-23 热镀锌工艺尾气处理产生的固体废物T346-103-23 热镀锌工艺过程产生的废弃熔剂、助熔剂、焊剂T 电池制造394-001-23 碱性锌锰电池生产过程中产生的废锌浆T非特定行业900-021-23∗使用氢氧化钠、锌粉进行贵金属沉淀过程中产生的废液及废水处理污泥THW24 含砷废物常用有色金属矿采选091-002-24硫砷化合物(雌黄、雄黄及砷硫铁矿)或其他含砷化合物的金属矿石采选过程中集(除)尘装置收集的粉尘THW25 含硒废物基础化学原料制造261-045-25 硒化合物生产过程中产生的熔渣、集(除)尘装置收集的粉尘和废水处理污泥THW26 含镉废物电池制造394-002-26 镍镉电池生产过程中产生的废渣和废水处理污泥T—17 —废物类别行业来源废物代码危险废物危险特性HW27 含锑废物基础化学原料制造261-046-27 氧化锑生产过程中除尘器收集的灰尘T261-047-27 锑金属及粗氧化锑生产过程中除尘器收集的灰尘T 261-048-27 氧化锑生产过程中产生的熔渣T261-049-27 锑金属及粗氧化锑生产过程中产生的熔渣THW28 含碲废物基础化学原料制造261-050-28 碲化合物生产过程中产生的熔渣、集(除)尘装置收集的粉尘和废水处理污泥THW29 含汞废物天然原油和天然气开采071-003-29 天然气净化过程中产生的含汞废物T贵金属矿采选092-001-29 “全泥氰化-炭浆提金”黄金选矿生产工艺产生的含汞粉尘、残渣T092-002-29 汞矿采选过程中产生的废渣和集(除)尘装置收集的粉尘T印刷231-007-29使用显影剂、汞化合物进行影像加厚(物理沉淀)以及使用显影剂、氨氯化汞进行影像加厚(氧化)产生的废液及残渣T基础化学原料制造261-051-29 水银电解槽法生产氯气过程中盐水精制产生的盐水提纯污泥T261-052-29 水银电解槽法生产氯气过程中产生的废水处理污泥T 261-053-29 氯气生产过程中产生的废活性炭T合成材料制造265-001-29 氯乙烯精制过程中使用活性炭吸附法处理含汞废水过程中产生的废活性炭T,C265-002-29 氯乙烯精制过程中产生的吸附微量氯化汞的废活性炭T,C电池制造394-003-29 含汞电池生产过程中产生的废渣和废水处理污泥T照明器具制造397-001-29 含汞光源生产过程中产生的荧光粉、废活性炭吸收剂T通用仪器仪表制造411-001-29 含汞温度计生产过程中产生的废渣T基础化学原料制造261-054-29 卤素和卤素化学品生产过程产生中的含汞硫酸钡污泥T—18 —。
WORD 格式可编辑专业知识 整理分享国家危险废物名录(新版)废物类别行业来源废物代码危险废物危险特性HW08废矿 900-204-08使用轧制油、冷却剂及酸进行金属轧 制产生的废矿物油T 物油与含 矿物油废非特定行 业900-217-08使用工业齿轮油进行机械设备润滑剂 过程中产生的废润滑油T.1物900-218-08液压设备维护、更换和拆解过程中产 生的废液压油 T.1HW09油/水、烬/水混 合物或乳 化液非特定行 业900-006-09 900-007-09使用切削油和切削液进行机械加工过 程中产生的油/水、烬/水混合物或乳化液其他工艺过程中产生的油/水、烬/水 混合物或乳化液T THW17表面 处理废物金属表面 处理及热 处理加工336-064-17金属和塑料表面酸(碱)洗、除油、 除锈、洗涤、磷化、出光、化抛工艺 产生的废腐蚀液、废洗涤液、废槽液、 槽渣和废水处理污泥T/CHW22含铜废物电子元件 制造397-005-22使用酸进行铜氧化处理产生的废液及污水处理泥垢T金属表面青铜生产过程中浸酸工序产生的废酸 处理及热336-105-34液CHW34废酸 处理加工非特定行业使用硫酸进行酸蚀产生的废酸液 900-302-34CHW48有色 金属冶炼废物常用有色 金属冶炼321-027-48321-028-48铜再生过程中集(除)尘装置收集的 粉尘和废水处理污垢 锌再生过程中集(除)尘装置收集的 粉尘和废水处理污垢T T。
1. HW08废矿物油类
废润滑油属于《国家危险废物名录》中HW08废矿物油类(本公司为废机油/废油擦机布等)
2. HW12染料(涂料)废物
如从油墨、染料、颜料、油漆、真漆、罩光漆的生产配制和使用过程中产生的废物
—生产过程中产生的废弃的颜料、染料、涂料和不合格产品—染料、颜料生产硝化、氧化、还原、磺化、重氮化、卤化等化学反应中产生的废母液、残渣、中间体雇废物
—油漆、油墨生产、配制和使用过程中产生的含颜料、油墨的有机溶剂废物
—使用酸、大事或有机溶剂清洗溶器设备产生的污泥状剥离物—含有染料、颜料、油墨、油漆残余物的废弃物包装物
—废水处理污泥(本公司为废油墨/废油墨桶/废还原剂)
3 HW13有机树脂类废物:
.废胶粘剂属于《国家危险废物名录》中HW13有机树脂类废物,(本公司为废胶粘剂)
4. HW16感光材料废物:
废胶片、废定影液、显影液属于《国家危险废物名录》中HW16感光材料废物(本公司为废胶片、废定影液、显影液)。
编号废物类别废物来源常见国际危害组分或废物名称HW01医院临床废物从医院、医疗中心和诊所的医疗服务中产生的临床废物——手术、包扎残余物——生物培养、动物试验残余物——化验检查残余物——传染性废物——废水处理污泥手术残物,敷料、化验废物,传染性废物,动物试验废物HW02医药废物从医用药品的生产制作过程中产生的废物,包括兽药产品(不含中药类废物)——蒸馏及反应残余物——高浓度母液及反应基或培养基废物——脱色过滤(包括载体)物——用过废弃的吸附剂、催化剂、溶剂——生产中产生的报废药品及过期原料废抗菌药、甾类药、抗组织胺类药、镇痛药、心血管药、神经系统药、杂药,基因类废物HW03废药物、药品过期、报废的无标签的及多种混杂的药物、药品(不包括HW01,HW02类中的废药品)——生产中产生的报废药品(包括药品废原料和中间体反应物)——使用单位(科研、监测、学校、医疗单位、化验室等)积压或报废的药品(物)——经营部门过期的报废药品(物)废化学试剂,废药品,废药物HW04农药废物来自杀虫、杀菌、除草、灭鼠和植物生长调节剂的生产、经销、配制和使用过程中产生的废物——蒸馏及反应残余物——生产过程母液及(反应罐及容器)清洗液——吸附过滤物(包括载体,吸附剂,催化剂)——废水处理污泥——生产、配制过程中的过期原料——生产、销售、使用过程中的过期和淘汰产品——沾有农药及除草剂的包装物及容器废有机磷杀虫剂、有机氯杀虫剂、有机氮杀虫剂、氨基甲酸酯类杀虫剂、拟除虫菊酯类杀虫剂、杀螨剂、有机磷杀菌剂、有机氯杀菌剂、有机硫杀菌剂、有机锡杀菌剂、有机氮杀菌剂、醌类杀菌剂、无机杀菌剂、有机胂杀菌剂、氨基甲酸酯类除草剂、醚类除草剂、酚类除草剂、酰胺类除草剂、取代脲类除草剂、苯氧羧酸类除草剂、均三氮苯类除草剂、无机除草剂HW05木材防腐剂废物从木材防腐化学品的生产、配制和使用中产生的废物(不包括与HW04类重复的废物)——生产单位生产中产生的废水处理污泥、工艺反应残余物、吸附过滤物及载体——使用单位积压、报废或配制过剩的木材防腐化学品——销售经营部门报废的木材防腐化学品含五氯酚,苯酚,2-氯酚,甲酚,对氯间甲酚,三氯酚,屈萘,四氯酚,杂酚油,萤蒽,苯并a芘,2,4-二甲酚,2,4-二硝基酚苯并(b)萤蒽,苯并(a)蒽,二苯并(a)蒽的废物HW06有机溶剂废物从有机溶剂生产、配制和使用过程中产生的废物(不包括HW42类的废有机溶剂)——有机溶剂的合成、裂解、分离、脱色、催化、沉淀、精馏等过程中产生的反应残余物,吸附过滤物及载体——配制和使用过程中产生的含有机溶剂的清洗杂物废催化剂,清洗剥离物,反应残渣及滤渣,吸附物与载体废物HW07热处理含氰废物从含有氰化物热处理和退火作业中产生的废物——金属含氰热处理——含氰热处理回火池冷却——含氰热处理炉维修——热处理渗碳炉含氰热处理钡渣,含氰污泥及冷却液,含氰热处理炉内衬,热处理渗碳氰渣HW08废矿物油不适合原来用途的废矿物油——来自于石油开采和炼制产生的油泥和油脚——矿物油类仓储过程中产生的沉积物——机械、动力、运输等设备的更换油及清洗油(泥)——金属轧制、机械加工过程中产生的废油(渣)——含油废水处理过程中产生的废油及油泥——油加工和油再生过程中产生的油渣及过滤介质废机油、原油、液压油、真空泵油、柴油、汽油、重油、煤油、热处理油、樟脑油、润滑油(脂)、冷却油HW09废乳化液从机械加工、设备清洗等过程中产生的废乳化液、废油水混合物——生产、配制、使用过程中产生的过剩乳化液(膏)——机械加工、金属切削和冷拔过程产生的废乳化剂——清洗油罐、油件过程中产生的油水、烃水混合物——来自于(乳化液)水压机定期更换的乳化废液废皂液、乳化油/水、烃/水混合物、乳化液(膏)、切削剂、冷却剂、润滑剂、拔丝剂HW10含多氯联苯废物含有或沾染多氯联苯(PCBs)、多氯三联苯(PCTs)、多溴联苯(PBBs)的废物质和废物品——过剩的、废弃的、封存的、待替换的含有PCBs、PBBs和PCTs的电力设备(电容器、变压器)——从含有PCBs,PBBs或PCTs的电力设备中倾倒出的介质油、绝缘油、冷却油及含多氯联苯(PCBs),多溴联苯(PBBs)、多氯三联苯(PCTs)废物传热油——来自含有PCBs,PBBs和PCTs或被这些物质污染的电力设备的拆装过程中的清洗液——被PCBs,PBBs和PCTs污染的土壤及包装物HW11精(蒸)馏残渣从精炼、蒸馏和任何热解处理中产生的废焦油状残留物——煤气生产过程中产生的焦油渣——原油蒸馏过程中产生的焦油残余物——原油精制过程中产生的沥青状焦油及酸焦油——化学品生产过程中产生的蒸馏残渣和蒸馏釜底物——化学品原料生产的热解过程中产生生的焦油状残余物——被工业生产过程中产生的焦油或蒸馏残余物所污染的土壤——盛装过焦油状残余物的包装和容器沥青渣,焦油渣,废酸焦油,酚渣,蒸馏釜残物,精馏釜残物,甲苯渣,液化石油气残渣(含苯并(a)芘、屈萘、萤蒽、多环芳烃类废物)HW12染料、涂料废物从油墨、染料、颜料、油漆、真漆、罩光漆的生产配制和使用过程中产生的废物——生产过程中产生的废弃的颜料、染料、涂料和不合格产品——染料、颜料生产硝化、氧化、还原、磺化、重氮化、卤化等化学反应中产生的废母液、残渣、中间体废物——油漆、油墨生产、配制和使用过程中产生的含颜料、油墨的有机溶剂废物——使用酸、碱或有机溶剂清洗容器设备产生的污泥状剥离物——含有染料、颜料、油墨、油漆残余物的废弃包装物——废水处理污泥废酸性染料、碱性染料、媒染染料偶氮染料、直接染料、冰染染料、还原染料、硫化染料、活性染料、醇酸树脂涂料、丙烯酸树脂涂料、聚氨酯树脂涂料、聚乙烯树脂涂料、环氧树脂涂料、双组份涂料、油墨、重金属颜料HW13有机树酯类废物从树酯、胶乳、增塑剂、胶水/胶合剂的生产、配制和使用过程中产生的废物——生产、配制、使用过程中产生的不合格产品、废副产物——在合成、酯化、缩合等反应中产生的废催化剂、高浓度废液——精馏、分离、精制过程中产生的釜残液、过滤介质和残渣——使用溶剂或酸、碱清洗容器设备剥离下的树脂状、黏稠杂物含邻苯二甲酸酯类,脂肪酸二元酸酯类,磷酸酯类,环氧化合物类,偏苯三甲酸酯类,聚酯类、氯化石蜡,二元醇和多元醇酯类,磺酸衍生物的废物——废水处理污泥HW14新化学品废物从研究和开发或教学活动中产生的尚未鉴定的和(或)新的并对人类和(或)环境的影响未明的化学废物新化学品研制中产生的废物HW15爆炸性废物在生产、销售、使用爆炸物品过程中产生的次品、废品及具有爆炸性质的废物——不稳定,在无爆震时容易发生剧烈变化的废物——能和水形成爆炸性混合物——经过发热、吸湿、自发的化学变化具有着火倾向的废物——在有引发源或加热时能爆震或爆炸的废物含叠氮乙酰,硝酸乙酰酯,叠氮胺,氯酸铵,六硝基高钴酸铵,硝酸铵,氮化铵,过碘酸铵,高锰酸铵,苦味酸铵,四过氧铬酸铵,叠氮羰基胍,叠氮钡,氯化重氮苯,苯并三唑,亚硝基胍,硝化甘油,四硝基戊四醇,三硝基氯苯,聚乙烯硝酸酯,硝酸钾,叠氮化银,氮化银,三硝基苯间二酚银,四氮烯银,无烟,叠氮化钠,苦味酸钠,四硝基甲烷,四氮化四硒,四氮化四硫,四氮烯,氮化铊,二氮化三铅,二氮化三汞,三硝基苯,氯酸钾,雷汞,雷银,三硝基甲苯,三硝基间苯二酚的废物HW16感光材料废物从摄影化学品、感光材料的生产、配制、使用中产生的废物——生产过程中产生的不合格产品和过期产品——生产过程中产生的残渣及废水污泥——出版社、报社、印刷厂、电影厂在使用和经营活动中产生的废显(定)影液、胶片及废像纸——社会照像部、冲洗部在使用和经营活动中产生的废显(定)影液、胶片及废像纸——医疗院所的X光和CT检查中产生的废显(定)液及胶片废显影液、定影液、正负胶片、像纸、感光原料及药品HW17表面处理废物从金属和塑料表面处理过程中产生的废物——电镀行业的电镀槽渣、槽液及水处理污泥——金属和塑料表面酸(碱)洗、除油、除锈、洗涤工艺产生的腐蚀液、洗涤液和污泥——金属和塑料表面磷化、出光、化抛过程中产生的残渣(液)及污泥——镀层剥除过程中产生的废液及残渣废电镀溶液,镀槽淤渣,电镀水处理污泥,表面处理酸碱渣,氧化槽渣,磷化渣,亚硝酸盐废渣HW18焚烧处置残渣从工业废物处置作业中产生的残余物焚烧处置残渣及灰尘HW19含金属羰基化合物废物在金属羰基化合物制造以及使用过程中产生的含有羰基化合物成份的废物——精细化工产品生产——金属有机化合物的合成金属羰基化合物(五羰基铁,八羰基二钴,羰基镍,三羰基钴,氢氧化四羰基钴)废物HW20含铍废物含铍及其化合物的废物——稀有金属冶炼——铍化合物生产含铍,硼氢化铍,溴化铍,氢氧化铍,碘化铍,碳酸铍,硝酸铍,氧化铍,硫酸铍,氟化铍,氯化铍,硫化铍的废物HW21含铬废物含有六价铬化合物的废物——化工(铬化合物)生产——皮革加工(鞣革)业——金属、塑料电镀——酸性媒介染料染色——颜料生产与使用——金属铬冶炼(铁合金)含铬酸酐,(重)铬酸钾,(重)铬酸钠,铬酸,重铬酸,三氧化铬,铬酸锌,铬酸钾,铬酸钙,铬酸银,铬酸铅,铬酸钡的废物HW22含铜废物含有铜化物的废物——有色金属采选和冶炼——金属、塑料电镀——铜化合物生产含溴化(亚)铜,氢氧化铜,硫酸(亚)铜,碘化(亚)铜,碳酸铜,硝酸铜,硫化铜,氟化铜,硫化(亚)铜,氯化(亚)铜,醋酸铜,氧化铜钾,磷酸铜,二水合氯化铜铵的废物HW23含锌废物含有锌化合物的废物——有色金属采选及冶炼——金属、塑料电镀——颜料、油漆、橡胶加工——锌化合物生产——含锌电池制造业含溴化锌,碘化锌,硝酸锌,硫酸锌,氟化锌,硫化锌,过氧化锌,高锰酸锌,醋酸锌,草酸锌铬酸锌,溴酸锌,磷酸锌,焦磷酸锌,磷化锌的废物HW24含砷废物含砷及砷化合物的废物——有色金属采选及冶炼——砷及其化合物的生产——石油化工——农药生产——染料和制革业含砷,三氧化二砷,亚砷酐,五氧化二砷,五硫化二砷,硫化亚砷,砷化锌,乙酰基砷铜,砷化钙,砷化铁,砷化铜,砷化铅,砷化银,乙基二氯化砷,(亚)砷酸,三氟化砷,砷酸锌,砷酸铵,砷酸钙,砷酸铁,砷酸钠,砷酸汞,砷酸铅,砷酸镁,三氯化砷,二硫化砷,砷酸钾,砷化(三)氢的废物HW25含硒废物含硒及硒化合物废物——有色金属冶炼及电解——硒化合物生产——颜料、橡胶、玻璃生产含硒,二氧化硒,三氧化硒,四氟化硒,六氟化硒,二氯化二硒,四氯化硒,亚硒酸,硒化氢,硒化钠。
(亚)硒酸钠,二硫化硒,硒化亚铁,亚硒酸钡,硒酸,二甲基硒的废物HW26含镉废物含镉及其化合物废物——有色金属采选及冶炼——镉化合物生产——电池制造业——电镀行业含镉,溴化镉,碘化镉,氢氧化镉,碳酸镉,硝酸镉,硫酸镉,硫化镉,氯化镉,氟化镉,醋酸镉,氧化镉,二甲基镉的废物HW27含锑废物含锑及其化合物废物——有色金属冶炼——锑化合物生产和使用含锑,二氧化二锑,亚锑酐,五氧化二锑,硫化亚锑,硫化锑,氟化亚锑,氟化锑,氯化(亚)锑,三氢化锑,锑酸钠,锑酸铅,乳酸锑,亚锑酸钠的废物HW28含碲废物含碲及其化合物废物——有色金属冶炼及电解——碲化合物生产和使用含碲,四溴化碲,四碘化碲,三氧化碲,六氟化碲,四氯化碲,亚碲酸,碲化氢,碲酸,二乙基碲,二甲基碲的废物HW29含汞废物含汞及其化合物废物——化学工业含汞催化剂制造与使用——含汞电池制造业——汞冶炼及汞回收工业——有机汞和无机汞化合物生产含汞,溴化(亚)汞,碘化(亚)汞,硝酸(亚)汞,氧化汞,硫酸(亚)汞,氯化(亚)汞,硫化汞,氯化乙基汞,氯化汞铵,氯化甲基汞,醋酸(亚)汞,HW29含汞废物——农药及制药业——荧光屏及汞灯制造及使用——含汞玻璃计器制造及使用——汞法烧碱生产产生的含汞盐泥二甲基汞,二乙基汞,氯化高汞的废物。