3立方医用分子筛制氧机
- 格式:doc
- 大小:31.50 KB
- 文档页数:2
医用分子筛中心制氧设备操作说明书
本操作说明书是为了帮助医用分子筛中心的运营人员正确操作制氧设备,以确保患者能够获得高质量的氧气治疗。
在操作设备之前,请仔细阅读以下内容,并按照指导进行操作。
1. 开机操作:
a. 检查设备是否连接正确,电源线是否插好。
b. 按下电源开关,待设备开机完成后进入待机状态。
2. 调节氧气流量:
a. 按下氧气流量调节按钮,根据患者需要的氧气流量,逐渐
调整氧气流量表至所需数值。
b. 检查氧气流量表是否显示正确。
3. 连接氧气面罩或导管:
a. 将氧气面罩或导管连接至设备出气口,确保连接紧固。
b. 如果使用氧气面罩,确保面罩与患者面部贴合良好。
4. 开始治疗:
a. 确认设备正常运行后,按下开始治疗按钮。
b. 观察患者状态及氧气供应情况,确保治疗过程中一切正常。
5. 结束治疗:
a. 治疗结束后,按下停止按钮,将氧气流量调节至零。
b. 断开氧气面罩或导管,并将设备关机。
6. 日常维护:
a. 每天使用后,清洁设备表面,并定期清洁出气口及氧气面罩。
b. 每周检查设备内部是否有异物或污垢,并进行必要的清洁
和维护。
请注意,本操作说明书仅供参考,具体操作时请结合设备说明书进行操作。
如有任何疑问或意外情况,请立即停止使用设备,并联系相关专业人员进行检修或处理。
感谢您的配合与使用。
医用分子筛制氧机对气体中杂质的控制措施
医用分子筛制氧机对气体中杂质的控制措施主要包括以下几个方面:
1. 分子筛的筛选与更换:医用分子筛制氧机的核心部分是分子筛,它能够有效去除气体中的杂质。
因此,应定期对分子筛进行筛选,并适时更换,以保证其持续高效的性能。
2. 过滤器的使用:在气体进入制氧机之前,应先经过过滤器,去除其中的尘埃和其他颗粒物,以防止其对分子筛和制氧机其他部件的损害。
3. 定期维护与清洗:应定期对制氧机进行维护和清洗,以保证其内部的清洁度,防止因杂质积累而影响制氧机的性能。
4. 监控与报警系统:应建立完善的监控与报警系统,对制氧机的运行状态进行实时监测,一旦发现异常情况,及时报警并采取相应的处理措施。
5. 操作规范的制定与执行:应制定严格的制氧机操作规范,并确保工作人员严格遵守。
规范应包括制氧机的启动、运行、停止等各个方面的操作细节,以保证气体的纯度与安全性。
6. 培训与教育:应对相关工作人员进行定期的培训与教育,提高其对制氧机原理、操作和维护等方面的认识,以便更好地控制气体中的杂质。
7. 质量检测与控制:应建立完善的质量检测与控制系统,对制氧机的性能进行定期检测,以及时发现并解决潜在问题,确保气体质量的稳定与可靠。
8. 记录与追溯:应对制氧机的运行和维护情况进行详细记录,以便进行追溯和分析。
一旦发现气体质量不达标或存在其他问题,可以迅速找到原因并采取相应措施。
通过以上措施的实施,可以有效控制医用分子筛制氧机气体中的杂质,保证气体的纯度与安全性,为医疗保健工作提供可靠的保障。
医用分子筛制氧机的应用研究
一、医用分子筛制氧机的研究背景
目前中国的支气管哮喘患者越来越多,而支气管哮喘的有效治疗方法之一就是吸入氧气,传统的吸入氧气存在一定的缺点:吸入氧气的浓度很容易受到外界气温、湿度、海拔等外界条件的影响,因而使得患者吸入氧气的浓度不能精确的控制,而这对支气管哮喘患者和其他肺疾病患者的治疗是很不利的。
于是,医学专家开发出了医用分子筛制氧机。
二、医用分子筛制氧机的特点
医用分子筛制氧机的特点是精确控制吸入氧气的浓度,无论是外界气温、湿度、海拔还是其他的外界条件都不会对氧气的浓度有任何变化,这就非常适合支气管哮喘患者和其他肺疾病患者的治疗。
除了控制吸入氧气的浓度之外,医用分子筛制氧机还能够过滤出较多的病菌和灰尘,保证吸入的氧气清洁,对肺部疾病患者治疗起到良好的作用。
(1)吸入氧气浓度的控制机智能诊断。
医用分子筛制氧机标准
医用分子筛制氧机的标准主要包括以下几个方面:
1. 氧气纯度标准:医用分子筛制氧机需要能够产生高纯度的氧气,一般要求氧气纯度达到93%以上,以满足医疗使用的要求。
2. 氧气流量标准:医用分子筛制氧机需要能够提供足够的氧气流量,以满足病人吸氧的需要。
常见的流量标准有5升/分钟、10升/分钟等。
3. 噪音标准:医用分子筛制氧机需要具备低噪音的特点,以保证在使用过程中不会对病人和使用者造成干扰。
4. 稳定性标准:医用分子筛制氧机需要具备良好的稳定性,能够持续稳定地提供氧气,不受外界环境变化的影响。
5. 安全性标准:医用分子筛制氧机需要符合相关的安全标准,包括电气安全、防爆安全等,以确保使用过程中的安全性。
此外,不同国家和地区可能还存在一些细节上的差异,具体的医用分子筛制氧机标准可以参考当地的法规和标准。
Xxxxxxx有限公司产品技术要求医疗器械产品技术要求编号:医用分子筛制氧机1.产品型号/规格1.1 产品类别按医用电气安全分类医用分子筛制氧机(以下简称制氧机)属Ⅱ类设备,带B型应用部分。
1.2 产品型号划分说明制氧机产品型号按如下规定表示:1.3 结构组成制氧机由主机及附件组成。
附件主要为湿化杯、吸氧管、遥控器(适用型号见表1)、雾化杯(适用型号见表1)。
其中与病人接触的应用部分吸氧管、雾化杯、雾化面罩(苏州明基医疗:一次性使用输氧面罩,套装),选用有医疗器械产品注册证的产品。
1.4 基本性能与参数(见下表1,表2 )除表1和表2所列性能和参数外,制氧机还具有氧浓度低提示,低电压提示,断电提示,压缩机故障提示功能。
2. 性能指标2.1 工作条件a)工作环境温度范围:5℃~40℃;b)相对湿度范围:≤80﹪;c)大气压力范围:86.0kPa ~106.0kPa;d)电源电压:220V;e)电源频率:50Hz.2.2 外观质量表面应平整光洁,色泽均匀,不得有明显的锋棱、划痕和掉漆;设备上的控制和调节件应灵活可靠,安装牢固;设备上的文字、图形、符号和标志应清晰准确。
2.3 技术性能2.3.1氧产量制氧机正常工作时的氧气产量见表2;误差为±0.5L/min。
2.3.2氧流量调节与监测氧产量3L机型:调节及监测范围为0~3L/min,连续可调;标称氧产量下监测误差±0.2 L/min。
氧产量5L机型: 调节及监测范围为0~5L/min,连续可调;标称氧产量下监测误差±0.2 L/min。
2.3.3氧气输出压力制氧机正常工作情况下氧气输出口的静态压力应在0.045MPa—0.08MPa之间。
2.3.4氧浓度a)制氧机正常工作时的氧浓度符合表2对氧浓度的规定;b)部分型号(见表1)制氧机有氧浓度在线监测功能;c)氧产量:制氧设备开机30分钟其氧产量应达到设计要求,以L/min为单位。
医用分子筛制氧机产品技术要求1.设备结构和材料要求:(1)设备采用紧凑的结构设计,体积小巧、易于携带和存放。
(2)材料应该符合医疗器械的相关标准要求,必须符合无毒、无刺激性、无致敏性和无菌性等标准。
(3)设备应具备防震、防滑和防漏电等安全功能。
2.氧气浓度和流量调节要求:(1)设备应能够提供稳定的高浓度氧气,浓度范围应在90%以上。
(2)氧气流量调节范围应广泛,以满足不同患者的需求,通常在0.5升/分钟到10升/分钟之间。
(3)设备应具备精确的氧气浓度和流量调节功能,在各种工作场景下能够保持稳定的输出。
3.噪音和振动控制要求:(1)设备的噪音水平应低,不应超过45分贝。
(2)设备在工作过程中应尽量减少振动,确保患者的使用舒适度。
4.氧气传输和输送要求:(1)设备应具备高效的分子筛技术,能够有效地将空气中的氧气分离出来。
(2)设备应具备稳定且均匀的氧气输送能力,确保患者能够持续获得所需的氧气支持。
(3)设备的氧气传输管路应具备耐高压、耐腐蚀和耐磨损的特性。
5.温湿度控制要求:(1)设备应具备恒温和湿度控制功能,以防止患者在使用过程中受到过冷或过热的影响。
(2)温湿度传感器应精确可靠,能够实时监测温湿度变化,并能及时进行调节。
6.安全保护要求:(1)设备应具备高温、低温、过压、过流、欠压、漏电等安全保护功能,以确保设备在工作过程中的安全性。
(2)设备应具备故障自诊断和自动报警功能,能够及时发现和处理设备故障。
7.显示和控制功能要求:(1)设备应具备直观清晰的显示屏,能够显示氧气浓度、流量、温度、湿度等关键信息。
(2)设备的控制界面应简洁易用,操作方便,能够满足患者和医护人员的需求。
总之,医用分子筛制氧机的产品技术要求包括设备结构和材料、氧气浓度和流量调节、噪音和振动控制、氧气传输和输送、温湿度控制、安全保护以及显示和控制功能等方面。
通过满足这些技术要求,医用分子筛制氧机能够提供高质量的氧气供应,为病人的康复和治疗提供有效的支持。
2023医用分子筛制氧机标准摘要:1.医用分子筛制氧机概述2.2023年医用分子筛制氧机标准3.分子筛制氧机的工作原理4.医用分子筛制氧机的技术参数与选型5.分子筛制氧机在医疗领域的应用6.如何选择适合自己的医用分子筛制氧机7.总结正文:一、医用分子筛制氧机概述医用分子筛制氧机是一种采用PSA(变压吸附)原理,以优质制氧分子筛为吸附剂,直接在常温下从空气中分离制取氧气的设备。
这种设备在我国医疗领域得到了广泛的应用,为医疗机构提供了稳定、高品质的氧气供应。
二、2023年医用分子筛制氧机标准根据2023年的医用分子筛制氧机标准,设备应具备以下特点:1.氧气浓度:制氧机输出的氧气浓度应达到93%以上,以确保医疗使用的需求。
2.氧气压力:制氧机的氧气压力应在0.3~1.0MPa范围内,以满足不同医疗设备的使用要求。
3.氧气露点:医用分子筛制氧机的氧气常压露点应低于-43℃,以确保氧气质量。
4.安全性:制氧机应具备良好的安全性能,包括防爆、防泄漏等功能,确保使用过程中的安全。
5.噪音和振动:医用分子筛制氧机的噪音和振动应控制在较低水平,以营造舒适的医疗环境。
三、分子筛制氧机的工作原理分子筛制氧机通过PSA(变压吸附)原理,利用分子筛吸附剂对空气中的氮气、二氧化碳和水份等进行大量吸附,使氧气在气相中富集输出。
当吸附剂吸附达到饱和时,降低压力使分子筛解吸再生,实现连续产出高品质氧气。
四、医用分子筛制氧机的技术参数与选型医用分子筛制氧机的技术参数包括氧气流量、氧气浓度、氧气压力和氧气常压露点等。
根据不同的氧气需求和适用范围,可以选择不同型号的制氧机。
例如,HHO-3Y型制氧机适用于100床的医疗机构,氧气产量为3Nm3/h,装机功率为7.5KW。
五、分子筛制氧机在医疗领域的应用分子筛制氧机在医疗领域具有广泛的应用,包括供氧治疗、呼吸机辅助治疗、氧气吸入器、手术室用氧、急诊科用氧等。
此外,分子筛制氧机还可应用于畜牧业、水产养殖、高原地区居民用氧等领域。
医用分子筛制氧机功效
医用分子筛制氧机是一种专门用于制取高纯度氧气的设备。
它通过分子筛(分子筛是一种具有特定孔径的固体物质)的筛选作用,去除其他气体中的杂质,从而提供高纯度的氧气供给给患者。
医用分子筛制氧机的主要功效如下:
1. 提供高纯度氧气:医用分子筛制氧机可以从空气中提取氧气,并去除其中的其他气体和杂质,从而获得高纯度的氧气。
这种纯度的氧气能够满足患者的氧气需求,并提供给他们进行治疗。
2. 改善血氧供应:使用医用分子筛制氧机制取高纯度氧气后,可以将其输送给患者进行呼吸吸入。
高纯度氧气可以增加患者体内的氧气浓度,改善血液中的氧气供应,提高组织和器官的供氧能力。
3. 辅助治疗疾病:医用分子筛制氧机可以用于辅助治疗一些与低氧血症相关的疾病,如慢性阻塞性肺疾病(COPD)、肺炎、支气管扩张等。
通过吸入高纯度氧气,可以缓解症状,提高患者的生活质量,并帮助恢复健康。
4. 便携方便使用:医用分子筛制氧机通常具有便携式设计,患者可以根据需要携带使用。
这使得患者可以在日常生活中继续进行氧疗,而不受限于固定在医院床边。
总结来说,医用分子筛制氧机的主要功效包括提供高纯度氧气、改善血氧供应、辅助治疗疾病,并且具有便携方便使用的特点。
这些功效有助于改善患者的健康状况,提高生活质量。
医用分子筛制氧机的性能与安全检测及常见不合格项分析这种设备在医疗领域中应用广泛,尤其是在一些慢性呼吸道疾病的治疗中,如慢阻肺、肺纤维化等。
因此,对于医用分子筛制氧机的性能与安全进行检测是非常重要的。
首先,医用分子筛制氧机的性能检测主要包括以下几个方面:1.氧气浓度:检测设备输出的氧气浓度是否符合标准要求。
通常,医用分子筛制氧机的氧气浓度应达到93%以上。
2. 氧气流量:检测设备输出氧气的流量是否符合要求。
一般来说,氧气流量应在1-10L/min之间。
3.压力稳定性:检测设备输出氧气的压力是否能够保持稳定。
在正常工作条件下,设备输出氧气的压力应保持在0.12-0.14MPa之间。
4.噪音:检测设备的运行噪音是否超过安全标准。
医用分子筛制氧机的噪音应尽量低于60分贝,以确保患者的使用体验。
除了性能检测,医用分子筛制氧机的安全检测也是不可忽视的。
常见的安全检测项目包括:1.氧气泄漏:通过使用气密性测试仪器,检测设备是否存在氧气泄漏现象。
2.温度升高:通过检测设备在连续工作时的表面温度变化,判断设备是否存在过热现象。
3.电源电压:检测设备使用时的电源电压是否稳定,以保证设备的正常运行。
4.漏电流:通过使用漏电仪器,检测设备是否存在漏电现象。
常见的不合格项分析主要包括以下几个方面:1.氧气浓度不达标:如果设备输出的氧气浓度无法达到标准要求,可能是氧气源质量不合格,或是设备内部分子筛膜存在损坏或堵塞等问题。
2.稳定性差:如果设备输出氧气的压力无法保持稳定,可能是设备内部压力调节部件存在故障,或是氧气流量传感器等部件异常。
3.噪音过大:如果设备运行时产生的噪音超过安全标准,可能是设备内部运转部件磨损、摩擦增大,需要进行维修或更换。
4.安全性问题:如果设备存在氧气泄漏、过热、电源异常或漏电等安全问题,可能是设备的部件或设计存在缺陷,需要进行修复或更换。
总之,医用分子筛制氧机的性能与安全检测对于确保设备正常运行、患者安全使用至关重要。
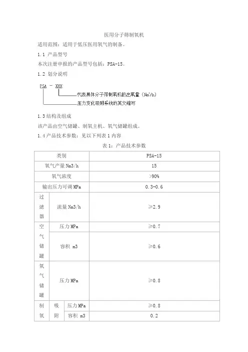
医用分子筛制氧机适用范围:适用于低压医用氧气的制备。
1.1 产品型号本次注册申报的产品型号包括:PSA-15。
1.2 划分说明1.3结构及组成该产品由空气储罐、制氧主机、氧气储罐组成。
1.4产品技术参数:见以下列表1内容表1:产品技术参数2.1 工作条件a) 环境温度: 5℃~40℃; b)相对湿度: ≤80%; c) 大气压: 86~106KPa ;d) 电源电压单相为AC220V ±22V ;频率:50Hz ±1Hz ; e) 周围环境无腐蚀性气体及较强电磁场;f) 制氧设备的空气源进口应位于污染物最少的地方,这些污染源包括:燃烧的废气、麻醉气体排放系统、通风口和抽真空排气口。
2.2 外观质量要求2.2.1制氧机的外表面应平整光洁,不得有明显的划痕、 擦伤、 凹瘪缺陷。
2.2.2制氧机表面应光亮,不得有剥落、 露底、 划伤缺陷。
2.2.3制氧机的文字标志应清晰准确, 各控制键灵敏可靠。
2.2.4 制氧设备外表面涂油漆光滑平整,无明显的肉瘤、划痕、脱层缺陷。
2.3 产品气的理化指标表2 产品气理化指标要求2.4 气密性要求所有紧固件连接应牢靠,不得有任何松动,各种管路、阀门及连接处不得漏气。
2.5 噪声要求制氧设备在运行状态下,A计权声功率级噪音不大于85dB。
2.6 氧浓度要求制氧设备开机30min,其氧气产生浓度≥90%。
2.7 空气储罐要求空气储罐应符合《固定式压力容器安全技术监察规程》规定。
2.8 氧气储罐要求氧气储罐应符合《固定式压力容器安全技术监察规程》和规定。
2.9 氧气灭菌器要求氧气灭菌器滤除的细菌LRV分离率>6/cm²(针对0.01um粒径)。
2.10指示灯及按钮在颜色要求:2.10.1 当制氧设备发生故障时,应使用闪烁红灯向操作人员报警。
2.10.2 红灯闪烁表示紧急情况,它要求操作人员立即采取措施。
2.10.3 黄灯闪烁是在需要提醒注意和需要重新检查的情况下使用。
分子筛制氧机工作原理
分子筛制氧机是一种利用分子筛技术来进行氧气分离的设备。
其工作原理主要包括以下几个步骤:
1. 压缩空气进入机器:首先,将压缩空气引入分子筛制氧机中。
这些压缩空气通常经过预处理,去除其中的杂质和含尘物质。
2. 分子筛吸附:压缩空气进入分子筛吸附塔。
分子筛是一种特殊的材料,具有高度的选择性和吸附能力。
其中的分子筛由许多微小的孔隙组成,可以吸附空气中的氧气,并排出富含氮气的气体。
3. 氮气排放:当分子筛塔吸附饱和后,需要进行再生。
这时,通过向分子筛塔供给一定量的干燥空气或压缩氧气,可以将吸附的氮气释放出来。
同时,释放的氮气会通过其他出口排出。
4. 氧气收集和输出:在分子筛塔吸附时,富氧气体逐渐积聚。
当分子筛塔进行再生时,富氧气体将被释放出来并收集。
通过适当的管道和阀门控制,将纯净的氧气输送到需要的地方。
整个过程是通过不同的分子筛塔进行交替操作来实现的。
这样,分子筛制氧机可以在连续运转中提供稳定的氧气产量。
同时,由于氮气是通过分子筛吸附释放出来的,使得氧气的纯度更高。
值得注意的是,分子筛制氧机不适用于高含湿度的空气,因为水分会影响分子筛的吸附能力。
另外,分子筛制氧机需要定期
更换、清洁和保养分子筛塔,以确保其正常工作和提供高质量的氧气。
医用分子筛制氧机产品技术要求yian
一、产品名称及规格:
医用分子筛制氧机(Molecular Sieving Oxygen Generator),规格
可选:3L/min,5L/min,7L/min,10L/min,15L/min,20L/min,30L/min,50L/min。
二、产品性能及技术要求
1、产品应符合YB/T1049-2004《医用氧气机》安全技术规范的要求;
2、氧机应具有安全有效的电气系统,流量、氧浓度应精确可靠,送
气噪声较低,操作简便,无需繁琐的维护;
3、氧机应配备氧浓度控制系统,具备自动、手动切换功能,并可稳
定控制输出氧浓度;
4、氧机输出氧浓度及流量应符合下列要求:
(1)输出氧浓度要求为>90%V/V;
(2)氧机的输出流量可调范围要求为:5L/min:2-5L/min;7L/min:2-7L/min;10L/min:2-10L/min;15L/min:2-15L/min;20L/min:2-
20L/min;30L/min:2-30L/min;50L/min:2-50L/min;
(3)氧机的设备精度要求为<0.1L/min。
5、氧机应符合现行国家有关机械、电气安全要求,安装和使用时应
按照相关技术规范要求;
6、氧机外观及标识应确保清晰、规范、明了,标识应符合有关标准
要求。
三、运行及使用要求
1、氧机应有操作手册,并对操作人员的使用要求和操作程序作出详细说明;
2、氧机使用前,应按说明书检查各种性能参数,确保设备安全可靠运行;。
医用分子筛制氧机操作规程《医用分子筛制氧机操作规程》一、操作人员要求1. 操作人员必须经过相关培训并具有相关证书,了解仪器的结构和工作原理,并严格按照规程进行操作。
2. 操作人员必须戴好口罩、手套和工作服,保持工作环境清洁整洁。
二、开机操作1. 检查仪器的电源接头及插座是否牢固,确认电源线是否正常,然后接通电源。
2. 检查仪器的各个部件是否完好无损,确认压力表、温度表及流量计等参数是否正常。
3. 在开机前,确保氧源管已经连接,然后打开氧源阀门,检查氧气是否流通畅通。
4. 打开主机电源开关,按照仪器说明书上的操作步骤,按照要求设置好相应参数,然后按“启动”键,启动仪器。
三、运行操作1. 仪器启动后,操作人员要根据需求设置流量,调整氧气流量以满足患者吸氧的需求。
2. 定期检查仪器各个部件的工作情况,如有异常情况立即停机并进行维修处理。
3. 仪器运行过程中,操作人员要随时关注各个参数的变化,及时调整以保证稳定的氧气输出。
四、停机操作1. 仪器正常停机:在氧气用完或者患者不需要吸氧时,先关闭氧源阀门,然后关闭主机电源开关。
2. 仪器异常停机:在仪器出现故障或异常情况时,应立即停机,并通知专业人员进行维修处理。
五、关机操作1. 关机前,要先关闭氧源阀门,然后关闭主机电源开关。
2. 清洁消毒:定期对仪器进行清洁消毒,保持仪器的卫生健康。
六、注意事项1. 操作人员要认真学习和掌握仪器的操作规程和维护方法。
2. 在操作过程中要随时留意仪器的运行情况,及时处理异常情况。
3. 经过操作人员的使用后,要做好仪器的清洁消毒,确保下一次使用时的卫生安全。
以上就是《医用分子筛制氧机操作规程》的具体内容,操作人员在使用时要严格按照规程操作,确保患者的安全和健康。
分子筛制氧机的使用说明
分子筛制氧机是一种用于制取高纯度氧气的设备,通常用于医疗、制造和其他工业领域。
以下是该设备的使用说明:
1. 设备准备,首先确保分子筛制氧机处于水平稳定的位置,并
且通风良好。
接着检查设备的电源线和氧气输出管路是否连接牢固,无泄漏。
2. 启动操作,接通电源,并按照设备说明书上的指示打开主电
源开关。
待设备启动完成后,观察氧气输出压力表,确保压力稳定
在正常范围内。
3. 设置参数,根据需要调节设备上的流量调节阀,以设定所需
的氧气流量。
通常,医用氧气流量为每分钟2-10升,而工业用途可
能需要更大的流量。
4. 使用氧气,将氧气导管连接至需要供氧的设备或人体,确保
连接牢固。
然后打开氧气输出阀门,开始供氧。
在使用过程中,要
时刻观察氧气压力表和流量表,确保氧气供应正常。
5. 关机操作,使用完毕后,先关闭氧气输出阀门,然后关闭主
电源开关,断开电源。
最后关闭氧气输入阀门,排空管路中的氧气,以确保安全。
此外,使用分子筛制氧机时,还需注意以下事项:
定期清洁设备,保持设备清洁卫生,以确保氧气的纯度和安全。
注意设备的维护保养,定期检查滤网、分子筛等部件,确保设
备正常运行。
在使用过程中,如发现设备有异常噪音、漏氧等情况,应及时
停止使用,并联系专业维修人员进行检修。
以上是分子筛制氧机的基本使用说明,希望对你有所帮助。
如
果有其他问题,欢迎继续咨询。
医用分子筛制氧机标准0287简介:医用分子筛制氧机是一种专为医疗机构和个人家庭使用而设计的设备,可以通过分子筛技术从空气中提取纯净氧气。
医用分子筛制氧机标准0287是根据相关法规和技术要求,制定出具有可靠性、安全性和有效性的医用分子筛制氧机相关标准。
本标准的实施将有利于确保医用分子筛制氧机的稳定性和安全性,以保障使用者的健康和安全。
标准内容:1.术语和定义本标准中使用的术语和定义符合国家相关标准的要求。
2.产品要求2.1设备外观:医用分子筛制氧机应具有外观整洁、无明显划痕和变形的特点。
2.2操作界面:医用分子筛制氧机应提供清晰、直观的操作界面,易于操作人员使用。
2.3操作响应时间:医用分子筛制氧机应具有快速响应用户输入的操作指令的能力。
2.4噪音:医用分子筛制氧机的运行噪音应低于国家相关要求,不影响使用者的休息和沟通。
2.5过载保护:医用分子筛制氧机应具有过载保护功能,当设备超负荷时能够自动停机或降低功率。
2.6温度控制:医用分子筛制氧机应具备有效的温度控制功能,以确保设备操作在安全温度范围内。
2.7氧浓度:医用分子筛制氧机应提供稳定、可靠的高浓度氧气输出。
3.安全性能3.1绝缘性能:医用分子筛制氧机的绝缘电阻、耐电压和耐电弧能力应符合国家相关标准的要求。
3.2防护等级:医用分子筛制氧机应具备一定的防护等级,以防止外界因素对设备正常运行的影响。
3.3电气安全:医用分子筛制氧机应符合国家相关电气安全标准,如电气设备的绝缘电阻、接地连接等。
4.效能测试4.1输出氧流量:医用分子筛制氧机的输出氧流量应符合产品说明书的要求。
4.2稳定性测试:医用分子筛制氧机在长时间运行和高负荷条件下应保持稳定的氧浓度输出。
4.3故障情况测试:医用分子筛制氧机应具有故障自检和报警功能,能够及时发出报警信号。
5.标志和标签医用分子筛制氧机应具有清晰的标志和标签,包括产品厂家、型号、生产日期等信息。
6.包装和运输医用分子筛制氧机的包装应符合国家相关标准的要求,以确保运输过程中设备的安全性和完整性。
分子筛制氧机的原理分子筛制氧机是一种通过物理方法将空气中的氧气与其他气体分离,提取纯净的氧气用于医疗或工业用途的设备。
其原理基于分子筛的选择性吸附作用。
分子筛是一种多孔性材料,由一系列具有规则孔道的晶格结构组成。
这些孔道的大小与不同分子的大小相匹配,因此可以选择吸附特定分子。
分子筛通常由硅铝酸盐等无机物质制成。
分子筛制氧的过程主要包括压缩、过滤、吸附和脱附等几个步骤。
首先,在分子筛制氧机内部,空气通过机器自带的压缩机进行压缩。
通过压缩,空气的体积被减小,同时产生了一定的温度。
然后,压缩后的空气通过过滤器,去除其中的杂质和颗粒物质,确保进入下一步处理的气体纯净。
接下来的步骤是吸附过程。
分子筛中的孔道大小刚好与氮氧等分子的大小相匹配。
在通过孔道时,氮氧分子与分子筛表面相互作用,被选取吸附下来。
而其他较小和较大分子则可以顺利通过孔道,不被分子筛所吸附。
由于氧气分子相对较小,因此在分子筛上稍微汇集了一部分氧气分子。
分子筛通过定时循环的方式进行吸附和脱附。
在吸附一段时间后,分子筛饱和,需要进行脱附操作。
脱附一般采用减压冷却的方法,即减小压力并使分子筛降温,使吸附在分子筛上的氮氧分子重新释放出来。
脱附后的分子筛恢复到初始状态,可以再次进行吸附过程。
最后,脱附后的纯氧气被收集起来,用于需要纯氧气的医疗设备或工业过程中。
分子筛制氧机的主要优势是其高纯度和可连续产氧的能力。
由于分子筛的选择性吸附作用,可以将氧气从空气中完全分离出来,并达到高达90%以上的纯度。
而且,由于分子筛的可循环使用特性,使得分子筛制氧机可以连续工作,不需要频繁更换分子筛。
分子筛制氧机在医疗领域具有广泛应用,用于治疗呼吸系统疾病、缺氧症以及作为手术和急救过程中的氧气供应。
此外,在工业领域,分子筛制氧机也用于煤矿、化工、冶金等行业的氧气供应,以及高温熔炼和金属加工等工艺。
分子筛制氧机的原理主要基于分子筛对不同分子大小的选择吸附作用。
通过多次循环吸附和脱附过程,将空气中的氧气从其他气体中分离出来,得到高纯度的氧气。
工作原理
鼎岳3立方医用制氧机是运用“PSA”变压吸附原理分离空气的技术产品。
经空气纯化干燥机净化处理的压缩空气进入吸附塔底部,塔内装填有在一定压力下对氮气有较强吸附能力的沸石分子筛,当空气通过沸石分子筛吸附床时,氮气被吸附,而氧气则在塔体顶部得到富集,在经过除异味、除尘和除菌过滤器,获得合格的医用氧气。
整个吸附过程,无化学反应,对环境无污染。
3立方医用制氧机系统设置两个吸附塔,一塔吸附产氧,一塔脱附再生,循环交替,连续生产氧气。
产品介绍
公司从事分子筛变压吸附技术(Pressure Swing Adsorption,简称PSA)的研发,在原有的基础上,我公司把国外先进的PSA技术,与国内国家级的专业设计研究院紧密合作,以及对我国医院的现况和医用氧的需求,做了全面的调查和分析,特别研发了“DYO-Y”系列3立方医用制氧机。
公司3立方医用制氧机以变压吸附(PSA)技术为基础,从空气中提取氧气的新型设备。
压缩空气经空气纯化干燥机净化后,通过切换阀进入吸附塔。
在吸附塔内,氮气被分子筛吸附,氧气在吸附塔顶部被聚积后进入氧气储罐.再经除异味除尘过滤器和除菌过滤器过滤即获得合格的医用氧气。
公司3立方医用制氧机在制氧过程为物理吸附过程,无化学反应。
原料为空气,对环境无污染.是实现医院科学化管理的理想供氧方式,确保用户用上健康的氧气。
主要技术参数
氧气流量:1-50Nm³/h
氧气纯度: 93±3%
氧气压力:0.3-0.5MPa(可调)
露点:≤-48℃(常压)
系统简易流程图医用变压吸附式制氧、液氧、瓶氧三者对比
供氧方式变压吸附制氧机液氧瓶氧
标准Y Y/T0289—1998GB8982-1998GB8982-1998
检测报告国家医疗器械检测机构
产品全性能检测报告
压力容器检测报告压力容器检测报告
可操作性自动化控制人工操作人工操作
氧气纯度按医药行业标准≥93±3%按药典99%按药典99%
氧气压力低压0.3~0.5MPa蒸发中压:液态0.8MPa超高压气态15MPa
安装场地
属于I类B型永久行安装设
备,可安装在室内、楼顶、地
下室
地面室外安装,距离周围
民用建筑、发火点不小于
25米,距离重要公共建筑
不小于50米
地面室内安装
温度要求常温-183℃常温
运输原料为空气,消耗电力,无需运
输
每3~5天专用液氧槽车
送至医院灌充空罐
每天专车运输氧气
瓶
安全性安全性能好,整套设备处于常
低压运行
比较危险,液氧处于超低
温
比较危险,机房处于
高压状态。
使用寿命10年以上每2年罐体大检一次,
每5年必须更换罐体
每2~3年更换
氧气成本0.9元/Nm3 3.8元/Nm3 7元/Nm3
投资回收1~2年外购液氧,无回收外购液氧,无回收
3立方医用制氧机型号表
规格型号氧气产量装机功率适用床位
DYO-3Y3 5.1≈200
DYO-5Y57.8≈250
DYO-8Y811.5≈450
DYO-10Y1016.7≈500
DYO-15Y1519.9≈700
DYO-20Y2026≈1000
DYO-25Y2531.2≈1150
DYO-30Y3038.9≈1300
DYO-38Y3842.3≈1800
DYO-45Y4552.5≈1900
DYO-50Y5058.8≈2000
3立方医用制氧机3立方医用制氧机3立方医用制氧机
■本表中所列数据以0.6MPa(表压)的原料压缩空气,20℃环境温度,0米标高和80%的相对湿度为设计基准。
■安装现场为室内非防爆区,环境温度3-45℃,通风良好。
■装置要求电源:220V/380V,50Hz,氧气压力要求高于0.5pa时,可增压至用户所需压力。
■表中装机功率指压缩机装机功率,其他所需功
■床位数据仅供参考。
数据如有变动,请按照后提供的数据为准。