挂篮安全检查表
- 格式:xls
- 大小:36.00 KB
- 文档页数:1
煤矿用吊篮日检查表
日期,____________________。
检查项目:
1. 吊篮外观检查:
检查吊篮的整体外观,是否有明显的损坏或变形。
检查吊篮的涂层是否完好,是否有腐蚀迹象。
检查吊篮的固定螺栓、紧固件等是否松动或缺失。
2. 吊篮结构检查:
检查吊篮的钢丝绳、滑轮、吊钩等是否完好无损。
检查吊篮的安全门、护栏、防护网等是否完好,是否有松动或破损。
检查吊篮的悬挂装置和连接件是否正常,是否有变形或裂纹。
3. 吊篮安全装置检查:
检查吊篮的限位开关、重载保护装置、紧急停止装置等是否
正常工作。
检查吊篮的安全锁、安全绳等是否完好,能否正常使用。
4. 吊篮电气系统检查:
检查吊篮的电气线路是否正常,是否有短路、漏电等现象。
检查吊篮的照明设备、报警器等是否正常工作。
5. 吊篮操作设备检查:
检查吊篮的控制台、按钮、指示灯等是否正常工作。
检查吊篮的操纵杆、刹车装置等是否灵活可靠。
6. 吊篮消防设备检查:
检查吊篮的灭火器、灭火器箱等是否在有效期内,是否完好。
7. 吊篮紧急救援设备检查:
检查吊篮的救生绳、救生器具等是否完好,是否易于使用。
备注,____________________。
以上是一个可能的煤矿用吊篮日检查表的示例,具体的检查项
目和内容可能因各个煤矿的实际情况而有所差异。
在进行日常检查时,操作人员应仔细按照检查表的要求进行检查,并及时记录和处
理发现的问题。
同时,定期的维护和保养也是确保吊篮安全运行的
重要措施之一。
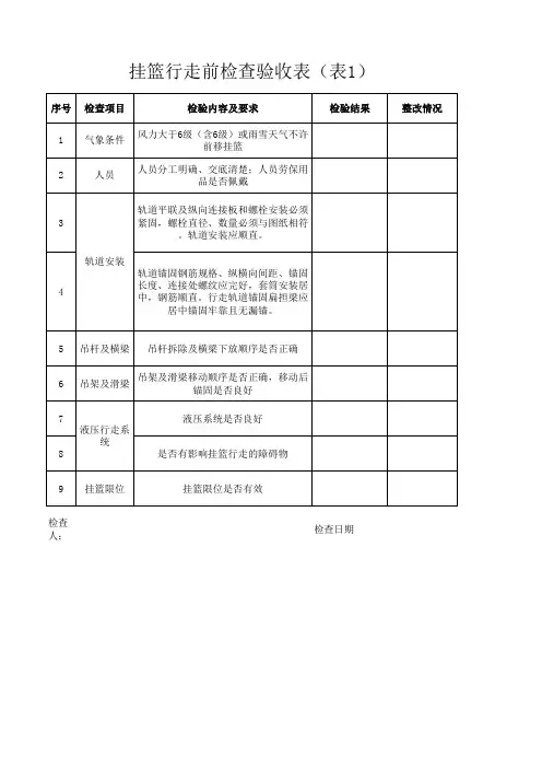
挂篮行走前检查表施工单位检查部位工程名称检查时间检查人员(签字)检查项目检查内容及要求标准图片检查结果轨道系统2组行走轨道是否平行,2组行走轨道中心线5.02m,偏差不大于2cm;两侧行走轨道中心线顶面高差不得超过5mm挂篮较低一侧前支腿处轨道垫梁是否按25cm间距进行加密,其它地方间距50cm。
铺设行走轨道时,轨道平联及纵向连接板和螺栓安装必须紧固,螺栓直径、数量是否与图纸相符轨道间接缝是否采用螺栓连接可靠,特别注意1m、1.5m 短挂篮处轨道间连接及精轧螺纹钢锚固数量是否满足要求;轨道锚固钢筋规格、纵横向间距、锚固长度、连接处螺纹是否完好,套筒安装是否居中,钢筋是否顺直。
行走轨道锚固扁担梁应居中锚固牢靠且无漏锚.气象分析提前了解天气情况,风力大于6级(含6级)或台风期不许前移挂篮。
/葫芦安装作为挂篮前移牵引动力的两个葫芦安装完成/设置在后支腿附近作为保险装置的1个葫芦必须安装完成主体结构前支腿处限位装置是否已解除影响挂篮行走的障碍物是否清除所有销子应受力是否合理,插销是否完好无损行走小车运行正常,受力均匀,焊缝完好是否满足要求挂篮后锚、内箱及翼缘吊带须拆除,中横梁处的行走吊带要安装牢固(楔块支垫牢固紧密平整,吊带及销子居中,吊带连接紧密)放松底篮及模板系统,使底篮及模板脱离箱梁,临时固定外侧模其他挂篮行走前主要施工人员部署已好,模板上不得站人/检查脱模是否彻底,检查纵向预应力是否张拉/ 结论挂篮行时检查表施工单位检查部位工程名称检查时间检查人员(签字)检查项目检查内容及要求标准图片检查结果轨道再次检查行走轨道的锚固扁担梁、连接钢筋及套筒的锚固情况,确定锚固紧固、无漏锚挂篮同步同一只挂篮两片主桁尽量做到同步进行,同步距离<10cm,挂篮移动速度<0.1m/min.挂篮轴线检查挂篮主桁中心线是否与设计符合,如有偏位应调整两侧葫芦牵引步调。
挂篮前移即将到位时,应调整挂篮的轴线至设计位置;保险葫芦设置了作为保险装置葫芦,应边前移边松葫芦,且其速度应略快于挂篮前移速度后锚小车行走时注意观察行走小车的行走状况,行走小车不得别住、歪斜挂篮前移过程中若发现后锚小车行走受碍,应立刻停止挂篮前移,并通过千斤顶调正小车位置后再继续行走,严禁猛烈敲打小车行走小车运行正常,受力均匀,焊缝完好。
挂篮操作日常检查表1. 检查挂篮的外观和结构- 检查挂篮外观是否完好,无明显变形、裂缝或锈蚀。
- 检查挂篮结构是否稳固,没有松动或断裂的地方。
- 检查挂篮是否有明显的损坏,如断裂的绳索或掉落的配件。
2. 检查挂篮的安全设备- 检查挂篮上的安全设备是否完好,如护手栏杆、踏板和防滑垫。
- 检查安全设备是否固定可靠,没有松动或松脱的现象。
- 检查安全设备是否能够正常使用,如踏板是否能够踩踏、护手栏杆是否牢固。
3. 检查绳索和吊装装置- 检查挂篮悬挂绳索是否完好,没有断裂、腐蚀或明显磨损的情况。
- 检查绳索连接器和吊装装置是否稳固,没有松动或损坏。
- 检查绳索张力是否适当,不得过松或过紧。
4. 检查电气设备和线路- 检查挂篮上的电气设备是否正常运作,如照明灯、报警器等。
- 检查电气线路是否安全可靠,没有断裂、短路或漏电等现象。
- 检查电气设备和线路是否有明显的损坏或缺陷。
5. 检查相关证照和文件- 检查挂篮操作人员的操作证照是否齐全。
- 检查挂篮设备的合格证和检验报告是否有效。
- 检查相关文件和记录是否齐全,如操作日志、维护记录等。
6. 检查周围环境和安全措施- 检查挂篮周围的环境是否安全整洁,没有杂物或障碍物。
- 检查周围的安全措施是否完善,如防护网、警示标识等。
- 检查附近的交通情况和风力等因素是否适宜进行挂篮作业。
以上是挂篮操作日常检查表的内容,每项检查都是为了保障挂篮操作的安全性和可靠性。
请操作人员按照此表进行日常检查,并记录检查结果,及时发现问题并采取相应的措施进行处理,确保挂篮操作过程中安全可靠的运行。
挂篮检查表(最新)
该检查表适用于在高处作业时使用的挂篮。
操作人员应按照表格中的步骤进行检查,并在每次使用挂篮之前执行该检查表。
检查表
步
骤项目检查内容
1 起重机起重机工作是否正常,如液压油位是否在正常范围内,电池电
量是否充足等
2 吊钩吊钩是否有损坏,脱落等情况
3 电缆电缆是否有损坏或捻曲
4 绳索绳索是否有损坏,结实等
5 表面整个挂篮的表面是否平整,是否有锋利的边缘,是否有任何明
显的损坏
6 门窗门窗是否能够打开、关闭,是否有损坏
7 座位座位是否有损坏,座位安装是否稳固
8 安全带安全带是否完好无损,是否能够正常使用
9 紧急下降装
紧急下降是否可以正常使用
置
10 灭火器灭火器是否齐全,是否处于有效期
11 蓄电池蓄电池是否充足,是否需要更换
12 标签挂篮上应有标签,上面应注明挂篮的最大负载和制造日期
注意事项
1.操作人员应随时注意身体安全,不得故意违反操作规程。
2.在高处作业时,应确保周围环境的安全,如可能存在坠物或其他风险
的情况,应及时采取措施。
3.操作人员使用挂篮前,应先接受相关培训并完全理解挂篮的规格和工
作能力。
4.在使用挂篮时,应使用安全带,并确保安全带可以正常工作。
5.在发现挂篮有任何损坏或故障时,应及时进行维修或更换。
6.挂篮的最大负载不可超过标签上所示的数值,否则会导致安全问题。
7.对于经常使用的挂篮,应定期检查并保养。
以上为挂篮检查表(最新)的具体内容,为确保操作人员和周围人员的安全,请一定要按照该检查表进行检查并操作。
吊篮施工日检查表工程名称 :周大福企业大厦序工程检查内容各台检查结果存在问题整改情况号123456789101、有否伤害1钢丝绳2、被杂物玷污3、锈蚀及磨损4、绳夹有无松动1、配重有无消失、损坏悬挂2、各梁、支架、支柱连2接机构可否牢固3、定位可否可靠1、上下护栏、底架、侧工作栏3等连接可否牢固平台2、杆件有无伤害3、焊缝有无裂纹、脱开4 安全锁1、斜锁绳可否可靠2、动作可否灵便1、与安装架连接可否良好5提升机2、有无渗漏油1、工作平台在3~5M 内平台运行 3 次,有无异常声音6运行2、工作平台可否水平3、插头、插座可否圆满1、电缆可否圆满2、电源指示灯可否圆满3、变换开关动作可否正常电气控4、交流接角器动作可否正7制系统常5、限位开关动作可否正常6、紧急停灵便作可否正常1、缝隙可否正常2、动作有无卡阻电磁8制动器3、制动可否可靠4、手动滑降可否灵便可靠备注:1.上述 1-8 项检查内容每天必定认真检查落实,并作好记录。
2.操作人员必定持证上岗,严禁无证人员操作.3.施工人员上吊篮前带好安全帽,系好安全带。
4.安全带必然要系在安全绳上,并挂好。
5.施工人员每次上吊篮前,要求试运行2-3m ,检查吊篮可否有异常情况。
如有问题,应马上通知专业检修工,检查合格前面可施工。
6 .假设遇暴风,要求在吊篮定位后,用绳索系捆在结构固定物上,省得吊篮晃动,影响安全,风速高出 5 级,应停止施工。
7.在吊篮进步行施焊作业时,务必做好接火措施,省得火星四溅,严禁将接地线搭与钢丝绳上。
8.在吊篮上堆放资料时,要求所有资料和人中重量必定在630kg 以下〔吊篮承载力范围以内〕,不一样意吊篮超负荷作业。
检查人:负责人:日期:年月日吊篮施工日检查表工程名称 : 厦门怡山商业中心序项各台检查结果检查内容存在问题整改情况号目1819205、有否伤害1钢丝6、被杂物玷污绳7、锈蚀及磨损8、绳夹有无松动1、配重有无消失、损坏2悬挂2、各梁、支架、支柱连接机构可否牢固3、定位可否可靠2、上下护栏、底架、侧栏3工作等连接可否牢固平台2、杆件有无伤害3、焊缝有无裂纹、脱开4安全2、斜锁绳可否可靠锁2、动作可否灵便3、与安装架连接可否优异5提升4、有无渗漏油机1、工作平台在 3~5M 内运6平台行 3 次,有无异常声音运行2、工作平台可否水平3、插头、插座可否圆满1、电缆可否圆满电气2、电源指示灯可否圆满7控3、变换开关动作可否正常制系4、交流接角器动作可否正常统5、限位开关动作可否正常6、紧急停灵便作可否正常电磁1、缝隙可否正常2、动作有无卡阻8制动3、制动可否可靠器4、手动滑降可否灵便可靠备注:1.上述 1-8 项检查内容每天必定认真检查落实,并作好记录。