16种台账水文地质台账(全)
- 格式:doc
- 大小:1.33 MB
- 文档页数:77
一、矿井涌水量观测成果台账二、气象资料台账三、地表水文观测成果台账四、钻孔水位、井泉动态观测成果及河流渗漏台账五、抽(放)水试验成果台账六、矿井突水点台账七、井田地质钻孔综合成果台账八、井下水文地质钻孔成果台账九、水质分析成果台账十、水源水质受污染观测资料台账十一、水源井(孔)资料台账十二、封孔不良钻孔资料台账十三、矿井和周边煤矿采空区相关资料台账十四、水闸门(墙)观测资料台账十五、矿井工作面采后水文资料台帐十六、采区涌水量台账一、矿井充水性图二、矿井涌水量于各种相关因素动态曲线图三、矿井综合水文地质图四、矿井综合水文地质柱状图五、矿井水文地质剖面图鹏程煤矿矿井涌水量统计台账矿井涌水量台账百里杜鹃管委会化窝煤矿气象资料台账气象资料台账百里杜鹃管委会鹏程煤矿地表水文观测成果台账地表水文观测成果台账百里杜鹃管委会化窝煤矿钻孔水位(井、泉)动态观测成果及河流渗漏台账四、钻孔(井、泉)水位动态观测成果台账单位:201 年月台账4制表:审核:第 1 页百里杜鹃管委会化窝煤矿地表河流流量、渗漏观测成果台账2017年地表河流流量、渗漏观测成果台账百里杜鹃管委会化窝煤矿抽(放)水和掘进探放水试验成果台账2017五、抽(放)水试验成果台账五、掘进探放水成果台账六、矿井突水点台账百里杜鹃管委会化窝煤矿矿井突水点台账百里杜鹃管委会化窝煤矿八、井下水文地质钻孔成果台账2017井下水文地质钻孔成果台账单位:百里杜鹃管委会化窝煤矿水质分析成果台帐2017年水质分析成果台帐百里杜鹃管委会化窝煤矿水源水质受污染观测资料台账2017年水源水质受污染观测资料台账制表:审核:矿长:第 1 页十一、水源井(孔)资料台账百里杜鹃管委会化窝煤矿十一、水源井(孔)资料台账制表:审核:填表:年月日百里杜鹃管委会化窝煤矿封孔不良钻孔资料台账2017封孔不良钻孔资料台账。
一、矿井涌水量观测成果台账二、气象资料台账三、地表水文观测成果台账四、钻孔水位、井泉动态观测成果及河流渗漏台账五、抽(放)水试验成果台账六、矿井突水点台账七、井田地质钻孔综合成果台账八、井下水文地质钻孔成果台账九、水质分析成果台账十、水源水质受污染观测资料台账十一、水源井(孔)资料台账十二、封孔不良钻孔资料台账十三、矿井和周边煤矿采空区相关资料台账十四、水闸门(墙)观测资料台账十五、矿井工作面采后水文资料台帐十六、采区涌水量台账一、矿井充水性图二、矿井涌水量于各种相关因素动态曲线图三、矿井综合水文地质图四、矿井综合水文地质柱状图五、矿井水文地质剖面图一、矿井涌水量台账一、矿井涌水量台账制表:审核:科长:第 1 页二、气象资料台账二、气象资料台账三、地表水文观测成果台账三、地表水文观测成果台账四、钻孔水位(井、泉)动态观测成果及河流渗漏台账四、钻孔(井、泉)水位动态观测成果台账单位:201 年月台账4制表:审核:第 1 页四、地表河流流量、渗漏观测成果台账五、抽(放)水和掘进探放水试验成果台账五、抽(放)水试验成果台账五、掘进探放水成果台账六、矿井突水点台账六、矿井突水点台账七、井田地质钻孔综合成果台帐七、井田地质钻孔综合成果台帐单位:台帐7八、井下水文地质钻孔成果台账八、井下水文地质钻孔成果台账单位:台账8九、水质分析成果台帐九、水质分析成果台帐十、水源水质受污染观测资料台账十、水源水质受污染观测资料台账制表:审核:科长:第 1 页十一、水源井(孔)资料台账十一、水源井(孔)资料台账制表:审核:填表:年月日十二、封孔不良钻孔资料台账十二、封孔不良钻孔资料台账十三、矿井和周边煤矿采空区相关资料台帐十三、矿井和周边煤矿采空区相关资料台帐单位:台账13制表:审核:科长:第 1 页十四、水闸门(墙)观测资料台账十四、水闸门(墙)观测资料台账十五、矿井工作面采后水文资料台帐矿井工作面采后水文资料台帐制表:审核:科长:第 1 页十六、采区涌水量台账采区涌水量台账制表:审核:科长:第 1 页。
采区涌水量台账(一)
矿井涌水量台账(一)
气象资料台账(二)
地质水文成果观测台账(三)
地表河流流量、渗漏观测成果台账(四)
抽(放)水实验成果台帐(五)
掘进探放水成果台账(六)
矿井突水点台账(六)
井田地质钻孔综合成果台账(七)
井下水文地质钻孔成果台账(八)
水质分析成果台账(九)
水源水质受污染观测资料台账(十)
水源井(孔)资料台账(十一)
封孔不良钻孔资料台账(十二)
注:水害类型指地表水、孔隙水、裂隙水、岩溶水、老空水、断裂构造水、陷落柱水、钻孔水、顶板水、底板水等。
煤矿负责人(审核):总工程师:
观制表。
现场观测记录本或资料来源登记索引编号记录名称及类型观测起至日期存放位置管理责任人备注J1-1 井下分采掘工作面涌水量观测原始记录J1-2 井下分煤层或分采区涌水量观测成果记录J2-1 为《气象资料台账》提供依据;来源于气象局《气象资料观测记录》J3-1 地面水文观测原始记录(含地面井孔水位、地面流水、泉水、渗漏等观测)J3-2 地表水体调查记录卡片J4-1 井孔水位观测原始记录(含井上下的水文长观孔、水源井孔与泉)J4-2 井泉调查记录卡片J5-1 为《抽放水试验成果台账》提供依据;来源于各个时期的《地质勘探报告》与井上下防治水工程设计与试验成果资料J6-1 矿井出(突)水卡片J7-1 为《井田地质钻孔综合成果台账》提供依据;来源于各个时期的《地质勘探报告》与井上下补充地质勘探成果资料J8-1 为《井下水文地质钻孔成果台账》提供依据;来源于井下各类工程钻孔的设计、实施与验收资料J9-1 为《水质分析成果台账》提供依据;来源于各个时期的《地质勘探报告》与井上下水样化验分析记录J10-1 为《水源水质受污染观测资料台帐》提供依据;来源于矿井排水与生活污水的排放量与排放水质检测结果,以及地下水、矿井水或河流净化的水质检测结果。
J11-1 为《水源井孔资料台账》提供依据;来源于水源井孔的设计、施工与验收资料。
J12-1 封孔不良钻孔资料内容J13-1 矿井和周边煤矿采空区相关调查资料J14-1 为《水闸门墙观测资料台账》提供依据;来源于水闸门(墙)的日常检查、管理与关闭试验效果评价等资料。
J15-1 岩溶构造卡片分煤层或分采区涌水量观测成果记录记录编号:J1-2 出水点或观测站编号观测地点观测日期测水方法测水参数(平均值)涌水量(m3/h)观测人备注水长度(m)水宽度(m)水深度(m)水流速(m/h)测水系数注:1、出水点或观测站编号方案:井巷开掘出(突)水采用JT-数字,回采工作面出(突)水采用CT-数字,各类生产工程用水进入矿井形成水流的测站(点)采用GC-数据,通过漏水钻孔、井下涌水钻孔与井下疏放水钻孔流入矿井的测站(点)采用其钻孔编号方案,通过地表渗透或古井老窑等进入矿井的测站(点)采用DS-数据,井下全矿井、分翼、分水平、分采区等较大测水站采用CZ-数字,各工作面涌水分散或其它涌水源尚不明确的较小测水站(点)采用CS-数据。
矿井涌水量台账完美DOC格式整理矿井涌水量台账单位:煤矿台账1完美DOC格式整理制表:审核:科长:第 1 页完美DOC格式整理气象资料台账气象资料台账制表:审核:科长:第 1 页地表河流流量、渗漏观测成果台账完美DOC格式整理地表河流流量、渗漏观测成果台账单位:煤矿台账3完美DOC格式整理制表:审核:科长:第 1 页完美DOC格式整理钻孔(井、泉)水位动态观测成果台账钻孔(井、泉)水位动态观测成果台账单位:煤矿台账4制表:审核:科长:第 1 页抽(放) 水试验成果台账抽(放) 水试验成果台账单位:煤矿台账5制表:审核:科长:第 1 页矿井突水点台账矿井突水点台账制表:审核:科长:第 1 页井田地质钻孔综合成果台帐井田地质钻孔综合成果台帐单位:煤矿台帐7井下水文地质钻孔成果台账井下水文地质钻孔成果台账制表:审核:科长:第 1 页水质分析成果台帐水质分析成果台帐单位:煤矿台账9制表:审核:科长:第 1 页水源水质受污染观测资料台账完美DOC格式整理水源水质受污染观测资料台账单位:煤矿台账10完美DOC格式整理制表:审核:科长:第 1 页完美DOC格式整理水源井(孔)资料台账水源井(孔)资料台账单位:煤矿台账11制表:审核:科长:填表:年月日专业资料分享封孔不良钻孔资料台账封孔不良钻孔资料台账制表:审核:科长:第 1 页矿井和周边煤矿采空区相关资料台帐完美DOC格式整理矿井和周边煤矿采空区相关资料台帐完美DOC格式整理水闸门(墙)观测资料台账完美DOC格式整理水闸门(墙)观测资料台账完美DOC格式整理制表:审核:科长:第页完美DOC格式整理矿井工作面采后水文资料台帐矿井工作面采后水文资料台帐制表:审核:科长:第 1 页采区涌水量台账完美DOC格式整理采区涌水量台账单位:煤矿采区台账16完美DOC格式整理制表:审核:科长:第 1 页完美DOC格式整理。
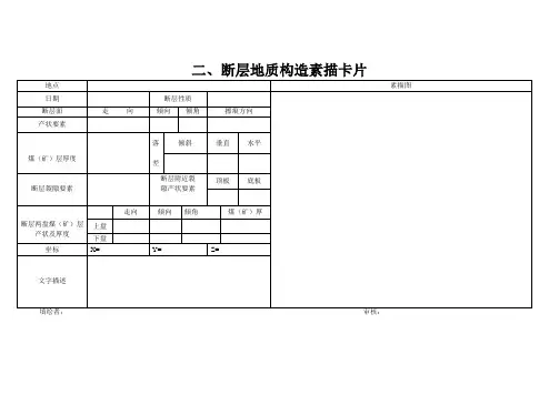
二、断层地质构造素描卡片
填绘者:审核:
三、褶曲地质构造素描卡片
填绘者:审核:
四、井下突水点台帐
突水水源:系指地下水、地表水、大气降水、老空积水……等;
突水通道:系指构造裂隙带与接触带、采空区上部冒落裂隙带,含水层的露头区,封闭不良的导水钻孔,煤层底板岩层突破。
填表:审核:填表时间:
五、井田大中型地质构造台帐
填表:审核:填表时间:
六、封闭不良钻孔
填表:审核:填表时间:
七、地表水文(河流)观测成果台帐
填表:审核:填表时间:
八、矿井涌水量观测成果台账。
旺苍县三江镇葡萄石煤业有限责任公司涌水量观测台帐二0一七年涌水量观测台帐单位:m 3/h 2017年 月12345678910合计整理校核观测人地点时间旺苍县三江镇葡萄石煤业有限责任公司矿井突水点台账二0一七年矿 井 突 水 点 台 账单位: 台账6制表: 审核: 科长:编号突水地点座 标突 水 类 型突 水 水 源突 水 通 道水温℃水位(压) 涌水量(m 3/h)突水时间、突水描述及危害程度XYZ突水前突水后最大 最小 稳定1 2 3 4 5旺苍县三江镇葡萄石煤业有限责任公司气象资料汇总台帐二0一七年气象资料汇总台帐降 雨 量(mm )气温(oC )气压 毫巴 相对湿度(%) 总蒸发量 (mm ) 备注总量 一日最大 日期 平均 最高 日期 最低 日期 平均 平均 最小 日期1月 2月 3月 4月 5月 6月7月 8月 9月 10月 11月 12月 年合计 年平均项目日期旺苍县三江镇葡萄石煤业有限责任公司地表水文站汇总台帐二0一七年地表水文站汇总台帐水文站编号观测位置观测目的地面高程固定高程坐标旺苍县三江镇葡萄石煤业有限责任公司地表水体巡查记录表二0一七年地表水体巡查记录表单位:___________________水体名称位置观测时间天气情况积水标高(m)积水深度(m)水量(m3)地面裂缝发育情况结论签名填表:时间:旺苍县三江镇葡萄石煤业有限责任公司地表河流流量、渗漏观测成果台账二0一七年地 表 河 流 流 量、渗 漏 观 测 成 果 台 账单位:河 流 名 称井田内径流长度(m )备注汇 水 面 积 (Km 2)最 大 流 量 (m 3/h )最大洪水量 m 3/s 最小流量 m 3/s ,一般流量 m 3/s行 洪 量 (m 3/h ) 最 高 洪 水 位(m )年 月 日河床距开采层深度(m )测站编号、位置及坐标观测日期天气测站水面标高(m)流速(m/s)流量(m3/h)测站水面标高(m)流速(m/s)流量(m3/ h)测站水面标高(m)流速(m/s)流量(m3/ h)渗漏段位置及渗漏情况描述制表:审核:科长:旺苍县三江镇葡萄石煤业有限责任公司钻孔水位及井泉动态观测台帐二0一七年钻孔水位及井泉动态观测台帐孔号钻孔位置钻孔坐标观测点高程(m)观测含水层含水层之固定点距离(m)X Y 名称厚度(m)观测项目时间1#2#3#签名水压(MPa)水位(m)水压(MPa)水位(m)水压(MPa)水位(m)旺苍县三江镇葡萄石煤业有限责任公司井下出水点记录台帐二0一七年井下出水点记录台帐出水时间出水地点位置控制出水形式水量(m3/h)水压(MPa)水质出水层位标高(m)出水点周围巷道破坏变形情况原因分析出水量变化情况出水点素描图调查人调查时间旺苍县三江镇葡萄石煤业有限责任公司井下突水点台帐二0一七年井下突水点台帐编号突水地点坐标突水类型突水水源突水通道水温(O C)水位(压)(m)(MPa)涌水量(m3/min)突水描述及危害程度X Y Z 突水前突水后最大最小稳定旺苍县三江镇葡萄石煤业有限责任公司井下水文地质钻孔台帐二0一七年井下水文地质钻孔台帐孔号钻孔位置钻孔坐标观测点高程m观测含水层含水层至固定点位置终孔层位终孔深度m穿过含水层名称时间封孔情况备注X Y 名称厚度m泥浆封闭段距m砂浆封闭段距m结论旺苍县三江镇葡萄石煤业有限责任公司封闭不良的钻孔台帐0一七年封闭不良的钻孔台帐序号孔号钻孔坐标施工单位终孔层位终孔深度钻孔结构穿过含水层名称时间封孔情况备注X Y Z泥浆封闭段距砂浆封闭段距结论旺苍县三江镇葡萄石煤业有限责任公司相邻矿井积水情况台帐二0一七年相邻矿井积水台帐邻矿名称位置调查时间100米范围内积水情况对本矿影响程度积水位置积水层位积水量(m3)积水标高m 积水深度m 积水范围与本矿距离m旺苍县三江镇葡萄石煤业有限责任公司水质分析成果台帐二0一七年旺苍县三江镇葡萄石煤业有限责任公司水源水质受污染观测资料台账二0一七年水源水质受污染观测资料台账单位:台账10序号观测水源地点水源取水层位现场观测情况经水质化验水质超标情况受污染原因分析观测/取水样人观测时间水量(m3/h)颜色气味水温(℃)制表:审核:科长:第 1 页旺苍县三江镇葡萄石煤业有限责任公司水源井(孔)资料台账二0一七年水源井(孔)资料台账单位:台账11 水源井(孔)名称:井(孔)口X=Y=Z=施工单位开/竣工时间井(孔)结构井(孔)深度取水层位描述静止水位埋深奥灰水位提水试验水位降深 m单位涌水量主要含水层受地表水或其它水体影响情况化学类型调查人调查时间备注填表:年月日旺苍县三江镇葡萄石煤业有限责任公司矿井和周边煤矿采空区相关资料台帐二0一七年矿井和周边煤矿采空区相关资料台帐单位:台账13矿井名称井口坐标开采煤层生产起止日期开采范围与本矿的位置关系水文地质情况是否构成威胁井筒充填情况关井原因备注资料调查突水点情况涌水量(m3/h)水面标高积水面积(m2)积水量(m3)与地表水体关系日期调查人提供人正常最大制表:审核:科长:第 1 页旺苍县三江镇葡萄石煤业有限责任公司矿井工作面采后水文资料台帐二0一七年矿井工作面采后水文资料台帐单位:台账15工作面名称开采煤层开采标高煤层埋深O2水位标高煤层厚度采煤方法地质构造简述水文地质条件主要采取的防治水措施、实施情况、效果工作面出水情况(水量大小及构成、水源、充水通道、水量变化、主要出水点位置及水量变化情况等)经验、教训建议备注制表:审核:科长:第 1 页旺苍县三江镇葡萄石煤业有限责任公司采区涌水量台账二0一七年采区涌水量台账单位:台账16采区涌水量(m3/h)年度1月2月3月4月5月6月7月8月9月10月11月12月平均制表:审核:科长:第 1 页旺苍县三江镇葡萄石煤业有限责任公司抽(放)水试验成果台账二0一七年抽 (放) 水试验成果台账单位:台账5孔号钻孔地面坐标终孔深度(m)抽水层位含水层厚度(m)稳定水位抽水段Q(l/s)q(l/s·m)S(m)K(m/d)R(m)漏水段开工时间竣工时间备注纬距(X)标高(Z)深度(m)标高(m) 标高(m)层位标高(m)层位漏失量(l/s)经距(Y)抽前抽后1 2 3 4 5 6 7 8 9 10 11 12 13 14 15 16 17 18 19 20制表:审核:科长:旺苍县三江镇葡萄石煤业有限责任公司水源井(孔)资料台账二0一七年水源井(孔)资料台账单位:台账11水源井(孔)名称:井(孔)口X=Y=Z=施工单位开/竣工时间井(孔)结构井(孔)深度取水层位描述静止水位埋深动水位埋深抽水试验水位降深m,单位涌水量q汲水设备、流量井水变化井水用途受地表水或其它水体影响情况物理性质调查人调查时间备注制表:审核:旺苍县三江镇葡萄石煤业有限责任公司矿井工作面采后水文资料台帐二0一七年矿井工作面采后水文资料台帐单位:台账15工作面名称开采煤层开采标高煤层埋深O2水位标高煤层厚度采煤方法地质构造简述水文地质条件主要采取的防治水措施、实施情况、效果工作面出水情况(水量大小及构成、水源、充水通道、水量变化、主要出水点位置及水量变化情况等)经验、教训建议备注制表:审核:科长:第 1 页旺苍县三江镇葡萄石煤业有限责任公司水质分析果台帐二0一七年。
黔西新益煤矿防治水各种资料记录台账汇编二0一一年度黔西新益煤矿地表水体巡查记录表二0一一年度黔西新益煤矿地表水体巡查记录表黔西新益煤矿钻孔水位及井泉动态观测台帐二0一一年度黔西新益煤矿钻孔水位及井泉动态观测台帐黔西新益煤矿井下出水点记录台帐二0一一年度黔西新益煤矿井下出水点记录台帐黔西新益煤矿井下突水点台帐二0一一年度黔西新益煤矿井下突水点台帐黔西新益煤矿井下水文地质钻孔台帐二0一一年黔西新益煤矿井下水文地质钻孔台帐黔西新益煤矿封闭不良的钻孔台帐二0一一年度黔西新益煤矿封闭不良的钻孔台帐黔西新益煤矿相邻矿井积水情况台帐二0一一年度黔西新益煤矿相邻矿井积水台帐黔西新益煤矿防水闸门墙观测台帐二0一一年度黔西新益煤矿防水闸门墙观测台帐黔西新益煤矿水质分析成果记录台帐二0一一年度水质分析成果台黔西新益煤矿抽放水试验成果记录台帐二0一一年度抽放水试验成果台帐黔西新益煤矿地表水文观测记录台帐二0一一年度地表水文观测记录台账气象观测记录台账黔西新益煤矿气象观测记录台帐二0一一年度黔西新益煤矿矿井涌水量观测记录台帐二0一一年度矿井涌水量观测记录台账黔西新益煤矿探放水钻孔成果记录台帐二0一一年度黔西新益煤矿矿区水源井孔检查记录台帐二0一一年度黔西新益煤矿老空区水害检查记录台帐二0一一年度老空区水害检查记录台帐黔西新益煤矿井下出水点检查记录台帐二0一一年度黔西新益煤矿井下管路检查记录台账二0一一年度黔西新益煤矿井下采掘工作面水害月度预测预报记录台账二0一一年度井下采掘工作面水害月度预测预报记录台账填表:审核:黔西新益煤矿井下采掘工作面水害分析月度报告记录台账二0一一年度井下采掘工作面水害月度分析报告记录台账黔西新益煤矿井下采掘工作面水害季度预测预报记录台账二0一一年度井下采掘工作面季度预测预报记录台账黔西新益煤矿井下采掘工作面水害季度分析报告记录台账二0一一年度井下采掘工作面水害季度分析报告记录台账黔西新益煤矿井下采掘工作面水害年度预测预报记录台账二0一一年度井下采掘工作面季度预测预报记录台账黔西新益煤矿井下采掘工作面水害年度分析报告记录台账二0一一年度井下采掘工作面水害年度分析报告记录台账。
一、矿井涌水量观测成果台账二、气象资料台账三、地表水文观测成果台账四、钻孔水位、井泉动态观测成果及河流渗漏台账五、抽(放)水试验成果台账六、矿井突水点台账七、井田地质钻孔综合成果台账八、井下水文地质钻孔成果台账九、水质分析成果台账十、水源水质受污染观测资料台账十一、水源井(孔)资料台账十二、封孔不良钻孔资料台账十三、矿井和周边煤矿采空区相关资料台账十四、水闸门(墙)观测资料台账十五、矿井工作面采后水文资料台帐十六、采区涌水量台账一、矿井充水性图二、矿井涌水量于各种相关因素动态曲线图三、矿井综合水文地质图四、矿井综合水文地质柱状图五、矿井水文地质剖面图一、矿井涌水量台账3一、矿井涌水量台账制表:审核:科长:第 1 页4二、气象资料台账5二、气象资料台账台账26三、地表水文观测成果台账7三、地表水文观测成果台账8四、钻孔水位(井、泉)动态观测成果及河流渗漏台账9四、钻孔(井、泉)水位动态观测成果台账单位:201 年月台账4制表:审核:第 1 页10四、地表河流流量、渗漏观测成果台账1112五、抽(放)水和掘进探放水试验成果台账13五、抽(放)水试验成果台账14五、掘进探放水成果台账1516六、矿井突水点台账17六、矿井突水点台账七、井田地质钻孔综合成果台帐七、井田地质钻孔综合成果台帐单位:台帐71八、井下水文地质钻孔成果台账2八、井下水文地质钻孔成果台账3九、水质分析成果台帐4九、水质分析成果台帐5十、水源水质受污染观测资料台账6十、水源水质受污染观测资料台账制表:审核:科长:第 1 页7十一、水源井(孔)资料台账8十一、水源井(孔)资料台账制表:审核:填表:年月日9十二、封孔不良钻孔资料台账10十二、封孔不良钻孔资料台账单位:台账1211十三、矿井和周边煤矿采空区相关资料台帐12十三、矿井和周边煤矿采空区相关资料台帐单位:台账13制表:审核:科长:第 1 页13十四、水闸门(墙)观测资料台账14十四、水闸门(墙)观测资料台账15十五、矿井工作面采后水文资料台帐16矿井工作面采后水文资料台帐制表:审核:科长:第 1 页17十六、采区涌水量台账18采区涌水量台账制表:审核:科长:第 1 页19。
孙营岔一矿涌水量观测台帐技术科二O一四年元月涌水量观测台帐单位:m 3/h 2012年 月1 2 3 4 5 6 7 8 9 10合计整理校核观测人地点时间孙营岔一矿矿井突水点台账技术科二O一四年元月矿井突水点台账单位:台账6编号突水地点座标突水类型突水水源突水通道水温℃水位(压)涌水量(m3/h) 突水时间、突水描述及危害程度X Y Z 突水前突水后最大最小稳定12345678910111213制表:审核:科长:第 1 页孙营岔一矿气象资料汇总台帐技术科二O一四年元月气象资料汇总台帐降 雨 量(mm )气温(oC )气压 毫巴 相对湿度(%)总蒸 发量 (mm ) 备注总量 一日最大日期 平均 最高 日期 最低 日期 平均 平均 最小 日期1月 2月 3月 4月 5月 6月7月 8月 9月 10月 11月 12月 年合计 年平均项目日期孙营岔一矿地表水文站汇总台帐技术科二O一二年元月地表水文站汇总台帐水文站编号观测位置观测目的地面高程固定高程坐标孙营岔一矿地表水体巡查记录表地表水体巡查记录表单位:___________________地面裂缝发水体名称位置观测时间天气情况积水标高(m)积水深度(m)水量(m3)结论签名育情况填表:时间:第页孙营岔一矿地表河流流量、渗漏观测成果台账技术科二O一四年元月地 表 河 流 流 量、渗 漏 观 测 成 果 台 账单位: 台账3 河 流 名 称 井田内径流长度(m )备注汇 水 面 积 (Km 2) 最 大 流 量 (m 3/h )最大洪水量 m 3/s 最小流量 m 3/s ,一般流量 m 3/s行 洪 量 (m 3/h ) 最 高 洪 水 位(m ) 年 月 日 河床距开采层深度(m )测站编号、位置及坐标观测日期 天 气 测站 水面标高(m ) 流速 (m/s ) 流量 (m 3/h ) 测站 水面标高(m ) 流速 (m/s ) 流量 (m 3/ h ) 测站 水面标高(m)流速 (m/s ) 流量(m 3/ h ) 渗漏段位置及渗漏情况描述制表: 审核: 科长: 第 1 页孙营岔一矿钻孔水位及井泉动态观测台帐技术科二O一四年元月钻孔水位及井泉动态观测台帐孔号钻孔位置钻孔坐标观测点高程(m)观测含水层含水层之固定点距离(m)X Y 名称厚度(m)观测项目时间1#2#3#签名水压(MPa)水位(m)水压(MPa)水位(m)水压(MPa)水位(m)孙营岔一矿井下出水点记录台帐技术科二O一二年元月井下出水点记录台帐出水时间出水地点位置控制出水形式水量(m3/h)水压(MPa)水质出水层位标高(m)原因分析出水点周围巷道破坏变形情况出水量变化情况出水点素描图调查人调查时间孙营岔一矿井下突水点台帐技术科二O一四年元月井下突水点台帐编号突水地点坐标突水类型突水水源突水通道水温(O C)水位(压)(m)(MPa)涌水量(m3/min)突水描述及危害程度X Y Z 突水前突水后最大最小稳定孙营岔一矿井下水文地质钻孔台帐技术科二O一二年元月井下水文地质钻孔台帐孔号钻孔位置钻孔坐标观测点高程m观测含水层含水层至固定点位置终孔层位终孔深度m穿过含水层名称时间封孔情况备注X Y 名称厚度m泥浆封闭段距m砂浆封闭段距m结论孙营岔一矿封闭不良的钻孔台帐技术科二O一四年元月封闭不良的钻孔台帐序号孔号钻孔坐标施工单位终孔层位终孔深度钻孔结构穿过含水层名称时间封孔情况备注X Y Z泥浆封闭段距砂浆封闭段距结论孙营岔一矿相邻矿井积水情况台帐技术科二O一四年元月相邻矿井积水台帐邻矿名称位置调查时间100米范围内积水情况对本矿影响程度积水位置积水层位积水量(m3)积水标高m 积水深度m 积水范围与本矿距离m孙营岔一矿水质分析成果台帐技术科二O一四年元月水质分析成果台帐单位:台账9样品编号取样地点气温(℃)水温(℃)总硬度(德度)暂时硬度(德度)永久硬度(德度)PH值游离CO2(毫克/升)侵蚀CO2(毫克/升)耗气量(毫克/升)SiO2(毫克/升)固形物(毫克/升)一立升水中之含量阴离子阳离子物理性质备注取样时间HCO3-SO42-Ce-NO3-NO2-Ca2+Mg2+K+Ca+Fe2+Fe3+NH4+气味口味颜色混浊度L7-8L7-8L7-8L7-8L7-8Q上Q下O1-2O2二1煤顶砂岩P风化带O2制表:审核:科长:第 1孙营岔一矿水源水质受污染观测资料台账技术科二O一四年元月水源水质受污染观测资料台账单位:台账10序号观测水源地点水源取水层位现场观测情况经水质化验水质超标情况受污染原因分析观测/取水样人观测时间水量(m3/h)颜色气味水温(℃)制表:审核:科长:第 1 页孙营岔一矿水源井(孔)资料台账技术科二O一二年元月水源井(孔)资料台账单位:台账11 水源井(孔)名称:井(孔)口X=Y=Z=施工单位开/竣工时间井(孔)结构井(孔)深度取水层位描述静止水位埋深奥灰水位提水试验水位降深 m单位涌水量主要含水层受地表水或其它水体影响情况化学类型调查人调查时间备注填表:年月日孙营岔一矿矿井和周边煤矿采空区相关资料台帐技术科二O一二年元月矿井和周边煤矿采空区相关资料台帐单位:台账13矿井名称井口坐标开采煤层生产起止日期开采范围与本矿的位置关系水文地质情况是否构成威胁井筒充填情况关井原因备注资料调查突水点情况涌水量(m3/h)水面标高积水面积(m2)积水量(m3)与地表水体关系日期调查人提供人正常最大制表:审核:科长:第 1 页孙营岔一矿矿井工作面采后水文资料台帐技术科二O一二年元月矿井工作面采后水文资料台帐单位:台账15工作面名称开采煤层开采标高煤层埋深O2水位标高煤层厚度采煤方法地质构造简述水文地质条件主要采取的防治水措施、实施情况、效果工作面出水情况(水量大小及构成、水源、充水通道、水量变化、主要出水点位置及水量变化情况等)经验、教训建议备注制表:审核:科长:第 1 页孙营岔一矿采区涌水量台账技术科二O一二年元月采区涌水量台账单位:台账16采区涌水量(m3/h)年度1月2月3月4月5月6月7月8月9月10月11月12月平均制表:审核:科长:第 1 页孙营岔一矿抽(放)水试验成果台账技术科二O一二年元月抽 (放) 水试验成果台账单位:台账5孔号钻孔地面坐标终孔深度(m)抽水层位含水层厚度(m)稳定水位抽水段Q(l/s)q(l/s·m)S(m)K(m/d)R(m)漏水段开工时间竣工时间备注纬距(X)标高(Z)深度(m)标高(m)标高(m)层位标高(m)层位漏失量(l/s)经距(Y)抽前抽后1 2 3 4 5 6 7 8 9 10 11 12 13 14 15 16 17 18 19 20制表:审核:科长:第 1 页孙营岔一矿井田地质钻孔综合成果台帐技术科二O一二年元月井田地质钻孔综合成果台帐单位: 台帐7制表:审核: 科长:第 1 页孔号钻孔地面座标(米) 煤 层 名 称钻 探 资 料电 测 资 料 储 量 计 算 综 合 利 用 资 料备注 经距(Y )标 高止 煤 深 度 (米) 煤层假厚 及 结 构 (米) 煤层 采 长 (米) 煤 层 采取率 (%) 顶底板情况总缺 失量 (米) 质 量 等 级 止 煤 深 度 (米) 煤层假厚及 结 构 (米) 质 量 等 级止 煤 深 度 (米) 煤层假厚及 结 构 (米) 煤 层 采 取 率 (%) 倾 角 (度)煤层真厚及结 构 (米)储量利用纯煤真厚(米)止煤点座标(米) 质量 等级 封 孔 质 量 评 价 冲 积 层 厚度 (米) 终 孔深 度(米) 开工日期 -------- 竣工日期 顶末进尺 ------ 采长 (米) 底初进尺------采长(米)经距(Y) 标高纬距(X )纬距(X) 终孔层位 1234567891011 12131415161718 1920212223242526272829孙营岔一矿水源井(孔)资料台账技术科二O一四年元月水源井(孔)资料台账单位:台账11水源井(孔)名称:井(孔)口X=Y=Z=施工单位开/竣工时间井(孔)结构井(孔)深度取水层位描述静止水位埋深动水位埋深抽水试验水位降深m,单位涌水量q汲水设备、流量井水变化井水用途受地表水或其它水体影响情况物理性质调查人调查时间备注制表:审核:孙营岔一矿工作面采后水文资料台帐技术科二O一二年元月工作面采后水文资料台帐单位:台账15工作面名称开采煤层开采标高煤层埋深O2水位标高煤层厚度采煤方法地质构造简述水文地质条件主要采取的防治水措施、实施情况、效果工作面出水情况(水量大小及构成、水源、充水通道、水量变化、主要出水点位置及水量变化情况等)经验、教训建议备注制表:审核:科长:第 1 页孙营岔一矿水质分析果台帐技术科二O一二年元月水质分析成果台帐单位:台账9样品编号取样地点气温(℃)水温(℃)总硬度(德度)暂时硬度(德度)永久硬度(德度)PH值游离CO2(毫克/升)侵蚀CO2(毫克/升)耗气量(毫克/升)SiO2(毫克/升)固形物(毫克/升)一立升水中之含量阴离子阳离子物理性质备注取样时间HCO3-SO42-Ce-NO3-NO2-Ca2+Mg2+K+Ca+Fe2+Fe3+NH4+气味口味颜色混浊度L7-8L7-8L7-8L7-8L7-8Q上Q下O1-2O2二1煤顶砂岩P风化带O2制表:审核:科长:第 1 页。