18m钢结构课程设计之三角形钢屋架设计
- 格式:doc
- 大小:411.50 KB
- 文档页数:19
钢结构课程设计示例附录A 梯形钢屋架设计示例-、设计资料某一单层单跨工业长房。
厂房总长度为120m,柱距6m,跨度为18m。
车间内设有两台中级工作制桥式吊车。
该地区冬季最低温度为-20℃。
屋面采用1.5m×6.0m预应力大型屋面板,屋面坡度为i=1:10。
上铺120mm厚泡沫混凝土保温层和三毡四油防水层等。
屋面活荷载标准值为0.7kN/㎡,雪荷载标准值为0.5kN/㎡,积灰荷载标准值为0.75kN/㎡。
屋架采用梯形钢屋架,其两端铰支于钢劲混凝土柱上。
柱头截面为400mm×400mm,所用混凝土强度等级为C20。
根据该地区的温度及荷载性质,钢材采用Q235B,其设计强度f=215kN/㎡,焊条采用E43型,手工焊接。
构件采用钢板及热轧钢劲,构件与支撑的连接用M20普通螺栓。
屋架的计算跨度:Lo=18000-2×150=17700mm,端部高度:h=2000mm(轴线处),h=2015mm(计算跨度处),中部高度2900mm。
二、结构形式与布置屋架形式及几何尺寸见图A-1所示。
图A-1 屋架形式及几何尺寸屋架支撑布置见图B-2所示。
符号说明:GWJ-(钢屋架);SC-(上弦支撑):XC-(下弦支撑); CC-(垂直支撑);GG-(刚性系杆);LG-(柔性系杆)图A-2 屋架支撑布置图三、荷载与内力计算1.荷载计算荷载与雪荷载不会同时出现,故取两者较大的活荷载计算。
永久荷载标准值防水层(三毡四油上铺小石子)0.35kN/㎡找平层(20mm厚水泥砂浆)0.02×20=0.40kN/㎡保温层(120mm厚泡沫混凝土)0.12×6=0.70kN/㎡预应力混凝土大型屋面板 1.40kN/㎡钢屋架和支撑自重0.12+0.011×18=0.318kN/㎡管道设备自重0.10 kN/㎡总计 3.068kN/㎡可变荷载标准值雪荷载0.75kN/㎡积灰荷载0.50kN/㎡总计 1.25kN/㎡永久荷载设计值 1.2×3.387=4.0644 kN/㎡(由可变荷载控制)可变荷载设计值 1.4×1.25=1.75kN/㎡2.荷载组合设计屋架时,应考虑以下三种组合:组合一全跨永久荷载+全跨可变荷载屋架上弦节点荷载P=(4.0644+1.75) ×1.5×6=52.3296 kN组合二全跨永久荷载+半跨可变荷载P=4.0644×1.5×6=36.59 kN屋架上弦节点荷载1P=1.75×1.5×6=15.75 kN2组合三全跨屋架及支撑自重+半跨大型屋面板重+半跨屋面活荷载P=0.417×1.2×1.5×6=4.5 kN屋架上弦节点荷载3P=(1.4×1.2+0.75×1.4) ×1.5×6=24.57 kN43.内力计算本设计采用程序计算杆件在单位节点力作用下各杆件的内力系数,见表A-1。
钢结构课程设计三角形屋架一、课程目标知识目标:1. 让学生理解并掌握三角形屋架的结构特点及其在钢结构中的应用。
2. 使学生掌握三角形屋架的稳定性分析及计算方法。
3. 让学生了解并掌握钢结构设计的相关规范和标准。
技能目标:1. 培养学生运用所学知识进行三角形屋架结构设计和计算的能力。
2. 培养学生运用CAD软件绘制三角形屋架结构图纸的技能。
3. 培养学生分析问题、解决问题的能力。
情感态度价值观目标:1. 培养学生对钢结构及三角形屋架的兴趣,激发学生的学习热情。
2. 培养学生严谨、认真的学习态度,养成遵循规范和标准的好习惯。
3. 培养学生的团队合作精神,提高沟通与协作能力。
分析课程性质、学生特点和教学要求,本课程旨在通过理论教学与实践操作相结合,使学生在掌握三角形屋架相关知识的基础上,具备一定的设计计算和绘图能力。
课程目标具体、可衡量,以便学生和教师能够清晰地了解课程的预期成果。
通过本课程的学习,学生将能够独立完成三角形屋架的设计计算和绘图任务,为后续专业课程的学习打下坚实基础。
二、教学内容1. 三角形屋架结构特点及其应用- 介绍三角形屋架的结构类型、受力特点及在钢结构中的应用。
- 教材章节:第二章第二节2. 三角形屋架稳定性分析及计算方法- 讲解三角形屋架的稳定性原理,推导相关计算公式。
- 教材章节:第三章第一节3. 钢结构设计规范与标准- 介绍我国钢结构设计的相关规范和标准,分析三角形屋架设计要求。
- 教材章节:第四章第二节4. 三角形屋架设计计算实例- 分析具体工程案例,讲解三角形屋架设计计算步骤及方法。
- 教材章节:第五章5. 三角形屋架结构绘图- 教授CAD软件操作,指导学生绘制三角形屋架结构图纸。
- 教材章节:第六章第三节6. 实践操作与团队协作- 安排实践操作环节,让学生分组进行三角形屋架设计计算和绘图。
- 教材章节:实践环节教学内容安排和进度:第一周:介绍三角形屋架结构特点及其应用,学习稳定性分析基本原理。
钢结构课程设计任务书一、课程设计的目的和任务《钢结构》课程设计是土木工程专业的理论实践课。
本实践课的主要目的和任务是:1、文件资料的查询、收集,并初步学习各相关规范的查找及使用;2、掌握钢屋架荷载的计算;3、掌握杆件内力的计算和组合,杆件的计算长度,截面型式,截面选择及构造要求,填板的设置及节点板的厚度选择;4、掌握普通钢屋架节点设计的原则和要求,主要节点的设计和构造;掌握钢屋架施工图的内容和绘制。
二、课程设计题目和内容1、题目:设计某车间的三角形钢屋架2、设计资料1)某厂房跨度为18m/21m/24m/27m,总长120m,柱距6.0m,屋架下弦标高为15m。
车间柱网布置见图1。
无吊车,无天窗、无振动。
不考虑抗震设防。
2)屋架铰支于钢筋混凝土柱顶,上柱截面400×400,混凝土强度等级为C30。
3)屋面采用形式具体见小组分表,槽钢檩条。
钢材选用Q235B,焊条采用E43型。
4)采用三角形钢屋架,荷载分类情况见附录1,屋架几何尺寸和内力系数情况见附录2。
5)采用三角形钢屋架3、设计内容1)确定屋架形式和几何尺寸内容:确定屋架高度;确定节点间距及腹杆图形;按比例画出屋架单线图。
2)屋架支撑布置包括:上弦横向水平支撑,下弦横向水平支撑,下弦纵向水平支撑,垂直支撑,系杆。
按1:600比例尺画出屋架上弦、下弦支撑布置图及垂直支撑布置图。
3)进行荷载和内力计算:包括计算屋架荷载;计算屋架杆件内力(用图解法或结构力学求解器);4)屋面杆件截面选择。
5)设计节点包括屋脊节点,上下弦拼接节点,上下一般节点,支座节点等4-5个典型节点。
6)完成设计计算书,绘制屋架运送单元施工图。
4、内力计算考虑下面4种情况1) 满载(全跨静荷载加全跨可变荷载)2) 全跨静荷载和半跨可变荷载。
3)恒载+风荷载。
4)全跨屋架自重(包括檩条、支撑等)+半跨屋面板荷载+半跨活荷载。
成果要求1、计进度安排(1周),详见进度表。
2、设计计算书,内容包括:(1)设计资料,设计依据。
届课程设计18三角形钢屋架课程设计说明书李泽光学生姓名3031214004 号学水利与建筑工程工程学院所属学院农业建筑环境与能源工程业专18班班级英指导教师吴2017.06 日期塔里木大学教务处制三角形钢屋架课程设计任务书设计内容(1)选择钢屋架的材料;(2)确定钢屋架的几何尺寸;(3)屋架及屋盖支撑的布置;(4)檩条的设计;(5)钢屋架的设计;(6)绘制钢屋架施工图。
设计题目:钢屋架设计资料:某厂房总长度90m,跨度根据不同的编号号从附表中取,屋盖体系可从以下所给的类型中选取。
纵向柱距6m。
1.结构形式:钢筋混凝土柱,三角形钢屋架。
柱的混凝土强度等级为0C-20为屋架跨度。
地区计算温度高于,,三角形屋面坡度i=1:2.5LC30无侵蚀性介质,地震设防烈度为8度,屋架下弦标高为18m;厂房内桥式吊车为2台150/30t(中级工作制),锻锤为2台5t。
2.屋架采用的钢材、焊条为:Q345钢,焊条为E50型。
3.屋盖结构及荷载2)有檩体系:采用型钢檩条,压型钢板作屋面板。
标准值为20.58KN/m (荷载:屋架及支撑自重:按经验公式q=0.12+0.011L,L为屋架跨度,以m2为单位;为屋架及支撑自重,以KN/m为单位,q222;积灰荷;保温层0.7KN/m0.50 KN/m基本风压为,雪荷载为0.3 KN/m21.3 KN/m载设计内容:1.屋架形式及几何尺寸确定2.作屋盖结构及支撑的布置图;3.选择钢材及焊接材料,并明确提出对保证项目的要求;4.对钢屋架进行内力、杆件截面尺寸的计算;设计一个下弦节点、一个上弦节点、支座节点、屋脊节点及下弦中央节点。
5.绘制钢屋架施工详图。
1、屋架尺寸屋架几何尺寸见图2。
图二:屋架几何尺寸(单位:mm)2.檩条和支撑布置,檩距为节间长度。
在2)根据屋面材料的最大容许檩距,可将檩条布置于上弦节点上(见图檩条的跨中设置一道拉条。
等因素,可在厂房5.5m,跨度为24m,有中级工作制吊车及第一开间尺寸根据厂房总长度60m并在同一开间两榀相邻屋架的腹两端的第二开间设置一道上弦横向水平支撑和下弦横向水平支撑, 3左右处各一道,见图)。
钢结构_18m三⾓形钢结构钢屋架设计钢结构屋盖课程设计计算书⼀、设计说明1、设计某⼀检修⼚房屋盖,跨度为27m,长度为80m,柱距为6m,三⾓形屋架,钢材为Q235—B,焊条采⽤E43型,屋⾯为压型钢板,屋⾯坡度i=1:2.5,屋架铰接于钢筋混凝⼟柱顶,⽆吊车,外檐⼝采⽤⾃由排⽔,采⽤槽钢檩条,檩条间距为2827.25mm。
2、基本风压为0.4KN/m2,屋⾯离地⾯⾼度为12 m,不上⼈屋⾯。
雪荷载0.6KN/m2⼆、檩条设计1、檩条采⽤轻型槽钢檩条2、屋⾯材料为压型钢板,屋⾯坡度为1:2.5(α=21.80°)檩条跨度为6m,于跨中设置⼀道拉条,⽔平檩距2396.4×cos21.80°=2396.4×0.93=2228.65mm,坡向斜距2396.4mm3、荷载标准值(对⽔平投影⾯)⑴永久荷载:压型钢板(不保温)⾃重为0.1 KN/m2,檩条(包括拉条和⽀撑)⾃重设为0.11 KN/m2⑵可变荷载:屋⾯雪荷载ω=0.6KN/m2,基本风压ωo=0.40 KN/m24、内⼒计算⑴永久荷载于屋⾯活荷载组合檩条线荷载pK=(0.21+0.6)×2.229=1.805 KN/mp=(1.2×0.21+1.4×0.6)×2.229=2.434 KN/mpX=psin21.80=2.434×0.37=0.901 KN/mpY=pcos21.80=2.434×0.93=2.264 KN/m弯矩设计值: MX= pY l2/8=2.264×62/8=10.188KN·mMy= pX l2/32=0.901×62/32=1.014KN·m⑵永久荷载和风荷载的吸⼒组合按《建筑结构荷载规范》GB50009—2001房屋⾼度为12m 取µz=1.0按《门式钢架轻型房屋钢结构技术规程》CECS102:2002附录A,风荷载体型系数为:1.5㏒A-2.9=-1.211 A=2.22865m ×6m=13.72m2垂直于屋⾯的风荷载标准值ωk=µSµzω0=-1.211×1.0×(1.05×0.4)=-0.509 KN/m2檩条线荷载pXY=(0.509-0.21×cos21.80)×2.22865=0.314×2.22865=0.070KN/mpX =0.21×2.229×sin21.8o=0.174 KN/mpY =1.4×1.211×2.229-0.21×2.229×cos21.80=3.344 KN/m 弯矩设计值 MX= pYl2/8=3.344×62/8=15.048KN/m My= pXl2/8=0.174×62/8=0.783KN/m⑶截⾯选择选⽤选⽤轻型槽钢【20 W=152.2 cm3 Wynmax=54.9 cm3 Wynmin=20.5 cm3IX=152.20 cm4 ix=8.07 cm iy=2.20 cm计算截⾯有孔洞削弱,考虑0.9的折减系数,则净截⾯模量为:WNX=0.9×152.2=136.98cm3 Wynmax=0.9×54.9=49.41 cm3 Wynmin=0.9×20.5=18.45 cm3⑷屋⾯能阻⽌檩条失稳和扭转,截⾯的塑性发展系数γx=1.05 γy=1.20,按公式计算截⾯a、b点的强度为(见图)бx = Mx/(γx WNX)+My/(γy Wynmin)=15.048×106/(1.05×136.98×103)+0. 783×106/(1.2×18.45×103)=139.99<215N/mm2бy = Mx/(γx WNX)+My/(γyWynmax)=15.048×106/(1.05×136.98×103)+0.783×106/(1.2×49.41×103)=117.83<215N/mm2⑸挠度计算因为⽀撑压型钢板⾦属板,有积灰的⽡楞铁和⽯棉等⾦属⾯者,容许挠度为L/200当设置拉条时,只须计算垂直于屋⾯⽅向的最⼤挠度vy=(5/384)×(3.344×cos21.80×60004)/(206×103×1522×104)=16.7mm构造要求λx=600/8.07=74.35<200 λy=300/2.20=136.36<200故此檩条在平⾯内外均满⾜要求三、屋架设计⑴屋架结构的⼏何尺⼨如图檩条⽀撑于屋架上弦节点。
钢结构设计原理课程设计——三角形钢屋架结构设计设计时间目录1课程设计指导书 (6)2屋架杆件几何尺寸的计算 (6)3屋架支撑布置 (7)3.1屋架支撑 (7)3.2屋面檩条及其支撑 (8)3.2.1截面选择 (8)3.2.2强度计算 (9)3.2.3强度验算 (9)3.2.4荷载计算 (9)4屋架的力计算 (10)4.1杆件的轴力 (10)4.2上弦杆的弯矩 (10)5屋架杆件截面设计 (10)5.1上弦杆 (11)5.2下弦杆 (12)5.3腹杆 (13)5.3.1中间竖腹杆JG (13)5.3.2主斜腹杆IK、KG (14)5.3.3腹杆DI (14)5.3.4腹杆BH、CH、EK、FK (15)5.3.5腹杆HD、DK (15)5.4填板设置与尺寸选择 (15)6屋架节点设计 (16)6.1支座节点A (16)6.2上弦一般节点B、C、E、F、D (20)6.3屋脊拼接节点G (21)6.4下弦一般节点H (23)6.5下弦拼接节点I (23)6.6下弦中央节点J (25)6.7受拉主斜杆中间节点K (25)8参考资料 (25)三角形钢屋架课程设计指导书西南交通大学自考班课程设计任务书——钢屋架设计一、设计资料1.某地区某金工车间,长18×Sm,跨度Lm,柱距Sm,采用无檩屋盖结构体系,梯形钢结构屋架,1.5m×Sm预应力混凝土大型屋面板,膨胀珍珠岩制品保温层(容重4kN/m3,所需保温层厚度由当地温度确定),卷材屋面,屋面坡度i。
基本风压W,基本雪压S. 活荷载q2.某地区某车间,长18×S m,跨度L m,采用有檩屋盖体系,三角形屋架,屋面采用压型钢板0.15Kn/m2,不保温,屋面坡度i。
基本风压W,基本雪压S.活荷载q根据附表选择题目。
屋架均简支于钢筋混凝土柱子上,混凝土标号为C20,建造地点见附表。
屋架所受荷载,包括恒载,活荷载,及风雪荷载等,均应该根分组表采用。
一、课程设计题目:18m跨三角形钢桁架二、设计资料1、某单层轻型工业厂房,平面尺寸18m×90m,柱距6m,柱高6m,采用三角形钢屋架,屋架跨度18m,屋面坡度i,屋面防水材料为波形彩钢瓦+50厚玻纤棉+钢丝网铝箔,冷弯薄壁C型钢檩条,檩条斜距1.555m。
采用钢筋混凝土柱,混凝土强度等级为C20,钢屋架与柱铰接,柱截面尺寸400×600mm;使用温度-5°C以上。
屋架轴线图及杆件在节点竖向单位力作用下的内力系数见下图。
几何尺寸内力系数三角形屋架几何尺寸和内力系数2、荷载标准值如下:(1)永久荷载(对水平投影面)屋面板、防水结构及檩条0.20 kN/m2(A项)钢屋架及支撑等自重0.35 kN/m2(B项)(2)可变荷载屋面活荷载(对水平投影面)0.30kN/m2(E项)屋面雪荷载(对水平投影面)0.50kN/m2(C项)基本风压(地面粗糙度为B类)0.55kN/m2(D项)荷载学号调整学号荷载荷载学号荷载学号荷载1号A项+0.0111号B项+0.0121号C项+0.0131号D项+0.012 A项+0.0212B项22C项+0.02 32D项+0.023 A项+0.03 13B项+0.03 23C项+0.03 33D项+0.034 A项+0.04 14+0.04 24C项+0.04 34D项+0.045 A项+0.05 15B项+0.05 25C项+0.05 35D项+0.056 A项+0.06B项+0.06 26C项+0.06 36D项+0.067 A项+0.07 17B项+0.07 27C项+0.07 37D项+0.078 A项+0.0818B项+0.0828C项+0.0838D项+0.089A项+0.0919B项+0.0929C项+0.0939D项+0.0910A项+0.120B项+0.130C项+0.1040D项+0.10荷载班级调整(E项):1班:0.3;2班:0.35;3班:0.40;4班:0.45;5班:0.50;6班:0.55三、设计内容1、屋架杆件内力计算和组合;2、选择杆件截面型号,设计节点;3、绘制施工图四、设计目的和要求1、目的:通过本课程设计,使学生掌握钢屋盖结构布置的原则和正确进行内力组合;掌握杆件截面选择和节点构造的设计原则以及节点设计的方法;掌握钢结构施工图的绘制和材料表的编制。
一、设计资料某厂房屋架跨度18m,屋架间距6m,柱高4。
5m,屋面坡度1/3,抗震设防烈度为7度,屋面材料为石棉水泥中波或小波瓦、油毡、木望板。
薄壁卷边Z型钢檩条,檩条斜距为0。
778m,基本风压为0。
35kN/2m,雪荷载为0.20kN/2m。
钢材采用Q235-B。
焊条采用E43型。
二、屋架形式、几何尺寸及支撑布置屋架形式、几何尺寸及支撑布置如图1-10所示,上弦节间长度为两个间距,有节间荷载。
上弦横向水平支撑设置在房屋两端及伸缩缝处的第一开间内,并在相应开间屋架跨中设置垂直支撑,在其余开间屋架下弦跨中设置一道通长的水平系杆。
上弦横向水平支撑在交叉点处与檩条相连。
为此,上弦杆在屋架平面外的计算长度等于其节间几何长度;下弦杆在屋架平面外的计算长度为钢屋架跨度的一半.简图屋架支撑布置图1-10 屋架形式、几何尺寸及支撑布置三、荷载(1)恒载标准值石棉瓦 0。
2kN/2m/0.949=0。
21kN/2m油毡、木望板 0。
18kN/2m/0。
949=0。
19kN/2m檩条、屋架及支撑 0.20kN/2m合计 0。
6kN/2m(2)活载活载与雪载取最大值 0.30kN/2m因屋架受荷水平投影面积超过602m,故屋面受均布活荷载可取为(水平投影面)0。
35kN/2m。
(3)风荷载基本风压 0。
35kN/2m(4)上弦的集中荷载及节点荷载见表2—1及图1-11、图1-12图1—11 上弦集中荷载图1—12 上弦节点荷载表2-1 上弦集中荷载及节点荷载表 荷载形式 荷载分类集中荷载(设计值)P'/kN节点荷载(设计值)P=2P'/kN备注恒载2。
6575。
314P'=0.6kN/2m ⨯0.778⨯103⨯6m=2.657活载1.3292.658P ’=0。
3kN/2m ⨯0。
778⨯103⨯6m=1。
329(5)风荷载以左吹风为例计算,右吹风同理计算,根据公式0z s z k ωμμβω=计算,z β高度小于30m 的单层厂房,取1.0,z μ查表,B 类地面粗糙程度,10h m ≤,取1.0,s μ取值迎风面-0.47,背风面-0.5.屋面风荷载标准值迎风面 21m /k 1645.035.00.147.00.1N -=⨯⨯-⨯=)(ω 背风面 21m /k 175.035.00.15.00.1N -=⨯⨯-⨯=)(ω上弦节点风荷载迎风面 N N W k 535.16m m 555.1m /k 1645.02-=⨯⨯-= 背风面 N N W k 633.16m m 555.1m /k 175.02-=⨯⨯-=图1-13 上弦节点风荷载四、内力组合内力计算表①1。
三角屋架设计1 设计资料及说明1、单跨屋架,平面尺寸为60m×18m,S=6m,即单跨屋架结构总长度为36m,跨度为18m,柱距为6m。
2、屋面材料:规格长尺压型钢板。
3、屋面坡度i=1:3。
活(雪)载为0.35kN/m2,基本风压为0.70kN/m2。
4、屋架支承在钢筋混凝土柱顶,混凝土标号C30,柱顶标高8m。
5、钢材标号为Q235-B,其设计强度值为f=215N/mm2。
6、焊条型号为E43型。
7、荷载计算按全跨永久荷载+全跨可变荷载(不包括风荷载)考虑,荷载分项系数取:γG =1.2,γQ =1.4。
2 屋架杆件几何尺寸的计算根据所用屋面材料的排水需求及跨度参数,采用芬克式三角形屋架。
屋面坡度为i=1:3,屋面倾角α=arctg(1/3)=18.435°,sinα=0.3162,cosα=0.9487屋架计算跨度l0 =l-300=18000-300=17700mm屋架跨中高度h= l0×i/2=17700/(2×3)=2950mm上弦长度L=l0/2cosα≈9329mm节间长度a=L/6=9329/6≈1555m m节间水平段投影尺寸长度a'=acosα=1555×0.9487=1475mm根据几何关系,得屋架各杆件的几何尺寸如图1所示图1 屋架形式及几何尺寸3 屋架支撑布置3.1 屋架支撑1、在房屋两端第一个之间各设置一道上弦平面横向支撑和下弦平面横向支撑。
2、因为屋架是有檩屋架,为了与其他支撑相协调,在屋架的下弦节点设计三道柔性水平系杆,上弦节点处的柔性水平系杆均用该处的檩条代替。
3、根据厂房长度36m,跨度为4m,在厂房两端第二柱间和厂房中部设置三道上弦横向水平支撑,下弦横向水平支撑及垂直支撑。
如图2所示。
图2屋盖支撑布置4 荷载计算屋架支撑0.3(kN/m2)压型钢板015*3.16/3=0.158(kN/m2)檩条和拉条0.13(kN/m2)合计g k=0.588(kN/m2)可变荷载q k=0.3(kN/m2)檩条的均布荷载设计值q=γG g k+γQ q k=1.2×0.588+1.4×0.35=1.20kN/m2节点荷载设计值P=qa's=1.13×1.475×6=10.62kN5 屋架的内力计算5.1 杆件的轴力芬克式三角形桁架在半跨活(雪)荷载作用下,腹杆内力不变号,故只按全跨雪荷载和全跨永久荷载组合计算桁架杆件内力。
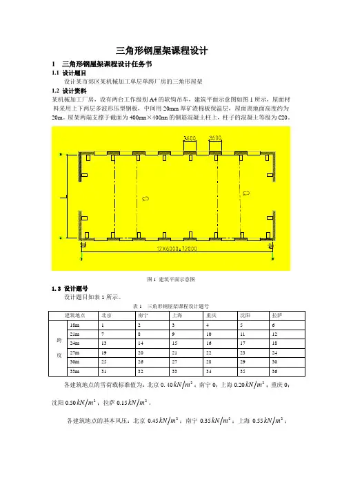
三角形钢屋架课程设计1 三角形钢屋架课程设计任务书1.1 设计题目设计某市郊区某机械加工单层单跨厂房的三角形屋架 1.2 设计资料某机械加工厂房,设有两台工作级别A4的软钩吊车,建筑平面示意图如图1所示,屋面材料采用上下两层多波形压型钢板,中间用20mm 厚矿渣棉板保温层,屋面离地面高度约为图1 建筑平面示意图1.3 设计题号设计题目如表1所示。
表1 三角形钢屋架课程设计题号各建筑地点的雪荷载标准值为:北京0.402kN m ;南宁0;上海0.202kN m ;重庆0;沈阳0.502kN m ;拉萨0.152kN m 。
各建筑地点的基本风压:北京0.452kN m ;南宁0.352kN m ;上海0.552kN m ;重庆0.402kN m ;沈阳0.552kN m ;拉萨0.302kN m 。
1.4 设计内容(1)选择钢屋架的材料; (2)确定钢屋架的几何尺寸; (3)屋架及屋盖支撑的布置; (4)檩条的设计; (5)钢屋架的设计; (6)绘制钢屋架施工图。
1.5 参考资料 (1)《钢结构设计规范》(GB50017~2003)。
(2)《建筑结构荷载规范》(GB50009~2001)。
(3)《建筑抗震设计规范》(GB50011~2001)。
(4)《建筑结构可靠度设计统一标准》(GB50068~2001) (5)《建筑结构制图标准》(GB —T50101—2001) (6)《建筑结构设计术语和符号标准》(G B /T50083—97) (7)《钢结构设计手册》,罗邦富等,中国建筑工业出版社,1988。
(8)《钢结构》(第二版),魏忠明主编,武汉理工大学出版社,2002。
2、三角形钢屋架课程设计指导书参见梯形钢结构屋架课程实际指导书3、三角形钢屋架课程设计实例3.1 设计资料三角形(芬克式)屋架跨度24m ,间距6m ,屋面材料为压型钢板(自重0.122kN m ),屋面坡度1/2.5,厂房长度为60m 。
目录1. 设计资料 (2)2 屋架杆件几何尺寸的计算 (2)3 屋架支撑布置 (2)4 屋架的内力计算 (5)5 屋架杆件截面设计 (6)6 屋架节点设计 (10)7.参考资料 (20)钢屋盖课程设计1. 设计资料1).车间为单跨厂房,全长90m。
屋架支撑在钢筋混凝土柱上,柱距为6m。
上柱截面尺寸为400x400mm。
混凝土强度等级为C30,车间内设有一台起重重量300kN的桥式吊车。
2).屋架跨度: 18m3).屋面坡度: 1:32 屋架杆件几何尺寸的计算根据所用屋面材料的排水需求及跨度参数,采用芬克式三角形屋架。
屋面坡度为i=1:3,屋面倾角α=arctg(1/3)=18.435°,sinα=0.3162,cosα=0.9487=l-300=18000-300=17700mm屋架计算跨度 l×i/2=17700/(2×3)=2950mm屋架跨中高度 h= l上弦长度 L=l/2cosα≈9329mm节间长度a=L/6=9329/6≈1555m m节间水平段投影尺寸长度 a'=acosα=1555×0.9487=1475mm根据几何关系,得屋架各杆件的几何尺寸如图1所示图1 屋架形式及几何尺寸3 屋架支撑布置3.1 屋架支撑1、因为屋架是有檩屋架,为了与其他支撑相协调,在屋架的下弦节点设计三道柔性水平系杆,上弦节点处的柔性水平系杆均用该处的檩条代替。
2、根据厂房长度90m,跨度为6m,在厂房两端第二柱间和厂房中部设置三道上弦横向水平支撑和下弦横向水平支撑,中间设置一道垂直支撑。
如图2所示。
图2 屋盖支撑布置3.2 屋面檩条及其支撑波形石棉瓦长1800mm,要求搭接长度≥150mm ,且每张瓦至少要有三个支撑点,因此最大檩条间距为mma p 825131501800max =--=半跨屋面所需檩条数根3.12182561555=+⨯=n p 考虑到上弦平面横向支撑节点处必须设置檩条,为了便于布置,实际取半跨屋面檩条数13根,则檩条间距为:可以满足要求。
课程设计说明书课程设计任务书设计题目三角形钢屋架课程设计学生姓名设计要求:1.计算书内容包括:选题(屋架形式)、选择钢材、选择焊接方法及焊条型号、荷载计算及内力组合、杆件截面设计、屋架节点设计。
2.施工图(用CAD绘制或手绘)绘制与屋盖支撑相关联的钢屋架施工图,图面内容:屋架索引图(画在图面左上角)比例:1:100-1:150屋架正面图(画对称的半榀)比例:1:20或1:30或自定上、下弦杆俯视图比例:1:10或1:15必要的剖面图(端竖杆、中竖杆、托架及垂直支撑连接处)屋架支座详图及零件详图、施工图说明、标题栏(写明题目、指导教师、姓名、班级、日期)学生应完成的工作:1.设计计算书一份;2.绘制与屋盖支撑相关联的钢屋架施工图(1号图纸)一张;3.图纸应叠成计算书一般大小,与计算书装订后上交。
参考文献阅读:1.戴国欣主编.钢结构(第3版)[M].武汉:武汉理工大学出版社,2011.1.2.张耀春主编.钢结构设计原理[M].北京:高等教育出版社,2004.8.3.唐岱新,孙伟民主编.高等学校建筑工程专业课程设计指导[M]. 北京:中国建筑工业出版社,2002.6.4.陈志华编著.建筑钢结构设计[M]. 天津:天津大学出版社,2004.3.5.周俐俐,姚勇等编著.土木工程专业钢结构课程设计指南[M]. 北京:中国水利水电出版社,知识产权出版社,2007.5.工作计划:周一、周二完成截面及节点设计。
周三、周四绘制施工图。
周五、周六。
任务下达日期:2012年12月7日任务完成日期:2012年12月15日指导教师(签名):学生(签名):三角形钢屋架课程设计摘要:为了使我们对钢结构设计课程有更深刻的理解,我们开展了为期一周的课程设计任务。
三角形钢结构屋架作为工业厂房的主要结构,已经大量的应用于现实生活之中。
因为其具有诸多的特点,能够很好的满足人们对现代生产的要求,所以钢结构设计要趋向成熟。
通过设计,我们应该可以对课本的知识有更为深刻的理解。
钢结构设计原理课程设计——三角形钢屋架结构设计设计时间目录1课程设计指导书 (6)2屋架杆件几何尺寸的计算 (6)3屋架支撑布置 (7)3.1屋架支撑 (7)3.2屋面檩条及其支撑 (8)3.2.1截面选择 (8)3.2.2强度计算 (9)3.2.3强度验算 (9)3.2.4荷载计算 (9)4屋架的力计算 (10)4.1杆件的轴力 (10)4.2上弦杆的弯矩 (10)5屋架杆件截面设计 (10)5.1上弦杆 (11)5.2下弦杆 (12)5.3腹杆 (13)5.3.1中间竖腹杆JG (13)5.3.2主斜腹杆IK、KG (14)5.3.3腹杆DI (14)5.3.4腹杆BH、CH、EK、FK (15)5.3.5腹杆HD、DK (15)5.4填板设置与尺寸选择 (15)6屋架节点设计 (16)6.1支座节点A (16)6.2上弦一般节点B、C、E、F、D (20)6.3屋脊拼接节点G (21)6.4下弦一般节点H (23)6.5下弦拼接节点I (23)6.6下弦中央节点J (25)6.7受拉主斜杆中间节点K (25)8参考资料 (25)三角形钢屋架课程设计指导书西南交通大学自考班课程设计任务书——钢屋架设计一、设计资料1.某地区某金工车间,长18×Sm,跨度Lm,柱距Sm,采用无檩屋盖结构体系,梯形钢结构屋架,1.5m×Sm预应力混凝土大型屋面板,膨胀珍珠岩制品保温层(容重4kN/m3,所需保温层厚度由当地温度确定),卷材屋面,屋面坡度i。
基本风压W,基本雪压S. 活荷载q2.某地区某车间,长18×S m,跨度L m,采用有檩屋盖体系,三角形屋架,屋面采用压型钢板0.15Kn/m2,不保温,屋面坡度i。
基本风压W,基本雪压S.活荷载q根据附表选择题目。
屋架均简支于钢筋混凝土柱子上,混凝土标号为C20,建造地点见附表。
屋架所受荷载,包括恒载,活荷载,及风雪荷载等,均应该根分组表采用。
轻型屋面三角形钢屋架设计说明书学 生: 王岩 指导教师:付建科(三峡大学 机械与材料学院)1 设计样式及屋架形式与材料设计一位于杭州市郊的单跨封闭式屋架结构,单跨屋架结构总长度为36m ,柱距为4m ,跨度为l=18m ,屋面材料为波形石棉瓦,规格:1820×725×8.其他主要参数:坡度i=1:3,恒载为0.6KN/m 2,活载为0.3KN/m 2,屋架支撑在钢筋混凝土柱顶,混凝土标号C20,柱顶标高为6m ,钢材标号:Q235-B.F ,其设计强度为f=215KN/m 2,焊条采用E43型,手工焊接,荷载分项系数去:γG =1.2,γQ =1.4.2 屋架形式及几何尺寸根据所用屋面材料的排水需要几跨度参数,采用人字形六节间三角形屋架。
屋架坡度为1:3,屋面倾角1arctan 18.43α==。
sin 0.3162α=, cos 0.9487α= 屋架计算跨度:mm l l 177003000=-=. 屋架跨中高度: mm l h 29506== 上弦长度: mm l L 9329cos 20==α节间长度: mm La 15556==. 节间水平方向尺寸长度:mm a a 1475cos '==α.根据几何关系得屋架各杆件的几何尺寸如图1所示。
图1 杆件的几何尺寸3 屋盖支撑设计3.1 屋架的支撑(如图1所示)⑴在房屋两侧第一个柱间各设置一道上弦平面横向支撑和下弦平面横向支撑。
⑵在屋架的下弦节点2处设置一通长柔性水平系杆。
图 2 屋架的支撑3.2屋面檩条及其支撑波形石棉瓦长为1820mm ,要求搭接长度≥150mm ,且每张瓦至少需要有三个支撑点,因此,最大檩条间距为:max 182015083531p a mm -==-.半跨屋面所需檩条条数为: 2.121835=+=Ln p 根。
考虑到上弦平面横向支撑节点处必须设置檩条,实际取半跨屋面檩条数为: p n =14根,檩条间距mm La p 77712==<max p a . 可以满足要求。
18m三角形钢屋架设计1 设计资料及说明设计一位于惠州市郊区的单跨屋架结构(封闭式),主要参数如下:1、单跨屋架,平面尺寸为36m×18m,S=4m,即单跨屋架结构总长度为36m,跨度为18m,柱距为4m。
2、屋面材料为规格1820×725×8的波形石棉瓦。
3、屋面坡度i=1:3。
恒载为0.3kN/m2,活(雪)载为0.60.3kN/m2。
4、屋架支承在钢筋混凝土柱顶,混凝土标号C20,柱顶标高6m。
5、钢材标号为Q235-B.F,其设计强度值为f=215N/mm2。
6、焊条型号为E43型。
7、荷载计算按全跨永久荷载+全跨可变荷载(不包括风荷载)考虑,荷载分项系数取:γG =1.2,γQ=1.4。
2 屋架杆件几何尺寸的计算根据所用屋面材料的排水需求及跨度参数,采用芬克式三角形屋架。
屋面坡度为i=1:3,屋面倾角α=arctg(1/3)=18.435°,sinα=0.3162,cosα=0.9487屋架计算跨度l0 =l-300=18000-300=17700mm屋架跨中高度h= l0×i/2=17700/(2×3)=2950mm上弦长度L=l0/2cosα≈9329mm节间长度a=L/6=9329/6≈1555m m节间水平段投影尺寸长度a'=acosα=1555×0.9487=1475mm根据几何关系,得屋架各杆件的几何尺寸如图1所示图1 屋架形式及几何尺寸3 屋架支撑布置3.1 屋架支撑1、在房屋两端第一个之间各设置一道上弦平面横向支撑和下弦平面横向支撑。
2、因为屋架是有檩屋架,为了与其他支撑相协调,在屋架的下弦节点设计三道柔性水平系杆,上弦节点处的柔性水平系杆均用该处的檩条代替。
3、根据厂房长度36m ,跨度为4m ,在厂房两端第二柱间和厂房中部设置三道上弦横向水平支撑,下弦横向水平支撑及垂直支撑。
如图2所示。
图2 屋盖支撑布置3.2 屋面檩条及其支撑波形石棉瓦长1820mm,要求搭接长度≥150mm ,且每张瓦至少要有三个支撑点,因此最大檩条间距为max 182015083531p a mm-==-半跨屋面所需檩条数15556112.1835p n ⨯=+=根考虑到上弦平面横向支撑节点处必须设置檩条,为了便于布置,实际取半跨屋面檩条数13根,则檩条间距为:max 15556778835131p p a a mm⨯===-< 可以满足要求。
【精品】三角形钢屋架设计3 在设计三角形钢屋架时,需要综合考虑结构强度、稳定性以及施工便利性等多个因素。
以下是一个三角形钢屋架设计的详细步骤:一、设计准备1.需求分析:首先了解客户需求,明确屋架的用途、尺寸、承重等要求。
2.荷载分析:根据需求,进行屋面荷载、风载、雪载等作用的分析,以确定屋架的结构形式和尺寸。
3.材料选择:根据荷载大小、跨度等因素,选择合适的钢材型号。
二、结构设计1.形状设计:采用三角形作为屋架的形状,根据客户的要求和钢材料的特点进行设计。
2.节点设计:节点是钢屋架的关键部位,需要进行精细设计。
对于三角形钢屋架,可以采用焊接或螺栓连接的方式,确保节点的牢固性和稳定性。
3.尺寸优化:根据需求和材料规格,对三角形钢屋架的尺寸进行优化,以实现最优的结构性能。
三、细部设计1.防锈处理:钢材容易生锈,因此需要在表面进行防锈处理,如涂刷防锈漆等。
2.排水设计:考虑到屋面积水问题,需要在屋架设计时预留排水孔,并确保排水通畅。
3.通风设计:为了使室内具有良好的通风性,可以在屋架的高点设置通风口,以确保空气流通。
4.安装方式:确定三角形钢屋架的安装方式,如吊装或现场拼装等,并考虑人员和机械的操作空间。
四、施工图绘制与校核1.利用绘图软件绘制施工图纸,标注详细尺寸、材料和工艺要求等信息。
2.对施工图纸进行校核和审核,确保图纸的正确性和可行性。
五、施工指导与质量控制1.根据施工图纸,制定详细的施工方案和工艺流程。
2.对施工现场进行技术交底,确保施工工人了解施工图纸和工艺要求。
3.在施工过程中,进行质量检查和控制,确保每一道工序的施工质量都符合设计要求。
主要检查项目包括:钢结构连接点的质量、屋架的几何尺寸和形状、焊接质量、防锈处理等。
4.在施工结束后,进行质量验收,确保整个屋架的质量符合规范和设计要求。
六、维护与检修1.在使用过程中,定期对屋架进行检查和维护,确保其结构安全性和稳定性。
主要检查项目包括:连接部位的紧固情况、钢材的锈蚀情况、通风和排水设施的运行情况等。
18m三角形钢屋架设计1 设计资料及说明设计一位于惠州市郊区的单跨屋架结构(封闭式),主要参数如下:1、单跨屋架,平面尺寸为36m×18m,S=4m,即单跨屋架结构总长度为36m,跨度为18m,柱距为4m。
2、屋面材料为规格1820×725×8的波形石棉瓦。
3、屋面坡度i=1:3。
恒载为0.3kN/m2,活(雪)载为0.60.3kN/m2。
4、屋架支承在钢筋混凝土柱顶,混凝土标号C20,柱顶标高6m。
5、钢材标号为Q235-B.F,其设计强度值为f=215N/mm2。
6、焊条型号为E43型。
7、荷载计算按全跨永久荷载+全跨可变荷载(不包括风荷载)考虑,荷载分项系数取:γG=1.2,γQ=1.4。
2 屋架杆件几何尺寸的计算根据所用屋面材料的排水需求及跨度参数,采用芬克式三角形屋架。
屋面坡度为i=1:3,屋面倾角α=arctg(1/3)=18.435°,sinα=0.3162,cosα=0.9487屋架计算跨度l0 =l-300=18000-300=17700mm屋架跨中高度h= l0×i/2=17700/(2×3)=2950mm上弦长度L=l0/2cosα≈9329mm节间长度a=L/6=9329/6≈1555m m节间水平段投影尺寸长度a'=acosα=1555×0.9487=1475mm根据几何关系,得屋架各杆件的几何尺寸如图1所示图1 屋架形式及几何尺寸3 屋架支撑布置3.1 屋架支撑1、在房屋两端第一个之间各设置一道上弦平面横向支撑和下弦平面横向支撑。
2、因为屋架是有檩屋架,为了与其他支撑相协调,在屋架的下弦节点设计三道柔性水平系杆,上弦节点处的柔性水平系杆均用该处的檩条代替。
3、根据厂房长度36m ,跨度为4m ,在厂房两端第二柱间和厂房中部设置三道上弦横向水平支撑,下弦横向水平支撑及垂直支撑。
如图2所示。
图2 屋盖支撑布置3.2 屋面檩条及其支撑波形石棉瓦长1820mm,要求搭接长度≥150mm ,且每张瓦至少要有三个支撑点,因此最大檩条间距为max 182015083531p a mm-==-半跨屋面所需檩条数15556112.1835p n ⨯=+=根考虑到上弦平面横向支撑节点处必须设置檩条,为了便于布置,实际取半跨屋面檩条数13根,则檩条间距为:max 15556778835131p p a a mm⨯===-< 可以满足要求。
图3 屋面檩条及其支撑布置示意图3.2.1 截面选择试选用普通槽钢[8,查表得m=0.08kN/m,I x=101cm4,W x=25.3cm3,W y=5.8cm3; 截面塑性发展系数为γx=1.05,γy=1.2。
恒载0.3×0.778=0.233(kN/m)石棉瓦0.2×0.778=0.156(kN/m)檩条和拉条0.080(kN/m)合计g k=0.469(kN/m)可变荷载q k=0.600×0.778=0.467(kN/m)檩条的均布荷载设计值q=γG g k+γQ q k=1.2×0.469+1.4×0.467=1.217kN/mq x=qsinα=1.217×0.3162=0.379kN/mq y=qcosα=1.217×0.9487=1.155kN/m3.2.2强度计算檩条的跨中弯距X方向:22111.15542.31088x yM q l kN m ==⨯⨯=⋅Y方向:22110.37940.1903232y xM q l kN m==⨯⨯=⋅(在跨中设了一道拉条)檩条的最大拉力(拉应力)位于槽钢下翼缘的肢尖处662332.310100.19010138215/1.0525.310 1.2 5.7910y x x x y y M M f N mm W W ⨯⨯=+=+===⨯⨯⨯⨯б<[б]γγ满足要求。
3.2.3 强度验算 载荷标准值()cos y k k p q g q a =+⨯⨯α=(0.469+0.467)0.7780.9487=0.691kN/m沿屋面方向有拉条,所以只验算垂直于屋面方向的挠度:3354550.691400011384384 2.061010110361150y x q l V l EI ⨯=⋅=⋅=⨯⨯⨯<能满足刚度要求。
3.2.4 荷载计算恒载 0.3×0.778=0.233(kN/m ) 石棉瓦 0.2×0.778=0.156(kN/m ) 檩条和拉条 0.080(kN/m ) 合计 g k =0.469(kN/m ) 可变荷载 q k =0.600×0.778=0.467(kN/m )檩条的均布荷载设计值 q=γG g k +γQ q k =1.2×0.469+1.4×0.467=1.217kN/m节点荷载设计值 P=qa 's=1.217×1.475×4=7.18kN4 屋架的内力计算4.1 杆件的轴力芬克式三角形桁架在半跨活(雪)荷载作用下,腹杆内力不变号,故只按全跨雪荷载和全跨永久荷载组合计算桁架杆件内力。
根据《建筑结构静力计算手册》,对于十二节间芬克式桁架,n=17700/2950=6。
先差得内力系数,再乘以节点荷载P=7.18kN ,屋架及荷载是对称的,所以只需计算半个屋架的杆件轴力。
计算出的内力如表1所示。
注:负为压杆,正为拉杆。
4.2 上弦杆的弯矩由《钢结构与组合结构》查的,上弦杆端节间最大正弯矩:M 1=0.8M 0,其它节间最大正弯矩和节点负弯矩为M 2=±0.6M 0。
上弦杆节间集中载荷 P=7.18kN节间最大弯矩 M 0= Pl/4 =7.18×1.475/4=2.648kN·m 端节间 M 1=0.8M 0=0.8×2.648=2.118kN·m 中间节间及节点 M 2=±0.6M 0=±0.6×2.648=1.589kN·m5 屋架杆件截面设计在设计屋架杆件截面前,首先要确定所选节点板的厚度。
在三角形屋架中,节点板厚度与弦杆的最大内力有关。
根据弦杆最大内力N max =124.86kN ,查《钢结构设计及实用计算》P83页表5-1单壁式桁架节点板厚度选用表可选择支座节点板厚为8mm ,其它节点板厚为6mm 。
5.1 上弦杆整个上弦杆采用等截面通长杆,由两个角钢组成T 形截面压弯构件,以避免采用不同截面时的杆件拼接。
弯矩作用平面内的计算长度 l ox =1555mm 侧向无支撑长度 l 1=2×1555=3110mm首先试选上弦截面为2∟70×6,查《钢结构》得其主要参数:318.84A cm ,3max 43.2x W cm =,3min 17.18x W cm =, 2.14x i cm = 3.13y i cm =截面塑性发展系数 γx 1=1.05,γx 2=1.2。
5.1.1 强度验算取AB 段上弦杆(最大内力杆段)验算: 轴心压力: N=124.86kN最大正弯矩(节间): M x =M 1=2.118kN·m ; M y =M 2=1.589kN·m 截面强度验算由负弯矩控制。
362223min 124.8610 1.58910154//18.8410 1.0517.1810x n x x M N N mm N mm A W γ⨯⨯+=+=⨯⨯⨯<215 5.1.2 弯矩作用平面内的稳定性验算λx =l 0x / i x =155.5/2.14=72.66<150, 按GB50017附录C 表C-2查得x ϕ=0.734232223.142061018.8410658.911.1 1.172.66Ex x EA N kN πλ⨯⨯⨯⨯===⨯'按有端弯矩和横向荷载同时作用使弦杆产生反向曲率,故取等效弯矩系数为0.85mx β=max 0.81m xx x x Ex M NfAN W N βϕγ+≤⎛⎫-⎪⎝⎭'362223124.86100.85 2.11810139/215/124.860.73418.8410 1.0543.21010.8658.91N mm N mm ⨯⨯⨯+=⨯⨯⎛⎫⨯⨯⨯-⨯ ⎪⎝⎭<补充验算:min 1 1.25mx xx x Ex M NfAN W N βγ-≤⎛⎫- ⎪⎝⎭'362223124.86100.85 2.1181048/215/124.8618.84101.217.18101 1.25658.91N mm N mm ⨯⨯⨯-=⨯⎛⎫⨯⨯⨯-⨯ ⎪⎝⎭<故平面内的稳定性得以保证。
5.1.3 弯矩作用平面外的稳定性验算此稳定性由负弯矩控制,验算上弦杆ABC 段在弯矩作用下平面外的稳定性 轴心压力 N 1=124.86kN ,N 2=115.81kN 。
l oy = l 1(0.75+0.25N 2/N 1)=2×155.5×(0.75+0.25×115.81/124.86)=305.36 λy = l oy / i y =305.36 / 3.13=97.56<150查《钢结构》附表得0.571y ϕ=,对弯矩使角钢水平肢受压的双角T 形截面,查相关规范得整体稳定系数b ϕ可用下式计算:10.001710.00170.5710.854b ϕλ=-=-⨯=在计算长度范围内弯矩和曲率多次改变向号,为偏于安全,取0.85tx mx ββ==。
362223min 124.86100.85 1.58910210/215/0.57118.84100.83417.1810tx x y b x M N N mm N mm A W βϕϕ⨯⨯⨯+=+=⨯⨯⨯⨯<平面外长细比和稳定性均满足要求。
5.1.4 局部稳定验算对由2∟70×7组成的T 形截面压弯构件 翼缘:70787.867b b t r t t ----===<15满足局部稳定要求。
腹板:07.86w b b t rt t --==<15亦满足要求。
所选上弦杆截面完全满足各项要求,截面适用。
5.2 下弦杆(轴心受拉杆件)整个下弦钢不改变截面,采用等截面通长杆。
在下弦节点I 处,下弦杆角钢水平肢上开有直径为17.5mm 的安装螺栓扩孔。
因此,计算下弦杆强度时,必须考虑及此。
此外,选截面时还要求角钢水平肢(开孔肢)的边长≥63mm ,以便开d 0=17.5mm 的安装螺栓孔。
首先按段AH 的轴心拉力N=118.47kN下弦杆的计算长度 l ox =393.4cm (取下弦杆IJ 段的长度) l oy =2×393.4=786.8cm 需要322118.471010 5.51215n N A cm f -⨯≥=⨯=[]393.41.124350oxx l i cm λ≥==[]786.82.248350oyy l i cm λ≥==选用2∟56×4的角钢,其截面相关参数为 A=8.78cm 2,i x =1.73cm ,i y =2.52cm 。