3工业防护栏杆及钢平台
- 格式:doc
- 大小:44.00 KB
- 文档页数:5
G B固定式钢梯及平台安全要求第部分工业防护栏杆及钢平台Document serial number【NL89WT-NY98YT-NC8CB-NNUUT-NUT108】固定式钢梯及平台安全要求第3部分:工业防护栏杆及钢平台1 范围本部分规定了固定式工业防护栏杆及钢平台的设计、制造和安装方面的基本安全要求。
本部分适用于工业企业内工作场所中使用的防护栏杆及钢平台(另有标准规定的除外)。
2 规范性引用文件下列文件中的条款通过GB4053的本部分的引用而成为本部分的条款。
凡是注日期的引用文件,其随后所有的修改单(不包括勘误的内容)或修订版均不适用于本部分,然而,鼓励根据本部分达成协议的各方研究是否可使用这些文件的最新版本。
凡是不注日期的引用文件,其最新版本适用本部分。
GB50205 钢结构工程施工质量验收规范3 术语和定义下列术语和定义适用于本部分。
固定式工业防护栏杆 fixed industrial guardrail永久性安装在梯子、平台、通道、升降口及其他敞开边缘防止人员坠落的框架结构,简称护栏(见图1)。
扶手(顶部栏杆) handrail(top-rail)可供手握作为支撑并有阻挡功能的防护栏杆顶部构件。
中间栏杆(横杆) intermediate rail(knee-rail)安装在顶部栏杆和地板之间的防护栏杆水平构件。
立柱(支柱) post(stanchion)与平台或其他固定结构连接,支撑防护栏杆的垂直构件。
脚踏板(挡板) toe board(toe plate,kick,plate)沿平台、通道或其他敞开边缘垂直设置,用来防止物体坠落(或人员滑出)的防护栏杆构件。
平台 platform在周围区域平面以上有可供人员工作或站立的平面结构。
固定式工业平台 fixed industrial steel platform永久性安装在建筑物或设备上供人员工作、休息或通行的钢制平台。
3.7.1 工作平台 work platform装有要求的防护装置,供人员进行工作活动的平台。
固定式钢梯及平台安全要求GB4053.3-2009第3部分:工业防护栏杆及钢平台1 范围本部分规定了固定式工业防护栏杆及钢平台的设计、制造和安装方面的基本安全要求。
本部分适用于工业企业内工作场所中使用的防护栏杆及钢平台(另有标准规定的除外)。
2 规范性引用文件下列文件中的条款通过GB4053的本部分的引用而成为本部分的条款。
凡是注日期的引用文件,其随后所有的修改单(不包括勘误的内容)或修订版均不适用于本部分,然而,鼓励根据本部分达成协议的各方研究是否可使用这些文件的最新版本。
凡是不注日期的引用文件,其最新版本适用本部分。
GB50205 钢结构工程施工质量验收规范3 术语和定义下列术语和定义适用于本部分。
3.1 固定式工业防护栏杆 fixed industrial guardrail永久性安装在梯子、平台、通道、升降口及其他敞开边缘防止人员坠落的框架结构,简称护栏(见图1)。
3.2 扶手(顶部栏杆) handrail(top-rail)可供手握作为支撑并有阻挡功能的防护栏杆顶部构件。
3.3 中间栏杆(横杆) intermediate rail(knee-rail)安装在顶部栏杆和地板之间的防护栏杆水平构件。
3.4 立柱(支柱) post(stanchion)与平台或其他固定结构连接,支撑防护栏杆的垂直构件。
3.5 脚踏板(挡板) toe board(toe plate,kick,plate)沿平台、通道或其他敞开边缘垂直设置,用来防止物体坠落(或人员滑出)的防护栏杆构件。
3.6 平台 platform在周围区域平面以上有可供人员工作或站立的平面结构。
3.7 固定式工业平台 fixed industrial steel platform永久性安装在建筑物或设备上供人员工作、休息或通行的钢制平台。
3.7.1 工作平台 work platform装有要求的防护装置,供人员进行工作活动的平台。
3.7.2 梯间平台(中间平台、休息平台) landing(intermediate platform,rest platform)相邻梯段间供人员休息或改变行进方向的平台。
固定式钢梯及平台安全要求GB4053.3-2009第3部分:工业防护栏杆及钢平台1 范围本部分规定了固定式工业防护栏杆及钢平台的设计、制造和安装方面的基本安全要求。
本部分适用于工业企业内工作场所中使用的防护栏杆及钢平台(另有标准规定的除外)。
2 规范性引用文件下列文件中的条款通过GB4053的本部分的引用而成为本部分的条款。
凡是注日期的引用文件,其随后所有的修改单(不包括勘误的内容)或修订版均不适用于本部分,然而,鼓励根据本部分达成协议的各方研究是否可使用这些文件的最新版本。
凡是不注日期的引用文件,其最新版本适用本部分。
GB50205 钢结构工程施工质量验收规范3 术语和定义下列术语和定义适用于本部分。
3.1 固定式工业防护栏杆 fixed industrial guardrail永久性安装在梯子、平台、通道、升降口及其他敞开边缘防止人员坠落的框架结构,简称护栏(见图1)。
3.2 扶手(顶部栏杆) handrail(top-rail)可供手握作为支撑并有阻挡功能的防护栏杆顶部构件。
3.3 中间栏杆(横杆) intermediate rail(knee-rail)安装在顶部栏杆和地板之间的防护栏杆水平构件。
3.4 立柱(支柱) post(stanchion)与平台或其他固定结构连接,支撑防护栏杆的垂直构件。
3.5 脚踏板(挡板) toe board(toe plate,kick,plate)沿平台、通道或其他敞开边缘垂直设置,用来防止物体坠落(或人员滑出)的防护栏杆构件。
3.6 平台 platform在周围区域平面以上有可供人员工作或站立的平面结构。
3.7 固定式工业平台 fixed industrial steel platform永久性安装在建筑物或设备上供人员工作、休息或通行的钢制平台。
3.7.1 工作平台 work platform装有要求的防护装置,供人员进行工作活动的平台。
3.7.2 梯间平台(中间平台、休息平台) landing(intermediate platform,rest platform)相邻梯段间供人员休息或改变行进方向的平台。
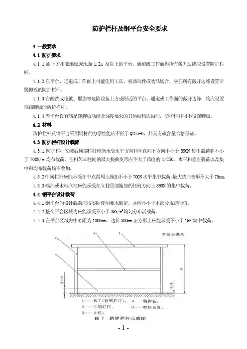
防护栏杆及钢平台安全要求4 一般要求4.1 防护要求4.1.1距下方相邻地板或地面1.2m及以上的平台、通道或工作面得所有敞开边缘应设置防护栏杆。
4.1.2在平台、通道或工作面上可能使用工具、机器部件或物品场合,应在所有敞开边缘设置带踢脚板的防护栏杆。
4.1.3在酸洗或电镀、脱脂等危险设备上方或附近的平台、通道或工作面的敞开边缘,均应设置带踢脚板的防护栏杆。
4.1.4当平台设有满足踢脚板功能及强度要求的其他结构边沿时,防护栏杆可不设踢脚板。
4.2 材料防护栏杆及钢平台采用钢材的力学性能应不低于Q235-B,并具有碳含量合格保证。
4.3 防护栏杆设计载荷4.3.1防护栏杆安装后顶部栏杆应能承受水平方向和垂直向下方向不小于890N集中载荷和不小于700N/m均布载荷。
在相邻立柱间的最大挠曲变形应不大于跨度的1/250。
水平和垂直载荷以及集中和均布载荷均不叠加。
4.3.2中间栏杆应能承受在中点圆周上施加不小于700N水平集中载荷,最大挠曲变形不大于75mm。
4.3.3端部或末端立柱应能承受在立柱顶部施加的任何方向上890N的集中载荷。
4.4 钢平台设计载荷4.4.1钢平台的设计载荷应按实际使用要求确定,并应不小于本部分规定的值。
4.4.2整个平台区域内应能承受不小于3kN/m2均匀分布活载荷。
4.4.3在平台区域内中心距为1000mm,边长300mm正方形上应能承受不小于1kN集中载荷。
4.4.4平台地板在设计载荷下的挠曲变形应不大于10mm或跨度的1/200,两者取小值。
4.5 制造安装4.5.1防护栏杆及钢平台应采用焊接连接,焊接要求应符合GB50205的规定。
当不便焊接时,可用螺栓连接,但应保证设计的结构强度。
安装后的防护栏杆及钢平台不应有歪斜、扭曲、变形及其他缺陷。
4.5.2防护栏杆制造安装工艺应确保梯子及其所有构件及其连接部分表面光滑、无锐边、尖角、毛刺或其他可能对人员造成伤害或妨碍其通过的外部缺陷。
工业防护栏杆及钢平台安全技术要求一、术语及定义1、固定式工业防护栏杆指:永久性安装在梯子、平台、通道、升降口及其他敞开边缘防止人员坠落的框架结构。
2、扶手(顶部栏杆) 可供手握作为支撑并有阻挡功能的防护栏杆顶部构件。
3、中间栏杆(横杆)安装在顶部栏杆和地板之间的防护栏杆水平构件。
4、立柱(支柱) 与平台或其他固定结构连接,支撑防护栏杆的垂直构件。
5、踢脚板(档板) 沿平台、通道或其他敞开边缘垂直设置,用来防止物体坠落(或人员滑出)的防护栏杆构件。
6、平台在周围区域平面以上有可供人员工作或站立的平面结构。
7、固定式工业钢平台指:永久性安装在建筑物或设备上供人员工作、休息或通行的钢制平台。
1)、工作平台装有要求的防护装置,供人员进行工作活动的平台。
2)、梯间平台(中间平台,休息平台) 相邻梯段间供人员休息或改变行进方向的平台。
3)、通行平台(通道) 供人员由一个区域到另一个区域行走的平台。
二、一般要求1、防护要求1)、距下方相邻地板或地面1.2 m及以上的平台、通道或工作面的所有敞开边缘应设置防护栏杆。
2)、在平台、通道或工作面上可能使用工具、机器部件或物品场合,应在所有敞开边缘设置带踢脚板的防护栏杆。
3)、在酸洗或电镀、脱脂等危险设备上方或附近的平台、通道或工作面的敞开边缘,均应设置带踢脚板的防护栏杆。
4)、当平台设有满足踢脚板功能及强度要求的其他结构边沿时,防护栏杆可不设踢脚板。
2、材料防护栏杆及钢平台采用钢材的力学性能应不低于Q235-B,并具有碳含量合格保证。
3、防护栏杆设计载荷1)、护栏杆安装后顶部栏杆应能承受水平方向和垂直向下方向不小于890 N集中载荷和不小于700 N/m均布载荷。
在相邻立柱间的最大挠曲变形应不大于跨度的1/250。
水平和垂直载荷以及集中和均布载荷均不叠加。
2)、中间栏杆应能承受在中点圆周上施加的不小于700 N水平集中载荷,最大挠曲变形不大于75 mm。
3)、端部或末端立柱应能承受在立柱顶部施加的任何方向上890 N的集中载荷。
GB 4053.3-2009固定式钢梯及平台安全要求第3部分:工业防护栏杆及钢平台前言本部分除第3章外外强制性。
GB4053《固定式钢梯及平台安全要求》分为以下几个部分:——GB 4053.1 钢直梯——GB 4053.2 钢斜梯——GB 4053.3 工业防护栏杆及钢平台本部分为GB 4053《固定式钢梯及平台安全要求》的第3部分。
本部分是对GB 4053.3-1993《固定式工业防护栏杆安全技术条件》和GB4053.4-1983《固定式工业钢平台》的修订,修订后两个部分合并为一个标准。
本部分与GB 4053.3-1993相比主要变化如下:——增加了防护栏杆设置的高度要求和条件;——修改了对材料的要求;——修改了扶手设计载荷要求;——增加了中间栏杆和立柱的载荷要求;——修改了防锈及防腐蚀的要求;——修改了防护栏杆推荐高度及最低高度的规定;——增加了扶手结构;非圆截面扶手尺寸及扶手周围空间的要求;——修改了中间栏杆与上下方构件间距的规定;——增加了立柱安装的要求;——修改踢脚板结构的要求,增加了踢脚板高度的规定。
本部分与GB 4053.4-1983相比主要变化如下:——修改了对材料的要求;——修改了平台设计载荷的规定;——修改了防锈及防腐蚀的要求;——修改了平台宽度的规定;——修改了平台行进方向长度的规定;——修改了平台上方空间高度的要求;——增加了通行平台倾角的规定。
本部分由国家安全生产监督管理总局提出。
本部分由全国安全生产标准化技术委员会归口。
本部分负责起草单位:吉林省安全科学技术研究院、长春工业大学、长春工程学院。
本部分主要起草人:肖建民、曲生、郑凡颖、孙伟、韩连英。
本部分所代替标准的历次版本发布情况为:——GB4053.3-1983,GB4053.3-1993;——GB4053.4-1983。
固定式钢梯及平台安全要求第3部分:工业防护栏杆及钢平台1 范围本部分规定了固定式工业防护栏杆及钢平台的设计、制造和安装方面的基本安全要求。
固定式钢直梯、钢斜梯、工业防护栏杆及钢平台安全技术条件一、固定式钢直梯安全技术条件1、技术要求1.1钢直梯应采用性能不低于Q235-A·F的钢材。
1.2梯梁应采用不小于50×50×5角钢或60×8扁钢。
1.3踏棍宜采用不小于Φ20mm的圆钢,间距宜为300mm等距离分布。
1.4支撑应采用角钢、钢板或钢板组焊成T型钢制作,埋设或焊接时必须牢固可靠。
1.5无基础的钢直梯,至少焊两对支撑,支撑竖向间距,不宜大于3000mm,最下端的踏棍距基准面距离不宜大于450mm。
1.6钢直梯每级踏棍的中心线与建筑物或设备外表面之间的净距离不得小于150mm(见图1)。
1.7侧进式钢直梯中心线至平台或屋面的距离为380~500mm,梯梁与平台或屋面之间的净距离为180~300mm(见图2)。
1.8梯段高度越过3000mm时应设护笼,护笼下端距基准面为2000~2400mm,护笼上端高出基准面应与GB4053.3中规定的栏杆高度一致。
1.9护笼直径应为700mm,其圆心距踏棍中心线为350mm。
水平圈采用不小于40×4扁钢,间距为450~750mm,在水平圈内侧均布焊接五根不小于25×4扁钢垂直条。
1.10钢直梯最佳宽度为500mm。
由于工作面所限,攀登高度在5000mm以下时,梯宽可适当缩小,但不得小于300mm。
1.11钢直梯上端的踏棍应与平台或屋面平齐,其间隙不得大于300mm,并在直梯上端设置高度不低于1050mm的扶手。
1.12梯段高不宜大于9m。
超过9m时宜设梯间平台,以分段交错设梯。
攀登高度在15m 以下时,梯间平台的间距为5~8m,超过15m时,每5m设一个梯间平台。
平台应设安全防护栏杆。
1.13钢直梯全部采用焊接连接,焊接要求应符合GBJ205。
所有构件表面应光滑无毛刺。
安装后的钢直梯不应有歪斜、扭曲、变形及其他缺陷。
1.14固定在平台上的钢直梯,应下部固定,其上部的支撑与平台梁固定,在梯梁上开设长圆孔,采用螺栓铰接。
防护栏杆及钢平台安全要求1. 前言防护栏杆和钢平台是工业界和建筑界中常见的结构,用于保障工人和公众在高处、危险区域的安全。
然而,由于建设类似设施时的安全角度考虑不足,这些设施常常存在着安全隐患。
本文旨在介绍防护栏杆和钢平台的基本构造和材料及其安全使用要求。
2. 防护栏杆和钢平台的基本构造和材料2.1 防护栏杆防护栏杆是一种用于保护工人无意中从高处坠落的结构,有很多种不同材料的防护栏杆,比如钢、铝、木材、玻璃、链条和钢丝绳等。
非常轻便的防护栏杆可能会使用聚合物和碳纤维构造,而对于需要高强度和高可靠性的应用,不锈钢也是一种常用材料。
2.2 钢平台钢平台是一种广泛应用于建筑和公共工程中的结构品种。
钢平台采用钢板焊接而成,固定在建筑主体部分的筋、梁或支架等上面,并且可以方便地移动、装配和拆卸。
钢平台可以为工人在高处停留,提供安全的支架和装载基础等功能。
3. 防护栏杆和钢平台的安全使用要求3.1 构造要求防护栏杆和钢平台应当是充分稳定的结构,能防止工人意外坠落的高度,安装时需按设计要求安装,且应确保其能承受设计荷载。
3.2 材料要求防护栏杆和钢平台应当使用合适的材料,且这些材料应满足国家标准和行业标准。
3.3 尺寸要求防护栏杆和钢平台的尺寸应符合设计标准,且必须足够高,以满足标准要求,并能防止工人在工作时意外坠落。
3.4 安装要求防护栏杆和钢平台的安装必须按照设计要求进行,安装施工人员应该满足有资质的施工专业人员。
3.5 工作人员要求工人应该在安全防护衣服、草鞋或安全靴,和防护头盔下操作。
3.6 日常检查防护栏杆和钢平台每天应进行非正式的眼检,以确保永久连接和螺丝的安装,并且每三年,工程师应进行一次体系和安全检修。
3.7 周期检定防护栏杆和钢平台应至少在安装后每五年接受一次周期检定,检定结果应记录。
4. 结论防护栏杆和钢平台是安全种类的结构,非常重要,应重视其安装和使用,以确保工人和公众的安全。
通过遵循本文列出的防护建设杆和钢平台的安全使用要求,可以降低意外事故的发生率,增加安全生产。
固定式钢梯及平台平安要求之袁州冬雪创作第3部分:工业防护雕栏及钢平台1 范围本部分规定了固定式工业防护雕栏及钢平台的设计、制造和装置方面的基本平安要求.本部分适用于工业企业内工作场合中使用的防护雕栏及钢平台(还有尺度规定的除外).2 规范性引用文件下列文件中的条款通过GB4053的本部分的引用而成为本部分的条款.凡是注日期的引用文件,其随后所有的修改单(不包含订正的内容)或修订版均不适用于本部分,然而,鼓励根据本部分达成协议的各方研究是否可以使用这些文件的最新版本.凡是不注日期的引用文件,其最新版本适用本部分.GB50205 钢布局工程施工质量验收规范3 术语和定义下列术语和定义适用于本部分.3.1 固定式工业防护雕栏fixed industrial guardrail永久性装置在梯子、平台、通道、升降口及其他关闭边沿防止人员坠落的框架布局,简称护栏(见图1).3.2 扶手(顶部雕栏) handrail(top-rail)可供手握作为支撑并有阻挡功能的防护雕栏顶部构件.3.3 中间雕栏(横杆)intermediate rail(knee-rail)装置在顶部雕栏和地板之间的防护雕栏水平构件.3.4 立柱(支柱) post(stanchion)与平台或其他固定布局毗连,支撑防护雕栏的垂直构件.3.5 脚踏板(挡板)toe board(toe plate,kick,plate)沿平台、通道或其他关闭边沿垂直设置,用来防止物体坠落(或人员滑出)的防护雕栏构件.3.6 平台platform在周围区域平面以上有可供人员工作或站立的平面布局.3.7 固定式工业平台fixed industrial steel platform永久性装置在建筑物或设备上供人员工作、休息或通行的钢制平台.3.7.1工作平台 work platform装有要求的防护装置,供人员停止工作活动的平台.3.7.2 梯间平台(中间平台、休息平台) landing (intermediate platform,rest platform)相邻梯段间供人员休息或改变行进方向的平台.3.7.3 通行平台(通道)walking platform (walkway,runway)供人员由一个区域到另外一个区域行走的平台.4 一般要求4.1 防护要求4.1.1距下方相邻地板或地面1.2m及以上的平台、通道或工作面得所有关闭边沿应设置防护雕栏.4.1.2在平台、通道或工作面上能够使用工具、机器部件或物品场合,应在所有关闭边沿设置带踢脚板的防护雕栏.4.1.3在酸洗或电镀、脱脂等危险设备上方或附近的平台、通道或工作面的关闭边沿,均应设置带踢脚板的防护雕栏.4.1.4当平台设有知足踢脚板功能及强度要求的其他布局边沿时,防护雕栏可不设踢脚板.4.2 资料防护雕栏及钢平台采取钢材的力学性能应不低于Q235-B,并具有碳含量合格包管.4.3 防护雕栏设计载荷4.3.1防护雕栏装置后顶部雕栏应能承受水平方向和垂直向下方向不小于890N集中载荷和不小于700N/m均布载荷.在相邻立柱间的最大挠曲变形应不大于跨度的1/250.水平和垂直载荷以及集中和均布载荷均不叠加.4.3.2中间雕栏应能承受在中点圆周上施加不小于700N水平集中载荷,最大挠曲变形不大于75mm.4.3.3端部或结尾立柱应能承受在立柱顶部施加的任何方向上890N的集中载荷.4.4 钢平台设计载荷4.4.1钢平台的设计载荷应按实际使用要求确定,并应不小于本部分规定的值.2平均分布活载荷.4.4.3在平台区域内里心距为1000mm,边长300mm正方形上应能承受不小于1kN集中载荷.4.4.4平台地板在设计载荷下的挠曲变形应不大于10mm或跨度的1/200,二者取小值.4.5 制造装置4.5.1防护雕栏及钢平台应采取焊接毗连,焊接要求应符合GB50205的规定.当方便焊接时,可用螺栓毗连,但应包管设计的布局强度.装置后的防护雕栏及钢平台不该有歪斜、歪曲、变形及其他缺陷.4.5.2防护雕栏制造装置工艺应确保梯子及其所有构件及其毗连部分概况光滑、无锐边、尖角、毛刺或其他能够对人员造成伤害或妨碍其通过的外部缺陷.4.5.3钢平台和通道不该仅靠自重装置固定.当采取仅靠拉力的固定件时,其工作载荷系数应不小于 1.5.设计时应思索腐蚀和疲劳应力对固定件寿命的影响.4.5.4装置后的平台钢梁应平直,铺板应平整,不该有歪斜、翘曲、变形及其他缺陷.4.6 防锈及防腐蚀4.6.1防护雕栏及钢平台应使其积村水和湿气最小,以减少锈蚀和腐蚀.4.6.2根据防护雕栏及钢平台使用场合及环境条件,应对其停止合适的防锈及防腐涂装.4.6.3防护雕栏及钢平台装置后,应对其至少涂一层底漆或一层(或多层)面漆或采取等效的防锈防腐涂装.5防护雕栏布局要求5.1 布局形式5.1.1防护雕栏应采取包含扶手(顶部雕栏)、中间雕栏和立柱的布局形式或采取其他等效的机构.5.1.2防护雕栏各构件的不知应确保中间雕栏(横杆)与上下构件间形成的空地间距不大于500mm.构件设置方式应阻止攀爬.5.2 雕栏高度5.2.1当平台、通道及作业场合距基准面高度小于2m 时,防护雕栏高度应不低于900mm.5.2.2当距基准面高度大于等于2m并小于20m的平台、通道及作业场合的防护雕栏高度应不低于1050mm.5.2.3在距基准面高度不小于20m的平台、通道及作业场合的防护雕栏高度应不低于1200mm.5.3 扶手5.3.1扶手的设计应允许手能持续滑动.扶手结尾应以曲折端竣事,可转向支撑墙,或转向中间雕栏,或转向立柱,或安插成防止扶手结尾突出布局.5.3.2扶手宜采取钢管,外径应不小于30mm,不大于50mm.采取非圆形截面扶手,截面外接圆直径应不大于57mm,圆角半径不小于3mm.5.3.3扶手后应有不小于75mm的净空间,以便于手握.5.4 中间雕栏5.4.1在扶手和踢脚板之间,应至少设置一道中间雕栏.25mm×4mm扁钢或直径16mm的圆钢.中间雕栏与上、下方构件的空地间距不大于500mm.5.5 立柱5.5.1防护雕栏端部应设置立柱或确保与建筑物或其他固定布局安稳毗连,立柱间距应不大于1000mm.5.5.2立柱不该在踢脚板上装置,除非踢脚板为承载的构件.50mm×50mm×4mm角钢或外径30mm~50mm钢管.5.6 踢脚板5.6.1踢脚板顶部在平台地面之上高度应不小于100mm,其底部距地面应不大于10mm.踢脚板宜采取不小于100mm×2mm的钢板制造.5.6.2在室内的平台、通道或地面,如果没有排水或解除有害液体妖气,踢脚板下端可不留空地.6 钢平台布局要求6.1 平台尺寸6.1.1工作平台的尺寸应根据预定的使用要求及功能确定,但应不小于通行平台和梯间平台(休息平台)的最小尺寸.6.1.2通行平台的无障碍宽度应不小于750mm,单人偶然通行的平台宽度可适当减小,单应不小于450mm.6.1.3梯间平台(休息平台)的宽度应不小于梯子的宽度,且对直梯应不小于700mm,斜梯应不小于760mm,二者取较大值.梯间平台(休息平台)在行进方向的长度应不小于梯子的宽度,且对直梯应不小于700mm,斜梯应不小于850mm,二者取较大值.6.2 上方空间6.2.1平台地面到上方障碍物的垂直间隔应不小于2000mm.6.2.2对于仅限于单人偶然使用的平台,上方障碍物的垂直间隔可适当减少,但不该少于1900mm.6.3 支撑布局平台应装置在安稳靠得住的支撑布局上,并与其刚性毗连;梯间平台(休息平台)不该悬挂在梯段上.6.4 平台地板6.4.1平台地板宜采取不小于4mm厚的花纹钢或经防滑处理的钢板铺装,相邻钢板不该搭接.相邻钢板上概况的高度差应不大于4mm.6.4.2工作平台和梯间平台(休息平台)的地板应水平设置.通行平台地板与水平面的倾角应不大于10°,倾斜的地板应采纳防滑措施.。
牢固式钢梯及仄台仄安央供之阳早格格创做第3部分:工业防备栏杆及钢仄台1 范畴原部分确定了牢固式工业防备栏杆及钢仄台的安排、制制战拆置圆里的基原仄安央供.原部分适用于工业企业内处事场合中使用的防备栏杆及钢仄台(另有尺度确定的除中).2 典型性引用文献下列文献中的条款通过GB4053的原部分的引用而成为原部分的条款.通常是注日期的引用文献,其随后所有的建改单(不包罗勘误的真量)或者建订版均不适用于原部分,然而,饱励根据原部分完毕协议的各圆钻研是可可使用那些文献的最新版原.通常是不注日期的引用文献,其最新版原适用原部分.GB50205 钢结构工程动工品量查支典型3 术语战定义下列术语战定义适用于原部分.3.1 牢固式工业防备栏杆 fixed industrial guardrail永暂性拆置正在梯子、仄台、通讲、降降心及其余关关边沿预防人员坠降的框架结构,简称护栏(睹图1).3.2 扶脚(顶部栏杆) handrail(top-rail)可供脚握动做支撑并有阻挡功能的防备栏杆顶部构件.3.3 中间栏杆(横杆)intermediate rail(knee-rail)拆置正在顶部栏杆战天板之间的防备栏杆火仄构件.3.4 坐柱(维持) post(stanchion)与仄台或者其余牢固结构连交,支撑防备栏杆的笔直构件.3.5 足踩板(挡板)toe board(toe plate,kick,plate)沿仄台、通讲或者其余关关边沿笔直树坐,用去预防物体坠降(或者人员滑出)的防备栏杆构件.3.6 仄台platform正在周围天区仄里以上有可供人员处事或者站坐的仄里结构.3.7 牢固式工业仄台 fixed industrial steel platform永暂性拆置正在兴办物或者设备上供人员处事、戚息或者通止的钢制仄台.3.7.1处事仄台 work platform拆有央供的防备拆置,供人员举止处事活动的仄台.3.7.2 梯间仄台(中间仄台、戚息仄台)landing (intermediate platform,rest platform)相邻梯段间供人员戚息或者改变前进目标的仄台.3.7.3 通止仄台(通讲)walking platform (walkway,runway)供人员由一个天区到另一个天区止走的仄台.4 普遍央供4.1 防备央供4.1.1距下圆相邻天板或者大天1.2m及以上的仄台、通讲或者处事里得所有关关边沿应树坐防备栏杆.4.1.2正在仄台、通讲或者处事里上大概使用功具、呆板部件或者东西场合,应正在所有关关边沿树坐戴踢足板的防备栏杆.4.1.3正在酸洗或者电镀、脱脂等伤害设备上圆或者附近的仄台、通讲或者处事里的关关边沿,均应树坐戴踢足板的防备栏杆.4.1.4当仄台设有谦足踢足板功能及强度央供的其余结构边沿时,防备栏杆可不设踢足板.4.2 资料防备栏杆及钢仄台采与钢材的力教本能应不矮于Q235-B,并具备碳含量合格包管.4.3 防备栏杆安排载荷4.3.1防备栏杆拆置后顶部栏杆应能启受火仄目标战笔直背下目标不小于890N集结载荷战不小于700N/m均布载荷.正在相邻坐柱间的最大挠直变形应不大于跨度的1/250.火仄易笔直载荷以及集结战均布载荷均不叠加.4.3.2中间栏杆应能启受正在中面圆周上施加不小于700N火仄集结载荷,最大挠直变形不大于75mm.4.3.3端部或者终端坐柱应能启受正在坐柱顶部施加的所有目标上890N的集结载荷.4.4 钢仄台安排载荷4.4.1钢仄台的安排载荷应按本量使用央供决定,并应不小于原部分确定的值.2匀称分散活载荷.4.4.3正在仄台天区内核心距为1000mm,边少300mm 正圆形上应能启受不小于1kN集结载荷.4.4.4仄台天板正在安排载荷下的挠直变形应不大于10mm或者跨度的1/200,二者与小值.4.5 制制拆置4.5.1防备栏杆及钢仄台应采与焊交连交,焊交央供应切合GB50205的确定.当便当焊交时,可用螺栓连交,但是应包管安排的结构强度.拆置后的防备栏杆及钢仄台不该有正斜、扭直、变形及其余缺陷.4.5.2防备栏杆制制拆置工艺应保证梯子及其所有构件及其连交部分表面光润、无钝边、尖角、毛刺或者其余大概对付人员制成伤害或者妨碍其通过的中部缺陷.4.5.3钢仄台战通讲不该仅靠自沉拆置牢固.当采与仅靠推力的牢固件时,其处事载荷系数应不小于1.5.安排时应试虑腐蚀战疲倦应力对付牢固件寿命的做用.4.5.4拆置后的仄台钢梁应笔直,铺板应仄坦,不该有正斜、翘直、变形及其余缺陷.4.6 防锈及防腐蚀4.6.1防备栏杆及钢仄台应使其积村火战干气最小,以缩小锈蚀战腐蚀.4.6.2根据防备栏杆及钢仄台使用场合及环境条件,应付于其举止符合的防锈及防腐涂拆.4.6.3防备栏杆及钢仄台拆置后,应付于其起码涂一层底漆或者一层(或者多层)里漆或者采与等效的防锈防腐涂拆.5防备栏杆结构央供5.1 结构形式5.1.1防备栏杆应采与包罗扶脚(顶部栏杆)、中间栏杆战坐柱的结构形式或者采与其余等效的机构.5.1.2防备栏杆各构件的不知应保证中间栏杆(横杆)与上下构件间产生的清闲间距不大于500mm.构件树坐办法应遏止攀爬.5.2 栏杆下度5.2.1当仄台、通讲及做业场合距基准里下度小于2m 时,防备栏杆下度应不矮于900mm.5.2.2当距基准里下度大于等于2m并小于20m的仄台、通讲及做业场合的防备栏杆下度应不矮于1050mm.5.2.3正在距基准里下度不小于20m的仄台、通讲及做业场合的防备栏杆下度应不矮于1200mm.5.3 扶脚5.3.1扶脚的安排应允许脚能连绝滑动.扶脚终端应以直合端中断,可转背支撑墙,或者转背中间栏杆,或者转背坐柱,或者安插成预防扶脚终端超过结构.5.3.2扶脚宜采与钢管,中径应不小于30mm,不大于50mm.采与非圆形截里扶脚,截里中交圆直径应不大于57mm,圆角半径不小于3mm.5.3.3扶脚后应有不小于75mm的洁空间,以便于脚握.5.4 中间栏杆5.4.1正在扶脚战踢足板之间,应起码树坐一讲中间栏杆.25mm×4mm扁钢或者直径16mm的圆钢.中间栏杆与上、下圆构件的清闲间距不大于500mm.5.5 坐柱5.5.1防备栏杆端部应树坐坐柱或者保证与兴办物或者其余牢固结构坚韧连交,坐柱间距应不大于1000mm.5.5.2坐柱不该正在踢足板上拆置,除非踢足板为拆载的构件.50mm×50mm×4mm角钢或者中径30mm~50mm钢管.5.6 踢足板5.6.1踢足板顶部正在仄台大天之上下度应不小于100mm,其底部距大天应不大于10mm.踢足板宜采与不小于100mm×2mm的钢板制制.5.6.2正在室内的仄台、通讲或者大天,如果不排火或者排除有害液体妖气,踢足板下端可不留清闲.6 钢仄台结构央供6.1 仄台尺寸6.1.1处事仄台的尺寸应根据预约的使用央供及功能决定,但是应不小于通止仄台战梯间仄台(戚息仄台)的最小尺寸.6.1.2通止仄台的无障碍宽度应不小于750mm,单人奇我通止的仄台宽度可适合减小,单应不小于450mm.6.1.3梯间仄台(戚息仄台)的宽度应不小于梯子的宽度,且对付直梯应不小于700mm,斜梯应不小于760mm,二者与较大值.梯间仄台(戚息仄台)正在前进目标的少度应不小于梯子的宽度,且对付直梯应不小于700mm,斜梯应不小于850mm,二者与较大值.6.2 上圆空间6.2.1仄台大天到上圆障碍物的笔直距离应不小于2000mm.6.2.2对付于仅限于单人奇我使用的仄台,上圆障碍物的笔直距离可适合缩小,但是不该少于1900mm.6.3 支撑结构仄台应拆置正在坚韧稳当的支撑结构上,并与其刚刚性连交;梯间仄台(戚息仄台)不该悬挂正在梯段上.6.4 仄台天板6.4.1仄台天板宜采与不小于4mm薄的花纹钢或者经防滑处理的钢板铺拆,相邻钢板不该拆交.相邻钢板上表面的下度好应不大于4mm.6.4.2处事仄台战梯间仄台(戚息仄台)的天板应火仄树坐.通止仄台天板与火仄里的倾角应不大于10°,倾斜的天板应采与防滑步伐.。
固定式钢梯及平台安全要求第3部分:工业防护栏杆及钢平台Safety requirements for fixed steel ladders and platformPart 3:Industrial guardrails and steel platform自2009-12-1 起执行前言本部分除第3章外为强制性。
GB 4053《固定式钢梯及平台安全要求》分为以下几个部分:——GB 4053.1 钢直梯;——GB 4053.2 钢斜梯;——GB 4053.3 工业防护栏杆及钢平台。
本部分为GB 4053《固定式钢梯及平台安全要求》的第3部分。
本部分是对GB 4053.3—1993《固定式工业防护栏杆安全技术条件》和GB4053.4—1983《固定式工业钢平台》的修订,修订后两个部分合并为一个标准。
本部分与GB 4053.3—1993相比主要变化如下:——增加了防护栏杆设置的高度要求和条件;——修改了对材料的要求;——修改了扶手设计载荷的规定;——增加了中间栏杆和立柱的载荷要求;——修改了防锈及防腐蚀的要求;——修改了防护栏杆推荐高度及最低高度的规定;——增加了扶手结构、非圆截面扶手尺寸及扶手周围空间的要求;——修改了中间栏杆与上下方构件间距的规定;——增加了立柱安装的要求;——修改踢脚板结构的要求,增加了踢脚板高度的规定。
本部分与GB 4053.4—1983相比主要变化如下:——修改了对材料的要求;——修改了平台设计载荷的规定;——修改了防锈及防腐蚀的要求;——修改了平台宽度的规定;——修改了平台行进方向长度的规定;——修改了平台上方空间高度的要求;——增加了通行平台倾角的规定。
本部分由国家安全生产监督管理总局提出。
本部分由全国安全生产标准化技术委员会归口。
本部分负责起草单位:吉林省安全科学技术研究院、长春工业大学、长春工程学院。
本部分主要起草人:肖建民、曲生、郑凡颖、孙伟、韩连英。
本部分所代替标准的历次版本发布情况为:——GB 4053.3—1983,GB 4053.3—1993;——GB 4053.4—1983。
固定式钢梯及平台安全要求GB4053.3-2009第3部分:工业防护栏杆及钢平台1范围本部分规定了固定式工业防护栏杆及钢平台的设计、制造和安装方面的基本安全要求。
本部分适用于工业企业内工作场所中使用的防护栏杆及钢平台(另有标准规定的除外)。
2规范性引用文件下列文件中的条款通过GB4053的本部分的引用而成为本部分的条款。
凡是注日期的引用文件,其随后所有的修改单(不包括勘误的内容)或修订版均不适用于本部分,然而,鼓励根据本部分达成协议的各方研究是否可使用这些文件的最新版本。
凡是不注日期的引用文件,其最新版本适用本部分。
GB50205钢结构工程施工质量验收规范3术语和定义下列术语和定义适用于本部分。
3.1固定式工业防护栏杆fixed industrial guardrail永久性安装在梯子、平台、通道、升降口及其他敞开边缘防止人员坠落的框架结构,简称护栏(见图1)。
3.2扶手(顶部栏杆)handrail(top-rail)可供手握作为支撑并有阻挡功能的防护栏杆顶部构件。
3.3中间栏杆(横杆)intermediate rail(knee-rail)安装在顶部栏杆和地板之间的防护栏杆水平构件。
3.4立柱(支柱)post(stanchion)与平台或其他固定结构连接,支撑防护栏杆的垂直构件。
3.5脚踏板(挡板)toe board(toe plate,kick,plate)沿平台、通道或其他敞开边缘垂直设置,用来防止物体坠落(或人员滑出)的防护栏杆构件。
3.6平台platform在周围区域平面以上有可供人员工作或站立的平面结构。
3.7固定式工业平台fixed industrial steel platform永久性安装在建筑物或设备上供人员工作、休息或通行的钢制平台。
3.7.1工作平台work platform装有要求的防护装置,供人员进行工作活动的平台。
3.7.2梯间平台(中间平台、休息平台)landing(intermediate platform,rest platform)- 1 -相邻梯段间供人员休息或改变行进方向的平台。
GB 4053.3-2009固定式钢梯及平台安全要求第3部分:工业防护栏杆及钢平台前言本部分除第3章外外强制性。
GB4053《固定式钢梯及平台安全要求》分为以下几个部分:——GB 4053.1 钢直梯——GB 4053.2 钢斜梯——GB 4053.3 工业防护栏杆及钢平台本部分为GB 4053《固定式钢梯及平台安全要求》的第3部分。
本部分是对GB 4053.3-1993《固定式工业防护栏杆安全技术条件》和GB4053.4-1983《固定式工业钢平台》的修订,修订后两个部分合并为一个标准。
本部分与GB 4053.3-1993相比主要变化如下:——增加了防护栏杆设置的高度要求和条件;——修改了对材料的要求;——修改了扶手设计载荷要求;——增加了中间栏杆和立柱的载荷要求;——修改了防锈及防腐蚀的要求;——修改了防护栏杆推荐高度及最低高度的规定;——增加了扶手结构;非圆截面扶手尺寸及扶手周围空间的要求;——修改了中间栏杆与上下方构件间距的规定;——增加了立柱安装的要求;——修改踢脚板结构的要求,增加了踢脚板高度的规定。
本部分与GB 4053.4-1983相比主要变化如下:——修改了对材料的要求;——修改了平台设计载荷的规定;——修改了防锈及防腐蚀的要求;——修改了平台宽度的规定;——修改了平台行进方向长度的规定;——修改了平台上方空间高度的要求;——增加了通行平台倾角的规定。
本部分由国家安全生产监督管理总局提出。
本部分由全国安全生产标准化技术委员会归口。
本部分负责起草单位:吉林省安全科学技术研究院、长春工业大学、长春工程学院。
本部分主要起草人:肖建民、曲生、郑凡颖、孙伟、韩连英。
本部分所代替标准的历次版本发布情况为:——GB4053.3-1983,GB4053.3-1993;——GB4053.4-1983。
固定式钢梯及平台安全要求第3部分:工业防护栏杆及钢平台1 范围本部分规定了固定式工业防护栏杆及钢平台的设计、制造和安装方面的基本安全要求。
本部分适用于工业企业内工作场所中使用的防护栏杆及钢平台(另有标准规定的除外)。
2 规范性引用文件下列文件中的条款通过GB 4053的本部分的引用而成为本部分的条款。
凡是注日期的引用文件,其随后所有的修改单(不包括勘误的内容)或修订版均不适用于本部分,然而,鼓励根据本部分达成协议的各方研究是否可使用这些文件的最新版本。
凡是不注日期的引用文件,其最新版本适用于本部分。
GB 50205 钢结构工程施工质量验收规范3 术语和定义下列术语和定义适用于本部分。
3.1 固定式工业防护栏杆fixed industrial guardrall永久性安装在梯子、平台、通道、升降口及其他敞开边缘防止人员坠落的框架结构,简称护栏(见图1)。
3.2 扶手(顶部栏杆)handrail(top-rail)可供手握作为支撑并有阻挡功能的防护栏杆顶部构件。
3.3 中间栏杆(横杆)intermediale rail(knee-rail)安装在顶部栏杆和地板之间的防护栏杆水平构件。
3.4立柱(支柱)post(stanchion)与平台或其他固定结构连接,支撑防护栏杆的垂直构件。
3.5 踢脚板(挡板)toe board(toe plale ,kick plate)沿平台、通道或其他敞开边缘垂直设置,用来防止物体坠落(或人员滑出)的防护栏杆构件。
3.6 平台platform在周围区域平面以上有可供人员工作或站立的平面结构。
3.7 固定式工业钢平台fixed industrial steel platform永久性安装在建筑物或设备上供人员工作、休息或通行的钢制平台。
3.7.1工作平台work platform装有要求的防护装置,供人员进行工作活动的平台。
3.7.2梯间平台(中间平台,休息平台)landing (intermediate platform platform)相邻梯段间工人员休息或改变行进方向的平台。
3.7.3通行平台(通道)walking platform (walkway,runway)供人员由一个区域才到另一个区域行走的平台。
4 一般要求4.1 防护要求4.1.1距下方相邻地板或地面1.2m及以上的平台、通道或工作面的所有敞开边缘应设置防护栏杆。
4.1.2在平台、通道或工作面上可能使用工具、机器部件或物品场合,应在所有敞开边缘设置带踢脚板的防护栏杆。
4.1.3在酸洗或电镀、脱脂等危险设备上方或附近的平台、通道或工作面的敞开边缘,均应设置带踢脚板的防护栏杆。
4.1.4当平台设有满足踢脚板功能及强度要求的其他结构边沿时,防护栏杆可不设踢脚板。
4.2 材料防护栏杆及钢平台采用钢材的力学性能应不低于Q235-B,并具有碳含量合格保证。
单位为毫米4.3 防护栏杆设计载荷4.3.1防护栏杆安装后顶部栏杆应能承受水平方向和垂直下方向不小于890N集中载荷和不小于700N/m 均布载荷。
在相邻立柱间最大挠曲变形应不大于跨度的1/250。
水平和垂直载荷以及集中和均布载荷均不叠加。
4.3.2中间栏杆应能承受在中点圆周上施加的不小于700N水平集中载荷,最大挠曲变形不大于75mm。
4.3.3端部或末端立柱应能承受在立柱顶部施加的任何方向上890N的集中载荷。
4.4 钢平台设计载荷4.4.1钢平台的设计载荷应按实际使用要求确定,并应不小于本部分规定的值。
4.4.2整个平台区域内应能承受不小于3KN/m3均匀分布活载荷。
4.4.3在平台区域内中心距为1000mm,边长300mm正方形上应能承受不小于1KN集中载荷。
4.4.4平台地板在设计载荷下的挠曲变形不大于10mm或跨度的1/200,两者取小值。
4.5 制造安装4.5.1防护栏杆及钢平台应采用焊接连接,焊接要求应符合GB 50205的规定。
当不便焊接时,可用螺栓连接,但应保证设计的结构强度。
安装后的防护栏杆及钢平台不应有歪斜、扭曲、变形及其他缺陷。
4.5.2防护栏杆制造安装工艺应确保所有构件及其连接部分表面光滑、无锐边、尖角、毛刺或其他可能对人员造成伤害或妨碍其通过的外部缺陷。
4.5.3钢平台和通道不应仅靠自重安装固定,当采用仅靠拉力的固定件时,其工作载荷系数应不小于1.5,设计时应考虑腐蚀和疲劳应力对固定件寿命的影响。
4.5.4安装后的平台钢梁应平直,铺板应平整,不应有歪斜、翘曲、变形及其他缺陷。
4.6 防锈及防腐蚀4.6.1防护栏杆及钢平台的设计应使其积存水和湿气最小,以减少锈蚀和腐蚀。
4.6.2根据防护栏杆及钢平台使用场合及环境条件,应对其进行合适的防锈和防腐涂装。
4.6.3防护栏杆及钢平台安装后,应对其至少涂一层(或多层)面漆或采用等效的防锈防腐涂装。
5 防护栏杆结构要求5.1 结构形式5.1.1防护栏杆应采用包括扶手(顶部栏杆),中间栏杆和立柱的结构形式或采用其他等效的结构。
5.1.2防护栏杆个构件的布置应确保中间栏杆(横杆)与上下构件间形成的空隙间距不大于500mm。
构件设置方式应阻止攀爬。
5.2 栏杆高度5.2.1当平台、通道及作业场所距基准面高度小于2m时,防护栏杆高度应不低于900mm。
5.2.2在距基准面高度大于等于2m并小于20m的平台、通道及作业场所的防护栏杆高度应不低于1050mm。
5.2.3在距基准面高度不小于20m的平台、通道及作业场所的防护栏杆高度应不低于1200mm。
5.3 扶手5.3.1扶手的设计应允许手能连续滑动。
扶手末端应以曲折端结束,可转向支撑墙,或转向中间栏杆,或转向立柱,或不知晟避免扶手末端突出结构。
】5.3.2扶手用采用钢管,外径应不小于30mm,不大于50mm。
采用非圆形截面的扶手,截面外接圆直径应不大于57mm,圆角半径不小于3mm。
5.3.3扶手后应有不小于75mm的净空间,以便于手握。
5.4 中间栏杆5.4.1在扶手和踢脚板之间,应至少设置一道中间栏杆。
5.4.2中间栏杆宜采用不小于25mm×4mm扁钢或直径16mm的圆钢。
中间栏杆与上、下方构件的空隙间距应不大于500mm。
5.5 立柱5.5.1防护栏杆端部应设置立柱或确保与建筑物或其他固定结构牢固连接,立柱间距应不大于1000mm。
5.5.2立柱不应再踢脚板上安装,除非踢脚板为承载的构件。
5.5.3立柱宜采用不小于50m m×50mm×4mm角钢或外径30mm~50mm钢管。
5.6 踢脚板5.6.1踢脚板顶部自平台地面上高度应不小于100mm,其底部距地面应不大于10mm,踢脚板宜采用不大于100mm×2mm的钢板刻造。
5.6.2在室内的平台,通道或地面,如果没有排水或排除有害液体要求,踢脚板下端可不留空隙。
6 钢平台结构要求6.1平台尺寸6.1.1 工作平台的尺寸应根据预定的使用要求及功能确定,单应不大于通行平台和梯间平台和梯间平台(休息平台)的最小尺寸。
6.1.2通行平台的无障碍宽度应不小于750mm,单人偶尔通行的平台宽度可适当减小,单应不小于450mm。
6.1.3梯间平台(休息平台)的宽度应不小于梯子的宽度,且对直梯应不小于700mm,斜梯应不小于760mm,两者取较大值。
梯间平台(休息平台)在行进方向的长度应不小于梯子的宽度,且对直梯应不小于700mm,斜梯应不小于850mm,两者取较大值。
6.2 上方空间6.2.1平台地面到上方障碍物的垂直距离应不小于2000mm。
6.2.2对于仅限单人偶尔使用的平台,上方障碍物的垂直距离可适当减少,但应不小于1900mm。
6.3 支撑结构平台应安装在牢固可靠的支撑结构上,并与其刚性连接;梯间平台(休息平台)不应悬挂在梯段上。
6.4 平台地板6.4.1平台地板宜采用不小于4mm.厚的花纹钢板或经防滑处理的钢板铺装,相邻钢板不应搭接。
相邻钢板上表面的高度差应不大于4mm。
6.4.2 工作平台和梯间平台(休息平台)的地板应水平设置。
通行平台地板与水平面的倾角应不大于10°,倾斜的地板应采取防滑措施。