固定式工业防护栏杆安全技术条件
- 格式:docx
- 大小:37.82 KB
- 文档页数:2
工业防护栏杆及钢平台安全技术条件一、术语及定义1、固定式工业防护栏杆指:永久性安装在梯子、平台、通道、升降口及其他敞开边缘防止人员坠落的框架结构。
2、扶手(顶部栏杆) 可供手握作为支撑并有阻挡功能的防护栏杆顶部构件。
3、中间栏杆(横杆)安装在顶部栏杆和地板之间的防护栏杆水平构件。
4、立柱(支柱) 与平台或其他固定结构连接,支撑防护栏杆的垂直构件。
5、踢脚板(档板) 沿平台、通道或其他敞开边缘垂直设置,用来防止物体坠落(或人员滑出)的防护栏杆构件。
6、平台在周围区域平面以上有可供人员工作或站立的平面结构。
7、固定式工业钢平台指:永久性安装在建筑物或设备上供人员工作、休息或通行的钢制平台。
1)、工作平台装有要求的防护装置,供人员进行工作活动的平台。
2)、梯间平台(中间平台,休息平台) 相邻梯段间供人员休息或改变行进方向的平台。
3)、通行平台(通道) 供人员由一个区域到另一个区域行走的平台。
二、一般要求1、防护要求1)、距下方相邻地板或地面1.2 m及以上的平台、通道或工作面的所有敞开边缘应设置防护栏杆。
2)、在平台、通道或工作面上可能使用工具、机器部件或物品场合,应在所有敞开边缘设置带踢脚板的防护栏杆。
3)、在酸洗或电镀、脱脂等危险设备上方或附近的平台、通道或工作面的敞开边缘,均应设置带踢脚板的防护栏杆。
4)、当平台设有满足踢脚板功能及强度要求的其他结构边沿时,防护栏杆可不设踢脚板。
2、材料防护栏杆及钢平台采用钢材的力学性能应不低于Q235-B,并具有碳含量合格保证。
3、防护栏杆设计载荷1)、护栏杆安装后顶部栏杆应能承受水平方向和垂直向下方向不小于890 N集中载荷和不小于700 N/m均布载荷。
在相邻立柱间的最大挠曲变形应不大于跨度的1/250。
水平和垂直载荷以及集中和均布载荷均不叠加。
2)、中间栏杆应能承受在中点圆周上施加的不小于700 N水平集中载荷,最大挠曲变形不大于75 mm。
3)、端部或末端立柱应能承受在立柱顶部施加的任何方向上890 N的集中载荷。
固定式工业防护栏杆安全技术条件GB4053.3-93代替GB4053.3-831主题内容及适用范围本标准规定了固定式工业防护栏杆的设计、制造和安装的主要技术要求。
本标准适用于工业企业中的平台、人行通道、升降口等有跌落危险的场所。
本标准不适用于各种交通及其他移动设备。
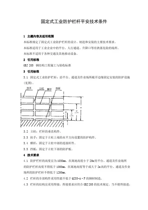
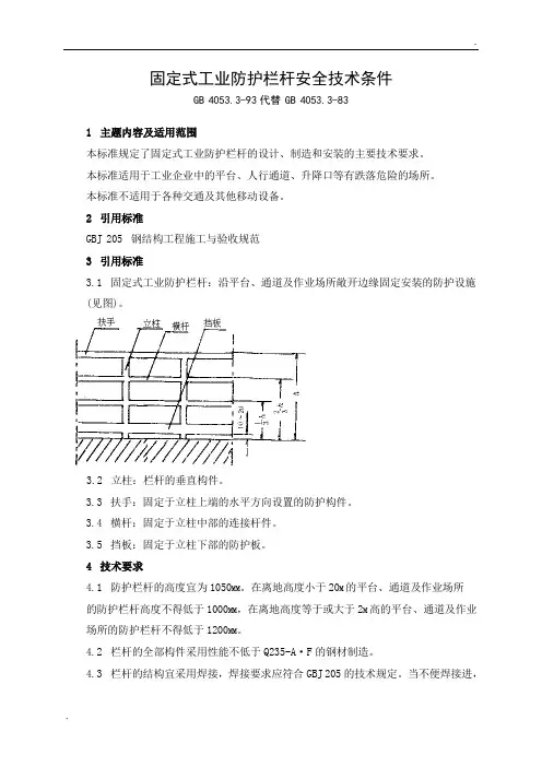
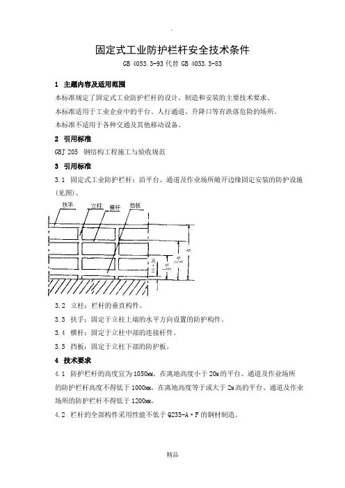
2引用标准GBJ205钢结构工程施工与验收规范3引用标准3.1固定式工业防护栏杆:沿平台、通道及作业场所敞开边缘固定安装的防护设施(见图)。
3.2立柱:栏杆的垂直构件。
3.3扶手:固定于立柱上端的水平方向设置的防护构件。
3.4横杆:固定于立柱中部的连接杆件。
3.5挡板:固定于立柱下部的防护板。
4技术要求4.1防护栏杆的高度宜为1050MM。
在离地高度小于20M的平台、通道及作业场所的防护栏杆高度不得低于1000MM,在离地高度等于或大于2M高的平台、通道及作业场所的防护栏杆不得低于1200MM。
4.2栏杆的全部构件采用性能不低于Q235-A·F的钢材制造。
4.3栏杆的结构宜采用焊接,焊接要求应符合GBJ205的技术规定。
当不便焊接进,也可用螺栓连接,但必须保证第5章规定的结构强度。
4.4扶手宜采用外径Φ33.5--50MM的钢管,主柱宜采用不小于50×50×4角钢或Φ33.5--50MM钢管,立柱间隙宜为1000MM。
4.5横杆采用不小于25×4扁钢或Φ16的圆钢。
横杆与上、下构件的净间距不得大于380MM。
4.6挡板宜采用不小于100×2扁钢制造。
如果平台设有满足挡板功能及强度要求的其他结构边沿时,允许不另设挡板。
4.7室外栏杆、挡板与平台间隙为10--20MM,室内不留间隙。
4.8栏杆端部必须设置立柱或建筑物牢固连接。
4.9所有结构表面应光滑、无毛刺,安装后不应有歪斜、扭曲、变形其他缺陷。
4.10栏杆表面必须认真除锈,并做防腐涂装。
5强度要求栏杆的设计,必须保证其扶手所能承受水平方向垂直施加的载荷不小于500N/M。
固定式钢直梯、钢斜梯、工业防护栏杆及钢平台安全技术条件一、固定式钢直梯安全技术条件1、技术要求1.1钢直梯应采用性能不低于Q235-A·F的钢材。
1.2梯梁应采用不小于50×50×5角钢或60×8扁钢。
1.3踏棍宜采用不小于Φ20mm的圆钢,间距宜为300mm等距离分布。
1.4支撑应采用角钢、钢板或钢板组焊成T型钢制作,埋设或焊接时必须牢固可靠。
1.5无基础的钢直梯,至少焊两对支撑,支撑竖向间距,不宜大于3000mm,最下端的踏棍距基准面距离不宜大于450mm。
1.6钢直梯每级踏棍的中心线与建筑物或设备外表面之间的净距离不得小于150mm(见图1)。
1.7侧进式钢直梯中心线至平台或屋面的距离为380~500mm,梯梁与平台或屋面之间的净距离为180~300mm(见图2)。
1.8梯段高度越过3000mm时应设护笼,护笼下端距基准面为2000~2400mm,护笼上端高出基准面应与GB4053.3中规定的栏杆高度一致。
1.9护笼直径应为700mm,其圆心距踏棍中心线为350mm。
水平圈采用不小于40×4扁钢,间距为450~750mm,在水平圈内侧均布焊接五根不小于25×4扁钢垂直条。
1.10钢直梯最佳宽度为500mm。
由于工作面所限,攀登高度在5000mm以下时,梯宽可适当缩小,但不得小于300mm。
1.11钢直梯上端的踏棍应与平台或屋面平齐,其间隙不得大于300mm,并在直梯上端设置高度不低于1050mm的扶手。
1.12梯段高不宜大于9m。
超过9m时宜设梯间平台,以分段交错设梯。
攀登高度在15m 以下时,梯间平台的间距为5~8m,超过15m时,每5m设一个梯间平台。
平台应设安全防护栏杆。
1.13钢直梯全部采用焊接连接,焊接要求应符合GBJ205。
所有构件表面应光滑无毛刺。
安装后的钢直梯不应有歪斜、扭曲、变形及其他缺陷。
1.14固定在平台上的钢直梯,应下部固定,其上部的支撑与平台梁固定,在梯梁上开设长圆孔,采用螺栓铰接。
定式工业防护栏杆安全技术条件3术语3.1固定式工业防护栏杆:沿平台、通道及作业场所敞开边缘固定安装的防护设施(见图)。
堡土立柱挡板4.2立柱:栏杆的垂直构件。
5.3扶手:固定于立柱上端的水平方向设置的防护构件。
6.4横杆:固定于立柱中部的连接杆件。
3. 5挡板:固定于立柱下部的防护板。
4技术要求4. 1防护栏杆的高度宜为1050mm。
在离地高度小于20m的平台、通道及作业场所的防护栏杆高度不得低于1000mm,在离地高度等于或大于20m高的平台、通道及作业场所的防护栏杆不得低于1200mm。
4.2栏杆的全部构件采用性能不低于Q235-A.F的钢材制造。
4.3栏杆的结构宜采用焊接,焊接要求应符合GBJ205的技术规定。
当不便焊接时,也可用螺栓连接,但必须保证第5章规定的结构强度。
4.4扶手宜采用外径中33.5〜50mm的钢管,立柱宜采用不小于50x50x4角钢或q33.5-50mm钢管,立柱间隙宜为1000mm。
4.5横杆采用不小于25x4扁钢或916的圆钢。
横杆与上、下构件的净间距不得大于380mm。
4.6挡板宜采用不小于100x2扁钢制造。
如果平台设有满足挡板功能及强度要求的其他结构边沿时,允许不另设挡板。
4.7室外栏杆、挡板与平台间隙为10〜20mm,室内不留间隙。
4.8 栏杆端部必须设置立柱或与建筑物牢固连接。
7.9 所有结构表面应光滑、无毛刺,安装后不应有歪斜、扭曲、变形及其他缺陷。
8.10栏杆表面必须认真除锈,并做防腐涂装。
5强度要求栏杆的设计,必须保证其扶手所能承受水平方向垂直施加的载荷不小于500N/m。
固定式钢斜梯安全技术条件1主题内容与适用范围本标准规定了固定式钢斜梯的设计、制造和安装的主要技术要求。
本标准适用于工业企业中生产用固定式钢斜梯。
本标准不适用于交通及其他移动设备上用的钢斜梯。
2引用标准GB4053.3固定式工业防护栏杆安全技术条件GBJ205 钢结构工程施工与验收规范3术语3. 1 固定式钢斜梯:固定在建筑物或设备上,与水平面成30°~75°角的钢梯(见图)。
固定式工业防护栏杆平安技术条件1主题内容及适用范围本标准规定了固定式工业防护栏杆的设计、制造和安装的主要技术要求。
本标准适用于工业企业中的平台、人行通道、升降口等有跌落危险的场所。
本标准不适用于各种交通及其他移动设备。
2引用标准GBJ205钢结构工程施工与验收标准3引用标准3.1固定式工业防护栏杆:沿平台、通道及作业场所敞开边缘固定安装的防护设施(见图)。
3.2立柱:栏杆的垂直构件。
3.3扶手:固定于立柱上端的水平方向设置的防护构件。
3.4横杆:固定于立柱中部的连接杆件。
3.5挡板:固定于立柱下部的防护板。
4技术要求4.1防护栏杆的高度宜为1050MM。
在离地高度小于20M的平台、通道及作业场所的防护栏杆高度不得低于1000MM,在离地高度等于或大于2M高的平台、通道及作业场所的防护栏杆不得低于1200MM。
4.2栏杆的全部构件采用性能不低于Q235-A·F的钢材制造。
4.3栏杆的结构宜采用焊接,焊接要求应符合GBJ205的技术规定。
当不便焊接进,也可用螺栓连接,但必须保证第5章规定的结构强度。
4.4扶手宜采用外径Φ-50MM的钢管,主柱宜采用不小于50×50×4角钢或Φ50MM钢管,立柱间隙宜为1000MM。
4.5横杆采用不小于25×4扁钢或Φ16的圆钢。
横杆与上、下构件的净间距不得大于380MM。
4.6挡板宜采用不小于100×2扁钢制造。
如果平台设有满足挡板功能及强度要求的其他结构边沿时,允许不另设挡板。
4.7室外栏杆、挡板与平台间隙为10--20MM,室内不留间隙。
4.8栏杆端部必须设置立柱或建筑物牢固连接。
4.9所有结构外表应光滑、无毛刺,安装后不应有歪斜、扭曲、变形其他缺陷。
4.10栏杆外表必须认真除锈,并做防腐涂装。
5强度要求栏杆的设计,必须保证其扶手所能承受水平方向垂直施加的载荷不小于500N/M。
固定式工业防护栏杆安全技术条件GB4053.3-93 代替GB4053.3-831 主题内容及适用范围本标准规定了固定式工业防护栏杆的设计、制造和安装的主要技术要求。
本标准适用于工业企业中的平台、人行通道、升降口等有跌落危险的场所。
本标准不适用于各种交通及其他移动设备。
2 引用标准GBJ205 钢结构工程施工与验收规范3 引用标准3.1 固定式工业防护栏杆:沿平台、通道及作业场所敞开边缘固定安装的防护设施( 见图) 。
3.2 立柱:栏杆的垂直构件。
3.3 扶手:固定于立柱上端的水平方向设置的防护构件。
3.4 横杆:固定于立柱中部的连接杆件。
3.5 挡板:固定于立柱下部的防护板。
4 技术要求4.1 防护栏杆的高度宜为1050MM。
在离地高度小于20M的平台、通道及作业场所的防护栏杆高度不得低于1000MM,在离地高度等于或大于2M高的平台、通道及作业场所的防护栏杆不得低于1200MM。
4.2 栏杆的全部构件采用性能不低于Q235-A· F 的钢材制造。
4.3 栏杆的结构宜采用焊接,焊接要求应符合GBJ205 的技术规定。
当不便焊接进,也可用螺栓连接,但必须保证第5章规定的结构强度。
3.6扶手宜采用外径Φ33.5--50MM的钢管,主柱宜采用不小于50×50×4角钢或Φ33.5--50MM钢管,立柱间隙宜为1000MM。
3.7横杆采用不小于25×4扁钢或Φ16的圆钢。
横杆与上、下构件的净间距不得大于380MM。
3.8挡板宜采用不小于100×2扁钢制造。
如果平台设有满足挡板功能及强度要求的其他结构边沿时,允许不另设挡板。
3.9室外栏杆、挡板与平台间隙为10--20MM,室内不留间隙。
3.10栏杆端部必须设置立柱或建筑物牢固连接。
3.11所有结构表面应光滑、无毛刺,安装后不应有歪斜、扭曲、变形其他缺陷。
3.12栏杆表面必须认真除锈,并做防腐涂装。
5强度要求栏杆的设计,必须保证其扶手所能承受水平方向垂直施加的载荷不小于500N/M。
固定式工业防护栏杆安全技术条件随着工业化进程的不断推进,工业设备和机械的应用范围不断扩大,工业场所的安全问题也变得日益突出。
在工业场所中,防护栏杆作为一种重要的防护设施,起到维护工作场所安全的重要作用。
本文将介绍固定式工业防护栏杆的安全技术条件,以确保其在保护作用的同时避免意外事故的发生。
概述固定式工业防护栏杆是一种用于保护工作人员和设备免受外界威胁的设施。
它不仅可以用于隔离高处坑洼和危险机械,也可以用于限制人员的通行范围。
在现代工业环境中,固定式工业防护栏杆需要满足更多的安全和功能要求。
材料固定式工业防护栏杆的材料一般选用不锈钢、铝合金或钢材。
不锈钢具有抗腐蚀、美观等特点;铝合金具有重量轻、抗腐蚀等特点;钢材则具有强度高等特点。
在选择材料时,需要根据防护栏杆的需求和实际情况进行选择。
结构固定式工业防护栏杆的结构一般分为两种类型:立柱式和横梁式。
立柱式防护栏杆的立柱间距小,防护栏杆整体结构紧凑;横梁式防护栏杆的横梁间距宽,能够满足更大的隔离空间。
在选择结构时,需要考虑到防护栏杆的实际需求和空间条件。
安装固定式工业防护栏杆的安装必须严格按照设计图纸和安装要求进行。
在安装时,需要注意以下事项:•确保防护栏杆与地面的垂直度和水平度;•确保立柱和地面的连接牢固;•避免连接件或螺丝露出或松动;•采用适当的方法进行固定和锚固。
尺寸固定式工业防护栏杆的尺寸应根据实际需求进行选择。
在确定尺寸时,需要考虑以下要素:•设备的高度和宽度;•工作环境的高度、长度和宽度;•人员通行和作业的需要。
标识固定式工业防护栏杆应配有明显的安全标识。
在标识上,应当注明防护栏杆的作用、安装单位、日期等信息。
在使用中,应及时更换或更新标识。
安全检测固定式工业防护栏杆应定期进行安全检测,以确保其安全性能和功能完好。
在安全检测时,应注意以下要素:外观检查外观检查是安全检测的一个重要环节。
在外观检查时,应注意以下要素:•固定式工业防护栏杆的外观是否破损、变形或腐蚀;•防护栏杆的标识是否清晰可见;•防护栏杆的安装是否牢固。
GB代替GB1主题内容及适用范围本标准规定了固定式工业防护栏杆的设计、制造和安装的主要技术要求。
本标准适用于工业企业中的平台、人行通道、升降口等有跌落危险的场所。
本标准不适用于各种交通及其他移动设备。
2引用标准GBJ205钢结构工程施工与验收规范3引用标准固定式工业防护栏杆:沿平台、通道及作业场所敞开边缘固定安装的防护设施(见图)。
立柱:栏杆的垂直构件。
扶手:固定于立柱上端的水平方向设置的防护构件。
横杆:固定于立柱中部的连接杆件。
挡板:固定于立柱下部的防护板。
4技术要求防护栏杆的高度宜为1050MM。
在离地高度小于20M的平台、通道及作业场所的防护栏杆高度不得低于1000MM,在离地高度等于或大于2M高的平台、通道及作业场所的防护栏杆不得低于1200MM。
栏杆的全部构件采用性能不低于Q235-A·F的钢材制造。
栏杆的结构宜采用焊接,焊接要求应符合GBJ205的技术规定。
当不便焊接进,也可用螺栓连接,但必须保证第5章规定的结构强度。
扶手宜采用外径Φ-50MM的钢管,主柱宜采用不小于50×50×4角钢或Φ50MM钢管,立柱间隙宜为1000MM。
横杆采用不小于25×4扁钢或Φ16的圆钢。
横杆与上、下构件的净间距不得大于380MM。
挡板宜采用不小于100×2扁钢制造。
如果平台设有满足挡板功能及强度要求的其他结构边沿时,允许不另设挡板。
室外栏杆、挡板与平台间隙为10--20MM,室内不留间隙。
栏杆端部必须设置立柱或建筑物牢固连接。
所有结构表面应光滑、无毛刺,安装后不应有歪斜、扭曲、变形其他缺陷。
栏杆表面必须认真除锈,并做防腐涂装。
5强度要求栏杆的设计,必须保证其扶手所能承受水平方向垂直施加的载荷不小于500N/M。
8G B4053.3-93固定式工业防护栏杆安全技术条件固定式工业防护栏杆安全技术条件GB 4053.3—93国家技术监督局1993—12—27批准 1994—07—01实施1 主题内容与适用范围本标准规定了固定式工业防护栏杆的设计、制造和安装的主要技术要求。
本标准适用于工业企业中的平台、人行通道、升降口等有跌落危险的场所。
本标准不适用于各种交通及其他移动设备。
2 引用标准GBJ 205 钢结构工程施工与验收规范3术语3.1 固定式工业防护栏杆;沿平台、通道及作业场所敞开边缘固定安装的防护设施(见图)。
3.2 立柱:栏杆的垂直构件。
3.3 扶手:固定于立柱上端的水平方向设置的防护构件。
3.4 横杆:固定于立柱中部的连接杆件。
3.5 挡板;固定于立柱下部的防护板。
4 技术要求4.1 防护栏杆的高度宜为1050mm。
在离地高度小于20m的平台、通道及作业场所的防护栏杆高度不得低于1000mm,在离地高度等于或大于20m高的平台、通道及作业场所的防护栏杆不得低于1200 mm。
4.2 栏杆的全部构件采用性能不低于Q235—A·F的钢材制造。
4.3 栏杆的结构宜采用焊接,焊接要求应符合GBJ 205的技术规定。
当不便焊接时,也可用螺栓连接,但必须保证第5章规定的结构强度。
4.4 扶手宜采用外径φ33.5~50mm的钢管,立柱宜采用不小于50×50×4角钢或φ33.5~50mm钢管,立柱间隙宜为1000mm。
4.5 横杆采用不小于25×4扁钢或φ16的圆钢。
横杆与上、下构件的净间距不得大于380mm。
4.6 挡板宜采用不小于100×2扁钢制造。
如果平台设有满足挡板功能及强度要求的其他结构边沿时,允许不另设挡板。
4.7 室外栏杆、挡板与平台间隙为10~20mm,室内不留间隙。
4.8 栏杆端部必须设置立柱或与建筑物牢固连接。
4.9 所有结构表面应光滑、无毛刺,安装后不应有歪斜、扭曲、变形及其他缺陷。
固定式工业防护栏杆安全技术条件GB4053.3-93代替GB4053.3-831主题内容及适用范围本标准规定了固定式工业防护栏杆的设计、制造和安装的主要技术要求。
本标准适用于工业企业中的平台、人行通道、升降口等有跌落危险的场所。
本标准不适用于各种交通及其他移动设备。
2引用标准GBJ205钢结构工程施工与验收规范3引用标准3.1固定式工业防护栏杆:沿平台、通道及作业场所敞开边缘固定安装的防护设施(见图)。
3.2立柱:栏杆的垂直构件。
3.3扶手:固定于立柱上端的水平方向设置的防护构件。
3.4横杆:固定于立柱中部的连接杆件。
3.5挡板:固定于立柱下部的防护板。
4技术要求4.1防护栏杆的高度宜为1050MM。
在离地高度小于20M的平台、通道及作业场所的防护栏杆高度不得低于1000MM,在离地高度等于或大于2M高的平台、通道及作业场所的防护栏杆不得低于1200MM。
4.2栏杆的全部构件采用性能不低于Q235-A·F的钢材制造。
4.3栏杆的结构宜采用焊接,焊接要求应符合GBJ205的技术规定。
当不便焊接进,也可用螺栓连接,但必须保证第5章规定的结构强度。
4.4扶手宜采用外径Φ33.5--50MM的钢管,主柱宜采用不小于50×50×4角钢或Φ33.5--50MM钢管,立柱间隙宜为1000MM。
4.5横杆采用不小于25×4扁钢或Φ16的圆钢。
横杆与上、下构件的净间距不得大于380MM。
4.6挡板宜采用不小于100×2扁钢制造。
如果平台设有满足挡板功能及强度要求的其他结构边沿时,允许不另设挡板。
4.7室外栏杆、挡板与平台间隙为10--20MM,室内不留间隙。
4.8栏杆端部必须设置立柱或建筑物牢固连接。
4.9所有结构表面应光滑、无毛刺,安装后不应有歪斜、扭曲、变形其他缺陷。
4.10栏杆表面必须认真除锈,并做防腐涂装。
5强度要求栏杆的设计,必须保证其扶手所能承受水平方向垂直施加的载荷不小于500N/M。
固定式工业防护栏杆安全技术条件GB 4053.3—93国家技术监督局1993—12—27批准1994—07—01实施1 主题内容与适用范围本标准规定了固定式工业防护栏杆的设计、制造和安装的主要技术要求。
本标准适用于工业企业中的平台、人行通道、升降口等有跌落危险的场所。
本标准不适用于各种交通及其他移动设备。
2 引用标准GBJ 205 钢结构工程施工与验收规范3术语3.1 固定式工业防护栏杆;沿平台、通道及作业场所敞开边缘固定安装的防护设施(见图)。
3.2 立柱:栏杆的垂直构件。
3.3 扶手:固定于立柱上端的水平方向设置的防护构件。
3.4 横杆:固定于立柱中部的连接杆件。
3.5 挡板;固定于立柱下部的防护板。
4 技术要求4.1 防护栏杆的高度宜为1050mm。
在离地高度小于20m的平台、通道及作业场所的防护栏杆高度不得低于1000mm,在离地高度等于或大于20m高的平台、通道及作业场所的防护栏杆不得低于1200 mm。
4.2 栏杆的全部构件采用性能不低于Q235—A·F的钢材制造。
4.3 栏杆的结构宜采用焊接,焊接要求应符合GBJ 205的技术规定。
当不便焊接时,也可用螺栓连接,但必须保证第5章规定的结构强度。
4.4 扶手宜采用外径φ33.5~50mm的钢管,立柱宜采用不小于50×50×4角钢或φ33.5~50mm钢管,立柱间隙宜为1000mm。
4.5 横杆采用不小于25×4扁钢或φ16的圆钢。
横杆与上、下构件的净间距不得大于380mm。
4.6 挡板宜采用不小于100×2扁钢制造。
如果平台设有满足挡板功能及强度要求的其他结构边沿时,允许不另设挡板。
4.7 室外栏杆、挡板与平台间隙为10~20mm,室内不留间隙。
4.8 栏杆端部必须设置立柱或与建筑物牢固连接。
4.9 所有结构表面应光滑、无毛刺,安装后不应有歪斜、扭曲、变形及其他缺陷。
4.10 栏杆表面必须认真除锈,并做防腐涂装。
固定式工业防护栏杆安全技术条件GB4053.3-93代替GB4053.3-831主题内容及适用范围本标准规定了固定式工业防护栏杆的设计、制造和安装的主要技术要求。
本标准适用于工业企业中的平台、人行通道、升降口等有跌落危险的场所。
本标准不适用于各种交通及其他移动设备。
2引用标准GBJ205钢结构工程施工与验收规范3引用标准3.1固定式工业防护栏杆:沿平台、通道及作业场所敞开边缘固定安装的防护设施(见图)。
3.2立柱:栏杆的垂直构件。
3.3扶手:固定于立柱上端的水平方向设置的防护构件。
3.4横杆:固定于立柱中部的连接杆件。
3.5挡板:固定于立柱下部的防护板。
4技术要求4.1防护栏杆的高度宜为1050MM。
在离地高度小于20M的平台、通道及作业场所的防护栏杆高度不得低于1000MM,在离地高度等于或大于2M高的平台、通道及作业场所的防护栏杆不得低于1200MM。
4.2栏杆的全部构件采用性能不低于Q235-A·F的钢材制造。
4.3栏杆的结构宜采用焊接,焊接要求应符合GBJ205的技术规定。
当不便焊接进,也可用螺栓连接,但必须保证第5章规定的结构强度。
4.4扶手宜采用外径Φ33.5--50MM的钢管,主柱宜采用不小于50×50×4角钢或Φ33.5--50MM钢管,立柱间隙宜为1000MM。
4.5横杆采用不小于25×4扁钢或Φ16的圆钢。
横杆与上、下构件的净间距不得大于380MM。
4.6挡板宜采用不小于100×2扁钢制造。
如果平台设有满足挡板功能及强度要求的其他结构边沿时,允许不另设挡板。
4.7室外栏杆、挡板与平台间隙为10--20MM,室内不留间隙。
4.8栏杆端部必须设置立柱或建筑物牢固连接。
4.9所有结构表面应光滑、无毛刺,安装后不应有歪斜、扭曲、变形其他缺陷。
4.10栏杆表面必须认真除锈,并做防腐涂装。
5强度要求栏杆的设计,必须保证其扶手所能承受水平方向垂直施加的载荷不小于500N/M。
固定式钢直梯、钢斜梯、工业防护栏杆及钢平台安全技术条件一、固定式钢直梯安全技术条件1、技术要求1.1钢直梯应采用性能不低于Q235-A·F的钢材。
1.2梯梁应采用不小于50×50×5角钢或60×8扁钢。
1.3踏棍宜采用不小于Φ20mm的圆钢,间距宜为300mm等距离分布。
1.4支撑应采用角钢、钢板或钢板组焊成T型钢制作,埋设或焊接时必须牢固可靠。
1.5无基础的钢直梯,至少焊两对支撑,支撑竖向间距,不宜大于3000mm,最下端的踏棍距基准面距离不宜大于450mm。
1.6钢直梯每级踏棍的中心线与建筑物或设备外表面之间的净距离不得小于150mm(见图1)。
1.7侧进式钢直梯中心线至平台或屋面的距离为380~500mm,梯梁与平台或屋面之间的净距离为180~300mm(见图2)。
1.8梯段高度越过3000mm时应设护笼,护笼下端距基准面为2000~2400mm,护笼上端高出基准面应与GB4053.3中规定的栏杆高度一致。
1.9护笼直径应为700mm,其圆心距踏棍中心线为350mm。
水平圈采用不小于40×4扁钢,间距为450~750mm,在水平圈内侧均布焊接五根不小于25×4扁钢垂直条。
1.10钢直梯最佳宽度为500mm。
由于工作面所限,攀登高度在5000mm以下时,梯宽可适当缩小,但不得小于300mm。
1.11钢直梯上端的踏棍应与平台或屋面平齐,其间隙不得大于300mm,并在直梯上端设置高度不低于1050mm的扶手。
1.12梯段高不宜大于9m。
超过9m时宜设梯间平台,以分段交错设梯。
攀登高度在15m 以下时,梯间平台的间距为5~8m,超过15m时,每5m设一个梯间平台。
平台应设安全防护栏杆。
1.13钢直梯全部采用焊接连接,焊接要求应符合GBJ205。
所有构件表面应光滑无毛刺。
安装后的钢直梯不应有歪斜、扭曲、变形及其他缺陷。
1.14固定在平台上的钢直梯,应下部固定,其上部的支撑与平台梁固定,在梯梁上开设长圆孔,采用螺栓铰接。
GB4053.3-1993 代替GB4053.3-1983固定式工业防护栏杆安全技术条件1 主题内容与适用范围本标准规定了固定式工业防护栏杆的设计、制造和安装的主要技术要求。
本标准适用于工业企业中的平台、人行通道、升降口等有跌落危险的场所。
本标准不适用于各种交通及其他移动设备。
2 引用标准GBJ205 钢结构工程施工与验收规范3 术语3.1 固定式工业防护栏杆:沿平台、通道及作业场所敞开边缘固定安装的防护设施(见图)。
3.2 立柱:栏杆的垂直构件。
3.3 扶手:固定于立柱上端的水平方向设置的防护构件。
3.4 横杆:固定于立柱中部的连接杆件。
3.5 挡板:固定于立柱下部的防护板。
4 技术要求4.1 防护栏杆的高度宜为1050mm。
在离地高度小于20m的平台、通道及作业场所的防护栏杆高度不得低于1000mm,在离地高度等于或大于20m高的平台、通道及作业场所的防护栏杆不得低于1200mm。
4.2 栏杆的全部构件采用性能不低于Q235-A·F的钢材制造。
4.3 栏杆的结构宜采用焊接,焊接要求应符合GBJ205的技术规定。
当不便焊接时,也可用螺栓连接,但必须保证第5章规定的结构强度。
4.4 扶手宜采用外径φ33.5~50mm的钢管,立柱宜采用不小于50×50×4角钢或φ33.5-50mm钢管,立柱间隙宜为1000mm。
4.5 横杆采用不小于25×4扁钢或φ16的圆钢。
横杆与上、下构件的净间距不得大于380mm。
4.6 挡板宜采用不小于100×2扁钢制造。
如果平台设有满足挡板功能及强度要求的其他结构边沿时,允许不另设挡板。
4.7 室外栏杆、挡板与平台间隙为10~20mm,室内不留间隙。
4.8 栏杆端部必须设置立柱或与建筑物牢固连接。
4.9 所有结构表面应光滑、无毛刺,安装后不应有歪斜、扭曲、变形及其他缺陷。
4.10 栏杆表面必须认真除锈,并做防腐涂装。
5 强度要求栏杆的设计,必须保证其扶手所能承受水平方向垂直施加的载荷不小于500N/m。
固定式工业防护栏杆安全技术条件GB4053。
3—93代替GB4053。
3—831主题内容及适用范围本标准规定了固定式工业防护栏杆的设计、制造和安装的主要技术要求。
本标准适用于工业企业中的平台、人行通道、升降口等有跌落危险的场所。
本标准不适用于各种交通及其他移动设备。
2引用标准GBJ205钢结构工程施工与验收规范3引用标准3。
1固定式工业防护栏杆:沿平台、通道及作业场所敞开边缘固定安装的防护设施(见图)。
3。
2立柱:栏杆的垂直构件.3.3扶手:固定于立柱上端的水平方向设置的防护构件。
3。
4横杆:固定于立柱中部的连接杆件。
3。
5挡板:固定于立柱下部的防护板.4技术要求4。
1防护栏杆的高度宜为1050MM。
在离地高度小于20M的平台、通道及作业场所的防护栏杆高度不得低于1000MM,在离地高度等于或大于2M高的平台、通道及作业场所的防护栏杆不得低于1200MM。
4。
2栏杆的全部构件采用性能不低于Q235—A·F的钢材制造。
201354EA7产R22283570B國5254936395掕321917DBF綿3531689F4觴4。
3栏杆的结构宜采用焊接,焊接要求应符合GBJ205的技术规定。
当不便焊接进,也可用螺栓连接,但必须保证第5章规定的结构强度。
4。
4扶手宜采用外径Φ33。
5-—50MM的钢管,主柱宜采用不小于50×50×4角钢或Φ33.5—-50MM钢管,立柱间隙宜为1000MM。
4。
5横杆采用不小于25×4扁钢或Φ16的圆钢。
横杆与上、下构件的净间距不得大于380MM.4。
6挡板宜采用不小于100×2扁钢制造.如果平台设有满足挡板功能及强度要求的其他结构边沿时,允许不另设挡板。
4。
7室外栏杆、挡板与平台间隙为10-—20MM,室内不留间隙。
4。
8栏杆端部必须设置立柱或建筑物牢固连接。
4。
9所有结构表面应光滑、无毛刺,安装后不应有歪斜、扭曲、变形其他缺陷。
固定式工业防护栏杆安全技术条件GB4053.3-93代替GB4053.3-831主题内容及适用范围本标准规定了固定式工业防护栏杆的设计、制造和安装的主要技术要求。
本标准适用于工业企业中的平台、人行通道、升降口等有跌落危险的场所。
本标准不适用于各种交通及其他移动设备。
2引用标准GBJ205钢结构工程施工与验收规范3引用标准3.1固定式工业防护栏杆:沿平台、通道及作业场所敞开边缘固定安装的防护设施(见图)。
3.2立柱:栏杆的垂直构件。
3.3扶手:固定于立柱上端的水平方向设置的防护构件。
3.4横杆:固定于立柱中部的连接杆件。
3.5挡板:固定于立柱下部的防护板。
4技术要求4.1防护栏杆的高度宜为1050MM。
在离地高度小于20M的平台、通道及作业场所的防护栏杆高度不得低于1000MM,在离地高度等于或大于2M高的平台、通道及作业场所的防护栏杆不得低于1200MM。
4.2栏杆的全部构件采用性能不低于Q235-A·F的钢材制造。
4.3栏杆的结构宜采用焊接,焊接要求应符合GBJ205的技术规定。
当不便焊接进,也可用螺栓连接,但必须保证第5章规定的结构强度。
4.4扶手宜采用外径Φ33.5--50MM的钢管,主柱宜采用不小于50×50×4角钢或Φ33.5--50MM钢管,立柱间隙宜为1000MM。
4.5横杆采用不小于25×4扁钢或Φ16的圆钢。
横杆与上、下构件的净间距不得大于380MM。
4.6挡板宜采用不小于100×2扁钢制造。
如果平台设有满足挡板功能及强度要求的其他结构边沿时,允许不另设挡板。
4.7室外栏杆、挡板与平台间隙为10--20MM,室内不留间隙。
4.8栏杆端部必须设置立柱或建筑物牢固连接。
4.9所有结构表面应光滑、无毛刺,安装后不应有歪斜、扭曲、变形其他缺陷。
4.10栏杆表面必须认真除锈,并做防腐涂装。
5强度要求栏杆的设计,必须保证其扶手所能承受水平方向垂直施加的载荷不小于500N/M。
固定式工业防护栏杆安
全技术条件
文稿归稿存档编号:[KKUY-KKIO69-OTM243-OLUI129-G00I-FDQS58-
固定式工业防护栏杆安全技术条件
GB4053.3—93
国家技术监督局1993—12—27批准1994—07—01实施
1主题内容与适用范围
本标准规定了固定式工业防护栏杆的设计、制造和安装的主要技术要求。
本标准适用于工业企业中的平台、人行通道、升降口等有跌落危险的场所。
本标准不适用于各种交通及其他移动设备。
?
2引用标准
GBJ205钢结构工程施工与验收规范?
3术语
3.1固定式工业防护栏杆;沿平台、通道及作业场所敞开边缘固定安装的防护设施(见图)。
3.2立柱:栏杆的垂直构件。
3.3扶手:固定于立柱上端的水平方向设置的防护构件。
3.4横杆:固定于立柱中部的连接杆件。
3.5挡板;固定于立柱下部的防护板。
?
4技术要求
4.1防护栏杆的高度宜为1050mm。
在离地高度小于20m的平台、通道及作业场所的防护栏杆高度不得低于1000mm,在离地高度等于或大于20m高的平台、通道及作业场所的防护栏杆不得低于1200 mm。
4.2栏杆的全部构件采用性能不低于Q235—A·F的钢材制造。
4.3栏杆的结构宜采用焊接,焊接要求应符合GBJ205的技术规定。
当不便焊接时,也可用螺栓连接,但必须保证第5章规定的结构强度。
4.4扶手宜采用外径φ33.5~50mm的钢管,立柱宜采用不小于50×50×4角钢或φ33.5~50mm钢管,立柱间隙宜为1000mm。
4.5横杆采用不小于25×4扁钢或φ16的圆钢。
横杆与上、下构件的净间距不得大于380mm。
4.6挡板宜采用不小于100×2扁钢制造。
如果平台设有满足挡板功能及强度要求的其他结构边沿时,允许不另设挡板。
4.7室外栏杆、挡板与平台间隙为10~20mm,室内不留间隙。
4.8栏杆端部必须设置立柱或与建筑物牢固连接。
4.9所有结构表面应光滑、无毛刺,安装后不应有歪斜、扭曲、变形及其他缺陷。
4.10栏杆表面必须认真除锈,并做防腐涂装。
?
5强度要求
栏杆的设计,必须保证其扶手所能承受水平方向垂直施加的载荷不小于500N/m。
附加说明:
本标准由中华人民共和国劳动部提出。
本标准由吉林省劳动保护科学研究所起草。
本标准起草人唐石河、徐世荣、宋元兴、王玉刚。