塑料期末复习思考题(答案版)
- 格式:doc
- 大小:138.00 KB
- 文档页数:10
⼯程塑料思考题第⼆讲通⽤⼯程塑料-聚酰胺1、写出PA6、PA66、PA610、PA1010重复单元的结构;PA6重复单元:-HN(CH2)5-CO-PA66重复单元:-HN(CH2)6NHOC(CH2)4CO-PA610重复单元:-HN(CH2)6NHOC(CH2)8CO-PA66重复单元:-HN(CH2)10NHOC(CH2)8CO-2、mp 型、p 型PA 分⼦链上氢键形成有什么规律?对于P 型聚酰胺,当聚合单体中含有奇数个碳原⼦时,分⼦间可形成100%的氢键,⽽当聚合单体中含有偶数个碳原⼦时,分⼦间可形成50%的氢键,因此前者的熔点⾼于后者;对于mP 型聚酰胺,也是以单体中含偶数个⼀CH2的聚酰胺熔点⾼于含奇数个⼀CH2的聚酰胺.3、试述mp 型、p 型PA 分⼦结构特点?p 型PA :通过氨基酸的缩聚或内酰胺的开环聚合(p:氨基酸或内酰胺中碳原⼦的数量) mp 型PA :⼆元胺与⼆元酸缩合(m:⼆元胺中的碳原⼦数;p:⼆元酸中的碳原⼦数)4、试述脂肪族PA 结构特点和性能特点?结构特点:脂肪族PA 分⼦链为线型结构,含有极性酰胺基,可以使分⼦链间形成氢键。
氢键结构使PA 分⼦间作⽤⼒增⼤,加上PA 分⼦中的酰胺与亚甲基链段规律交替排布,结构规整,易于结晶,使PA 熔点升⾼,同时PA 宏观上表现出坚⽽韧的性质。
酰胺基是亲⽔基团,因⽽PA 吸湿性⼤,其吸⽔率随酰胺基的密度增加⽽增加。
性能特点:⼒学性能:拉伸强度、刚性、抗冲击性好,但随温度和吸⽔率提⾼⽽拉伸强度、硬度下降,冲击强度提⾼。
具有很好的耐磨性,是⼀种⾃润滑材料。
电性能:⼲燥的条件下电绝缘性良好,吸湿后绝缘性下降。
热性能:熔融温度⾼,但热变形温度不⾼,⼀般<80℃;导热率相对于⾦属来⽐较很低;线膨胀系数较⼤。
耐化学药品性:良好的化学稳定性和耐溶剂性;但溶解于强极性或易与酰胺基团形成氢键的溶剂。
其他特性:耐候性⼀般;⽆毒、⽆味、不易燃烧。
期末复习思考题(08102311、312班)一、塑件设计1.在哪些情况下可采用强制脱模?根据工件的结构,合理选择顶杆的位置和数量,保证工件脱模时不变形,即考虑脱模的工艺性和经济性。
2.塑件上斜度设计的目的是什么?塑件在冷却过程中产生收缩,在脱模前会紧紧包在型芯上,或由于黏附作用,塑件紧贴在型腔内。
因此,为了便于从塑件中抽出型芯或从型腔中脱出塑件,防止在脱模时拉伤或擦伤塑件,在设计塑件时必须使塑件内外表面沿脱模方向留有足够的斜度,在模具上即称为脱模斜度。
3.塑件壁厚过大或过小会产生哪些问题?塑件壁厚为何应尽可能均匀?对不合理的壁厚会修改(见课本上的举例)。
塑件的壁厚对塑件质量有很大影响,壁厚过小成型时流动阻力大,大型复杂塑件就难以充满型腔。
塑件壁厚的最小尺寸应满足以下方面要求:具有足够的强度和刚度;脱模时能经受推出机构的推出力而不变形;能承受装配时的紧固力。
塑件最小壁厚值随塑料品种和塑件大小不同而异。
壁厚过大,不但造成原料的浪费,而且对热固性塑料成型来说增加了模压成型时间,并易造成固化不完全;对热塑料性塑料而言,则增加了冷却时间,降低了生产率,也影响产品质量,如产生气泡、缩孔、凹陷等缺陷。
所以,塑件的壁厚应有一个合理的范围。
同一塑料零件的壁厚应尽可能一致,否则会因冷却或固化速度不同产生附加内应力,使塑件产生翘曲、缩孔、裂纹甚至开裂。
塑件局部过厚,外表会出现凹痕,内部会产生气泡。
如果结构要求必须有不同壁厚时,不同壁厚的比例不应超过1∶3,且应避免厚薄过渡部分的突然变化。
4.一般应如何提高塑件的刚性?单纯采用增加壁厚的办法来提高塑料制品的强度和刚度是不合理的。
厚壁塑件成型时易产生缩孔和凹痕,此时可采取在不增加壁厚的情况下设置加强筋。
除了采用加强筋外,薄壳状的塑件可制作成球面或拱面,这样可有效地增加刚性和减少变形。
5.塑件为何较多采用圆角过渡?塑件除了使用上要求采用尖角之外,其余所有转角处应尽可能采用圆角过渡,因为带有尖角的塑件,往往会在尖角处产生应力集中,在受力或受冲击振动时发生破裂,甚至在脱模过程中由于成型内应力而开裂,特别是塑件的内角处。
塑料模具期末复习题1.什么是合成树脂?什么是塑料?合成树脂:是由人工合成的一类高分子聚合物。
在外力作用下可呈塑性流动状态,某些性质与天然树脂相似,即人工合成的树脂。
塑料:1。
通常所称的塑料是指在室温下处于玻璃态的一类高聚物。
2。
是指利用单体原料以合成或缩合反应聚合而成的材料,由合成树脂及填料、增塑剂、稳定剂、润滑剂、色料等添加剂组成。
玻璃化温度或结晶聚合物熔点在室温以上,添加辅料后能在成型中塑制成一定形状的高分子材料。
即合成的高分子化合物。
2.什么是结晶?结晶聚合物与非结晶聚合物性能有什么区别?结晶是指聚合物从熔融状态到冷凝时,分子由独立移动的、完全处于无序状态变成分子停止自由移动,取得一个略微固定的位置,并有一个使它们自己排列成为正规模型倾向的一种现象。
区别:结晶聚合物和非结晶聚合物的物理及注射性能有很大差别,结晶高聚物一般具有耐热性、非透明性和较高的力学性能,而非结晶型高聚物则相反。
3.什么是玻璃化温度、流动温度、分解温度?玻璃化温度(Tg)是指非结晶型或半结晶型的高聚物从粘流态或高弹态(橡胶态)向玻璃态转变(或相反转变)的温度,它是塑料产品的最高使用温度。
流动温度(Tf或Tm)是指从高弹态向粘流态转变(或相反转变)的温度,它是塑料的最低成型温度。
分解温度:指处于粘流态的聚合物当温度进一步升高时,便会使分子链的降解加剧,升至使聚合物分子链明显降解时的温度为分解温度,通常用Td表示。
热分解温度(Td)是指聚合物在高温下开始发生分解的温度,是塑料最高成型温度。
4.塑料有哪些部分组成?各组分的作用是什么?塑料组成及作用: 树脂(约占塑料总重量的40%--100%。
其作用是使塑料具有可塑性和流动性,将各种助剂粘结在一起,并决定塑料的类型和主要性能)、填充剂(改善塑料性能,扩大它的使用范围,减少树脂用量,降低成本。
)、增塑剂(降低树脂的熔融粘度和熔融温度,改善其成型加工性能。
加入增塑剂后,加大了聚合物分子间的距离,削弱了大分子之间作用力,使树脂分子变得容易滑移,从而使塑料能在较低温度下具有良好的可塑性和柔顺性。
复习思考题一、名词解释高分子链: 由单体通过聚合反应连接的链状分子。
链段: 如假设高分子单键旋转受阻,一个键运动可以带动若干键运动,将若干个键组成一段链作为独立运动单元,称为链段;或者主链中能够独立运动的最小单元称为链段。
分子量: 小分子明确,聚合物是由一系列分子量不等的同系物高分子组成,这种同种聚合物分子长短不一的特征称为聚合物的多分散性。
因此,高分子分子量只能用统计平均值来表示。
分子量分布: 表征聚合物的多分散程度, 也叫分子量分布。
聚合度: 也可用作度量高分子分子量的参数,指高分子中所含有的重复单元的数目,其值与分子量成正比,同样具有统计平均的意义。
近程结构: 构造、构型,化学结构一级结构。
远程结构: -分子形态、大小,柔顺性,构象,二级结构。
构造: 指链中原子的种类和排列,取代基和端基的种类,单体单元的排列顺序,支链类型与长度等。
构型: 指某一原子的取代基在空间的排列或分子中最近邻原子键的相对位置,指分子中由化学键所固定的原子在空间的几何排列。
要改变构型需要化学键断裂;构型不同的异构体有旋光异构体和几何异构体。
构象: 由于单键内旋转而产生的分子空间的不同形态称为构象,为由分子内热运动引起的物理现象。
柔顺性: 高分子链能够通过内旋转作用改变其构象的性能称为高分子链的柔顺性,高分子链能形成的构象数越多,柔顺性越大。
全同立构高分子: 主链上的C*的立体构型全部为一种旋光异构单元。
间同立构高分子: 主链上C*的立体构型各不相同,两种旋光异构单元交替键接,R取代基交替排列在平面的两侧。
立构规整性高分子: C*的立体构型有规则连接,简称等规高分子。
包括全同立构高分子和间同立构高分子。
碳链高分子: 主链由碳原子组成,聚乙烯PE、聚丙烯PP、聚氯乙烯PVC、聚苯乙烯PS、聚甲基丙烯酸甲酯PMMA(有机玻璃)。
杂链高分子: 主链由两种或两种以上原子组成,如聚酰胺PA(尼龙)、聚对苯二甲酸乙二醇酯(涤纶)PET等。
期末复习思考题(08102311、312班)一、塑件设计1.在哪些情况下可采用强制脱模?带有整圆式断续内侧凹槽的塑件或内螺纹塑件如果采用内侧抽芯的办法成型,则模具结构颇为复杂,但当内侧凹槽较浅且在脱模温度下该塑料具有足够的弹性时,则可采用强制脱模的办法成型,这时塑件的内侧凹槽应设计成带有圆角的或梯形斜面,使在强制脱模时能产生使侧壁横向膨胀的分力。
外侧凹较浅时也可采用适当的模具结构将制件品强制脱出。
聚乙烯,聚丙烯,软聚氯乙烯等塑料制品的内外侧凹也可采用类似的设计。
但多数情况下塑件的侧凹都不可能强制脱出,这时模具应采用侧向分型抽芯机构。
2塑件上斜度设计的目的是什么?塑件在冷却过程中产生收缩,在脱模前会紧紧包在型芯上,或由于黏附作用,塑件紧贴在型腔内。
因此,为了便于从塑件中抽出型芯或从型腔中脱出塑件,防止在脱模时拉伤或擦伤塑件,在设计塑件时必须使塑件内外表面沿脱模方向留有足够的斜度,在模具上即称为脱模斜度。
3塑件壁厚过大或过小会产生哪些问题?塑件壁厚为何应尽可能均匀?对不合理的壁厚会修改(见课本上的举例)。
塑件的壁厚对塑件质量有很大影响,壁厚过小成型时流动阻力大,大型复杂塑件就难以充满型腔。
塑件壁厚的最小尺寸应满足以下方面要求:具有足够的强度和刚度;脱模时能经受推出机构的推出力而不变形;能承受装配时的紧固力。
塑件最小壁厚值随塑料品种和塑件大小不同而异。
壁厚过大,不但造成原料的浪费,而且对热固性塑料成型来说增加了模压成型时间,并易造成固化不完全;对热塑料性塑料而言,则增加了冷却时间,降低了生产率,也影响产品质量,如产生气泡、缩孔、凹陷等缺陷。
所以,塑件的壁厚应有一个合理的范围。
同一塑料零件的壁厚应尽可能一致,否则会因冷却或固化速度不同产生附加内应力,使塑件产生翘曲、缩孔、裂纹甚至开裂。
塑件局部过厚,外表会出现凹痕,内部会产生气泡。
如果结构要求必须有不同壁厚时,不同壁厚的比例不应超过1∶3,且应避免厚薄过渡部分的突然变化。
第二讲 通用工程塑料-聚酰胺1、写出PA6、PA66、PA610、PA1010重复单元的结构;PA6重复单元:-HN(CH2)5-CO-PA66重复单元:-HN(CH2)6NHOC(CH2)4CO-PA610重复单元:-HN(CH2)6NHOC(CH2)8CO-PA66重复单元:-HN(CH2)10NHOC(CH2)8CO-2、mp 型、p 型PA 分子链上氢键形成有什么规律?对于P 型聚酰胺,当聚合单体中含有奇数个碳原子时,分子间可形成100%的氢键,而当聚合单体中含有偶数个碳原子时,分子间可形成50%的氢键,因此前者的熔点高于后者;对于mP 型聚酰胺,也是以单体中含偶数个一CH2的聚酰胺熔点高于含奇数个一CH2的聚酰胺.3、试述mp 型、p 型PA 分子结构特点?p 型PA :通过氨基酸的缩聚或内酰胺的开环聚合(p:氨基酸或内酰胺中碳原子的数量) mp 型PA :二元胺与二元酸缩合(m:二元胺中的碳原子数;p:二元酸中的碳原子数)4、试述脂肪族PA 结构特点和性能特点?结构特点:脂肪族PA 分子链为线型结构,含有极性酰胺基,可以使分子链间形成氢键。
氢键结构使PA 分子间作用力增大,加上PA 分子中的酰胺与亚甲基链段规律交替排布,结构规整,易于结晶,使PA 熔点升高,同时PA 宏观上表现出坚而韧的性质。
酰胺基是亲水基团,因而PA 吸湿性大,其吸水率随酰胺基的密度增加而增加。
性能特点:力学性能:拉伸强度、刚性、抗冲击性好,但随温度和吸水率提高而拉伸强度、硬度下降,冲击强度提高。
具有很好的耐磨性,是一种自润滑材料。
电性能:干燥的条件下电绝缘性良好,吸湿后绝缘性下降。
热性能:熔融温度高,但热变形温度不高,一般<80℃;导热率相对于金属来比较很低;线膨胀系数较大。
耐化学药品性:良好的化学稳定性和耐溶剂性;但溶解于强极性或易与酰胺基团形成氢键的溶剂。
其他特性:耐候性一般;无毒、无味、不易燃烧。
加工性能:吸水率大,加工前必须干燥;熔体黏度低、流动性好、易成型加工。
塑料成型⼯艺学(思考题答案).doc序⾔及第⼀章1 ?为什么塑料成型加⼯技术的发展要经历移植、改造和创新三个时期?(P2)第⼀段2?移植期、改造期和创新期的塑料成型加⼯技术各有什么特点?答:移植时期⽤移植技术制造的槊料制品性能较并,只能成型加⼯形状与结构简单的制品.⽽且制品的⽣产效率也⽐较低。
这段时问虽然已经出现了⼉种改性纤维索类热槊性舉料, 但其使⽤性远不如酚醛和腺醛等热固性衆料料,从⽽使压缩模册等特别适合成型热固性册料的制品⽣产技术;其⼀是犁料的成型加T技术更加多样化,从前⼀时期仅有的⼏种技术发展到数⼗种技术,借助这⼏⼗种技术可将粉状、粒状、纤维状、碎屑状、糊状和溶液状的各种槊料原材料制成多种多样形状与结构的制品,如带有⾦属嵌件的模制品、⼬空的软制品和⽤织物增强的层斥制品等;其⼆是舉料制品的质量普遍改善和⽣产效率明显提⾼,成型过程的监测控制和机械化与⾃动化的⽣产已经实现,全机械化的删料制品H动⽣产线也⼰出现;其⼆是市丁这⼀时期新开发的犁料品种主要是热犁性幫料,加Z热犁性槊料冇远⽐热固性犁料良好的成型⼯艺性,因此,这⼀时期塑料成型加⼯技术的发展,从以成世热固性犁料的技术为重点转变到以成型热劑性槊?料的技术为主;进⼊创新时期的犁料加【〔技术与前⼀时期相⽐,在可成型加⼯舉料材料的范I韦I、可成型加T制品的范⽤和制品质量控制等⽅⾯均有重⼤突破。
采⽤创新的成型技术,不仅使以往难以成型的热敏性和⾼熔体粘度的她料可⽅便地成世为制品,⽽且也使以往较少采川的长纤维增强和料、⽚状馍型料和团状模犁料也可⼤最川作⾼效成型技术的原材料。
3?按所属成型加⼯阶段划分,塑料成型加⼯可分为⼏种类型?分别说明其特点。
答:⼀次成型技术,⼆次成型技术,⼆次加⼯技术⼀次成型技术,是指能将槊?料原材料转变成有⼀定形状和尺⼨制品或半制品的各种⼯艺操作⽅法。
⽬前⽣产上⼴泛采⽤的挤教、注塑!、压延、压制、浇铸和涂覆等。
⼆次成型技术,是指既能改变⼀次成型所得册料半制品(如型材和坯件等)的形状和尺⼨, ⼜不会使其整体性受到破坏的各种⼯艺操作⽅法。
第一章绪论1.为什么塑料成型加工技术的发展要经历移植、改造和创新三个时期?2.移植期、改造期和创新期的塑料成型加工技术各有什么特点?3.按所属成型加工阶段划分,塑料成型加工可分为几种类型?分别说明其特点。
4.成型工厂对生产设备的布置有几种类型?第二章塑料成型的理论基础1、什么是取向?2、流动取向对制品性能有何影响?3、掌握分析流动取向的方法(注意:取向程度取决于剪切力大小、作用时间和解取向的程度)4、举几个拉伸成型的产品的例子。
5、为什么热固性塑料的注射成型难度比压缩成型大?6、什么是降解?7、发生热降解的塑料主要有哪些?如何有效防止热降解?8、氧化降解主要有哪两类?如何有效防止氧化降解?第三章成型用的物料及其配制1. 塑料成型物料配制中混合及分散的原理是什么?2. 粉料和粒料如何制造?一般分为几个步骤?3. 塑料糊可分为几类?各如何配制?4. 塑料的工艺性能有哪些?第四章压缩模塑1、简述压缩模塑成型的工艺流程。
2、模压成型中的预压有什么优点?3、预热的方式有哪几种?第五章挤出成型1.根据功能不同,螺杆可分为哪三段?各段的作用是什么?2.双螺杆挤出机有哪些特点?3.通过哪些措施可以提高挤出机的固体输送能力?4.单螺杆挤出机主要由哪几部分组成?5.通常只提高螺杆转数,挤出成型的塑化质量是提高还是下降?如何既保证质量又能提高挤出产量?6.均化段熔体的流动形式可分为哪四种?实际的流动形式是什么?7.简述排气式挤出机的原理。
8.如何改进普通螺杆熔融段固体床破碎而引起的塑化能力下降?第六章注射成型1. 什么是注塑成型?它有何特点?请用框图表示一个完整的注射成型工艺过程。
2. 注射成型机主要由哪些部分组成?3. 注射成型工艺条件包括哪些?简述温度、压力、周期与制品产量和质量的关系。
4. 注塑制品产生内应力的原因及其解决办法。
5. 注塑机的喷嘴分为哪几种类型?各适用于何种聚合物的加工?6. 简述热固性塑料的注塑成型。
一、简答题1、PVC硬板压制成型实验中,高速混合和塑炼的主要作用是什么?答:混合是利用对物料加热和搅拌作用,使树脂粒子在吸收液体组分时,同时受到反复撕捏、剪切,形成能自由流动的粉状掺混物。
塑炼是使物料在黏流温度以上和较大的剪切作用下来回折叠、辊压,使各组分分散更趋均匀,同时驱出可能含有水分等挥发气体。
2、压制硬PVC板材的生产主要包括哪几个工序?答:压制硬PVC板材的生产包括下列工序:①混合按一定配方称量PVC及各种组分,按一定的加料顺序,将各组分加入到高速混合机中进行混合;②双辊塑炼拉片用双辊炼塑机将混合物料熔融混合塑化,得到组成均匀的成型用PVC片材;③压制把PVC片材放入压制模具中,将模具放入平板压机中,预热、加压使PVC熔融塑化,然后冷却定型成硬质PVC板材。
3、塑料的维卡软化点和其使用温度有何区别?维卡软化温度是将热塑性速率于液体传热介质中,在一定的负荷、一定的等速升温条件下,试样被压针头压入1mm时的温度,仅反映在一定条件下塑料受热时变形达某一规定时的温度,不能反映长期使用的最高温度;测定长期使用的最高温度必须进行热老化实验,即在一定的温度长时间受热后,测定塑料机械强度变化情况以进行评价。
4、天然橡胶的加工,选用开放式炼胶机进行机械法塑炼,机械法塑炼的基本原理是什么?答:天然生胶置于开放式炼胶机的两个相向转动的辊筒间隙中,在常温(小于50℃)下反复被机械作用,受力降解;与此同时降解后的大分子自由基在空气中的氧化作用下,发生了一系列力学与化学反应,最终可以控制达到一定的可塑度,生胶从原先强韧高弹性变为柔软可塑性,满足混炼的要求。
塑炼的程度和塑炼的效率主要与辊筒的间隙和温度有关,若间隙愈小、温度愈低,力化学作用愈大,塑炼效率愈高。
5、什么是挤出成型?简述挤出成型加工的工艺过程。
答:热塑性塑料的挤出成型是主要的成型方法之一,塑料的挤出成型就是塑料在挤出机中,在一定的温度和一定的压力下熔融塑化,并连续通过有固定截面的模型,得到具有特定断面形状连续型材的加工方法。
注塑模具设计习题集编制:彭超襄樊职业技术学院机械电子信息工程学院版本:V1。
0(20090915)第1页目录第1章塑料及其性能 (3)第2章常用塑料特性与应用 (3)第3章塑料制品设计 (5)第4章注塑机与模具 (7)第5章注塑模概述 (11)第6章注塑模成型零件设计 (13)第7章排气系统的设计 (18)第8章注塑模结构件的设计 (20)第9章注塑模侧向分型与抽芯机构的设计 (23)第10章注塑模浇注系统的设计.................................... 错误!未定义书签。
第11章热流道模具的设计........................................ 错误!未定义书签。
第12章注塑模温度控制系统设计.................................. 错误!未定义书签。
第13章注塑模脱模系统设计...................................... 错误!未定义书签。
第14章注塑模导向定位系统设计.................................. 错误!未定义书签。
第15章注塑模设计步骤和实例.................................... 错误!未定义书签。
第16章注塑模具常用钢材及性能.................................. 错误!未定义书签。
第17章制品常见缺陷分析........................................ 错误!未定义书签。
第3页第1章 塑料及其性能 第2章 常用塑料特性与应用一、填空题1. 塑料的主要成分是 合成树脂 ,这是一种合成的 高分子 聚合物。
2. 用玻璃纤维能增强塑料(PA/PS/ABS/AS/PC 等)的机械性能,玻璃纤维占塑料的比重一般为 20 %至 40% ,通常用 30 % 。
1. 何谓成型加工?高分子材料成型加工的基本任务是什么?将聚合物(有时加入各种添加剂、助剂或改性材料)转变为制品或实用材料的一种工程技术。
基本任务:研究各种成型加工方法和技术。
研究产品质量与各种因素之间的关系。
研究提高产量和降低消耗的途径。
因素包括:a.聚合物本身的性质;b.各种加工条件参数;c.设备和模具的结构尺寸;d.各种添加剂、助剂;2. 简述聚合物成型加工时的关键步骤。
A.如何使聚合物产生流动与变形? 方法: a.加热 熔体; b.加溶剂 溶液; c.加增塑剂或其它悬浮液。
3. 简述聚合物转变时所发生的主要变化。
a.形状:满足使用要求而进行,通过流动与变形而实现b.结构:组成:非纯聚合物。
组成方式:层压材料,增强材料,复合材料。
宏观结构:如多孔泡沫,蜂窝状,复合结构。
微观结构:结晶度,结晶形态,分子取向等c.性质: 有意识进行:生橡胶的两辊塑炼降解,硫化反应,热固性,树脂的交联固化方法条件不当而进行:温度过高、时间过长而引起的降解4.聚合物成型加工方法是如何分类的?简要分为那几类?有无物理或化学变化分为三类:主要发生物理变化:如 注射,挤出,压延,热成型,流涎薄膜等。
主要发生化学变化:如 浇铸成型。
既有物理变化又有化学变化:热固性塑料的加工和橡胶加工。
5. 简述成型加工的基本工序?成型加工完整工序:1.预处理:准备工作:原料筛选,干燥,配制,混合2.成型:赋予聚合物一定型样3.机械加工:车,削,刨,铣等。
4.修饰:美化制品。
5.装配: 粘合,焊接,机械连接等。
6. 简述塑料的优缺点。
优点:a.原料价格低廉;b.加工成本低;c.重量轻;d.耐腐蚀;e.造型容易;f.保温性能优良;g.电绝缘性好。
缺点:a.精度差;b.耐热性差;c.易燃烧;d.强度差;e.耐溶剂性差;f.易老化。
第二章 聚合物成型加工的理论基础加工性质包括:可模塑性、可挤压性、可延性、可纺性名词解释:可挤压性:是指聚合物通过挤压作用是获得形状和保持形状的能力。
《塑料助剂与配方》练习题
一、名词解释
1.光氧老化
2.氧指数(01):
3.交联:
4.物理发泡剂:
二、简答题
1.简述外润滑剂的界面润滑机理和涂布隔离机理。
2.金属皂类热稳定剂包括哪些品种,简要说明其稳定作用机理。
参考答案
一、名词解释
1.聚合物材料在日光或强的荧光作用下,由于吸收了紫外线能量,导致聚合物的降解,使制品变色、发脆、性能下降,以致无法使用,这一过程称为光氧老化或光老化。
2.在规定的条件下,试样在氧气和氮气的混合气流中维持稳定燃烧所需的最低氧气浓度,用混合气流中氧所占的体积分数表示。
3.在两个高分子的活性位置上生成一个或数个化学键,将线型高分子转变成体型(三维网状)高分子的反应。
4.物理发泡剂是依靠发泡过程中本身物理状态的变化来达到发泡目的的一类化合物。
二、简答题
1.界面润滑机理:在加工过程中,润滑剂分子很容易从聚合物内部迁移至表面,并在熔融聚合物与加工
设备(或模具)的界面处形成定向排列的润滑剂层,这种由润滑剂分子层所构成的润滑界面对聚合物熔体和加工设备起到隔离作用,减少了两者之间的摩擦。
涂布隔离机理:将脱模剂涂布在加工设备的表面上,脱模剂便在模具与聚合物的表面间形成连续的薄膜,从而达到完全隔离的目的。
2.金属皂类主要是高级脂肪酸的金属盐,作为PVC类聚合材料热稳定剂的金属皂主要是硬脂酸、月桂
酸、棕稠酸等的领、镉、铅、钙、锌、镁等金属盐。
稳定作用机理:Cd、Zn类一方面能捕获HC1;另一方面能置换高分子链中的活泼氯原子并在酯化反应的同时伴随有双键的转移,破坏共朝双键结构。
Ba、Ca.Mg类只具有捕获HCl的功能。
思考题:1、注塑制品对塑料制品的微观结构影响包含哪几个方面?对于制品来说,具体结构决定了它的性能。
同一种链结构的高聚物,由于成型加工条件的不同,分子链的排列与堆砌方式会有所不同,从而形成不同的聚集态结构,如晶态、非晶态和取向态结构等。
聚集态结构不同,制品性能也大不相同。
在注塑过程中,由于塑件不同部位的温度、压力场的分布是不同的,会影响制品的聚集态结构,如晶型、结晶度、球晶大小及球晶尺寸分布,导致塑件不同部位的结晶形态有所变化。
注塑过程中温度场及应力场的变化会造成制品的链段、晶片、晶带、分子链等沿特定方向的择优排列即取向,使产品在力学性能、热性能和光学性能上存在各向异性。
在注射过程中,塑件不同部位的温度场、应力场的分布是不同的,从而造成注塑件内不均匀的体积收缩和密度分布,严重影响了塑件的光学性能和力学性能。
2、试比较挤出成型和注塑成型两种成型方法的优缺点。
优点:挤出成型:①设备制造容易,成本低,塑料加工厂的投资少;②可以连续化生产,因此生产效率高;③设备的自动化程度高,劳动强度低;④生产操作简单,工艺控制容易;⑤挤出产品均匀、密实,质量高;⑥原料的适应性强,不仅大多数的热塑性塑料都可以用于挤出成型,而且少数的热固性塑料也能适应;⑦所生产的产品广泛,可一机多用,同一台挤出机,只要更换辅机,就可以生产出不同的制品(包括半成品);⑧生产线的占地面积小,且生产环境清洁。
注射成型:1、生产效率高2、制品无需修整或仅需少量修整。
3、劳动强度相对较低4、,注塑工艺过程易于全自动化和实现程序控制。
5、,因此可成型形状复杂6、可有效地成型表面硬而心部发泡的材料,可以成型热塑性塑料和纤维增强塑料。
7、可以得到精度很高的制品。
8、注塑成型时对原料的浪费很少。
缺点:挤出成型:①不能生产三维尺寸的制品;②制品往往需要二次加工。
注射成型:1、,但模具的设计、制造和试模的周期很长、投产缓慢。
2、,因此对于厚壁且变化又大的塑件的成型较困难。
《塑料成型工艺及模具设计》1学习与复习思考题绪论1.塑料的概念塑料是一种以合成或天然的高分子化合物为主要成分,加入或不加入填料和添加剂等辅助成分,经加工而形成塑性的材料,或固化交联形成刚性的材料。
2.现代工业生产中的四大工业材料是什么。
钢铁、木材、高分子材料、无机盐材料3.现代工业生产中的三大高分子材料是什么?橡胶、塑料、化学纤维塑料成型基础聚合物的分子结构与热力学性能1.树脂与塑料有什么区别塑料的主要成分是树脂(高分子聚合物)。
2.高分子的化学结构组成。
高分子聚合物:由成千上万的原子,主要以共价键相连接起来的大分子组成的化合物。
3.聚合物分子链结构分为哪两大类,它们的性质有何不同。
线型聚合物——热塑性塑料体型聚合物——热固性塑料1.线型聚合物的物理特性:具有弹性和塑性,在适当的溶剂中可以溶解,当温度升高时则软化至熔化状态而流动,且这种特性在聚合物成型前、成型后都存在,因而可以反复成型。
2.体型聚合物的物理特性:脆性大、弹性较高和塑性很低,成型前是可溶和可熔的,而一经硬化(化学交联反应),就成为不溶不熔的固体,即使在再高的温度下(甚至被烧焦碳化)也不会软化。
4.聚合物的聚集态结构分为哪两大类,它们的性质有何不同。
1无定形聚合物的结构:其分子排列是杂乱无章的、相互穿插交缠的。
但在电子显微镜下观察,发现无定形聚合物的质点排列不是完全无序的,而是大距离范围内无序,小距离范围内有序,即“远程无序,近程有序”。
2体型聚合物:由于分子链间存在大量交联,分子链难以作有序排列,所以绝大部分是无定形聚合物。
5.无定性聚合物的三种物理状态,以及四个对应的温度,对我们在使用和成型塑料制品时有何指导意义。
三种物理状态1.玻璃态:温度较低(低于θg温度)时,曲线基本上是水平的,变形程度小而且是可逆流的,但弹性模量较高,聚合物处于一种刚性状态,表现为玻璃态。
物体受力变形符合虎克定律,应变与应力成正比。
2.高弹态:当温度上升(在θg至θf之间)时,曲线开始急剧变化,但又很快趋于水平,聚合物的体积膨胀,表现为柔软而富有弹性的高弹态。
期末复习思考题(08102311、312班)一、塑件设计1.在哪些情况下可采用强制脱模?根据工件的结构,合理选择顶杆的位置和数量,保证工件脱模时不变形,即考虑脱模的工艺性和经济性。
2.塑件上斜度设计的目的是什么?塑件在冷却过程中产生收缩,在脱模前会紧紧包在型芯上,或由于黏附作用,塑件紧贴在型腔内。
因此,为了便于从塑件中抽出型芯或从型腔中脱出塑件,防止在脱模时拉伤或擦伤塑件,在设计塑件时必须使塑件内外表面沿脱模方向留有足够的斜度,在模具上即称为脱模斜度。
3.塑件壁厚过大或过小会产生哪些问题?塑件壁厚为何应尽可能均匀?对不合理的壁厚会修改(见课本上的举例)。
塑件的壁厚对塑件质量有很大影响,壁厚过小成型时流动阻力大,大型复杂塑件就难以充满型腔。
塑件壁厚的最小尺寸应满足以下方面要求:具有足够的强度和刚度;脱模时能经受推出机构的推出力而不变形;能承受装配时的紧固力。
塑件最小壁厚值随塑料品种和塑件大小不同而异。
壁厚过大,不但造成原料的浪费,而且对热固性塑料成型来说增加了模压成型时间,并易造成固化不完全;对热塑料性塑料而言,则增加了冷却时间,降低了生产率,也影响产品质量,如产生气泡、缩孔、凹陷等缺陷。
所以,塑件的壁厚应有一个合理的范围。
同一塑料零件的壁厚应尽可能一致,否则会因冷却或固化速度不同产生附加内应力,使塑件产生翘曲、缩孔、裂纹甚至开裂。
塑件局部过厚,外表会出现凹痕,内部会产生气泡。
如果结构要求必须有不同壁厚时,不同壁厚的比例不应超过1∶3,且应避免厚薄过渡部分的突然变化。
4.一般应如何提高塑件的刚性?单纯采用增加壁厚的办法来提高塑料制品的强度和刚度是不合理的。
厚壁塑件成型时易产生缩孔和凹痕,此时可采取在不增加壁厚的情况下设置加强筋。
除了采用加强筋外,薄壳状的塑件可制作成球面或拱面,这样可有效地增加刚性和减少变形。
5.塑件为何较多采用圆角过渡?塑件除了使用上要求采用尖角之外,其余所有转角处应尽可能采用圆角过渡,因为带有尖角的塑件,往往会在尖角处产生应力集中,在受力或受冲击振动时发生破裂,甚至在脱模过程中由于成型内应力而开裂,特别是塑件的内角处。
此外塑件设计成圆角的还有如下作用:●使模具在淬火和使用时避免产生应力集中而开裂,提高模具的坚固性。
●利于塑料的充模流动和脱模。
●使塑件更美观。
6.何为伏陷物?嵌件上设置伏陷物的目的是什么?圆柱型零件采用开槽和滚花结构保证塑件牢固地固定在塑件中二、注塑模具设计1.何为单分型面注塑模?由哪些部分组成?各零件名称是什么?单分型面注塑模的特点有哪些?单分型面注射模习惯上又称两板式注射模。
它是注射模中结构最简单的一种,由动模和定模构成。
其凹模型腔设在定模上,凸模型芯设在动模上,主流道设在定模上,分流道和浇口设在分型面上,开模后塑料制品连同流道凝料一起留在动模一侧。
动模一侧设有推出机构,用以推出塑料制品及流道凝料(又称脱模)。
这类模具的特点是结构简单,对塑料制品成型的适应性很强,所以应用十分广泛。
2.何谓锁模力?锁模力又称合模力,是指注射机的合模机构对模具所能施加的最大夹紧力。
当熔体充满型腔时,注射压力在型腔内所产生的作用力总是力图使模具沿分型面胀开,因此,注射机的锁模力必须大于型腔内熔体压力与塑料制品及浇注系统在分型面上的投影面积之和的乘积。
3.普通浇注系统由哪几部分组成?普通浇注系统一般由主流道、分流道、浇口和冷料井四部分组成。
4.何为多腔模分流道平衡式与非平衡式(注意:当采用非平衡式分流道布置时,也需考虑整个模具结构的对称布置)?各适用什么场合?分流道应开设在何处?常用的分流道截面有哪些?在多型腔注射模具中,要求由各型腔成型的制品表面质量和内部性能差异不大,这就必须保证各型腔在成型制品时工艺条件相同。
为此分流道的布置形式应能达到如下要求:从主流道来的熔体能均衡到达各浇口并同时充满各型腔。
分流道的布置取决于型腔的布局,有平衡式和非平衡式两种。
所谓平衡式布局,是指分流道的长度、截面形状和尺寸都相同,各个型腔同时均衡地进料,同时充满型腔。
显然对成型同一种制品的多型腔模,分流道以平衡式为佳。
在加工时,应保证各对应部位的尺寸误差控制在1%以内。
非平衡式是指由主流道到各个型腔的分流道的长度可能不是全都对应相等,为了达到各个型腔均衡进料同时充满的目的,就需要进行浇口平衡的计算,并将浇口开成不同的尺寸。
采用这类分流道,在多型腔时可缩短流道的总长度,减少回头料的重量,但对于精度和性能要求较高的塑件不宜采用,因成型工艺不能很恰当很完善地得到控制。
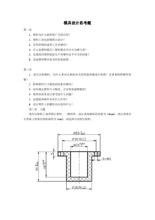
常见的分流道的横截面形状如下图所示1圆形断面分流道2正六边形分流道3梯形断面分流道4U形断面分流道5半圆形断面分流道6矩形断面分流道5.常用浇口形式有哪些?点浇口采用何种结构的模具?潜伏式浇口采用何种结构的模具?何谓冲击型浇口?何谓流动比?常用的浇口形式有:(1)侧浇口(2)点浇口(3)潜伏式浇口(4)直接浇口点浇口模具应设计成双分型面(三板式)模,以便拉断浇口和脱出流道凝料。
潜伏式浇口模具仍然采用单分型面结构.冲击型浇口:即交口开设方位正对着型腔或粗大的型芯,塑料流冲击在型腔或型芯上,从而改变流向,降低流速,均匀地填充型腔。
流动比:即熔体流程长度与厚度之比,流动比又称流程比。
6.为何无流道凝料的注塑模具不会产生浇注系统凝料?它是利用加热的办法或绝热的办法,使从注射机喷嘴起到型腔入口为止这一段流道中的塑料一直保持熔融状态,从而在开模时只需取产品,而不必取浇注系统凝料。
7.何谓分型面?选择分型面时的首要原则是什么?另外还应考虑哪些问题?能举例说明(见课本上的举例)。
分开模具取出塑件(或浇注系统凝料)的面统称为分型面分型面位置的选择原则:1分型面应选在塑件外形最大轮廓处(首要原则)。
2有利于简化模具结构,避免、减少侧抽机构。
3满足塑件的外观质量要求。
4确定有利的留模方式,便于塑件顺利脱模。
5有利于保证塑件的相关精度。
6有利于减少抽拔距离。
7有利于排气。
8便于模具加工制造。
9对成型面积的影响。
注射机一般都规定其相应模具所充许使用的最大成型面积及额定锁模力,注射成型过程中,当塑件(包括浇注系统)在合模分型面上的投影面积超过允许的最大成型面积时,将会出现涨模溢料现象,这时注射成型所需的合模力也会超过额定锁模力。
因此,为了可靠地锁模以避免涨模溢料现象的发生,选择分型面时应尽量减少塑件(型腔)在合模分型面上的投影面积,8.凹模和凸模有哪些结构?在什么情况下,整体嵌入式凹模和型芯须考虑止转定位问题?如何实现止转定位?采用局部镶嵌式凹模的目的是什么?凹模是成型塑件外表面的部件,其结构可分为:●整体式●整体嵌入式凹模●局部镶嵌式●四壁拼合的组合式●底部大面积镶嵌组合式如果凹模镶件是回转体,而型腔是非回转体,则应考虑只赚定位。
局部镶嵌式凹模的目的(1)简化凹模加工,将复杂的凹模内形部的加工变成镶件的外形加工。
降低了凹模整体的加工难度。
(2)镶件用高碳钢或高碳合金钢淬火。
淬火后变形较小,可用专用磨床研磨复杂形状和曲面。
凹模中使用镶件的局部凹模有较高精度,经久的耐磨性并可置换。
(3)可节约优质塑料模具钢,尤其对于大型模具更是如此。
(4)有利于排气系统和冷却系统的通道的设计和加工。
9.影响塑件尺寸精度(公差)的主要因素有哪些?影响大尺寸的塑件与小尺寸的塑件尺寸精度(公差)的主要因素分别是什么?影响塑件精度的因素有许多,其中主要三个因素是:1成型零件制造误差2成型收缩率波动3成型零件磨损量(含修模余量)生产大尺寸,塑件收缩率波动。
生产小尺寸塑件时,模具成型零件的制造误差和成型零件表面的磨损值;塑件收缩率波动10.成型零件的成型(工作)尺寸计算方法有哪两种?各有何特点及适用场合?成型零件工作尺寸计算的方法有两种:一种是按平均收缩率、平均制造公差和平均磨损量进行计算,即平均值法;另一种是按极限收缩率、极限制造公差和极限磨损量进行计算,即极限值法。
前一种计算方法简便,但可能有误差,在精密塑料制品的模具设计中受到一定限制;后一种计算方法能保证所成型的塑料制品在规定的公差范围内,但计算比较复杂,主要用于精密成型。
11.为什么要对注塑模进行强度和刚度计算校核?大尺寸的塑件主要可能出现何种不足?小尺寸的塑件主要可能出现何种不足?塑料模具型腔在成型过程中受到熔体的高压作用,应具有足够的强度和刚度。
如果型腔侧壁和底板厚度过小,可能因强度不够而产生塑性变形甚至破环,也可能因刚度不足而产生挠曲变形,导致溢料和出现飞边,降低塑件尺寸精度并影响顺利脱模。
因此,应通过强度和刚度计算来确定型腔壁厚,尤其对于重要的精度要求高的或大型模具的型腔,更不能单纯凭经验来确定型腔侧壁和底板厚度,因此要对注塑模进行强度和刚度计算校核。
12.在按刚度条件计算时,确定型腔允许变形量的原则有哪些?型腔允许变形量的确定原则是:型腔不发生溢料;保证塑件精度;保证塑件顺利脱模。
13.合模导向机构的作用什么?常用的导向定位机构是何种形式?为何设在型芯周围导柱要比主型芯高出6~8 mm?为什么不宜在模板上直接加工出导向孔、而是采用导套?锥面定位机构有何特点?适用于哪些场合?当采用了锥面定位机构,模具上是否可省去导柱导套导向机构?导向作用:合模时,首先是导向零件接触,引导动定模或上下模准确闭合,避免型芯先进入型腔造成成型零件损坏。
定位作用:模具闭合后,保证动定模或上下模位置正确,保证型腔的形状和尺寸精确,导向机构在模具装配过程中也起定位作用,便于装配和调整。
导柱与导套的配合和锥面定位机构14.对脱模机构有哪些要求?影响脱模阻力大小的因素有哪些?对脱模机构的要求: 1结构简单动作可靠。
2不影响塑件外观,不造成塑件变形破坏。
3让塑件留在动模。
影响脱模阻力:塑件壁厚,型芯长度,塑料收缩率,塑料对型芯的摩擦因数,型芯的斜角15.简单脱模机构中推杆、推管、推件板脱模机构各有何特点?各适用于何种场合?1、推杆脱模机构:加工简单,安装方便,使用寿命长,脱模效果好,标准化;不宜用于斜度小和脱模力大的管形和箱形制品的脱模。
2、推管脱模机构:适用于环形、筒形或中间带孔的塑件,尤其以圆形截面使用较多。
特点:推管的整个周边与塑件接触,塑件推出时受力平衡,不易变型;在塑件上留下痕迹隐蔽;提高制件内外表面的同心度。
3、推件板脱模机构:适用于薄壁容器、筒形制品、大型罩壳及各种带一个或多个孔的塑件。
这种机构的特点是脱模力大而且均匀,运动平稳,无明显推出痕迹,结构简单,制作方便。
16.何为复位杆?模具合模时让前模顶回顶针板而设置的顶杆17.何为定模脱模机构?何为双脱模机构?两者区别在何处?定模脱模机构:由于注射机的顶出机构位于模具的动模一边,所以注射模的推出机构宜设在动模一侧,开模后让制品留在动模,以便脱出制品。