上海宝山实验学校物理电功率易错题(Word版 含答案)
- 格式:doc
- 大小:361.50 KB
- 文档页数:17
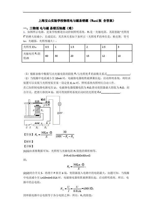
上海宝山实验学校物理电与磁易错题(Word版含答案)一、三物理电与磁易错压轴题(难)1.如图所示电路,是某学校楼道自动控制照明系统,R3是一光敏电阻,其阻值随“光照度E“的增大而减小,且成反比,其具体关系如下表所示(光照度E的单位是:勒克斯,符号Lx:光越强,光照度越大),光照度E/L x0.51 1.52 2.53光敏电用R3阻值/Ω603020151210(1)根据表格中数据写出光敏电阻的阻值R3与光照度E的函数关系式_________________;(2)当线圈中电流减小至10mA时,电磁继电器衔铁被弹簧拉起,启动照明系统,利用该装置可以实现当光照度低至某一设定值E0 Lx时,照明系统内照明灯自动工作。
若已知控制电路电源电压U v,电磁继电器线圈电阻为R1Ω.滑动变阻器最大阻值为R2Ω。
闭合开关,把滑片移到b端,则可得到照明系统启动时的光照度E0=______________。
【答案】330LxΩRE⋅=1230100U R R--【解析】【详解】(1)[1]由表格数据可知,光照度与光敏电阻R3阻值的乘积相等,E×R3=0.5lx×60Ω=30lx•Ω即:330LxΩRE⋅=;(2)[2]闭合开关S,将滑片P移至b端,变阻器接入电路中的电阻最大,由题可知,当线圈中电流减小至I0=10mA=0.01A时,电磁继电器衔铁被弹簧拉起,启动照明系统,所以,电路中的总电阻:=100Ω0.01AU UR UI==总;因串联电路中总电阻等于各分电阻之和,所以,R3的阻值:R3=R 总-R 1-R 2=100U -R 1-R 2,根据第一步的结果可知:03123030=100E R U R R =-- 。
2.在探究“影响电磁铁磁性强弱的因素”的实验中,实验室准备的器材有:电源、开关、导线、滑动变阻器、两根完全相同的铁钉、表面绝缘的铜线、大头针若干。
利用上述器材,制成简易电磁铁甲和乙,并设计了如图所示的电路。
九年级物理电功率易错题(Word 版 含答案)一、初三物理 电功率 易错压轴题(难)1.⑤小灯泡额定功率的表达式为:22221212•L I R P I R I R I I I ===-额额额额。
朵朵和同学们在做电学实验过程中:(1)朵朵和同学们经过讨论,依次完成了“探究电流与电压的关系”三次实验电路的设计,如图甲、乙、丙所示。
由图甲改进为图乙是为保证实验过程中_____这一因素不变;由图乙改进为图丙是因为使用滑动变阻器既能保护电路,又能通过调节使电阻R 两端的电压_____(选填“改变”或“保持不变”)。
(2)请用笔画线代替导线,帮助朵朵按电路图丙将图丁中实物电路连接完整__________ 。
(3)朵朵连完电路,闭合开关后,发现两只电表的指针总在晃动。
请分析造成这一现象的原因:电路存在_____。
(4)在继续用图丁的实物电路探究“电流与电阻的关系”时,朵朵先将5Ω电阻接入电路,调节滑动变阻器,使电压表的示数为2V ,记下电流值;再将5Ω电阻换成10Ω电阻,她下一步操作是:将滑动变阻器的滑片向_____(选填“A”或“B”)端移动。
(5)朵朵和同学们完成上述探究活动后,想测量一只额定电压为2V 小灯泡的额定功率,但发现电压表被别的同学拿走了,于是她借助一个10Ω的电阻,设计了如图戊所示的电路,也测出了小灯泡的额定功率。
具体操作如下:①只闭合开关S 1、S 2,调节滑动变阻器,使电流表的示数为_____A 时,小灯泡恰好正常发光;②只闭合开关S 1、S 3,保持滑动变阻器滑片的位置不变,读出电流表示数为I 。
③P 灯=_____(用已知量和测量值表示,数值要求带单位)。
【答案】 电阻 改变 接触不良 B 0.2 2V (I ﹣0.2A )【解析】(1)如图甲连接的是小灯泡,由于灯丝电阻随温度而变化,所以改进为图乙是为保证实验过程中电阻这一因素不变;研究电流与电压的关系应保证电阻不变,改变电阻两端的电压,所以由图乙改进为图丙是因为使用滑动变阻器既能保护电路,又能通过调节使电阻R 两端的电压改变。
电功率检测题(WORD 版含答案)一、初三物理 电功率 易错压轴题(难)1.P 额=U 额I 1=22()U U U U U U R R--⋅=额额额额利用如图所示的电路探究电流跟电压的关系,电源电压为6V 不变.(1)按图甲,在图乙中把接错的一根导线打上“×”,再画线把它改到正确的位置上. (_____)(2)正确连接电路后,再闭合开关,移动滑片,发现电压表和电流表的示数均为0;继续移动滑片,当两电表指针刚好偏转且稳定时,其示数见序号3,继续实验,数据见序号4和序号5. 数据序号1 2 3 4 5 电压/V0 0 1 2 3 电流/A 0 0 0.1 0.2 0.3①根据第5组数据,在图丙中用“↑”标出电流表指针所在的位置.(_____)②由序号1、2两组数据可判断,该电流故障为________(选填“R 1接触不良”、“R 2断路”或“R 2短路”).③序号3、4、5三组数据表明:在导体的________一定时,导体中的电流跟导体两端的电压成正比.④根据表中数据计算,滑动变阻器接入电路的最大阻值为________Ω,滑动变阻器消耗的功率变化了________W .【答案】R1接触不良电阻500.4【解析】【分析】(1)测电阻的实验中电压表应测定值电阻两端电压,即与定值电阻并联,电流表测定值电阻电流与其串联。
(2)①图丙中电流表接的是0.6A量程,分度值为0.02A,第5组数据中电流为0.3A,电流表指针应指在0.2A与0.4A正中间的位置;②由序号1、2两组数据中电流表示数为0,电压表也为0,可判断电路为断路;③序号3、4、5三次实验都是在一个定值电阻下进行的,所以导体电阻没有变化,通过三组数据表明导体中的电流跟导体两端的电压成正比;④依据串联分压原理,定值电阻R2电压最小时,滑阻分的电压最大,此时滑阻R1阻值最大,也就是说第三组数据时滑阻R1阻值最大。
从电源电压6V里减去定值电阻R2的电压,得到滑阻R1电压,由于R2与R1串联,电流相等为0.1A,根据欧姆定律可计算滑阻阻值,利用公式P=I2R可计算滑阻电流在0.1A和0.3A时的功率,然后大功率减去小功率就是功率变化值。
【物理】电功率难题及答案(word)一、电功率选择题1.如图,电路中L1“6V 3W“和L2“6V 6W”两灯泡和滑动变阻器R串联,电源电压恒为12V.下列说法正确的是()A. 闭合开关S,调节滑动变阻器的滑片P,两灯泡均能正常发光B. 保证两灯泡均不损坏,滑动变阻器R连入电路的最小值为3ΩC. 滑片P从最右端向左移动,使某灯刚好正常发光,则此时另一盏灯的实际功率为1.5W D. 在保证电路安全的情况下,电路总功率最大可达到12W【答案】C【解析】【解答】A、根据P=UI可得,灯泡正常工作的电流分别为:,;由图知,闭合开关S,两灯泡串联,由于串联电路的电流处处相等,所以两灯泡不能都正常发光;A不符合题意;B、由可得,两灯的电阻分别为:,;由于串联电路的电流处处相等,两灯泡正常发光时的最大电流为:I=I1=0.5A,由欧姆定律可得总电阻:;根据串联电路的总电阻等于各分电阻之和可得,R连入电路的最小值: ,B不符合题意;C、滑片P从最右端向左移动,使某灯刚好正常发光,则正常发光的是电流较小的一个灯泡L1,所以另一盏灯的实际功率:,C符合题意;D、在保证电路安全的情况下,电路中的最大电流I=I1=0.5A,则整个电路的最大功率:,D不符合题意。
故答案为:C。
【分析】根据公式P=UI先计算出两灯正常发光时的电流,两灯串联后,正常发光的是电流较小的一个,再利用公式R=求出两灯的电阻;由于正常发光的是电流较小的一个,则根据P=I2R求出另一盏灯的实际功率;在保证电路安全的情况下,电路中的电流达到正常发光时电流较小的灯泡的电流即为电路可达到的电流,利用P=UI即可求出最大功率.正确的判断电路的最大电流是关键.2.如图所示电路中,电源电压保持不变,闭合开关S,滑动变阻器滑片向左移动时,下列判断正确的是()A. 电路总功率变小B. 电压表示数变大C. 电压表与电流表示数的比值不变D. 电流表示数变大【答案】 A【解析】【解答】解:由电路图可知,定值电阻R与滑动变阻器并联,电压表测电源两端的电压,电流表测干路电流,因电源电压保持不变,所以,滑片移动时,电压表的示数不变,B不符合题意;因并联电路中各支路独立工作、互不影响,所以,滑片移动时,通过R的电流不变,当滑动变阻器滑片向左移动时,接入电路中的电阻变大,由I=可知,通过滑动变阻器的电流变小,因并联电路中干路电流等于各支路电流之和,所以,干路电流变小,即电流表A的示数变小,D不符合题意;电压表的示数不变、电流表A的示数变小,则电压表与电流表示数的比值变大,C不符合题意;电源电压保持不变,干路电流变小,由P=UI可知,电路总功率变小,A符合题意。
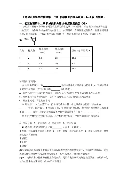
上海宝山实验学校物理第十二章机械能和内能易错题(Word版含答案)一、初三物理第十二章机械能和内能易错压轴题提优(难)1.小明用三根材料和厚度相同但长宽不同的橡皮条、一个弹珠,探究“影响橡皮条弹性势能的因素”。
他依次将橡皮条固定在弹弓上,如图所示,在弹性限度范围内,拉伸相同的伸长量,将弹珠在同一位置沿水平方向弹射出去,测得弹射的水平距离,数据如下表:次数橡皮条橡皮条宽(cm)橡皮条长(cm)弹射的水平距离/m1a0.52010.12b0.5308.23c 1.02014.0请回答以下问题:(1)实验中是通过比较________________来间接反映橡皮条的弹性势能大小,下列实验中采取的方法与这一方法不同的是________(填字母)。
A.在研究影响电热大小的因素时,我们可以将电热的多少转换成液柱上升的高度B.判断电路中是否有电流时,我们可通过电路中的灯泡是否发光去确定C.研究电流时,将它比作水流(2)比较第1、2次实验可知,拉伸相同的伸长量,橡皮条的弹性势能与橡皮条的________有关;比较第1、3次实验可知,拉伸相同的伸长量,橡皮条的弹性势能还与橡皮条的________有关;你猜想影响橡皮条弹性势能的因素可能还有______________。
(3)用同种材料同厚度的橡皮条,拉伸相同的伸长量,弹性势能最大的橡皮条是________。
A.窄而长的 B.宽而长的 C.窄而短的 D.宽而短的(4)请你对小明的实验做出评价_________(写出一条即可)。
【答案】弹珠被弹射的水平距离C长度宽度橡皮条的厚度D多做几次实验,使实验结果具有普遍性【解析】【分析】【详解】(1)[1]实验通过弹珠被弹射的水平距离反映橡皮条的弹性势能大小,弹珠弹射的越远,说明皮条的弹性势能转化为弹珠的动能越多,说明皮条具有的弹性势能越多。
[2]AB.电热的多少转化为液柱上升的高度,是否有电流转化为灯泡是否发光,应用的转化法与实验中的方法相同,故AB不符合题意;C .研究电流时,将它比作水流,是类比法,与实验中的方法不同,故C 符合题意。
上海上海市实验学校附属光明学校物理电功率易错题(Word版含答案)一、初三物理电功率易错压轴题(难)1.()U U UP U IR-==额额额额额在“测量小灯泡的电功率”实验中,电源电压保持不变,待测小灯泡的额定电压为2.5V。(1)为了比较精确的测量小灯泡的电功率,电压表的量程应选0-____V;(2)实验时,无论怎样移动滑动变阻器的滑片,小灯泡都不亮,电压表有示数,电流表示数几乎为零,则故障可能是_____(选填“电流表与导线”或“灯泡与灯座”)接触不良;(3)排除故障后,移动滑动变阻器滑片,当电压表示数是2.5V,电流表示数如图所示,则小灯泡的额定功率是____W;(4)测量结束后,应先______,再拆除导线,最后整理好器材;(5)某实验小组在处理实验数据时,采用描点法,在坐标纸上作出了如图所示的I-U图象,请指出作图过程中存在的错误或不足之处是_______;(6)某实验小组设计了如图所示的电路(还缺一根导线连接才完整),可以测量小灯泡的额定功率,其中R为定值电阻。请写出本实验主要测量步骤及所测物理量:①电路连接完整后,开关S2断开,S1、S3闭合,调节滑动阻器滑片,使电压表示数为U额;②_______,开关S3断开,S1、S2闭合,记录电压表的示数U2;③小灯泡额定功率的表达式P额=______(用R、U额、U2表示)【答案】3 灯泡与灯座 1.25 断开开关图线不应画成直线或横坐标的标度取值过大保持滑动变阻器滑片位置不变()U U UR2额额-【解析】【分析】【详解】(1)[1]题中待测小灯泡的额定电压为2.5V,所以电压表的量程应选0~3V。
(2)[2]实验时,小灯泡不亮,且电流表示数几乎为0,则电路中有断路现象,而电压表有示数,即电压表与电源是接通,则故障可能是灯泡与灯座接触不良。
(3)[3]由图示知,电流表的示数为0.5A,则小灯泡的电功率P =UI =2.5V×0.5A=1.25W(4)[4]测量结束后,应先断开开关,再拆除导线,最后整理好器材。
上海宝山实验学校物理第十一章简单机械和功易错题(Word版含答案)一、初三物理第十一章简单机械和功易错压轴题提优(难)1.某同学在河边玩耍时捡到一块石头:(1)将木杆的中点O悬挂于线的下端,使杆在水平位置平衡,这样做的好处是可以消除_____对杆平衡的影响;(2)将左端A与弹簧测力计相连,用细线把石头挂于OA的中点C,弹簧测力计竖直向上提起A端,使杆保持水平,测力计示数如图所示,则拉力大小为_____N;将石头浸没于装有水的玻璃杯中且不与杯子接触,保持杆水平,记下弹簧测力计此时示数为2.7N;(3)通过计算,浸没后石头受到的浮力大小为_____N,石头的密度为_____kg/m3(已知ρ水=1.0×103kg/m3);(4)若上述(2)步骤中,只是杆未保持水平,则测量结果_____(填“偏大”、“偏小”或“不变”)。
【答案】杠杆自重 4.2 3 2.8×103不变【解析】【分析】本题考查固体密度的测量。
【详解】(1)[1]将木杆的中点O悬挂于线的下端,使杆在水平位置平衡,这样做的好处是可以消除杠杆自重对杆平衡的影响。
(2)[2]如图弹簧测力计的分度值是0.2N,所以拉力大小为4.2N。
(3)[3]根据杠杆的平衡条件以及C是OA的中点,可得122112F LF L==解得G=F1=2F2= 2×4.2N=8.4N而石头的质量8.4N=0.84kg10N/kgGmg==石石头浸没于装有水的玻璃杯中且不与杯子接触,保持杠杆水平,弹簧测力计此时示数为2.7N,再次根据杠杆的平衡条件计算出此时石头对C点的拉力为5.4N,则浸没后石头受到的浮力大小F浮=G﹣F=8.4N﹣5.4N=3N[4]又F浮=ρ液gV排,所以43333N==310m1.010kg/m10N/kgFV Vgρ-==⨯⨯⨯浮石排液所以石块的密度33430.84kg= 2.810kg/m310mmVρ-==⨯⨯石石石(4)[5]若上述(2)步骤中,只是杠杆未保持水平,虽然力的作用线不在杠杆上,但是两个力的力的作用线的比值是不变的,所以不会影响最终的结果。
九年级电功率易错题(Wgd 版含答案)一、初三物理电功率易错压轴题(难)1.小伟在做探究“电流与电阻的关系”实验时,准备了以下器材:电源(4.5V ),左值电⑴小伟连接的电路如图甲所示,闭合开关后,发现 _______ (填“电流表”或“电压表”) 无示数,经仔细检査后发现电路中有一根导线连接错误•请在图中错误的那根导线上画"×" >并画岀正确的连线; _____ (2)解决问题后.小伟先将5Q 的左值电阻接入电路。
调节滑动变阻器的滑片在某位置时, 电流表的示数如图乙所示:将5Q 的电阻换成20Q 的电阻后,他应将滑动变阻器的滑丿f P向 _____ (填左”或“右”)端移动,使电压表的示数保持 _____ V 不变,再次读取电流 表的示数:(3)把20Q 的电阻接入电路时,小伟发现无论怎样调Yj 滑动变阻器都不能完成实验。
为了使 四个电阻单独接入电路都能完成实验,他应控制电压表的示数不低于 ________ VC 由实验得 出的结论是:当电压一定时, ______ ;⑷小伟将泄值电阻换成小灯泡L],测出了几组电流值和电压值。
并绘制了 LJ 的U 7图象 如图丙所示,该图象不是直线的原因是 __________ :(5)同组的小同学还想测量额泄电流为$的小灯泡1_2的额左功率,利用小伟用过的小灯泡 L 】和绘制的图象,设计了如图丁所示的电路(电源电压为U ),测岀了小灯泡L2的额立功 率。
谙将她的实验步骤补充完整:① 闭合开关S.将开关S 。
接1、调节滑动变阻器的滑片P,使电流表的示数为 ________ ,此 时L2正常发光。
② 将开关SO 由1改接到2,滑动变阻器的滑片P _______ (填"移到最左端”“移到最右 端”或“保持不动”)此时电流表的示数为S 根拯b 的UJ 图象可知.当电流为/丄时, 对应的电压为Ui:,则滑动变阻器接入电路的阻值R= __________③ ____________________________ 小灯泡L2的额左功率P jt = (用U+. R 表示)电压表、滑动变阻器U20Ω1A^和开关各一个、导线若甲阻四个(5@ 10Ω. 200、25Ω),电流表、AVc⅛JSoT右2 2.5电流与电阻成反(U - /×∕? )×∕【解析】【分析】【详解】(1)⑴原电路中,电压表与电阻短路了,只有电流表与变阻器连入电路中,故电压表没有示数。
上海物理电功率单元测试卷(解析版)一、初三物理 电功率 易错压轴题(难)1.L 3V 0.2A 0.6WP U I '==⨯=额额小聪在“探究电流和电阻关系”的实验中,连接电路,如图甲所示.可用的定值电阻有5Ω、10Ω、l5Ω.(1)请你用笔划线代替导线,把图甲所示的电路补充完整,并且使滑动变阻器的滑片向右移动时连入电路中的阻值变大_____.(2)他把5Ω的电阻连入电路后,闭合开关,发现电流表有示数,电压表无示数,电路中的故障可能是_____(写出一种即可).故障排除后,闭合开关,调节滑动变阻器的滑片,达到实验要求,电流表的示数如图乙所示,则电路中的电流为_____A .(3)将5Ω的电阻换成10Ω的电阻后,闭合开关,应将滑动变阻器的滑片向_____(选填“左”或“右”)端移动,直到电压表的示数为_____V 止,记录电流表的示数.(4)完成上述实验之后,小聪想测量一个小灯泡的额定功率,已知小灯泡的额定电压为U 额.他又找来一个阻值为R 0的定值电阻,设计了电路图丙.请补全实验步骤并写出表达式 ①只闭合开关S 和_____(选填“S 1”或“S 2”),移动滑动变阻器的滑片,使电流表的示数为_____,此时小灯泡正常发光.②只闭合开关S 和_____(选填“S 1”或“S 2”),保持滑动变阻器滑片的位置不动,记下电流表的示数I .③小灯泡额定功率的表达式是P 额=_____.(用已知量和所测物理量符号表示)【答案】 电阻(或电压表)短路 0.4 右 2 S 2 vS 1 0I U U R -额额()【解析】【分析】【详解】 (1)要使滑片向右移动时连入电路中的阻值变大,故连接滑动变阻器的左下接线柱与电阻串联,如图:(2)他把5Ω的电阻连入电路后,闭合开关,发现电流表有示数,说明电路为通路,电压表无示数,电路中的故障可能是电阻短路,或电压表短路;电流表的示数如图乙所示,电流表选用小量程,分度值为0.02A ,电流为0.4A ;(3)由欧姆定律的变形公式,电压表示数:0.4A 5Ω2V V U IR ==⨯=,根据串联分压原理可知,将定值电阻由5Ω改接成10Ω的电阻,电阻增大,其分得的电压增大;探究电流与电阻的实验中应控制电压不变,应保持电阻两端的电压不变,根据串联电路电压的规律可知应增大滑动变阻器分得的电压,由分压原理,应增大滑动变阻器连入电路中的电阻,所以滑片应向右端移动,使电压表的示数为2V ;(4)①只闭合开关S 和S 2,移动滑动变阻器的滑片,使电流表的示数为v ,此时小灯泡正常发光.②只闭合开关S 和S 1,保持滑动变阻器滑片的位置不动,记下电流表的示数I .③在①中,电流表测定值电阻的电流,根据欧姆定律的变形公式,U =IR ,定值电阻的电压为00U R U R ⨯=额额, 根据并联电路电压的规律,灯的电压为额定电压,灯正常发光;在②中,电流表测灯与定值电阻并联的总电流,根据并联电路电流的规律灯的额定电流为:U I I R =-额额, 可得,小灯泡额定功率的表达式是:2.P L =U L ′I ′=4.5V×0.3A =1.35W 。
一、初中物理电功率的综合计算问题1.定值电阻 R 1、R 2 和滑动变阻器R 3接入如图电路中,电源电压不变。
当开关S 1闭合,S 2断开,滑片P 位于a 点时,电压表V 1和V 2的示数之比U 1∶U 2=2∶1.电流表的示数 I 1=1A ;滑片 P 位于最右端时,电压表 V 1 和 V 2 的示数之比 U 1′∶U 2’=2∶5.当开关 S 1 断开,S 2闭合,两个电压表V 1 和 V 2的示数之比U 1’’ ∶U 2’’=3∶l 。
当通过开关的闭合与 断开及调节滑动变阻器的滑片,可使电路消耗的功率最小为4.5W ,则下列说法 正确的是( )A .电源的电压为 10VB .滑动变阻器的最大阻值是 20ΩC .当开关 S 1 断开,S 2 闭合,R 1 消耗的电功率为 4WD .当开关 S 1 闭合,S 2 断开,R 1 消耗的最大功率为 4.5W【来源】湖南长沙市广益实验中学2019-2020学年九年级3月月考物理试题 【答案】B 【解析】 【分析】根据串联电路中电压与电阻成正比,电路最小功率时,就是电压不变时电阻最大解答。
【详解】A .由上图可知,闭合S 1断开S 2时R 2被短路,电路为R 1与滑动变阻器的串联电路,V 1测R 1的电压,V 2测滑动变阻器的电压,根据串联电路中电压与电阻成正比,由题意可得11221aU R U R == 推出R 1=2R a -----------(1)112325U R U R '==' 推出5R 1=2R 3------------(2)1a1A +U R R =源-----------(3) 当闭合S 2,断开S 1时,滑动变阻器被短路,为R 1与R 2的串联电路,V 1测R 1与R 2的总电压,V 2测R 2的电压,根据串联电路中电压与电阻成正比,由题意又可得1122231U R R U R ''+=='' 推出R 1=2R 2-------(4)电路最小功率时,就是电压不变时电阻最大则有21234.5W ++U R R R =源--------(5)联立(1) (2) (3) (4) (5)解之得12V U =源 ;18R =Ω ;24R =Ω ;320R =Ω ;a 4R =Ω故A 错误;B .滑动变阻器的最大阻值是320R =Ω,故B 正确;C .当开关 S 1 断开,S 2 闭合,滑动变阻器被短路,R 1与R 2串联这时R 1消耗功率2211212V ()()88W +8+4U P R R R =⨯=⨯Ω=ΩΩ源 不是4W ,故C 错误;D .当开关 S 1 闭合,S 2 断开,R 2被短路,当滑动变阻器R 3=0时,R 1 消耗的功率最大为221(12V)8U P R '===Ω源18W不是4.5W 所以D 错误。
上海民办上宝中学物理电功率同步单元检测(Word 版 含答案)一、初三物理 电功率 易错压轴题(难)1.(4)[7][8]实验结束后,小华继续对滑动变阻器两端电压与通过它的电流关系进行了探究,则他画出的U-I 图像应为图3中的虚线①,选择的依据是“小灯泡和滑动变阻器两端电压之和保持不变”或“小灯泡两端电压变化量和滑动变阻器两端电压变化量始终相等”。
在“探究电流与电阻的关系”的实验中,提供的器材如下:电源电压恒为4.5V ,五个定值电阻R 1(5Ω)、R 2(10Ω)、R 3(15Ω)、R 4(20Ω)、R 5(25Ω),标有“50Ω1A ”的滑动变阻器R 、电压表(可用量程:0~3V 、0~15V )、电流表(0~0.6A )、开关各1只,导线若干。
(1)小赵同学设计了如图甲所示的实验电路,电路连接完毕,闭合开关S ,发现电流表有示数,电压表无示数。
若电路故障只出现在R 1和R 上,则电路故障是______;(2)排除电路故障后,将滑动变阻器的滑片P 移到最______端,闭合开关,调节滑片P ,使电压表的示数为2.5V 时,电流表的示数应为______A ;(3)分别用定值电阻R 2、R 3、R 4、R 5依次替换R 1,重复(2)的实验步骤。
根据实验所得的五组数据绘制出I -R 图象,如图乙所示,由图象可得出的结论是:______;(4)完成步骤(2)后,若保持滑片P 位置不变,断开开关,用R 2替换R 1,闭合开关,发现电压表示数______2.5V (选填“大于”或“小于”),应向______(选填“左”或“右”)移动滑片P 才能达到实验要求;(5)为完成该实验探究,滑动变阻器允许连入电路的最小阻值为______Ω;(6)在使用电阻R 1、R 5完成实验的过程中,当电压表示数为2.5V 时,滑动变阻器R 消耗的电功率分别为P 1、P 5,则15:P P ______。
【答案】R 1短路 右 0.5 当导体两端的电压保持不变时,导体中的电流与导体的电阻成反比 大于 右 4 5:1【解析】【分析】【详解】(1)[1]由图可知,电阻R 1和滑动变阻器R 串联,电压表测R 1两端的电压,电流表测电路中的电流。
九年级物理下册电功率专题练习(word版一、初三物理电功率易错压轴题(难)1.电路中的电流I==,小灯光的额定功率P=U L I=2.5V×.在“测定小灯泡电功率”的实验中,小灯泡额定电压为2.5V。
(1)图甲中有一根导线连接错误,请在错误的导线上画“×”,并在图中改正(导线不许交叉)。
(_______)(2)正确连接电路后,闭合开关,移动滑动变阻器的滑片,发现小灯泡始终不亮。
两电表无示数。
为判断故障、将电压表与滑动变阻器并联,电压表有示数,则电路发生故障的原因是_____。
(3)排除故障后闭合开关,移动滑动变阻器的滑片P到某一点,电压表示数如图乙所示为_____V。
(4)根据实验记录绘制Ⅰ﹣U图象如图丙所示,根据图象信息,计算小灯泡的额定功率是_____W。
(5)完成上述实验后,小敏设计了如图丁所示的电路,测出了额定电流为I额的小灯泡的额定功率。
实验方案如下:(电源电压不变,滑动变阻器R1的最大阻值为R1)①按电路图连接电路。
②闭合开关_____,移动R1滑片,使电流表的示数为I额灯泡正常发光。
③闭合开关_____,保持R1滑片位置不动,移动R2滑片,使电流表的示数为I额。
④保持_____滑片位置不动,将另一个滑动变阻器滑片移到最左端,电流表的示数为I1,再将此滑动变阻器的滑片移到最右端,电流表的示数为I2。
⑤小灯泡额定功率的表达式为P额=_____。
(用I额、I1、I2、R1表示)【答案】滑动变阻器断路 2.2 0.5 S1 S2 R2 I 额2•2112I RI I【解析】【分析】(1)本实验中,电压表应并联在灯泡的两端,由此分析图甲的错误修改;(2)通过小灯泡不亮,两电表无示数,判断出电路中出现断路,然后根据具体情况判断断路处;(3)由图乙明确电压表量程和分度值,再读数;(4)由图象读出额定电压下通过灯泡的电流,根据P=UI计算额定电功率;(5)已知灯泡的额定电流,可通过R2等效替代正常发光灯泡,再根据电路特点,利用电源不变计算出R2的阻值,由P=I2R计算额定功率。
上海宝山实验学校物理电压电阻易错题(Word版含答案)一、初三物理电压电阻易错压轴题(难)1.在探究决定电阻大小因素的实验中(温度不变):甲同学的猜想是:电阻可能与导体的材料有关;乙同学的猜想是:电阻可能与导体的长度有关;丙同学的猜想是:电阻可能与导体的横截面积有关。
金属丝代号材料长度/m横截面积/mm2A镍铬0.50.1B镍铬0.50.2C锰铜0.50.1D锰铜0.8(1)现有两种金属材料制成的各种不同规格的金属丝,规格如上表。
选用导线A和C进行实验,可以探究______(选填“甲”“乙”或“丙”)同学的猜想。
要想探究丙同学的猜想应该选用______(选上面表格中导线字母代号)两根导线进行实验。
要想探究电阻可能与导体的长度有关,则表格空白处应填______mm2;(2)小华设计了如图甲所示电路。
为判断a、b两点间导线电阻的大小,小华应注意观察______的变化,具体指明该方案存在的不足是:______,容易烧坏电流表和电源;(3)小刚设计了如图乙所示电路,该电路中灯泡的作用有哪些?①______,②______;(4)小刚想用图乙的电路进一步验证“在电压相同时,流过导体的电流跟电阻成反比”,于是选用了几个阻值不同的定值电阻分别先后接入a、b两点间。
你认为小刚的方案是否可行?请加以解释?______。
【答案】甲 A、B 0.1 电流表示数的变化若ab间导线电阻太小由灯泡亮度可直观比较阻值大小限流,防止烧毁电流表和电源不可行,ab间的电阻改变时,其两端的电压会改变,不能保证电压相同【解析】【分析】【详解】(1)[1]由表中所给条件知,导线A和C的长度、横截面积相同,导体的材料不同,故可以探究甲同学的猜想。
[2]要探究横截面积与导体电阻大小的关系,就要控制导体的材料、长度相同,横截面积不同,在表格中给的导线中,只有A、B符合条件。
[3]要探究长度与导体电阻大小的关系,就要控制导体的材料、横截面积相同,导体的长度不同,在表格中给的导线中,只有C、D符合条件,故表格空白处应填0.1mm2。
一、初中物理电功率的综合计算问题1.图甲是用于焊接塑料水管的热熔器,其电路如图乙所示。
加热电阻 R 1=66Ω、R 2=176Ω,S 1 是手动控制开关,S 2 是可随温度自动跳转的温控开关,R 0 特殊限流电阻,热熔器加热时 R 0 电阻较大,LED 指示灯发红光,保温时 R 0 电阻较小,LED 指示灯发绿光。
已知 LED 发光时两端电压保持不变,则下列说法正确的是( )A .当 S 1、S 2 都闭合时,热熔器处于保温状态B .保温状态时加热电路的电功率是200WC .发红光时LED 的电流等于发绿光时 LED 的电流 D .当 S 1 闭合,S 2 断开时,R 1 的功率大于 R 2 的功率【来源】湖南省长沙市师大附中集团2018-2019学年九年级(上)期末考试物理试题 【答案】B 【解析】 【详解】A .开关S 1和S 2都闭合时,加热电路只有R 1工作,加热电阻最小,由2U P UI R== 可知,热熔器的加热功率最大,处于加热状态,故A 错误; B .保温状态时,加热电路中R 1与R 2串联,则加热电路的电功率:2212(220V)200W 66176U P R R ===+Ω+Ω保温, 故B 正确;C .由题可知,热熔器加热时R 0的电阻较大,LED 指示灯发红光,保温时R 0的电阻较小,LED 指示灯发绿光,因两种情况下LED 灯发光时两端电压保持不变,且电源电压为220V 不变,所以,由串联电路中总电压等于各分电压之和可知,R 0两端的电压不变,由U I R=可知,热熔器加热时R 0的电阻较大,电路中的电流较小,即发红光时LED 灯的电流小于发绿光时LED 灯的电流,故C 错误;D .开关S 1闭合,S 2断开时,加热电路中R 1与R 2串联,因串联电路中各处的电流相等,且由题可知R 1<R 2,所以,由2P I R =可知,R 1的功率小于R 2的功率,故D 错误。
2.如图甲所示,闭合开关S ,调节滑动变阻器的滑片,从最右端滑至最左端时,小灯泡恰好正常发光。
上海上海市实验学校西校物理电功率单元测试题(Word版含解析)一、初三物理电功率易错压轴题(难)1.(5)待测电阻与变阻器串联,当变阻器连入电路的电阻变小时,由欧姆定律I=UR可知,电路的电流变大,根据U=IR得到待测电阻的电压变大,由串联电路电压的规律可知,变阻器两个的电压变小,根据绘制的如图丁所示的U-I图象可知,电压表并联在变阻器的两端了;由图乙可知,当电流I1=0.1A时,变阻器两端的电压U1=2V,当电流I2=0.2A时,变阻器两端的电压U2=1V,设电源电压为U,由串联电路电压的规律和欧姆定律可知,1212=U U U URI I--=,即2V1V=0.1A0.2AU U--,U=3V,待测电阻:113V2V=0.1AU URI--==10Ω.小明同学为了“测量小灯泡的电功率”,准备有如下器材:电源(电压6V,保持不变),小灯泡(额定电压3.8V,电阻约为20Ω),滑动变阻器A“10Ω1A”,滑动变阻器B“20Ω 1A”,电压表(量程为0-3V、0-15V)、电流表(量程为0-0.6A、0~3A)各一个,开关一个,导线若干。
(1)要完成此实验应该选择滑动变阻器__________(填“A”或“B”)较为合适;(2)他在连线的过程中发现电压表的0-15V量程已坏,要想测小灯泡的额定功率,请你补充完成图中的实验电路的设计;_________(3)他连接好电路后,闭合开关S,移动滑动变阻器滑片时发现灯泡亮度较暗且不变,且两表示数也不变,出现此现象的原因是_____________。
【答案】B 滑动变阻器接的是两个下面的接线柱【解析】【分析】【详解】(1)[1]在实验中,小灯泡与变阻器是串联,当小灯泡正常发光时,变阻器两端的电压U1=U-U L=6V-3.8V=2.2V据串联电路的特点有L 1L 1U U R R =,13.8V 2.2V 20ΩR = 此时,变阻器接入电路的阻值R 1=11.5Ω所以应选择滑动变阻器B 较为合适。
一、选择题1.有一种半导体材料的电阻值随着温度的变化如表所示:用这种材料制成的热敏电阻与电压表等元件连成如图电路。
电源电压为6V,电压表量程为0 ~ 3V,R0阻值为500Ω。
若把电压表的刻度盘改为指示水温的刻度盘,则下列说法正确的是()t/℃020*********R/Ω500380300250220200A.环境温度越高,热敏电阻的阻值越大B.水温刻度盘上的0℃与电压表3V对应C.环境温度越高,对应电压表读数越大D.环境温度越低时,电路中的总功率变大2.小明帮爷爷在院落装照明灯,他将标有“220V 100W”的节能灯接在家庭电路中,通电后节能灯比正常发光时暗,经检测它两端的实际电压为198V,则这盏节能灯的实际功率为()A.100W B.81W C.50W D.25W3.下列家用电器中,主要利用电流热效应工作的是()A.洗衣机B.电风扇C.电视机D.电饭锅4.如图所示,电源电压不变,闭合开关1S,电流表示数为0.7A,再闭合2S,电流表示数变化了0.3A,则同时闭合1S、2S后,相同时间内1R、2R消耗的电能之比是()A.3∶4B.4∶3C.3∶7D.7∶35.如图所示,电源电压恒为18V,电压表量程是“0-15V”,电流表量程是“0-0. 6A”,滑动变阻器R的规格是“100Ω 1A”,灯泡标有“6V 3W”字样。
闭合开关S,若保证电路所有元件均安全的情况下,(不考虑灯丝电阻变化)。
下列说法正确的是()A .电压表示数变化范围是3V-15VB .电流表示数变化范围是0.16A-1.5 AC .电路中的最大功率是10.8WD .滑动变阻器连入电路的阻值变化范围是24Ω-60Ω6.小明制作了一个利用电路测物体所受重力的小仪器,如图所示。
电源电压恒定,当秤盘不放任何重物时,滑片P 恰好处于a 点。
下列说法正确的是( )A .改造电压表表盘可显示重力的大小B .当称盘内物体所受重力变大时,电流表示数增大C .当称盘内物体所受重力变大时,电路消耗的功率变大D .若秤盘质量变大,为测量准确,应增大R 2的阻值7.如图所示,电源电压保持不变,滑动变阻器的滑片P 向a 端移动过程中,下列判断正确的是( )A .电流表示数变小B .电路的总电阻变大C .电路的总功率变大D .电压表示数变大8.如图是一种恒温式电烙铁的电路图,在不用电烙铁焊接时,断开开关S ,使它处于保温状态;需要焊接时,闭合开关S 就能很快达到焊接温度.若电烙铁的规格是“220V 80W ”,且R ′=R ,则保温时电路消耗的总功率为( )A .20WB .40WC .60WD .80W 9.雅靖发现家中的客厅灯泡较亮,而餐厅灯泡较暗,则较亮的灯泡( )A .电阻大B .功率大C .功率小D .电流小10.把标有“4V 8W ”的灯泡1L 和“2V 2W ”的灯泡2L 串联后接在电源两端,其中一只灯泡正常发光,另一只没有达到其额定功率,则正确的是( ) A .电源电压为4V B .电路中的电流为2AC.两灯泡的总功率为10WD.灯1L的实际功率大于灯2L的实际功率11.如图甲为探究“电流通过导体产生的热量与哪些因素有关”的实验装置,两烧瓶中盛有等质量的煤油,电热丝R1、R2的电压与电流关系如图乙,则()A.R1的阻值较大B.通过R2的电流较大C.通电一段时间后,R2瓶中温度计的示数变化较大D.若用水代替煤油实验效果会更好12.随着生活水平的提高,家用电器越来越多,使用时若出现如图所示的情形,会导致连接插座的导线发热,稍不小心就会导致火灾,究其原因是()A.电路中的用电器用电时间太长B.电路中的用电器的总功率过大C.电路中的用电器过多D.电路中的用电器的总电阻过大二、填空题13.若使一个标有“12V 6W”的小灯泡在电压为18V的电源下正常发光,则需______联一个______Ω的电阻R。
上海宝山实验学校物理电功率易错题(Word版含答案)一、初三物理电功率易错压轴题(难)1.重点是测量小灯泡电功率的实验,除了掌握通常的实验要求和步骤外,难点是电表的选择和画出电路图,对于电压表的选择采用了扩大量程的方法,即电压表与定值电阻串联后,根据串联电路的特点知,当电压表示数为3V时,电压表与定值电阻串联后总电压为3.8V,正好可以测量灯的定额电压。
据此进行分析解答。
中考复习时,一学习小组利用阻值不同的四个电阻、电压为6V的电源、滑动变阻器R(标有“50Ω 1A”)及其它器材做电学实验.(1)如图甲是小明“探究电流与电阻关系”时连接的部分实验电路.①将5Ω电阻接入电路,请用笔画线代替导线,将实验电路连接完整,要求滑动变阻器的滑片P向右滑电流表示数变大;(____)②闭合开关,移动滑片P,使电压表的示数为2.5V时读出对应的电流值并记录;③断开开关,用10Ω的电阻替换5Ω的电阻,此时如果他马上闭合开关,会造成__表损坏,正确的操作应该是先__________________________,再闭合开关,移动滑片P使电压表的示数仍为2.5V;④按正确操作完成余下实验后,得到电流与电阻关系图象如图乙所示,由此可得到的结论是:电压一定,___________________________________________________________;(2)玉琦同学把图甲中的定值电阻换成额定电压为2.5V的灯泡,测量它的额定功率.①闭合开关后,发现灯泡不亮,电流表和电压表都没有示数,原因可能是滑动变阻器___;②排除故障后,将滑动变阻器R的滑片移到某一位置时电压表示数为2.2V,要测小灯泡的额定功率,应将滑动变阻器连入电路的阻值变__(选填“大”或“小”),当小灯泡正常发光时,电流表的示数如图丙所示,则小灯泡的额定功率为__W .(3)张阳同学实验时发现桌上没有电流表,却多了一个滑动变阻器R 0(最大阻值用R 0表示),他设计如图丁所示电路,测出了额定电压为U 0=2.5V 的灯泡的额定功率,请补全下列步骤.①闭合开关,先调节滑动变阻器__(选填“R 0”或“R ”)的滑片到最__端(选填“左”或“右”),再调节另一滑动变阻器的滑片,直到__时为止.②接着_________________________,读出这时电压表的示数为U ;③小灯光的额定功率表达式P =____________(用字母表示).【答案】 电压 调节滑动变阻器的滑片P 处于最大阻值处 电流与电阻成反比 断路 小 0.75 R 0 左 2.5V 调节变阻器R 0的滑片到最右端 2.5V×02.5U V R 【解析】【分析】【详解】(1)①滑动变阻器的滑片P 向右滑电流表示数变大;说明滑动变阻器的滑片P 向右滑时滑动变阻器接入电路的电阻变小,所以应将滑动变阻器的右下方接线柱与开关右侧接线柱相连,如下图所示:③探究电流与电阻关系应保持电阻两端电压不变,用10Ω的电阻替换5Ω的电阻时电路中的总电阻变大,由==可知串联电路电阻越大,分得的电压越大,用10Ω的电阻替换5Ω的电阻,电阻两端电压会变大,电压表的示数变大,闭合开关,会造成电压表损坏,正确的操作应该是先调节滑动变阻器的滑片P 处于最大阻值处,再闭合开关,移动滑片P 使电压表的示数仍为2.5V ;④由图象可知,电流与电阻成反比例函数,故可得结论:电压一定时,电流与电阻成反比;(2)①闭合开关后,发现灯泡不亮,电流表和电压表都没有示数,原因可能是滑动变阻器断路;②要测小灯泡的额定功率,应使电压表的示数由2.2V增加到2.5V,滑动变阻器应减小接入电路中的电阻,增大电路中的电流;由图丙可知,电流表的量程为0~0.6A,分度值为0.02A,示数为0.3A,则灯泡的额定功率P=UI=2.5V×0.3A=0.75W;(3)实验步骤:①闭合开关,先调节滑动变阻器R0的滑片到最左端,再调节另一滑动变阻器的滑片,直到2.5V时为止;②接着调节变阻器R0的滑片到最右端,读出这时电压表的示数为U;③因串联电路中总电压等于各分电压之和,所以,R0两端的电压U0=U﹣2.5V,2.22''B0()==U U U UPR U R-额额额下面是小溪所做的电学实验:(一)探究电流与电阻的关系。
(1)小溪用5Ω、10Ω、15Ω和20Ω四个电阻、电压恒为4.5V的电源、“20Ω 1A”的滑动变阻器等器材连接成部分实验电路,实验过程中控制电阻两端的电压2V不变。
请用笔画线代替导线把电路补充完整;______(2)正确连接电路后开始实验。
小溪发现换上______Ω的电阻后,移动滑片,电压表示数始终不能达到需要控制的电压值,不能完成实验。
为了使四个电阻单独接入电路都能完成实验,他应该适当______(填“增大”或“减小”)控制的电压值;通过实验数据可以得出的结论是:______一定时,导体中电流与电阻成______。
(二)测量小灯泡的额定功率。
(3)小溪按乙图连接电路,测量标有“3.8V”的小灯泡的额定功率,她使用了电压表的小量程,调节变阻器滑片,使电压表示数为2V,读出此时电流表的示数为0.2A,求出小灯泡的电阻为______Ω,并利用公式2UPR=额额求出了小灯泡的额定功率。
然后她又换用电压表的大量程,调节变阻器滑片,使电压表示数为3.8V时,电流表示数如图丙所示为______A,小灯泡的额定功率为______W。
小溪发现两次得到的额定功率值有较大差异,根本原因是______;(4)小溪又设计了一个方案测量额定电压为3V 的小灯泡的额定功率。
电路如图丁所示(电源电压为6V ,滑动变阻器规格为“20Ω 1A ”)。
请把下面的实验步骤补充完整: ①只闭合开关S 和S 2,调节变阻器的滑片,使电压表V 2的示数为______V ,此时小灯泡正常发光;②只闭合开关______,保持滑片P 的位置不动,此时V 1的示数为1V ,V 2的示数为2V ; ③该灯泡的额定功率P 额=______W 。
【答案】见解析 20 增大 电压 反比 10 0.3 1.14 灯的电阻随温度的变化而变化 3 S 和S 1 0.6【解析】【分析】【详解】(1)[1]电压表测量电阻两端的电压,由于实验过程中控制电阻两端的电压为2V 不变,则电压表接小量程,如图所示(2)[2]当接入20Ω的电阻时,移动滑动变阻器的滑片,使滑动变阻器接入阻值最大,此时滑动变阻器两端电压最大,定值电阻两端电压最小,由于滑动变阻器的最大阻值与电阻的阻值相等,则它们两端电压相等,此时电阻两端最小电压为min 4.5V 2.25V 22U U === 所以小溪发现换上20Ω的电阻后,移动滑片,电压表示数始终不能达到需要控制的电压值,不能完成实验。
[3]为了使四个电阻单独接入电路都能完成实验,根据U I R =以及串联分压的特点可知,他应该适当增大控制的电压值。
[4][5]通过多次实验得到的数据以及实验现象可以得出的结论:当电压一定时,导体中电流与电阻成反比。
(3)[6]调节滑动变阻器滑片,是电压表示数为2V ,读出此时电流表的示数为0.2A ,由U I R=可得小灯泡的电阻 2V 10Ω0.2AU R I === [7]调节变阻器滑片,使电压表示数为3.8V 时,电流表如图丙所示选择的分度值为0.02A 的小量程,示数为0.3A 。
[8]小灯泡的额定功率L L 3.8V 0.3A 1.14W P U I ==⨯=[9]根据公式2U P R =额额求出小灯泡的额定功率,小溪发现两次得到的额定功率值有较大差异,根本原因是灯的电阻随温度的变化而变化。
(4)[10][11][12]实验步骤:①只闭合开关S 和S 2,调节变阻器的滑片,使电压表V 2的示数为3V ,此时小灯泡正常发光;②只闭合开关S 和S 1,保持滑片P 的位置不动,此时V 1的示数为1V ,V 2的示数为2V ; ③在①中电压表V 2测灯的电压,在①中电压表V 1测滑片以左电阻R 左的电压由串联电压规律可得滑片以右电阻R 右的电压6V 1V 2V 3V U =--=右因滑动变阻器的最大阻值为20Ω,根据串联电流规律,通过变阻器滑片以左和以右的电流相等,根据U I R=有 =U U R R 右左右左即3V 1V 1=20ΩR R R =-右右左 解得:R 右=15Ω,故在第1次操作中,由串联电路电压规律可知变阻器的电压6V 3V 3V U =-=滑电路中电流即灯的额定电流L 3V 0.2A 15ΩU I R '===滑右 所以灯泡的额定功率3.L 3V 0.2A 0.6WP U I '==⨯=额额小聪在“探究电流和电阻关系”的实验中,连接电路,如图甲所示.可用的定值电阻有5Ω、10Ω、l5Ω.(1)请你用笔划线代替导线,把图甲所示的电路补充完整,并且使滑动变阻器的滑片向右移动时连入电路中的阻值变大_____.(2)他把5Ω的电阻连入电路后,闭合开关,发现电流表有示数,电压表无示数,电路中的故障可能是_____(写出一种即可).故障排除后,闭合开关,调节滑动变阻器的滑片,达到实验要求,电流表的示数如图乙所示,则电路中的电流为_____A .(3)将5Ω的电阻换成10Ω的电阻后,闭合开关,应将滑动变阻器的滑片向_____(选填“左”或“右”)端移动,直到电压表的示数为_____V 止,记录电流表的示数.(4)完成上述实验之后,小聪想测量一个小灯泡的额定功率,已知小灯泡的额定电压为U 额.他又找来一个阻值为R 0的定值电阻,设计了电路图丙.请补全实验步骤并写出表达式 ①只闭合开关S 和_____(选填“S 1”或“S 2”),移动滑动变阻器的滑片,使电流表的示数为_____,此时小灯泡正常发光.②只闭合开关S 和_____(选填“S 1”或“S 2”),保持滑动变阻器滑片的位置不动,记下电流表的示数I .③小灯泡额定功率的表达式是P 额=_____.(用已知量和所测物理量符号表示)【答案】 电阻(或电压表)短路 0.4 右 2 S 2 vS 1 0I U U R -额额()【解析】【分析】【详解】 (1)要使滑片向右移动时连入电路中的阻值变大,故连接滑动变阻器的左下接线柱与电阻串联,如图:(2)他把5Ω的电阻连入电路后,闭合开关,发现电流表有示数,说明电路为通路,电压表无示数,电路中的故障可能是电阻短路,或电压表短路;电流表的示数如图乙所示,电流表选用小量程,分度值为0.02A ,电流为0.4A ;(3)由欧姆定律的变形公式,电压表示数:0.4A 5Ω2V V U IR ==⨯=,根据串联分压原理可知,将定值电阻由5Ω改接成10Ω的电阻,电阻增大,其分得的电压增大;探究电流与电阻的实验中应控制电压不变,应保持电阻两端的电压不变,根据串联电路电压的规律可知应增大滑动变阻器分得的电压,由分压原理,应增大滑动变阻器连入电路中的电阻,所以滑片应向右端移动,使电压表的示数为2V ;(4)①只闭合开关S 和S 2,移动滑动变阻器的滑片,使电流表的示数为v ,此时小灯泡正常发光.②只闭合开关S 和S 1,保持滑动变阻器滑片的位置不动,记下电流表的示数I .③在①中,电流表测定值电阻的电流,根据欧姆定律的变形公式,U =IR ,定值电阻的电压为00U R U R ⨯=额额, 根据并联电路电压的规律,灯的电压为额定电压,灯正常发光;在②中,电流表测灯与定值电阻并联的总电流,根据并联电路电流的规律灯的额定电流为:U I I R =-额额, 可得,小灯泡额定功率的表达式是:4.(5)灯泡电阻随灯泡电压的升高而增大;原因是:随灯泡电压的升高,灯泡实际功率增大,灯泡温度升高,电阻变大,说明灯丝的电阻随温度的升高而增大.某实验小组的同学用图甲所示器材测量小灯泡电功率,待测小灯泡L 的额定电压为3.8V ,额定功率小于1W ,电源电压恒为6V ,滑动变阻器R 的规格为“20Ω 1A”,图甲所示是该实验小组没有连接完整的电路.(1)请你用笔线代替导线,在图甲中把电路连接完整___________(2)正确连接完电路,闭合开关后,发现无论怎样移动滑片,小灯泡不亮,电流表无示数,电压表示数明显,仔细检查,连接无误,那么出现该状况的原因应该是_______(选填“A”、“B”、“C”或“D”)A .电流表内部断路了B .灯泡的灯丝断了C .灯座内部出现了短路D .滑动变阻器的电阻线断了(3)排出故障后,通过正确操作,当灯泡正常发光时,电流表示数如图乙所示,其值为_____A ,小灯泡的额定功率为________W .(4)测出小灯泡的额定功率后,再测大于小灯泡额定功率的实际功率,应将滑动变阻器的滑片向_______(选填“左”或“右”)端滑动.(5)测量小灯泡的电功率________(选填“需要”或“不需要”)多次测量求平均值,原因是______________.(6)图丙是该实验小组的同学测量小灯泡电功率的电路图,测量后他们对测量结果进行了误差分析,考虑电表本身对电路的影响,该电路主要是由于所测___(选填“电压”或“电流”)值偏大引起小灯跑电功率偏大的.【答案】 B 0.2 0.76 右 不需要 灯在不同电压下的功率不同 电流【解析】(1)因为灯的额定电压是3.8V ,所以电压表选用大量程且与灯并联,将变阻器的最大电阻连入电路中与灯和电流表串联,因为小灯泡L 的额定电压为3.8V ,额定功率小于1W ,由P=UI 知道,灯泡的额定功率约是P =1W/3.8V=0.26A ,所以电流表选用小量程,电路连接如下图:(2)因为是电流表与灯和变阻器是串联,若电流表内部断路了,则整个电路断路,两表都没有示数,故A 不符合题意;B .若灯泡的灯丝断了,则灯不会亮,电流表也没有示数,此时电压表串联在电路中,电压表测电源电压,所以会有示数,故B 符合题意;若灯座内部出现了短路,则电压表没有示数,电流表有示数,故C 不符合题意;若滑动变阻器的电阻线断了,则整个电路断路,两表都没有示数,故D 不符合题意,综上所述应选B ;(3)由图乙知道,当灯泡正常发光时,由于电流表选用小量程,分度值为0.02A ,电流值是0.2A ,所以小灯泡的额定功率是:P=UI =3.8V×0.2A=0.76W .(4)测出小灯泡的额定功率后,再测大于小灯泡额定功率的实际功率,就要增大灯电压,而减小变阻器的电压,由分压原理知道,应将滑动变阻器的滑片向右端滑动; (5)因为灯在不同电压下的功率不同,所以不需要多次测量求平均值;(6)由并联电路电流的规律知道,电流表示数等于通过灯的电流与通过电压表电流之和,所以该电路所测电流值偏大而引起小灯跑电功率偏大的.5.13V -1V ==10Ω0.2AU U U R I I -==滑滑.在“测量小灯泡的电功率”实验中,小丹设计了如图甲所示的电路图,已知小灯泡的额定电压为2.5V ,滑动变阻器规格为“20Ω1A ”,电源是由2节新干电池串联组成。