井深仪安全操作及保养规程
- 格式:docx
- 大小:23.99 KB
- 文档页数:3
测深仪安全操作及保养规程一、概述测深仪是一种用于测量井口至液面的距离的设备,是石油、天然气、地热等行业中常用的仪器之一。
在使用过程中,需要注意安全操作和正确保养,以确保设备的正常运行和使用寿命。
二、安全操作1. 设备准备在使用测深仪前,需要进行以下设备准备:•检查仪器和附件是否完好,如发现破损或缺失,应及时更换和维修;•针对不同的测量要求,选择合适的深度计;•确认测深仪的电源是否可靠,如果使用电池,需确保电池充足;•细心检查测量现场是否存在物质或环境的隐患,如有必要进行必要的安全防护措施。
2. 保持仪器稳固在进行测量时,需要保持设备稳固以确保精度和安全。
以下是一些常见的稳固技巧:•确保设备的基座安装稳固,并使其水平;•站立在稳固的平面上;•避免不必要的振动干扰,如手部运动或行动;•避免触碰测量仪器或附件。
3. 正确测量测量深度时,需要遵循以下步骤:•将深度计按照说明书的要求插入井内;•根据指示器读取液位深度;•停止测量后,将所有仪器和附件归位;•更新和处理已获得的测量数据。
4. 应急处理当发生意外事故或紧急情况时,需要采取措施使现场恢复正常状态。
在出现以下情况时,应采取安全措施:•设备出现损坏或故障;•在操作或移动设备时,设备不稳定;•发生突发气候,如风、雨、雷电等情况时;•发现有物体或人员进入危险区域;三、保养规程1. 日常保养为确保测深仪的长期使用和准确测量数据,需要进行日常保养:•清洁测量仪器和相关附件,特别是传感器官;•定期擦拭测量仪器,以防尘和涂层积累影响性能;•细心检查测量仪器和附件是否正常,如是否损坏或松动;•保管好测深仪及其相关附件,避免故意或意外的破坏。
2. 定期检查和维护定期检查和维护可以帮助您发现设备的潜在隐患,以及维修和更换需要。
以下是一些常见的维护项目:•定期检查电源选件以确保其漏电率无异常;•定期清洗传感器和条形码读取器,并用适当的油脂润滑波纹软管;•检查和更换透明管内侧面是否有磨损或堵塞;•检查观察窗口,以防固化的沉淀物影响观察;•检查并清空气闸,然后重置气闸。
井点设备安全操作规程
1.适用范围
本规程规走了井点设备安全操作的有关规定。
本规程适用于公司井点设备操作。
2.主要内容
2.1操作前应先检查机械各部分是否有松脱现象,润滑池是否充足,并盘动连轴器或皮带轮,如发现半轻半重现象,应立即修复。
2.2电源线路应架空,空气设备必须加辅助接地,并应检查保险丝是否符合规定。
2.3冷却水箱内的冷却水必须加足,严禁使用污水。
2.4开动机器时应先开真空泵,待仪表指示达到要求真空度时,再开水泵抽水,停机时先停真空泵,后停水泵。
2.5经常检查真空泵仪表位置是否正常,真空桶玻璃管内水位不得少于1/6,离心泵出水应调节正常。
2.6电动机如发现高温或有异声时应及时停机检查。
2.7连桶水气分离器两桶之间的间门应关闭,玻璃管内如发现有水时应停止,将水放尽。
2.8时刻注意电流表是否正常,如发现电流突然升高,应立刻停机修理,检查原因。
2.9多级水泵应由专人使用,专供冲井管时用水,并不得当抽水机使用,压力表不得超过0.54MPa,进水口严禁吸入污水及杂草。
2.10要严格执行交接班制度,作好当班记录。
2020。
深井泵操作保养规程
深井泵是一种常见的用于将地下水输送到地面的设备,因其长期埋
在地下,故需要进行良好的操作保养,以保证其性能和寿命。
本文将
详细介绍深井泵的操作和保养规程,旨在帮助使用深井泵的工作人员
更好地使用和维护深井泵。
操作规程
1.在每次使用深井泵前,要检查电源是否稳定并符合额定电
压。
同时,检查电线连接是否牢固,电机密封是否严密,有无渗
漏。
2.打开深井泵进水管,确认泵内充满水后,再开始通电。
开
泵前应检查泵内是否没水或水不足,以防损坏。
3.如果深井泵长时间未使用,则应将泵内的水放掉,避免内
部生锈、腐蚀影响泵的使用寿命。
4.深井泵应垂直安装,放置在平稳的地面或安装固定支架上。
安装前应清理井口,以免进入杂物或砂粒影响泵的正常运行。
5.在正常启动深井泵后,若出现异常噪声或振动,应立即停
泵检查。
6.当深井泵停机后,应先关闭电源再关闭出水管,防止水反
吸损坏泵。
机井灌溉控制装置安全操作及保养规程机井灌溉控制装置是用于控制农田灌溉的重要设备。
为了确保操作人员的安全和设备的正常运行,制定本安全操作及保养规程。
操作人员应认真遵守本规程,保障设备安全运行和生命财产安全。
一、安全操作1.着装:操作人员应穿着合适的工作服,头戴安全帽,脚穿防滑鞋。
2.操作前检查:操作人员应在每次操作前对机井灌溉控制装置进行检查,包括电源线、传感器、控制器等各个部分的电线是否接好,设备的地线是否牢靠连接,水泵是否运转正常。
3.开始操作前应先查看操作手册,熟悉设备的基本情况,掌握常规操作方法。
4.控制装置的各个按键、指示灯的表达含义,掌握故障排除方法,了解每个模式下的操作流程。
在进行操作时,应先关闭电源,确保设备无电后,再操作设备。
5.操作时应保持冷静,按照操作手册的指导进行操作。
不要随意更改设备参数,防止造成损坏。
6.遇到故障时,应及时停止设备运行,联系设备维修人员进行检修,严禁自行拆卸。
7.操作完毕后,应将设备关闭电源,并进行清洁,以保持设备的正常运转。
8.操作完毕后应做好设备信息记录,包括操作时间、水位、操作流程等,以便日后查找问题。
二、保养规程1.外观清洁:机井灌溉控制装置应定期进行清理,清理控制面板、传感器及控制器等部分,保证设备外观的整洁。
2.电源维护:应对电源线进行定期检查,查看电源线是否出现磨损或无法使用的问题。
3.传感器维护:传感器是保障设备正常运行的重要部件,应每年对传感器进行检查、清洁和质量测试。
4.控制器维护:每年对控制器进行检查,确保其各部件的正常功能。
如出现问题,应及时维修或更换。
5.齿轮箱和液压机构的维护:这些部件是设备的关键组成部分,应定期检查和更换润滑油。
6.非专业人员不得随意拆卸设备部件。
一旦出现问题应及时联系设备维修人员进行检修。
7.定期检查各机构的紧固程度。
总而言之,机井灌溉控制装置是农业生产过程中的重要设备,必须由经过培训的操作人员进行操作,并严格遵守上述安全操作及保养规程。
深井泵安全操作技术规程范本深井泵是一种用于提取地下水的设备,其操作的安全性十分重要。
为了确保深井泵的安全操作,制定了以下技术规程范本。
一、安全准备1.操作人员必须具备深井泵的相关知识,了解其工作原理、结构和操作方式,并接受相关培训;2.在使用深井泵之前,必须检查设备的完好性,包括电源线是否良好、电机是否正常、管道是否通畅等;3.操作人员必须穿戴符合要求的个人防护装备,如安全帽、防护手套、防护眼镜等;4.确保深井泵周围环境的安全,包括地面坚固、无积水、无杂物等。
二、安全操作1.在操作深井泵之前,必须将其牢固地固定在地面上,避免晃动或翻倒;2.正确接通电源,并确保电源的可靠接地,以防止电流泄漏造成触电事故;3.在启动深井泵之前,必须确认相关设备和管道的阀门已打开,水泵的进水和出水口没有堵塞;4.启动深井泵后,应立即检查运行情况,确保其运转正常,如有异常应立即停止使用并进行检修;5.操作人员不得将手或其他物品放入运转中的深井泵管道中,以免发生危险;6.在停止使用深井泵时,必须先关闭电源,然后关闭相应的阀门,切勿在电源仍接通的情况下操作阀门。
三、应急措施1.如发现深井泵有异常声响或运行不正常,应立即停止使用,并切断电源,随即进行检修;2.若发生电气故障或人员触电事故,应立即切断电源,并进行紧急救援;3.如遇到泵管爆裂等突发事件,应立即关闭进出水阀门,并切断电源,进行紧急处理;4.在进行紧急处理时,要确保自身安全,并寻求专业人员的帮助。
四、维护保养1.定期检查深井泵的电源线、电机和管道等,发现问题及时修理或更换;2.定期清洗深井泵的过滤器和筛网,保持其通畅性;3.注意深井泵的防锈和防腐,可以定期给其涂抹特殊涂层,延长其使用寿命。
五、操作人员禁忌1.在操作深井泵时,禁止吸烟或将明火带入泵房;2.禁止将深井泵用于非指定的用途,以免造成设备破损或人身伤害;3.禁止在深井泵上进行私自改动或修理,以免影响设备正常运转;4.禁止饮酒后操作深井泵,以免影响判断力和操作技能。
声波测井仪安全操作及保养规程声波测井仪是一种用来测量井壁中声波传播的速度和衰减程度的工具,广泛应用于石油勘探和生产中。
正确使用和保养声波测井仪不仅可以提高测量精度和准确性,还可以延长设备的使用寿命。
本文将介绍声波测井仪的安全操作和保养规程。
一、安全操作规程1.在使用声波测井仪前,必须仔细阅读并按照使用说明书操作,确保了解每一项功能和操作细节。
2.操作声波测井仪前,要先检查设备是否正常。
检查仪器是否完好无损,是否正确连接电源线,触控屏幕是否有显示等。
3.在操作前要查询井口情况,如井深、井壁的物理性质等,以便选择适合的测量模式和参数设置。
4.测量前要检查测量线路,如测量电缆、传感器等是否安装牢固、接线是否有松脱、电缆是否有短路或断路等。
5.确保工作场所干燥,不得在潮湿或遇水的地方操作声波测井仪。
6.操作过程中要注意人身安全,避免手指或身体接触传感器。
7.操作完毕后,要关闭设备电源,拔掉电源线,将仪器存放在待机状态。
8.在测量过程中出现异常情况,如电流显示异常、仪器损坏等,应立即停机处理,并及时与相关专业人员联系处理。
二、保养规程1.定期对声波测井仪进行日常保养,如对仪器进行清洁、检查、校准等。
避免使用过程中遇水和冲击。
2.对于设备进行集中管理,做好防潮、防尘、防强磁场的工作,防止仪器受到损坏。
3.保证设备正常运行,设备所需的电源电压不得小于额定电压,接线板不得过多堆放。
4.细心观察仪器使用过程中可能出现的质量问题,及时排除问题。
5.定期对设备进行检修和维护,如清洁、测量校准、更换损坏的部件等。
发现问题及时进行维修和更换,避免设备出现严重问题。
6.对于测井仪的维护要有专业人员进行,不得随意拆换,保证仪器的正常工作。
三、常见问题和解决方法1.无法开机或出现屏幕故障:首先检查电源是否连接正确,如果电源正常,可能屏幕出现故障,需要更换或者维修屏幕。
2.测量结果出现异常:首先检查测量传感器是否存在损坏或松脱,其次检查仪器是否需要校准,如果需要进行校准,需要注意校准频率和相关参数设置。
深(水)井作业安全操作规程为了确保深(水)井作业的安全进行,减少人员伤亡和设备损坏的风险,制定一系列的安全操作规程是非常必要的。
本文将介绍深(水)井作业的安全操作规程,包括事前准备、作业过程中的安全措施以及事后的安全总结。
一、事前准备1. 人员培训:所有参与深(水)井作业的人员必须接受全面的培训,了解作业流程、安全知识以及应急处理措施。
2. 设备检查:在作业开始前,必须对所有设备进行仔细检查,确保其在正常工作状态下。
如有异常,及时修理或更换设备。
3. 安全措施:根据具体作业需求,制定详细的安全措施,包括人员着装要求、作业平台的安全保护设施、紧急逃生通道等。
二、作业过程中的安全措施1. 人身安全:作业人员必须全程佩戴个人防护装备,包括安全帽、安全鞋、防护眼镜等,以确保人身安全。
2. 设备操作:操作作业设备时必须按照相关规定进行,不得超负荷使用或违规操作。
3. 通风防爆:针对存在可燃气体的环境,必须进行通风换气,并采取防爆措施,防止火灾和爆炸事故的发生。
4. 检修作业:对设备的检修维护工作,必须在停机状态下进行,并严格按照操作规程进行操作。
5. 紧急情况处理:对于突发状况或紧急情况,作业人员必须遵循应急预案,迅速采取适当的措施,保护自身和他人的安全。
三、事后的安全总结1. 事故记录:对于发生的事故或异常情况,必须及时记录,并进行详细的调查分析,找出事故的原因和教训。
2. 安全培训:根据事故调查结果,进行相关人员的安全培训,增加他们的安全意识和应对能力。
3. 安全改进:根据事故调查的结果,对作业过程中存在的安全隐患进行改进,有效防止类似事故再次发生。
4. 定期检查:定期对深(水)井作业进行安全检查,及时发现问题并进行处理,确保作业的安全。
总结起来,深(水)井作业是一项危险性较高的作业,为了保证作业安全,必须制定相应的操作规程并严格执行。
事前准备包括人员培训、设备检查和安全措施的制定;作业过程中的安全措施包括人身安全、设备操作、通风防爆、检修作业和紧急情况处理;事后的安全总结则包括事故记录、安全培训、安全改进和定期检查。
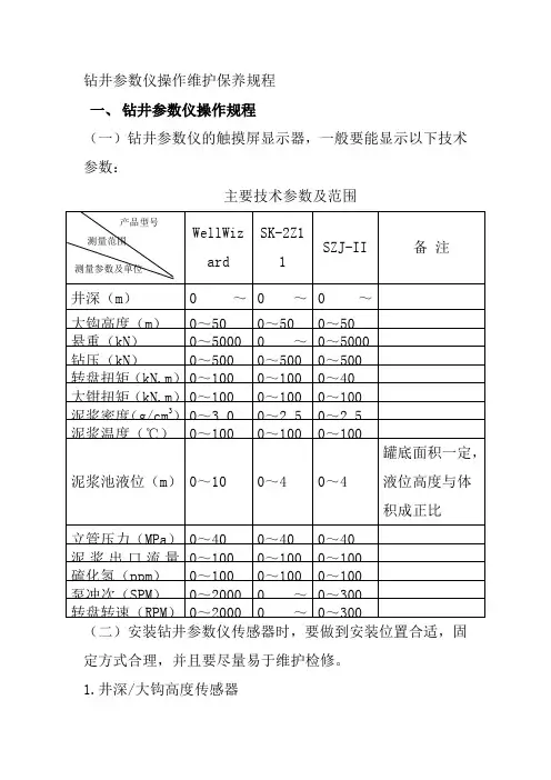
钻井参数仪操作维护保养规程一、钻井参数仪操作规程(一)钻井参数仪的触摸屏显示器,一般要能显示以下技术参数:主要技术参数及范围(二)安装钻井参数仪传感器时,要做到安装位置合适,固定方式合理,并且要尽量易于维护检修。
1.井深/大钩高度传感器一般有两种测量方式:天车井深和绞车井深。
对于天车井深传感器的安装,首先要在快速滑轮处选择合适的位置,主要考虑的因素有:(1)传感器固定是否安全、牢固,正常工作时是否容易被碰撞;(2)信号线走向是否安全;(3)扫描标靶的位置及尺寸是否合适;(4)传感器端面与扫描标靶的距离是否合适。
2.绞车型传感器在安装时主要考虑:(1)根据绞车工况确定传感器安装位置(高速端还是低速端);(2)传感器的固定是否安全、牢固,正常工作时是否容易被碰撞;(3)信号线走向是否安全,导气轴旋转时是否会损伤信号线;(4)绞车的基本参数是否记录完整(滚筒及钢丝绳直径、排数、层数等)。
3.泵冲、转盘转速等接近开关型传感器在安装时既要保证在设备运转时传感器不被碰撞,又要使传感器探头与扫描标靶的距离符合要求(在传感器铭牌上一般都标注有感应距离)。
4.压力型传感器一般是指悬重传感器、立管压力传感器、大钳扭矩传感器等感应液压信号的传感器。
这类传感器在安装时,主要考虑:(1)传感器量程选择是否合适;(2)油路是否通畅;(3)管线中的气体是否排净;(4)传感器及信号线位置是否安全。
5.泥浆液位传感器目前一般使用超声波传感器,安装时要求:(1)在超声波发射与反射路径上不能有障碍物;(2)泥浆反射面尽量选择在没有搅拌旋涡的层流端面;(3)传感器要垂直固定;(4)传感器发射端面与测量最高位要留有盲区空间;(5)传感器要根据泥浆罐的情况进行内部设置。
6.泥浆(百分比)回流传感器安装时注意:(1)在泥浆(槽)靠近井口的位置安装;(2)注意传感器挡板的方向;(3)与回流管连接处要做好密封;(4)必要时要调整挡板的长度。
7.泥浆密度、温度、电导等传感器这类传感器在安装时要保证可靠的固定和与钻井液良好的接触,并注意定期检查、清洗。
深井泵操作规程及保养注意事项(7篇)(经典版)编制人:__________________审核人:__________________审批人:__________________编制单位:__________________编制时间:____年____月____日序言下载提示:该文档是本店铺精心编制而成的,希望大家下载后,能够帮助大家解决实际问题。
文档下载后可定制修改,请根据实际需要进行调整和使用,谢谢!并且,本店铺为大家提供各种类型的经典范文,如工作报告、合同协议、心得体会、演讲致辞、规章制度、岗位职责、操作规程、计划书、祝福语、其他范文等等,想了解不同范文格式和写法,敬请关注!Download tips: This document is carefully compiled by this editor. I hope that after you download it, it can help you solve practical problems. The document can be customized and modified after downloading, please adjust and use it according to actual needs, thank you!Moreover, our store provides various types of classic sample texts, such as work reports, contract agreements, insights, speeches, rules and regulations, job responsibilities, operating procedures, plans, blessings, and other sample texts. If you want to learn about different sample formats and writing methods, please pay attention!深井泵操作规程及保养注意事项(7篇)深井泵操作规程及保养注意事项篇11.操作人员需经过培训,掌握深井泵的基本知识和操作技能,未经许可不得擅自操作。
多功能水位尺井深仪安全操作及保养规程1. 前言多功能水位尺井深仪是一种用于测量井深、水深以及水位高度的测量工具。
在实际使用过程中,如果不注意安全操作和保养,将可能造成不必要的事故和故障,严重的还可能危及人身安全。
因此,掌握多功能水位尺井深仪的安全操作及保养规程是必要的,并规范操作行为,保证测量的准确性和工作的安全性。
2. 多功能水位尺井深仪安全操作2.1 选择合适的条件在进行井深测量时,应该选择干燥、清洁、无积水的孔口,以确保水位测量的准确性。
如果井口有积水或直径太小,需要先将水泵抽干,使用大小适宜的孔口适配器。
2.2 操作前的准备工作将多功能水位尺井深仪放置在平稳的水平面上,并接通电源。
在配制检验的过程中应该首先进行标定检验,以保证测量的准确性。
2.3 测量前的准备工作在测量前,应该先检查设备是否完好,尤其是探头、电缆和接头,确保没有破损、开裂等情况。
2.4 操作流程将电缆插入探头的接口,然后插到孔口内。
当探头浸入孔内后,要等待几个时刻,直到指数值稳定后在读数。
如果发现数值不稳,应该排除测量的干扰,确保测量的准确性。
操作完成后,将探头及电缆取出,用抹布擦干净。
2.5 操作注意事项•在操作多功能水位尺井深仪时,应该佩戴安全手套,以保护手部。
•操作时应该注意电缆的长度,不能拉伸过度。
•测量时应该避免让探头与管道接触,以防止探头受损。
•如果操作过程中多功能水位尺井深仪出现异常,应该及时排除故障并维修。
3. 多功能水位尺井深仪保养规程3.1 设备保养多功能水位尺井深仪长期处于存放状态,应该将设备翻盖并置于合适的温度和湿度条件下。
在使用后应该对设备进行清洗和消毒,确保设备的卫生。
3.2 探头保养使用后,探头应该用清水清洗干净,并用吹风机进行干燥,然后再用干净的抹布进行擦拭,确保探头干净无尘。
3.3 电缆保养在使用多功能水位尺井深仪时,要避免使电缆纠绕和受拉力。
使用后,先将电缆插头从探头中拔出,然后将电缆清洗干净并擦干。
钻井系统安全操作及保养规程钻井作业是石油、天然气等勘探开发行业的重要环节,也是一项高危作业。
为确保钻井作业的安全性,需要规范和统一钻井系统的安全操作及保养规程。
本文主要介绍钻井系统的安全操作及保养规程。
安全操作规程前期准备在进行钻井作业之前,需要做好以下前期准备工作:1.现场勘探:开展现场勘探,在确定井位之前,需要进行地质勘探、工程勘探和环境勘探,在确定钻井地点之前,需要进行地面环境调查、电力调查、水文调查和交通调查等。
根据勘探结果合理确定井位,确保井位合理、安全。
2.设计井深和井眼:根据地质勘探资料确定井深、井眼设计方案,并编制相应的计划。
3.选用仪器及设备:根据勘探结果,合理选用钻井设备、井下工具、测量仪器、防护设备等。
4.建立施工方案:编制合理的施工方案,确定施工步骤及要点。
钻井操作1.钻井过程中要不断监测井深、钻头位置等数据,积极进行调整和处理,以确保钻井过程的安全性。
2.选用合理的钻井液体积,以确保井深控制和井壁稳定。
3.应根据钻屑压力、循环流量、井深等因素做好钻井液的处理。
4.钻井过程中要严格控制排渣量和速度,及时处理钻井液。
5.在钻井过程中,彻底清除井内积水,防止积水对钻井作业的影响。
6.钻头在井内的位置需要进行定位,钻头接触井壁时需要适度调整钻速、循环率和造斜率。
关键部位操作1.钻杆:在使用钻杆的过程中,要注意钻杆的贮存、搬运,要尽可能将钻杆垂直放置,避免摆放过程中的钻杆碰撞和摩擦。
2.钻井管柱:在钻井管柱的安装和更换过程中,需要注意管柱的受力,避免断裂和变形。
需要根据井深、地质及天气等因素确定管柱型号和数量。
3.循环系统:循环系统是钻井系统中最关键的部位之一,需要进行实时监测和调整,以保证循环液体的清洁、稳定和安全。
4.钻头:钻头的选择应根据地质条件和钻井工艺。
在选择菜刀钻头时,需要注意速度和排渣能力,以免产生井壁损伤和管柱卡钻现象。
设备保养规程为确保钻井设备的运行稳定性和安全性,需要定期对钻井设备进行保养和检修。
数显式埋头深度测定仪安全操作及保养规程数显式埋头深度测定仪是一种常用的测量工具,广泛应用于工业、电子、医疗、航空航天等领域。
在使用过程中,正确的操作方法和规范的保养是保证测量精度和延长仪器使用寿命的重要手段。
本文将为大家介绍数显式埋头深度测定仪的安全操作和保养规程,以便用户正确认识并正确使用该仪器。
安全操作规程1. 要求操作人员具备相关专业知识使用数显式埋头深度测定仪必须由具有相关专业知识的操作人员进行。
操作人员应该熟悉仪器结构和性能、测量准确性要求、操作方法等,并具备正确处理突发事件的能力。
2. 仪器应放置平稳平整、干燥通风处使用数显式埋头深度测定仪时,应将其放在平稳平整、干燥通风的场所。
尽量避免仪器放置在受到震动、冲击或高温、潮湿等致使仪器故障或影响测量准确性的场所。
3. 使用前应检查仪表是否正常在使用数显式埋头深度测定仪之前,应检查其各部件是否正常运转。
运转正常后再进行校准和测量工作。
如在使用过程中发现故障,应立即停止使用并及时联系维修人员进行处理。
4. 操作时应注意安全在进行数显式埋头深度测定仪的操作时,应注意自身的安全和设备的安全。
操作人员应穿戴符合安全要求的劳保用具,不能将头发、衣袖等松散的物品靠近设备运转部位。
同时,也应注意仪器的防护措施,以防止误操作或其他不安全行为导致设备故障或影响人员安全。
5. 保持仪器清洁和干燥使用数显式埋头深度测定仪时,应保持仪器的清洁和干燥。
每次使用后,应用干净的软布或清洁钢丝等工具进行清洁,并保持仪器干燥通风。
在存放时也应防止仪器受潮、污染等。
6. 使用前应进行校准在使用数显式埋头深度测定仪前,应进行校准以满足精确的测量要求。
在进行校准时,应注意精确度和稳定性,并尽量减小可能存在的误差。
保养规程1. 定期清洁仪器因为数显式埋头深度测定仪较为敏感,任何灰尘和脏物都会造成测量误差,因此,保持它清洁对精度的保持至关重要。
定期使用洗刷剂清洗仪器表面,并使用喷雾器或清洗剂清洗到深处可以防止积沙和灰尘等物质堆积在仪器内部。
水深仪安全操作保养规程水深仪是一种用于测量水深的仪器,广泛应用于海洋调查、水文测量等领域。
在使用水深仪时,需要严格遵守操作规程,以确保测量数据的准确性和操作人员的安全。
本文将介绍水深仪的安全操作和保养规程。
安全操作规程1.确认设备完好:在使用水深仪前,应仔细检查设备是否完好,包括测量杆、控制器、电池等部分。
2.选择合适测量区域:应根据测量任务的需要,选择适宜的测量区域。
测量区域应尽量避开危险区域,如深水区、暗流区等。
3.穿戴防护装备:在操作水深仪时,应穿戴合适的防护装备,包括救生衣、安全鞋等。
4.固定测量杆:在进行水深测量时,应将测量杆牢固地固定在测量区域,避免杆体倾斜或倒塌。
5.避免碰撞:在操作水深仪时,应避免碰撞或摔落设备,以免影响测量数据和设备的使用寿命。
6.注意电池电量:在使用水深仪时,应注意电池电量的消耗情况,及时更换电池以保证设备正常工作。
7.注意操作顺序:在使用水深仪时,应按照正确的操作顺序进行操作,避免误操作或疏忽。
8.及时维护保养:在使用水深仪过程中,应及时清洁设备,防止灰尘或污垢影响设备的使用寿命。
如设备出现故障,应及时进行修理或更换。
保养规程1.清洁设备:在使用水深仪后,应进行清洁,包括测量杆、控制器、电池等部分,避免污垢积累影响设备性能。
2.存储设备:在不使用水深仪时,应将其存放在干燥、通风、避光的地方,避免阳光直射或受潮。
3.定期校准:水深仪需要定期进行校准,以确保测量数据的准确性。
建议每年进行一次校准。
4.更换电池:在电池电量低于警示线时,应及时更换电池,避免出现设备中断、数据丢失等问题。
5.防止碰撞:在保养过程中,应注意避免碰撞或摔落设备,以免损坏设备。
6.储存记录数据:应将测量数据存储在安全的地方,备份数据以免丢失。
结语通过遵守水深测量仪器的安全操作规程和保养规范,可以确保水深测量工作的准确性和操作人员的安全。
同时,定期检测和维护水深测量仪器,可以延长设备寿命,保证仪器的正常使用和测量数据的准确性。
井点设备安全操作规程1、入井指南①距离井口一米处挂置警示牌,标明井的坐标、名称、口径、井深、井壁材料、井壁稳定性、安全固定方式、井用途、井管道的编号、配电箱的位置等信息;②进行必要的测量,确定井口周围的安全范围;③挂好旋转井盖,确认井盖位置;④使用三角梯等登井工具,确保自身人身安全;⑤在井口护栏处放置打眼架等安全设备,以防止落出/掉落物品;⑥进入井后,下人应报告在上位的同事,告知井内情况。
2、工作明确①在井内作业时,必须进行班前讲解和操作指导,明确任务、人员分工和作业流程;②排除类似中毒、坍塌或其他安全隐患并严格按照安全操作规程进行作业;③在井内作业时与外界保持稳定的通讯设备,随时备用。
3、防护措施①在进入井前进行周围环境勘察;②核对与接地线路的连接情况,确保接地线路安全;③在进行作业时,随时关注自身与工作环境,防范电击和燃烧等事故的发生;④应落实必要的消防安全措施和现场管理措施,确保作业安全。
4、独立通道①井管道、独立通道等联合工作必须由两人以上集体作业;②在团队中分工合理,保证在必要时能够互相协助,防范突发情况;③清洗井内管道时,不可使用喷气泵,严格按照安全流程操作。
5、维修材料①井的维修或保养作业时,应使用符合国家相关认证的产品和材料;②在更新、更换或维修井时,应及时更新设备维护记录,并由中心机构进行管理;③严格按照《井点设备管理制度》中规定的期限,对设备进行检测和维修。
6、井口安全①井盖必须按照相关规范进行涂标记,能够清楚地标示井的类型、坐标、井壁材料以及井深等信息;②作业时,井盖上方应该设置相应的安全设施,如安全标志牌,提醒人们不要在井口上方待久、危险区域等。
7、环境保护①严格遵守相关环保规范,保证工作过程中不会对环境造成污染;②避免污染源进入井内,如雨水、油渍等;③将工作过程中产生的废弃物及时妥善处理。
8、事件处理①遇到突发情况,必须第一时间联系应急人员,根据条件对现场进行管理和控制;②在无法排除风险的情况下,必须暂停作业并及时汇报。
超埋深管道探测仪安全操作及保养规程前言超埋深管道探测仪是现代建设和维护城市基础设施不可或缺的工具,特别是在城市化进程不断加快的今天,它的重要性更加凸显。
在使用超埋深管道探测仪时,操作人员必须严格按照规则进行操作,以确保设备的安全和信号的准确性。
同时,定期的保养也是保证设备长期稳定运行的必要手段。
本文将详细介绍超埋深管道探测仪的安全操作及保养规程,以帮助使用者更好地维护设备。
安全操作规程1. 熟悉探测仪的结构和功能在正式操作超埋深管道探测仪前,首先必须熟悉它的结构和功能。
专业的使用者需要了解设备的原理、信号处理方式等,而一般使用者则需要掌握设备的基本界面、按键、指示灯等,避免操作失误。
2. 做好周围环境的检测和人员安全在进行探测工作前,必须对探测区域进行检测,并避免在易燃、易爆、有强电磁干扰的环境中操作探测仪。
同时,要保证现场工作人员和周围人员的人身安全。
3. 制定详细的操作流程和安全方案探测工作必须由专业人员组织,并按照细化的操作流程和安全方案进行。
操作人员必须清楚自己的职责范围和操作流程,避免操作失误和意外发生。
4. 使用正确的探测方法和参数设置不同的探测方法和参数设置会直接影响探测效果和数据的准确性,因此必须根据实际情况选择合适的探测方法和参数设置,并在操作过程中不断调整优化。
5. 注意验收核实工作在探测工作完成后,必须对探测数据进行细致的验收核实工作。
只有确保数据的准确性和可靠性,才能真正起到超埋深管道探测仪应有的作用。
保养规程1. 定期清洁探测仪探测仪在长期使用过程中,容易受到灰尘、泥沙、水汽等因素的影响,使其工作能力下降。
因此,探测仪必须定期清洁,保持其干净、整洁,确保触摸屏、按键、指示灯等的灵敏度和正常工作。
2. 及时更换电池探测仪使用的电池是其正常工作的重要保障。
因此,在探测仪使用时,必须注意电池的电量,避免电量耗尽影响探测工作。
同时,老化和损坏的电池需要及时更换,确保设备正常运作。
深井泵操作规程及保养汇编(6篇范文)第1篇深井泵操作规程及保养操作规程1.操作人员经考试合格取得操作证,方准进行操作,操作者应熟悉本机的性能、结构等,并要遵守安全和交接班制度。
2.开车前,检查油杯内的润滑油量是否够用。
打开出水阀及分路阀门,进行轴承的预润滑(开车后关掉分路阀门),检查电机、电器是否正常。
3.合闸启动后,听听运转响声是否正常,经常检查电机温度,(按电机绝缘级别温升规定检查);查看各仪表指示情况;检查填料处是否漏水过大或过热。
4.工作后,擦拭设备,切断电源,关闭出水阀,做好交接班。
日常保养1.清洗机器外观及环境。
2.检查电源线、磁力启动器,自动空气开关,自费减压启动器,开关容断器及回路装置。
3.检查控制回路开关,按钮按压状态,快相过流装置及接点连接状况。
4.检查交直流控制回路变压器、整流器直流电压电流表。
继电器、指示灯与警报器,接地是否良好。
5.检查电动机温度、接线套管防水状况。
6.紧固松动的螺栓。
7.补足润滑油,同时检查油质是否合格。
定期保养1.日常保养全部内容。
2.更换失效的问垫、密封件等。
3.调整皮带松紧。
4.检查接地电阻。
5.清洗油箱、更换新油。
6.更换填料。
第2篇深井泵安全技术操作规程(1)深井泵应使用在含砂量低于0.01%的清水泵,泵房内设预润水箱,容量应满足一次启动所需的预润水量。
(2)新装或经过大修的深井泵,应调整泵壳与叶轮的间隙,叶轮在运转中不得与壳体摩擦。
(3)深井泵在运转前应将清水通入轴与轴承的壳体内进行预润。
(4)深井泵启动前,检查项目应符合下列要求。
①底座基础螺栓已紧固。
②轴向间隙符合要求,调节螺栓的保险螺母已装好。
③填料压盖已旋紧并经过润滑。
④电动机轴承已润滑。
⑤用手旋转电动机转子和止推机构均灵活有效。
(5)深井泵不得在无水情况下空转。
水泵的一、二级叶轮应浸入水位1m以下。
运转中应经常观察井中水位的变化情况。
(6)运转中,当发现基础周围有较大振动时,应检查水泵的轴承或电动机填料处磨损情况,当磨损过多而漏水时,应更换新件。
井深仪安全操作及保养规程
一、前言
井深仪是用于测试钻井井眼深度的仪器,在石油工业中具有重要的
作用。
为了保障人员和设备的安全,正确操作和保养井深仪至关重要。
本文档旨在提供井深仪的安全操作和保养规程,以确保使用时的可靠
性和精确度。
二、安全操作
2.1 发射和接收探头的安全操作
1.在使用井深仪之前应当了解并掌握井深仪的使用方法,仔
细阅读说明书,并在实际操作中严格遵守各项操作规定。
2.在进行操作前应当检查井深仪和其配套设备是否正常运转,
如有任何问题应当先进行必要的维修和检修。
3.在进行发射和接收探头的操作时,应保持仪器的稳定性,
确保探头的定位正确无误,以免影响结果准确度。
4.在操作过程中,不得使用手套、松散的衣物或任何遮挡物
遮挡探头,以避免探头工作受到干扰。
5.操作时应注意安全距离,以免探头接触到任何可能损坏探
头的物体。
2.2 电源的安全操作
1.在更换电池时,应使用与井深仪规格相符的电池并带上绝
缘手套或使用工具,以免发生电击事故。
2.不得混用新旧电池,不得将电池混入垃圾或火灾区。
3.如果仪器出现一些奇异的现象,比如电池电量骤减或者电
池有其他异常的现象,应该及时停止使用并就近赶往修理点进行检测、维护。
2.3 数据处理的安全操作
1.在数据处理过程中,应当熟悉各种处理方法,并按照操作
指导书严格操作,不得擅自改变或者调整处理参数,以免影响结果准确性。
2.处理结果应经常进行比对和校验,以确保结果的可信度和
精确性。
3.需要对结果进行存储和归档时,应当根据具体情况选择合
适的流程和方式,以确保数据的安全性和完整性。
三、保养规程
3.1 探头的保养
1.在操作前和操作后,应当对探头进行定期的检查和清洁,
手套、尘沙、杂物或其他物品都可能会影响探头的工作效果。
2.探头需要定期更换套管,探头的尖端部分也需要进行检修,
以确保其精确度和稳定性。
3.探头应当妥善保管和存储,避免损坏和丢失。
3.2 仪器主机的保养
1.在使用井深仪后,应当将其清洁干净并妥善保管,避免碰
撞和摔落。
2.仪器主机需要定期进行维护保养,如清理、校正等操作,
以确保其精度和可靠性。
3.仪器需要定期进行检验和校准,避免测量误差过大。
四、总结
井深仪在石油工业中具有重要的作用,正确的操作和保养将保证其可靠性和精确度,进而提升整个石油产业的质量和效益。
为此,我们在使用时要注意安全操作,定期进行仪器保养,以确保其正常使用。
如果您在使用中发现任何问题,请及时联系专业人员进行处理,切勿自行拆卸、维修或改造仪器。