模具装配工艺卡(谷风工程)
- 格式:doc
- 大小:706.00 KB
- 文档页数:13
机械加工工序卡片产品型号零(部)件图号SLPG-01共19页产品名称塑料瓶盖模具零(部)件名称定模板第1页施工车间工序号工序名称金一10铣平面材料牌号同时加工件数冷却液45钢 1毛坯种类毛坯外形尺寸锻件320×255×65设备名称设备型号设备编号平面铣床X62W每毛坯件数每台件数工序工时11准终单件夹具编号夹具名称通用夹具安装工步内容工艺装备主轴转速(转//分)切削速度(米//分)进给量(毫米//齿)吃刀深度(毫米)走刀次数工时定额刃具量具辅具机动(min)辅助1粗铣后表面盘铣刀Φ400mm游标卡尺921160.18 2 1 2.6描图描校底图号装订号编制(日期)审核(日期)会签(日期)标准化(日期)标志处数更改文件号签字日期标志处数更改文件号签字日期机械加工工序卡片产品型号零(部)件图号 SLPG-01共19页产品名称塑料瓶盖模具零(部)件名称定模板第2页施工车间工序号工序名称金一20铣平面材料牌号同时加工件数冷却液45钢 1毛坯种类毛坯外形尺寸锻件320×255×65设备名称设备型号设备编号平面铣床X62W每毛坯件数每台件数工序工时11准终单件夹具编号夹具名称通用夹具安装工步内容工艺装备主轴转速(转//分)切削速度(米//分)进给量(毫米//齿)吃刀深度(毫米)走刀次数工时定额刃具量具辅具机动(min)辅助1粗铣前表面盘铣刀Φ400mm游标卡尺921160.182 1 2.6 2粗铣四周侧面盘铣刀Φ100mm491154 0.18210.9 描图描校底图号装订号编制(日期)审核(日期)会签(日期)标准化(日期)标志处数更改文件号签字日期标志处数更改文件号签字日期机械加工工序卡片产品型号零(部)件图号 SLPG-01共19页产品名称塑料瓶盖模具零(部)件名称定模板第3页施工车间工序号工序名称金一30铣平面材料牌号同时加工件数冷却液451毛坯种类毛坯外形尺寸锻件320×255×65车间工序号工序名称材料牌号金一40钻孔45毛坯种类毛坯外形尺寸每毛坯件数每台件数锻件320×255×651 1设备名称设备型号设备编号同时加工件数普通钻床夹具编号夹具名称冷却液台虎钳工步号工步内容刀具名称及编号量具名称及编号辅具名称及编号主轴转速转/分切削速度米/分走刀量毫米/转吃刀深度毫米走刀次数单件工时定额机动(min)辅助描图1钻6×Ф20的通孔Ф20钻头0~300/0.021432450.34.910.35描校底图号装订号编制(日期)校对(日期)会签(日期)标准化(日期)审核(日期)标志处数更改文件号签字日期标志处数更改文件号签字日期机械加工工序卡片产品型号零件图号 SLPG-01共19页产品名称塑料瓶盖模具零件名称定模板第5页车间工序号工序名称材料牌号金一50钻孔45毛坯种类毛坯外形尺寸每毛坯件数每台件数锻件320×255×651 1设备名称设备型号设备编号同时加工件数普通钻床夹具编号夹具名称冷却液台虎钳工步号工步内容刀具名称及编号量具名称及编号辅具名称及编号主轴转速转/分切削速度米/分走刀量毫米/齿吃刀深度毫米走刀次数单件工时定额机动(min)辅助描图1钻两侧2×Ф10孔Ф10钻头0~300/0.021432450.3 4.910.35描校底图号装订号编制(日期)校对(日期)会签(日期)标准化(日期)审核(日期)标志处数更改文件号签字日期标志处数更改文件号签字日期机械加工工序卡片产品型号零件图号 SLPG-01共19页产品名称塑料瓶盖模具零件名称定模板第6页车间工序号工序名称材料牌号金一60扩孔45毛坯种类毛坯外形尺寸每毛坯件数每台件数锻件320×255×651 1设备名称设备型号设备编号同时加工件数普通钻床夹具编号夹具名称冷却液台虎钳工步号工步内容刀具名称及编号量具名称及编号辅具名称及编号主轴转速转/分切削速度米/分走刀量毫米/齿吃刀深度毫米走刀次数单件工时定额机动(min)辅助描图1钻4×Ф28的通孔Ф28钻头游标卡尺1432450.31010.24描校底图号装订号编制(日期)校对(日期)会签(日期)标准化(日期)审核(日期)标志处数更改文件号签字日期标志处数更改文件号签字日期机械加工工序卡片产品型号零件图号 SLPG-01共19页产品名称塑料瓶盖模具零件名称定模板第7页车间工序号工序名称材料牌号金一70扩孔45毛坯种类毛坯外形尺寸每毛坯件数每台件数锻件320×255×651 1设备名称设备型号设备编号同时加工件数夹具编号夹具名称冷却液工步号工步内容刀具名称及编号量具名称及编号辅具名称及编号主轴转速转/分切削速度米/分走刀量毫米/齿吃刀深度毫米走刀次数单件工时定额机动(min)辅助描图1扩4×Ф20孔的端部至4×Ф28深25Φ28扩孔刀游标卡尺573.25360.121010.24描校底图号装订号编制(日期)校对(日期)会签(日期)标准化(日期)审核(日期)标志处数更改文件号签字日期标志处数更改文件号签字日期机械加工工序卡片产品型号零件图号SLPG-01 共19页产品名称塑料瓶盖模具零件名称定模板第8页车间工序号工序名称材料牌号机械加工工序卡片产品型号零件图号 SLPG-01共19页产品名称塑料瓶盖模具零件名称定模板第 9 页车间工序号工序名称材料牌号金一90攻丝45毛坯种类毛坯外形尺寸每毛坯件数每台件数锻件320×255×65设备名称设备型号设备编号同时加工件数夹具编号夹具名称冷却液工步号工步内容刀具名称及编号量具名称及编号辅具名称及编号主轴转速转/分切削速度米/分走刀量毫米/齿吃刀深度毫米走刀次数单件工时定额机动(min)辅助描图1攻Ф32.8孔至20mm深Ф32丝锥游标卡尺95.525 1.53810.61描校底图号描校底图号装订号编制(日期)校对(日期)会签(日期)标准化(日期)审核(日期)标志处数更改文件号签字日期标志处数更改文件号签字日期机械加工工序卡片产品型号零件图号SLPG-01共19页产品名称塑料瓶盖模具零件名称定模板第12页车间工序号工序名称材料牌号金一120特种加工45毛坯种类毛坯外形尺寸每毛坯件数每台件数锻件320×255×651 1设备名称设备型号设备编号同时加工件数夹具编号夹具名称冷却液工步号工步内容刀具名称及编号量具名称及编号辅具名称及编号主轴转速转/分切削速度米/分走刀量毫米/齿吃刀深度毫米走刀次数单件工时定额机动(min)辅助描图1电脉冲加工型腔精密尺寸千分尺描校底图号装订号编制(日期)校对(日期)会签(日期)标准化(日期)审核(日期)标志处数更改文件号签字日期标志处数更改文件号签字日期机械加工工序卡片产品型号零件图号 SLPG-01共19页产品名称塑料瓶盖模具零件名称定模板第13页车间工序号工序名称材料牌号金一130磨45毛坯种类毛坯外形尺寸每毛坯件数每台件数锻件320×255×651 1产品名称塑料瓶盖模具零件名称定模板第 14 页车间工序号工序名称材料牌号金一140磨45毛坯种类毛坯外形尺寸每毛坯件数每台件数锻件320×255×65设备名称设备型号设备编号同时加工件数夹具编号夹具名称冷却液工步号工步内容刀具名称及编号量具名称及编号辅具名称及编号主轴转速转/分切削速度米/分走刀量毫米/齿吃刀深度毫米走刀次数单件工时定额机动(min)辅助描图1磨型腔面砂轮千分尺描校底图号装订号编制(日期)校对(日期)会签(日期)标准化(日期)审核(日期)标志处数更改文件号签字日期标志处数更改文件号签字日期机械加工工序卡片产品型号零件图号SLPG-01共19页产品名称塑料瓶盖模具零件名称定模板第10页车间工序号工序名称材料牌号金一100珩磨45毛坯种类毛坯外形尺寸每毛坯件数每台件数锻件320×255×651 1设备名称设备型号设备编号同时加工件数磨床夹具编号夹具名称冷却液工步号工步内容刀具名称及编号量具名称及编号辅具名称及编号主轴转速转/分切削速度米/分走刀量毫米/齿吃刀深度毫米走刀次数单件工时定额机动(min)辅助描图1镗45×45孔镗刀0~300/0.0295.525 1.53810.61描校底图号装订号编制(日期)校对(日期)会签(日期)标准化(日期)审核(日期)标志处数更改文件号签字日期标志处数更改文件号签字日期机械加工工序卡片产品型号零件图号SLPG-01共19页产品名称塑料瓶盖模具零件名称定模板第15页车间工序号工序名称材料牌号金一150珩磨45毛坯种类毛坯外形尺寸每毛坯件数每台件数锻件320×255×651 1设备名称设备型号设备编号同时加工件数磨床夹具编号夹具名称冷却液工步工步内容刀具名称及量具名称及辅具名称及主轴转速切削速度走刀量吃刀深度走刀单件工时定额机动辅助描图号编号编号编号转/分米/分毫米/齿毫米次数(min)1磨浇口套的孔砂轮0~300/0. 02描校底图号装订号编制(日期)校对(日期)会签(日期)标准化(日期)审核(日期)标志处数更改文件号签字日期标志处数更改文件号签字日期机械加工工序卡片产品型号零件图号SLPG-01共19页产品名称塑料瓶盖模具零件名称定模板第16页车间工序号工序名称材料牌号金一160珩磨45毛坯种类毛坯外形尺寸每毛坯件数每台件数锻件320×255×651 1设备名称设备型号设备编号同时加工件数磨床夹具编号夹具名称冷却液。
制定装配工艺卡嘿,朋友!您知道啥是装配工艺卡不?这就好比是给装配工作画的一张精细地图,告诉咱们每一步该咋走,该用啥工具,啥顺序来干活儿。
要制定一张好的装配工艺卡,那可得像个细心的大厨准备一桌丰盛的宴席一样,方方面面都得考虑周全。
先来说说装配的对象吧。
这就好比要了解食客的口味,咱得清楚要装配的是个啥东西,结构复杂不?有啥特殊要求不?是个小巧玲珑的精密仪器,还是个大块头的机械设备?不同的对象,那“烹饪”方法可大不一样!然后就是装配的流程啦。
这就像做菜的步骤,先切菜还是先洗菜,可不能乱来。
每个零部件的安装顺序都得安排得明明白白。
比如说,要是先把后面才用得上的零件早早装好了,那前面的零件可能就没地方落脚啦,这不就乱套了?再说说用到的工具和设备。
这就跟大厨手里的锅铲、炉灶一样重要。
是需要扳手、螺丝刀,还是更高级的自动化工具?工具选得不对,就像大厨拿了把钝刀,能把菜做好才怪呢!还有装配的环境要求也不能忽视。
是需要在无尘车间,还是常温常压就行?环境不合适,装配出来的东西质量能有保障吗?另外,装配的质量检验标准也得明确。
这就好比大厨得知道菜做出来得达到啥标准才算合格。
是允许有一点点小瑕疵,还是得追求完美无瑕?您想想,要是没有一张详细准确的装配工艺卡,那装配现场不就跟战场一样混乱?工人们像没头的苍蝇到处乱撞,这能行吗?所以说啊,制定装配工艺卡可是个技术活,也是个细致活。
得把每个环节都琢磨透,每个细节都考虑到。
只有这样,才能装配出高质量的产品,让客户满意,让企业有竞争力。
您说是不是这个理儿?。
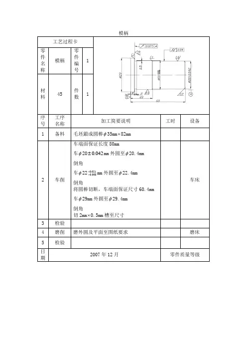
工艺过程卡欧阳歌谷(2021.02.01)零 件 名 称大 孔 凸 模零 件 编 号2材 料Cr12MoV件 数1序 号 工序 名称 加工简要说明工时 设备1 锻造 按Φ20×95mm 备料;2 热处理 退火;热处理炉3车 削 在车床上装夹校正,打中心孔,车外圆尺寸到 Φ20mm ,精车外圆到图纸要求,掉头平端面,车削Φ14mm 外圆到Φ14.25mm ,Φ15mm 外圆到Φ15.4mm ;车床 4 热处理 按照热处理工艺,对刃口工作部分局部淬火达到58~62HRC ;热处理炉5 外圆 磨削 磨削Φ14和Φ15mm 外圆到图纸要求的尺寸和粗糙度;万能外 圆磨床6 钳工 修整;7检验 根据图纸对尺寸和形状位置精度检验零件精度工艺过程卡零 件 名 称 小 孔 凸 模 零 件 编 号 3材 料 Cr12MoV 件 数4序 号 工序 名称 加工简要说明工时 设备1 锻造 按Φ15×95mm 备料;2 热处理 退火;热处理炉3车 削粗车外圆至Φ12.26mm ,精车Φ12mm 至尺寸要求。
两端允许打中心孔。
车削Φ6mm 到尺寸Φ6.1mm ,车削Φ8mm 外圆,留有单边0.2mm 余量,车削端面,到尺寸要求;车床4热处理按照热处理工艺,对刃口工作部分局部淬火达到58~62HRC;热处理炉5外圆磨削磨削Φ6mm和Φ8mm外圆到图纸要求的尺寸和粗糙度;万能外圆磨床6钳工修整;7检验根据图纸对尺寸和形状位置精度检验工艺过程卡零件名称挡料销零件编号4材料T8A件数2序号工序名称加工简要说明工时设备1锻造按Φ16×20mm备料;2热处理退火;热处理炉3车削在车床上装夹校正,打中心孔,车削端面,车Φ12mm和Φ6mm外圆,留单边0.2mm余量并倒角,车削2×0.2mm的槽至尺寸要求;车床4热处理按热处理工艺,局部淬火达到43~48HRC;热处理炉5外圆磨削磨削Φ12mm、Φ6mm和Φ12mm下端面,到图纸要求的尺寸和表面粗糙度;万能外圆磨床6钳工修整工艺过程卡零件名称导套零件编号5材料20钢件数2序号工序名称加工简要说明工时设备1锻造按Φ55×105mm备料;2热处理退火;热处理炉3车削在车床上装夹校正,打中心孔,粗精车Φ46mm外圆到尺寸,并倒圆角,车削端面到尺寸,车削Φ38mm外圆,留单边0.2mm磨削余量,车削Φ28mm的内孔并且留有单边0.2mm的磨削余量;车床4热处理按热处理工艺,局部淬火达到58~62HRC;热处理炉5外圆磨削磨削Φ38mm外圆和Φ28mm内孔,到图纸要求的尺寸和表面粗糙度;万能外圆磨床6钳工修整工艺过程卡零件名称导柱零件编号6材料20钢件数2序号工序名称加工简要说明工时设备1锻造按Φ35×175mm备料;2热处理退火;热处理炉3车削在车床上装夹校正,打中心孔,车Φ28mm外圆,留单边0.2mm余量并倒角,车削端面到尺寸要求,车削4×2mm的槽至尺寸要求;车床4热处理按热处理工艺,局部淬火达到58~62HRC;热处理炉5外圆磨削磨削左端Φ28mm至图纸要求的尺寸和粗糙度,磨削中间和右边Φ28mm外圆时注意右端在模具装配时为过盈配合不可将尺寸磨削成负偏差,符合图纸要求的尺寸和表面粗糙度即可;万能外圆磨床6钳工修整工艺过程卡零件名称顶杆零件编号7材料45钢件数4序号工序名称加工简要说明工时设备1锻造按Φ15×115mm备料;2热处理退火;热处理炉3车削在车床上装夹校正,打中心孔,车两端Φ6mm外圆,留单边0.2mm余量并倒角,车削端面到尺寸要求,车削2×1mm的槽至尺寸要求,用板牙攻M6的螺纹;车床4热处理按热处理工艺,局部淬火达到35~40HRC;热处理炉5铣削铣削4mm段的六角螺帽;铣床6外圆磨削磨削左端Φ6mm外圆,到图纸要求的尺寸和表面粗糙度;万能外圆磨床7钳工修整工艺过程卡零件名称顶杆固定板零件编号8材料45钢件数1序号工序名称加工简要说明工时设备1锻造按135×85mm备料;2热处理退火;热处理炉3铣削铣削130×80mm的矩形到尺寸;车床4钻削先划线,再用样冲点窝,之后再用Φ3mm的钻头打底孔,最后按图纸要求依次扩孔,其中M6的螺纹孔只做到Φ5.3mm;热处理炉5钳工用丝锥手动攻4个M6的内螺纹,并铰削4个Φ10mm的孔到尺寸;6平面磨削磨削零件上下表面到图纸要求;平面磨床7钳工修整工艺过程卡零件名称顶杆固定板2零件编号9材料45钢件数1序号工序名称加工简要说明工时设备1锻造按135×85mm备料;2热处理退火;热处理炉3数控铣削因该零件中间部分Φ51mm的大孔无法在钻床上完成因此在数控铣床上铣削,装夹找正,铣削130×80mm的外轮廓,铣削Φ51mm的大孔,钻削4个Φ10mm的孔留有0.2mm的铰削余量,铰孔,翻面,使用内孔找正铣削130×80mm的外轮廓;数控铣床5平面磨削磨削上下表面到图纸要求的尺寸和表面粗糙度;平面磨床6钳工修整,去毛刺工艺过程卡零件名称固定凸凹模零件编号10材料Cr12MoV件数1序号工序名称加工简要说明工时设备1锻造按Φ85×50mm备料;2热处理退火;热处理炉3数控车削在数控车床上装夹校正,打中心孔,车Φ80mm和Φ26mm外圆,留单边0.2mm磨削余量,车削端面,镗削内孔Φ13.9mm的尺寸留0.2mm磨削余量,车削R4和R2的凸球,并留有磨削余量;数控车床4钻削钻削4个M6的螺纹孔到Φ5.3mm,2个Φ6m m的销孔,留待以后调好间隙后配作;钻床5钳工攻螺纹;6热处理按热处理工艺,局部淬火达到60~62HRC;热处理炉7外圆磨削磨削Φ14mm的内孔,磨削Φ26mm和R4、R2的凸球部分,到图纸要求的尺寸和表面粗糙度;万能外圆磨床8钳工修整工艺过程卡零件名称活动凸凹模零件编号11材料Cr12MoV件数1序号工序名称加工简要说明工时设备1锻造按Φ60×43mm备料;2热处理退火热处理炉3数控车削在车床上装夹校正,打中心孔,车Φ50.24mm外圆,留单边0.2mm余量,车削和Φ58.23mm外圆至尺寸要求,车削端面到尺寸要求,车削内孔留0.2mm的磨削余量;数控车床4钻削钻4个Φ6mm孔并铰孔,忽孔深度为14.34mm钻床5热处理按热处理工艺,局部淬火达到60~62HRC;热处理炉6外圆磨削磨削Φ50.24mm和Φ18mm的内孔到图纸要求的尺寸和表面粗糙度,磨削上下两端面,磨削下表面圆角部分;万能外圆磨床7钳工修整工艺过程卡零件名称落料凹模零件编号12材料Cr12MoV件数1序号工序名称加工简要说明工时设备1锻造按Φ125×45mm备料;2热处理退火热处理炉3车削在车床上装夹校正,打中心孔,车Φ120mm的外圆到尺寸,车削26mm深的内圆柱孔,车削端面到尺寸要求,车削Φ50.34mm内圆,留单边0.3mm的磨削余量;车床4钻削钻四个螺纹孔,并攻内螺纹,2个Φ8mm的销孔,留待以后调好间隙后配作;钻床5热处理按热处理工艺,局部淬火达到60~64HRC热处理炉6外圆磨削磨削Φ50.34mm内圆柱到图纸要求的尺寸和表面粗糙度,磨削上下圆柱端面;万能外圆磨床7钳工修整工艺过程卡零件名称模柄零件编号13材料Q235件数1序号工序名称加工简要说明工时设备1锻造按Φ90×83mm备料;2热处理退火热处理炉3车削在车床上装夹校正,打中心孔,车Φ85mm和Φ40mm外圆,留单边0.2mm余量并倒角,车削上下端面留有磨削余量;车床4钻削钻削4个螺纹过孔,并且铰孔钻床5热处理按热处理工艺,局部淬火达到43~48HRC热处理炉6外圆磨削磨削Φ85mm、Φ40mm图纸要求的尺寸和表面粗糙度;万能外圆磨床7钳工修整工艺过程卡零件名称下模垫板零件编号14材料45钢件数1序号工序名称加工简要说明工时设备1锻造按Φ125×9m m备料;2热处理退火热处理炉3车削在车床上装夹校正,打中心孔,车Φ120mm外圆,车削中间圆孔到尺寸要求,车削端面到尺寸要求,;车床4钻削钻削所有的螺纹过孔,所有的销孔,留待以后调好间隙后配作钻床5热处理按热处理工艺,局部淬火达到43~48HRC热处理炉6平面磨削磨削上下表面,到图纸要求的尺寸和表面粗糙度;平面磨床7钳工修整工艺过程卡零件名称橡胶零件编号15材料聚氨酯件数1序号工序名称加工简要说明工时设备1备料按Φ70×60mm备料;2钳工将孔的位置划线,并加工出来工艺过程卡零件名称小孔凹模零件编号15材料Cr12MoV件数1序号工序名称加工简要说明工时设备1锻造按Φ55×35mm备料;2热处理退火热处理炉3车削在车床上装夹校正,打中心孔,粗精车Φ48mm外圆到尺寸,车削端面到尺寸要求,车内孔留单边0.2mm余量;车床4插削在Φ26内圆柱表面插2.8mm深,宽度为6mm的键槽到图纸要求插床5钻削钻削4个顶杆孔,钻削4个冲裁孔,并铰孔;钻床6热处理按热处理工艺,局部淬火达到58~62HRC;热处理炉7外圆磨削磨削Φ26mm内圆柱表面,到图纸要求的尺寸和表面粗糙度;万能外圆磨床8钳工修整工艺过程卡零件名称卸料套筒零件编号17材料Q235件数1序号工序名称加工简要说明工时设备1锻造按Φ25×35mm备料;2热处理退火热处理炉3车削在车床上装夹校正,打中心孔,车Φ22mm外圆到尺寸,车削端面到尺寸要求,车Φ14mm内孔、Φ18mm外圆,留有单边各0.2mm的磨削余量;车床4热处理按热处理工艺,局部淬火达到43~48HRC热处理炉5外圆磨削磨削Φ14mm内孔和Φ18mm外圆,到图纸要求的尺寸和表面粗糙度;万能外圆磨床6钳工修整工艺过程卡零件名称压料板零件编号18材料45钢件数1序号工序名称加工简要说明工时设备1锻造按205×115mm备料;2热处理退火热处理炉3数控铣削在数控铣床上装夹校正,铣削200x110mm的外轮廓到尺寸要求,铣削Φ58圆孔,钻削4个Φ8螺纹过孔,钻削两个挡料销过孔;数控铣床4热处理按热处理工艺,局部淬火达到43~48HRC热处理炉5平面磨削磨削上下表面,到图纸要求的尺寸和表面粗糙度;平面磨床6钳工修整工艺过程卡零件名称凸模固定板零件编号19材料45钢件数1序号工序名称加工简要说明工时设备1锻造按Φ165×10mm备料;2热处理退火热处理炉3车削在车床上装夹校正,打中心孔,车Φ160mm外圆,到尺寸,车削端面到尺寸要求,车削Φ14mm的内孔并铰孔,留0.2mm的磨削余量;车床4钻削钻削4个Φ8mm的孔并铰孔至尺寸,钻削4个螺纹过孔,2个Φ8mm的销孔先不打,留待以后与上模座和凸凹模固定腔合钻;钻床5热处理按热处理工艺,局部淬火达到43~48HRC热处理炉6平面磨削磨削上下表面,到图纸要求的尺寸和表面粗糙度;平面磨床7钳工修整工艺过程卡零件名称凸凹模固定腔零件编号20材料45钢件数1序号工序名称加工简要说明工时设备1锻造按Φ160×60mm备料;2热处理退火热处理炉3车削在车床上装夹校正,打中心孔,车Φ160mm和Φ120mm外圆并倒角,车削端面到尺寸要求,车削Φ80mm和Φ54mm的内孔至尺寸要求;车床4钻削钻削4个Φ8.9mm的螺纹孔,并攻M10的内螺纹Φ8H7的销孔留作以后合钻;钻床5平面磨削磨削零件的右端面,到图纸要求的尺寸和表面粗糙度;平面磨床6钳工修整工艺过程卡零件名称上模垫板零件编号21材料45钢件数1序号工序名称加工简要说明工时设备1锻造按Φ165×10mm备料;2热处理退火热处理炉3车削在车床上装夹校正,打中心孔,车Φ160mm外圆,车削两端面,留有0.2mm的磨削余量;车床4钻削钻削4个螺纹过孔,并铰孔至尺寸要求,销孔留待以后合钻;4热处理按热处理工艺,局部淬火达到43~48HRC热处理炉5平面磨削磨削上下面,到图纸要求的尺寸和表面粗糙度;平面磨床6钳工修整工艺过程卡零件名称上模座零件编号22材料HT200件数1序号工序名称加工简要说明工时设备1锻造锻造毛坯;2热处理退火3涂底漆4刨削刨各个平面,其中上、下平面各留0.2mm的磨削余量;车床5平面磨削磨削上、下平面保证尺寸40mm;平面磨床6钳工划轮廓线,划导套孔、销孔、螺纹过孔线;7铣削按照轮廓线铣外轮廓至尺寸要求;铣床8镗削镗削Φ38mm导套孔和Φ87mm模柄孔至图纸要求;坐标镗9钳工钻削所有的螺纹过孔,所有销孔留到模具调试;无误后,与上模垫板的零件合钻;10钳工精修全面达到图纸要求工艺过程卡零件名称下模座零件编号23材料HT200件数1序号工序名称加工简要说明工时设备1锻造锻造毛坯;2热处理退火3涂底漆4刨削刨各个平面,其中上、下平面各留0.2mm的磨削余量;车床5平面磨削磨削上、下平面保证尺寸45mm;平面磨床6钳工划轮廓线,划导套孔、销孔、螺纹过孔线、落料孔;7铣削按照轮廓线铣外轮廓至尺寸要求;铣床8镗削镗削Φ25导柱孔至图纸要求;坐标镗9钳工钻削所有的螺纹过孔,所有销孔留到模具调试无误后,与上模垫板的零件合钻;10钳工精修全面达到图纸要求。
×××厂装配工艺过程卡片产品型号零件图号
产品名称零件名称共页第页
工序号工序
名称
工序内容装配
部门
设备及工艺装备辅助材料
工时
定额
min
Ⅰ装配领件、清洗、检查装配250细平锉、汽油或柴油
机油、黄油Ⅱ部装叶轮、机械密封、泵盖与电机组装装配活动扳手、砂布200#
叶轮螺母专用扳手抹布
Ⅲ双头螺栓等与泵体组装手锤、铜棒、125x6螺丝批
百分表及表架
Ⅳ总装总装装配
Ⅴ检验泵性能试验或气压密封试验(由质检部门测试)质检水泵性能试验专用设备
Ⅵ装配拆卸、抹干、涂油、二次装配装配
设计(日期) 审核(日期)会签(日期) 标记处数更改文件号签字日期标记处数更改文件号签字日期
XX厂装配工序卡片产品型号GD 零件图号
产品名称管道泵零件名称共 1 页第 1 页
工序号Ⅰ工序名称领件、清洗、检查车间装配工段设备工序工时工
步号工步内容工艺装备辅助材料
工时
定额
min
1 按产品总装图领出所有专用件和标准件;250细平锉汽油或柴油机油
2 所有零件去除毛刺,清洗干净,擦干,涂油待装。
三角刮刀200#细砂布
抹布
1
设计(日期) 审核(日期)会签(日期) 标记处数更改文件号签字日期标记处数更改文件号签字日期
XX厂装配工序卡片产品型号GD 零件图号
产品名称管道泵零件名称共 3 页第 1 页
工序号Ⅱ工序名称叶轮.机械密封..泵盖.电机组装车间装配工段部装设备工序工时简图
1。