钢板桩支护计算手册
- 格式:docx
- 大小:126.34 KB
- 文档页数:6
钢板桩基坑支护计算书一、结构计算依据1、国家现行的建筑结构设计规范、规程行业标准以及广东省建筑行业强制性标准规范、规程。
2、提供的地质勘察报告。
3、工程性质为管线构筑物,管道埋深4.8~4.7米。
4、本工程设计,抗震设防烈度为六度。
5、管顶地面荷载取值为:城-A级。
6、本工程地下水位最小埋深为2.0m。
7、本工程基坑计算采用理正深基坑支护结构计算软件。
(1)内支撑计算内支撑采用25H 型钢 A=92.18cm 2i x =10.8cm i y =6.29cm Ix=10800cm 4Iy=3650cm4Wx=864cm 3][126.11529.6725][13.678.10725λλλλ===<===y y x i l i l x查得464.0768.0==y x ϕϕ内支撑N=468.80kN ,考虑自重作用,M x =8.04N ·m MPa f A N fy y 215][6.1091018.92464.01080.46823=<=⨯⨯⨯=⋅=ϕMPa f Wx Mx A N fx x 215][05.58107.1361004.810117768.01080.4684623=<=⨯⨯+⨯⨯⨯=+⋅=ϕ(2)围檩计算取第二道围檩计算,按2跨连续梁计算,采用30H 型钢A=94.5cm 2 i x =13.1cm i y =7.49cm Ix=20500cm 4 Iy=6750cm 4 Wx=1370cm 3[ 计算结果 ]挡土侧支座负弯距为:M max =0.85×243.3kN ·m=206.8kN ·m ,跨中弯矩为M max =183.4kN ·m 支座处: MPa cmmkN Wx M 9.15013708.206max 13=⋅==σ,考虑钢板桩结构自身的抗弯作用,可满足安全要求。
跨中:][87.13313704.183max 23σσ<=⋅==MPa cmm kN Wx M支护结构受力计算5.3米深支护计算---------------------------------------------------------------------- [ 支护方案 ]---------------------------------------------------------------------- 排桩支护[ 基本信息 ]---------------------------------------------------------------------- [ 超载信息 ]---------------------------------------------------------------------- [ 附加水平力信息 ]---------------------------------------------------------------------- [ 土层信息 ]---------------------------------------------------------------------- [ 土层参数 ]---------------------------------------------------------------------- [ 支锚信息 ]---------------------------------------------------------------------- [ 土压力模型及系数调整 ]----------------------------------------------------------------------弹性法土压力模型: 经典法土压力模型:---------------------------------------------------------------------- [ 工况信息 ]-------------------------------------------------------------------------------------------------------------------------------------------- [ 设计结果 ]-------------------------------------------------------------------------------------------------------------------------------------------- [ 结构计算 ]---------------------------------------------------------------------- 各工况:内力位移包络图:地表沉降图:---------------------------------------------------------------------- [ 截面计算 ]----------------------------------------------------------------------[ 截面验算 ]基坑内侧抗弯验算(不考虑轴力)σnei = Mn / Wx= 134.931/(2200.000*10-6)= 61.332(MPa) < f = 215.000(MPa) 满足基坑外侧抗弯验算(不考虑轴力)σwai = Mw / Wx= 115.502/(2200.000*10-6)= 52.501(MPa) < f = 215.000(MPa) 满足式中:σwai———基坑外侧最大弯矩处的正应力(Mpa);σnei———基坑内侧最大弯矩处的正应力(Mpa);Mw ———基坑外侧最大弯矩设计值(kN.m);Mn ———基坑内侧最大弯矩设计值(kN.m);Wx ———钢材对x轴的净截面模量(m3);f ———钢材的抗弯强度设计值(Mpa);---------------------------------------------------------------------- [ 整体稳定验算 ]----------------------------------------------------------------------计算方法:瑞典条分法应力状态:有效应力法条分法中的土条宽度: 0.40m滑裂面数据整体稳定安全系数 K s = 1.180圆弧半径(m) R = 12.220圆心坐标X(m) X = -3.876圆心坐标Y(m) Y = 2.422---------------------------------------------------------------------- [ 抗倾覆稳定性验算 ]---------------------------------------------------------------------- 抗倾覆安全系数:M p ——被动土压力及支点力对桩底的抗倾覆弯矩, 对于内支撑支点力由内支撑抗压力 决定;对于锚杆或锚索,支点力为锚杆或锚索的锚固力和抗拉力的较小值。
钢板桩支护结构设计计算书一、计算依据:1、《建筑基坑支护技术规程》JGJ120-20122、《建筑施工计算手册》江正荣编著3、《实用土木工程手册》第三版杨文渊编著4、《施工现场设施安全设计计算手册》谢建民编著5、《土力学与地基基础》二、参数信息1、基本参数2、土层参数3、荷载参数4、计算系数三、土压力计算土压力分布示意图附加荷载布置图1、主动土压力计算1)主动土压力系数K a1=tan2(45°- φ1/2)= tan2(45-13.15/2)=0.629;K a2=tan2(45°- φ2/2)= tan2(45-13.15/2)=0.629;K a3=tan2(45°- φ3/2)= tan2(45-15/2)=0.589;K a4=tan2(45°- φ4/2)= tan2(45-15/2)=0.589;K a5=tan2(45°- φ5/2)= tan2(45-15/2)=0.589;K a6=tan2(45°- φ6/2)= tan2(45-15/2)=0.589;K a7=tan2(45°- φ7/2)= tan2(45-15/2)=0.589;2)土压力、地下水产生的水平荷载第1层土:0-1.2mH1'=[∑γ0h0+∑q1]/γi=[0+3]/19.4=0.155mP ak1上=γ1H1'K a1-2c1K a10.5=19.4×0.155×0.629-2×32.25×0.6290.5=-49.263kN/m2 P ak1下=γ1(h1+H1')K a1-2c1K a10.5=19.4×(1.2+0.155)×0.629-2×32.25×0.6290.5=-34.62kN/m2第2层土:1.2-2.55mH2'=[∑γ1h1+∑q1]/γsati=[23.28+3]/20=1.314mP ak2上=[γsat2H2'-γw(∑h1-h a)]K a2-2c2K a20.5+γw(∑h1-h a)=[20×1.314-10×(1.2-1.2)]×0.629-2×32.25×0.6290.5+10×(1.2-1.2)=-34.625kN/m2P ak2下=[γsat2(H2'+h2)-γw(∑h1-h a)]K a2-2c2K a20.5+γw(∑h1-h a)=[20×(1.314+1.35)-10×(2.55-1.2)]×0.629-2×32.25×0.6290.5+10×(2.55-1.2)=-12.633kN/m2第3层土:2.55-4mH3'=[∑γ2h2+∑q1]/γsati=[50.28+3]/22=2.422mP ak3上=[γsat3H3'-γw(∑h2-h a)]K a3-2c3K a30.5+γw(∑h2-h a)=[22×2.422-10×(2.55-1.2)]×0.589-2×62×0.5890.5+10×(2.55-1.2)=-58.233kN/m2P ak3下=[γsat3(H3'+h3)-γw(∑h2-h a)]K a3-2c3K a30.5+γw(∑h2-h a)=[22×(2.422+1.45)-10×(4-1.2 )]×0.589-2×62×0.5890.5+10×(4-1.2)=-33.484kN/m2第4层土:4-5.55mH4'=[∑γ3h3+∑q1+∑q1b1/(b1+2a1)]/γsati=[82.18+3+1.167]/22=3.925mP ak4上=[γsat4H4'-γw(∑h3-h a)]K a4-2c4K a40.5+γw(∑h3-h a)=[22×3.925-10×(4-1.2)]×0.589-2×62×0.5890.5+10×(4-1.2)=-32.797kN/m2P ak4下=[γsat4(H4'+h4)-γw(∑h3-h a)]K a4-2c4K a40.5+γw(∑h3-h a)=[22×(3.925+1.55)-10×(5.55-1.2)]×0.589-2×62×0.5890.5+10×(5.55-1.2)=-6.342kN/m2第5层土:5.55-7mH5'=[∑γ4h4+∑q1+∑q1b1/(b1+2a1)]/γsati=[116.28+3+1.167]/22=5.475mP ak5上=[γsat5H5'-γw(∑h4-h a)]K a5-2c5K a50.5+γw(∑h4-h a)=[22×5.475-10×(5.55-1.2)]×0.589-2×62×0.5890.5+10×(5.55-1.2)=-6.342kN/m2P ak5下=[γsat5(H5'+h5)-γw(∑h4-h a)]K a5-2c5K a50.5+γw(∑h4-h a)=[22×(5.475+1.45)-10×(7-1.2 )]×0.589-2×62×0.5890.5+10×(7-1.2)=18.407kN/m2第6层土:7-8.55mH6'=[∑γ5h5+∑q1+∑q1b1/(b1+2a1)+∑q1b1l1/((b1+2a1)(l1+2a1)]/γsati=[148.18+3+1.167+0. 5]/22=6.948mP ak6上=[γsat6H6'-γw(∑h5-h a)]K a6-2c6K a60.5+γw(∑h5-h a)=[22×6.948-10×(7-1.2)]×0.589-2×62×0.5890.5+10×(7-1.2)=18.705kN/m2P ak6下=[γsat6(H6'+h6)-γw(∑h5-h a)]K a6-2c6K a60.5+γw(∑h5-h a)=[22×(6.948+1.55)-10×(8.55-1.2)]×0.589-2×62×0.5890.5+10×(8.55-1.2)=45.16kN/m2第7层土:8.55-9mH7'=[∑γ6h6+∑q1+∑q1b1/(b1+2a1)+∑q1b1l1/((b1+2a1)(l1+2a1)]/γsati=[182.28+3+1.167+0.5]/20=9.347mP ak7上=[γsat7H7'-γw(∑h6-h a)]K a7-2c7K a70.5+γw(∑h6-h a)=[20×9.347-10×(8.55-1.2)]×0.589-2×0×0.5890.5+10×(8.55-1.2)=140.316kN/m2P ak7下=[γsat7(H7'+h7)-γw(∑h6-h a)]K a7-2c7K a70.5+γw(∑h6-h a)=[20×(9.347+0.45)-10×(9-1.2 )]×0.589-2×0×0.5890.5+10×(9-1.2)=147.467kN/m23)水平荷载临界深度:Z0=7-P ak5下h5/(P ak5上+P ak5下)=7-18.407×1.45/(6.342+18.407)=5.922m;第1层土E ak1=0kN;第2层土E ak2=0kN;第3层土E ak3=0kN;第4层土E ak4=0kN;第5层土E ak5=0.5P ak5下Z0b a=0.5×18.407×5.922×0.001=0.055kN;a a5=(7-Z0)/3+∑h6=(7-5.922)/3+2=2.359m;第6层土E ak6=h6(P a6上+P a6下)b a/2=1.55×(18.705+45.16)×0.001/2=0.049kN;a a6=h6(2P a6上+P a6下)/(3P a6上+3P a6下)+∑h7=1.55×(2×18.705+45.16)/(3×18.705+3×45.16)+0.45=1.118m;第7层土E ak7=h7(P a7上+P a7下)b a/2=0.45×(140.316+147.467)×0.001/2=0.065kN;a a7=h7(2P a7上+P a7下)/(3P a7上+3P a7下)=0.45×(2×140.316+147.467)/(3×140.316+3×147.467)=0.223m;土压力合力:E ak=ΣE aki=0+0+0+0+0.055+0.049+0.065=0.169kN;合力作用点:a a=Σ(a ai E aki)/E ak=(0×0+0×0+0×0+0×0+2.359×0.055+1.118×0.049+0.223×0.065)/0.169=1.178m;2、被动土压力计算1)被动土压力系数K p1=tan2(45°+ φ1/2)= tan2(45+15/2)=1.698;K p2=tan2(45°+ φ2/2)= tan2(45+15/2)=1.698;K p3=tan2(45°+ φ3/2)= tan2(45+15/2)=1.698;K p4=tan2(45°+ φ4/2)= tan2(45+15/2)=1.698;2)土压力、地下水产生的水平荷载第1层土:5-5.55mH1'=[∑γ0h0]/γi=[0]/20=0mP pk1上=γ1H1'K p1+2c1K p10.5=20×0×1.698+2×62×1.6980.5=161.581kN/m2P pk1下=γ1(h1+H1')K p1+2c1K p10.5=20×(0.55+0)×1.698+2×62×1.6980.5=180.259kN/m2 第2层土:5.55-6.2mH2'=[∑γ1h1]/γi=[11]/20=0.55mP pk2上=γ2H2'K p2+2c2K p20.5=20×0.55×1.698+2×62×1.6980.5=180.259kN/m2P pk2下=γ2(h2+H2')K p2+2c2K p20.5=20×(0.65+0.55)×1.698+2×62×1.6980.5=202.333kN/m2 第3层土:6.2-8.55mH3'=[∑γ2h2]/γsati=[24]/22=1.091mP pk3上=[γsat3H3'-γw(∑h2-h p)]K p3+2c3K p30.5+γw(∑h2-h p)=[22×1.091-10×(1.2-1.2)]×1.698 +2×62×1.6980.5+10×(1.2-1.2)=202.336kN/m2P pk3下=[γsat3(H3'+h3)-γw(∑h2-h p)]K p3+2c3K p30.5+γw(∑h2-h p)=[22×(1.091+2.35)-10×(3.55 -1.2)]×1.698+2×62×1.6980.5+10×(3.55-1.2)=273.72kN/m2第4层土:8.55-9mH4'=[∑γ3h3]/γsati=[75.7]/20=3.785mP pk4上=[γsat4H4'-γw(∑h3-h p)]K p4+2c4K p40.5+γw(∑h3-h p)=[20×3.785-10×(3.55-1.2)]×1.69 8+2×0×1.6980.5+10×(3.55-1.2)=112.136kN/m2P pk4下=[γsat4(H4'+h4)-γw(∑h3-h p)]K p4+2c4K p40.5+γw(∑h3-h p)=[20×(3.785+0.45)-10×(4-1.2 )]×1.698+2×0×1.6980.5+10×(4-1.2)=124.277kN/m23)水平荷载第1层土E pk1=b a h1(P p1上+P p1下)/2=0.001×0.55×(161.581+180.259)/2=0.094kN;a p1=h1(2P p1上+P p1下)/(3P p1上+3P p1 )+∑h2=0.55×(2×161.581+180.259)/(3×161.581+3×180.259)+3.45=3.72m;下第2层土E pk2=b a h2(P p2上+P p2下)/2=0.001×0.65×(180.259+202.333)/2=0.124kN;a p2=h2(2P p2上+P p2下)/(3P p2上+3P p2)+∑h3=0.65×(2×180.259+202.333)/(3×180.259+3×202.333)+2.8=3.119m;下第3层土E pk3=b a h3(P p3上+P p3下)/2=0.001×2.35×(202.336+273.72)/2=0.559kN;a p3=h3(2P p3上+P p3下)/(3P p3上+3P p3)+∑h4=2.35×(2×202.336+273.72)/(3×202.336+3×273.72)+0.45=1.566m;下第4层土E pk4=b a h4(P p4上+P p4下)/2=0.001×0.45×(112.136+124.277)/2=0.053kN;a p4=h4(2P p4上+P p4下)/(3P p4上+3P p4下)=0.45×(2×112.136+124.277)/(3×112.136+3×124.277)=0.221m;土压力合力:E pk=ΣE pki=0.094+0.124+0.559+0.053=0.83kN;合力作用点:a p=Σ(a pi E pki)/E pk=(3.72×0.094+3.119×0.124+1.566×0.559+0.221×0.053)/0.83=1.956m;3、基坑内侧土反力计算1)主动土压力系数K a1=tan2(45°-φ1/2)= tan2(45-15/2)=0.589;K a2=tan2(45°-φ2/2)= tan2(45-15/2)=0.589;K a3=tan2(45°-φ3/2)= tan2(45-15/2)=0.589;K a4=tan2(45°-φ4/2)= tan2(45-15/2)=0.589;2)土压力、地下水产生的水平荷载第1层土:5-5.55mH1'=[∑γ0h0]/γi=[0]/20=0mP sk1上=(0.2φ12-φ1+c1)∑h0(1-∑h0/l d)υ/υb+γ1H1'K a1=(0.2×152-15+62)×0×(1-0/4)×0.012/0 .012+20×0×0.589=0kN/m2P sk1下=(0.2φ12-φ1+c1)∑h1(1-∑h1/l d)υ/υb+γ1(h1+H1')K a1=(0.2×152-15+62)×0.55×(1-0.55/4 )×0.012/0.012+20×(0+0.55)×0.589=50.121kN/m2第2层土:5.55-6.2mH2'=[∑γ1h1]/γi=[11]/20=0.55mP sk2上=(0.2φ22-φ2+c2)∑h1(1-∑h1/l d)υ/υb+γ2H2'K a2=(0.2×152-15+62)×0.55×(1-0.55/4)×0. 012/0.012+20×0.55×0.589=50.121kN/m2P sk2下=(0.2φ22-φ2+c2)∑h2(1-∑h2/l d)υ/υb+γ2(h2+H2')K a2=(0.2×152-15+62)×1.2×(1-1.2/4)×0.012/0.012+20×(0.55+0.65)×0.589=91.416kN/m2第3层土:6.2-8.55mH3'=[∑γ2h2]/γsati=[24]/22=1.091mP sk3上=(0.2φ32-φ3+c3)∑h2(1-∑h2/l d)υ/υb+[γsat3H3'-γw(∑h2-h p)]K p3+γw(∑h2-h p)=(0.2×152-1 5+62)×1.2×(1-1.2/4)×12/12+[22×1.091-10×(1.2-1.2)]×0.589+10×(1.2-1.2)=91.417kN /m2P sk3下=(0.2φ32-φ3+c3)∑h3(1-∑h3/l d)υ/υb+[γsat3(H3'+h3)-γw(∑h3-h p)]K p3+γw(∑h3-h p)=(0.2×152-15+62)×3.55×(1-3.55/4)×12/12+[22×(1.091+2.35)-10×(3.55-1.2)]×0.589+10×(3. 55-1.2)=90.989kN/m2第4层土:8.55-9mH4'=[∑γ3h3]/γsati=[75.7]/20=3.785mP sk4上=(0.2φ42-φ4+c4)∑h3(1-∑h3/l d)υ/υb+[γsat4H4'-γw(∑h3-h p)]K p4+γw(∑h3-h p)=(0.2×152-1 5+0)×3.55×(1-3.55/4)×12/12+[20×3.785-10×(3.55-1.2)]×0.589+10×(3.55-1.2)=66.22 7kN/m2P sk4下=(0.2φ42-φ4+c4)∑h4(1-∑h4/l d)υ/υb+[γsat4(H4'+h4)-γw(∑h4-h p)]K p4+γw(∑h4-h p)=(0.2×152-15+0)×4×(1-4/4)×12/12+[20×(3.785+0.45)-10×(4-1.2)]×0.589+10×(4-1.2)=61.39 6kN/m23)水平荷载第1层土P sk1=b0h1(P s1上+P s1下)/2=0.001×0.55×(0+50.121)/2=0.014kN;a s1=h1(2P s1上+P s1下)/(3P s1上+3P s1下)+∑h2=0.55×(2×0+50.121)/(3×0+3×50.121)+3.45=3.633m;第2层土P sk2=b0h2(P s2上+P s2下)/2=0.001×0.65×(50.121+91.416)/2=0.046kN;a s2=h2(2P s2上+P s2下)/(3P s2上+3P s2 )+∑h3=0.65×(2×50.121+91.416)/(3×50.121+3×91.416)+2.8=3.093m;下第3层土P sk3=b0h3(P s3上+P s3下)/2=0.001×2.35×(91.417+90.989)/2=0.214kN;a s3=h3(2P s3上+P s3下)/(3P s3上+3P s3 )+∑h4=2.35×(2×91.417+90.989)/(3×91.417+3×90.989)+0.45=1.626m;下第4层土P sk4=b0h4(P s4上+P s4下)/2=0.001×0.45×(66.227+61.396)/2=0.029kN;a s4=h4(2P s4上+P s4下)/(3P s4上+3P s4下)=0.45×(2×66.227+61.396)/(3×66.227+3×61.396)=0.228m;土压力合力:P pk=ΣP pki=0.014+0.046+0.214+0.029=0.303kN;合力作用点:a s=Σ(a si P ski)/P pk=(3.633×0.014+3.093×0.046+1.626×0.214+0.228×0.029)/0.303=1.808m;P sk=0.303kN≤E p=0.83kN满足要求!四、稳定性验算1、嵌固稳定性验算E pk a pl/(E ak a al)=0.83×1.956/(0.169×1.178)=8.155≥K e=1.2满足要求!2、整体滑动稳定性验算圆弧滑动条分法示意图K si=∑{c j l j+[(q j b j+ΔG j)cosθj-μj l j]tanφj}/∑(q j b j+ΔG j)sinθc j、φj──第j土条滑弧面处土的粘聚力(kPa)、内摩擦角(°);b j──第j土条的宽度(m);θj──第j土条滑弧面中点处的法线与垂直面的夹角(°);l j──第j土条的滑弧段长度(m),取l j=b j/cosθj;q j──作用在第j土条上的附加分布荷载标准值(kPa) ;ΔG j──第j土条的自重(kN),按天然重度计算;u j──第j土条在滑弧面上的孔隙水压力(kPa),采用落底式截水帷幕时,对地下水位以下的砂土、碎石土、粉土,在基坑外侧,可取u j=γw h waj,在基坑内侧,可取u j=γw h wpj;滑弧面在地下水位以上或对地下水位以下的粘性土,取u j =0;γw──地下水重度(kN/m3);h waj──基坑外侧第j土条滑弧面中点的压力水头(m);h wpj──基坑内侧第j土条滑弧面中点的压力水头(m);min{ K s1,K s2,……,K si,……}=0.855< K s=1.3不满足要求,增加内支撑,详见支撑计算书3、渗透稳定性验算渗透稳定性简图承压水作用下的坑底突涌稳定性验算:D γ /(h wγw) =∑h iγi /(h wγw)=(0.55×20+3×20+0.75×20.5)/(6×10)=1.44D γ /(h wγw) =1.44≥K h=1.1满足要求!五、结构计算1、材料参数2、支护桩的受力简图计算简图弯矩图(kN·m)M k=0.324kN.m剪力图(kN)V k=0.21kN3、强度设计值确定M=γ0 γF M k=1×1.25×0.324=0.405kN·mV=γ0γF V k=1×1.25×0.21=0.263kN4、材料的强度计算σmax=M/(γW)=0.405×106/(1.05×88×103)=4.383N/mm2≤[f]=205N/mm2满足要求!H`=(WH2-(H-t)2(W-2t))/(2(WH-(H-t)(W-2t))=(400×852-(85-8)2(400-2×8))/(2(400×85 -(85-8)(400-2×8))=69mmS=t(H-H`)2=8×(85-69)2=2048mm3,τmax=VS/It=0.263×2048×103/(598×104×8)=0.011N/mm2≤[f]=125N/mm2满足要求!。
钢板桩支护验算计算书一、工程概况本标段的三座框架桥。
位于穂莞深城际铁路新塘至洪梅段中堂动车所内。
桥址区属于珠江三角洲滨海平原区,地势平坦。
主要用于河涌排洪。
JGDK1+676框架桥(1G15m-5m)与中堂运用所正线斜交67°,全桥长18.03m,斜宽167.76m,底板厚1.2m,边墙厚0.8m,顶板厚0.9m,全桥为一跨结构;地表标高为1.9-2.2m,基坑底标高-2.48m~-2.31m,基坑开挖深度4.2m~4.5m。
二、钢板桩支护结构施工方案我局管段穗莞深城际SZH-6标,桥位均处于软土及水涌中,框架桥基坑开挖均采用钢板桩支护;河涌段水位较浅,先设草袋围堰施工框架桥基础,开挖时再设钢板桩支护。
支护墙体采用9m长钢板桩,钢板桩基坑顶处设置300G300的H型钢围檩,支撑体系采用内支撑形式,采用Ф325G6mm钢管,长18.6m,间距6m。
1、钢板桩支护1)钢板桩的选用采用拉森Ⅲ型钢板桩(B=400mm,H=125mm,t=13mm)。
考虑地质情况和开挖深度的需要,施工采用浅埋单层支点排桩墙,选用9m长度的钢板桩。
2、钢板桩的插打总体施工流程:施工准备→测量定位→打钢板桩→钢板桩合拢→钢板桩外拉锚→清底→封底→垫层→底板施工→脚手架架设→顶板、边墙施工→钢板桩围堰拆除。
钢板桩采用逐片插打逐渐纠偏直至合拢,插打时利用挖掘机或吊车附带钢丝绳吊起后,液压振动捶夹板夹住钢板桩到位,按要求沿框架桥四周每边外放1.5米要求,振动锤边振动边插打。
为了确保插打位置准确,第一片钢板桩要从两个互相垂直的方向同时控制,确保其垂直度在0.5%内,然后以此为基础向两边插打。
考虑到水位高的因素,转交处使用特制角桩插打,整个钢板桩形成一个整体,达到安全止水的最佳效果。
3、钢支撑结构形式为了确保基坑开挖及钢板桩安全可靠,钢板桩墙体支撑体系尤为重要。
具体支撑及安装位置见附图1,支撑结构材料如下:1)钢板桩支护墙体坡顶处采用300G300的H型钢围檩,每个对角采用三块300mm ×300mm×10mm钢板连接;对角斜撑采用两300G300的H型钢,对角处用四块250mm ×250mm×10mm钢板连接。
钢板桩支护计算书以开挖深度3.5米和宽度1.1米为准计算一设计资料1桩顶高程H1:1.900m 施工水位H2:1.600m2 地面标高H0:2.40m开挖底面标高H3:-1.100m 开挖深度H:3.500m3土的容重加全平均值γ1:18.3KN/m3土浮容重γ’: 10.0KN/m3内摩擦角加全平均值Ф:20.10°4均布荷q:20.0KN/m25每段基坑开挖长a=10.0m 基坑开挖宽b=1.1m二外力计算1作用于板桩上的土压力强度及压力分布图k a=tg2(45°-φ/2)=tg2(45-20.10/2)=0.49k p=tg2(45°+φ/2)=tg2(45+20.10/2)=2.05板桩外侧均布荷载换算填土高度h,h=q/r=20.0/18.3=1.09m桩顶以上土压力强度Pa1Pa1=r×(h+0.25)Ka=18.3×(1.09+0.25) ×0.49=12.0KN/m2水位土压力强度Pa2Pa2=r×(h+3.5 -3.00 )Ka=18.3×(1.09+3.5 -3.00 )× 0.49=14.3KN/m2开挖面土压力强度Pa3Pa3=[r×(h+3.5 -3.00 )+(r-rw)(3.00 +3.40)}Ka=[18.3×(1.09+3.6 -3.00 )+(18.3-10) ×(3.00+3.40)] ×0.49=40.28KN/m2三确定内支撑层数及间距按等弯距布置确定各层支撑的30#B型钢板桩能承受的最大弯距确定板桩顶悬臂端的最大允许跨度h:弯曲截面系W Z0=0.001350m3,折减系数β=0.7采用值W Z=βW Z0=0.00135×0.7=0.000945m3容许抗拉强[σ]= 200000.0KPa由公式σ=M/Wz得:最大弯矩M0=Wz×[σ]=189.0KN*m1假定最上层支撑位置与水位同高,则支点处弯矩M'=Pa1*(H1-H2)2/2+(Pa2-Pa2)(H1-H2)2/6=9.2KN*m<M0=189.0KN*m 故,支撑点可设置在水位下。
钢板桩支护计算书采用12m的拉森钢板桩进行基坑围护,围护示意图如下:沿钢板桩深度方向设立二道斜角400×400H型钢支撑,相应位置见上图。
根据地质勘探报告,得各土层物理参数如下:①层平均层厚为2.4m,容重取20kN/m3,粘结力c=0,主动侧压力系数取0.2;②层平均层厚为 3.0m,容重取20.3kN/m3,粘结力c=0,内摩擦角为33.33°,主动土压力系数Ka=tan2(45-33.33/2)=0.29,被动土压力系数Kp= tan2(45+33.33/2)=3.44;③层平均层厚为2.6m,容重取20.2kN/m3,粘结力c=51.3,内摩擦角为9.9°,主动土压力系数Ka=tan2(45-9.9/2)=0.71,被动土压力系数Kp= tan2(45+9.9/2)=1.42;④层平均层厚为7.4m,容重取19.7kN/m3,粘结力c=33.2,内摩擦角为11.4°,主动土压力系数Ka=tan2(45-11.4/2)=0.67,被动土压力系数Kp= tan2(45+11.4/2)=1.49;⑤层平均层厚为8.15m,容重取20.1kN/m3,粘结力c=68,内摩擦角为13.7°,主动土压力系数Ka=tan2(45-13.7/2)=0.62,被动土压力系数Kp= tan2(45+13.7/2)=1.62;一、钢板桩最小入土深度(根据C点支撑反力为零计算出最小入土深度)基坑开挖深度6m,取钢板桩单位长度为计算单元。
钢板桩为拉森III型钢板桩,围囹、支撑、锚桩均采用400×400的H型钢,相应的截面性能参数见计算书后附件。
按上图的支护方式,计算图式可简化为三点支撑的连续梁,结构简图及荷载分布图如下(采用结构力学求解器进行求解):结构弯矩图如下:剪力图如下:在此支撑模式下,坑底最小入土深度为1.2m。
此时支撑点C的反力为零。
出于安全考虑,钢板桩入土深度实际施工时按3m施工。
钢板桩支护设计计算1 主要计算内容钢板桩支护设计中主要进行以下计算:(l)钢板桩内力计算。
(2)支撑系统内力计算。
(3)稳定性验算。
(4)变形估算。
各项计算内容又包含多个子项,下面逐个阐述其计算方法及步骤。
2 计算方法及步骤2.1 钢板桩内力计算对钢板桩进行内力分析的方法很多,设计时应根据支护的构造形式选择合适的分析方法,本文仅对等值梁法进行介绍,计算步骤如下。
(l)计算反弯点位置。
假定钢板桩上土压力为零的点为反弯点,设其位于开挖面以下y 处,则有:整理得:(1)式中,,——坑内外土层的容重加权平均值;H——基坑开挖深度;K a——主动土压力系数;K pi——放大后的被动土压力系数。
(2)按简支梁计算等值梁的最大弯矩和支点反力。
等值梁法计算简图如图1所示。
(3)计算钢板桩的最小人土深度。
由等值梁BG求算板桩的人土深度,取,则由上式求得(2)桩的最小人土深度:t0=y+x (3)如桩端为一般的土质条件,应乘以系数1.1~1.2 ,即t= (1.1~1.2)t0对于多层支点的支护体系,常采用等弯矩布置的形式以充分利用钢板桩的抗弯强度,减少支护体系的投人量。
其计算步骤为:a.根据所选钢板桩型号由以下公式确定最大悬臂长度h 。
(4)式中,f——钢板桩抗弯强度设计值;W——截面抗弯模量;、K a——同前b.根据表1确定各支撑跨度。
2.2 支撑系统内力计算多层支撑点布置见图2支撑内计算主要是分析围檩和撑杆(或拉锚)的内力,围檩为受均布荷载作用的连续梁,均布荷载的大小可按下式计算:(5)式中,q k——第k层围凛承受的荷载;H—―围檩至墙顶的距离;——相临两跨度值。
撑杆按偏心受压构件计算其内力即可,作用力为:(6)式中,——相临两支撑间距。
2.3 稳定性验算支护体系的稳定性验算是基坑工程设计计算的重要环节,主要包括整体稳定性分析、抗倾覆或踢脚稳定性分析、基底抗隆起稳定分析和抗管涌验算等。
(1)整体稳定性分析。
钢板桩基坑支护计算书一、结构计算依据1、国家现行的建筑结构设计规范、规程行业标准以及广东省建筑行业强制性标准规范、规程。
2、提供的地质勘察报告。
3、工程性质为管线构筑物,管道埋深4.8~4.7米。
4、本工程设计,抗震设防烈度为六度。
5、管顶地面荷载取值为:城-A级。
6、本工程地下水位最小埋深为2.0m。
7、本工程基坑计算采用理正深基坑支护结构计算软件。
(1)内支撑计算内支撑采用25H 型钢 A=92.18cm 2i x =10.8cm i y =6.29cm Ix=10800cm 4Iy=3650cm4Wx=864cm 3][126.11529.6725][13.678.10725λλλλ===<===y y x i l i l x查得464.0768.0==y x ϕϕ内支撑N=468.80kN ,考虑自重作用,M x =8.04N ·m MPa f A N fy y 215][6.1091018.92464.01080.46823=<=⨯⨯⨯=⋅=ϕ MPa f Wx Mx A N fx x 215][05.58107.1361004.810117768.01080.4684623=<=⨯⨯+⨯⨯⨯=+⋅=ϕ(2)围檩计算取第二道围檩计算,按2跨连续梁计算,采用30H 型钢A=94.5cm 2 i x =13.1cm i y =7.49cm Ix=20500cm 4 Iy=6750cm 4 Wx=1370cm 3[ 计算结果 ]挡土侧支座负弯距为:M max =0.85×243.3kN ·m=206.8kN ·m ,跨中弯矩为M max =183.4kN ·m 支座处: MPa cmmkN Wx M 9.15013708.206max 13=⋅==σ,考虑钢板桩结构自身的抗弯作用,可满足安全要求。
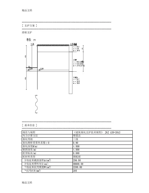
跨中:][87.13313704.183max 23σσ<=⋅==MPa cmm kN Wx M支护结构受力计算5.3米深支护计算---------------------------------------------------------------------- [ 支护方案 ]---------------------------------------------------------------------- 排桩支护[ 基本信息 ]---------------------------------------------------------------------- [ 超载信息 ]---------------------------------------------------------------------- [ 附加水平力信息 ]---------------------------------------------------------------------- [ 土层信息 ]---------------------------------------------------------------------- [ 土层参数 ]---------------------------------------------------------------------- [ 支锚信息 ]---------------------------------------------------------------------- [ 土压力模型及系数调整 ]----------------------------------------------------------------------弹性法土压力模型: 经典法土压力模型:---------------------------------------------------------------------- [ 工况信息 ]-------------------------------------------------------------------------------------------------------------------------------------------- [ 设计结果 ]-------------------------------------------------------------------------------------------------------------------------------------------- [ 结构计算 ]---------------------------------------------------------------------- 各工况:内力位移包络图:地表沉降图:---------------------------------------------------------------------- [ 截面计算 ]----------------------------------------------------------------------[ 截面验算 ]基坑内侧抗弯验算(不考虑轴力)σnei = Mn / Wx= 134.931/(2200.000*10-6)= 61.332(MPa) < f = 215.000(MPa) 满足基坑外侧抗弯验算(不考虑轴力)σwai = Mw / Wx= 115.502/(2200.000*10-6)= 52.501(MPa) < f = 215.000(MPa) 满足式中:σwai———基坑外侧最大弯矩处的正应力(Mpa);σnei———基坑内侧最大弯矩处的正应力(Mpa);Mw ———基坑外侧最大弯矩设计值(kN.m);Mn ———基坑内侧最大弯矩设计值(kN.m);Wx ———钢材对x轴的净截面模量(m3);f ———钢材的抗弯强度设计值(Mpa);---------------------------------------------------------------------- [ 整体稳定验算 ]----------------------------------------------------------------------计算方法:瑞典条分法应力状态:有效应力法条分法中的土条宽度: 0.40m滑裂面数据整体稳定安全系数 K s = 1.180圆弧半径(m) R = 12.220圆心坐标X(m) X = -3.876圆心坐标Y(m) Y = 2.422---------------------------------------------------------------------- [ 抗倾覆稳定性验算 ]---------------------------------------------------------------------- 抗倾覆安全系数:M p ——被动土压力及支点力对桩底的抗倾覆弯矩, 对于内支撑支点力由内支撑抗压力 决定;对于锚杆或锚索,支点力为锚杆或锚索的锚固力和抗拉力的较小值。
钢板桩支护计算书1.设计依据1.1《基坑工程手册》(第二版),刘国斌、王卫东主编,中国建筑工业出版社,20091.2《简明深基坑工程设计施工手册》,赵志缙、应惠清主编,中国建筑工业出版社1.3《土力学》,卢延浩主编,河海大学出版社1.4《建筑结构静力计算手册》(第二版),中国建筑工业出版社1.5《钢结构设计规范 GB50017-2003》2.设计说明2.1工程概况本工程循环水管道工程C段,基坑底标高-3.0m,基坑宽10.6m,基坑周围采用拉森IV型钢板桩进行支护,钢板桩单根宽40cm,长12m。
首先开挖土方至+3.5m,打设拉森IV型钢板桩后,开挖土方至+1m,钢板桩横向之间采用双45a工字钢进行连接,DN530×9.7钢管进行内支撑,支撑中心距钢板桩顶0.75m,支护完成后开挖至底标高-3.0m。
注:本支撑体系中,验算时以开挖至+3.5m时打设钢板桩处即入土深度5.5m,板桩悬挑高度为6.5m进行结构计算;实际施工时,根据施工经验,为增加支撑体系整体稳定性,首次开挖至+2.5m后打设钢板桩,届时钢板桩入土深度达到6.5m,悬挑高度5.5m。
钢板桩支护断面图钢板桩支撑立面图牛腿支撑图钢管与工字钢连接图2.2计算项目2.2.1钢板桩抗弯验算2.2.2支撑体系稳定性验算(1)工字钢抗剪强度及稳定性验算(2)钢管强度和稳定性验算(3)牛腿抗剪计算2.3最不利受力情况钢板桩所受荷载主要为土压力、运输车产生的荷载、挖掘机产生的荷载及履带吊吊装PCCP管产生的荷载等。
经验算:基坑开挖完成后,150t履带吊吊40tPCCP管安装时,钢板桩受力为最不利状况。
履带吊受力情况示意图Fmax=1960KN150t履带吊履带接地长度7200mm,P=1960/7.2=273KN/m。
集中荷载对土压力的影响范围:上部距顶面2×tg23°=0.98m;下部距顶面2×tg(45°+23°÷2)=3.02m。
精心整理支护计算书一.设计资料该项目的支护结构非主体结构的一部分;开挖深度为9.7m<10m;在等于开挖深度的水平距离内无临近建筑物。
故可以认为该坑的安全等级为二级。
重要性系数取γ0=1.0。
地面标高:-0.5m基础底面标高:-10.2m开挖深度:9.7m2.支点力T c1设支点位于地面以下4m ,即支点处标高为-4,5m对反弯点处弯矩为03.嵌固深度h d求最小h d ,用软件解如下方程161.66*(x+5.7)+(29.45*x+41.04)*(x-1.8)*(x-1.8)/6+19.296*(x-1.39)-1.2*(15.19+275.74+4.125)*x-1.2*845.57=0解得h d =7.500m五.弯矩计算 119.73kPa根据《建筑基坑支护技术规程》(JGJ120-99)的规定按下列规定计算其设计值: 截面弯矩设计值MM =1.25γ0M c式中γ0——重要性系数,取1.01. 锚固点弯矩设计值2. 剪力为0处弯矩设计值(开挖面上方)设地面到该点距离为2h3. 剪力为0处弯矩设计值(开挖面下方)1231231.2.设锚杆锚固长度为10m ,其中点到地面距离为8.31m ,直径为14cm 。
水平分力kN T T c d 49.2425.115.1=⨯=若取K=1.50,则修正为12m最后确定的锚固段长度为12m 。
3.钢拉杆截面选择取361φ,则其抗拉强度设计值:满足要求。
七.围檩受力计算围檩受到拉锚和钢板桩传来作用力,可按简支梁计算。
选用两排[18的槽钢,333104.2411027.120mm W ⨯=⨯⨯= 满足要求。
共需要376m 的[18热轧轻型槽钢。
七.抗倾覆验算满足要求。
支护计算书一.设计资料该项目的支护结构非主体结构的一部分;开挖深度为9.7m<10m ;在等于开挖深度的水平距离内无临近建筑物.故可以认为该坑的安全等级为二级.重要性系数取γ0=1.0. 地面标高:-0.5m基础底面标高:-10.2m开挖深度:9.7m地下水位:-1.5m地面均布荷载:20kN/m 2土层:地表层有1m 厚的杂填土,其下为均质粉质粘土基坑外侧的粘土都看做饱和粘土;基坑内侧因为排水,看做有1.8m 深含水量16%的粘土,其下为饱和粘土.二.选择支护形式由于土质较好,水位较高,开挖深度一般,故选择钢板桩加单层土层锚杆支护.三.土压力计算1.竖向土压力的计算公式:j mj rk z γσ=基坑外侧:基坑内侧:2.主动土压力的计算取0'2 a e主动土压力零点:主动土压力示意图3.被动土压力的计算4.土压力总和开挖面以上只有主动土压力.开挖面以下:再往下,每米增加29.45kpa 的负向土压力.1m 条带中,土压力分块的合力 压力区块压力合力kN 距上端距离m 距下端距离m 1 15.19 0.58 0.42119.73k四.嵌固深度计算1.反弯点解得h=0.569m2.支点力Tc1设支点位于地面以下4m,即支点处标高为-4,5m对反弯点处弯矩为03.嵌固深度hd用软件解如下方程求最小hd,161.66x+5.7+29.45x+41.04x-1.8x-1.8/6+19.296x-1.39-1.215.19+275.74+4.125x -1.2845.57=0=7.500m解得hd五.弯矩计算根据建筑基坑支护技术规程JGJ120-99的规定按下列规定计算其设计值:截面弯矩设计值MM=1.25γ0M c式中γ——重要性系数,取1.01.锚固点弯矩设计值2.剪力为0处弯矩设计值开挖面上方设地面到该点距离为h23.剪力为0处弯矩设计值开挖面下方设开挖面到该点距离为h3选用FSP-Ⅲ型钢板桩日本产拉森钢板桩.钢板桩所受最大弯曲应力为:满足允许应力要求.基坑四角采用0.2×0.2的角桩.则钢板桩的支护面积为:该型号钢板桩每平米的质量为150kg 钢板桩总重:t kg 6.50150155268.3343150==⨯六.锚杆计算根据规范JGJ120-994.6.9锚杆长度设计应符合下列规定:1锚杆自由段长度不宜小于5m 并应超过潜在滑裂面1.5m ;2土层锚杆锚固段长度不宜小于4m ;3锚杆杆体下料长度应为锚杆自由段、锚固段及外露长度之和,外露长度须满足台座、腰梁尺寸及张拉作业要求.锚杆布置应符合以下规定:1锚杆上下排垂直间距不宜小于2.0m,水平间距不宜小于1.5m;2锚杆锚固体上覆土层厚度不宜小于4.0m ;3锚杆倾角宜15°-25°,为且不应大于45°.选用25°倾角.1.锚杆自由段长度锚杆自由段长度取5.2m,外伸长度0.5m.2.锚杆锚固长度设锚杆锚固长度为10m,其中点到地面距离为8.31m,直径为14cm.水平分力kN T T c d 49.2425.115.1=⨯=若取K=1.50,则修正为12m最后确定的锚固段长度为12m.3.钢拉杆截面选择取361φ,则其抗拉强度设计值:满足要求.七.围檩受力计算围檩受到拉锚和钢板桩传来作用力,可按简支梁计算.选用两排18的槽钢,33310⨯=⨯=W⨯10120mm2414.7.2满足要求.共需要376m的18热轧轻型槽钢.七.抗倾覆验算满足要求.。
---------------------------------------------------------------------- [ 支护方案 ]---------------------------------------------------------------------- 排桩支护---------------------------------------------------------------------- [ 基本信息 ]---------------------------------------------------------------------- [ 超载信息 ]---------------------------------------------------------------------- [ 附加水平力信息 ]---------------------------------------------------------------------- [ 土层信息 ]---------------------------------------------------------------------- [ 土层参数 ]---------------------------------------------------------------------- [ 土压力模型及系数调整 ]---------------------------------------------------------------------- 弹性法土压力模型: 经典法土压力模型:---------------------------------------------------------------------- [ 工况信息 ]-------------------------------------------------------------------------------------------------------------------------------------------- [ 设计结果 ]-------------------------------------------------------------------------------------------------------------------------------------------- [ 结构计算 ]---------------------------------------------------------------------- 各工况:内力位移包络图:地表沉降图:---------------------------------------------------------------------- [ 截面计算 ]----------------------------------------------------------------------[ 截面验算 ]基坑内侧抗弯验算(不考虑轴力) σnei = M / W= 0.000/(2200.000*10-6) = 0.000(kPa)= 0.000(MPa) < f = 205.000(MPa) 满足基坑外侧抗弯验算(不考虑轴力) σwai = M / W= 152.371/(2200.000*10-6) = 69259.407(kPa)= 69.259(MPa) < f = 205.000(MPa) 满足----------------------------------------------------------------------[ 整体稳定验算 ]----------------------------------------------------------------------计算方法:瑞典条分法应力状态:总应力法条分法中的土条宽度: 0.40m滑裂面数据整体稳定安全系数 K s = 2.799圆弧半径(m) R = 9.233圆心坐标X(m) X = -1.232圆心坐标Y(m) Y = 4.651----------------------------------------------------------------------[ 抗倾覆稳定性验算 ]----------------------------------------------------------------------抗倾覆安全系数:p, 对于内支撑支点力由内支撑抗压力决定;对于锚杆或锚索,支点力为锚杆或锚索的锚固力和抗拉力的较小值。
板桩支护计算书计算依据:1、《建筑基坑支护技术规程》JGJ120-20122、《建筑施工计算手册》江正荣编著3、《实用土木工程手册》第三版杨文渊编著4、《施工现场设施安全设计计算手册》谢建民编著5、《土力学与地基基础》6、《钢板桩》JG/T196-2018一、参数信息1、基本参数2、支撑高度位置参数3、土层参数4、荷载参数5、计算系数总体示意图土压力分布示意图附加荷载布置图二、根据实际嵌固深度计算支护桩稳定性1、主动土压力计算1)主动土压力系数K a1=tan2(45°- φ1/2)= tan2(45-12/2)=0.656;K a2=tan2(45°- φ2/2)= tan2(45-22/2)=0.455;K a3=tan2(45°- φ3/2)= tan2(45-20/2)=0.49;2)土压力、地下水产生的水平荷载第1层土:0-2mH1'=[∑γ0h0+∑q1]/γi=[0+20]/19=1.053mP ak1上=γ1H1'K a1-2c1K a10.5=19×1.053×0.656-2×0×0.6560.5=13.115kN/m2P ak1下=γ1(h1+H1')K a1-2c1K a10.5=19×(2+1.053)×0.656-2×0×0.6560.5=38.034kN/m2第2层土:2-7mH2'=[∑γ1h1+∑q1]/γsati=[38+20]/22=2.636mP ak2上=γsat2H2'K a2-2c2K a20.5=22×2.636×0.455-2×10×0.4550.5=12.898kN/m2P ak2下=γsat2(h2+H2')K a2-2c2K a20.5=22×(5+2.636)×0.455-2×10×0.4550.5=62.943kN/m2第3层土:7-12mH3'=[∑γ2h2+∑q1]/γsati=[148+20]/22=7.636mP ak3上=γsat3H3'K a3-2c3K a30.5=22×7.636×0.49-2×20×0.490.5=54.361kN/m2P ak3下=γsat3(h3+H3')K a3-2c3K a30.5=22×(5+7.636)×0.49-2×20×0.490.5=108.292kN/m2 3)水平荷载临界深度:Z0=0m第1层土E ak1=h1(P ak1上+P ak1下)b a/2=2×(13.115+38.034)×1/2=51.149kN;a a1=h1(2P ak1上+P ak1下)/(3P ak1上+3P ak1=2×(2×13.115+38.034)/(3×13.115+3×38.034)+10=10.838m;下)+∑h2第2层土E ak2=h2(P ak2上+P ak2下)b a/2=5×(12.898+62.943)×1/2=189.603kN;a a2=h2(2P ak2上+P ak2下)/(3P ak2上+3P ak2=5×(2×12.898+62.943)/(3×12.898+3×62.943)+5=6.95m;下)+∑h3第3层土E ak3=h3(P ak3上+P ak3下)b a/2=5×(54.361+108.292)×1/2=406.633kN;a a3=h3(2P ak3上+P ak3下)/(3P ak3上+3P ak3下)=5×(2×54.361+108.292)/(3×54.361+3×108.292)=2.224m;土压力合力:E ak=ΣE aki=51.149+189.603+406.633=647.384kN;合力作用点:a a=Σ(a ai E aki)/E ak=(10.838×51.149+6.95×189.603+2.224×406.633)/647.384=4.289m;2、被动土压力计算1)被动土压力系数K p1=tan2(45°+ φ1/2)= tan2(45+22/2)=2.198;K p2=tan2(45°+ φ2/2)= tan2(45+22/2)=2.198;K p3=tan2(45°+ φ3/2)= tan2(45+20/2)=2.04;2)土压力、地下水产生的水平荷载第1层土:5-6mH1'=[∑γ0h0]/γi=[0]/21=0mP pk1上=γ1H1'K p1+2c1K p10.5=21×0×2.198+2×10×2.1980.5=29.651kN/m2P pk1下=γ1(h1+H1')K p1+2c1K p10.5=21×(1+0)×2.198+2×10×2.1980.5=75.809kN/m2第2层土:6-7mH2'=[∑γ1h1]/γsati=[21]/22=0.955mP pk2上=γsat2H2'K p2+2c2K p20.5=22×0.955×2.198+2×10×2.1980.5=75.809kN/m2P pk2下=γsat2(h2+H2')K p2+2c2K p20.5=22×(1+0.955)×2.198+2×10×2.1980.5=124.165kN/m2第3层土:7-12mH3'=[∑γ2h2]/γsati=[43]/22=1.955mP pk3上=γsat3H3'K p3+2c3K p30.5=22×1.955×2.04+2×20×2.040.5=144.829kN/m2P pk3下=γsat3(h3+H3')K p3+2c3K p30.5=22×(5+1.955)×2.04+2×20×2.040.5=369.186kN/m2 3)水平荷载第1层土E pk1=b a h1(P pk1上+P pk1下)/2=1×1×(29.651+75.809)/2=52.73kN;a p1=h1(2P pk1上+P pk1下)/(3P pk1上+3P pk1=1×(2×29.651+75.809)/(3×29.651+3×75.809)+6=6.427m;下)+∑h2第2层土E pk2=b a h2(P pk2上+P pk2下)/2=1×1×(75.809+124.165)/2=99.987kN;a p2=h2(2P pk2上+P pk2下)/(3P pk2上+3P pk2=1×(2×75.809+124.165)/(3×75.809+3×124.165)+5=5.46m;下)+∑h3第3层土E pk3=b a h3(P pk3上+P pk3下)/2=1×5×(144.829+369.186)/2=1285.037kN;a p3=h3(2P pk3上+P pk3下)/(3P pk3上+3P pk3下)=5×(2×144.829+369.186)/(3×144.829+3×369.186)=2.136m;土压力合力:E pk=ΣE pki=52.73+99.987+1285.037=1437.754kN;合力作用点:a p=Σ(a pi E pki)/E pk=(6.427×52.73+5.46×99.987+2.136×1285.037)/1437.754=2.525m;3、嵌固稳定性验算参考《建筑基坑支护技术规程》JGJ120-2012,第4.2.2条被动土压力合力到桩底的距离a p1=a p=2.525m主动土压力合力到桩底的距离a a1=a a=4.289m被动土压力合力到支撑位置的距离a p2=h+ld-a p-s1=5+7-2.525-1=8.475m主动土压力合力到支撑位置的距离a a2=h+ld-a a-s1=5+7-4.289-1=6.711mE pk a p2/(E ak a a2)=1437.754×8.475/(647.384×6.711)=2.805≥K e=1.2满足要求!4、渗透稳定性验算渗透稳定性简图承压水作用下的坑底突涌稳定性验算:D γ /(h wγw) =∑h iγi /(h wγw)=(2×21+5×22)/(10×10)=1.52D γ /(h wγw) =1.52≥K h=1.1满足要求!三、确定支护桩最小嵌固深度,并分析各工况下支护桩受力工况1:开挖至1+0.5=1.5m深度,支撑尚未施工,此处支护桩处于悬臂状态开挖工况图如下:工况1示意图1、计算嵌固深度确定要使板桩保持稳定,当前开挖工况下嵌固深度需满足主动土压力造成的弯矩、基坑内侧被动土压力造成的弯矩总和平衡,即ΣM=0;同时需满足《建筑基坑支护技术规程》JGJ120-2012第4.2.7条,对悬臂式支护结构,嵌固深度不小于0.8倍的开挖深度。
钢板桩支护计算书1#~ 10#雨水检查井钢板桩支护设计计算书1#~ 10#雨水检查井钢板桩支护设计计算书计算:_______________复核:_______________审核:_______________审定:目录1■计算说明 (1)1.1概况 (1)1.2计算内容 (1)2■计算依据 (1)3.参数选取及荷载计算 (1)3.1支护平面布置 (1)3.2板桩、圈梁截面 (1)3.3计算荷载参数 (2)3.4材料容许用力值 (3)4■主要结构计算及结果 (4)4.1计算模型 (4)4.2计算工况说明 (4)4.3钢板桩的计算及结果 (4)4.4圈梁的计算及结果 (7)5.结论及建议 (9)1. 计算说明1.1概况陇海快速路一中州大道互通式立交上跨陇海铁路立交桥工程位于河南省郑州市中州大道与陇海铁路交汇处,桥位处既有5+2X16+5 m四孔分离式箱桥,与陇海铁路下行线交叉点里程:K561+246,在既有箱桥两侧新建中州大道互通式立交上跨陇海铁路立交桥,本桥为双幅桥,主线桥桥面宽26.75m。
根据总体布置,原下穿立交雨水泵房和检查井受新设桥墩影响,需要拆除迁建。
1#-4#为矩形混凝土雨水检查井,最大平面尺寸为2.1 X 1.9m, 5#-10#为圆形混凝土雨水检查井,平面尺寸为© 2.2m,所有检查井最大深度h=4.2m,井内壁均需做防水处理。
检查井开挖范围内,土层以细砂、粉土为主,拟采用钢板桩支护辅助施工。
钢板桩使用SKSP- w型板桩,长度为9m支护设置一层圈梁。
1.2计算内容采用容许应力法和有限元法对支护施工过程中的各工况进行计算,计算内容包括钢板桩、圈梁等的强度、刚度。
2. 计算依据《钢结构设计规范》(GB 50017-2003)《公路桥涵地基与基础设计规范》(JTG D63-2007)《建筑基坑工程监测技术规范》(GB 50497-2009)《基坑工程手册》中国建筑出版社刘国斌王卫东主编《陇海快速路-中州大道互通式立交上跨陇海铁路立交桥工程第四册给排水工程》(中铁工程设计咨询集团有限公司)《陇海快速路-中州大道互通式立交上跨陇海铁路立交桥工程岩土工程勘察报告》项目部提供的地质等相关资料3. 参数选取及荷载计算3.1支护平面布置支护施工采用单层支撑,钢板桩长度为9m,具体布置如下图1所示:3.2板桩、圈梁截面SKSP-W型板桩参数如下:I = 38600cm3, W=2270cm3;(按1m宽度计)。
钢板桩基坑支护计算书一、结构计算依据1、国家现行的建筑结构设计规范、规程行业标准以及广东省建筑行业强制性标准规范、规程。
2、提供的地质勘察报告。
3、工程性质为管线构筑物,管道埋深4.8~4.7米。
4、本工程设计,抗震设防烈度为六度。
5、管顶地面荷载取值为:城-A级。
6、本工程地下水位最小埋深为2.0m。
7、本工程基坑计算采用理正深基坑支护结构计算软件。
二、基槽支护内支撑计算(1)内支撑计算内支撑采用25H型钢 A=92.18cm2 i x=10.8cm i y=6.29cm Ix=10800cm4 Iy=3650cm4 Wx=864cm3内支撑N=468.80kN,考虑自重作用,M=8.04N·mx(2)围檩计算取第二道围檩计算,按2跨连续梁计算,采用30H型钢A=94.5cm2 i x=13.1cm i y=7.49cm Ix=20500cm4 Iy=6750cm4 Wx=1370cm3[ 计算结果 ]挡土侧支座负弯距为:M max=0.85×243.3kN·m=206.8kN·m,跨中弯矩为M max=183.4kN·m支座处:满足安全要求。
三、基槽支护工程计算书支护结构受力计算5.3米深支护计算----------------------------------------------------------------------[ 支护方案 ]----------------------------------------------------------------------排桩支护----------------------------------------------------------------------[ 基本信息 ]----------------------------------------------------------------------[ 超载信息 ]--------------------------------------------------------------------------------------------------------------------------------------------[ 附加水平力信息 ]----------------------------------------------------------------------[ 土层信息 ]----------------------------------------------------------------------[ 土层参数 ]----------------------------------------------------------------------[ 支锚信息 ]----------------------------------------------------------------------[ 土压力模型及系数调整 ]----------------------------------------------------------------------弹性法土压力模型: 经典法土压力模型:----------------------------------------------------------------------[ 工况信息 ]----------------------------------------------------------------------[ 设计结果 ]--------------------------------------------------------------------------------------------------------------------------------------------[ 结构计算 ]----------------------------------------------------------------------各工况:内力位移包络图:地表沉降图:----------------------------------------------------------------------[ 截面计算 ]----------------------------------------------------------------------[ 截面参数 ]基坑内侧抗弯验算(不考虑轴力)σnei = Mn / Wx= 134.931/(2200.000*10-6)= 61.332(MPa) < f = 215.000(MPa) 满足基坑外侧抗弯验算(不考虑轴力)σwai = Mw / Wx= 115.502/(2200.000*10-6)= 52.501(MPa) < f = 215.000(MPa) 满足式中:σwai———基坑外侧最大弯矩处的正应力(Mpa);σnei———基坑内侧最大弯矩处的正应力(Mpa);Mw ———基坑外侧最大弯矩设计值(kN.m);Mn ———基坑内侧最大弯矩设计值(kN.m);Wx ———钢材对x轴的净截面模量(m3);f ———钢材的抗弯强度设计值(Mpa);----------------------------------------------------------------------[ 整体稳定验算 ]----------------------------------------------------------------------计算方法:瑞典条分法应力状态:有效应力法条分法中的土条宽度: 0.40m滑裂面数据整体稳定安全系数 K s = 1.180圆弧半径(m) R = 12.220圆心坐标X(m) X = -3.876圆心坐标Y(m) Y = 2.422----------------------------------------------------------------------[ 抗倾覆稳定性验算 ]---------------------------------------------------------------------- 抗倾覆安全系数:M p ——被动土压力及支点力对桩底的抗倾覆弯矩, 对于内支撑支点力由内支撑抗压力 决定;对于锚杆或锚索,支点力为锚杆或锚索的锚固力和抗拉力的较小值。
钢板桩围护安全计算书1、计算资料本设计的排水埋管深度在4m,拟采用钢板桩支护。
钢板桩选用30#槽型钢板桩,长度8m,有效入土深度按3.8m 计。
钢板桩采用28#a型槽钢,W=×10-6m3。
围檩采用30号H型钢参数:Wx。
钢板桩支撑采用直径219mm 的钢管支撑,水平间距约3m。
钢管支撑垂直间距。
钢材使用Q235,强度设计值fd=205N/mm2沟槽的安全等级为二级,重要性系数γ=1.0。
2、土压力计算(1)主动土压力计算计算假定:板桩背竖直、光滑,其后地表水平,并无限延伸,不计土与板桩间的摩擦力,采用朗金土压力理论计算。
本排水工程埋管最大埋深以算,并考虑周边有附加荷载如推土机和挖机荷载等影响,取30KN/2m计,即板桩面承受主动土压力,高4.0m和地基附加荷载q=30KN/m2。
附加荷载换算高度1.674m。
按m的加权平均值计算:γ=18.01KN/m;c=9.79;θ=17.50°主动和被动土压力系数分别为:Ka=tan2(45−θ2)=0.538;Kp=tan2(45+θ2)=1.860桩顶地表A点的土压力强度为:p aA=30×0.538−2×9.79×√0.538=1.78KPa 水位处土压力强度为:pa水=(30+1×18.01)×0.538−2×9.79×√0.538=11.47KPa 坑底 B点的土压力强度为:p aB=(30+18.01×1+8.01×3)×0.538−2×9.79×√0.538=24.40KPa 坑底 C点的土压力强度为:p aC=(30+18.01×1+8.01×6.8)×0.538−2×9.79×√0.538=40.77KPa 板桩背承重总主动土压力为:E a1=1.78+11.472×1=6.63KN/mE a2=11.47+24.402×3=53.81KN/mE a3=24.40+40.772×3.8=123.83KN/m计算简图如下:(2)被动土压力计算同样假设板桩背竖直、光滑,地表水平,不计土与板桩间摩擦力,已知条件同计算主动土压力。
钢板桩计算书1 工程概况该基坑设计总深7.0m,按二级基坑、选用《国家行业标准—建筑基坑支护技术规程(JGJ120-2012)》进行设计计算,计算断面编号:1。
1.1 土层参数续表地下水位埋深:0.50m。
1.2 基坑周边荷载地面超载:20.0kPa2 开挖与支护设计基坑支护方案如图:基坑支护方案图2.1 挡墙设计·挡墙类型:钢板桩;·嵌入深度:5.000m;·露出长度:0.000m;·型钢型号:40b;·桩间距:450mm;2.2 放坡设计2.2.1 第1级放坡设计坡面尺寸:坡高1.00m;坡宽1.00m;台宽1.00m。
放坡影响方式为:一。
2.3 支撑(锚)结构设计本方案设置1道支撑(锚),各层数据如下:第1道支撑(锚)为平面内支撑,距墙顶深度0.500m,工作面超过深度2.500m,预加轴力0.00kN/m,对挡墙的水平约束刚度取25000.0kN/m/m。
该道平面内支撑具体数据如下:·支撑材料:钢筋混凝土撑;·支撑长度:30.000m;·支撑间距:5.000m;·与围檩之间的夹角:90.000°;·不动点调整系数:0.500;·混凝土等级:C30;·截面高:800mm;·截面宽:600mm。
计算点位置系数:0.000。
2.4 工况顺序该基坑的施工工况顺序如下图所示:3 内力变形计算3.1 计算参数水土计算(分算/合算)方法:按土层分/合算;水压力计算方法:静止水压力,修正系数:1.0;主动侧土压力计算方法:朗肯主动土压力,分布模式:矩形,调整系数:1.0,负位移不考虑土压力增加;被动侧基床系数计算方法: "m"法,土体抗力不考虑极限土压力限值,坑内土影响范围:1.0倍基坑深度;墙体抗弯刚度折减系数:1.0。
3.2 计算结果3.2.1 内力变形结果每根桩抗弯刚度EI=47880kN.m2。
悬臂支护结构设计计算书计算依据:1、《建筑基坑支护技术规程》JGJ120-20122、《建筑施工计算手册》江正荣编著3、《实用土木工程手册》第三版杨文渊编著4、《施工现场设施安全设计计算手册》谢建民编著5、《土力学与地基基础》一、参数信息1、基本参数2、土层参数3、计算系数二、土压力计算土压力分布示意图1、主动土压力计算1)主动土压力系数K a1=tan2(45°- υ1/2)= tan2(45-8/2)=0.756;K a2=tan2(45°- υ2/2)= tan2(45-8/2)=0.756;K a3=tan2(45°- υ3/2)= tan2(45-8.9/2)=0.732;K a4=tan2(45°- υ4/2)= tan2(45-15.4/2)=0.58;K a5=tan2(45°- υ5/2)= tan2(45-15.1/2)=0.587;K a6=tan2(45°- υ6/2)= tan2(45-16.6/2)=0.556;K a7=tan2(45°- υ7/2)= tan2(45-17/2)=0.548;K a8=tan2(45°- υ8/2)= tan2(45-17/2)=0.548;2)土压力、地下水产生的水平荷载第1层土:0-1.1mH1'=[∑γ0h0]/γi=[0]/17=0mP ak1上=γ1H1'K a1-2c1K a10.5=17×0×0.756-2×5×0.7560.5=-8.695kN/m2P ak1下=γ1(h1+H1')K a1-2c1K a10.5=17×(1.1+0)×0.756-2×5×0.7560.5=5.442kN/m2第2层土:1.1-1.4mH2'=[∑γ1h1]/γsati=[18.7]/17=1.1mP ak2上=γsat2H2'K a2-2c2K a20.5=17×1.1×0.756-2×5×0.7560.5=5.442kN/m2P ak2下=γsat2(h2+H2')K a2-2c2K a20.5=17×(0.3+1.1)×0.756-2×5×0.7560.5=9.298kN/m2第3层土:1.4-3mH3'=[∑γ2h2]/γsati=[23.8]/17.6=1.352mP ak3上=[γsat3H3'-γw(∑h2-h a)]K a3-2c3K a30.5+γw(∑h2-h a)=[17.6×1.352-10×(1.4-1.1)]×0.732-2×1 2.3×0.7320.5+10×(1.4-1.1)=-2.825kN/m2P ak3下=[γsat3(H3'+h3)-γw(∑h2-h a)]K a3-2c3K a30.5+γw(∑h2-h a)=[17.6×(1.352+1.6)-10×(3-1.1)]×0 .732-2×12.3×0.7320.5+10×(3-1.1)=22.076kN/m2第4层土:3-5.3mH4'=[∑γ3h3]/γsati=[51.96]/19=2.735mP ak4上=[γsat4H4'-γw(∑h3-h a)]K a4-2c4K a40.5+γw(∑h3-h a)=[19×2.735-10×(3-1.1)]×0.58-2×55.8×0.580.5+10×(3-1.1)=-46.872kN/m2P ak4下=[γsat4(H4'+h4)-γw(∑h3-h a)]K a4-2c4K a40.5+γw(∑h3-h a)=[19×(2.735+2.3)-10×(5.3-1.1)]×0 .58-2×55.8×0.580.5+10×(5.3-1.1)=-11.866kN/m2第5层土:5.3-6.6mH5'=[∑γ4h4]/γsati=[95.66]/18.7=5.116mP ak5上=[γsat5H5'-γw(∑h4-h a)]K a5-2c5K a50.5+γw(∑h4-h a)=[18.7×5.116-10×(5.3-1.1)]×0.587-2×4 0.2×0.5870.5+10×(5.3-1.1)=11.905kN/m2P ak5下=[γsat5(H5'+h5)-γw(∑h4-h a)]K a5-2c5K a50.5+γw(∑h4-h a)=[18.7×(5.116+1.3)-10×(6.6-1.1)]×0.587-2×40.2×0.5870.5+10×(6.6-1.1)=31.544kN/m2第6层土:6.6-7.7mH6'=[∑γ5h5]/γsati=[119.97]/18.6=6.45mP ak6上=[γsat6H6'-γw(∑h5-h a)]K a6-2c6K a60.5+γw(∑h5-h a)=[18.6×6.45-10×(6.6-1.1)]×0.556-2×16 .2×0.5560.5+10×(6.6-1.1)=66.964kN/m2P ak6下=[γsat6(H6'+h6)-γw(∑h5-h a)]K a6-2c6K a60.5+γw(∑h5-h a)=[18.6×(6.45+1.1)-10×(7.7-1.1)]×0.556-2×16.2×0.5560.5+10×(7.7-1.1)=83.224kN/m2第7层土:7.7-10.14mH7'=[∑γ6h6]/γsati=[140.43]/18.8=7.47mP ak7上=[γsat7H7'-γw(∑h6-h a)]K a7-2c7K a70.5+γw(∑h6-h a)=[18.8×7.47-10×(7.7-1.1)]×0.548-2×40×0.5480.5+10×(7.7-1.1)=47.569kN/m2P ak7下=[γsat7(H7'+h7)-γw(∑h6-h a)]K a7-2c7K a70.5+γw(∑h6-h a)=[18.8×(7.47+2.44)-10×(10.14-1.1)]×0.548-2×40×0.5480.5+10×(10.14-1.1)=83.736kN/m2第8层土:10.14-12mH8'=[∑γ7h7]/γsati=[186.302]/18.7=9.963mP ak8上=[γsat8H8'-γw(∑h7-h a)]K a8-2c8K a80.5+γw(∑h7-h a)=[18.7×9.963-10×(10.14-1.1)]×0.548-2×40×0.5480.5+10×(10.14-1.1)=83.736kN/m2P ak8下=[γsat8(H8'+h8)-γw(∑h7-h a)]K a8-2c8K a80.5+γw(∑h7-h a)=[18.7×(9.963+1.86)-10×(12-1.1)]×0.548-2×40×0.5480.5+10×(12-1.1)=111.204kN/m23)水平荷载临界深度:Z0=P ak1下h1/(P ak1上+ P ak1下)=5.442×1.1/(8.695+5.442)=0.423m;第1层土E ak1=0.5P ak1下Z0b a=0.5×5.442×0.423×0.01=0.012kN;a a1=Z0/3+∑h2=0.423/3+10.9=11.041m;第2层土E ak2=h2(P a2上+P a2下)b a/2=0.3×(5.442+9.298)×0.01/2=0.022kN;a a2=h2(2P a2上+P a2下)/(3P a2上+3P a2下)+∑h3=0.3×(2×5.442+9.298)/(3×5.442+3×9.298)+10.6=10.737m;第3层土E ak3=h3(P a3上+P a3下)b a/2=1.6×(-2.825+22.076)×0.01/2=0.154kN;a a3=h3(2P a3上+P a3下)/(3P a3上+3P a3下)+∑h4=1.6×(2×-2.825+22.076)/(3×-2.825+3×22.076)+9=9.455m;第4层土E ak4=h4(P a4上+P a4下)b a/2=2.3×(-46.872+-11.866)×0.01/2=-0.675kN;a a4=h4(2P a4上+P a4下)/(3P a4上+3P a4下)+∑h5=2.3×(2×-46.872+-11.866)/(3×-46.872+3×-11.866)+6.7=8.078m;第5层土E ak5=h5(P a5上+P a5下)b a/2=1.3×(11.905+31.544)×0.01/2=0.282kN;a a5=h5(2P a5上+P a5下)/(3P a5上+3P a5下)+∑h6=1.3×(2×11.905+31.544)/(3×11.905+3×31.544)+5.4=5.952m;第6层土E ak6=h6(P a6上+P a6下)b a/2=1.1×(66.964+83.224)×0.01/2=0.826kN;a a6=h6(2P a6上+P a6下)/(3P a6上+3P a6下)+∑h7=1.1×(2×66.964+83.224)/(3×66.964+3×83.224)+4.3=4.83m;第7层土E ak7=h7(P a7上+P a7下)b a/2=2.44×(47.569+83.736)×0.01/2=1.602kN;a a7=h7(2P a7上+P a7下)/(3P a7上+3P a7下)+∑h8=2.44×(2×47.569+83.736)/(3×47.569+3×83. 736)+1.86=2.968m;第8层土E ak8=h8(P a8上+P a8下)b a/2=1.86×(83.736+111.204)×0.01/2=1.813kN;a a8=h8(2P a8上+P a8下)/(3P a8上+3P a8下)=1.86×(2×83.736+111.204)/(3×83.736+3×111.204 )=0.886m;土压力合力:E ak=ΣE aki=0.012+0.022+0.154+-0.675+0.282+0.826+1.602+1.813=4.036kN;合力作用点:a a=Σ(a ai E aki)/E ak=(11.041×0.012+10.737×0.022+9.455×0.154+8.078×-0.675+5.952×0.28 2+4.83×0.826+2.968×1.602+0.886×1.813)/4.036=2.082m;2、被动土压力计算1)被动土压力系数K p1=tan2(45°+ υ1/2)= tan2(45+15.4/2)=1.723;K p2=tan2(45°+ υ2/2)= tan2(45+15.4/2)=1.723;K p3=tan2(45°+ υ3/2)= tan2(45+15.1/2)=1.705;K p4=tan2(45°+ υ4/2)= tan2(45+16.6/2)=1.8;K p5=tan2(45°+ υ5/2)= tan2(45+17/2)=1.826;K p6=tan2(45°+ υ6/2)= tan2(45+17/2)=1.826;2)土压力、地下水产生的水平荷载第1层土:3.4-4.6mH1'=[∑γ0h0]/γi=[0]/19=0mP pk1上=γ1H1'K p1+2c1K p10.5=19×0×1.723+2×55.8×1.7230.5=146.49kN/m2P pk1下=γ1(h1+H1')K p1+2c1K p10.5=19×(1.2+0)×1.723+2×55.8×1.7230.5=185.774kN/m2第2层土:4.6-5.3mH2'=[∑γ1h1]/γsati=[22.8]/19=1.2mP pk2上=[γsat2H2'-γw(∑h1-h p)]K p2+2c2K p20.5+γw(∑h1-h p)=[19×1.2-10×(1.2-1.2)]×1.723+2×55.8×1.7230.5+10×(1.2-1.2)=185.774kN/m2P pk2下=[γsat2(H2'+h2)-γw(∑h1-h p)]K p2+2c2K p20.5+γw(∑h1-h p)=[19×(1.2+0.7)-10×(1.9-1.2)]×1. 723+2×55.8×1.7230.5+10×(1.9-1.2)=203.629kN/m2第3层土:5.3-6.6mH3'=[∑γ2h2]/γsati=[36.1]/18.7=1.93mP pk3上=[γsat3H3'-γw(∑h2-h p)]K p3+2c3K p30.5+γw(∑h2-h p)=[18.7×1.93-10×(1.9-1.2)]×1.705+2×4 0.2×1.7050.5+10×(1.9-1.2)=161.583kN/m2P pk3下=[γsat3(H3'+h3)-γw(∑h2-h p)]K p3+2c3K p30.5+γw(∑h2-h p)=[18.7×(1.93+1.3)-10×(3.2-1.2)]×1.705+2×40.2×1.7050.5+10×(3.2-1.2)=193.867kN/m2第4层土:6.6-7.7mH4'=[∑γ3h3]/γsati=[60.41]/18.6=3.248mP pk4上=[γsat4H4'-γw(∑h3-h p)]K p4+2c4K p40.5+γw(∑h3-h p)=[18.6×3.248-10×(3.2-1.2)]×1.8+2×16 .2×1.80.5+10×(3.2-1.2)=136.212kN/m2P pk4下=[γsat4(H4'+h4)-γw(∑h3-h p)]K p4+2c4K p40.5+γw(∑h3-h p)=[18.6×(3.248+1.1)-10×(4.3-1.2) ]×1.8+2×16.2×1.80.5+10×(4.3-1.2)=164.24kN/m2第5层土:7.7-10.14mH5'=[∑γ4h4]/γsati=[80.87]/18.8=4.302mP pk5上=[γsat5H5'-γw(∑h4-h p)]K p5+2c5K p50.5+γw(∑h4-h p)=[18.8×4.302-10×(4.3-1.2)]×1.826+2×40×1.8260.5+10×(4.3-1.2)=230.18kN/m2P pk5下=[γsat5(H5'+h5)-γw(∑h4-h p)]K p5+2c5K p50.5+γw(∑h4-h p)=[18.8×(4.302+2.44)-10×(6.74-1.2)]×1.826+2×40×1.8260.5+10×(6.74-1.2)=293.788kN/m2第6层土:10.14-12mH6'=[∑γ5h5]/γsati=[126.742]/18.7=6.778mP pk6上=[γsat6H6'-γw(∑h5-h p)]K p6+2c6K p60.5+γw(∑h5-h p)=[18.7×6.778-10×(6.74-1.2)]×1.826+2×40×1.8260.5+10×(6.74-1.2)=293.786kN/m2P pk6下=[γsat6(H6'+h6)-γw(∑h5-h p)]K p6+2c6K p60.5+γw(∑h5-h p)=[18.7×(6.778+1.86)-10×(8.6-1.2 )]×1.826+2×40×1.8260.5+10×(8.6-1.2)=341.935kN/m23)水平荷载第1层土E pk1=b a h1(P p1上+P p1下)/2=0.01×1.2×(146.49+185.774)/2=1.994kN;a p1=h1(2P p1上+P p1下)/(3P p1上+3P p1下)+∑h2=1.2×(2×146.49+185.774)/(3×146.49+3×185.774)+7.4=7.976m;第2层土E pk2=b a h2(P p2上+P p2下)/2=0.01×0.7×(185.774+203.629)/2=1.363kN;a p2=h2(2P p2上+P p2下)/(3P p2上+3P p2下)+∑h3=0.7×(2×185.774+203.629)/(3×185.774+3×203.629)+6.7=7.045m;第3层土E pk3=b a h3(P p3上+P p3下)/2=0.01×1.3×(161.583+193.867)/2=2.31kN;a p3=h3(2P p3上+P p3下)/(3P p3上+3P p3下)+∑h4=1.3×(2×161.583+193.867)/(3×161.583+3×193.867)+5.4=6.03m;第4层土E pk4=b a h4(P p4上+P p4下)/2=0.01×1.1×(136.212+164.24)/2=1.652kN;a p4=h4(2P p4上+P p4下)/(3P p4上+3P p4下)+∑h5=1.1×(2×136.212+164.24)/(3×136.212+3×164.24)+4.3=4.833m;第5层土E pk5=b a h5(P p5上+P p5下)/2=0.01×2.44×(230.18+293.788)/2=6.392kN;a p5=h5(2P p5上+P p5下)/(3P p5上+3P p5下)+∑h6=2.44×(2×230.18+293.788)/(3×230.18+3×293.788)+1.86=3.031m;第6层土E pk6=b a h6(P p6上+P p6下)/2=0.01×1.86×(293.786+341.935)/2=5.912kN;a p6=h6(2P p6上+P p6下)/(3P p6上+3P p6下)=1.86×(2×293.786+341.935)/(3×293.786+3×341. 935)=0.907m;土压力合力:E pk=ΣE pki=1.994+1.363+2.31+1.652+6.392+5.912=19.623kN;合力作用点:a p=Σ(a pi E pki)/E pk=(7.976×1.994+7.045×1.363+6.03×2.31+4.833×1.652+3.031×6.392+0.9 07×5.912)/19.623=3.677m;3、基坑内侧土反力计算1)主动土压力系数K a1=tan2(45°-υ1/2)= tan2(45-15.4/2)=0.58;K a2=tan2(45°-υ2/2)= tan2(45-15.4/2)=0.58;K a3=tan2(45°-υ3/2)= tan2(45-15.1/2)=0.587;K a4=tan2(45°-υ4/2)= tan2(45-16.6/2)=0.556;K a5=tan2(45°-υ5/2)= tan2(45-17/2)=0.548;K a6=tan2(45°-υ6/2)= tan2(45-17/2)=0.548;2)土压力、地下水产生的水平荷载第1层土:3.4-4.6mH1'=[∑γ0h0]/γi=[0]/19=0mP sk1上=(0.2υ12-υ1+c1)∑h0(1-∑h0/l d)υ/υb+γ1H1'K a1=(0.2×15.42-15.4+55.8)×0×(1-0/8.6)×0.01 2/0.012+19×0×0.58=0kN/m2P sk1下=(0.2υ12-υ1+c1)∑h1(1-∑h1/l d)υ/υb+γ1(h1+H1')K a1=(0.2×15.42-15.4+55.8)×1.2×(1-1.2/8 .6)×0.012/0.012+19×(0+1.2)×0.58=103.916kN/m2第2层土:4.6-5.3mH2'=[∑γ1h1]/γsati=[22.8]/19=1.2mP sk2上=(0.2υ22-υ2+c2)∑h1(1-∑h1/l d)υ/υb+[γsat2H2'-γw(∑h1-h p)]K p2+γw(∑h1-h p)=(0.2×15.42-15 .4+55.8)×1.2×(1-1.2/8.6)×12/12+[19×1.2-10×(1.2-1.2)]×0.58+10×(1.2-1.2)=103.916k N/m2P sk2下=(0.2υ22-υ2+c2)∑h2(1-∑h2/l d)υ/υb+[γsat2(H2'+h2)-γw(∑h2-h p)]K p2+γw(∑h2-h p)=(0.2×15. 42-15.4+55.8)×1.9×(1-1.9/8.6)×12/12+[19×(1.2+0.7)-10×(1.9-1.2)]×0.58+10×(1.9-1.2 )=153.89kN/m2第3层土:5.3-6.6mH3'=[∑γ2h2]/γsati=[36.1]/18.7=1.93mP sk3上=(0.2υ32-υ3+c3)∑h2(1-∑h2/l d)υ/υb+[γsat3H3'-γw(∑h2-h p)]K p3+γw(∑h2-h p)=(0.2×15.12-15 .1+40.2)×1.9×(1-1.9/8.6)×12/12+[18.7×1.93-10×(1.9-1.2)]×0.587+10×(1.9-1.2)=128. 732kN/m2P sk3下=(0.2υ32-υ3+c3)∑h3(1-∑h3/l d)υ/υb+[γsat3(H3'+h3)-γw(∑h3-h p)]K p3+γw(∑h3-h p)=(0.2×15. 12-15.1+40.2)×3.2×(1-3.2/8.6)×12/12+[18.7×(1.93+1.3)-10×(3.2-1.2)]×0.587+10×(3. 2-1.2)=185.777kN/m2第4层土:6.6-7.7mH4'=[∑γ3h3]/γsati=[60.41]/18.6=3.248mP sk4上=(0.2υ42-υ4+c4)∑h3(1-∑h3/l d)υ/υb+[γsat4H4'-γw(∑h3-h p)]K p4+γw(∑h3-h p)=(0.2×16.62-16.6+16.2)×3.2×(1-3.2/8.6)×12/12+[18.6×3.248-10×(3.2-1.2)]×0.556+10×(3.2-1.2)=152 .402kN/m2P sk4下=(0.2υ42-υ4+c4)∑h4(1-∑h4/l d)υ/υb+[γsat4(H4'+h4)-γw(∑h4-h p)]K p4+γw(∑h4-h p)=(0.2×16. 62-16.6+16.2)×4.3×(1-4.3/8.6)×12/12+[18.6×(3.248+1.1)-10×(4.3-1.2)]×0.556+10×(4 .3-1.2)=176.36kN/m2第5层土:7.7-10.14mH5'=[∑γ4h4]/γsati=[80.87]/18.8=4.302mP sk5上=(0.2υ52-υ5+c5)∑h4(1-∑h4/l d)υ/υb+[γsat5H5'-γw(∑h4-h p)]K p5+γw(∑h4-h p)=(0.2×172-17+ 40)×4.3×(1-4.3/8.6)×12/12+[18.8×4.302-10×(4.3-1.2)]×0.548+10×(4.3-1.2)=232.053 kN/m2P sk5下=(0.2υ52-υ5+c5)∑h5(1-∑h5/l d)υ/υb+[γsat5(H5'+h5)-γw(∑h5-h p)]K p5+γw(∑h5-h p)=(0.2×172 -17+40)×6.74×(1-6.74/8.6)×12/12+[18.8×(4.302+2.44)-10×(6.74-1.2)]×0.548+10×(6. 74-1.2)=212.283kN/m2第6层土:10.14-12mH6'=[∑γ5h5]/γsati=[126.742]/18.7=6.778mP sk6上=(0.2υ62-υ6+c6)∑h5(1-∑h5/l d)υ/υb+[γsat6H6'-γw(∑h5-h p)]K p6+γw(∑h5-h p)=(0.2×172-17+ 40)×6.74×(1-6.74/8.6)×12/12+[18.7×6.778-10×(6.74-1.2)]×0.548+10×(6.74-1.2)=212 .283kN/m2P sk6下=(0.2υ62-υ6+c6)∑h6(1-∑h6/l d)υ/υb+[γsat6(H6'+h6)-γw(∑h6-h p)]K p6+γw(∑h6-h p)=(0.2×172 -17+40)×8.6×(1-8.6/8.6)×12/12+[18.7×(6.778+1.86)-10×(8.6-1.2)]×0.548+10×(8.6-1.2)=121.967kN/m23)水平荷载第1层土P sk1=b0h1(P s1上+P s1下)/2=0.01×1.2×(0+103.916)/2=0.623kN;a s1=h1(2P s1上+P s1下)/(3P s1上+3P s1下)+∑h2=1.2×(2×0+103.916)/(3×0+3×103.916)+7.4=7.8m;第2层土P sk2=b0h2(P s2上+P s2下)/2=0.01×0.7×(103.916+153.89)/2=0.902kN;a s2=h2(2P s2上+P s2下)/(3P s2上+3P s2下)+∑h3=0.7×(2×103.916+153.89)/(3×103.916+3×153.89)+6.7=7.027m;第3层土P sk3=b0h3(P s3上+P s3下)/2=0.01×1.3×(128.732+185.777)/2=2.044kN;a s3=h3(2P s3上+P s3下)/(3P s3上+3P s3下)+∑h4=1.3×(2×128.732+185.777)/(3×128.732+3×185.777)+5.4=6.011m;第4层土P sk4=b0h4(P s4上+P s4下)/2=0.01×1.1×(152.402+176.36)/2=1.808kN;a s4=h4(2P s4上+P s4下)/(3P s4上+3P s4下)+∑h5=1.1×(2×152.402+176.36)/(3×152.402+3×176.36)+4.3=4.837m;第5层土P sk5=b0h5(P s5上+P s5下)/2=0.01×2.44×(232.053+212.283)/2=5.421kN;a s5=h5(2P s5上+P s5下)/(3P s5上+3P s5下)+∑h6=2.44×(2×232.053+212.283)/(3×232.053+3×212.283)+1.86=3.098m;第6层土P sk6=b0h6(P s6上+P s6下)/2=0.01×1.86×(212.283+121.967)/2=3.109kN;a s6=h6(2P s6上+P s6下)/(3P s6上+3P s6下)=1.86×(2×212.283+121.967)/(3×212.283+3×121.967)=1.014m;土压力合力:P pk=ΣP pki=0.623+0.902+2.044+1.808+5.421+3.109=13.907kN;合力作用点:a s=Σ(a si P ski)/P pk=(7.8×0.623+7.027×0.902+6.011×2.044+4.837×1.808+3.098×5.421+1.0 14×3.109)/13.907=3.752m;P sk=13.907kN≤E p=19.623kN满足要求!三、稳定性验算1、嵌固稳定性验算E pk a pl/(E ak a al)=19.623×3.677/(4.036×2.082)=8.587≥K e=1.2满足要求!2、整体滑动稳定性验算圆弧滑动条分法示意图K si=∑{c j l j+[(q j b j+ΔG j)cosθj-μj l j]tanυj}/∑(q j b j+ΔG j)sinθc j、υj──第j土条滑弧面处土的粘聚力(kPa)、内摩擦角(°);b j──第j土条的宽度(m);θj──第j土条滑弧面中点处的法线与垂直面的夹角(°);l j──第j土条的滑弧段长度(m),取l j=b j/cosθj;q j──作用在第j土条上的附加分布荷载标准值(kPa) ;ΔG j──第j土条的自重(kN),按天然重度计算;u j──第j土条在滑弧面上的孔隙水压力(kPa),采用落底式截水帷幕时,对地下水位以下的砂土、碎石土、粉土,在基坑外侧,可取u j=γw h waj,在基坑内侧,可取u j=γw h wpj;滑弧面在地下水位以上或对地下水位以下的粘性土,取u j=0;γw──地下水重度(kN/m3);h waj──基坑外侧第j土条滑弧面中点的压力水头(m);h wpj──基坑内侧第j土条滑弧面中点的压力水头(m);min{ K s1,K s2,……,K si,……}=4.105≥K s=1.3满足要求!3、渗透稳定性验算渗透稳定性简图承压水作用下的坑底突涌稳定性验算:D γ /(h wγw) =∑h iγi /(h wγw)=(1.9×19+1.3×18.7+1.1×18.6)/(6×10)=1.348D γ /(h wγw) =1.348≥K h=1.1满足要求!四、结构计算1、材料参数2、支护桩的受力简图计算简图弯矩图(kN·m) M k=44.14kN.m剪力图(kN)V k=11.69kN3、强度设计值确定M=γ0γF M k=1×1.25×44.14=55.175kN·mV=γ0γF V k=1×1.25×11.69=14.612kN4、材料的强度计算σmax=M/(γW)=55.175×106/(1.05×362×103)=145.159N/mm2≤[f]=205N/mm2满足要求!H`=(WH2-(H-t)2(W-2t))/(2(WH-(H-t)(W-2t))=(400×1702-(170-15.5)2(400-2×15.5))/(2 (400×170-(170-15.5)(400-2×15.5))=125mmS=t(H-H`)2=15.5×(170-125)2=31388mm3,τmax=VS/It=14.612×31388×103/(4670×104×15.5)=0.634N/mm2≤[f]=125N/mm2满足要求!。
钢板桩支护计算手册文件编码(GHTU-UITID-GGBKT-POIU-WUUI-8968)
支护计算书
一.设计资料
该项目的支护结构非主体结构的一部分;开挖深度为9.7m<10m ;在等于开挖深度的水平距离内无临近建筑物。
故可以认为该坑的安全等级为二级。
重要性系数取γ0=1.0。
地面标高:-0.5m
基础底面标高:-10.2m
开挖深度:9.7m
地下水位:-1.5m
地面均布荷载:20kN/m 2
土层:地表层有1m 厚的杂填土,其下为均质粉质粘土
基坑外侧的粘土都看做饱和粘土;基坑内侧因为排水,看做有1.8m 深含水量16%的粘土,其下为饱和粘土。
二.选择支护形式
由于土质较好,水位较高,开挖深度一般,故选择钢板桩加单层土层锚杆支护。
三.土压力计算
1.竖向土压力的计算
公式:j mj rk z γσ=
基坑外侧:
基坑内侧:
2.主动土压力的计算
取0'2 a e
主动土压力零点:
主动土压力示意图
3.被动土压力的计算
4.土压力总和
开挖面以上只有主动土压力。
开挖面以下:
再往下,每米增加29.45kpa 的负向土压力。
1m 条带中,土压力分块的合力 压力区块
压力合力(kN ) 距上端距离(m ) 距下端距离(m )
119.73k
四.嵌固深度计算
1.反弯点
解得h=0.569m
2.支点力T
c1
设支点位于地面以下4m,即支点处标高为-4,5m
对反弯点处弯矩为0
3.嵌固深度h
d
用软件解如下方程
求最小h
d,
161.66*(x+5.7)+(29.45*x+41.04)*(x-1.8)*(x-1.8)/6+19.296*(x-1.39)-
1.2*(15.19+275.74+4.125)*x-1.2*845.57=0
=7.500m
解得h
d
五.弯矩计算
根据《建筑基坑支护技术规程》(JGJ120-99)的规定按下列规定计算其设计值:截面弯矩设计值M
M=1.25γ0M c
式中γ
——重要性系数,取1.0
1.锚固点弯矩设计值
2.剪力为0处弯矩设计值(开挖面上方)
设地面到该点距离为
h
2
3.剪力为0处弯矩设计值(开挖面下方)
设开挖面到该点距离为
h
3
选用FSP-Ⅲ型钢板桩(日本产拉森钢板桩)。
钢板桩所受最大弯曲应力为:
满足允许应力要求。
基坑四角采用0.2×0.2的角桩。
则钢板桩的支护面积为:
该型号钢板桩每平米的质量为150kg 钢板桩总重:t kg 6.50150155268.3343150==⨯
六.锚杆计算
根据规范JGJ120-99
4.6.9锚杆长度设计应符合下列规定:
1锚杆自由段长度不宜小于5m 并应超过潜在滑裂面1.5m ;
2土层锚杆锚固段长度不宜小于4m ;
3锚杆杆体下料长度应为锚杆自由段、锚固段及外露长度之和,外露长度须满足台座、腰梁尺寸及张拉作业要求。
锚杆布置应符合以下规定:
1锚杆上下排垂直间距不宜小于2.0m,水平间距不宜小于1.5m;
2锚杆锚固体上覆土层厚度不宜小于4.0m ;
3锚杆倾角宜15°-25°,为且不应大于45°。
选用25°倾角。
1.锚杆自由段长度
锚杆自由段长度取5.2m ,外伸长度0.5m 。
2.锚杆锚固长度
设锚杆锚固长度为10m ,其中点到地面距离为8.31m ,直径为14cm 。
水平分力kN T T c d 49.2425.115.1=⨯=
若取K=1.50,则
修正为12m
最后确定的锚固段长度为12m 。
3.钢拉杆截面选择
取361φ,则其抗拉强度设计值:
满足要求。
七.围檩受力计算
围檩受到拉锚和钢板桩传来作用力,可按简支梁计算。
选用两排[18的槽钢,333104.2411027.120mm W ⨯=⨯⨯= 满足要求。
共需要376m 的[18热轧轻型槽钢。
七.抗倾覆验算
满足要求。