冲压件展开计算参数
- 格式:doc
- 大小:409.67 KB
- 文档页数:5
冲压拉伸件展开面计算方法
冲压拉伸件是常用于制造汽车、家电、机械等产品的重要零件,其形状复杂,具有曲面、圆弧等多种几何特征,因此在制造过程中需要进行展开面计算。
展开面计算是指将冲压拉伸件展开成平面图形的过程,便于进行切割、焊接、折弯等加工操作。
下面介绍几种常用的冲压拉伸件展开面计算方法。
1. 数学建模法
数学建模法是将冲压拉伸件的曲面用数学方程表示出来,然后根据数学原理进行展开面计算。
这种方法需要具备一定的数学基础和计算能力,适合于形状规则、曲面简单的冲压拉伸件。
2. 三视图法
三视图法是将冲压拉伸件在三个方向上进行投影,得到正视图、俯视图和侧视图,然后通过测量和计算得到展开面。
这种方法适合于规则形状、平面布置的冲压拉伸件,但对于曲面、复杂形状的件需要多次投影才能得到正确的展开面。
3. 模型制作法
模型制作法是将冲压拉伸件用三维建模软件进行建模,然后进行展开面计算。
这种方法可以较为准确地得到展开面,同时可以方便地进行设计修改和模拟分析,是目前制造业常用的一种方法。
以上几种方法都有各自的优缺点,选用何种方法取决于冲压拉伸件的形状、要求的精度、加工工艺等因素。
展开面计算是制造冲压拉
伸件的重要环节之一,正确的展开面计算可以提高冲压拉伸件的制造精度和效率,降低生产成本。
展开计算
一、抽芽
1、M3抽芽的预冲孔标准(EG、GI、SPC材质)
(1)M3 (T=1.2mm)
基本参数取值如下:
A. 预冲孔:φ1.40mm
B. 抽芽冲子:φ2.80mm
C. 抽芽凹模孔:φ4.00mm
(2)M3 (T=1.0mm)
基本参数取值如下:
A. 预冲孔:φ1.20mm
B. 抽芽冲子:φ2.80mm
C. 抽芽凹模孔:φ3.90mm
(3)M3(T=0.8mm)
基本参数取值如下:
A. 预冲孔:φ1.00mm
B. 抽芽冲子:φ2.80mm
C. 抽芽凹模孔:φ3.80mm
M3抽芽基本参数表
2、铆合抽芽的预冲孔标准(EG、GI、SPC料)
3、铝合金材料抽芽注意要点
由于铝合金材料材质软,抽芽时材料难于被冲头抽下,如果模具抽孔太大,则抽芽的高度一定会不够。
因此,铝合金材料抽芽时,模具的抽芽模孔和冲头间隙为:
二、沙拉孔
最常见的沙拉孔有两种,一种是埋拉钉头用的沙拉孔,一种是铆合用的沙拉孔。
埋拉钉头用的沙拉孔铆合用的沙拉孔
1、铆合用沙拉预冲孔:如果采用先冲预冲孔再打沙拉的工艺方法,则预冲孔大小参照下表:
2、埋拉钉头用的沙拉孔:如果采用先冲预冲孔再打沙拉的工艺方法,则预冲孔大小参照下表:。
开冲压模的朋友和做钣金冲压设计的工程师,经常会遇到计算冲压件展开长度的问题。
目前有很多的计算方法,各种系数,各种公式,各种表格,各种软件也有自动展开的功能,但是很多都不够准确。
下面推荐的这种计算方法相对比较精确,值得收藏:我们知道,弯曲件按中性层展开长度等于坯料长度的原则求得坯料的展开尺寸,如下图:展开长度:L=L1+L2+L0(其中L0 指的是中性层圆弧的弧长,注意,是弧长)所以我们需要找到中性层的位移值xt,这个位移值的计算方法是材料厚度 t 乘以一个中性层位移系数 x ,即:中性层位移值=xt很明显,这种方法的关键就是要明确折弯中性层位移系数—— x 值所谓的中性层位移系数 x 值,在一些三维软件(如:Pro/E或SolidWorks)中也叫折弯 K 因子那么重点来了,怎样才能计算出 x 值呢?拜托,当然不用你来算,前辈们早已算好了,折弯内 r 角与材料厚度 t 的比将决定 x 值的大小,下表直接查来就是了:钣金折弯中性层位移系数x (K因子)知道了位移值,就知道了中性层圆弧的半径R ,据据折弯角度a 的大小,就可以很方便的计算出中性层圆弧的弧长L0 ,再加长直边长度L1 和L2 ,就是工件的展开尺寸了。
重要小贴士:1、r/t 值如果表格中没有,可以按下表已有数据近似推算。
2、现在估计没人会再去手工计算弧长L0 ,因为有CAD嘛,只需要按r/t 的值查出x 值(K因子),乘以料厚t,就是中性层位移值,将折弯内r 用偏移命令向外侧偏移该值,再直接量出弧长就行了。
3、如果有多处折弯的,可以偏移所有直边和内r ,并合并为多线段,查特性即可得到多线段的长度尺寸,也就是总的展开长度。
4、Pro/E或SolidWorks钣金折弯可以自动进行展开,很多人都觉得不准,其实奥秘就在于K因子。
软件中有默认的K因子,这个默认值是基于r/t=1.0的情况下,也就是3.2左右,如果内折弯 r 角与材料厚度不同(r/t不是1.0),算出来的尺寸当然不准。
冲压件模具设计的常用公式1. 强度和刚度计算公式1.1 拉伸强度计算冲压件在工作过程中会受到拉伸力的作用,因此计算冲压件的拉伸强度是非常重要的。
拉伸强度的计算公式如下:F = σ × A其中,F表示拉伸力,σ表示材料的抗拉强度,A表示冲压件的截面积。
1.2 刚度计算刚度是指冲压件在受力下的变形程度,计算冲压件的刚度可以确定其在工作过程中是否会发生过度变形。
刚度的计算公式如下:K = (E × A) / L其中,K表示刚度,E表示材料的弹性模量,A表示冲压件的截面积,L表示冲压件的长度。
2. 冲压参数计算公式2.1 冲头压力计算冲头压力是冲压件在冲床上受到的压力,计算冲头压力可以确定冲床的最小压力要求。
冲头压力的计算公式如下:P = F / A其中,P表示冲头压力,F表示冲压件的拉伸力,A表示冲头的截面积。
2.2 厚度计算冲压件的厚度是冲压件的重要参数之一,计算冲压件的厚度可以确定其制备过程中所需的原材料量。
厚度的计算公式如下:t = V / (A × L)其中,t表示冲压件的厚度,V表示冲压件的体积,A表示冲压件的截面积,L表示冲压件的长度。
3. 离型力计算公式冲压件在离型过程中需要克服一定的摩擦力,计算离型力是确定冲压模具设计是否合理的重要指标。
离型力的计算公式如下:F = μ × N其中,F表示离型力,μ表示冲压件和模具之间的摩擦系数,N表示冲压件的法线力。
4. 寿命计算公式冲压模具在工作过程中会受到疲劳载荷的影响,因此计算冲压模具的寿命可以指导模具的选材和使用。
寿命的计算公式如下:N = (S / K) × (F / σf)^b其中,N表示模具寿命的预测次数,S表示冲压次数,K表示对应于S次冲压的磨损系数,F表示冲压力,σf表示冲压件的疲劳强度,b表示指数。
结论以上是冲压件模具设计过程中常用的计算公式。
这些公式可以帮助工程师在设计冲压模具时进行强度、刚度、参数和寿命等方面的计算,以确保模具的设计合理和稳定性。
以下为冲压展开系数表,一起来看看吧。
展开系数表R/T 0.10 0.15 0.20 0.25 0.30 0.40 0.50 0.60 K1 0.23 0.26 0.29 0.31 0.32 0.35 0.37 0.38 K2 0.30 0.32 0.33 0.35 0.36 0.37 0.38 0.39 R/T 0.70 0.80 0.90 1.00 1.10 1.20 1.30 1.40 K1 0.39 0.40 0.40 0.41 0.42 0.42 0.43 0.43 K2 0.40 0.41 0.42 0.42 0.43 0.43 0.43 0.44 R/T 1.50 1.60 1.70 1.80 1.90 2.00 2.50 3.00 K1 0.44 0.44 0.44 0.45 0.45 0.45 0.46 0.46 K2 0.44 0.44 0.45 0.45 0.45 0.46 0.46 0.46 R/T 3.50 3.75 4.00 4.50 5.00 6.00 10.00 15.00 K1 0.47 0.47 0.47 0.47 0.48 0.48 0.49 0.49 K2 0.47 0.48 0.48 0.48 0.48 0.48 0.49 0.49备注:1.R代表内直径2.T代表材料厚度3.T≥0.5用K2,T<0.5用K1折弯内轮廓线向外偏移TxK得多段线长4.R趋近于零时,K值直接使用0.3扩展资料:加工特点:冲压件与铸件、锻件相比,具有薄、匀、轻、强的特点。
冲压可制出其他方法难于制造的带有加强筋、肋、起伏或翻边的工件,以提高其刚性。
由于采用精密模具,工件精度可达微米级,且重复精度高、规格一致,可以冲压出孔窝、凸台等。
冷冲压件一般不再经切削加工,或仅需要少量的切削加工。
热冲压件精度和表面状态低于冷冲压件,但仍优于铸件、锻件,切削加工量少。
冲压是高效的生产方法,采用复合模,尤其是多工位级进模,可在一台压力机(单工位或多工位的)上完成多道冲压工序,实现由带料开卷、矫平、冲裁到成形、精整的全自动生产。
冲压件展开计算方法一、拉伸展开法拉伸展开法是最简单和常用的一种展开计算方法。
1.首先,我们需要知道原始材料的长度和宽度。
2.然后,根据冲压件的形状和尺寸,确定拉伸方向和拉伸系数。
拉伸系数是指冲压部件在冲压过程中的拉伸量与原始材料尺寸的比值。
3.使用拉伸系数,将原始材料的长度按照拉伸方向进行拉伸计算,确定冲压件展开后的长度。
4.根据冲压件的形状和尺寸,确定展开后的宽度。
5.最后,根据展开后的长度和宽度,计算出冲压件展开尺寸。
二、缩小展开法缩小展开法是一种适用于圆形件、椭圆形件和锥形件等特殊形状的展开计算方法。
1.首先,确定冲压件的内径(或外径)和高度。
2.根据内径(或外径)和高度,计算出冲压件在轴向上的弯曲长度。
3.根据冲压件形状和尺寸,确定展开后的长度和宽度。
4.最后,根据展开后的长度和宽度,计算出冲压件展开尺寸。
三、三视图法三视图法适用于复杂形状的冲压件,通过绘制冲压件的三视图(俯视图、正视图和侧视图),以及依据实际工艺要求和计算公式,计算并绘制出冲压件的展开图。
1.首先,绘制冲压件的三视图。
2.根据冲压件的形状和尺寸,确定展开后的长度和宽度。
3.根据展开后的长度和宽度,在三视图中计算出冲压件的展开图。
4.最后,根据展开图计算出冲压件展开尺寸。
四、数值模拟法数值模拟法是利用计算机模拟软件进行冲压过程的仿真分析,通过分析模拟结果,在仿真软件中生成冲压件展开图。
1.首先,将冲压件的三维CAD模型导入数值模拟软件中。
2.设置冲压过程的各项参数,包括材料参数、工艺参数和设备参数。
3.运行仿真分析,观察冲压件在冲压过程中的变形情况。
4.根据仿真分析结果,生成冲压件展开图。
5.最后,根据展开图计算出冲压件展开尺寸。
以上是常用的冲压件展开计算方法,不同的方法可以根据具体情况选择使用。
在实际应用中,需要根据冲压件的形状、尺寸和工艺要求,选择最合适的展开计算方法,并结合实际操作经验进行调整和修正,以确保冲压件的展开尺寸和形状符合设计要求。
冲压件展开计算方法冲压件是常件的金属件,在冲压前,要对冲压件下料,这时,往往要对冲压件展开计算:1 90˚无内R轧形展开K值取值标准:a。
t≦0。
8mm,K=0。
45b。
0。
8mmc。
1。
2mmd. t>3.0mm材料展开长度不易准确计算,应先试轧,得出展开系数后再调整展开尺寸。
e. 软料t≦1。
6mm,K=0。
5(主要有铝料,铜料)。
注意:无内R是指客户对内R无要求,或要求不高时,为便于材料的折弯成形,我们的下模做成尖角的形式。
有时客户的部品图中有内R,一般客户没有特别指出的条件下我们均以尖角起模.2 非90˚无内R轧形展开L=A+B+Kt(C˚/90˚)K值取值标准:a. t≦0.8mm,K=0。
45b. 0.8mmc. 1。
2mmd. t〉3。
0mm材料展开长度不易准确计算,应先试轧,得出展开系数后再调整展开尺寸.e.软料t≦1。
6mm,K=0。
5(主要有铝料,铜料)。
注意:无内R是指客户对内R无要求,或要求不高时,为便于材料的折弯成形,我们的下模做成尖角的形式。
有时客户的部品图中有内R,一般客户没有特别指出的条件下我们均以尖角起模.3 有内R轧形展开备注:当客户部品图中没有特别要求做轧形内R时,我们尽量按尖角设计。
有要求时按以上方式进行展开。
中性层系数确定:弯曲处的中性层是假设的一个层面.首先将材料延厚度方向划分出无穷多个厚度趋于0的层面,那么在材料弯曲的过程中长度方向尺寸不变的层面即为材料弯曲处的中性层.由上述可知中性层的尺寸等于部品的展开尺寸.1) 铝料/ Al料中性层系数2) SPCC,SECC,SUS301,SUS304,SUS430,SPTE,SK5,SK7,铜料中性层系数0。
50 0.38t 0。
50 0。
41t0。
40 0。
37t 0。
40 0.40t0。
30 0.36t 0.30 0.38t0.20 0。
33t 0。
20 0。
36t0.10 0。
25t 0。
10 0.35t3) 中性层经验值根据我们的实际设计经验,当产品的材料厚度t≦0。
冲压件模具设计的常用公式随着现代工业的发展,冲压件的应用越来越广泛,从家电到汽车、航空航天等领域都离不开冲压件的制造。
而冲压件的制造离不开模具的设计和制造。
在冲压件模具设计中,使用一些公式能够更好的指导设计过程,提高模具设计的效率和准确性。
本文将介绍一些冲压件模具设计中的常用公式。
1.冲压件的扁平公式在冲压件的设计中,往往需要先根据产品的图纸计算出其扁平尺寸。
用于判断冲压件的设计尺寸是否合理。
冲压件的扁平公式为:S=π(D+d)/2×√((D-d)/2)×F其中,S表示冲压件的扁平尺寸,D和d分别为模具的上模和下模的直径,F为强度系数。
2.模具的强度公式在冲压过程中,模具需要承受很大的压力和撞击力,因此模具的强度是非常重要的。
冲压件模具的强度公式为:σ= (K×(F×L))/((a-b)×b)其中,σ为应力,K为强度试验样本的应力系数,F为金属材料的屈服极限,L为冲压件的长度,a和b分别为上模和下模的外径。
3.折弯件的受载公式在冲压件的制造中,折弯件的制作也是非常重要的一个过程。
折弯件的受载公式为:M=W×L/2×sinα×t^2其中,M为折弯件的扭矩,W为载荷,L为支撑距离,α为折弯角度,t为材料的厚度。
4.齿轮的模数公式在冲压齿轮的设计中,需要根据参数计算出齿轮的模数。
齿轮的模数公式为:m=D/Z其中,m为模数,D为齿轮的直径,Z为齿轮的齿数。
5.模具内角的计算公式在冲压件模具的设计中,模具内角的大小和形状是非常重要的。
模具内角的计算公式为:Ψ=2arctan(0.5B/L)其中,Ψ为内角,B为压头直径(冷模),压头直径补偿(热模),L为模具凸部的长度。
以上就是冲压件模具设计中的一些常用公式。
通过使用这些公式,能够更好地指导冲压件模具的设计,提高冲压件的生产效率和质量。
五金冲压模计算方式
五金冲压原材料在弯曲过程中外层受到拉应力,内层受到压应力,从拉到压之间有一既不受拉力又不受压力的过渡层那就是中性层,中性层在弯曲过程中的长度和弯曲前一样,保持不变,所以中性层是计算弯曲件展开长度的标准。
中性层位置与变形程度有关,但弯曲半径较大时,折弯角度较小时,变形程度较小,中性层位置靠近板料厚度的中心处,但弯曲径弯小,折弯角度增大时,变形程度随之增大,中性层位置逐渐向弯曲中收的内侧移动,中性层到板料内侧的距离用A表示。
计算公式,展开长度=料内+料内+补偿量
1 中性层系数
备注:k1适用于有顶底的v形成u形弯曲,k2适用于吴顶底的v形弯曲,但通常我们习惯取k2值。
2 压弯90度角的修正系数a值
备注:此数据可单独用于90度角的折弯修正,也可以与中性层系数互相检查核对。
3 其余图形展开计算方式
Z折1,Z折展开计算考虑因素很多,比如R角大,是否压料,是否有压路,配合间隙,成型角度等等。
方法计算如上,实际计算时可以参考以下几点:
当C等于5或大于5T时,一般分两次成型,按两个90度折弯计算,但是要考虑到折弯的强度。
L=A-T+C+B+2K
当3T小于C小于5T时<一次成型>
L=A-T+C+B+K
当C小于或等于3T时<一次成型>
L=A-T+C+B+K/2
当折弯角度为90度,r=0俗称90度清角时,各材料厚度对应的经验值:
为了防止五金冲压零件展开过程中的失误,造成下料模的多次修改,特制定下料模的制作方式。
1 凡对一些展开存在不确定因素的冲压件,比如有拉伸薪资的展开,多次折弯,Z 折,有拉料想想等,经工程费分析有必要先试模。
冲压件展开计算方法冲压件是常件的金属件,在冲压前,要对冲压件下料,这时,往往要对冲压件展开计算:1 90˚无R轧形展开K值取值标准:a. t≦0.8mm,K=0.45b. 0.8mmc. 1.2mmd. t>3.0mm材料展开长度不易准确计算,应先试轧,得出展开系数后再调整展开尺寸.e. 软料t≦1.6mm,K=0.5(主要有铝料,铜料).注意:无R是指客户对R无要求,或要求不高时,为便于材料的折弯成形,我们的下模做成尖角的形式.有时客户的部品图中有R,一般客户没有特别指出的条件下我们均以尖角起模.2 非90˚无R轧形展开L=A+B+Kt(C˚/90˚)K值取值标准:a. t≦0.8mm,K=0.45b. 0.8mmc. 1.2mmd. t>3.0mm材料展开长度不易准确计算,应先试轧,得出展开系数后再调整展开尺寸.e.软料t≦1.6mm,K=0.5(主要有铝料,铜料).注意:无R是指客户对R无要求,或要求不高时,为便于材料的折弯成形,我们的下模做成尖角的形式.有时客户的部品图中有R,一般客户没有特别指出的条件下我们均以尖角起模.3 有R轧形展开备注:当客户部品图中没有特别要求做轧形R时,我们尽量按尖角设计.有要求时按以上方式进行展开.中性层系数确定:弯曲处的中性层是假设的一个层面.首先将材料延厚度方向划分出无穷多个厚度趋于0的层面,那么在材料弯曲的过程中长度方向尺寸不变的层面即为材料弯曲处的中性层.由上述可知中性层的尺寸等于部品的展开尺寸.1)铝料/ Al料中性层系数2) SPCC,SECC,SUS301,SUS304,SUS430,SPTE,SK5,SK7,铜料中性层系数3) 中性层经验值根据我们的实际设计经验,当产品的材料厚度t≦0.3时,产品弯曲处中性层系数K为0.5;当产品的材料厚度t>0.3时,产品弯曲处中性层系数为1/3.此时只需从弯曲的侧向材料方向偏移kt即为弯曲处的中性层.4 Z轧展开4.1两次Z轧成形图中t为材料厚度,H为Z轧折弯高度,在设计时材料厚度≦1.2mm,2.0mm≦轧形高度H≦3.5mm的时,我们通常采用两次Z轧的方式完成材料的Z轧成形.这时轧形展开公式为:备注:采用此类Z轧成形法,要求轧形高度为2mm以上3.5mm以下,材料厚度在1.2mm以下.4.2 一次成形"Z"轧1) 轧形高度在一倍料厚之时,一般采用一次成形.轧形展开尺寸为:2) 轧形高度在1倍料厚以上2mm以下时,采用一次成形,展开尺寸为:5 压平展开L=A+B+=A''+B''+''=1.33t''=0.42tC=0.7t(有压线)C=0.9t(无压线)t=材料厚度在模具设计时推平展开按以下公式进行L=A+B+1.33t (t为材料厚度)6 CNC轧形展开展开公式:L=A+B+CNC轧形弯曲补偿值上表补偿值适用于折弯R为0(包括图纸没有要求一般都当0做)的情况,如果客户图纸有R要求,则展开方法另计.当材料规格不在此表时可以用=0.35t(t为材料的厚度)做补偿进行初步展开,再根据实际情况进行调整.7 U形弯曲的展开L=A+B+(R+0.43t) t:为材料厚度8 弯曲拉伸复合结构展开展开原则:先将直边部分按弯曲展开,圆角部分按拉伸展开,然后用三点切圆(PA-PC-PB)的方式作一段与两直边和直径为D圆心与圆角圆心重合的圆(圆形拉伸的展开形状)相切的圆弧.当r≦1.5t时,求D值计算公式如下:当r>1.5t时,求D值计算公式如下:备注:拉伸处应按等体积法进行计算.9 展开尺寸调整9.1 标注公差不对称尺寸调整标注公差不对称尺寸展开时取尺寸公差的中间值.见下例:9.2 孔位加工尺寸的调整为防止因冲头的磨损而造成孔尺寸因小而超差.我们在设计一般将孔尺寸(所有类型的孔)做到上公差的60%~80%.例:图纸标注Φ5±0.1,起模时将此孔做到Φ5.06; 图纸标注Φ5±0.2,起模时将此孔做到Φ5.15.但对装钉底孔为保证装配质量,设计时只做大0.06mm(与装钉类型,材料厚度无关,但对需要进行特质特性要求的产品应根据实际情况而定,如装钉前需进行表面阳极氧化处处理的装钉底孔可以再做大0.02~0.03mm,但一般也为不表面处理进行再做大处理).9.3 有特质特性要求产品展开尺寸调整1)需要进行电镀类产品:原料为单光料(光泊)的产品一般需要电镀处理在设计时应根据客户对镀层厚度的要求适当的做小外形尺寸,做大孔尺寸(此时应根据公差的大小与镀层的厚度对尺寸进行相应调整,且仅进行一次调整),使产品电镀之后,能满足图纸的公差要求.关于需电镀产品镀前尺寸处理(对客户来图公差处理):图纸圆孔(及方孔)Φ±0.1的,做大0.06mm;图纸圆孔(及方孔)Φ±0.05的,做大0.04mm;图纸圆孔(及方孔)Φ±0.1以上的,做大0.1mm;特别是脚仔,图纸标注公差为±0.1的,做小0.06mm,角仔公差±0.1以上的,做小0.1mm.2)需要进行表面阳极氧化类产品,将产品上的孔做大0.02mm(在孔一般放大之后再做大),其余尺寸(如外形尺寸)不需要进行特别的调整.3)需要进行喷油喷粉的产品,在对产品展开图不进行一般调整,只需将孔做大2倍的最大喷层厚度,将其它有影响的外形尺寸用2倍的最大喷层厚度进行调整(喷后尺寸变大的做小,喷后尺寸变小的做大.。
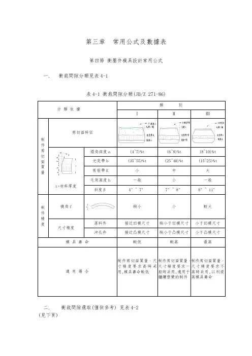
第三章 常用公式及數據表第四節 衝壓件模具設計常用公式一. 衝裁間隙分類見表4-1表4-1 衝裁間隙分類(JB/Z 271-86)分 類 依 據類 別ⅠⅡⅢ制 件 剪 切 面 質 量剪切面特征t=材料厚度塌角深度a (4~7)%t (6~8)%t (8~10)%t 光亮帶b (35~55)%t(25~40)%t(15~25)%t剪裂帶E 小 中 大 毛刺高度h一般 小 一般 斜度β4°~ 7°7°~ 8°8°~ 11°制 件 精 度撓角f稍小 小 較大尺寸精度落料件接近凹模尺寸 稍小于凹模尺寸 小于凹模尺寸 沖孔件接近凸模尺寸稍小于凸模尺寸 小于凸模尺寸模 具 壽 命較低較高最高適 用 場 合制件剪切面質量﹑尺寸精度要求高時采用,模具壽命較低 制件剪切面質量﹑尺寸精度要求一般時采用,適用于繼續塑變的制件制件剪切面質量﹑尺寸精度要求不高時采用,以利提高模具壽命二. 衝裁間隙選取(僅供參考) 見表4-2 (見下頁)表4-2 衝裁間隙比值(單邊間隙) (單位:%t)(注: 1. 本表適用于厚度為10mm以下的金屬材料, 厚料間隙比值應取大些;2. 凸,凹模的制造偏差和磨損均使間隙變大, 故新模具應取最小間隙;3. 硬質合金衝模間隙比鋼模大20% 左右.)注: 衝裁間隙選取應綜合考慮下列因素:1.衝床﹑模具的精度及剛性.2.產品的斷面品質﹑尺寸精度及平整度.3.模具壽命.4.跳屑.5.被加工材料的材質﹑硬度﹑供應狀態及厚度.6.廢料形狀.7.衝子﹑模仁材質﹑硬度及表面加工質量.三.衝裁力﹑卸(剝)料力﹑推件力﹑頂件力F衝= 1.3 * L * t *τ(N) (公式4-1)F卸= K卸* F衝 (N) (公式4-2)F推= N * K推* K衝(N) (公式4-3)F頂= K頂* F衝 (N) (公式4-4)其中:L ――衝切線長度 (mm)t ――材料厚度 (mm)τ――材料抗剪強度 (N/mm2 )1.3 ――安全系數K卸――卸(剝)料力系數K推――推料力系數K頂――頂料力系數K卸K推K頂數值見表4-3表4-3 卸料力﹑推件力和頂件力系數注:卸料力系數K卸在衝多孔﹑大搭邊和輪廓復雜時取上限值.四.中性層彎曲半徑R = r + x * t (mm) (公式4-5)其中:R――中性層彎曲半徑 (mm)r ――零件內側半徑 (mm)x ――中性層系數中性層系數見表4-4(僅供參考)表4-4 中性層系數x值注: 彎曲件展開尺寸與下列因素有關:1.彎曲成形方式.2.彎曲間隙.3.有無壓料.4.材料硬度﹑延伸率﹑厚度.5.根据實際狀況精確修正.五.材料最小彎曲半徑,見表4-5表4-5 最小彎曲半徑注:表列數据用于彎曲中心角≧90∘﹑斷面質量良好的情況. 六﹑彎曲回彈半徑及回彈角回彈角的數值為Δα = (180°-α0 )( r0/ r凸- 1) (公式4-7)式中 r凸――凸模的圓角半徑, [r凸 ]為mm;r0 ――工件的圓角半徑, [r0 ]為mm;α0 ――工件的彎曲角度, [α0]為(°);t ――工件材料厚度, [t]為mm;K ――簡化系數, 見表4-6表4-6 簡化系數k值七﹑彎曲力計算針對“v”型彎曲:F彎= 0.6kbtσb / (R + t ) (N) (公式4-8) 其中:b―――彎曲線長度 (mm)t―――材料厚度 (mm)r―――內側半徑 (mm)――材料極限強度 (N/mm2)σbk―――安全糸數,一般k=1.3八﹑拉深(抽引)系數m = d/D (公式4-9)其中:d ――拉深(抽引)后工件直徑 (mm)D――毛坯直徑 (mm)1. 無凸緣或有凸緣筒形件用壓邊圈拉深系數見表4-7表4-7 無凸緣或有凸緣筒形件用壓邊圈拉深的拉深系數(適用08,10號鋼)注: 1) 隨材料塑性高低,表中數值應酌情增減.2) ――線上方為直筒件(d凸=d1 ).3) 隨 d凸/D 數值增大, r/t 值可相應減小, 滿足2r1≦h1, 保証筒部有直壁.4) 查用時, 可用插入法, 也可用偏大值.5)多次拉深首次形成凸緣時,為考慮多拉入材料,m1增大0.02.2. 帶凸緣筒形件第一次拉深系見表4-8表4-8 帶凸緣筒形件第一次拉深時的拉深系數m 1注:適用于08﹑10號鋼3. 無凸緣筒形件用壓邊圈拉深系數見表4-9表4-9 無凸緣筒形件用壓邊圈時的拉深系數注: 1. 凹模圓角半徑大時 (r 凹 = 8 ~ 15t ), 拉深系數取小值, 凹模圓角半徑小時 (r 凹 = 4 ~8t ), 拉深系數取大值.2. 表中拉深系數適用于08﹑10S ﹑15S 鋼與軟黃銅H62 ﹑ H68. 當拉深塑性更大的金屬時(05﹑08Z 及10Z 鋼﹑鋁等), 應比表中數值減小1.5-2%. 而當拉深塑性較小的金屬時(20﹑25﹑A2﹑A3﹑酸洗鋼﹑硬鋁﹑硬黃銅等), 應比表中數值增大1.5-2%(符號S 為深拉深鋼, Z 為最深拉深鋼).4. 無凸緣筒形件不用壓邊圈拉深系數見表4-10表4-10 無凸緣筒形件不用壓邊圈時的拉深系數注:適用于08﹑10以及15Mn等材料5. 有工藝切口的第一次拉深系數見表4-11表4-11有工藝切口的第一次拉深系數m1 (材料:08﹑10)6. 有工藝切口的以后各次拉深系數見表4-12表4-12有工藝切口的以後各次拉深系數m n(材料:08﹑10))7. 有工藝切口的各次拉深系數見表4-13表4-13有工藝切口的各次拉深系數九﹑拉深(抽引)力F抽=3(σb + σs)( D – d - r凹)t (N) (公式4-10)其中:σb――材料極限強度 (N/mm2)σs――材料屈服強度 (N/mm2)D―――毛坯直徑 (mm)d―――拉深凹模直徑 (mm)r凹――拉深凹模圓角 (mm)t―――材料厚度 (mm)十﹑孔的翻邊1. 翻邊系數 K = d/D (公式4-11)d ――預衝孔直徑 (mm)D ――翻邊后平均直徑 (mm)各種材料極限翻邊系數見表4-14,表4-15表4-14 低碳鋼的極限翻邊系數K表4-15 其它一些材料的翻邊系數2. 預衝孔直徑d = D-2( h - 0.43r - 0.72t ) (公式4-12)h ――翻邊高度 (mm)r ――翻邊圓角 (mm)t ――材料厚度 (mm)3. 翻邊高度h = D/[( 1-k )/2] + 0.4r + 0.72t (公式4-13)4. 翻邊口部材料厚度t1 = t√k (mm) (公式4-14)5.翻邊力F = 1.1tπtσs( D-d )σs ――材料屈服強度 (Mpa)十一設計連接器五金零件應注意的要點1.尺寸標注:1)尺寸標注在最顯要位置,直觀,不封閉;2)重要﹑關鍵尺寸直接標注,不能有累積公差;3)尺寸公差大小應綜合考慮功能及制造成本,并非越小越好,体現“該精就精,該粗就粗”一般經濟公差為:下料±0.03,成形±0.05,角度±0.5°4)重要及關鍵尺寸應綜合考慮制程穩定性、裝配、使用功能并非多益善.5)設計基准,制造基准,測量基准相統一;2.形位公差:1)基准(面或線)不應有變形2)標注應清楚明確,方便量測;3)設計基准,制造基准,測量基准相統一;4)應綜合考慮制程穩定性及使用要求,并非多多益善,精度一般可達到0.10;5)很穩定的尺寸, 如下料尺寸等可以不標.3.結構設計及強度要求1)材料選用滿足使用要求,又方便采購的原料;2)零件外形園角,防止滾鍍表面刮傷;3)零件應有足夠的強度及剛性,防止在貯存,電鍍、搬運過程中的變形及尺寸變異;4)特殊零件,可采用多種工序組合方式,如多軸成形加工.五金模具+治具等不同方式來完成;5)連續料帶要求:A)Carrier應有足夠的強度及剛性B)盡量采用雙側CarrierC)注意包裝時Carrier及零件是否變形D)連續電鍍的孔徑、孔距特殊要求4.五金零件加工工藝:1)衝裁A)斷面質量、光亮面比例大小B)毛刺大小(一般不超過0.05)及方向,對外觀、功能的影響C)倒刺結構,不允許有園角D)盡量避免長懸臂或長槽E)零件平整度要求,一般為0.102)彎曲A)最小彎曲半徑B)外側龜裂的影響C)彎起高度應大于2t,如圖4-4D)孔邊距離應大于t,如圖4-5,也可采用如圖4-6所示工藝 F)材料方向性對使用性能的影響3) 抽引A)形狀盡量簡單對稱B)R 角不應太小,一般可達R0.30, 如圖4-7C)內外尺寸不可同時標注D)表面模痕不應有苛刻要求E)平面度一般可達0.10第八章 工程圖面作業標准第二節 五金模具一. 五金模具開發流程,見表8-1二. 五金模具裝配圖 (圖8-1)三. 模具圖面常見符號含義M,MC ―― 銑 SP ―――― 基准點H ―――熱處理 TYP ――――典型尺寸ELE ――鍍鉻 RP ――――圓弧點DYE ――染黑 CEN,CL ――中心線G ―――磨 TAN ――――切點PG ―――光學曲線磨 THR ――――穿孔JG ―――座標磨 BOTT ―――底面W/C,W ――線割 TOP ――――頂面E,EDM――放電 SYM ――――對稱L ――――車 T ―――――厚度INT ―――交點 CB ――――沉孔C ――――倒角 CLEAR ―――間隙四.典型零件排樣1. HOOK類,見圖8-22.抽引類,見圖8-33.外殼類,見圖8-4。
冲压零件技术参数冲压零件是制造业中常见的一种工艺,其制作技术参数对产品的质量和生产效率有着重要的影响。
下面我们将就冲压零件的技术参数进行详细的介绍。
一、冲压零件概述冲压是一种通过模具和冲压设备使金属板材产生塑性变形以制成所需形状和尺寸的零件的加工方法。
它包括单次冲压和多次冲压两种方式,多次冲压也是常见的形式,比如车身件、电子零部件等就是通过多次冲压制作的。
冲压零件广泛应用于汽车、电子、家电、机械等行业中。
二、冲压零件技术参数1. 材料冲压零件常用的材料有冷轧板、热轧板、不锈钢板、铝合金板等。
根据产品的使用环境和功能需求,选择合适的材料对产品的性能起着决定性作用。
材料的选择需考虑其强度、塑性、耐腐蚀性等方面的指标。
2. 厚度冲压零件的厚度是指材料的厚度,通常以毫米(mm)为单位。
合理选择材料的厚度,既要满足产品的强度和刚度要求,也要考虑到材料的成本和加工工艺的可行性。
3. 设计模具设计好的模具对于冲压零件的加工效率和成品质量具有重要的影响。
需要考虑模具的结构设计、材料的选择、表面处理等方面的技术参数。
4. 冲压设备冲压设备的选型和参数设置对于冲压零件的加工效率和成品精度有着直接的影响。
常见的冲压设备有冲床、冲压机等,需要根据产品的大小、厚度、生产需求等因素来选择合适的设备。
5. 加工工艺冲压零件的加工工艺包括模具设计、冲床设备的选择、冲压过程的控制等方面。
针对不同的产品形状和尺寸,需要合理设计加工路径和参数,确保冲压零件的生产质量和效率。
6. 表面处理冲压零件的表面处理可以影响其外观质量和耐腐蚀性能。
常见的表面处理方式有镀锌、喷涂、阳极氧化等,需要根据产品的使用环境和要求来选择合适的表面处理工艺。
7. 质量检验冲压零件的质量检验是保证产品质量的重要环节,包括外观检测、尺寸测量、材料成分分析等多个方面。
通过严格的质量检验,可以确保产品达到设计要求并具有稳定的质量。
以上是关于冲压零件技术参数的相关内容,通过合理设置这些技术参数可以有效提高冲压零件的生产效率和产品质量,满足不同行业对于冲压零件的需求。
冲压产品展开计算方法冲压是一种通过压机对薄板材进行加工的方式,常见于金属加工、汽车制造、家电制造等行业。
在冲压过程中,常需要对薄板进行展开计算,以确定薄板的尺寸和形状。
展开计算方法可以分为手工计算和计算机辅助设计两种。
手工计算是一种较为简单的展开计算方法,主要用于较为简单的薄板零件加工。
下面将介绍手工计算的基本步骤:1.了解薄板的材料和厚度:首先需要了解薄板的材料和厚度,这些参数决定了薄板的强度和可塑性。
2.确定零件的形状和尺寸:根据零件的实际形状和尺寸,可以确定薄板的展开长度和宽度。
3.计算展开的长度和宽度:薄板的展开长度等于零件在展开后的周长,可以通过零件的底边长度和周长计算公式进行计算。
展开的宽度等于零件的最大宽度,对于一些带角度的部分,需要进行长度的修正。
4.确定展开后的形状:根据薄板材料的可塑性和弹性,计算展开后的形状。
对于有弧度的部分,需要通过切割或滚压等方式来修正形状。
5.进行模具的设计和制造:根据展开后的形状和尺寸,进行模具的设计和制造。
模具的制作一般使用数控加工技术,确保模具的精度和质量。
手工计算方法简单直观,但适用范围有限。
对于形状复杂或要求较高精度的零件,常采用计算机辅助设计的方法进行展开计算。
计算机辅助设计是利用计算机软件进行展开计算的方法,具有精度高、速度快、自动化程度高等特点。
常见的计算机辅助设计软件包括AutoCAD、SolidWorks、CATIA等。
这些软件具有强大的绘图和计算功能,可以通过输入薄板的初始形状和尺寸,进行展开计算,并自动生成展开后的图纸和尺寸。
计算机辅助设计方法相对复杂,具体步骤如下:1.绘制薄板的三维模型:使用计算机辅助设计软件,根据零件的实际形状和尺寸,绘制薄板的三维模型。
2.确定展开的方式:根据薄板的特点和加工要求,确定展开的方式。
常用的展开方式包括平面展开、圆锥展开、曲面展开等。
3.进行展开计算:根据薄板的三维模型和展开方式,使用计算机辅助设计软件进行展开计算。
冲压件展开计算方法冲压件是常件的金属件,在冲压前,要对冲压件下料,这时,往往要对冲压件展开计算:1 90˚无内R轧形展开K值取值标准:a. t≦0.8mm,K=0.45b. 0.8mmc. 1.2mmd. t>3.0mm材料展开长度不易准确计算,应先试轧,得出展开系数后再调整展开尺寸.e. 软料t≦1.6mm,K=0.5(主要有铝料,铜料).注意:无内R是指客户对内R无要求,或要求不高时,为便于材料的折弯成形,我们的下模做成尖角的形式.有时客户的部品图中有内R,一般客户没有特别指出的条件下我们均以尖角起模.2 非90˚无内R轧形展开L=A+B+Kt(C˚/90˚)K值取值标准:a. t≦0.8mm,K=0.45b. 0.8mmc. 1.2mmd. t>3.0mm材料展开长度不易准确计算,应先试轧,得出展开系数后再调整展开尺寸.e.软料t≦1.6mm,K=0.5(主要有铝料,铜料).注意:无内R是指客户对内R无要求,或要求不高时,为便于材料的折弯成形,我们的下模做成尖角的形式.有时客户的部品图中有内R,一般客户没有特别指出的条件下我们均以尖角起模.3 有内R轧形展开备注:当客户部品图中没有特别要求做轧形内R时,我们尽量按尖角设计.有要求时按以上方式进行展开.中性层系数确定:弯曲处的中性层是假设的一个层面.首先将材料延厚度方向划分出无穷多个厚度趋于0的层面,那么在材料弯曲的过程中长度方向尺寸不变的层面即为材料弯曲处的中性层.由上述可知中性层的尺寸等于部品的展开尺寸.1)铝料/ Al料中性层系数角度( 0˚角度( 90˚角度( >180˚ )R 内/TS(从弯曲内侧往外)R内/TS(从弯曲内侧往外)R内/TS(从弯曲内侧往外)2) SPCC,SECC,SUS301,SUS304,SUS430,SPTE,SK5,SK7,铜料中性层系数3) 中性层经验值根据我们的实际设计经验,当产品的材料厚度t≦0.3时,产品弯曲处中性层系数K为0.5;当产品的材料厚度t>0.3时,产品弯曲处中性层系数为1/3.此时只需从弯曲的内侧向材料方向偏移kt即为弯曲处的中性层.4 Z轧展开4.1两次Z轧成形图中t为材料厚度,H为Z轧折弯高度,在设计时材料厚度≦1.2mm,2.0mm≦轧形高度H≦3.5mm的时,我们通常采用两次Z轧的方式完成材料的Z轧成形.这时轧形展开公式为:备注:采用此类Z轧成形法,要求轧形高度为2mm以上3.5mm以下,材料厚度在1.2mm以下.4.2 一次成形"Z"轧1) 轧形高度在一倍料厚之内时,一般采用一次成形.轧形展开尺寸为:2) 轧形高度在1倍料厚以上2mm以下时,采用一次成形,展开尺寸为:5 压平展开L=A+B+@=A''+B''+@''@=1.33t@''=0.42tC=0.7t(有压线)C=0.9t(无压线)t=材料厚度在模具设计时推平展开按以下公式进行L=A+B+1.33t (t为材料厚度)6 CNC轧形展开展开公式:L=A+B+@CNC轧形弯曲补偿值@材料厚度(t) 电解料,单光料铜类材料铝类材料0.8mm 0.28mm 0.3mm 0.3mm1.0mm 0.33mm 0.35mm 0.4mm1.2mm 0.4mm 0.45mm 0.48mm1.5mm 0.49mm 0.6mm 0.63mm2.0mm 0.78mm 0.73mm 0.83mm上表补偿值适用于折弯内R为0(包括图纸没有要求一般都当0做)的情况,如果客户图纸有内R要求,则展开方法另计.当材料规格不在此表时可以用@=0.35t(t为材料的厚度)做补偿进行初步展开,再根据实际情况进行调整.7 U形弯曲的展开L=A+B+(R+0.43t) t:为材料厚度8 弯曲拉伸复合结构展开展开原则:先将直边部分按弯曲展开,圆角部分按拉伸展开,然后用三点切圆(PA-PC-PB)的方式作一段与两直边和直径为D圆心与圆角圆心重合的圆(圆形拉伸的展开形状)相切的圆弧.当r≦1.5t时,求D值计算公式如下:当r>1.5t时,求D值计算公式如下:备注:拉伸处应按等体积法进行计算.9 展开尺寸调整9.1 标注公差不对称尺寸调整标注公差不对称尺寸展开时取尺寸公差的中间值.见下例:9.2 孔位加工尺寸的调整为防止因冲头的磨损而造成孔尺寸因小而超差.我们在设计一般将孔尺寸(所有类型的孔)做到上公差的60%~80%.例:图纸标注Φ5±0.1,起模时将此孔做到Φ5.06; 图纸标注Φ5±0.2,起模时将此孔做到Φ5.15.但对装钉底孔为保证装配质量,设计时只做大0.06mm(与装钉类型,材料厚度无关,但对需要进行特质特性要求的产品应根据实际情况而定,如装钉前需进行表面阳极氧化处处理的装钉底孔可以再做大0.02~0.03mm,但一般也为不表面处理进行再做大处理).9.3 有特质特性要求产品展开尺寸调整1)需要进行电镀类产品:原料为单光料(光泊)的产品一般需要电镀处理在设计时应根据客户对镀层厚度的要求适当的做小外形尺寸,做大孔尺寸(此时应根据公差的大小与镀层的厚度对尺寸进行相应调整,且仅进行一次调整),使产品电镀之后,能满足图纸的公差要求.关于需电镀产品镀前尺寸处理(对客户来图公差处理):图纸圆孔(及方孔)Φ±0.1的,做大0.06mm;图纸圆孔(及方孔)Φ±0.05的,做大0.04mm;图纸圆孔(及方孔)Φ±0.1以上的,做大0.1mm;特别是脚仔,图纸标注公差为±0.1的,做小0.06mm,角仔公差±0.1以上的,做小0.1mm.2)需要进行表面阳极氧化类产品,将产品上的孔做大0.02mm(在孔一般放大之后再做大),其余尺寸(如外形尺寸)不需要进行特别的调整.3)需要进行喷油喷粉的产品,在对产品展开图不进行一般调整,只需将孔做大2倍的最大喷层厚度,将其它有影响的外形尺寸用2倍的最大喷层厚度进行调整(喷后尺寸变大的做小,喷后尺寸变小的做大.。
冲压件弯曲计算板料在弯曲过程中外层受到拉应力,内层受到压应力,从拉到压之间有一既不受拉力又不受压力的过渡层--中性层,中性层在弯曲过程中的长度和弯曲前一样,保持不变,所以中性层是计算弯曲件展开长度的基准.中性层位置与变形程度有关, 当弯曲半径较大,折弯角度较小时,变形程度较小,中性层位置靠近板料厚度的中心处,当弯曲半径变小, 折弯角度增大时,变形程度随之增大,中性层位置逐渐向弯曲中心的内侧移动.中性层到板料内侧的距离用λ表示.展开的基本公式:展开长度=料内+料内+补偿量一般折弯:(R=0, θ=90°)L=A+B+K1. 当0T0.3时, K=02. 对于铁材:(如GI,SGCC,SECC,CRS,SPTE, SUS等)a. 当0.3T 1.5时, K=0.4Tb. 当1.5T 2.5时, K=0.35Tc. 当 T 2.5时, K=0.3T3. 对于其它有色金属材料如AL,CU:当 T0.3时, K=0.5T注: R 2.0时, 按R=0处理.一般折弯(R≠0 θ=90°)L=A+B+KK值取中性层弧长1. 当T 1.5 时λ=0.5T2. 当T 1.5时λ=0.4T一般折弯(R=0 θ≠90°)L=A+B+K’1. 当T0.3 时K’=02. 当T0.3时K’=(/90)*K注: K为90∘时的补偿量一般折弯(R≠0 θ≠90°)L=A+B+K1. 当T 1.5 时λ=0.5T2. 当T 1.5时λ=0.4TK值取中性层弧长注: 当R 2.0, 且用折刀加工时, 则按R=0来计算, A、B依倒零角后的直边长度取值Z折1(直边段差)。
冲压参数表通常包含一些关键参数,这些参数对于冲压工艺的成功实施至关重要。
以下是一些常见的冲压参数及其简要说明:
1.冲裁力:冲裁力是指冲压过程中所需的力,用于将材料从模具中冲出。
这个力
的大小取决于材料的厚度、硬度、模具的间隙以及冲裁形状等因素。
2.卸料力:卸料力是指将冲压件从模具中取出所需的力。
这个力的大小取决于冲
压件的形状、尺寸和模具的设计等因素。
3.推件力:推件力是指将冲压件从模具中推出所需的力。
这个力的大小也取决于
冲压件的形状、尺寸和模具的设计等因素。
4.顶件力:顶件力是指将冲压件从模具中顶出所需的力。
这个力的大小通常取决
于冲压件的高度和模具的设计等因素。
5.冲压速度:冲压速度是指冲压过程中冲头的移动速度。
这个速度的快慢直接影
响到冲压件的质量和生产效率。
6.模具间隙:模具间隙是指冲头和模具之间的间隙。
这个间隙的大小对冲压件的
精度和质量有很大影响。
7.材料厚度和硬度:材料的厚度和硬度是冲压工艺中非常重要的参数。
这些参数
直接影响到冲裁力、模具磨损以及冲压件的质量。
请注意,以上参数可能会因具体的冲压工艺、模具设计和生产要求而有所不同。
在实际应用中,需要根据具体情况进行调整和优化。
此外,为了获得最佳的冲压效果,可能还需要考虑其他因素,如模具的润滑、冷却和加热等。
这些因素也会对冲压参数的选择产生影响。
冲压件展开计算方法公司标准化编码 [QQX96QT-XQQB89Q8-NQQJ6Q8-MQM9N]冲压件展开计算方法冲压件是常件的金属件,在冲压前,要对冲压件下料,这时,往往要对冲压件展开计算:1 90?无内R轧形展开K值取值标准:a. t≦,K=b.c.d. t>材料展开长度不易准确计算,应先试轧,得出展开系数后再调整展开尺寸.e. 软料t≦,K=(主要有铝料,铜料).注意:无内R是指客户对内R无要求,或要求不高时,为便于材料的折弯成形,我们的下模做成尖角的形式.有时客户的部品图中有内R,一般客户没有特别指出的条件下我们均以尖角起模.2 非90?无内R轧形展开L=A+B+Kt(C?/90?)K值取值标准:a. t≦,K=b.c.d. t>材料展开长度不易准确计算,应先试轧,得出展开系数后再调整展开尺寸.e.软料t≦,K=(主要有铝料,铜料).注意:无内R是指客户对内R无要求,或要求不高时,为便于材料的折弯成形,我们的下模做成尖角的形式.有时客户的部品图中有内R,一般客户没有特别指出的条件下我们均以尖角起模.3 有内R轧形展开3) 中性层经验值根据我们的实际设计经验,当产品的材料厚度t≦时,产品弯曲处中性层系数K 为;当产品的材料厚度t>时,产品弯曲处中性层系数为1/3.此时只需从弯曲的内侧向材料方向偏移kt即为弯曲处的中性层.4 Z轧展开两次Z轧成形图中t为材料厚度,H为Z轧折弯高度,在设计时材料厚度≦,≦轧形高度H≦的时,我们通常采用两次Z轧的方式完成材料的Z轧成形.这时轧形展开公式为:备注:采用此类Z轧成形法,要求轧形高度为2mm以上以下,材料厚度在以下.一次成形"Z"轧1) 轧形高度在一倍料厚之内时,一般采用一次成形.轧形展开尺寸为:2) 轧形高度在1倍料厚以上2mm以下时,采用一次成形,展开尺寸为:5 压平展开L=A+B+@=A''+B''+@''@=@''=C=(有压线)C=(无压线)t=材料厚度在模具设计时推平展开按以下公式进行L=A+B+ (t为材料厚度)6 CNC轧形展开展开公式:L=A+B+@上表补偿值适用于折弯内R为0(包括图纸没有要求一般都当0做)的情况,如果客户图纸有内R要求,则展开方法另计.当材料规格不在此表时可以用@=(t为材料的厚度)做补偿进行初步展开,再根据实际情况进行调整.7 U形弯曲的展开L=A+B+(R+ t:为材料厚度8 弯曲拉伸复合结构展开展开原则:先将直边部分按弯曲展开,圆角部分按拉伸展开,然后用三点切圆(PA-PC-PB)的方式作一段与两直边和直径为D圆心与圆角圆心重合的圆(圆形拉伸的展开形状)相切的圆弧.当r≦时,求D值计算公式如下:当r>时,求D值计算公式如下:备注:拉伸处应按等体积法进行计算.9 展开尺寸调整标注公差不对称尺寸调整标注公差不对称尺寸展开时取尺寸公差的中间值.见下例:孔位加工尺寸的调整为防止因冲头的磨损而造成孔尺寸因小而超差.我们在设计一般将孔尺寸(所有类型的孔)做到上公差的60%~80%.例:图纸标注Φ5±,起模时将此孔做到Φ; 图纸标注Φ5±,起模时将此孔做到Φ.但对装钉底孔为保证装配质量,设计时只做大(与装钉类型,材料厚度无关,但对需要进行特质特性要求的产品应根据实际情况而定,如装钉前需进行表面阳极氧化处处理的装钉底孔可以再做大~,但一般也为不表面处理进行再做大处理).有特质特性要求产品展开尺寸调整1)需要进行电镀类产品:原料为单光料(光泊)的产品一般需要电镀处理在设计时应根据客户对镀层厚度的要求适当的做小外形尺寸,做大孔尺寸(此时应根据公差的大小与镀层的厚度对尺寸进行相应调整,且仅进行一次调整),使产品电镀之后,能满足图纸的公差要求.关于需电镀产品镀前尺寸处理(对客户来图公差处理):图纸圆孔(及方孔)Φ±的,做大;图纸圆孔(及方孔)Φ±的,做大;图纸圆孔(及方孔)Φ±以上的,做大;特别是脚仔,图纸标注公差为±的,做小,角仔公差±以上的,做小.2)需要进行表面阳极氧化类产品,将产品上的孔做大(在孔一般放大之后再做大),其余尺寸(如外形尺寸)不需要进行特别的调整.3)需要进行喷油喷粉的产品,在对产品展开图不进行一般调整,只需将孔做大2倍的最大喷层厚度,将其它有影响的外形尺寸用2倍的最大喷层厚度进行调整(喷后尺寸变大的做小,喷后尺寸变小的做大.。