连接器的测试标准样本
- 格式:doc
- 大小:719.00 KB
- 文档页数:11
连接器的测试标准
一、引言
二、连接器的物理特性测试标准
1.外形尺寸:包括连接器的外形尺寸、公称尺寸、总长度、总宽度、厚度、外壳厚度、把手高度、窗口宽度等;
细节要求:公称尺寸精度为±0.3mm,总长度精度为±0.5mm,总宽度
精度为±0.2mm,厚度精度为±0.1mm,外壳厚度精度为±0.1mm,把手高
度精度为±0.2mm,窗口宽度精度为±0.2mm。
2.连接器结构:包括连接器构件、插芯、拔插件、凸块、锁定元件等;
细节要求:如果有多个插芯,则所有插芯必须都是弹性的,拔插件必
须能够很好的与插芯连接,凸块的位置及尺寸与插芯的设计有效空间及性
能有关,锁定元件必须能够稳定的锁定连接件,以保证整个连接结构的牢
固可靠。
3.连接器连接件:包括连接器的导线、连接片、金属导线、接地片等;。
连接器测试规范范文一、引言连接器是电子设备中常见的一种连接元件,用于连接或断开电子电气信号传输线路。
连接器的质量对电子设备的可靠性和性能有着重要的影响。
为了确保连接器的质量,需要进行相应的测试。
连接器测试规范是对连接器进行测试的一套具体规定,旨在确保连接器的可靠性、一致性和性能。
二、测试对象三、测试设备1.物理测试设备:包括连接器引出线、测试电缆、夹子以及测试工具等。
2.电气测试设备:包括电阻测量仪、绝缘测试仪、信号发生器、示波器等。
3.环境测试设备:包括温度测试仪、湿度测试仪、震动台等。
四、测试项目1.物理测试项目:1.1连接器外观检查:检查连接器外壳、引脚、插头、插座等是否完好无损。
1.2连接力测试:测试连接器的插拔力是否满足设计要求。
1.3引线拉力测试:测试连接器引线的拉力是否满足设计要求。
1.4机械寿命测试:测试连接器的机械寿命,包括插拔次数和连接力的变化情况。
2.电气测试项目:2.1电阻测试:测试连接器的接触电阻是否满足设计要求。
2.2绝缘电阻测试:测试连接器的绝缘电阻是否满足设计要求。
2.3信号传输测试:测试连接器的信号传输质量,包括信号波形、噪声抑制等。
2.4电流负载测试:测试连接器的电流负载能力。
3.环境测试项目:3.1温度测试:测试连接器在正常工作温度范围内的性能。
3.2湿度测试:测试连接器在高湿度环境下的性能。
3.3震动测试:测试连接器在振动和冲击环境下的性能。
五、测试方法1.物理测试方法:采用目测、测量和机械测试等方法进行。
2.电气测试方法:采用测试仪器进行接线连接,按照测试规范进行测试。
3.环境测试方法:根据测试要求设置相应的环境参数,采用测试仪器进行测试。
六、测试结果评定测试结果根据设计要求和连接器特性来评定,可以分为合格、不合格和待修复等结果。
七、测试记录和报告测试记录和报告应包含测试样品信息、测试环境参数、测试方法、测试结果和评定等内容,并进行归档保管。
八、测试频次和范围测试频次和范围应根据连接器的使用要求和实际情况进行确定。
比亚迪连接器实验标准一、耐压实验1.实验目的:检测连接器在规定电压下的电气性能,确保其安全可靠。
2.实验设备:耐压测试仪、电源、负载。
3.实验方法:将连接器固定在测试仪上,设置规定电压(如1000V),加压时间1分钟,观察连接器是否出现击穿、电弧、闪烁等现象。
4.实验要求:连接器应能承受规定电压,无电气故障现象。
二、绝缘电阻实验1.实验目的:检测连接器的绝缘性能,确保其具有良好的绝缘电阻。
2.实验设备:绝缘电阻测试仪。
3.实验方法:将连接器固定在测试仪上,测量不同绝缘材料间的电阻值。
4.实验要求:连接器的绝缘电阻应大于规定值(如100MΩ)。
三、接触电阻实验1.实验目的:检测连接器的导电性能,确保其具有良好的接触电阻。
2.实验设备:接触电阻测试仪。
3.实验方法:将连接器固定在测试仪上,测量连接器的接触电阻值。
4.实验要求:连接器的接触电阻应小于规定值(如10mΩ)。
四、耐腐蚀实验1.实验目的:检测连接器在不同环境下的耐腐蚀性能。
2.实验设备:盐雾试验箱、恒温恒湿试验箱。
3.实验方法:将连接器放置在盐雾试验箱或恒温恒湿试验箱中,设置不同的环境条件(如温度、湿度、盐雾浓度),观察连接器的腐蚀情况。
4.实验要求:连接器应能在规定的环境条件下保持良好外观和性能。
五、机械强度实验1.实验目的:检测连接器的机械性能,确保其具有良好的机械强度。
2.实验设备:拉力试验机、插拔力试验机。
3.实验方法:在连接器的插座和插头之间施加一定的拉力或插拔力,观察连接器的变形情况及是否出现断裂、脱落等现象。
4.实验要求:连接器应能承受规定的拉力或插拔力,无明显的变形和损坏。
六、温度冲击实验1.实验目的:检测连接器在不同温度下的性能稳定性。
2.实验设备:高低温冲击试验箱。
3.实验方法:将连接器快速地从高温环境切换到低温环境,或从低温环境切换到高温环境,观察连接器的外观和性能变化。
4.实验要求:连接器应能在规定的温度冲击条件下保持良好外观和性能。
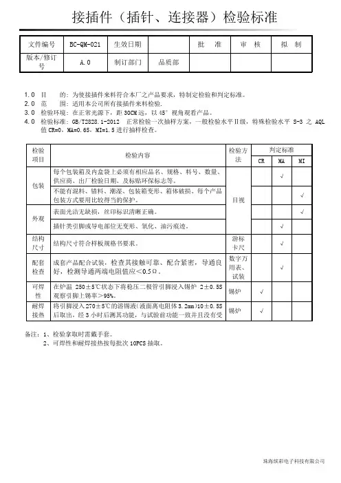
连接器实验一.连接器的实验项目:插拔力、夹持力、蒸汽老化、盐水喷雾、热风回流程(IR)、振动测试、高温老化、恒温恒湿、冷热冲击、快速插拔测试、接触阻抗、绝缘阻抗、耐压测试、硬度测试、喷漆厚度测试、电镀膜厚测试、表面粗糙度测试、吃锡性/耐焊性实验。
二.各项实验之条件及实验目的:1.插拔力---测试公母对插之插入及拔出所需力量。
(自动插拔测试机)参数:插入行程及速度、测试单程或去回程、插拔次数。
检验:检验产品在公母对插时的力量是否太紧太松,当影响对插力理的尺寸不良需做此项实验确认。
2.夹持力---测试端子植入塑料所需拔出之力量。
(自动插拔测试机)参数:同上检验:当端子卡钩尺寸或塑料卡槽尺寸不良时,需做此项实验来确认。
自动插拔测试机如下:3.蒸汽老化---检验五金件电镀后的保质期。
(镀全金/半金锡/全锡端子)试验条件为温度98±2℃,时间8H。
(蒸汽老化试验机)参数:温度及时间可以调整。
另可检验NY6T塑料的吸湿性检验:当五金件表面刮伤、镀层太低或电镀表面不良时需做此项实验确认质量。
蒸汽老化试验机如下:4.盐水喷雾---检验五金件电镀后的保质期。
(铁壳/叉片/铆钉类)试验条件为试验槽温度35℃,时间4H,盐水比例5:95。
(盐水喷雾试验机) 参数:试验时间可调整。
检验:当五金件表面刮伤、镀层太低或电镀表面不良时需做此项实验确认质量。
盐水喷雾试验机如下:5.热风回流焊(IR)---仿真产品在客户处过SMT使用状况。
现厂内主要检验塑料起泡状况及少量产品SMT试验,实验条件为温度235±5℃,最高温度时间为3~5S。
(热风回流焊试验机)参数:实验温度/时间可以依需求调整。
检验:当塑料存放时间过长(NY6T 3个月)、镀锡铁壳或沾锡膏实验需通过此实验确认塑料是否会起泡、铁壳是否会流锡或吃锡状况。
热风回流焊试验机如下:6.振动测试---检验产品公母对插后的瞬间导通性,实验时将产品全部串联接到信号测试机上测试。
线材连接器测试标准
线材连接器测试标准如下:
1.连接器耐久性测试。
参考标准:EIA-364-09,目的是评估反复插拔对连接器的影响,模拟实际使用中连接器的插拔状况。
2.连接器绝缘电阻测试。
参考标准:EIA-364-21,目的是验证连接器的绝缘性能是否符合电路设计的要求或经受高温,潮湿等环境应力时,其阻值是否符合有关技术条件的规定。
3.连接器耐电压测试。
参考标准:EIA-364-20,目的是验证连接器在额定电压下是否能安全工作,能否耐受过电位的能力,从而评定连接器绝缘材料或绝缘间隙是否合适。
此外,还有连接器接触电阻测试、连接器机械冲击测试、连接器冷热冲击测试等。
汽车连接器测试规范编制(Author):崔远鹏部门(Dept.):PE部电话(Phone):+86755传真(Fax):+86755手机(Cell-phone):+86E-Mail:首次发行(FirstIssue)修改日期(Dateof revision)版本(Specificationsversion)修改记录Revision record目录范围、术语和定义…………………………………………..………………....4一般要求……………………………………………………..…………………...5尺寸特性、物料特性、环境温度范围………………………..............7 Header连接器和直接连接零部件…………………………..…………….8预处理(连接器/接触件循环插拔)............................................9 物理外观.. (10)电连续性监测(瞬断监测) (10)接触件机械性能试验...................................................................12 接触电阻(干电路电阻) (13)电压降………………………………………………………………………….....15 最大电流能力……………………………………………………………….....16 1008h电流循环……………………………………………………………….18 线束拉脱力……………………………………………………………………..19 连接器插入力/拔出力……………………………………………………..20连接器插入力/拔出力(无机械辅助的连接器) (22)连接器插入力/拔出力(带机械辅助的连接器)…………………..25连接器极性防错能力…………………………………………………….…26连接器其它零件如CPA、PLR、locatorclip的插入力/拔出力 (26)振动/机械冲击..........................................................................28 连接器装配时的喀哒声......................................................... (31)连接器塑件(塑件(护套))孔的易受损伤………………………..31绝缘电阻…………………………………………………………………..….32耐压 (33)可焊性…………………………………………………………………...…32耐焊接热 (34)热冲击…………………………………………………………………...…34温度/湿度循环............................................................. (35)高温试验…………………………………………………………….......37 低温试验………………………………………………………………...…39耐工业溶剂…………………………………………………………………39浸渍试验........................................................................ (40)压力/真空泄露……………………………………………………………..42盐雾(QC/T29106)………………………………………………….…43 Header连接器针的固定力……………………………………………..44连接器安装结构的机械强度……………………………………..…….45保险丝与连接器的插/拔力 (46)保险丝接触片在保险丝中的固定力………………………………….47高压水喷射……………………………………………………..………….47严酷震动 (49)加速老化试验 (51)恒定湿热 (52)一范围、术语和定义1 范围本规范规定了汽车Header连接器和设备(Device)连接器的技术要求、试验方法。
连接器力测试标准:6.0连接器和端子测试:(Engage/Disengage Force, Terminal Push)6.1 目的:本实验是为了检验控制器的连接端子是否满足保持力的标准要求。
该测试的失效模式及效果6.2步骤:控制器要承受的测试条件如测试条件表中所描述。
该测试条件表遵循产品测试表中相关内容。
测试中的任何偏差以及任何其他相关的测试数据必须要求记录。
Note 1a:本试验将会给测试模块连接器内部的端子一个应力。
在测试时需要确保夹具能紧固测试模块。
Note 2a:目检:由测试导致的产品变化应该被记录下来,并报告给JETEK工程师。
JETEK工程将决定是否进行必要调整。
机械表面目检:目检是否有部件松动(电气的或机械的),或者管套有损伤或磨损。
6.5合格/不合格标准:端子应当完整的保留在连接器上,永久性变形持续不能超过0.1 mm。
7.0 连接器插入力测试:7.1目的:本试验是为了检验线束的接头到控制器接口的接头的插入力是否满足标准要求。
该测试的失效模式及效果测试情况如下:7.2步骤:控制器要承受的测试条件如测试条件表中所描述。
该测试条件表遵循产品测试表中相关内容。
测试中的任何偏差以及任何其他相关的测试数据必须要求记录。
Note 1b:线束的接头应该要有依据产品设计最大数量的端子;在测试时需要确保夹具能紧固测试模块。
Note 2b:目检:由测试导致的产品变化应当记录下来,并报告给JETEK工程师。
JETEK工程师将决定是否进行必要的调整。
机械表面目检:视觉检查是否有部件松动(电气的或机械的),或者管套损伤或磨损。
7.5合格/不合格标准:连接器插入力峰值应不超过75N。
设备公差:8.0 连接器的保持力测试:8.1 目的:(with the connector lock engaged).本试验是为了检验线束的接头到控制器接口的接头的保持力是否满足标准要求()。
该测试的失效模式及效果测试情况如下:8.2 目的:控制器要承受的测试条件如测试条件表中所描述。
连接器测试标准
1.拉力测试标准:90N的拉力。
制品状况:正、负装上螺母、压线爪、防水圈、端子,装备后测试连接器的接力要达到90N(9.18kg)以上。
2.拉力测试标准:80N的拉力。
制品状况:正、负装止退环、端子后测试的拉力达到80N(8.16kg)以上。
止退环不脱落。
3. 正、负极互锁力:标准为120N (汉德为230N)
正、负极互锁后的拉力要达到120N(12.24kg)以上为合格,汉德公司为230N(23.47kg)
4. 防护等级为:IP67
测试标准:全部组装后放入1米深水中,30分钟后取出。
连接器内部无水为合格。
5.耐寒低温冲击测试:
低温:-40度时间为:5小时。
后取出做落球试验,球重:250g 高度:40CM (TUV标准)
测试方法:将被测试产品存放温度为-40度的环境箱内,时间为5个小时以后用直径51mm重量250克的钢球对被测试的产品以0.4M的高度对产品进行冲击,看后罩/连接器是否裂开。
数量:4套
低温:-30度时间为:3.5小时。
后取出做落球试验,球重:500g 高度:130CM(UL标准)
6.双85测试:
时间为1000小时,温度从85℃,湿度85% RH。
7.互插力:
正、负极互插力为40N
8.接触电阻:
正、负极端子互插后的电阻小于2毫殴
2014/3/31。
X X X X X企业内控标准Q/XXX XX-20XX 器具耦合器(连接器)检验规范20XX-XX-XX发布 20XX-XX-XX实施XXXXXX有限公司技术部发布目次目录 (Ⅰ)前言 (Ⅱ)1 范围 (1)2 规范性引用文件 (1)3 标准额定值............................................................... (1)4 标志 (1)5 尺寸规格 (2)6 技术要求 (9)7 试验方法和检验规则 (12)8 标志、包装、运输及贮存 (13)前言为了有效的控制器具耦合器(连接器)的质量,完善检验依据,根据相关国家标准、公司产品的技术要求和供应商提供的技术资料制定本规范,作为公司器具耦合器(连接器)技术要求和进厂检验依据。
本规范编写格式参照GB/T 1.1-2000《标准化工作导则第一部分:标准的结构和编写规则》的规定进行编写。
本标准的技术要求和试验方法参照了GB 17465.1-1998《家用和类似用途的器具耦合器第一部分:通用要求》。
本规范由XXXXXX有限公司技术部起草。
本规范主要起草人:本规范履历:器具耦合器(连接器)检验规范1 范围本标准规定了器具耦合器(连接器)的标志、尺寸、技术要求、试验方法、检验规则、包装、运输及贮存。
本标准适用于本公司生产的用于冷条件下I类设备不可拆线器具耦合器(连接器)(以下简称连接器)。
连接器的工作环境温度通常不超过40℃,且适用于无特殊防潮保护的设备.2 规范性引用文件下列文件中的条款通过在本标准中的引用而成为本标准的条款。
凡是注日期的引用文件,其随后所有的修改单(不包括勘误的内容)或修订版均不适用于本标准,然而,鼓励根据本标准达成协议的各方研究是否可使用这些文件的最新版本。
凡是不注日期的引用文件,其最新版本适用于本标准。
GB 1002 家用和类似用途单相插头插座型式、基本参数和尺寸GB 2099.1 家用和类似用途插头插座第一部分:通用要求GB 17465.1 家用和类似用途的器具耦合器第一部分:通用要求3 标准额定值3.1额定电压:250V;3.2额定电流:2.5A、6A、10A、16A;是否符合3.1和3.2的要求,通过检查标志来验证.4 标志4.1 连接器上应标出:1) 额定电流(A);2) 额定电压(V);3) 电源性质符号(~);4) 接地或;5) 生产厂名或商标或厂名标志;6) 型号;7)强制认证标志(执行企业标准的应注上企业标准号)。
连接器实验
一.连接器实验项目:
插拔力、夹持力、蒸汽老化、盐水喷雾、热风回流程(IR)、振动测试、高温老化、恒温恒湿、冷热冲击、迅速插拔测试、接触阻抗、绝缘阻抗、耐压测试、硬度测试、喷漆厚度测试、电镀膜厚测试、表面粗糙度测试、吃锡性/耐焊性实验。
二.各项实验之条件及实验目:
1.插拔力---测试公母对插之插入及拔出所需力量。
(自动插拔测试机)
参数:插入行程及速度、测试单程或去回程、插拔次数。
检查:检查产品在公母对插时力量与否太紧太松,当影响对插力理尺寸不良需做此项实验确认。
2.夹持力---测试端子植入塑料所需拔出之力量。
(自动插拔测试机)
参数:同上
检查:当端子卡钩尺寸或塑料卡槽尺寸不良时,需做此项实验来确认。
自动插拔测试机如下:
3.蒸汽老化---检查五金件电镀后保质期。
(镀全金/半金锡/全锡端子)实验条件为
温度98±2℃,时间8H。
(蒸汽老化实验机)
参数:温度及时间可以调节。
另可检查NY6T塑料吸湿性
检查:当五金件表面刮伤、镀层太低或电镀表面不良时需做此项实验确认质量。
蒸汽老化实验机如下:
4.盐水喷雾---检查五金件电镀后保质期。
(铁壳/叉片/铆钉类)实验条件为实验槽
温度35℃,时间4H,盐水比例5:95。
(盐水喷雾实验机) 参数:实验时间可调节。
检查:当五金件表面刮伤、镀层太低或电镀表面不良时需做此项实验确认质量。
盐水喷雾实验机如下:
5.热风回流焊(IR)---仿真产品在客户处过SMT使用状况。
现厂内重要检查塑料起泡
状况及少量产品SMT实验,实验条件为温度235±5℃,最高温度
时间为3~5S。
(热风回流焊实验机)
参数:实验温度/时间可以依需求调节。
检查:当塑料存储时间过长(NY6T 3个月)、镀锡铁壳或沾锡膏实验需通过此实验确认塑料与否会起泡、铁壳与否会流锡或吃锡状况。
热风回流焊实验机如下:
6.振动测试---检查产品公母对插后瞬间导通性,实验时将产品所有串联接到信号
测试机上测试。
另也可以仿真产品在运送途中状况。
实验条件为频率
10HZ-55HZ-10HZ/分钟一种循环,振幅1.52mm,时间为X、Y、Z各2H。
参数:频率、振幅及时间均可依需求做调节。
检查:当产品对插口尺寸不良、产品包装不良或盖子与本体搭配不良需做此实验确认。
此实验项目重点是检查产品公母接触瞬间接触状况。
振动实验机如下:
7.高温老化---检查塑料及端子在温度为80℃,时间96H或温度为150℃,时间4H环
境下有无变化。
(例如塑料变形或端子变色发黄)
参数:温度及时间均可依需求调节。
检查:检查成品、塑料或端子在此环境下与否会浮现塑料变形,端子变色发黄或成品夹持力变小等异常问题。
当塑料修模或塑料/端子材质变更、以及塑料
针孔尺寸或端子卡位尺寸有变更需做此项实验。
高温老化实验机如下:
8.恒温恒湿---检查产品在定值50±2℃、湿度90%~95%RH,时间96小时或
循环条件65℃/95%RH(4H)—25℃/60%RH(2H)--- 65℃/95%RH(4H)---
25℃/60%RH(2H)---(-10℃/4H)---25℃/60%RH(2H),循环25次后,产
品变化状况。
例如绝缘特性、接触阻抗、插拔力以及端子腐蚀状况等
(恒温恒湿机)
参数:温湿度及时间或不同循环条件参数设定均可依需求做调节。
检查:当产品有任何工程变更时需做此项实验。
恒温恒湿机如下:
9.冷热冲击---检查产品在忽冷忽热环境下其变形状况,实验条件为
-55℃(30MIN)---排风(5min)---85℃(30min)--- 排风(5min)。
例如:
绝缘特性、接触阻抗、插拔力以及端子腐蚀状况等。
(冷热冲击机) 参数:温度、时间以及循环次数可依需求做调节。
检查:当产品有任何工程变更时需做此项实验。
冷热冲击机如下:
10.迅速插拔---检查产品公母对插之寿命(即产品规格规定之最多次数)。
采用电动
机做迅速公母对插,普通每分钟190次,另有一种简易插拔测试机可以
调节速度。
(迅速插拔测试机)
检查:当产品所需测试插拔力数量较多,又只需测试寿命可通过此实验检查。
迅速插拔测试机如下:
①可调速插拔机②迅速插拔机
此插拔机可以调节插拔速度,记入对插次数,只能做迅速公母对插测试检查产品对插寿命,约
但不能测出力量。
195次/分钟。
①可仿真手工对插速度来检查产品使用寿命,也可以迅速。
特点:迅速,但产品对插寿命会缩短。
②另一次测试2PCS样品。
11.接触阻抗---测试公母座接触之阻抗值。
不同产品其接触阻抗值大小不一,接触阻
抗值越小其信号传送速度越快(接触阻抗测试机)
检查:测试产品公母接触阻抗值,在插拔先后、恒温恒湿、冷热冲击需测试接触阻抗值。
接触阻抗测试机如下:
12.绝缘阻抗---检查产品之pin与pin间绝缘能力。
其阻抗值需不不大于1000MΩ,
测试电压为DC500V。
(绝缘阻抗测试机)
参数:测试电压可调节。
检查:当产品在生产时,PIN与PIN间有裂痕,或PIN间塑料肉厚太小,可通过此测试检查与否影响功能,但保证不能影响外观。
绝缘阻抗测试机如下:
13.耐压测试---测试产品PIN与PIN间耐压特性。
其测试条件为电压AC500V,截止电
流为1mA。
(耐压测试机)
参数:测试电压及电流均可依需求进行调节。
检查:当产品在生产时,PIN与PIN间有裂痕,或PIN间塑料肉厚太小,可通过此测试检查与否影响功能,但保证不能影响外观。
耐压测试机如下:
14.硬度测试---测试铜板维克氏硬度,其测试条件为重荷300g。
铜板硬度规格依不同
材质而定。
当端子折弯浮现裂痕时,可测试端子硬度来鉴定与否材质
太硬或为镀NI太高。
(硬度测试机)
注:不同材质硬度规格如附件<<硬度规格对照表>>
检查:当端子折弯时,从现裂痕或比较容易断掉可通过测试端子硬度确认与否端子硬度太硬导致上述不良。
硬度测试机如下:
15.喷漆厚度测试---检测喷漆厚度,例如100005外表有喷漆,用其检测喷漆厚度。
16.表面粗糙度测试---可测试模具、治工具表面粗糙限度。
超声涂层测厚仪及表面粗糙度计如下:
17.电镀膜厚测试---检测五金件电镀镀层厚度有无符合规格规定。
例如:端子镀NI过
高则端子折弯易裂,或电镀层镀太薄,则端子较易氧化、生锈等,
均可通过此测试来鉴定与否合格。
(膜厚测试机)
膜厚测试机如下:
18.吃锡性---检查电镀五金件焊接部位吃锡性,现厂内以过锡炉试吃锡性,温度为235
±5℃,时间为3S。
(锡炉)
检查:端子及铁壳电镀后其吃锡性与否ok可通过此实验确认。
19.耐焊性---检查电镀五金件吃锡部份之耐焊限度,与否因焊接温度过高及时间过长
产生镀层脱落,导致假焊或虚焊,测试条件为温度265±5℃,时间
为10S。
(锡炉)
检查:实验端子电镀层焊锡时所能承受耐焊能力,检查镀层与否会因焊锡时间过
长或温度过高时而浮现脱落现象。