WQ960D调质型高强板
- 格式:doc
- 大小:47.00 KB
- 文档页数:1
S890 和S960 级别钢与国内Q890、Q960的相关分析介绍在调质高屈服强度结构钢中,S890 和S960 级别超高强度钢在国内已经大量使用,主要用于重型起重设备、混凝土泵送车辆等工程机械的制造,另外在矿山机械中也有相同等级的管件使用在液压支架制造上。
此类超高强度钢材长期以来一直依赖进口,近年来国内各大钢厂也开始推出对应等级钢板与国外钢厂展开竞争。
1 S890 和S960 超高强度钢钢板的性能要求目前S890 和S960 级别钢板主要是按照EN10025 - 6 标准中钢号S890Q/QL /QL1 及S960Q /QL 的定义[1],在GB /T 16270: 2009 标准《高强度结构用调质板》中也增加了与S890 及S960 级别对应的Q890 及Q960 级别,具体钢号为Q890C /D/E /F及Q960CC /D/E /F[2],且技术指标基本一致。
a.超高的抗拉强度和屈服强度。
S890 级别的屈服强度一般要求在890 MPa 以上,抗拉强度在940 MPa 以上; S960 级别的屈服强度一般要求在960MPa 以上,抗拉强度在980 MPa以上。
在EN 10025 -6 和GB /T 16270 标准中的要求基本一致,S890 和S960 级别钢板拉伸性能如表1 所示。
S890和S960级别钢板的拉伸性能要求:标准牌号R eh/Mpa Rm/Mpa A/% 厚度/mm EN10025-6 S890Q\S890QL\S890QL1 ≥890 940-1100 ≥11 3-50GB/T16270 Q890C/D/E/F ≥890 940-1100 ≥11 ≤50EN10025-6 S890Q\S890QL\S890QL1 ≥890 880-1100 ≥11 50<δ≤100GB/T16270 Q890C/D/E/F ≥890 880-1100 ≥11 50<δ≤100 EN10025-6 S960Q\S960QL ≥960 980-1150 ≥10 3-50GB/T16270 Q960C/D/E/F ≥960 980-1150 ≥10 ≤50b.碳当量计算为保证足够抗拉强度和屈服强度,必须具有相对较高的碳当量,这对可焊性影响较大。
Q960F高强度结构用调质钢板(本牌号执行标准GB/T 16270-2009)1、范围本标准规定了高强度结构用调制钢板的牌号、尺寸、外形、重量及允许偏差、技术要求、试验方法、检验规则、包装、标志和质量证明书等。
本标准适用于厚度不大于150mm,以调质(淬火+回火)状态交货的高强度结构用钢板。
2、规范性引用文件下列文件中的条款通过本标准的引用而成本本标准的条款。
凡是注日期的引用文件,其随后所有的修改单(不包括勘误的内容)或修订版本均不适用于本标准,然而,鼓励根据本标准达成协议的各方研究是否可使用这些文件的最新版本。
凡是不注日期的引用文件,其最新版本适用于本标准。
GB/T 222 钢的成品化学成分允许偏差GB/T 223.5 钢铁及合金化学分析方法还原型硅钼酸盐光度法测定酸溶硅含量GBT/T 223.9 钢铁及合金铝含量的测定铬天青S分光光度法GB/T 223.11 钢铁及合金化学分析方法过硫酸铵氧化容量法测定铬量GB/T 223.14 钢铁及合金化学分析方法钽试剂萃取取光度法测定钒含量GB/T 223.16 钢铁及合金化学分析方法变色酸光度法测定钛含量GB/T 223.17 钢铁及合金化学分析方法二安替比林甲烷光度法测定钛含量GB/T 223.23 钢铁及合金镍含量的测定丁二酮肟分光光度法GB/T 223.26 钢铁及合金钼含量的测定硫氰酸盐分光光度法GB/T 223.40 钢铁及合金铌含量的测定氯磺酚S分光光度法GB/T 223.53 钢铁及合金化学分析方法火焰原子吸收分光光度法测定铜含量GB/T 223.54 钢铁及合金化学分析方法火焰原子吸收分光光度法测定镍量GB/T 223.58 钢铁及合金化学分析方法亚坤酸钠-亚硝酸钠滴定法测定锰量GB/T 223.59 钢铁及合金化学分析方法锑磷钼蓝光度法测定磷量GB/T 223.60 钢铁及合金化学分析方法高氯酸脱水重量法测定硅含量FB/T 223.62 钢铁及合金化学分析方法乙酸丁酯萃取光度法测定磷量GB/T 223.63 钢铁及合金化学分析方法高碘酸钠(钾)光度法测定锰量GB/T 223.64 钢铁及合金锰含量的测定火焰原子吸收光谱法GB/T 223.68 钢铁及合金化学分析方法管式炉内燃烧后碘酸钾滴定法测定硫含量GB/T 223.69 钢铁及合金碳含量的测定管式炉内燃烧后气体容量法GB/T 223.76 钢铁及合金化学分析方法火焰原子吸收光谱法测定钒含量GB/T 223.78 钢铁及合金化学分析方法姜黄素直接光度法测定硼含量GB/T 228 金属材料室温拉伸试验方法(GB/T 228-2002,eqvISO6892:1998)GT/T 229 金属材料夏比摆锤冲击试验方法(GB/T 229-2007,ISO 148-1:2006,MOD)GB/T 247 钢板和钢带检验、包装、标志及质量证明书的一般规定GB/T 709 热轧钢板和钢带的尺寸、外形、重量及允许偏差GB/T 2970 厚钢板超声波检验方法GB/T 钢及钢产品的力学性能实验取样位置及试样的制备(GB/T 2975-1998,eqvISO377:1997)GB/T 4336 碳素钢和中低合金钢火花源原子发射光谱分析方法(常规法)GB/T 14977 热轧钢板表面质量一般要求GB/T 17505 钢及钢产品交货一般技术要求(GB/T 17505-1998,eqvISO404:1992)GB/T 20123 钢铁总碳含量的测定高频感应炉燃烧后红外吸收法(常规方法)(GB/T 20123-2006,ISO 15350:2000,IDT)GB/T 20125 低合金钢多元素的测定电感耦合等离子体发射光谱法GB/T 20126 非合金钢低碳含量的测定第2部分:感应炉(经预热)内燃烧后红外吸收法(GB/T 20126-2006,ISO 15349-2:1999,IDT)GB/T 20066 钢和铁化学成分测定用试样的取样和制样方法(GB/T 20066-2006,eqvISO14284:1996)YB/T 081 冶金技术标准的数值修约与检测数值的判定原则3、牌号命名方法钢的牌号由代表屈服强度的汉语拼音首位字母,规定最小屈服强度数值、质量等级符号(C、D、E、F)三个部分按顺序排列。
Q960D钢板规格明细,Q960D钢板切割,Q960D高强度钢板
Q960D是高强度钢板,Q960钢板的牌号分类,分别是Q960D、Q960D、Q960E、Q960F。
Q960D也可做以下技术条件。
Q960D钢板库存:#舞阳孙凡#
Q960D钢板执行标准:执行GB/T16270标准
厚度探伤可做:NB1、NB2、NB3
厚度延伸可做:Z15、Z25、Z35
Q960D钢板机械性能
屈服强度:≥960Mpa
抗拉强度:980-1150Mpa
延伸率A%:≥10
温度:-20℃
冲击功:≥27 J
Q960D钢板具有较高的抗拉强度和屈服强度,通常在淬火加回火状态下交货。
它可以应用于需要承受高压力和载荷的设备零件,如大型船舶、桥梁、电站设备、中高压锅炉、高压容器、机车车辆、起重机械、矿山机械等。
Q960D钢板规格:
Q960D 15*2500*12000
Q960D 18*2500*12000
Q960D 20*2500*12000
Q960D 25*2500*12000
Q960D 30*2500*12000
Q960D 35*2500*12000
Q960D钢板切割,Q960D钢板数控切割,Q960D钢板等离子切割,Q960D钢板激光切割
船舶及海洋工程用结构钢
管线用钢
桥梁结构用钢
锅炉及压力容器用钢
水电用钢
核电用钢。
一种960MPa高强钢焊接工艺研究文章针对高空作业车行业上应用的960MPa等级的高强板进行了工艺研究,对5mm厚度的薄板类高强板进行工艺试验,探究出该种类板材的焊接工艺参数。
经拉伸及弯曲试验,同时对金相组织进行了分析确定了最为合适的工艺参数,该参数下的焊接金属力学性能最好、焊接变形小,满足使用要求。
标签:960MPa板材焊接;焊接工艺参数;CO2气保焊引言900MPa级别的高强度钢板在国内工程机械行业已得到了较快的发展的应用,而在国内高空作业车行业900MPa级别的高强钢还没有普及。
随着高空作业车行业的快速发展,大高度的作业车也是逐步上马,对900Mpa等级的高强板进行工艺研究已是迫在眉睫。
公司开发的新型高空作业车臂筒材料首次采用了900MPa级别的高强钢。
对这一级别的高强钢,我们还没有相关的使用经验,因此有必要对该级别钢板的焊接性能、折弯及机加工性能进行工艺试验,以获得相关的工艺资料为后续的生产提供第一手资料。
1 试验材料及方法1.1 试验材料分析本次试验采用Weldox960E高强板作为焊接母材,该钢板化学成分见下表1.1.1 化学成分其中C、Si、Mn、B、Nb、Cr、V、Ti、Al、Mo的元素配比经过优化,钢板的晶粒细化,令其碳当量较低、机械性能更好。
1.1.2 碳当量分析随着碳当量的增加,钢板的可焊性变差,碳当量越低钢板的焊接性能越好[1]。
当碳当量大于0.6%时焊接接头的冷裂纹敏感性将增大,焊接时需要采取预热后热等工艺措施。
采用高强板焊接钢结构时尽量减少冷裂至关重要。
Weldox960E的碳当量为0.55%,焊接性能较好。
采用如下公式计算碳当量:CEV=C+(Mo+Cr+V)/5+(Ni+Cu)/151.2 焊接工艺设定1.2.1 焊接材料的选择焊丝选用瑞典伊萨OK13.31、φ1.2mm直径焊丝,高空作业车的臂架承受动载荷,焊缝金属不仅要求有较高的强度,还要求有较高的韧性。
就焊缝金属而言,焊缝的强度越高可达到的韧性水平就越低,因此在高强钢的焊接中可以采用“低强匹配”原则来选择焊丝,即可以选择强度低于母材的焊丝,通常焊丝强度不低于母材强度的87%即可保证接头强度及韧性[2]。
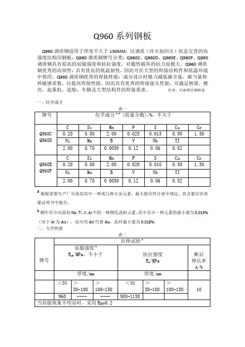
Q960系列钢板Q960调质钢适用于厚度不大于150MM ,以调质(淬火加回火)状态交货的高强度结构用钢板;Q960调质钢牌号分类:Q960C 、Q960D 、Q960E 、Q960F 。
Q960调质钢具有很高的屈服强度和抗拉强度,对脆性破坏的抗力也极大。
Q960调质钢优秀的高韧性:具有优良的低温韧性,因此可在大型的焊接结构件和低温环境中使用。
Q960调质钢优秀的焊接性能:成分设计时极力减低碳含量,碳当量和热敏感系数,以提高焊接性能,因而具有优秀的焊接接头性能,可满足桥梁,楼房,起重机,造船,车辆及大型结构件的焊接需求。
作者:河南尊信钢铁张一、化学成分表一a根据需要生产厂可添加其中一种或几种合金元素,最大值应符合表中规定,其含量应在质量证明书中报告。
b 钢中至少应添加Nb 、Ti 、V 、Al 中的一种细化晶粒元素,其中至少一种元素的最小量为0.015%(对于Al 为Als )。
也可用Alt 代替Als ,此时最小量为0.018%。
二、力学性能表二当钢板厚度小于12mm钢板的夏比摆锤冲击试验应采用辅助试样。
厚度>8mm-<12mm钢板辅助试样尺寸为10mm*7.5mm*55mm,其试验结果不小于规定值的75%;厚度6mm-8mm 钢板辅助试样尺寸为10mm*5mm*55mm,其试验结果不小于规定值的50%。
厚度小于6mm 的钢板不做冲击试验。
三、用途范围Q960C、D、E、F钢板用于制造要求良好焊接性的煤矿液压支架、重型车辆、工程机械等钢结构件。
制作耐压壳件、高压结构件,制造各类工程机械,如矿山和各类工程施工用的钻机、电铲、电动轮翻斗车、矿用汽车、挖掘机、装载机、推土机、各类起重机、煤矿液压支架等机械设备及耐磨结构件。
类别牌号技术条件用途锅炉及压力容器钢板Q245R、Q345R、Q370R、Q420R、16MnDR、18MnMoNbR、13MnNiMoR、15CrMoR、14Cr1MoR、12Cr2Mo1R、12Cr1MoVR、12Cr2Mo1VR、07Cr2AlMoR、07MnMoVR、07MnNiVDR、07MnNiMoDR、12MnNiVR、16MnDR、09MnNiDR、15MnNiDR、15MnNiNbDR、08Ni3DR、06Ni9DR、9Ni590B、SB410、SB450、SB480、SPV235、SPV315、SPV355、SPV410、SPV450、SPV490、SGV410、SGV450、SGV480、SBV1A、SBV1B、SBV2、SBV3、SEV245、SEV295、SEV345、HⅠ、HⅡ、17Mn4、19Mn6、15Mo3、16Mo3、13CrMo4-4、13CrMo4-5、10CrMo9、11CrMo9、10CrMo9-10、CCS/410A、CCS/410B、CCS/490B、1Cr0.5Mo、2.25Cr1Mo(2-1/4Cr1Mo)、2.25Cr1Mo0.25V、2.25Cr1Mo0.3V、1.25Cr0.5MoSi、1.25Cr0.5Mo、3.5Ni、5Ni、9Ni、KP42、KP46、KP49、SA203GrA、SA203GrB、SA203GrC、SA203GrD、SA203GrE、SA204MGrA、SA204MGrB、SA204MGrC、SA285GrA、SA285GrB、SA285GrC、SA299GrA、SA299GrB、SA302BrA、SA302BrB、SA302BrC、SA302BrD、SA387Gr2、SA387Gr5、SA387Gr11(CL1、CL2)、SA387Gr12(CL1、CL2)、SA387Gr22(CL1、CL2)、SA387Gr91(CL1、CL2)、SA387Gr92、SA387Gr9、SA515Gr60、SA515Gr65、SA515Gr70、SA516Gr60、SA516Gr65、SA516Gr70、SA537CL1、SA537CL2、SA533GrB、SA612M、SA662GrA、SA662GrB、SA662GrC、SA737GrA、SA737GrB、SA737GrC、SA738GrA、SA738GrB、SA738GrC、SA841GrD、P235GH、P265GH、P275NH、P275NL、P275NL1、P295GH、P355N、P355NH、P355GH、P355NL1、P355NL2、P460NH、P460NL1、P460NL2、P690QL1、A573Gr70、12Ni14、X7Ni9、X8Ni9、A42、A52、A48、07Cr2AlMoRE、13MnNiMo5-4、BHW35、DIWA353、DIWA373、20MnNiMo、20MnMoNi55、20MnMoR、25CrMoVA、TC128GrB、A48CPR、AISI4140、410B、B61N-S临氢CrMo钢:临氢14Cr1MoR、14Cr1MoR(H)、临氢15CrMoR、15CrMoR(H)、临氢12Cr2Mo1R、12Cr2Mo1R(H)、临氢12Cr2Mo1VR、12Cr2Mo1VR(H)、SA387Gr11CL2(H)、SA387Gr12CL2(H)、SA387Gr22CL2(H)等抗氢钢:Q245R(HIC)、Q245R(R-HIC)、Q345R(HIC)、Q345R(R-HIC)、SA516Gr70(HIC)、SA516Gr70(R-HIC)等GB/T 713GB 19189GB/T 3531Q/WTB专用技术条件GB24510JIS G3103JIS G3115JIS G3118JIS G3119JIS G3124DIN 17155CCS、ABS、BV、VL(DNV-GL)、LR、KR、RINA、NKASME/ASTMEN10028-2EN10025-3EN10028-4NFA36-205专用技术条件主要用于制造50立方米以上的球型贮罐,也可用于制造单层卷焊容器、多层热套卷焊容器、多层包扎容器等二、三类容器及低温压力容器。
一、S960QL舞钢屈服强度590Mpa~960MPa,被广泛应用于制造100吨以上矿车底板、泵送机械、挖掘机、汽车吊、履带吊、煤矿液压支架等。
二、16000mm.焊接性能好:焊接试验结果表明,焊缝和熔合线-40℃V型冲击大于60J。
三、S960QL碳当量
四、S960QL力学性能
六、S960QL舞钢工程机械调质高强钢推荐焊接工艺
七、S960QL用途:德标高强度钢板,对应国标Q960,舞钢产高强度板,制造厂房,一般建筑及各类工程机械,如矿山和各类工程施工用的钻机、电铲、电动轮翻斗车、矿用汽车、挖掘机、装载机、推土机、各类起重机、煤矿液压支架等机械设备及其他结构件。
八、S960QL执行标准:WYJ;
九、S960QL交货状态:正火、正火+回火、调质等;
十、S960QL技术要求:探伤、Z15Z35厚度方向性能要求、高强度高韧性要求等钢板。
舞钢率先采用先进的低C贝氏体钢设计理念研制开发了TMCP型焊接无裂纹CF钢,其典型的产品有WDB620,列入水电压力管道和蜗壳制造,舞钢新线建成后,开发了焊接性能优良的Q500-690Mpa级系列产品。
以满足工程机械和水电站建设的需要。
舞钢从德国LOI公司引进了两条调质生产线,调质高强度钢现已形成屈服强度590Mpa-960Mpa级别系列产品。
同时开发了硬度HB360-500系列的调质耐磨钢板,调质高强度钢主要制造泵送机械、煤矿液压支架、挖掘机、汽车吊、履带吊、泵送机械、100T以上矿车底板、等,随着工程机械的大型化、轻量化发展,工程机械用钢的强度级别、质量级别也在逐步提高,有以前的50Kg级、60Kg级发展到现在的100Kg级、130Kg级。
TMCP型高强度钢的特点:A:钢质高纯净度,夹杂物、P、S和H、O、N气体含量全部得到严格控制,B:合理的屈强比控制,通过调整成分和改进工艺,屈强比更趋于合理化,供货钢板Re/Rm在0.80-0.88之间。
C:卓越的低温韧性,本钢种低温韧性优良,供货技术要求可提高到60J,不必担心发生脆性破坏。
D:优良的焊接性,通过改进冶炼工艺,调整钢中合金用量,进一步降低Pcm值,具有焊接前不需预热、焊接后不需热处理的良好焊接性能。
E:良好的钢板板型外观,具有国际先进水平的强力轧机、矫直机保证钢板具有极佳板型、极佳外观质量,便于下料制造使用。
TMCP型高强度钢国内外牌号对照:舞钢HWISCO:牌号有Q500CF、Q550CF、Q690CF。
中国标准GB/YB:牌号有Q500/Q500CF、Q550/Q550CF、Q690/Q690CF。
日本标准:其牌号有JFH-HITEN610、JFH-HITEN690、JFH-HITEN780。
欧洲标准EN:牌号有S500M、S550M、S700M。
Q500CFD钢板的实物质量:A:化学成分,厚度mm,式样熔炼,C-0.03、Si-0.23、Mn-1.45、P-0.007、S-0.003、Ni-0.03、Cr-0.06、Mo-0.27、Nb-0.052、V-0.003、Ti-0.022、Ceq-0.36、Pem-0.15。
Q960E属于调质型高强度钢板,多于用大型工程机械制造,具有高屈服强度、高抗拉强度特点。
那么Q960E高强度工程机械钢板哪家好呢?本文为您推荐南京和菱贸易有限公司。
调质钢:碳含量0.3-0.5,并含有一种或几种合金元素,具有较低或中等的合金化程度。
钢中合金元素的作用主要是提高钢的淬透性和保证零件在高温回火后获得预期的综合性能。
热处理工艺是在临界点以上一定温度加热后淬火成马氏体,并在500℃-650℃回火。
热处理后的金相组织是回火索氏体。
这种组织具有强度、塑性和韧性的良好配合。
除一般的冶金方面的低倍和高倍组织要求处,主要为钢的力学性能以及与工作可靠性和寿命密切相关的冷脆性转变温度、断裂韧性和疲劳抗力等。
在特定条件下,还要求具有耐磨性、耐蚀性和一定的抗热性。
由于调质钢最终采用高温回火,能使钢中应力完全消除,钢的氢脆破坏倾向性小,缺口敏感性较低,脆性破坏抗力较大,但也存在的高温回火脆性。
大多数调质钢为中碳合金结构,屈服强度(σ0.2)在490-1200Mpa。
以焊接性能为突出要求的调质钢,为低碳合金结构钢,屈服强度(σ0.2)一般为490-800Mpa,有很高的塑性和韧性。
少数沉淀硬化型调质钢,屈服强度(σ0.2)可到1400Mpa以上,属高强度和超高强度调质钢。
以上就是关于Q960E的相关介绍,有需要的客户欢迎致电那宁和菱贸易有限公司进行咨询。
南京和菱贸易有限公司,位于六朝古都南京的鼓楼区中储生产资料市场,为钢材市场诚信单位,公司地理位置优越,交通便利。
我公司资源丰富,价格合理,服务周到,可按照客户要求,加工开平,可待定期货。
材料位于钢厂内,钢厂外仓库为洪申库,方瑞库,中储库,西马船厂库等各大仓库。
公司主要经销:宝钢、涟钢、武钢、马钢、南钢、太钢等大钢厂产品。
产品主要包括:耐磨钢(热处理钢板)、高强度工程机械用钢(单张回火调制钢板)等;汽车大梁钢;搅拌车筒体及叶片用钢;耐候钢,耐酸钢;中高碳钢;双相钢;管线钢等。
工程机械钢板q960d焊接工艺参数的研究1.引言工程机械钢板q960d是一种高强度、高韧性的材料,广泛应用于建筑、桥梁、船舶及机械制造等行业。
在实际生产中,对于q960d钢板的焊接工艺参数研究显得尤为重要。
本文将从深度和广度的角度展开,探讨工程机械钢板q960d焊接工艺参数的研究。
2. 工程机械钢板q960d的基本概况q960d是一种非常特殊的高强度、高韧性钢材,具有优良的冷弯性能和焊接性能。
因其优异的性能,q960d被广泛应用于工程机械领域。
然而,由于其高强度和特殊的化学成分,q960d的焊接工艺参数需要经过深入研究和探讨。
3. 工程机械钢板q960d焊接工艺参数的影响因素(1)材料的化学成分和组织结构q960d的化学成分和组织结构对焊接工艺参数有着重要的影响。
其中,碳含量、硅含量、锰含量、磷含量等元素的含量以及晶粒度的大小都会对焊接产生一定影响。
(2)焊接电流和电压焊接电流和电压是决定焊接热输入量的重要参数。
对于q960d这样的高强度钢材,合理的电流和电压能够有效控制热输入,保证焊接接头的质量。
(3)焊接速度焊接速度对焊接过程中的热影响区和冷却速度都有着直接影响。
合适的焊接速度能够有效控制焊接热影响区的尺寸,减少焊接产生的变形和裂纹。
4. q960d焊接工艺参数的研究进展近年来,国内外学者对q960d钢板的焊接工艺参数进行了大量研究。
通过对不同焊接参数下焊接接头的组织结构、力学性能以及断裂形态的分析,学者们逐渐总结出一套较为完善的q960d焊接工艺参数研究方法。
5. 个人观点和理解作为文章写手,我在撰写本文时深入研究了工程机械钢板q960d焊接工艺参数的相关文献,对这一主题有了更加深刻的理解。
我认为,随着科学技术的不断发展,对于工程机械钢板q960d焊接工艺参数的研究将会更加深入,为相关行业的生产和发展提供更好的支持。
6. 总结本文从工程机械钢板q960d的基本概况、焊接工艺参数的影响因素、研究进展以及个人观点等多个方面全面论述了q960d焊接工艺参数的研究。
WQ690D
1、WQ690D钢板简介
WQ690D属于高强度焊接结构钢。
其中W代表舞钢生产,Q代表屈服强度,690代表屈服强度值,D代表钢板的等级;常见的钢板质量等级分别为A、B、C、D、E。
D级钢板的冲击为﹣20°C。
2、WQ690D钢板类似牌号:Q690D、S690Q、WH785D、WH80QD
3、WQ690D钢板执行标准:GB/T16270-2009(高强度结构用调质钢板标准)和WTB(舞钢推荐技术标准)
4、WQ690D钢板交货状态:淬火+回火(调质)
7、WQ690D钢板包装、标志和质量证明书
WQ690D钢板的包装、标志和质量证明书符合GB/T247、GB/T2101规定。
8、WQ690D钢板应用:
WQ690D可称为屈服强度690Mpa的耐低温高强钢,具有较高的屈服强度和抗拉强度,广泛应用于煤矿机械、工程机械,如液压支架、港口起重机、平板运输车。
重型机械、海洋工程、金属结构等制造企业已联合舞钢合作生产WQ690D用于其企业生产建设项目中。
Q890D钢板属于高强度结构钢,因为交货状态调质的交货状态,所以,也叫调质型高强钢。
“Q”表示屈服,“890”是屈服值(Q)为890,“D”表示级别。
Q890D钢板的执行标准:WYJ。
Q890D钢板尺寸、外形、重量及允许偏差应符合GB/T709的规定。
Q890D钢板探伤检验:超声波探伤。
Q890D钢板表面质量按GB3274-88执行。
Q890D钢板包装、标志及质量证明书按GB247规定执行。
Q890D钢板交货状态:调质,即淬火加回火。
Q890D钢板化学成分:C≤0.18 Si≤0.50 Mn≤1.50P≤0.020 S≤0.010 Cr≤0.90聊城泰佑启金属:0635-7779210 139-69-55-8118Ni≤1.20 Mo≤0.60 Nb≤0.06V≤0.08 Ti≤0.03 B≤0.003Q890D钢板力学性能:Rp0.2MPa≥860 RmMPa≥950 A50%≥12Q890D钢板用途:Q890D钢板钢板用于制造要求良好焊接性的煤矿液压支架、重型车辆、工程机械等钢结构件。
比如矿山和各类工程施工用的钻机、电铲、电动轮翻斗车、矿用汽车、挖掘机、装载机、推土机、各类起重机、煤矿液压支架等机械设备及其他结构件对调质高强钢采用低碳当量成分设计,具有良好的焊接性能;钢板淬火前抛丸处理,淬火炉辐射管加热、无氧化气氛控制等措施,使钢板具有良好的表面质量;淬火机专用辊道设计、分区供水冷却等,保质钢板力学性能均匀,并具有良好的板形。
Q890D钢板的交货状态和执行标准:Q890D钢板调质高强度钢板执行标准:GB/T 16270-2009交货状态:调质状态交货(淬火+回火)。
Q890D钢板表面质量:1、钢板表面不允许存在裂纹、气泡、折叠和夹杂等缺陷。
钢板不得由分层。
如上述缺陷,允许清理,清理深度从钢板实际尺寸算起,不得大于钢板厚度公差之半,并应保证钢板的*小厚度。
缺陷清理处应平滑无棱角。
2、其他缺陷允许存在,但深度从钢板实际尺寸算起,不得超过厚度允许公差之半,并应保证缺陷处厚度不超过钢板允许*小厚度。
1.WQ960D用途
WQ960调质型高强钢,制作耐压壳件、深潮救生器、高压结构件、宇航设备、装甲车辆,制造各类工程机械,如矿山和各类工程施工用的钻机、电铲、电动轮翻斗车、矿用汽车、挖掘机、装载机、推土机、各类起重机、煤矿液压支架等机械设备及耐磨结构件。
2.WQ960D生产工艺
铁水预处理→转炉顶底复吹→LF炉→RH真空处理→连铸→钢坯检验→钢坯加热→高压水除鳞→粗轧→精轧→ACC水冷→矫直→冷床冷却→精整→抛丸→回火处理→性能检验→成品入库。
采用LF、喂Si - Ca - Ba 线和RH真空处理,以确保钢质的洁净度。
3.WQ960D执行标准
WTB/GB/EN(舞钢/国标/欧标)
4.WQ960D交货状态
调质状态交货
5.WQ690D常用规格尺寸。