阀门编号意义
- 格式:xls
- 大小:38.00 KB
- 文档页数:2
阀门编号规则阀门的型号编制方法一、阀门的型号阀门的型号是用来表示阀类、驱动及连接形式、密封圈材料和公称压力等要素的。
阀门产品的型号是由七个单元组成,用来表明阀门类别、驱动种类、连接和结构形式、密封面或衬里材料、公称压力及阀体材料。
阀门型号的组成由七个单元顺序组成(见下表)1(阀门的类型代号表1—1阀门类型代号阀门类型代号阀门类型代号Z Q S 闸阀球阀疏水阀J X A 截止阀旋塞阀安全阀L M Y 节流阀液面指示器减压阀G H 隔膜阀止回阀U D 柱塞阀碟阀2(传动方式代号用阿拉伯数字表示,按表1—2的规定表1—2传动方式代号传动方式代号0 5 电磁阀伞齿轮1 6 电磁—液动气动2 7 电—液动液动3 8 蜗轮气—液动4 9 正齿轮电动注:?手轮、手柄和扳手传动以及安全阀、减压阀、疏水阀省略本代号。
?对于气动或液动:常开式用6K、7K表示;常闭式用6B、7B表示;气动带手动用6S 表示。
防爆电动用“9B”表示。
3(连接形式代号用阿拉伯数字表示,按表1—3的规定表1—3连节形式代号连节形式代号1 7 内螺纹对夹2 8 外螺纹卡箍4 9 法兰卡套6 焊接注:焊接包括对焊和承插焊4(结构形式代号用阿拉伯数字表示1—4~13表1—4闸阀结构形式代号0 明杆楔式弹性闸板1 刚单闸板2 双闸板3 平行式性单闸板4 双闸板暗杆楔式 5 单闸板6 双闸板表1—5截止阀和节流阀结构形式代号1 直通式4 角式5 直流式6 平衡直通式7 角式表1—6球阀结构形式代号直通式 1浮动 L形三通式 4T形 5固定直通式 7表1—7蝶阀结构形式代号0 杠杆式1 垂直板式3 斜板式表1—8隔膜阀结构形式代号1 屋脊式3 截止式7 闸板式表1—9旋塞阀结构形式代号3 直通式填料 4 T形三通式5 四通式7 油封直通式8 T形三通式表1—10止回阀和底阀结构形式代号1 升降直通式2 立式4 单瓣式旋启 5 多瓣式6 双瓣式表1—11安全阀结构形式代号0 带散热片全启式封闭 124 全启式弹簧 3 双弹簧微启式带板手 7 微启式不封闭 8 全启式5 微启式6 带控制机全启式构9 脉冲式注:杠杆式安全阀在类型代号前加“G”汉语拼音字母。
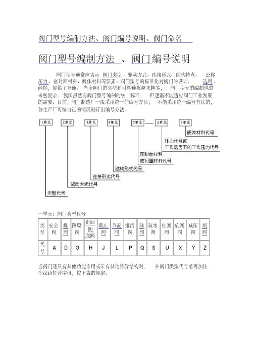
一、阀门型号编制方法、阀门编号说明阀门型号通常应表示阀门类型、驱动方式、连接形式、结构特点、公称压力、密封面材料、阀体材料等要素。
阀门型号的标准化对阀门的设计、选用、经销,提供了方便。
当今阀门的类型和材料种类越来越多,阀门型号的编制也愈来愈复杂。
我国虽然有阀门型号编制的统一标准,但逐渐不能适应阀门工业发展的需要。
目前,阀门制造厂一般采用统一的编号方法;不能采用统一编号方法的,各生产厂可按自己的情况制订出编号方法。
母,按下表的规定。
第二功能作用名称代号第二功能作用名称代号保温型 B 排渣型P低温型D a快速型Q防火型 F (阀杆密封)波纹管型W缓闭型H ——a 低温型指允许使用温度低于-46℃以下的阀门。
对于气动或液动机构操作的阀门:常开式用6K、7K表示;常闭式用6B、7B表示;防爆电动装置的阀门用9B表示。
三单元:连接型式类型安全阀蝶阀隔膜阀止回阀底阀截止阀节流阀排污阀球阀疏水阀柱塞阀旋塞阀减压阀闸阀代号A D G H J L P Q S U X Y Z传动方式电磁动电磁-液动电-液动蜗轮正齿轮伞齿轮气动液动气-液动电动手柄手轮代号0 1 2 3 4 5 6 7 8 9 无代号四单元:结构型式阀门结构形式用阿拉伯数字表示,按下表规定。
闸阀结构形式代号截止阀、节流阀和柱塞阀结构形式代号球阀结构形式代号蝶阀结构形式代号隔膜阀结构形式代号旋塞阀结构形式代号止回阀结构形式代号安全阀结构形式代号减压阀结构形式代号蒸汽疏水阀结构形式代号排污阀结构形式代号五单元:密封副材料六单元:公称压力数值用阿拉伯数字直接表示,它是MPa的10倍举例:Z543H-16C 伞齿轮传动法兰连接平板闸阀,公称压力1.6MPa,阀体材料为碳钢阀门的命名阀门的名称按传动方式、连接形式、结构形式、衬里材料和类型命名。
但下面内容在命名中均予省略:(1) 连接形式中:“法兰”。
(2) 结构形式中:a:闸阀的“明杆”、“弹性”、“刚性”和“单闸板”;b:截止阀和节流阀的“直通式”;c:球阀的“浮动”和“直通式”;d:蝶阀的“垂直板式”;e:隔膜阀的“屋脊式”;f:旋塞阀的“填料”和“直通式”;g:止回阀的“直通式”和“单瓣式”;h:安全阀的“不封闭”。
型代号用汉语拼音字母表示如下表各类阀门型号含义各类阀门结构形式其它电动阀:“B”为防爆电动装置。
“Y”“S”为未注代号的均为普通型电动装置。
阀门型号:首位前加“K”表示抗硫阀;“G”表示配金属棱型垫片及加接法兰,螺栓、螺母。
“G”表示联合设计的截止、节流阀。
“C”表示CVA标准。
“S”表示地下水门。
“W”高中压表示波纹管阀;“W”低压表示卧式安装。
“HD”表示止回蝶阀;“GD”表示高真空截止阀。
“D”表示低温阀。
材质:1)C4 C6表示耐浓硝酸的新钢种。
2)TI表示耐剧腐蚀的工业钝钛。
3)N表示铝铌铜氮钢。
4)RL表示超低碳的不锈钢。
阀门型号编制方法阀门型号通常应表示出阀门类型、驱动方式、连接形式、结构特点、密封面材料、阀体材料和公称压力等要素。
阀门型号的标准化对阀门的设计、选用、销售提供了方便。
当今阀门的类型和材料越来越多,阀门的型号编制也愈来愈复杂。
目前,阀门制造厂一般采用统一编号方法;凡不能采用统一编号的方法,各制造厂均按自己的需要制订编号方法。
JB308-75《阀门型号编制方法》适用于工业管道用闸阀、节流阀、球阀、蝶阀、隔膜阀、柱塞阀、旋塞阀、止回阀、安全阀、减压阀、疏水阀。
它包括阀门的型号编制和阀门的命名。
一、阀门的型号编制阀门型号由7个单元组成,其含义如表1所示。
1、类型代号(即表1的1单元)类型代号用汉语拼音字母表示。
如表2所示:2、传动方式代号(即表1的2单元)传动方式代号用阿拉伯数字表示。
如表3所示:注:1.手轮、手柄和扳手传动以及安全阀、减压阀、疏水阀省略本代号。
2.对于气动或液动:常开式用6k、7k表示;常闭式用6B、7B 表示;气动带手动用6S表示;防爆电动用“9B”表示。
3、连接形式代号(即表1的3单元)如表4所示::4、结构形式代号(即表1的4单元)结构形式代号用阿拉伯数字表示,如表5~表14所示:5、阀座密封面或衬里材料代号(即表1的5单元)阀座密封面或衬里材料代号用汉语拼音字母表示,如表15所示:注:由阀体直接加工密封面材料用“W”表示;当阀座和阀瓣(闸板)密封面材料不同时,用低硬度材料代号(隔膜阀除外)。
阀门编号规则阀门的型号编制方法一、阀门的型号阀门的型号是用来表示阀类、驱动及连接形式、密封圈材料和公称压力等要素的。
阀门产品的型号是由七个单元组成,用来表明阀门类别、驱动种类、连接和结构形式、密封面或衬里材料、公称压力及阀体材料。
阀门型号的组成由七个单元顺序组成(见下表)1(阀门的类型代号表1—1阀门类型代号阀门类型代号阀门类型代号Z Q S 闸阀球阀疏水阀J X A 截止阀旋塞阀安全阀L M Y 节流阀液面指示器减压阀G H 隔膜阀止回阀U D 柱塞阀碟阀2(传动方式代号用阿拉伯数字表示,按表1—2的规定表1—2传动方式代号传动方式代号0 5 电磁阀伞齿轮1 6 电磁—液动气动2 7 电—液动液动3 8 蜗轮气—液动4 9 正齿轮电动注:?手轮、手柄和扳手传动以及安全阀、减压阀、疏水阀省略本代号。
?对于气动或液动:常开式用6K、7K表示;常闭式用6B、7B表示;气动带手动用6S 表示。
防爆电动用“9B”表示。
3(连接形式代号用阿拉伯数字表示,按表1—3的规定表1—3连节形式代号连节形式代号1 7 内螺纹对夹2 8 外螺纹卡箍4 9 法兰卡套6 焊接注:焊接包括对焊和承插焊4(结构形式代号用阿拉伯数字表示1—4~13表1—4闸阀结构形式代号0 明杆楔式弹性闸板1 刚单闸板2 双闸板3 平行式性单闸板4 双闸板暗杆楔式 5 单闸板6 双闸板表1—5截止阀和节流阀结构形式代号1 直通式4 角式5 直流式6 平衡直通式7 角式表1—6球阀结构形式代号直通式 1浮动 L形三通式 4T形 5固定直通式 7表1—7蝶阀结构形式代号0 杠杆式1 垂直板式3 斜板式表1—8隔膜阀结构形式代号1 屋脊式3 截止式7 闸板式表1—9旋塞阀结构形式代号3 直通式填料 4 T形三通式5 四通式7 油封直通式8 T形三通式表1—10止回阀和底阀结构形式代号1 升降直通式2 立式4 单瓣式旋启 5 多瓣式6 双瓣式表1—11安全阀结构形式代号0 带散热片全启式封闭 124 全启式弹簧 3 双弹簧微启式带板手 7 微启式不封闭 8 全启式5 微启式6 带控制机全启式构9 脉冲式注:杠杆式安全阀在类型代号前加“G”汉语拼音字母。
阀门类型代号用汉语拼音表示阀门类型闸阀截止阀节流阀喋阀止回阀水位表(平衡容器)安全阀减压阀疏水阀调节阀给水分配用代号 Z J L D H B A Y S T F传动方式代号用阿拉伯数字表示传动方式电磁动电磁-液动电-液动蜗轮正齿轮园锥齿轮气动液动气-液动电动代号 0 1 2 3 4 5 6 7 8 9注(1)手轮、手柄和板手传动的阀门及安全阀、减压阀、疏水阀省略传动方式代号。
(2)对于气动或液动、常开式用6K、7K表示,常闭式用6B、7B表示,气动带手动用6S 表示,防爆电动用9B示。
户外耐热用9R表示。
连接形式代号用阿拉伯数字表示连接形式内螺纹外螺纹法兰焊接- 1 2 4 6注:焊接连接包括对焊和承插焊结构形式代号用阿拉伯数字表示闸阀结构形式明杆楔式明杆平行式暗杆弹性闸板刚性单闸板刚性单闸板刚性单闸板刚性双闸板刚性单闸板刚性双闸板代号 0 1 2 3 4 5 6截止阀和节流阀结构形式直通式角式直流式平衡直通式平衡角式三通式代号 1 4 5 6 7 9蝶阀结构形式杠杆式垂直板式斜板式代号 0 1 3疏水阀结构形式浮球式钟型浮子式脉冲式园盘式代号 1 5 8 9止回阀结构形式升降旋启直通式立式单瓣式多瓣式双瓣式代号 1 2 4 5 6减压阀结构形式薄膜式弹簧薄膜式活塞式波纹管式杠杆式代号 1 2 3 4 5注:杠杆式安全阀在类型代号前加汉语拼音“G”字母表示安全阀结构形式代号弹簧封闭带散热片全启式 0微启式 1全启式 2全启式 4不封闭双弹簧微启式 3微启式 7全启式 8带控制机构全启式 6先导式 9杠杆单杠杆全启式 2角形微启式 5双杠杆全启式 4调节阀结构形式代号回转套筒式 0- -升降单降套筒式 Z形 5- 7- -针形阀 2柱塞式 4闸板式 6多级套筒式 8柱塞式 Z形 1- 9给水分配阀结构形式代号柱塞式1回转式2旁通式3水位计结构形式代号平衡容器 7就地云母片式 1玻璃板式 2破璃管式 3光学折射式双色 9光学电视式 9a低读轻液玻璃板式 6玻璃管式 0阀座密封面或衬里材料代号用汉语拼音字母表示阀座密封面或衬里材料代号阀座密封面或衬里材料代号尼龙塑料 N 合金耐酸或不锈钢 H渗硼钢 P 渗氮钢 D橡胶 X 硬质合金钢 Y注:由阀体直接加工的阀座密封面材料代号用“W”表示,当阀座和阀瓣(闸板)密封面材料不同时,用低硬度材料代号表示。
其它电动阀:“B”为防爆电动装置。
“Y”“S”为未注代号的均为普通型电动装置。
阀门型号:首位前加“K”表示抗硫阀;“G”表示配金属棱型垫片及加接法兰,螺栓、螺母。
“G”表示联合设计的截止、节流阀。
“C”表示CVA标准。
“S”表示地下水门。
“W”高中压表示波纹管阀;“W”低压表示卧式安装。
“HD”表示止回蝶阀;“GD”表示高真空截止阀。
“D”表示低温阀。
材质:1)C4 C6表示耐浓硝酸的新钢种。
2)TI表示耐剧腐蚀的工业钝钛。
3)N表示铝铌铜氮钢。
4)RL表示超低碳的不锈钢。
水力控制阀油浸纸绝缘电力电缆油浸纸绝缘电力电缆类产品,以绝缘纸的字母“Z”代号列为首位,其余各项型号编制及字母含义如下:注:a.数字涵义详见以下附表。
b.铜芯代表字母T一般省略不写。
例如:铜芯不滴流油浸纸绝缘铅套聚氯乙烯套电力电缆铝芯粘性油浸纸绝缘铝套裸细钢铠装电力电缆电缆外护层的型号按铠装层和外被层的结构顺序用阿拉伯数字表示。
每一数字表示所采用的主要材料和意义见下表。
交联聚乙烯绝缘电力电缆交联聚乙烯绝缘电力电缆,以交联聚乙烯代号字母“YJ”为首位,其余各项型号编制及字母含义如下:注:*铜导体代号字母“T”一般省略。
S-加铜丝屏蔽时。
铜芯交联聚乙烯绝缘氯乙烯护套电力电缆铝芯交联聚乙烯绝缘聚氯乙烯护套钢带铠装电力电缆聚氯乙烯绝缘聚氯乙烯护套电力电缆聚氯乙烯绝缘聚氯乙烯护套电力电缆,以绝缘塑料代号字母“V”为首位,其余各项型号编制及字母含义如下:注:铜导体代号字母“T”一般省略。
例如:聚氯乙烯绝缘聚氯乙烯护套钢带铠装电力电缆铝芯聚氯乙烯绝缘聚氯乙烯护套粗钢带铠装电力电缆注:*铜芯代表字母“T”型号中一般略写。
电缆型号及名称见下表。
铝芯聚乙烯绝缘钢带铠装聚氯乙烯外护层控制电缆铜芯橡皮绝缘铅套钢带铠装控制电缆外护层型号(数字代号)表示的材料涵义按GB2952规定派生及特性用的数字及字母意义为:1-铜丝缠绕屏蔽;80-耐热+80°C塑料;R-软结构线芯;2-铜带绕包屏蔽;105-耐热+105°C塑料。
11关于阀门的名称、编号及规格技术参数1、关于各种阀门的名词术语:① 闸阀:由阀杆带动,沿阀座密封面作升降运动的阀门。
② 截止阀:由阀杆带动,沿阀座(密封面)轴线作升降运动的阀门。
③ 节流阀:通过启密件(阀瓣)改变通路截面积以调节流量、压力的阀门。
④ 球阀:球体绕垂直于通路的轴线旋转的阀门。
⑤ 蝶阀:启密件(碟板)绕固定轴旋转地阀门。
⑥ 隔膜阀:启密件(隔膜)由阀杆带动,沿阀杆轴线作升降运动,将动作机构与介质隔升的阀门。
⑦ 旋塞阀:启密件(塞子)绕其轴线旋转的阀门。
⑧ 止回阀:启密件(阀瓣)借介质的作用力,自动阻止介质逆流的阀门。
⑨ 安全阀:一种自动阀门,它不借任何外力,而是借用介质自身的力来来排出额定数量的流体,以防止系统内的压力超过预定的安全值,当压力恢复正常后,阀门在行关闭并阻止介质继续流出。
⑩ 减压阀:通过启闭间的节流,将压力降低。
11 疏水阀:自动排放凝结水并阻止蒸汽泄露的阀门。
2、公称压力:制品在基准温度下的耐压强度,用PN 表示,单位:MPa . 公称压力 1.0MPa ,记为PN1.0MPa 。
3、阀门型号的意义:阀门型号通常应表示阀门类型、驱动方式、连接形式、结构特点、公称压力、密封面材料、阀体材料等要素。
目前,制造厂家一般采用统一的编号方法。
1单元阀体压力代号材料密封面材料结构形式连接形式代号驱动方式代号类型代号1单元 7单元6单元 5单元 4单元 3单元 2单元22各单元的具体内容分解如下一单元:阀门类型代号类型 安全阀 蝶阀 隔膜阀 止回阀底阀截止阀 节流阀 排污阀 球阀 疏水阀 柱塞阀 旋塞阀 减压阀闸阀代号 A D G H J L P Q S U X Y Z阀门还具有其他功能与作用或有其他特异代号时,在阀门类型前再加注一个汉语拼音字母。
二单元:传动方式代号传动方式 电磁动 电磁-液动 电-液动 涡轮 正齿轮 伞齿轮 气动 液动 气-液动 电动 手柄 代号 0 1 2 3 4 5 6 7 8 9无代号安全阀、减压阀、疏水阀、手轮直接连接阀杆操作结构形式的阀门,本代号省略,不表示。
附件十二:阀门编号规定本阀门规定不包括液压控制阀门、气动阀门和电动阀门的电驱动装置。
阀门的设计、制造、检验应符合ASME B16.34《法兰端、螺纹端和焊接端阀门》。
1.阀门设计、制造要求以及结构长度、检验要求见下表阀门连接端:法兰尺寸: HG/T 20615-2009 HG/T20623B-2009承插口尺寸: GB/T 14383-2008螺纹端尺寸: GB/T 14383-2008阀门对焊端(坡口)执行标准:GB 50316-2000(2008版)、GB50236-2011。
对焊端接管尺寸执行标准:HG/T20553-2011 Ia系列低温碳钢阀门法兰连接端尺寸:ASME B16.5 ASME B16.47B低温碳钢阀门对焊端接管尺寸执行标准:ASME B36.10M2.阀门编号执行以下规定阀门编号(订货号)由9个(组)数字(字母)组成,它规定了阀门的类型、压力等级、阀体材料、连接方式以及内件材料。
阀门编号:X X X X XXX X X – X X1 2 3 4 5 6 7 8 9其中: 1单元:表示阀门类型2单元:表示阀门结构型式若为栓接阀盖(B.B)、轭式明杆外螺纹(0S&Y)支架式可省略,压力自紧密封阀盖用P表示。
3 单元:表示压力等级4 单元:表示阀门连接方式5 单元:表示阀门内件材料代号5.1 闸阀、截止阀、止回阀5.2 蝶阀5.3 球阀5.4 旋塞阀6 单元:表示阀体材料(括号外的材料牌号为铸钢、括号内的材料牌号为锻钢)7单元:阀门填料、垫片对应表如下:(闸阀、截止阀、球阀、蝶阀对应填料、垫片;止回阀对应垫片)8单元:对于低温阀门:工况0∽-45℃:S; 工况-46∽-70℃:D; 工况-71∽-196℃:KS、D 、K表示低温阀门在低温下各温度区间对阀杆的加长长度要求(根据相应标准并结合项目地区实际情况)、制造技术要求和检验要求。
低温阀门应遵照低温阀门技术条件JB/T7749-95,特别要指出:(1)工况为0∽-45℃的低温碳钢阀门要用干冰对所有零部件材料进行100%冷处理,这主要是为了材料在低温下进行冷缩变形。
水电站油、水、气系统编号原则1 概述本编号原则格式统一、规范、简洁且逻辑性、对称性强,纵横兼顾,便于记忆和识别,由设备编号基本能识别设备类别及功能。
本编号原则适用于水电站油、水、气系统设备,其他类似设备可参照执行。
2 编号格式油、水、气系统编号格式统一用以下格式进行标识:2.1系统代码:系统代码用1、2、3表示,分别表示该电站的相应机组; 系统代码0表示公用系统。
2.2子系统代码用一位字母表示,含义如下表:2.3 编号字段用两位数字进行阀门编号,编号尽量赋予特定含义。
2.3.1公共变压器油、透平油系统:0101~0199;#1机组油系统:1101~1199;#2机组油系统:2101~2199;#3机组油系统:3101~3199。
2.3.2公共水、消防水系统:0201~0299;#1机组水系统:1201~1299;#2机组水系统:2201~2299;#3机组水系统:3201~3299。
2.3.3公共低压气、中压气系统:0301~0399;#1机组气系统:1301~1399;#2机组气系统:2301~2399;#3机组气系统:3301~3399。
2.4 一些特殊说明为求系统的编号简单,加强对系统主、次分明的识别因素,对部分阀门进行特殊编号处理,以不占用系统的编号资源,谋求其唯一性。
2.4.1 电磁阀 图1:油、水、气系统统一编号格式按其所在的阀门就近原则用其阀门编号后加“-D”表示,“-D”表示“电磁阀”之意。
2.4.2减压阀按其所在的阀门就近原则用其阀门编号后加“-J”表示,“-J”表示“减压阀”之意。
2.4.3逆止阀(止回阀)按其所在的阀门就近原则用其阀门编号后加“-N”表示,“-N”表示“逆止阀”之意。
2.4.4安全阀按其所在的阀门就近原则用其阀门编号后加“-A”表示,“-A”表示“安全阀”之意。
2.4.5滤水器按其所在的阀门就近原则用其阀门编号后加“-L”表示,“-L”表示“滤水器”之意。
2.4.6多功能水泵控制阀多功能水泵控制阀上的其他阀门用多功能水泵控制阀阀门编号后加“-数字”表示,数字为1,2,3,4,5…..。