阀门型号含义
- 格式:doc
- 大小:25.00 KB
- 文档页数:3
阀门型号上每个字母的含义-lk一、阀门的型号阀门的型号是用来表示阀类、驱动及连接形式、密封圈材料和公称压力等要素的。
由于阀门种类繁杂,为了制造和使用方便,国家对阀门产品型号的编制方法做了统一规定。
阀门产品的型号是由七个单元组成,用来表明阀门类别、驱动种类、连接和结构形式、密封面或衬里材料、公称压力及阀体材料。
阀门型号的组成由七个单元顺序组成(见下表)1.阀门的类型代号表1—1阀门类型代号阀门类型代号阀门类型代号闸阀Z 球阀Q 疏水阀S截止阀J 旋塞阀X 安全阀 A 节流阀L 液面指示器M 减压阀Y 隔膜阀G 止回阀H柱塞阀U 碟阀 D2.传动方式代号用阿拉伯数字表示,按表1—2的规定表1—2传动方式代号传动方式代号电磁阀电磁—液动电—液动蜗轮正齿轮01234伞齿轮气动液动气—液动电动56789注:①手轮、手柄和扳手传动以及安全阀、减压阀、疏水阀省略本代号。
②对于气动或液动:常开式用6K、7K表示;常闭式用6B、7B表示;气动带手动用6S表示。
防爆电动用“9B”表示。
3.连接形式代号用阿拉伯数字表示,按表1—3的规定表 1—3连 节 形 式 代 号 连 节 形 式 代 号 内 螺 纹 外 螺 纹 法 兰 焊 接1 2 4 6对 夹 卡 箍 卡 套7 8 9注:焊接包括对焊和承插焊4.结构形式代号用阿拉伯数字表示1—4~13 表 1—4闸 阀 结 构 形 式 代 号 弹 性 闸 板 0 单 闸 板 1楔 式 双 闸 板 2 单 闸 板 3明 杆平 行 式双 闸 板 4 单 闸 板 5 暗 杆 楔 式刚 性双 闸 板6表 1—5截 止 阀 和 节 流 阀 结 构 形 式 代 号 直 通 式 1 角 式 4 直 流 式5 直 通 式6 平 衡角 式7表 1—6球 阀 结 构 形 式 代 号 直 通 式 1 L 形 4浮 动 T 形三 通 式5 固 定直 通 式7表 1—7蝶 阀 结 构 形 式代 号杠 杆 式 垂 直 板 式 斜 板 式0 1 3表 1—8隔 膜 阀 结 构 形 式代 号 屋 脊 式 1截 止 式 闸 板 式3 7表 1—9旋 塞 阀 结 构 形 式 代 号 直 通 式 3 T 形 三 通 式 4填 料 四 通 式 5 直 通 式 7 油 封T 形 三 通 式8表 1—10止 回 阀 和 底 阀 结 构 形 式 代 号 直 通 式 1 升 降 立 式 2 单 瓣 式 4 多 瓣 式 5旋 启双 瓣 式6表 1—11安 全 阀 结 构 形 式 代 号 带 散 热 片 全 启 式0 12封 闭全 启 式 4 双弹簧微启式 3 微 启 式 7 全 启 式 8带 板 手微 启 式5弹 簧不 封 闭带控制机构全 启 式6 脉 冲 式9注:杠杆式安全阀在类型代号前加“G ”汉语拼音字母。
阀门型号表示的含义
阀门的型号是由阀门类型,阀门驱动方式,阀门连接方式,阀门结构形式,密封材料,阀体材料代号来表示。
1、阀门类型代号为Z-闸阀,P-排污阀,Q-球阀,D-蝶阀,J-截止阀等;
2、阀门的驱动方式代号由字母表示,常见的有2-电液动,9-电动,6-气动,5-锥齿轮传动,3-涡轮蜗杆;手动不需要写出来
3、阀门的连接形式代号用字母表示,1-内螺纹,2-外螺纹,4-法兰式,6-焊接时,7-对夹式,9-卡箍,0-卡套;
4、阀门结构形式代号,举例闸阀:0-弹性闸板,1-明杆楔式单闸板,2-明杆楔式双闸板,3-明杆平行式单闸板,4-明杆平行式双闸板,5-暗杆楔式单闸板,6-暗杆楔式双闸板,7-暗杆平行单闸板,9-暗杆平行双闸板;
5、密封材料或衬里材料分别用R-奥氏体不锈钢,T-铜合金,X-橡胶,S-塑料,N-尼龙塑料,F-氟塑料,H-Cr系不锈钢,Y-硬质合金,J-衬胶,M-蒙乃尔合金;
6、阀体材料代号Z-灰铸铁,K-可锻铸铁,Q-球墨铸铁,T-铜及合金,C-碳钢,P-铬镍系不锈钢,R-铬镍钼系不锈钢,V-铬钼钒钢。
举例:对于电动、法兰连接、明杆楔式双闸板,密封面材料由阀体直接加工而成,公称压力PN0.1MPa阀体材料为灰铸铁的闸阀:Z942W-1电动楔式双闸板闸阀。
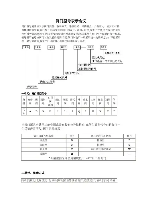
阀门型号表示含义阀门型号通常应表示阀门类型、驱动方式、连接形式、结构特点、公称压力、密封面材料、阀体材料等要素;阀门型号的标准化对阀门的设计、选用、经销,提供了方便;当今阀门的类型和材料种类越来越多,阀门型号的编制也愈来愈复杂;我国虽然有阀门型号编制的统一标准,但逐渐不能适应阀门工业发展的需要;目前,阀门制造厂一般采用统一的编号方法;不能采用统一编号方法的,各生产厂可按自己的情况制订出编号方法;一单元:阀门类型代号 当阀门还具有其他功能作用或带有其他特异结构时,在阀门类型代号前再加注一个汉语拼音字母,按下表的规定;第二功能作用名称代号 第二功能作用名称代号 保温型 B 排渣型 P 低温型 D a 快速型 Q 防火型 F 阀杆密封波纹管型W 缓闭型H——a低温型指允许使用温度低于-46℃以下的阀门;二单元:传动方式类型 安全阀 蝶阀 隔膜阀 止回阀底阀 截止阀 节流阀 排污阀 球阀 疏水阀 柱塞阀 旋塞阀 减压阀 闸阀代号ADGHJLPQSUXYZ传动 电磁动 电磁-液动 电-液动 蜗轮 正齿轮 伞齿轮 气动 液动 气-液动 电动 手柄,不表示;对于气动或液动机构操作的阀门:常开式用6K、7K表示;常闭式用6B、7B表示;防爆电动装置的阀门用9B表示;三单元:连接型式四单元:结构型式阀门结构形式用阿拉伯数字表示,按下表规定;闸阀结构形式代号截止阀、节流阀和柱塞阀结构形式代号球阀结构形式代号蝶阀结构形式代号隔膜阀结构形式代号旋塞阀结构形式代号止回阀结构形式代号安全阀结构形式代号减压阀结构形式代号蒸汽疏水阀结构形式代号排污阀结构形式代号五单元:密封副材料当密封副的密封面材料不同时,以硬度低的材料代号表示;六单元:公称压力数值用阿拉伯数字直接表示,它是MPa的10倍灰铸铁底压阀和钢制中压省略此项举例:Z543H-16C 伞齿轮传动法兰连接平板闸阀,公称压力,阀体材料为碳钢阀门的命名阀门的名称按传动方式、连接形式、结构形式、衬里材料和类型命名;但下面内容在命名中均予省略:1 连接形式中:“法兰”;2 结构形式中:a:闸阀的“明杆”、“弹性”、“刚性”和“单闸板”;b:截止阀和节流阀的“直通式”;c:球阀的“浮动”和“直通式”;d:蝶阀的“垂直板式”;e:隔膜阀的“屋脊式”;f:旋塞阀的“填料”和“直通式”;g:止回阀的“直通式”和“单瓣式”;h:安全阀的“不封闭”;3 阀座密封面材料中的材料名称;。
标准阀门型号编制方法阀门型号编制组合排列形式类型代号用汉语拼音字母表示如下表各类阀门型号含义各类阀门结构形式其它电动阀:“B”为防爆电动装置。
“Y”“S”为未注代号的均为普通型电动装置。
阀门型号:首位前加“K”表示抗硫阀;“G”表示配金属棱型垫片及加接法兰,螺栓、螺母。
“G”表示联合设计的截止、节流阀。
“C”表示CVA标准。
“S”表示地下水门。
“W”高中压表示波纹管阀;“W”低压表示卧式安装。
“HD”表示止回蝶阀;“GD”表示高真空截止阀。
“D”表示低温阀。
材质:1)C4 C6表示耐浓硝酸的新钢种。
2)TI表示耐剧腐蚀的工业钝钛。
3)N表示铝铌铜氮钢。
4)RL表示超低碳的不锈钢。
水力控制阀二、电缆型号编制方法油浸纸绝缘电力电缆油浸纸绝缘电力电缆类产品,以绝缘纸的字母“Z”代号列为首位,其余各项型号编制及字母含义如下:铜芯不滴流油浸纸绝缘铅套聚氯乙烯套电力电缆铝芯粘性油浸纸绝缘铝套裸细钢铠装电力电缆电缆外护层的型号按铠装层和外被层的结构顺序用阿拉伯数字表示。
每一数字表示所采用的主要材料和意义见下表。
交联聚乙烯绝缘电力电缆交联聚乙烯绝缘电力电缆,以交联聚乙烯代号字母“YJ”为首位,其余各项型号编制及字母含义如下:注:*铜导体代号字母“T”一般省略。
S-加铜丝屏蔽时。
铜芯交联聚乙烯绝缘氯乙烯护套电力电缆铝芯交联聚乙烯绝缘聚氯乙烯护套钢带铠装电力电缆主要型号及名称见下表。
聚氯乙烯绝缘聚氯乙烯护套电力电缆聚氯乙烯绝缘聚氯乙烯护套电力电缆,以绝缘塑料代号字母“V”为首位,其余各项型号编制及字母含义如下:注:铜导体代号字母“T”一般省略。
例如:聚氯乙烯绝缘聚氯乙烯护套钢带铠装电力电缆铝芯聚氯乙烯绝缘聚氯乙烯护套粗钢带铠装电力电缆控制电缆、信号电缆线芯数×线芯截面(毫米2)控制电缆型号编制及字母表示注:*铜芯代表字母“T”型号中一般略写。
电缆型号及名称见下表。
阀门标识大全及表示方法阀门标识识别是指通过阀门型号组合排列形式来标识和识别阀门的各种参数。
阀门型号包括口径、阀门类型、传动方式、连接形式、结构形式、阀座密封面或衬里材料、公称压力和阀体材料等。
其中,类型代号用汉语拼音字母表示,如闸阀、截止阀、节流阀、球阀、蝶阀、隔膜阀等。
各类阀门型号含义如下:闸阀(Z):0表示电磁动,1表示内螺纹,2表示外螺纹,或衬里(见下表:阀门结构形式)。
截止阀(J):1表示电磁或液动。
节流阀(L):2表示电一液动,3表示法兰(用于双弹簧安全阀)。
球阀(Q):3表示蜗轮阀,4表示法兰。
蝶阀(D):4表示正齿轮转动,5表示伞齿轮转动,6表示焊接,7表示对夹,8表示卡箍,9表示卡套阀。
隔膜阀(G):5表示法兰(用于杠杆式、安全门、单弹簧安全门)。
安全阀(A):6表示气动,7表示液动,8表示气一液动,9表示电动。
减压阀(Y):XXX表示。
疏水阀(S):XXX表示。
阀门型号中的各个参数都有其特定的代号,如汉语拼音、数字、字母等,用于表示口径、传动方式、连接形式、结构形式、阀座密封面或衬里材料、公称压力和阀体材料等。
例如,阀门型号中的汉语拼音字母代号表示阀门类型,数字表示公称压力,字母表示传动方式等。
阀门型号中的阀座密封面或衬里材料也有其特定的代号,如T表示铜合金,H表示合金钢,B表示锡基轴,Y表示硬质合金,X表示橡胶,XXX表示硬橡胶,SA表示聚四氟乙烯,SB表示聚三氟乙烯,SC表示聚氟乙烯,SD表示酚醛塑料,SN表示尼龙,F表示氟塑料,P表示皮革(渗硼钢),S表示塑料,D表示渗氮钢,XXX表示衬胶,TC表示搪磁,CS表示衬塑料,CQ表示衬铅,W表示密封圈由阀体加工。
阀门型号中的公称压力数值用kg/m2表示,阀体材料代号用汉语拼音字母和数字表示,如Z表示灰铸件,X表示可锻铸铁,Q表示球墨铸铁,T表示铜合金,B表示铅合金,II表示铬钼合金钢,L表示铬合金,P表示铬镍钛钢,V(II)表示铬钼钒合金钢,R表示铬镍钼钛钢,C表示碳钢(一般不表示),G表示硅铁。
J代表截止阀,2代表外螺纹,1代表直通式,W表示阀体直接加工的阀座密封面-160代表工程压力是16Mpa,P代表阀门材阀门型号编制方法:JB308-75 《阀门型号编制方法》适用于工业管道用闸阀、截止阀、节流阀、球阀、蝶阀、隔膜阀、旋塞阀、止回阀、安全阀、减压阀、蒸汽疏水阀。
它包括阀门的型号编制和阀门的命名。
1、阀门的型号编制阀门的型号由7 各单元组成,其含义如下所示。
1)1)类型代号:类型代号用汉语拼音字母表示,如表1-39 所示。
2)传动方式代号:按表1-40 的规定,用阿拉伯数字表示。
3)连接形式代号:按表1-41 的规定,用阿拉伯数字表示。
4)结构形式代号:阀门的结构形式代号用阿拉伯数字表示。
闸阀按表1-42 的规定;截止阀、柱塞阀和节流阀按表1-43 的规定;球阀按表1-44 的规定;蝶阀按表1-45 的规定;隔膜阀按表1-46 的规定;旋塞阀按表1-47 的规定;止回阀按表1-48 的规定;安全阀按表1-49 的规定;减压阀按表1-50 的规定;蒸汽疏水阀按表1-51 的规定;排污阀按表1-52 的规定。
5)阀座密封面或衬里材料代号:阀座密封面或衬里材料代号用汉语拼音字母表示,按表1-53 的规定。
6)公称压力代号:用阿拉伯数字表示,其数值是以兆帕(MPa)为单位的公称压力值的10 倍。
用于电站工业的阀门,当介质最高温度超过530℃时,其数值是以兆帕(MPa)为单位的工作压力值的10 倍。
7)阀体材料代号:用汉语拼音字母表示,按表1-54 的规定,PN≤1.6MPa 的铸铁阀体和PN≥2.5MPa的碳素钢阀体省略本代号。
表1-39 阀门的类型代号表1-40 阀门的传动方式代号阀门类型代号阀门类型代号安全阀A 球阀Q料是不锈钢材质。
蝶阀D 疏水阀S隔膜阀G 柱塞阀R上回阀和底阀 H 旋塞阀X截止阀J 减压阀Y节流阀L 闸阀Z排污阀P注:低温(低于-40℃)、保温(带加热套)和带波纹管的阀门、抗硫的阀门,在类型代号前面分别加汉语拼音字母D、B、W和K。
阀门的型号编制及意义阀门的型号是用来表示阀类、驱动及连接形式、密封圈材料和公称压力等要素的。
由于阀门种类繁杂,为了制造和使用方便,国家对阀门产品型号的编制方法做了统一规定。
阀门产品的型号是由七个单元组成,用来表明阀门类别、驱动种类、连接和结构形式、密封面或衬里材料、公称压力及阀体材料。
1:阀门的型号编制阀门型号由7个单元组成,其含义(即1单元表示类型代号;2单元表示传动方式代号;以此类推)又如以Q941F-16P为例 Q代表1单元(即阀门类型为球阀);9代表2单元(即传动方式其中的电动方式);4代表3单元(即连接方式其中的法兰连接);1代表4单元阀门的结构形式;F代表5单元(即密封材料其中的聚四氟乙烯密封圈);16代表6单元(即公称压力其中的一种,此示范为1.6MPa);P代表7单元(此示范为不锈钢1cr18Ni9Ti的材料);型号编制如表1所示。
一单元:类型代号:类型代号用汉语拼音字母表示。
二单元:传动方式代号:传动方式代号用阿拉伯数字表示。
注:1.手轮、手柄和扳手传动以及安全阀、减压阀、疏水阀省略本代号。
2.对于气动或液动:常开式用6k、7k表示;常闭式用6B、7B表示;气动带手动用6S表示;防爆电动用“9B”表示。
三单元:连接形式代号:四单元:结构形式代号:结构形式代号用阿拉伯数字表示,如表5--14所示:五单元:阀座密封面或衬里材料代号:阀座密封面或衬里材料代号用汉语拼音字母表示,注:由阀体直接加工密封面材料用“W”表示;当阀座和阀瓣(闸板)密封面材料不同时,用低硬度材料代号(隔膜阀除外)。
六单元:公称压力代号:公称压力代号用阿拉伯数字表示,其数值是以兆帕(MPa)为单位的公称压力值的10倍。
用于电站工业的阀门,当介质最高温度超过530'C时,其数值是以兆帕(MPa)为单位的工作压力值的10倍。
七单元:阀体材料代号:阀体材料代号用汉语拼音字母表示,如表16所示:PN小于1.6MP a的铸铁和PN大于2.5MPa的碳素钢阀体省略本代号。
阀门型号表示含义阀门型号通常应表示阀门类型、驱动方式、连接形式、结构特点、公称压力、密封面材料、阀体材料等要素。
阀门型号的标准化对阀门的设计、选用、经销,提供了方便。
当今阀门的类型和材料种类越来越多,阀门型号的编制也愈来愈复杂。
我国虽然有阀门型号编制的统一标准,但逐渐不能适应阀门工业发展的需要。
目前,阀门制造厂一般采用统一的编号方法;不能采用统一编号方法的,各生产厂可按自己的情况制订出编号方法。
拼音字母,按下表的规定。
第二功能作用名称代号 第二功能作用名称代号 保温型 B 排渣型 P 低温型 D a 快速型Q 防火型 F (阀杆密封)波纹管型W 缓闭型H——a低温型指允许使用温度低于-46℃以下的阀门。
二单元:传动方式 示;对于气动或液动机构操作的阀门:常开式用6K 、7K 表示;常闭式用6B 、7B 表示; 防爆电动装置的阀门用9B 表示。
类型 安全阀 蝶阀 隔膜阀 止回阀 底阀 截止阀 节流阀 排污阀 球阀 疏水阀 柱塞阀 旋塞阀 减压阀闸阀代号A D G H J L P Q S U X Y Z 传动 方式 电磁动 电磁-液动电-液动蜗轮 正齿轮伞齿轮气动 液动 气-液动电动手柄 手轮代号 0 1 2 3 4 5 6 7 8 9 无代号三单元:连接型式四单元:结构型式阀门结构形式用阿拉伯数字表示,按下表规定。
闸阀结构形式代号截止阀、节流阀和柱塞阀结构形式代号球阀结构形式代号隔膜阀结构形式代号旋塞阀结构形式代号止回阀结构形式代号安全阀结构形式代号蒸汽疏水阀结构形式代号排污阀结构形式代号五单元:密封副材料六单元:公称压力数值用阿拉伯数字直接表示,它是MPa的10倍灰铸铁底压阀和钢制中压省略此项举例:Z543H-16C 伞齿轮传动法兰连接平板闸阀,公称压力1.6MPa,阀体材料为碳钢阀门的命名阀门的名称按传动方式、连接形式、结构形式、衬里材料和类型命名。
但下面内容在命名中均予省略:(1) 连接形式中:“法兰”。
各类阀门型号含义[1]各类阀门型号含义各类阀门结构形式阀门的其它参数电动阀: “B”为防爆电动装置。
“Y”“S”为未注代号的均为普通型电动装置。
首位前加“K”表示抗硫阀;“G”表示配金属棱型垫片及加接法兰,螺栓、螺母。
“G”表示联合设计的截止、节流阀门型号:阀。
“C”表示CVA标准。
“S”表示地下水门。
“W”高中压表示波纹管阀;“W”低压表示卧式安装。
“HD”表示止回蝶阀;“GD”表示高真空截止阀。
“D”表示低温阀。
材质:1)C4 C6表示耐浓硝酸的新钢种。
2)TI表示耐剧腐蚀的工业钝钛。
3)N表示铝铌铜氮钢。
4)RL表示超低碳的不锈钢。
阀门型号编制组合排列形式类型代号用汉语拼音字母表示如下表各类阀门型号含义各类阀门结构形式电动阀: 阀门型号:其它“B”为防爆电动装置。
“Y”“S”为未注代号的均为普通型电动装置。
首位前加“K”表示抗硫阀;“G”表示配金属棱型垫片及加接法兰,螺栓、螺母。
“G”表示联合设计的截止、节流阀。
“C”表示CVA标准。
“S”表示地下水门。
“W”高中压表示波纹管阀;“W”低压表示卧式安装。
“HD”表示止回蝶阀;“GD”表示高真空截止阀。
“D”表示低温阀。
材质:1 )C4 C6表示耐浓硝酸的新钢种。
2)TI表示耐剧腐蚀的工业钝钛。
3)N表示铝铌铜氮钢。
4)RL表示超低碳的不锈钢。
水力控制阀二、电缆型号编制方法电力电缆型号含义线芯数×线芯截面(毫米2)+中性线芯(用“1”表示)×中性线芯截面(毫米2)油浸纸绝缘电力电缆油浸纸绝缘电力电缆类产品,以绝缘纸的字母“Z”代号列为首位,其余各项型号编制及字母含义如下:注:a.数字涵义详见以下附表。
b.铜芯代表字母T一般省略不写。
例如: 铜芯不滴流油浸纸绝缘铅套聚氯乙烯套电力电缆铝芯粘性油浸纸绝缘铝套裸细钢铠装电力电缆电缆外护层的型号按铠装层和外被层的结构顺序用阿拉伯数字表示。
每一数字表示所采用的主要材料和意义见下表。
阀门型号及含义说明、通用阀门:所有阀门型号都有下面七个单元组成:1 2 3 4 5 ——6 7通常应表示阀门类型、驱动方式、连接形式、结构特点、密封面材1、阀门类型代号:即:Z闸阀J截止阀L节流阀H止回阀和底阀Q球阀X旋塞阀D蝶阀A安全阀S蒸汽疏水阀丫减压阀G隔膜阀注明:当阀门还具有其它功能作用或带有其它特异结构时,在阀门类型代号前再加注一个汉语拼音字母(1)阀门类型代号前加“ D”为低温阀门(低于一40C);代号前加“B” 为保温的阀门(带加热套);防火型F;缓闭型H。
(2)截止阀类型代号前加“ W”,表示波纹管密封阀门。
(3)闸阀类型代号前加“ P”表示用于排渣系统阀门,加“ X”或“ K” 为排渣用泥浆阀。
(4)在地下水用闸阀类型代号前加“ S”表示竖式安装,加“ W ”表示卧式安装。
(5)在地下水用闸阀类型代号前加“ D1 ”、“D2”表示短系列,加“ Q” 表示球蝶阀,加“ S”表示用于地下管网蝶阀。
2、传动方式代号:即:0电磁动1电磁-液动2电-液动3蜗轮(蜗杆)4正齿轮5锥齿轮6气动7液动8气-液动9电动若为手动则省略注明:对于齿轮、手柄、扳手等直接传动或自动阀门(安全阀、减压阀、疏水阀、手轮直接连接阀杆操作结构形式的阀门)本代号省略,不表示;对于气动或液动机构操作的阀门,常开式用6K、7K表示,常闭式用6B、7B表示,气动带手动用6S表示。
防爆电动装置的阀门用9B表示,户外耐热式用9R表示。
3、连接方式代号:即:1内螺纹2外螺纹4法兰式6焊接式7对夹式8卡箍9卡套4、结构形式代号阀门结构形式用1位阿拉伯数字表示,如下:(一)闸阀结构形式代号:即:0楔式弹性闸板1楔式单闸板2楔式双闸板3平行式单闸板4平行式双闸板(二)截止阀、截流阀结构形式代号:即:1直通式4角式5直流式(三)止回阀结构形式代号:即:1直通式2升降立式3升降角式6旋启单瓣式(四)安全阀结构形式代号:(五)调节阀结构形式代号:(六)球阀结构形式代号:即:1浮球直通式7固定直通式(七)给水分配阀、减压阀、旋塞阀、蝶阀、输水阀、隔膜阀结构形式代号:注明:结构形式如为杠杆式安全阀,在结构形式代号前加“G”,1代表单杆微启,2代表单杆全启,3代表双杆微启,4代表双杆全启.5、密封面材质代号:(用汉语拼音字母表示)注:当阀座与阀瓣材质不同时,用底硬度材料代号表示(隔膜阀除外)即:H合金钢丫硬质合金F氟塑料T铜合金P渗硼钢X橡胶N尼龙塑料B锡基轴承合金(巴氏合金)Q衬铅J衬胶C、P陶瓷、渗硼钢W本体材质(碳化钨硬质合金)6、公称压力代号:公称压力数值用阿拉伯数字直接表示,并用短线与前五个单元分开。
阀门型号及含义说明一、通用阀门:所有阀门型号都有下面七个单元组成:1 2 3 4 5 ——6 7通常应表示阀门类型、驱动方式、连接形式、结构特点、密封面材料、公称压力、阀体材料等。
以下图为例:1、阀门类型代号:即:Z 闸阀J截止阀L节流阀H止回阀和底阀Q球阀X旋塞阀D蝶阀A安全阀S蒸汽疏水阀Y减压阀G隔膜阀注明:当阀门还具有其它功能作用或带有其它特异结构时,在阀门类型代号前再加注一个汉语拼音字母(1)阀门类型代号前加“D”为低温阀门(低于-40℃);代号前加“B”为保温的阀门(带加热套);防火型F;缓闭型H。
(2)截止阀类型代号前加“W”,表示波纹管密封阀门。
(3)闸阀类型代号前加“P”表示用于排渣系统阀门,加“X”或“K”为排渣用泥浆阀。
(4)在地下水用闸阀类型代号前加“S”表示竖式安装,加“W”表示卧式安装。
(5)在地下水用闸阀类型代号前加“D1”、“D2”表示短系列,加“Q”表示球蝶阀,加“S”表示用于地下管网蝶阀。
2、传动方式代号:即:0电磁动1电磁-液动2电-液动3蜗轮(蜗杆)4正齿轮5锥齿轮6气动7液动8气-液动9电动若为手动则省略注明:对于齿轮、手柄、扳手等直接传动或自动阀门(安全阀、减压阀、疏水阀、手轮直接连接阀杆操作结构形式的阀门)本代号省略,不表示;对于气动或液动机构操作的阀门,常开式用6K、7K表示,常闭式用6B、7B表示,气动带手动用6S表示。
防爆电动装置的阀门用9B表示,户外耐热式用9R表示。
3、连接方式代号:即:1内螺纹2外螺纹4法兰式6焊接式7对夹式8卡箍9卡套4、结构形式代号阀门结构形式用1位阿拉伯数字表示,如下:(一)闸阀结构形式代号:即:0楔式弹性闸板1楔式单闸板2楔式双闸板3平行式单闸板4平行式双闸板(二)截止阀、截流阀结构形式代号:即:1直通式4角式5直流式(三)止回阀结构形式代号:代号 1 2 3 4 5 6 7 8 9结构型式升降式阀瓣旋启式阀瓣升降式阀瓣蝶式直通流道立式结构角式结构单瓣结构多瓣结构双瓣结构直流式节流再循环式即:1直通式2升降立式3升降角式6旋启单瓣式(四)安全阀结构形式代号:(五)调节阀结构形式代号:(六)球阀结构形式代号:即:1浮球直通式7固定直通式(七)给水分配阀、减压阀、旋塞阀、蝶阀、输水阀、隔膜阀结构形式代号:注明:结构形式如为杠杆式安全阀,在结构形式代号前加“G”,1代表单杆微启,2代表单杆全启,3代表双杆微启,4代表双杆全启.5、密封面材质代号:(用汉语拼音字母表示)注:当阀座与阀瓣材质不同时,用底硬度材料代号表示(隔膜阀除外)即:H合金钢Y硬质合金F氟塑料T铜合金P渗硼钢X橡胶N尼龙塑料B锡基轴承合金(巴氏合金)Q衬铅J衬胶C、P 陶瓷、渗硼钢W本体材质( 碳化钨硬质合金)6、公称压力代号:公称压力数值用阿拉伯数字直接表示,并用短线与前五个单元分开。
阀门型号上每个字母的含义-lk一、阀门的型号阀门的型号是用来表示阀类、驱动及连接形式、密封圈材料和公称压力等要素的。
由于阀门种类繁杂,为了制造和使用方便,国家对阀门产品型号的编制方法做了统一规定。
阀门产品的型号是由七个单元组成,用来表明阀门类别、驱动种类、连接和结构形式、密封面或衬里材料、公称压力及阀体材料。
阀门型号的组成由七个单元顺序组成(见下表)1.阀门的类型代号表1—1阀门类型代号阀门类型代号阀门类型代号闸阀Z 球阀Q 疏水阀S截止阀J 旋塞阀X 安全阀 A 节流阀L 液面指示器M 减压阀Y 隔膜阀G 止回阀H柱塞阀U 碟阀 D2.传动方式代号用阿拉伯数字表示,按表1—2的规定表1—2传动方式代号传动方式代号电磁阀电磁—液动电—液动蜗轮正齿轮01234伞齿轮气动液动气—液动电动56789注:①手轮、手柄和扳手传动以及安全阀、减压阀、疏水阀省略本代号。
②对于气动或液动:常开式用6K、7K表示;常闭式用6B、7B表示;气动带手动用6S表示。
防爆电动用“9B”表示。
3.连接形式代号用阿拉伯数字表示,按表1—3的规定表 1—3连 节 形 式 代 号 连 节 形 式 代 号 内 螺 纹 外 螺 纹 法 兰 焊 接1 2 4 6对 夹 卡 箍 卡 套7 8 9注:焊接包括对焊和承插焊4.结构形式代号用阿拉伯数字表示1—4~13 表 1—4闸 阀 结 构 形 式 代 号 弹 性 闸 板 0 单 闸 板 1楔 式 双 闸 板 2 单 闸 板 3明 杆平 行 式双 闸 板 4 单 闸 板 5 暗 杆 楔 式刚 性双 闸 板6表 1—5截 止 阀 和 节 流 阀 结 构 形 式 代 号 直 通 式 1 角 式 4 直 流 式5 直 通 式6 平 衡角 式7表 1—6球 阀 结 构 形 式 代 号 直 通 式 1 L 形 4浮 动 T 形三 通 式5 固 定直 通 式7表 1—7蝶 阀 结 构 形 式代 号杠 杆 式 垂 直 板 式 斜 板 式0 1 3表 1—8隔 膜 阀 结 构 形 式代 号 屋 脊 式 1截 止 式 闸 板 式3 7表 1—9旋 塞 阀 结 构 形 式 代 号 直 通 式 3 T 形 三 通 式 4填 料 四 通 式 5 直 通 式 7 油 封T 形 三 通 式8表 1—10止 回 阀 和 底 阀 结 构 形 式 代 号 直 通 式 1 升 降 立 式 2 单 瓣 式 4 多 瓣 式 5旋 启双 瓣 式6表 1—11安 全 阀 结 构 形 式 代 号 带 散 热 片 全 启 式0 12封 闭全 启 式 4 双弹簧微启式 3 微 启 式 7 全 启 式 8带 板 手微 启 式5弹 簧不 封 闭带控制机构全 启 式6 脉 冲 式9注:杠杆式安全阀在类型代号前加“G ”汉语拼音字母。
阀门型号表示含义阀门型号通常应表示、驱动方式、连接形式、结构特点、、密封面材料、阀体材料等要素。
阀门型号的标准化对阀门的设计、、经销,提供了方便。
当今阀门的类型和材料种类越来越多,阀门型号的编制也愈来愈复杂。
我国虽然有阀门型号编制的统一标准,但逐渐不能适应阀门工业发展的需要。
目前,阀门制造厂一般采用统一的编号方法;不能采用统一编号方法的,各生产厂可按自己的情况制订出编号方法。
一单元:阀门类型代号当阀门还具有其他功能作用或带有其他特异结构时,在阀门类型代号前再加注一个汉语拼音字母,按下表的规定。
二单元:传动方式安全阀、减压阀、疏水阀、手轮直接连接阀杆操作结构形式的阀门,本代号省略,不表示;对于气动或液动机构操作的阀门:常开式用6K、7K表示;常闭式用6B、7B表示;防爆电动装置的阀门用9B表示。
三单元:连接型式四单元:结构型式阀门结构形式用阿拉伯数字表示,按下表规定。
闸阀结构形式代号截止阀、节流阀和柱塞阀结构形式代号球阀结构形式代号蝶阀结构形式代号隔膜阀结构形式代号旋塞阀结构形式代号止回阀结构形式代号安全阀结构形式代号减压阀结构形式代号蒸汽疏水阀结构形式代号排污阀结构形式代号五单元: xx副材料当xx副的xx面材料不同时,以硬度低的材料代号表示。
六单元:公称压力数值用阿拉伯数字直接表示,它是MPa的10倍七单元:阀体材料灰铸铁底压阀和钢制中压省略此项举例:Z543H 伞齿轮传动,公称压力1.6MPa,阀体材料为碳钢阀门的命名阀门的名称按传动方式、连接形式、结构形式、衬里材料和类型命名。
但下面内容在命名中均予省略:(1) 连接形式中:“xx”。
(2) 结构形式中:a:闸阀的“明杆”、“弹性”、“刚性”和“单闸板”;b:截止阀和节流阀的“直通式”;c:球阀的“浮动”和“直通式”;d:蝶阀的“垂直板式”;e:隔膜阀的“屋脊式”;f:旋塞阀的“填料”和“直通式”;g:止回阀的“直通式”和“单瓣式”;h:安全阀的“不封闭”。
阀门型号
阀门型号编制方法、阀门编号说明
阀门型号通常应表示阀门类型、驱动方式、连接形式、结构特点、公称压力、密封面材料、阀体材料等要素。
阀门型号的标准化对阀门的设计、选用、经销,提供了方便。
当今阀门的类型和材料种类越来越多,阀门型号的编制也愈来愈复杂。
我国虽然有阀门型号编制的统一标准,但逐渐不能适应阀门工业发展的需要。
目前,阀门制造厂一般采用统一的编号方法;不能采用统一编号方法的,各生产厂可按自己的情况制订出编号方法。
一单元二单元三单元四单元五单元-六单元七单元
阀门类型传动方式连接型式结构形式密封副材料-公称压力阀体材料
□□□□□-□□
一单元:阀门类型代号类型
安全阀A蝶阀D隔膜阀G止回阀、底阀H截止阀J节流阀L排污阀P
球阀Q疏水阀S柱塞阀U旋塞阀X减压阀Y闸阀Z
二单元:传动方式传动
电磁动0电磁-液动1电-液动2蜗轮3正齿轮4伞齿轮5气动6液动7气-液动8电动9手柄手轮(无)
三单元:连接型式连接方式
内螺纹1外螺纹2两不同连接3法兰4焊接5对夹6卡箍7卡套8
四单元:结构型式
每种阀门的结构型式都不同,请点击下面相应的阀门结构型式编制方法
闸阀结构形式代号
明杆楔式弹性闸板0
刚性单闸板 1
双闸板2
平行式单闸板 3
双闸板4
暗杆楔式单闸板 5
双闸板6
平行式单闸板7
双闸板8
安全阀结构形式代号
弹簧封闭带散热片全启式0 微启式1
全启式2
带扳手全启式 4
不封闭双弹簧微启式 3
微启式7
全启式8
带控制机构全启式 6
脉冲式9
杠杆式5
减压阀结构形式代号
直接作用波纹管式 1
直接作用薄膜式2
先导活塞式3
先导波纹管式4
先导薄膜式5
五单元:密封副材料材料
锡基轴承合金B(巴氏合金)搪C渗氮钢D18-8系不锈钢E氟塑料F玻璃G Cr13不锈钢H衬胶J蒙乃尔合金M尼龙塑料N渗硼钢P衬铅Q Mo2Ti不锈钢R塑料S铜合金T橡胶X硬质合金Y阀体直接加工W
当密封副的密封面材料不同时,以硬度低的材料代号表示。
六单元:公称压力
数值用阿拉伯数字直接表示,它是MPa的10倍
七单元:阀体材料阀体材料
钛及钛合金A碳钢C Cr13系不锈钢H铬钼钢I可锻铸铁K铝合金L18-8系不锈钢P球墨铸铁Q Mo2Ti系不锈钢R塑料S铜及铜合金T铬钼钒钢V灰铸铁Z
灰铸铁底压阀和钢制中压省略此项
举例:Z543H-16C 伞齿轮传动法兰连接平板闸阀,公称压力1.6MPa,阀体材料为碳钢阀门的命名
阀门的名称按传动方式、连接形式、结构形式、衬里材料和类型命名。
但下面内容在命名中均予省略:
(1) 连接形式中:“法兰”。