橡胶弹簧参数
- 格式:pdf
- 大小:289.11 KB
- 文档页数:2
模具彈簧规格及参数一.彈簧功能彈簧是模具中廣泛應用的彈性零件,主要用于卸料、壓料、推件和頂出等工作.根據荷重不同,共分五種不同顏色加以區分,易於判別和選用.二.規格系列1.彈簧外徑系列: Φ6Φ8,Φ10,Φ12,Φ14,Φ16,Φ18,Φ20,Φ22,Φ25,Φ30,Φ35,Φ40,Φ50等.2.種類3.彈簧長度:15<=L<=80MM時,每5MM為一個階;80=<L<=100MM時,每10MM為一個階;L>=100MM時,每25MM為一個階.4.扁线彈簧最小直径6mm5.彈簧內徑等于彈簧外徑的二分之一.6.相同直径颜色的弹簧,不管自由长度是多长,压40%产生的力一样结论:相同直径颜色的弹簧,自由长度越短,压缩1mm产生的力越大7.通常使用的最大壓縮比是彈簧使用30萬次的最大壓縮比.汽车模具使用50萬次的最大壓縮比..8.弹簧能压缩的长度=弹簧的自由长度x弹簧的压缩比例:Φ20绿色弹簧长度50mm,弹簧要求寿命30万次,弹簧能压缩多长?50x24%=12(mm)9.弹簧的长度=弹簧要压缩的长度÷弹簧的压缩比例:弹簧要压缩20mm, 弹簧颜色为红色,弹簧要求寿命50万次要用多长的弹簧?弹簧的长度=20÷28.8%+5MM=74.4 查表选用75MM长弹簧一般选弹簧长度会加5mm的安全余量三.選用原則1.長度選擇一般保証:在開模狀態彈簧的預壓縮量等於3~5(常规预压3mm,預壓縮量隨實際情況而定.);閉模狀態彈簧壓縮量小於或等於最大壓縮量(最大壓縮量LA=彈簧自由長L*最大壓縮比取值%).2.模板压料,脱料板压料優先選用綠色或棕色(茶色,咖啡色)彈簧;如果向上成形的下模压料,折弯脱料所需的頂料力不很大時,可選用紅色,绿色彈簧,浮料用黄色,圆线弹簧.3.復合模外脫料板用紅色彈簧,內脫料板用綠色或棕色彈簧.4.活動定位銷一般選用Φ6頂料銷,配Φ10黃色彈簧和M12止付螺絲.Φ8頂料銷,配Φ12黃色彈簧和M14止付螺絲.5.沖孔模和成形模用綠色或棕色(茶色,咖啡色)彈簧,如有特殊需求時,由專案主管確定.6.彈簧規格優先選用Φ30.在空間較小區域可考慮選用其它規格(如Φ25,Φ20,Φ18,Φ16…...等).Φ25的内导柱用Φ30的弹簧脱料Φ20的内导柱用Φ25的弹簧脱料四.排配原則1.彈簧過孔中心到模板邊緣距離大於外徑D,與其他孔距離保持實體壁厚大於5MM,空间不足时最少留2MM.2.彈簧排列首先考慮受力重點部位,然後再考慮整個模具受力均衡平穩.受力重點部位是指:復合模的內脫料板外形和沖頭的周圍;沖孔模的沖頭周圍;成形模的折彎邊及有抽成形的地方.3.成形模采用氣墊結構時,下打板排配2~6個彈簧.下模座上不沉孔,彈簧選用黃色或藍色即可.五.五金零件需求表填寫範例彈簧(顏色):D*L (D-彈簧外徑L-自由長度)例: 彈簧TH(綠): Φ20*70Welcome To Download !!!欢迎您的下载,资料仅供参考!。
弹簧参数尺寸及计算公式弹簧是一种用来储存和释放机械能的装置,应用广泛于机械、汽车、电器等领域。
弹簧的参数、尺寸以及计算公式对于设计和选择弹簧十分重要。
1.弹簧的参数:- 预压力(Preload):弹簧在未加载之前的初始压力。
- 弹性系数(Spring Constant):弹簧在单位变形下的恢复力。
- 卸载长度(Unloaded Length):未加载时的弹簧长度。
- 动载荷(Dynamic Load):弹簧所承受的变动力。
- 疲劳寿命(Fatigue Life):弹簧能够承受的循环加载次数。
2.弹簧的尺寸:- 线径(Wire Diameter):弹簧材料的直径,决定着弹簧的承载能力。
- 外径(Outer Diameter):弹簧的最大直径。
- 内径(Inner Diameter):弹簧的最小直径。
- 组件高度(Solid Height):弹簧在最大压缩状态下的高度。
- 活动齿数(Active Coils):弹簧上具有弹性的齿数。
- 紧齿数(Total Coils):弹簧上总共的齿数。
3.弹簧的计算公式:-弹性系数(K)的计算公式:K=Gd^4/(8Na^3)其中,G为剪切模量,d为线径,N为齿数,a为活动齿数。
-预压力(P)的计算公式:P=K*δ其中,δ为弹簧的压缩/拉伸变形量。
-力(F)的计算公式:F=K*δ弹簧所受的力正比于弹性系数与变形量之积。
-弹簧的伸长(δ)计算公式:δ=(F*L)/(K*Gd^4)其中,L为弹簧的长度。
-弹簧的疲劳寿命(Nf)计算公式:Nf=(C*S^b)/(F^b)其中,C为常数,S为应力幅值(一般为弹簧的最大变形量)。
以上公式仅为常见的弹簧计算公式,实际应用中可能还需要考虑更多的因素,如安全系数、材料的疲劳强度等。
总结起来,弹簧的参数、尺寸和计算公式对于弹簧的设计和选择至关重要。
具体的参数和尺寸根据实际应用需求和弹簧类型来确定,而计算公式则是根据力学原理和材料特性推导得出的。
一:橡胶弹簧
振动筛橡胶弹簧是一种高分弹性体,制作材料有普通橡。
橡胶弹簧弹性模量小,受载后有较大的弹性变形,借以吸收冲击和振动。
它能同时受多向载荷,但耐高温性和耐油性比钢弹簧差。
如有特殊要求可用耐油橡胶制成。
该产品减振效果好,共振领域小,使用寿命长,成本低,还有良好的耐寒性,优良的气密性,防水性,电绝
缘性,是减振的最佳选择。
橡胶弹簧是常用的弹性元件,广泛应用于各种振动设备,具有稳定性好,噪音低,隔振效果好,使用寿命长等优点。
性能特点和技术参数:
橡胶弹簧是一种高分子弹性体,具有自生热小,回弹性好,机械性能稳定,使用寿命长,成本低等优点。
橡胶弹簧参数:
本公司提供非标设计。
1
二:橡胶复合弹簧
橡胶复合弹簧是由金属螺旋弹簧及其外边包裹的优质硫化橡胶共同构成。
集金属弹簧和橡胶弹簧的优点于一体,克服了金属弹簧刚性大、工作噪音高及橡胶弹簧承重量小、形状及机械性能稳定性差等缺点。
具有更高的载荷量和大变形量、减震降噪效果更好、工作平稳、共振区间短等优点。
三:振动筛钢制弹簧
钢制弹簧是一种利用弹性来工作的机械零件。
一般用弹簧钢制成。
用以控制机件的运动、缓和冲击或震动、贮蓄能量、测量力的大小等,广泛用于机器、仪表中。
弹簧的种类复杂多样,按形状分,主要有螺旋弹簧、涡卷弹簧、板弹簧等。
橡胶弹簧的配合公差
橡胶弹簧的配合公差包括轴向公差、径向公差、材质公差和几何公差。
1. 轴向公差:指弹簧的轴线与轴承孔的公差。
此公差需要满足,橡胶弹簧能够顺畅地放置在轴承孔中而不会移动,并能够旋转。
2. 径向公差:指弹簧的外径与轴承孔的公差。
此公差需要满足,橡胶弹簧的外径与轴承孔之间存在适当的间隙,以保证弹簧在工作时能够自由振动。
3. 材质公差:指橡胶弹簧的制作材料的公差。
由于橡胶材料的性质不稳定,因此需要控制材料的质量和准确度,以确保弹簧的弹性性能。
4. 几何公差:指弹簧的形状和尺寸的公差。
此公差需要满足,橡胶弹簧的形状和尺寸能够与其他配合零件相匹配,以确保整体系统的正常运作。
模具彈簧规格及参数一.彈簧功能彈簧是模具中廣泛應用的彈性零件,主要用于卸料、壓料、推件和頂出等工作.根據荷重不同,共分五種不同顏色加以區分,易於判別和選用.二.規格系列1.彈簧外徑系列:Φ6Φ8,Φ10,Φ12,Φ14,Φ16,Φ18,Φ20,Φ22,Φ25,Φ30,Φ35,Φ40,Φ50等.彈簧外徑D Φ8 Φ10 Φ12 Φ14 Φ16 Φ18 Φ20 Φ22 Φ25 Φ30 Φ35 Φ40 Φ50 過孔直徑D1 Φ8.5 Φ10.5 Φ12.5 Φ14.5 Φ17.0 Φ19.0 Φ21.0 Φ23.0 Φ26.0 Φ32.0 Φ37.0 Φ42.0 Φ52.0 上模座沉孔直徑D2 Φ12.0 Φ14.0 Φ16.0 Φ18.0 Φ20.0 Φ23.0 Φ26.0 Φ26.0 Φ30.0 Φ35.0 Φ40.0 Φ45.0 Φ55.0長度L彈簧TF (黃) ╳20~80 20~80 25~90 25~100 25~100 25~125 ╳25~150 25~175 40~200 50~250 60~300 彈簧TL (藍) ╳20~80 20~80 25~90 25~100 25~100 25~125 ╳25~150 25~175 40~200 50~250 60~300 彈簧TM (紅) 15~60 20~60 20~60 25~70 25~80 25~90 25~100 25~125 25~125 25~175 45~200 50~250 60~300 彈簧TH (綠) 15~60 20~60 20~60 25~70 25~80 25~90 25~100 25~125 25~125 25~175 40~200 50~250 60~300 彈簧TB (棕) 15~60 20~80 20~80 25~90 25~100 25~100 25~100 25~125 25~125 25~175 40~200 50~250 60~300 2.種類種類顏色最大極限壓縮比30万回最大壓縮比50万回最大壓縮比100万回最大壓縮比輕小荷重黃色58% 50% 45% 40%輕荷重藍色48% 40% 36% 32%中荷重紅色38% 32% 28.8% 25.6%重荷重綠色28% 24% 21.6% 19.2%極重荷重棕色(茶色,咖啡色)24% 20% 18% 16%3.彈簧長度:15<=L<=80MM時,每5MM為一個階;80=<L<=100MM時,每10MM為一個階;L>=100MM時,每25MM為一個階.4.扁线彈簧最小直径6mm5.彈簧內徑等于彈簧外徑的二分之一.6.相同直径颜色的弹簧,不管自由长度是多长,压40%产生的力一样结论:相同直径颜色的弹簧,自由长度越短,压缩1mm产生的力越大7.通常使用的最大壓縮比是彈簧使用30萬次的最大壓縮比.汽车模具使用50萬次的最大壓縮比..8.弹簧能压缩的长度=弹簧的自由长度x弹簧的压缩比例:Φ20绿色弹簧长度50mm,弹簧要求寿命30万次,弹簧能压缩多长?50x24%=12(mm)9.弹簧的长度=弹簧要压缩的长度÷弹簧的压缩比例:弹簧要压缩20mm, 弹簧颜色为红色,弹簧要求寿命50万次要用多长的弹簧?弹簧的长度=20÷28.8%+5MM=74.4 查表选用75MM长弹簧一般选弹簧长度会加5mm的安全余量10.弹簧要压缩的长度=活动板行程+3~5mm预压(常规预压3mm)11.弹簧模板孔的大小直径<20模板孔=D+1直径>=20模板孔=D+2DD1D2三.選用原則1.長度選擇一般保証:在開模狀態彈簧的預壓縮量等於3~5(常规预压3mm,預壓縮量隨實際情況而定.);閉模狀態彈簧壓縮量小於或等於最大壓縮量(最大壓縮量LA=彈簧自由長L*最大壓縮比取值%).2.模板压料,脱料板压料優先選用綠色或棕色(茶色,咖啡色)彈簧;如果向上成形的下模压料,折弯脱料所需的頂料力不很大時,可選用紅色,绿色彈簧,浮料用黄色,圆线弹簧.3.復合模外脫料板用紅色彈簧,內脫料板用綠色或棕色彈簧.4.活動定位銷一般選用Φ6頂料銷,配Φ10黃色彈簧和M12止付螺絲.Φ8頂料銷,配Φ12黃色彈簧和M14止付螺絲.5.沖孔模和成形模用綠色或棕色(茶色,咖啡色)彈簧,如有特殊需求時,由專案主管確定.6.彈簧規格優先選用Φ30.在空間較小區域可考慮選用其它規格(如Φ25,Φ20,Φ18,Φ16…...等).Φ25的内导柱用Φ30的弹簧脱料Φ20的内导柱用Φ25的弹簧脱料四.排配原則1.彈簧過孔中心到模板邊緣距離大於外徑D,與其他孔距離保持實體壁厚大於5MM,空间不足时最少留2MM.2.彈簧排列首先考慮受力重點部位,然後再考慮整個模具受力均衡平穩.受力重點部位是指:復合模的內脫料板外形和沖頭的周圍;沖孔模的沖頭周圍;成形模的折彎邊及有抽成形的地方.3.成形模采用氣墊結構時,下打板排配2~6個彈簧.下模座上不沉孔,彈簧選用黃色或藍色即可.五.五金零件需求表填寫範例彈簧(顏色):D*L (D-彈簧外徑L-自由長度) 例: 彈簧TH(綠): Φ20*70。
橡胶弹簧详细参数橡胶弹簧是一种高弹性体,制作材料有普通橡胶和天然橡胶。
橡胶弹簧弹性模量小,受载后有较大的弹性变形,借以吸收冲击和振动。
它能同时受多向载荷,但耐高温性和耐油性比钢弹簧差。
如有特殊要求可用耐油橡胶制成。
该产品减振效果好,共振领域小,使用寿命长,成本低,还有良好的耐寒性,优良的气密性,防水性,电绝缘性,是减振的最佳选择。
橡胶弹簧图纸橡胶弹簧三维图标准橡胶弹簧技术参数:规格D×H×d﹝mm﹞外径D﹝mm﹞内径d﹝mm﹞自由高度H﹝mm﹞工作变形量FV﹝cm﹞刚度KL(kg/cm)静态载荷(kg)Ф50×50×Ф18 50 18 50 0.5 50 50 Ф50×50×Ф20 50 20 50 0.5 50 50 Ф60×60×Ф20 60 20 60 0.6 60 60 Ф80×80×Ф20 80 80 20 0.8 100 100 Ф80×80×Ф25 80 25 80 0.8 100 100 Ф80×80×Ф30 80 30 80 0.8 100 100 Ф90×100×Ф25 90 25 100 0.9 140 140 Ф100×100×Ф25 1025 100 1 140 140 Ф100×100×Ф30 1030 100 1 140 140Ф100×130×Ф30 1030 130 1 150 150Ф120×120×Ф30 1230 120 1.2 220 260Ф120×140×Ф30 1230 140 1.2 230 270Ф127×127×Ф30 12730 127 1.2 230 270Ф130×130×Ф30 1330 130 1.3 240 310Ф140×140×Ф30 1430 140 1.4 300 420Ф140×160×Ф30 1430 160 1.4 350 490Ф140×160×Ф40 1440 160 1.4 350 490Ф160×160×Ф30 1630 160 1.6 350 560Ф160×160×Ф40 1640 160 1.6 350 560Ф160×160×Ф50 1650 160 1.6 350 560Ф160×160×Ф60 1660 160 1.6 350 560Ф160×235×Ф40 1640 235 2.5 400 1000Ф160×240×Ф40 1640 240 2.5 400 1000Φ170×240×Φ40 1740 240 2.5 400 1000Ф180×180×Ф40 1840 180 1.8 400 720Ф180×240×Ф40 1840 240 2.5 400 1000Ф200×150×Ф65 2065 150 1.5 350 520Ф200×200×Ф40 2040 200 2 450 900Ф200×200×Ф50 2050 200 2 450 900Ф200×300×Ф50 2050 300 2 480 960Ф220×180×Ф50 2250 180 1.8 450 810Ф220×220×Ф40 2240 220 2.2 500 1100Ф220×220×Ф50 2250 220 2.2 500 1100Ф240×240×Ф40 2440 240 2.4 550 1300Ф240×240×Ф50 2450 240 2.4 550 1300Ф250×250×Ф40 2540 250 2.5 580 1450Ф250×250×Ф50 2550 250 2.5 580 1450Ф280×170(实心)28170 1.7 600 1020Ф300×150(实心)30150 1.5 600 1020Ф300×245×Ф80 3080 245 2.5 900 2250 非标橡胶弹簧参数规格D×H×d(mm) 外径D(mm)内径d(mm)自由高度H(mm)工作变形量FV(cm)刚度KL(kg/cm)静态载荷(kg)Ф10×7×Ф5 10 5 7 0.7 20 14 Ф17×31×Ф7.5 17 7.5 31 0.31 30 9 Ф20×32×Ф9.5 20 32 9.5 0.32 30 9 Ф20×32×Ф10 20 10 32 0.32 30 9 Ф25×35×Ф16 25 16 35 0.35 40 14 Ф30×32×Ф12 30 12 32 0.32 40 12 Ф30×50×Ф12Ф15 30 12/15 50 0.5 40 20 Ф35×30×Ф14 30 14 30 0.3 40 12 Ф35×30×Ф20 35 20 30 0.3 40 12 Ф35×24×Ф8 35 8 24 0.24 40 9.6 Ф35×35×Ф10 35 10 35 0.35 40 14 Ф40×40×Ф12 40 12 40 0.4 50 20 Ф40×40×Ф16 40 16 40 0.4 50 20 Ф42×30×Ф22 42 22 30 0.3 50 15Ф43×32×Ф15 43 15 32 0.32 50 16 Ф45×120(实心)45 120 1.2 80 96 Ф50×50×Ф18 50 18 50 0.5 60 30 Ф50×55×Ф30 50 30 55 0.55 60 3.3 Ф50×58×Ф30 50 30 58 0.58 60 34.8 Ф50×100×Ф14 50 14 100 1 80 80 Ф50×100(实心)50 100 1 80 80 Ф55×50×Ф30 55 30 50 0.5 60 30 Ф60×40×Ф20 60 20 40 0.4 60 24 Ф60×40(实心)60 40 0.4 60 24 Ф60×50(实心)60 50 0.5 80 40 Ф60×60(实心)60 60 0.6 80 48 Ф60×50×Ф30 60 30 50 0.5 80 40 Ф60×60×Ф25 60 25 60 0.6 80 48 Ф60×86×Ф20 60 20 86 0.86 80 68.8 Ф63×124×Ф14 63 14 124 1.24 100 124 Ф65×52×Ф13 65 13 52 0.52 80 41.6 Ф70×60×Ф14 70 14 60 0.6 80 48 Ф74×70×Ф35 74 35 70 0.7 80 56 Ф72×95(实心)72 95 0.95 100 95 Ф75×60×Ф22 75 22 60 0.6 100 60 Ф80×70×Ф20 80 20 70 0.7 100 70 Ф80×80×Ф30 80 30 80 0.8 100 80 Ф80×50×Ф15 80 15 50 0.5 80 40 Ф80×60×Ф20 80 20 60 0.6 100 60 Ф80×80(实心)80 80 0.8 100 80 Ф80×100(实心)80 100 1 150 150 Ф82×135×Ф25 82 25 135 1.35 140 189 Ф82×105×Ф25 82 25 105 1.05 130 136 Ф85×140×Ф30 85 30 140 1.4 140 196 Ф90×130×Ф40 90 40 130 1.3 140 182Ф100×100×Ф36 1036 100 1 140 140Ф80×88×Ф30×Ф25 80 30/25 88 0.88 140 120Ф100×120×Ф30×Ф20 1030/20 120 1.2 190 228Ф100×100×Ф15×Ф25 1015/25 100 1 190 190Ф100×135×Ф200×Ф35 10200/35 135 1.35 190 250Ф88×35×Ф38 88 38 35 0.35 100 35 Ф95×54×Ф34 95 34 54 0.54 100 54 Ф110×Ф235×78×Ф20 1178/20 235 2.35 190 440Ф100×120×Ф55×Ф40 1055/40 120 1.2 290 340Ф100×62×Ф25 1025 62 0.62 130 80Ф100×70×Ф25 1025 70 0.7 130 90Ф102×255×Ф60 10260 255 2 180 360Ф100×90×Ф30 1030 90 0.9 140 126Ф100×80×Ф30 1030 80 0.8 140 112Ф100×100×Ф42 1042 100 1 140 140Ф100×120×Ф30 1030 120 1.2 160 192Ф100×130×Ф30 1030 130 1.3 180 234Ф100×140×Ф30 1030 140 1.4 200 280Ф100×160×Ф20 1020 160 1.6 200 320Ф100×250×Ф25 1025 250 2 200 400Ф100×70×Ф30 1030 70 0.7 150 120Ф110×90×Ф25 1125 90 0.9 150 135Ф110×100×Ф30 1130 100 1 150 150Ф110×110×Ф30 1130 110 1.1 150 165Ф110×110×Ф100×Ф46 11100/46 110 1.1 140 150Ф110×130×Ф70 1170 130 1.3 200 260Ф120×100×Ф60 1260 100 1 200 200Ф120×120×Ф25 1225 120 1.2 220 264Ф115×180×Ф60 11560 180 1.8 250 450Ф120×120×Ф40 1240 120 1.2 220 264Ф120×120×Ф50 1250 120 1.2 220 264Ф120×120×Ф65 1265 120 1.2 220 264Ф120×125×Ф20 1220 125 1.25 220 275Ф120×130×Ф50 1250 130 1.3 220 286Ф130×150×Ф30 1330 150 1.5 220 330Ф125×52×Ф60 12560 52 0.52 200 104Ф128×66×Ф95 12895 66 0.66 200 132Ф130×115×Ф20 1320 115 1.15 250 287Ф130×180×Ф40 1340 180 1.8 250 450Ф138×58×Ф92 13892 58 0.58 200 116Ф140×40×Ф40 1440 40 0.4 200 80Ф140×75×Ф26 1426 75 0.75 250 187Ф140×120×Ф20 1420 120 1.2 300 360Ф140×130(实心)14130 1.3 300 390Ф140×140×Ф35 1435 140 1.4 300 420Ф140×140×Ф40 1440 140 1.4 300 420Ф140×140×Ф50 1450 140 1.4 300 420Ф150×120×Ф25 1525 120 1.2 300 360Ф150×130×Ф55 1555 130 1.3 350 455Ф150×150×Ф30 1530 150 1.5 350 525Ф152×152×Ф25 15225 152 1.52 350 532Ф155×35×Ф55 15555 35 0.35 180 63Ф155×55×Ф65 15565 55 0.55 200 110Ф160×80×Ф30 1630 80 0.8 250 200Ф160×80×Ф40 1640 80 0.8 250 200Ф160×100×Ф50 1650 100 1 300 300Ф160×135×Ф50 1650 135 1.35 300 405Ф160×150×Ф52 1652 150 1.5 350 525Ф160×160×Ф70 1670 160 1.6 350 560Ф160×160×Ф80 1680 160 1.6 350 560Ф160×180×Ф40 1640 180 1.8 380 684Ф170×170×Ф40 1740 170 1.7 380 646Ф180×130×Ф80 1880 130 1.3 350 455Ф180×62×Ф42 1842 62 0.62 300 186Ф180×140×Ф22 1822 140 1.4 350 490Ф180×140×Ф50 1850 140 1.4 350 490Ф180×140×Ф40 1840 140 1.4 350 490Ф180×180×Ф50 1850 180 1.8 400 720Ф180×180×Ф60 1860 180 1.8 400 720Ф190×140×Ф40 1940 140 1.4 380 532Ф200×80×Ф40 2040 80 0.8 300 240Ф200×100×Ф35 2035 100 1 350 350Ф200×150×Ф50 2050 150 1.5 380 570Ф200×150×Ф40 2040 150 1.5 380 570Ф200×150×Ф65 2065 150 1.5 380 570Ф200×170×Ф90 2090 170 1.7 400 680Ф200×167×Ф65 2065 167 1.67 400 668Ф200×180双孔20180 1.8 400 720Ф200×200×Ф30 2030 200 2 450 900Ф200×300×Ф50 2050 300 3 500 1500Ф200×170×Ф95×Ф70 2095/70 170 1.7 400 680Ф200×250×Ф50 2050 250 2.5 450 1125Ф200×280×Ф50 2050 280 2.8 500 1400Ф200×200×Ф70 2070 200 2 450 900Ф200×200×Ф78 2078 200 2 450 900Ф200×200×Ф100 20100 200 2 400 800Ф200×240×Ф50 2050 240 2.4 500 1200Ф210×120×Ф16/24 2116/24 120 1.2 400 480Ф220×120×Ф50 2250 120 1.2 400 480Ф220×180×Ф50 2250 180 1.8 480 864Ф220×200×Ф60 2290 200 2 500 1000Ф220×230×Ф70×50 2270/50 230 2.3 500 1150Ф220×240×Ф40 2240 240 2.4 550 1320Ф235×190×Ф50 23550 190 1.9 500 950Ф240×120×Ф20/30 2420/30 120 1.2 500 600Ф250×270×Ф50 2550 270 2.7 600 1620Ф250×250×Ф70 2570 250 2.5 580 1450Ф250×230×Ф55 2555 230 2.3 550 1265Ф250×200×Ф80 2580 200 2 500 1000Ф280×170×Ф70 2870 170 1.7 500 850Ф280×220×Ф50 2850 220 2.2 600 1320Ф300×120×Ф80 3080 120 1.2 550 660Ф300×70×Ф80 3080 70 0.7 550 385Ф270×30(实心)2730 0.3 500 150Ф300×245×Ф80 3080 245 2.5 900 2250以上皆为橡胶弹簧参数的详细概述,想要了解更多可以关注新乡通泰。
橡胶弹簧详细参数橡胶弹簧是一种高弹性体,制作材料有普通橡胶和天然橡胶。
橡胶弹簧弹性模量小,受载后有较大的弹性变形,借以吸收冲击和振动。
它能同时受多向载荷,但耐高温性和耐油性比钢弹簧差。
如有特殊要求可用耐油橡胶制成。
该产品减振效果好,共振领域小,使用寿命长,成本低,还有良好的耐寒性,优良的气密性,防水性,电绝缘性,是减振的最佳选择。
橡胶弹簧图纸橡胶弹簧三维图标准橡胶弹簧技术参数:规格D×H×d﹝mm﹞外径D﹝mm﹞内径d﹝mm﹞自由高度H﹝mm﹞工作变形量FV﹝cm﹞刚度KL(kg/cm)静态载荷(kg)Ф50×50×Ф18 50 18 50 0.5 50 50 Ф50×50×Ф20 50 20 50 0.5 50 50 Ф60×60×Ф20 60 20 60 0.6 60 60 Ф80×80×Ф20 80 80 20 0.8 100 100 Ф80×80×Ф25 80 25 80 0.8 100 100 Ф80×80×Ф30 80 30 80 0.8 100 100 Ф90×100×Ф25 90 25 100 0.9 140 140 Ф100×100×Ф25 1025 100 1 140 140 Ф100×100×Ф30 1030 100 1 140 140Ф100×130×Ф30 1030 130 1 150 150Ф120×120×Ф30 1230 120 1.2 220 260Ф120×140×Ф30 1230 140 1.2 230 270Ф127×127×Ф30 12730 127 1.2 230 270Ф130×130×Ф30 1330 130 1.3 240 310Ф140×140×Ф30 1430 140 1.4 300 420Ф140×160×Ф30 1430 160 1.4 350 490Ф140×160×Ф40 1440 160 1.4 350 490Ф160×160×Ф30 1630 160 1.6 350 560Ф160×160×Ф40 1640 160 1.6 350 560Ф160×160×Ф50 1650 160 1.6 350 560Ф160×160×Ф60 1660 160 1.6 350 560Ф160×235×Ф40 1640 235 2.5 400 1000Ф160×240×Ф40 1640 240 2.5 400 1000Φ170×240×Φ40 1740 240 2.5 400 1000Ф180×180×Ф40 1840 180 1.8 400 720Ф180×240×Ф40 1840 240 2.5 400 1000Ф200×150×Ф65 2065 150 1.5 350 520Ф200×200×Ф40 2040 200 2 450 900Ф200×200×Ф50 2050 200 2 450 900Ф200×300×Ф50 2050 300 2 480 960Ф220×180×Ф50 2250 180 1.8 450 810Ф220×220×Ф40 2240 220 2.2 500 1100Ф220×220×Ф50 2250 220 2.2 500 1100Ф240×240×Ф40 2440 240 2.4 550 1300Ф240×240×Ф50 2450 240 2.4 550 1300Ф250×250×Ф40 2540 250 2.5 580 1450Ф250×250×Ф50 2550 250 2.5 580 1450Ф280×170(实心)28170 1.7 600 1020Ф300×150(实心)30150 1.5 600 1020Ф300×245×Ф80 3080 245 2.5 900 2250 非标橡胶弹簧参数规格D×H×d(mm) 外径D(mm)内径d(mm)自由高度H(mm)工作变形量FV(cm)刚度KL(kg/cm)静态载荷(kg)Ф10×7×Ф5 10 5 7 0.7 20 14 Ф17×31×Ф7.5 17 7.5 31 0.31 30 9 Ф20×32×Ф9.5 20 32 9.5 0.32 30 9 Ф20×32×Ф10 20 10 32 0.32 30 9 Ф25×35×Ф16 25 16 35 0.35 40 14 Ф30×32×Ф12 30 12 32 0.32 40 12 Ф30×50×Ф12Ф15 30 12/15 50 0.5 40 20 Ф35×30×Ф14 30 14 30 0.3 40 12 Ф35×30×Ф20 35 20 30 0.3 40 12 Ф35×24×Ф8 35 8 24 0.24 40 9.6 Ф35×35×Ф10 35 10 35 0.35 40 14 Ф40×40×Ф12 40 12 40 0.4 50 20 Ф40×40×Ф16 40 16 40 0.4 50 20 Ф42×30×Ф22 42 22 30 0.3 50 15Ф43×32×Ф15 43 15 32 0.32 50 16 Ф45×120(实心)45 120 1.2 80 96 Ф50×50×Ф18 50 18 50 0.5 60 30 Ф50×55×Ф30 50 30 55 0.55 60 3.3 Ф50×58×Ф30 50 30 58 0.58 60 34.8 Ф50×100×Ф14 50 14 100 1 80 80 Ф50×100(实心)50 100 1 80 80 Ф55×50×Ф30 55 30 50 0.5 60 30 Ф60×40×Ф20 60 20 40 0.4 60 24 Ф60×40(实心)60 40 0.4 60 24 Ф60×50(实心)60 50 0.5 80 40 Ф60×60(实心)60 60 0.6 80 48 Ф60×50×Ф30 60 30 50 0.5 80 40 Ф60×60×Ф25 60 25 60 0.6 80 48 Ф60×86×Ф20 60 20 86 0.86 80 68.8 Ф63×124×Ф14 63 14 124 1.24 100 124 Ф65×52×Ф13 65 13 52 0.52 80 41.6 Ф70×60×Ф14 70 14 60 0.6 80 48 Ф74×70×Ф35 74 35 70 0.7 80 56 Ф72×95(实心)72 95 0.95 100 95 Ф75×60×Ф22 75 22 60 0.6 100 60 Ф80×70×Ф20 80 20 70 0.7 100 70 Ф80×80×Ф30 80 30 80 0.8 100 80 Ф80×50×Ф15 80 15 50 0.5 80 40 Ф80×60×Ф20 80 20 60 0.6 100 60 Ф80×80(实心)80 80 0.8 100 80 Ф80×100(实心)80 100 1 150 150 Ф82×135×Ф25 82 25 135 1.35 140 189 Ф82×105×Ф25 82 25 105 1.05 130 136 Ф85×140×Ф30 85 30 140 1.4 140 196 Ф90×130×Ф40 90 40 130 1.3 140 182Ф100×100×Ф36 1036 100 1 140 140Ф80×88×Ф30×Ф25 80 30/25 88 0.88 140 120Ф100×120×Ф30×Ф20 1030/20 120 1.2 190 228Ф100×100×Ф15×Ф25 1015/25 100 1 190 190Ф100×135×Ф200×Ф35 10200/35 135 1.35 190 250Ф88×35×Ф38 88 38 35 0.35 100 35 Ф95×54×Ф34 95 34 54 0.54 100 54 Ф110×Ф235×78×Ф20 1178/20 235 2.35 190 440Ф100×120×Ф55×Ф40 1055/40 120 1.2 290 340Ф100×62×Ф25 1025 62 0.62 130 80Ф100×70×Ф25 1025 70 0.7 130 90Ф102×255×Ф60 10260 255 2 180 360Ф100×90×Ф30 1030 90 0.9 140 126Ф100×80×Ф30 1030 80 0.8 140 112Ф100×100×Ф42 1042 100 1 140 140Ф100×120×Ф30 1030 120 1.2 160 192Ф100×130×Ф30 1030 130 1.3 180 234Ф100×140×Ф30 1030 140 1.4 200 280Ф100×160×Ф20 1020 160 1.6 200 320Ф100×250×Ф25 1025 250 2 200 400Ф100×70×Ф30 1030 70 0.7 150 120Ф110×90×Ф25 1125 90 0.9 150 135Ф110×100×Ф30 1130 100 1 150 150Ф110×110×Ф30 1130 110 1.1 150 165Ф110×110×Ф100×Ф46 11100/46 110 1.1 140 150Ф110×130×Ф70 1170 130 1.3 200 260Ф120×100×Ф60 1260 100 1 200 200Ф120×120×Ф25 1225 120 1.2 220 264Ф115×180×Ф60 11560 180 1.8 250 450Ф120×120×Ф40 1240 120 1.2 220 264Ф120×120×Ф50 1250 120 1.2 220 264Ф120×120×Ф65 1265 120 1.2 220 264Ф120×125×Ф20 1220 125 1.25 220 275Ф120×130×Ф50 1250 130 1.3 220 286Ф130×150×Ф30 1330 150 1.5 220 330Ф125×52×Ф60 12560 52 0.52 200 104Ф128×66×Ф95 12895 66 0.66 200 132Ф130×115×Ф20 1320 115 1.15 250 287Ф130×180×Ф40 1340 180 1.8 250 450Ф138×58×Ф92 13892 58 0.58 200 116Ф140×40×Ф40 1440 40 0.4 200 80Ф140×75×Ф26 1426 75 0.75 250 187Ф140×120×Ф20 1420 120 1.2 300 360Ф140×130(实心)14130 1.3 300 390Ф140×140×Ф35 1435 140 1.4 300 420Ф140×140×Ф40 1440 140 1.4 300 420Ф140×140×Ф50 1450 140 1.4 300 420Ф150×120×Ф25 1525 120 1.2 300 360Ф150×130×Ф55 1555 130 1.3 350 455Ф150×150×Ф30 1530 150 1.5 350 525Ф152×152×Ф25 15225 152 1.52 350 532Ф155×35×Ф55 15555 35 0.35 180 63Ф155×55×Ф65 15565 55 0.55 200 110Ф160×80×Ф30 1630 80 0.8 250 200Ф160×80×Ф40 1640 80 0.8 250 200Ф160×100×Ф50 1650 100 1 300 300Ф160×135×Ф50 1650 135 1.35 300 405Ф160×150×Ф52 1652 150 1.5 350 525Ф160×160×Ф70 1670 160 1.6 350 560Ф160×160×Ф80 1680 160 1.6 350 560Ф160×180×Ф40 1640 180 1.8 380 684Ф170×170×Ф40 1740 170 1.7 380 646Ф180×130×Ф80 1880 130 1.3 350 455Ф180×62×Ф42 1842 62 0.62 300 186Ф180×140×Ф22 1822 140 1.4 350 490Ф180×140×Ф50 1850 140 1.4 350 490Ф180×140×Ф40 1840 140 1.4 350 490Ф180×180×Ф50 1850 180 1.8 400 720Ф180×180×Ф60 1860 180 1.8 400 720Ф190×140×Ф40 1940 140 1.4 380 532Ф200×80×Ф40 2040 80 0.8 300 240Ф200×100×Ф35 2035 100 1 350 350Ф200×150×Ф50 2050 150 1.5 380 570Ф200×150×Ф40 2040 150 1.5 380 570Ф200×150×Ф65 2065 150 1.5 380 570Ф200×170×Ф90 2090 170 1.7 400 680Ф200×167×Ф65 2065 167 1.67 400 668Ф200×180双孔20180 1.8 400 720Ф200×200×Ф30 2030 200 2 450 900Ф200×300×Ф50 2050 300 3 500 1500Ф200×170×Ф95×Ф70 2095/70 170 1.7 400 680Ф200×250×Ф50 2050 250 2.5 450 1125Ф200×280×Ф50 2050 280 2.8 500 1400Ф200×200×Ф70 2070 200 2 450 900Ф200×200×Ф78 2078 200 2 450 900Ф200×200×Ф100 20100 200 2 400 800Ф200×240×Ф50 2050 240 2.4 500 1200Ф210×120×Ф16/24 2116/24 120 1.2 400 480Ф220×120×Ф50 2250 120 1.2 400 480Ф220×180×Ф50 2250 180 1.8 480 864Ф220×200×Ф60 2290 200 2 500 1000Ф220×230×Ф70×50 2270/50 230 2.3 500 1150Ф220×240×Ф40 2240 240 2.4 550 1320Ф235×190×Ф50 23550 190 1.9 500 950Ф240×120×Ф20/30 2420/30 120 1.2 500 600Ф250×270×Ф50 2550 270 2.7 600 1620Ф250×250×Ф70 2570 250 2.5 580 1450Ф250×230×Ф55 2555 230 2.3 550 1265Ф250×200×Ф80 2580 200 2 500 1000Ф280×170×Ф70 2870 170 1.7 500 850Ф280×220×Ф50 2850 220 2.2 600 1320Ф300×120×Ф80 3080 120 1.2 550 660Ф300×70×Ф80 3080 70 0.7 550 385Ф270×30(实心)2730 0.3 500 150Ф300×245×Ф80 3080 245 2.5 900 2250以上皆为橡胶弹簧参数的详细概述,想要了解更多可以关注新乡通泰。
振动筛橡胶弹簧执行标准摘要:1.振动筛橡胶弹簧的概述2.振动筛橡胶弹簧的执行标准3.振动筛橡胶弹簧的优点与不足4.振动筛橡胶弹簧的应用范围5.振动筛橡胶弹簧的选型与定制正文:一、振动筛橡胶弹簧的概述振动筛橡胶弹簧是一种用于振动筛分设备的弹性部件,主要作用是承受振动筛分设备的振动冲击,减小振动对设备本身和基础结构的影响,保证筛分过程的稳定与高效。
根据设备参数和需求,橡胶弹簧可以定制成不同的形状、尺寸和材质。
二、振动筛橡胶弹簧的执行标准在我国,振动筛橡胶弹簧的执行标准主要参考GB/T 28900-2012《振动筛用橡胶弹簧》标准。
该标准规定了振动筛橡胶弹簧的尺寸、形状、材质、物理性能、试验方法等技术要求,为生产和使用振动筛橡胶弹簧提供了明确的指导。
三、振动筛橡胶弹簧的优点与不足1.优点:(1)减振效果良好,能有效降低振动对设备和基础结构的影响;(2)共振领域小,使用寿命长;(3)成本低,耐寒性能优良;(4)具有良好的气密性、防水性和电绝缘性。
2.不足:(1)刚度受温度影响较大,温度变化可能导致工作偏移;(2)抗油性和抗光性较差,易老化。
四、振动筛橡胶弹簧的应用范围振动筛橡胶弹簧广泛应用于各类振动筛分设备,如直线筛、旋振筛、超声波筛、直排筛等,涵盖了医药、矿产、机械、食品、金属冶金等行业。
五、振动筛橡胶弹簧的选型与定制在选择振动筛橡胶弹簧时,需要根据设备的参数和需求来确定弹簧的形状、尺寸、材质等。
一般来说,橡胶弹簧的选型主要考虑以下因素:(1)设备的振动频率和振动幅度;(2)设备的工作环境,如温度、湿度等;(3)设备的载重能力;(4)振动筛的分级精度和处理能力。
chevron 橡胶弹簧种类Chevron橡胶弹簧种类引言:橡胶弹簧是一种常见的弹簧形式,它以其优异的减震和缓冲性能而广泛应用于各个领域。
其中,Chevron橡胶弹簧是一种特殊的橡胶弹簧,具有独特的结构和功能。
本文将详细介绍Chevron橡胶弹簧的种类及其应用领域。
一、V形Chevron橡胶弹簧V形Chevron橡胶弹簧是一种常见的Chevron橡胶弹簧种类。
它的特点是采用V形结构设计,使得弹簧在受力时能够更好地分散压力,增加弹性变形能力。
V形Chevron橡胶弹簧广泛用于汽车悬挂系统、铁路车辆以及建筑和机械设备等领域。
二、W形Chevron橡胶弹簧W形Chevron橡胶弹簧是另一种常见的Chevron橡胶弹簧种类。
与V形Chevron橡胶弹簧相比,W形Chevron橡胶弹簧采用W 形结构设计,使得弹簧具有更高的承载能力和更好的缓冲效果。
W 形Chevron橡胶弹簧主要应用于重型机械设备、建筑工程和工业设备等领域。
三、X形Chevron橡胶弹簧X形Chevron橡胶弹簧是一种创新型的Chevron橡胶弹簧种类。
它采用X形结构设计,使得弹簧具有更好的弹性变形能力和抗压能力。
X形Chevron橡胶弹簧被广泛应用于航空航天、高速列车和船舶等领域,其减震和缓冲效果极佳。
四、Y形Chevron橡胶弹簧Y形Chevron橡胶弹簧是一种特殊的Chevron橡胶弹簧种类。
它采用Y形结构设计,使得弹簧在受力时能够更好地分散压力和承载荷载。
Y形Chevron橡胶弹簧广泛应用于汽车制造、航空航天以及建筑和工程机械等领域,具有出色的减震和抗震性能。
五、Z形Chevron橡胶弹簧Z形Chevron橡胶弹簧是一种具有创新性的Chevron橡胶弹簧种类。
它采用Z形结构设计,使得弹簧在受力时能够更好地分散压力和提高承载能力。
Z形Chevron橡胶弹簧主要应用于航空航天、高速列车和船舶等领域,其减震和缓冲效果非常出色。
六、结语Chevron橡胶弹簧以其独特的结构和功能在各个领域得到了广泛应用。
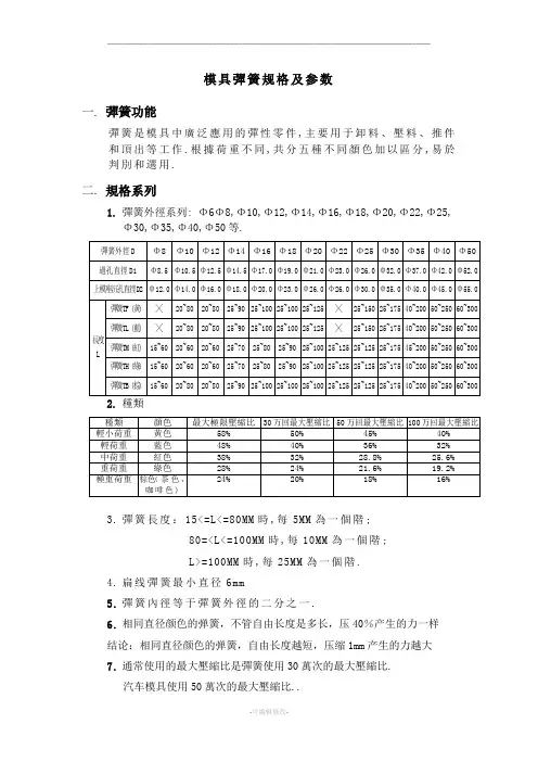
模具弹簧规格及参数一. 弹簧功能弹簧是模具中广泛应用的弹性零件,主要用于卸料、压料、推件和顶出等工作.根据荷重不同,共分五种不同颜色加以区分,易於判别和选用.二. 规格系列1.弹簧外径系列:Φ6Φ8,Φ10,Φ12,Φ14,Φ16,Φ18,Φ20,Φ22,Φ25,Φ30,Φ35,Φ40,Φ50等.2.种类3.弹簧长度:15<=L<=80MM时,每5MM为一个阶;80=<L<=100MM时,每10MM为一个阶;L>=100MM时,每25MM为一个阶.4.扁线弹簧最小直径6mm5.弹簧内径等于弹簧外径的二分之一.6.相同直径颜色的弹簧,不管自由长度是多长,压40%产生的力一样结论:相同直径颜色的弹簧,自由长度越短,压缩1mm产生的力越大7.通常使用的最大压缩比是弹簧使用30万次的最大压缩比.汽车模具使用50万次的最大压缩比..8.弹簧能压缩的长度=弹簧的自由长度x弹簧的压缩比例:Φ20绿色弹簧长度50mm,弹簧要求寿命30万次,弹簧能压缩多长?50x24%=12(mm)9.弹簧的长度=弹簧要压缩的长度÷弹簧的压缩比例:弹簧要压缩20mm, 弹簧颜色为红色,弹簧要求寿命50万次要用多长的弹簧?弹簧的长度=20÷28.8%+5MM=74.4 查表选用75MM长弹簧一般选弹簧长度会加5mm的安全余量10.弹簧要压缩的长度=活动板行程+3~5mm预压 (常规预压3mm)11.弹簧模板孔的大小直径<20模板孔=D+1直径>=20模板孔=D+2三. 选用原则1.长度选择一般保证:在开模状态弹簧的预压缩量等於3~5(常规预压3mm,预压缩量随实际情况而定.);闭模状态弹簧压缩量小於或等於最大压缩量(最大压缩量LA=弹簧自由长L*最大压缩比取值%).2.模板压料,脱料板压料优先选用绿色或棕色(茶色,咖啡色)弹簧;如果向上成形的下模压料,折弯脱料所需的顶料力不很大时,可选用红色,绿色弹簧,浮料用黄色,圆线弹簧.3.复合模外脱料板用红色弹簧,内脱料板用绿色或棕色弹簧.4.活动定位销一般选用Φ6顶料销,配Φ10黄色弹簧和M12止付螺丝.Φ8顶料销,配Φ12黄色弹簧和M14止付螺丝.5.冲孔模和成形模用绿色或棕色(茶色,咖啡色)弹簧,如有特殊需求时,由专案主管确定.6.弹簧规格优先选用Φ30.在空间较小区域可考虑选用其它规格(如Φ25,Φ20,Φ18,Φ16…...等).Φ25的内导柱用Φ30的弹簧脱料Φ20的内导柱用Φ25的弹簧脱料四. 排配原则1.弹簧过孔中心到模板边缘距离大於外径D,与其他孔距离保持实体壁厚大於5MM,空间不足时最少留2MM.2.弹簧排列首先考虑受力重点部位,然後再考虑整个模具受力均衡平稳.受力重点部位是指:复合模的内脱料板外形和冲头的周围;冲孔模的冲头周围;成形模的折弯边及有抽成形的地方.3.成形模采用气垫结构时,下打板排配2~6个弹簧.下模座上不沉孔,弹簧选用黄色或蓝色即可.五. 五金零件需求表填写范例弹簧(颜色):D*L (D-弹簧外径L-自由长度)例: 弹簧TH(绿): Φ20*70。
模具彈簧规格及参数之宇文皓月创作一.彈簧功能彈簧是模具中廣泛應用的彈性零件,主要用于卸料、壓料、推件和頂出等工作.根據荷重分歧,共分五種分歧顏色加以區分,易於判別和選用.二.規格系列1.彈簧外徑系列:Φ6Φ8,Φ10,Φ12,Φ14,Φ16,Φ18,Φ20,Φ22,Φ25,Φ30,Φ35,Φ40,Φ50等.2.種類3.彈簧長度:15<=L<=80MM時,每5MM為一個階;80=<L<=100MM時,每10MM為一個階;L>=100MM時,每25MM為一個階.4.扁线彈簧最小直径6mm5.彈簧內徑等于彈簧外徑的二分之一.6.相同直径颜色的弹簧,不管自由长度是多长,压40%发生的力一样结论:相同直径颜色的弹簧,自由长度越短,压缩1mm发生的力越大7.通常使用的最大壓縮比是彈簧使用30萬次的最大壓縮比.汽车模具使用50萬次的最大壓縮比..8.弹簧能压缩的长度=弹簧的自由长度x弹簧的压缩比例:Φ20绿色弹簧长度50mm,弹簧要求寿命30万次,弹簧能压缩多长?50x24%=12(mm)9.弹簧的长度=弹簧要压缩的长度÷弹簧的压缩比例:弹簧要压缩20mm, 弹簧颜色为红色,弹簧要求寿命50万次要用多长的弹簧?弹簧的长度=20÷28.8%+5MM=74.4 查表选用75MM长弹簧一般选弹簧长度会加5mm的平安余量10.弹簧要压缩的长度=活动板行程+3~5mm预压 (惯例预压3mm)11.弹簧模板孔的大小直径<20模板孔=D+1直径>=20模板孔=D+2三.選用原則1.長度選擇一般保証:在開模狀態彈簧的預壓縮量等於3~5(惯例预压3mm,預壓縮量隨實際情況而定.);閉模狀態彈簧壓縮量小於或等於最大壓縮量(最大壓縮量LA=彈簧自由長L*最大壓縮比取值%).2.模板压料,脱料板压料優先選用綠色或棕色(茶色,咖啡色)彈簧;如果向上成形的下模压料,折弯脱料所需的頂料力不很大時,可選用紅色,绿色彈簧,浮料用黄色,圆线弹簧.3.復合模外脫料板用紅色彈簧,內脫料板用綠色或棕色彈簧.4.活動定位銷一般選用Φ6頂料銷,配Φ10黃色彈簧和M12止付螺絲.Φ8頂料銷,配Φ12黃色彈簧和M14止付螺絲.5.沖孔模和成形模用綠色或棕色(茶色,咖啡色)彈簧,如有特殊需求時,由專案主管確定.6.彈簧規格優先選用Φ30.在空間較小區域可考慮選用其它規格(如Φ25,Φ20,Φ18,Φ16…...等).Φ25的内导柱用Φ30的弹簧脱料Φ20的内导柱用Φ25的弹簧脱料四.排配原則1.彈簧過孔中心到模板邊緣距離大於外徑D,與其他孔距離坚持實體壁厚大於5MM,空间缺乏时最少留2MM.2.彈簧排列首先考慮受力重點部位,然後再考慮整個模具受力均衡平穩.受力重點部位是指:復合模的內脫料板外形和沖頭的周圍;沖孔模的沖頭周圍;成形模的折彎邊及有抽成形的地方.3.成形模采取氣墊結構時,下打板排配2~6個彈簧.下模座上不沉孔,彈簧選用黃色或藍色即可.五.五金零件需求表填寫範例彈簧(顏色):D*L (D-彈簧外徑 L-自由長度)例: 彈簧TH(綠): Φ20*70。
弹簧参数表示方法
弹簧参数表示方法主要是根据它的直径、长度、圈数来描述,在使用之前可以先了解一下汇总一下。
1、制造五金弹簧的钢丝直径,弹簧丝直径d。
2、五金弹簧的最大外径,弹簧外径。
3、五金弹簧的最小外径,弹簧内径d1。
4、五金弹簧平均的直径,它的计算公式是:D2=(D+D1)÷2=D1+d=D-d
5、除了支撑的圈外,五金弹簧相邻两圈对应点在中径上的轴向距离成为节距,这个是用t来进行表示。
6、有效圈数n:弹簧能保持相同节距的圈数。
7、支撑圈数n2:为了使弹簧在工作时受力均匀,保证轴线垂直端面、制造时,通常把弹簧的两端并紧。
并紧的圈数仅起支撑作用,称为支撑圈。
一般有1.5T、2T、1.5T,常用的是2T。
8、总圈数n1: 有效圈数与支撑圈的和。
即n1=n+n2.
9、自由高H0:弹簧在未受外力作用下的高度。
由下式计算:H0=nt+(n2-0.5)d=nt+1.5d (n2=2) 时。
10、五金弹簧展开的长度:绕制弹簧时所需钢丝的长度。
L≈n1 (ЛD2)2+n2 (压簧) L=ЛD2 n+钩部展开长度(拉簧)
11、螺旋方向:有左右旋的区分,右旋是经常用到的,图纸上没有得到注明的一般用右左。
弛张筛橡胶弹簧规格-回复弛张筛是一种常用于固体颗粒、液体和气体分离的设备,而橡胶弹簧则是常用于阻尼和减震的元件。
这篇文章将详细介绍弛张筛和橡胶弹簧的规格,包括它们的结构、材料、尺寸和使用方法等。
一、弛张筛的规格弛张筛是一种具有多层平行筛床和一层垂直橡胶弹簧的设备,用于分离颗粒物料。
其主要规格有以下几个方面:1. 结构弛张筛通常由筛箱、筛网、弹簧支撑体系、驱动装置和支架等组成。
筛箱是弛张筛的主体结构,上部设有进料口,下部设有出料口。
筛网是分离颗粒物料的重要组成部分,通常由不锈钢丝编织而成。
弹簧支撑体系由垂直设置的橡胶弹簧组成,用于支撑筛网和调整筛箱振动频率。
2. 材料弛张筛的筛箱一般采用优质碳钢或不锈钢制作,以确保其耐久性和耐腐蚀性。
筛网通常选择304不锈钢丝,具有良好的耐高温、耐腐蚀和耐磨性能。
而弹簧则采用橡胶材料,以提供良好的阻尼和减震效果。
3. 尺寸弛张筛的尺寸根据具体应用需求而定,主要包括筛面面积、筛孔尺寸和筛箱尺寸等。
筛面面积决定了处理物料的量,筛孔尺寸决定了分离粒度,而筛箱尺寸则决定了设备的整体尺寸。
通常,弛张筛的筛面面积在1-100平方米之间,筛孔尺寸在0.1-100毫米之间。
4. 使用方法弛张筛的使用方法相对简单,首先将物料通过进料口均匀地投入筛箱,然后开启驱动装置使筛箱振动起来。
在振动的作用下,颗粒物料逐渐分离,小颗粒通过筛孔落入下层筛网,并从出料口排出,而大颗粒则滞留在上层筛网上,并随着筛箱的振动逐渐排出。
二、橡胶弹簧的规格橡胶弹簧是一种具有良好弹性和阻尼性能的弹性元件,常用于减震和阻尼装置中。
它的规格主要包括以下几个方面:1. 结构橡胶弹簧通常由内外两个金属制作的筒状体和其中填充的橡胶材料组成。
内外金属筒状体起到提供强度和支撑的作用,而橡胶材料则提供弹性和减震功能。
2. 材料橡胶弹簧的金属筒状体一般采用优质碳钢或不锈钢制作,以确保其耐久性和承载能力。
而橡胶材料通常选择天然橡胶或合成橡胶,具有良好的耐磨、耐寒和耐腐蚀性能。
橡胶弹簧规格参数
橡胶弹簧形状不受限制,有较大的弹性变形,容易实现非线性要求,减振隔音效果良好。
复合橡胶弹簧相比较橡胶弹簧,前者形状受金属螺旋弹簧限制,线性要求高,重量重,但是其承重载荷量大的优点却不是纯橡胶弹簧可比拟的。
橡胶弹簧介绍:
橡胶弹簧:是一种高弹性体,制作材料有普通橡胶。
橡胶弹簧弹性模量小,受载后有较大的弹性变形,借以吸收冲击和振动。
它能同时受多向载荷,但耐高温性和耐油性比钢弹簧差。
如有特殊要求可用耐油橡胶制成。
该产品减振效果好,共振领域小,使用寿命长,成本低,还有良好的耐寒性,优良的气密性,防水性,电绝缘性,是振动筛上减振的最佳选
择(振动筛减震弹簧)。
橡胶弹簧参数:
橡胶弹簧优点:
(1)形状不受限制,各个方向的刚度可以根据设计要求自由选择;
(2)弹性模量虽小,可以得到较大的弹性变形,容易实现理想的非线性特性;
(3)具有较高的内阻.这对于突然冲击和高频振动的吸收以及隔音具有良好的效果;
(4)同一橡胶弹簧能同时承受多向载荷,从而使系统的结构简化;
(5)安装和拆卸简便,无需润滑,有利于维护保养.
橡胶弹簧用途:
振动机械、双层客车、载重货车等工业机械,橡胶弹簧常用在机械设备、车辆行走机构和悬架中,起减振和缓冲作用。
橡胶弹簧也可根据工作需要设计成各种结构形式。
以上就是橡胶弹簧厂家专家为大家介绍的橡胶弹簧规格参数的相关介绍,如果您还想了解更多或者想要订购的都可以与我们联系,我们竭诚为您服务。
注:我公司提供各类非标设计。
橡胶弹簧参数表减振弹簧是常用的弹性原件,减振弹簧有压缩弹簧,橡胶弹簧、复合弹簧、空气囊弹簧等。
广应用于各种振动设备,具有稳定性好.噪音低.隔振效果好.使用寿命长等优点。
减振弹簧是支撑刚性体,将振动能转变为热而消失的弹性减振装置,用于振动设备、电力机车、汽车等设备中,做为隔振器,较钢质弹簧具有稳定性好、噪音低,隔振效果好、使用寿命长等显著优点。
我公司主要生产适用于各类振动设备的橡胶减振弹簧和复合减振弹簧空气囊弹簧、气流筛弹簧、葫芦弹簧、刚黄等各种型号的弹簧。
下面我们了解下主要的橡胶弹簧和复合弹簧的相关问题,希望对大家有所帮助。
橡胶弹簧:是一种高分子弹性体,该产品减振效果高,共振领域小,使用寿命长,成本低,还有良好的耐寒性,优良的气密性,防水性、电绝缘性,是减振的最佳选择。
复合弹簧:是由金属螺旋弹簧和橡胶复合在一起的园筒状弹性体。
该产品优于金属弹簧,具有抗腐蚀性好、寿命长等优点,与其它弹簧相比,减振能力强,缓冲效果好。
橡胶弹簧技术参数:规格D×H×d﹝mm﹞外径D﹝mm﹞内径d﹝mm﹞自由高度H﹝mm﹞工作变形量FV﹝cm﹞刚度KL(kg/cm)静态载荷(kg)Ф180×180×Ф40180 40 180 1.8 400 720 Ф180×240×Ф40180 40 240 2.5 400 1000 Ф200×150200 150 1.5 380 570 Ф200×150×Ф65200 65 150 1.5 350 520 Ф200×200×Ф40200 40 200 2 450 900 Ф200×200×Ф50200 50 200 2 450 900 Ф200×300×Ф50200 50 300 2 480 960 Ф220×220×Ф40220 40 220 2.2 500 1100 Ф220×220×Ф50220 50 220 2.2 500 1100 Ф240×240×Ф50240 50 240 2.4 550 1300 Ф250×250×Ф50250 50 250 2.5 580 1450 Ф300×245×Ф80300 80 245 2.5 900 2250复合弹簧技术参数:规格D×H×d(mm) 外径D(mm)内径d(mm)自由高度H(mm)工作变形量FV(cm)刚度KL(kg/cm)静态载荷(kg)Ф90×150×Ф3890 38 150 2 150-350 300-700Ф90×150×Ф4090 40 150 2 150-350 300-700Ф148×260×Ф80148 80 260 3 180-600 500-1800Ф150×250×Ф80150 80 250 3 180-600 500-1800Ф150×265×Ф80150 80 265 3 180-600 500-1800Ф150×265×Ф92150 92 265 3 180-600 500-1800Ф155×290×Ф60155 60 290 3 240-660 700-2000Ф155×290×Ф62155 62 290 3 240-660 700-2000Ф155×290×Ф75155 75 290 3 240-660 700-2000Ф160×236×Ф94160 94 236 2-3 250-1000 750-3000Ф160×240×Ф94160 94 240 2-3 250-1000 750-3000Ф180×270×Ф80180 80 270 3 300-1000 900-3000Ф180×290×Ф62180 62 290 3 500-1000 2000-4000 Ф180×290×Ф80180 80 290 3 300-1000 900-3000通泰机械是一家专业生产振动筛专用弹簧、橡胶弹簧、橡胶拉簧、复合弹簧、橡胶复合弹簧、葫芦弹簧、挠性盘、护梁板、振动电机、橡胶压条、橡胶减震块、矿筛专用复合弹簧、气流筛弹簧、葫芦弹簧、异形弹簧、橡胶条、特质复合弹簧、筛子弹簧、钢丝弹簧、旋振筛弹簧等各种型号的弹簧,质量有保障,价格合理,生产效率高,发货快,在振动机械行业中实力雄厚,欢迎来电定购。