单项工程质量检验评定表
- 格式:xls
- 大小:13.59 KB
- 文档页数:2
祥源中桥
单位工程质量检验评定表
工程名称:滕州市祥源中桥 建设项
目:滕州市祥源中桥
路线名称:祥源路 工
程地点:滕州市经济开发区内
施工单位:山东联迪路桥公司 监理单位:Array
2011年12月29日
施工单位:山东联迪路桥公司 监理单位工程质量检验评定表
分部工程名称:基础与下部构造 所属单位工程:滕州市祥源中桥所属建设项目:滕州市祥源路 工程部位:桩基、系梁、墩柱、盖梁监理: 2011年12月29日
单位工程质量检验评定表
分部工程名称:基础与下部构造 所属
单位工程:滕州市祥源中桥
所属建设项目:滕州市祥源路 工程
部位:桩基、系梁、墩柱、盖梁
施工单位:山东联迪路桥公司 监理Array
监理: 2011年12月29日。
工程质量检验评定用表第一部分工程质量检验评定用表表式编码代号ZP浙江省公路工程质量检验评定用表〔表式样本〕目录接上表接上表接上表分项工程质量检验评定表细名目接上表浙江省交通厅工程质量监督站监制2、质量评分加权平均分按交通部«公路工程竣工验收方法»评定3、本表一样由监理或业主汇总质量检验评定表浙路ZP102 建设单位路线名称开工日期年月日承包单位监理单位起讫桩号完工日期年月日浙江省交通厅工程质量监督站监制单位工程质量检验评定表承包单位路线名称开工日期浙路(ZP)103 监理单位编号年月日浙江省交通厅工程质量监督站监制分部工程质量检验评定表承包单位所属单位工程监理单位浙路〔ZP〕104浙江省交通厅工程质量监督站监制工程质量检验评定汇总表所属合同号:第页共页浙路(ZP)105浙江省交通厅工程质量监督站监制路基层、底基层压实度质量评定表〔JTJ 0 7 1—9 8附录B〕浙江省交通厅工程质量监督站监制路基压实度汇总表(第页共页) 浙路ZP 107 (附表一) 评定段里程桩号:承包单位:监理单位:合同号:浙江省交通厅工程质量监督站监制路面基层、底基层压实度汇总表浙江省交通厅工程质量监督站监制水泥砼弯拉强度质量评定〔汇总〕表〔JTJ 0 7 1—9 8 附录C〕承包单位:合同号:监理单位:编号:浙路ZP 108浙江省交通厅工程质量监督站监制水泥砼抗压强度质量评定表 (JTJ071—98附录D)浙江省交通厅工程质量监督站监制浙江省交通厅工程质量监督站监制浙江省交通厅工程质量监督站监制水泥砂浆强度质量评定〔汇总〕表〔JTJ 0 7 1 —9 8附录F〕浙江省交通厅工程质量监督站监制半刚性基层和底基层材料强度质量评定表〔JTJ071—98附录C〕浙江省交通厅工程质量监督站监制半刚性基层和底基层材料强度汇总表浙江省交通厅工程质量监督站监制路面结构层厚度质量评定表〔JTJ071—98附录H〕浙路ZP 113 承包单位:监理单位:合同号:编号:浙江省交通厅工程质量监督站监制路面结构层厚度检测值汇总表浙江省交通厅工程质量监督站监制路基、沥青路面弯沉值质量评定表〔JTJ071—98附录I〕浙江省交通厅工程质量监督站监制浙江省交通厅工程质量监督站监制土方路基分项工程质量检验评定表承包单位所属单位工程质检单编号浙路〔ZP〕106[201]工程部位浙江省交通厅工程质量监督站监制检验负责人:自评:复核:监理:年月日石方路基分项工程质量检验评定表承包单位所属单位工程质检单编号浙路〔ZP〕106[202]工程部位砂垫层分项工程质量检验评定表承包单位所属单位工程质检单编号浙路〔ZP〕106[203]工程部位袋装砂井、塑料排水板分项工程质量检验评定表承包单位所属单位工程质检单编号浙路〔ZP〕106[204]工程部位碎石桩〔砂桩〕分项工程质量检验评定表承包单位所属单位工程质检单编号浙路〔ZP〕106[205]工程部位粉喷桩分项工程质量检验评定表承包单位所属单位工程质检单编号浙路〔ZP〕106[206]工程部位加筋工程土工合成材料分项工程质量检验评定表承包单位所属单位工程质检单编号浙路〔ZP〕106[207]工程部位隔离工程土工合成材料分项工程质量检验评定表承包单位所属单位工程质检单编号浙路〔ZP〕106[208]工程部位过滤排水工程土工合成材料分项工程质量检验评定表承包单位所属单位工程质检单编号浙路〔ZP〕106[209]工程部位防裂工程土工合成材料分项工程质量检验评定表承包单位所属单位工程质检单编号浙路〔ZP〕106[210]工程部位管道基础及管节安装分项工程质量检验评定表承包单位所属单位工程质检单编号浙路〔ZP〕106[301]工程部位检查〔雨水〕井砌筑分项工程质量检验评定表承包单位所属单位工程质检单编号浙路〔ZP〕106[302]工程部位土沟分项工程质量检验评定表承包单位所属单位工程质检单编号浙路〔ZP〕106[303]工程部位浆砌排水沟分项工程质量检验评定表承包单位所属单位工程质检单编号浙路〔ZP〕106[304]工程部位盲沟分项工程质量检验评定表承包单位所属单位工程质检单编号浙路〔ZP〕106[305]工程部位排水泵站分项工程质量检验评定表承包单位所属单位工程质检单编号浙路〔ZP〕106[306]工程部位砌体和砼挡土墙分项工程质量检验评定表承包单位所属单位工程质检单编号浙路〔ZP〕106[401]工程部位干砌片石挡土墙分项工程质量检验评定表承包单位所属单位工程质检单编号浙路〔ZP〕106[402]工程部位面板安装分项工程质量检验评定表承包单位所属单位工程质检单编号浙路〔ZP〕106[403]工程部位加筋土挡土墙总体分项工程质量检验评定表承包单位所属单位工程质检单编号浙路〔ZP〕106[404]工程部位锚喷支护分项工程质量检验评定表承包单位临海市交通工程公司所属单位工程路基工程质检单编号浙路〔ZP〕106[405]工程部位锥、护坡分项工程质量检验评定表承包单位所属单位工程质检单编号浙路〔ZP〕106[406]工程部位浆砌砌体分项工程质量检验评定表承包单位所属单位工程质检单编号浙路〔ZP〕106[407]工程部位干砌片石分项工程质量检验评定表承包单位所属单位工程质检单编号浙路〔ZP〕106[408]工程部位。
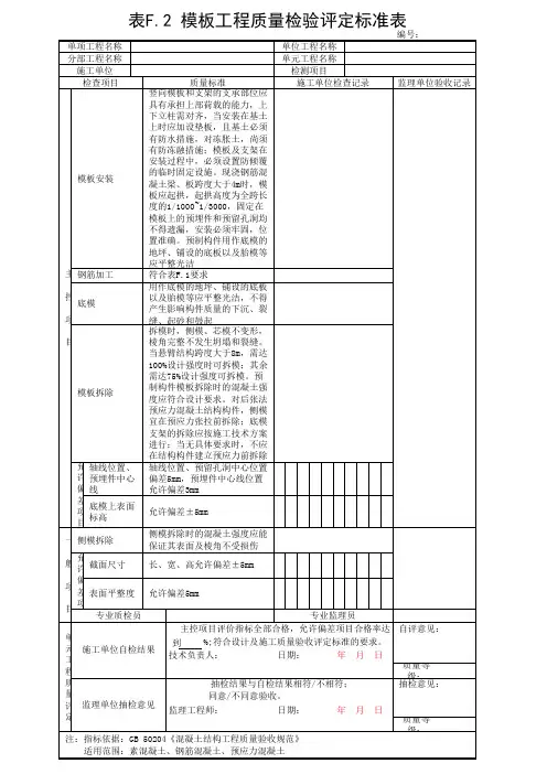
水利水电工程单元工程施工质量验收评定标准——堤防工程SL 634-2012堤防工程单元工程质量验收评定表(共有31个表)本部分系根据中华人民共和国水利部批准《水利水电工程单元工程施工质量验收评定标准——堤防工程》(SL 634-2012)编制。
本标准适用于1级、2级、3级堤防工程的单元工程施工质量验收评定,4级、5级堤防工程可参照执行。
《评定表》改变了原标准中质量检验项目分类。
将原标准中的“保证项目”、“基本项目”、“主要项目”、“一般项目”等统一规定为“主控项目”和“一般项目”两类;工序名称前加“△”为主要工序。
《水利水电工程单元工程施工质量验收评定表》(以下简称《评定表》)是检验与评定施工质量的基础资料,也是进行工程维修和事故处理的重要参考。
工程竣工验收后,《评定表》归档长期保存。
因此,对《评定表》的填写,作如下基本规定:1.单元(工序)工程完工后,应及时评定其质量等级,并按现场检验结果,如实填写《评定 表》。
工序和单元工程施工质量等各类项目的检验,应采用随机布点和监理工程师现场指定区位相结合的方式进行。
检验方法及数量应符合本标准和相关标准的规定。
检验项目分为主控项目和一般项目。
单元工程按工序划分情况,分为划分工序单元工程和不划分工序单元工程。
划分工序单元工程应先进行工序施工质量验收评定。
在工序验收评定合格和施工项目实体质量检验合格的基础上,进行单元工程施工质量验收评定。
不划分工序单元工程施工质量验收评定,在单元工程中所包的检验项目检验合格和施工项目实体质量检验合格的基础上进行。
2.工序和单元工程施工质量验收评定表及其备查资料的制备质量由工程施工单位负责,其规格宜采用国际标准A4(210mmX297mm)验收评定表一式4份,备查资料一式2份,其中验收评定及备查资料各1份应由监理单位保存,其余应由施工单位保存。
3. 《评定表》应使用蓝色或黑色墨水钢笔填写,不得使用圆珠笔、铅笔填写。
4.文字。
应按国务院颁布的简化汉字书写。
工程质量检验表及评定表填表说明工程质量检验表及评定表填表说明一、关于《公路工程质量检验评定标准》《公路工程质量检验评定标准》包括公路工程的质量标准和评定标准,是检验评定公路工程质量的标准尺度。
它适用于公路工程质量监督部门对工程质量的检查鉴定、监理工程师对工程质量的抽查认定、施工单位自检和分项工程的交接验收,是公路工程交工验收和竣工验收的质量评定依据。
根据建设任务、施工管理和质量检验评定的需要,应在施工准备阶段将建设项目按下列原则及《评定标准》附录A划分为单位工程、分部工程和分项工程。
单位工程在建设项目中,根据签定的合同,具有独立施工条件,可以单独作为成本计算对象的工程。
公路项目被划分为路基工程、路面工程、大中桥梁工程、互通立交工程、隧道工程、环保工程、交通安全设施、机电工程八个单位工程分部工程在单位工程中,应按结构部位、路段长度及施工特点或施工任务划分为若干个分部工程。
如在路基工程中,又划分为路基土石方、排水工程、小桥、涵洞工程、砌筑防护工程、大型挡土墙,组合式挡土墙等分部工程。
分项工程在分部工程中,应按不同的施工方法、材料、工序及路段长度等划分为若干个分项工程。
如路基土石方工程又划分为土方路基、石方路基、软土地基处理、土工合成材料处治等分项工程。
施工单位、监理工程师和质量监督部门应按此种工程划分逐级进行工程质量的监控和管理。
工程质量评分方法施工单位应对各分项工程按《评定标准》所列基本要求、实测项目和外观鉴定进行自检,按附录J中“分项工程质量检验评定表”提交真实、完整的自查资料,对工程进行自我评分。
监理工程师应按规定要求对工程质量进行检查,对施工自查资料进行签认和评分。
质量监督部门根据抽查资料和确认的施工自查资料以及监理工程师的质量管理资料对工程质量逐级进行评定,作为交工、竣工验收评定质量等级的依据。
公路工程质量检验评分以分项工程为单元,采用100分制进行。
在分项工程评分的基础上,逐级计算各相应分部工程、单位工程、合同段和建设项目评分值。
绵广高速公路建设工程单位工程质量检验评定表单位工程名称:所属建设工程:四川省绵广高速公路工程路线名称:工程地点、桩号:施工单位:监理单位:汇表1检验负责人:计算:复核:年月日111绵广高速公路建设工程分部工程质量检验评定表分部工程名称:所属单位工程:所属建设工程:四川省绵广高速公路工程工程部位:施工单位:监理单位:汇表2检验负责人:计算:复核:年月日112绵广高速公路建设工程分项工程质量检验评定表分项工程名称:土方路基所属分部工程名称:所属建设工程:四川省绵广高速公路工程工程部位:施工单位:监理单位:检验负责人:检测:记录:复核:检查日期:年月日113绵广高速公路建设工程分项工程质量检验评定表分项工程名称:石方路基所属分部工程名称:所属建设工程:四川省绵广高速公路工程工程部位:施工单位:监理单位:检验负责人:检测:记录:复核:检查日期:年月日114绵广高速公路建设工程分项工程质量检验评定表分项工程名称:软弱地基砂砾石垫层所属分部工程名称:所属建设工程:四川省绵广高速公路工程工程部位:施工单位:监理单位:检验负责人:检测:记录:复核:检查日期:年月日115绵广高速公路建设工程分项工程质量检验评定表分项工程名称:塑料排水板所属分部工程名称:所属建设工程:四川省绵广高速公路工程工程部位:施工单位:监理单位:检验负责人:检测:记录:复核:检查日期:年月日116绵广高速公路建设工程分项工程质量检验评定表分项工程名称:碎石桩〔砂桩〕所属分部工程名称:所属建设工程:四川省绵广高速公路工程工程部位:施工单位:监理单位:117检验负责人:检测:记录:复核:检查日期:年月日绵广高速公路建设工程分项工程质量检验评定表分项工程名称:加筋工程土工合成材料所属分部工程名称:所属建设工程:四川省绵广高速公路工程工程部位:施工单位:监理单位:118检验负责人:检测:记录:复核:检查日期:年月日绵广高速公路建设工程分项工程质量检验评定表分项工程名称:隔离工程土工合成材料所属分部工程名称:所属建设工程:四川省绵广高速公路工程工程部位:施工单位:监理单位:119检验负责人:检测:记录:复核:检查日期:年月日绵广高速公路建设工程分项工程质量检验评定表分项工程名称:过滤排水工程土工合成材料所属分部工程名称:所属建设工程:四川省绵广高速公路工程工程部位:施工单位:监理单位:120检验负责人:检测:记录:复核:检查日期:年月日绵广高速公路建设工程分项工程质量检验评定表分项工程名称:防裂工程土工合成材料所属分部工程名称:所属建设工程:四川省绵广高速公路工程工程部位:施工单位:监理单位:121检验负责人:检测:记录:复核:检查日期:年月日绵广高速公路建设工程分项工程质量检验评定表分项工程名称:土工织物所属分部工程名称:所属建设工程:四川省绵广高速公路工程工程部位:施工单位:监理单位:122检验负责人:检测:记录:复核:检查日期:年月日绵广高速公路建设工程分项工程质量检验评定表分项工程名称:管道根底及管节安装所属分部工程名称:所属建设工程:四川省绵广高速公路工程工程部位:施工单位:监理单位:123检验负责人:检测:记录:复核:检查日期:年月日绵广高速公路建设工程分项工程质量检验评定表分项工程名称:检查(雨水)井砌筑所属分部工程名称:所属建设工程:四川省绵广高速公路工程工程部位:施工单位:监理单位:124检验负责人:检测:记录:复核:检查日期:年月日绵广高速公路建设工程分项工程质量检验评定表分项工程名称:土、石水沟所属分部工程名称:所属建设工程:四川省绵广高速公路工程工程部位:施工单位:监理单位:125检验负责人:检测:记录:复核:检查日期:年月日绵广高速公路建设工程分项工程质量检验评定表分项工程名称:浆砌排水沟所属分部工程名称:所属建设工程:四川省绵广高速公路工程工程部位:施工单位:监理单位:126检验负责人:检测:记录:复核:检查日期:年月日绵广高速公路建设工程分项工程质量检验评定表分项工程名称:盲沟、有管及洞式渗沟所属分部工程名称:所属建设工程:四川省绵广高速公路工程工程部位:施工单位:监理单位:127检验负责人:检测:记录:复核:检查日期:年月日绵广高速公路建设工程分项工程质量检验评定表分项工程名称:中央分隔带纵向排水沟所属分部工程名称:所属建设工程:四川省绵广高速公路工程工程部位:施工单位:监理单位:128检验负责人:检测:记录:复核:检查日期:年月日绵广高速公路建设工程分项工程质量检验评定表分项工程名称:中央分隔带横向排水管所属分部工程名称:所属建设工程:四川省绵广高速公路工程工程部位:施工单位:监理单位:129检验负责人:检测:记录:复核:检查日期:年月日绵广高速公路建设工程分项工程质量检验评定表分项工程名称:砌体和混凝土挡土墙所属分部工程名称:所属建设工程:四川省绵广高速公路工程工程部位:施工单位:监理单位:130检验负责人:检测:记录:复核:检查日期:年月日绵广高速公路建设工程分项工程质量检验评定表分项工程名称:加筋土挡土墙面板安装所属分部工程名称:所属建设工程:四川省绵广高速公路工程工程部位:施工单位:监理单位:131检验负责人:检测:记录:复核:检查日期:年月日绵广高速公路建设工程分项工程质量检验评定表分项工程名称:加筋土挡土墙总体所属分部工程名称:所属建设工程:四川省绵广高速公路工程工程部位:施工单位:监理单位:132检验负责人:检测:记录:复核:检查日期:年月日绵广高速公路建设工程分项工程质量检验评定表分项工程名称:锚锭板挡土墙总体所属分部工程名称:所属建设工程:四川省绵广高速公路工程工程部位:施工单位:监理单位:133检验负责人:检测:记录:复核:检查日期:年月日绵广高速公路建设工程分项工程质量检验评定表分项工程名称:锚喷支护所属分部工程名称:所属建设工程:四川省绵广高速公路工程工程部位:施工单位:监理单位:134检验负责人:检测:记录:复核:检查日期:年月日绵广高速公路建设工程分项工程质量检验评定表分项工程名称:锥、护坡所属分部工程名称:所属建设工程:四川省绵广高速公路工程工程部位:施工单位:监理单位:135检验负责人:检测:记录:复核:检查日期:年月日绵广高速公路建设工程分项工程质量检验评定表分项工程名称:浆砌砌体所属分部工程名称:所属建设工程:四川省绵广高速公路工程工程部位:施工单位:监理单位:136检验负责人:检测:记录:复核:检查日期:年月日绵广高速公路建设工程分项工程质量检验评定表分项工程名称:干砌片石所属分部工程名称:所属建设工程:四川省绵广高速公路工程工程部位:施工单位:监理单位:137检验负责人:检测:记录:复核:检查日期:年月日绵广高速公路建设工程分项工程质量检验评定表分项工程名称:导流工程所属分部工程名称:所属建设工程:四川省绵广高速公路工程工程部位:施工单位:监理单位:138检验负责人:检测:记录:复核:检查日期:年月日绵广高速公路建设工程分项工程质量检验评定表分项工程名称:石笼防护所属分部工程名称:所属建设工程:四川省绵广高速公路工程工程部位:施工单位:监理单位:139检验负责人:检测:记录:复核:检查日期:年月日绵广高速公路建设工程分项工程质量检验评定表分项工程名称:正六边形20#砼预制块护坡所属分部工程名称:所属建设工程:四川省绵广高速公路工程工程部位:施工单位:监理单位:140141检验负责人: 检测: 记录: 复核: 检查日期: 年 月 日绵广高速公路建设工程分项工程质量检验评定表分项工程名称:水泥混凝土面层 所属分部工程名称: 所属建设工程:四川省绵广高速公路工程 工 程 部 位: 施 工 单 位: 监 理 单 位:检验负责人:检测:记录:复核:检查日期:年月日绵广高速公路建设工程分项工程质量检验评定表分项工程名称:沥青混凝土面层和沥青碎〔砾〕石面层所属分部工程名称:所属建设工程:四川省绵广高速公路工程工程部位:施工单位:监理单位:142检验负责人:检测:记录:复核:检查日期:年月日绵广高速公路建设工程分项工程质量检验评定表分项工程名称:沥青混凝土面层和沥青碎〔砾〕石面层所属分部工程名称:所属建设工程:四川省绵广高速公路工程工程部位:施工单位:监理单位:143检验负责人:检测:记录:复核:检查日期:年月日绵广高速公路建设工程分项工程质量检验评定表分项工程名称:沥青外表处治面层所属分部工程名称:所属建设工程:四川省绵广高速公路工程工程部位:施工单位:监理单位:144检验负责人:检测:记录:复核:检查日期:年月日绵广高速公路建设工程分项工程质量检验评定表分项工程名称:水泥稳定粒料基层所属分部工程名称:所属建设工程:四川省绵广高速公路工程工程部位:施工单位:监理单位:145检验负责人:检测:记录:复核:检查日期:年月日绵广高速公路建设工程分项工程质量检验评定表分项工程名称:水泥稳定粒料底基层所属分部工程名称:所属建设工程:四川省绵广高速公路工程工程部位:施工单位:监理单位:146检验负责人:检测:记录:复核:检查日期:年月日绵广高速公路建设工程分项工程质量检验评定表分项工程名称:石灰、粉煤灰稳定粒料基层所属分部工程名称:所属建设工程:四川省绵广高速公路工程147工程部位:施工单位:监理单位:检验负责人:检测:记录:复核:检查日期:年月日绵广高速公路建设工程分项工程质量检验评定表148分项工程名称:石灰、粉煤灰稳定粒料底基层所属分部工程名称:所属建设工程:四川省绵广高速公路工程工程部位:施工单位:监理单位:检验负责人:检测:记录:复核:检查日期:年月日149绵广高速公路建设工程分项工程质量检验评定表分项工程名称:级配碎〔砾〕石基层所属分部工程名称:所属建设工程:四川省绵广高速公路工程工程部位:施工单位:监理单位:检验负责人:检测:记录:复核:检查日期:年月日150绵广高速公路建设工程分项工程质量检验评定表分项工程名称:级配碎〔砾〕石底基层所属分部工程名称:所属建设工程:四川省绵广高速公路工程工程部位:施工单位:监理单位:151检验负责人:检测:记录:复核:检查日期:年月日绵广高速公路建设工程分项工程质量检验评定表分项工程名称:路缘石铺设所属分部工程名称:所属建设工程:四川省绵广高速公路工程工程部位:施工单位:监理单位:152检验负责人:检测:记录:复核:检查日期:年月日绵广高速公路建设工程分项工程质量检验评定表分项工程名称:路肩所属分部工程名称:所属建设工程:四川省绵广高速公路工程工程部位:施工单位:监理单位:153检验负责人:检测:记录:复核:检查日期:年月日绵广高速公路建设工程分项工程质量检验评定表分项工程名称:桥梁总体所属分部工程名称:所属建设工程:四川省绵广高速公路工程工程部位:施工单位:监理单位:154检验负责人:检测:记录:复核:检查日期:年月日绵广高速公路建设工程分项工程质量检验评定表分项工程名称:钻孔灌注桩所属分部工程名称:所属建设工程:四川省绵广高速公路工程工程部位:施工单位:监理单位:155检验负责人:检测:记录:复核:检查日期:年月日绵广高速公路建设工程分项工程质量检验评定表分项工程名称:挖孔桩所属分部工程名称:所属建设工程:四川省绵广高速公路工程工程部位:施工单位:监理单位:156检验负责人:检测:记录:复核:检查日期:年月日绵广高速公路建设工程分项工程质量检验评定表分项工程名称:浆砌片石根底所属分部工程名称:所属建设工程:四川省绵广高速公路工程工程部位:施工单位:监理单位:157检验负责人:检测:记录:复核:检查日期:年月日绵广高速公路建设工程分项工程质量检验评定表分项工程名称:墩、台身砌体所属分部工程名称:所属建设工程:四川省绵广高速公路工程工程部位:施工单位:监理单位:158检验负责人:检测:记录:复核:检查日期:年月日绵广高速公路建设工程分项工程质量检验评定表分项工程名称:拱圈砌体所属分部工程名称:所属建设工程:四川省绵广高速公路工程工程部位:施工单位:监理单位:159检验负责人:检测:记录:复核:检查日期:年月日绵广高速公路建设工程分项工程质量检验评定表分项工程名称:侧墙砌体所属分部工程名称:所属建设工程:四川省绵广高速公路工程工程部位:施工单位:监理单位:160。
工程名称:K36+013-K38+013水泥混凝土路面施工单位:宜昌市宏发路桥建设有限责任公司工程名称:K38+013-K40+013水泥混凝土路面施工单位:宜昌市宏发路桥建设有限责任公司工程名称:K40+013-K42+515.602水泥混凝土路面施工单位:宜昌市宏发路桥建设有限责任公司工程名称:K36+013-K38+013沥青混凝土路面施工单位:宜昌市宏发路桥建设有限责任公司工程名称:K38+013-K40+013沥青混凝土路面施工单位:宜昌市宏发路桥建设有限责任公司工程名称:K40+013-K42+515.602沥青混凝土路面施工单位:宜昌市宏发路桥建设有限责任公司工程名称:K36+013-K38+013沥青混凝土路面施工单位:宜昌市宏发路桥建设有限责任公司工程名称:K38+013-K40+013沥青混凝土路面施工单位:宜昌市宏发路桥建设有限责任公司工程名称:K40+013-K42+515.602沥青混凝土路面施工单位:宜昌市宏发路桥建设有限责任公司分部工程质量检验评定表分部工程名称:路面工程所属单位工程:路面工程所属建设项目:宜昌市公路局干线公路路面改善工程工程部位:K36+013-K38+013 施工单位:宜昌市宏发路桥建设有限责任公司施工标段:第四合同段分部工程名称:路面工程所属单位工程:路面工程所属建设项目:宜昌市公路局干线公路路面改善工程工程部位:K38+013-K40+013 施工单位:宜昌市宏发路桥建设有限责任公司施工标段:第四合同段分部工程名称:路面工程所属单位工程:路面工程所属建设项目:宜昌市公路局干线公路路面改善工程工程部位:K40+013-K42+515.602 施工单位:宜昌市宏发路桥建设有限责任公司施工标段:第四合同段分部工程名称:交通安全设施所属单位工程:路面工程所属建设项目:宜昌市公路局干线公路路面改善工程工程部位:K36+013-K42+515.602 施工单位:宜昌市宏发路桥建设有限责任公司施工标段:第四合同段分部工程名称:交通安全设施所属单位工程:路面工程所属建设项目:宜昌市公路局干线公路路面改善工程工程部位:K36+013-K42+515.602 施工单位:宜昌市宏发路桥建设有限责任公司施工标段:第四合同段单位工程质量检验评定表单位工程名称:路面工程所属建设项目:宜昌市公路局干线公路路面改善工程路线名称:第四合同段(窑马路枝江段)工程地点及桩号:窑马路K36+013-K42+515.602单位工程质量检验评定表单位工程名称:交通安全设施所属建设项目:宜昌市公路局干线公路路面改善工程路线名称:第四合同段(窑马路枝江段)工程地点及桩号:窑马路K36+013-K42+515.602===========================================================================================================说明。