单位工程质量检验评定表
- 格式:doc
- 大小:48.50 KB
- 文档页数:1
祥源中桥
单位工程质量检验评定表
工程名称:滕州市祥源中桥 建设项
目:滕州市祥源中桥
路线名称:祥源路 工
程地点:滕州市经济开发区内
施工单位:山东联迪路桥公司 监理单位:Array
2011年12月29日
施工单位:山东联迪路桥公司 监理单位工程质量检验评定表
分部工程名称:基础与下部构造 所属单位工程:滕州市祥源中桥所属建设项目:滕州市祥源路 工程部位:桩基、系梁、墩柱、盖梁监理: 2011年12月29日
单位工程质量检验评定表
分部工程名称:基础与下部构造 所属
单位工程:滕州市祥源中桥
所属建设项目:滕州市祥源路 工程
部位:桩基、系梁、墩柱、盖梁
施工单位:山东联迪路桥公司 监理Array
监理: 2011年12月29日。
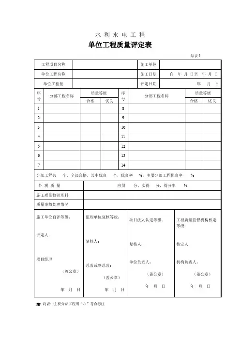
水利水电工程单位工程质量评定表综表1注:将表中主要分部工程用“△”符合标注水利水电工程分部工程施工质量评定表综表2注:表中主要单元工程用“△”符合标注。
注:括号内数字适于小基坑。
隐蔽工程联合验收表表3基础(隐蔽)工程验收表表4混凝土单元工程质量评定表表5表5说明一、单元工程划分、对于单元工程的划分,由建设(监理)单位组织设计及施工单位共同研究确定,并报质量监督机构认可。
二、质量评定砼单元工程的质量标准,由基础面或砼施工缝处理、模板、钢筋、止水、伸缩缝和排水管及砼浇筑等的质量标准组成。
在上述基础面或砼施工缝、模板、钢筋、止水、伸缩缝和排水管砼浇筑五项全部达到合格的基础上,凡砼浇筑、钢筋两项达到优良,其余三项中任意一项达到优良,则该砼单元工程即可评为优良,否则只能评为合格。
注:表中“Δ”为主要工序。
混凝土基础面或施工缝处理工序质量评定表模板工序质量评定表表5-2说明保证项目:检查数量:全数检查。
检测方法:对照模板设计,现场观察或尺量检查。
基本项目:检查数量与方法同保证项目。
允许偏差项目:检测方法及数量:1、3项尺量,检测三分之一模板每个仓号不少于20点(次)。
2项2m直尺量,每个仓号不少于10次。
4项由中心线向两边量,每边不少于2点。
5项水准仪测,每根梁柱测1~2点。
6项尺量逐点检查。
7项尺量每个单元不少于10点。
钢筋工序质量评定表表5-3表5-3说明保证项目:检查数量:全数检查。
检测方法:1观察及尺量检查。
2观察检查。
基本项目:检查数量:抽测30%的焊缝(4项全面检查后,在抽测30%的焊缝)。
检测方法:1项钢尺量。
2、3、4项用焊缝尺量。
5项用肉眼检查或5倍放大镜观察。
6项直径用钢尺尺量。
7、8项尺量。
允许偏差项目:检测数量:各项抽测数量的30%。
检测方法:除1项角尺量外,其余用尺量。
混凝土浇筑工序质量评定表表5-5说明保证项目:检查数量:全数检查。
检查方法:1项检查试验室配比及砼施工记录。
2、4、6项观察检查。
桥梁总体分项工程质量检验评定表施工单位:合同号:钢筋加工及安装分项工程质量检验评定表施工单位:合同号:钢筋网分项工程质量检验评定表施工单位:合同号:钻孔灌注桩分项工程质量检验评定表施工单位:合同号:张石高速公路石家庄段承台混凝土浇筑分项工程质量检验评定施工单位:合同号:张石高速公路石家庄段墩、台身混凝土浇筑分项工程质量检验评定表施工单位:合同号:张石高速公路石家庄段墩、台帽或盖梁混凝土浇筑分项工程质量检验评定表施工单位:合同号:预制梁(板)分项工程质量检验评定表施工单位:合同号:就地浇筑梁(板)分项工程质量检验评定表施工单位:合同号:钢丝、钢绞线先张法分项工程质量检验评定表施工单位:合同号:后张法分项工程质量检验评定表施工单位:合同号:梁、板安装分项工程质量检验评定表施工单位:合同号:桥面铺装分项工程质量检验评定表施工单位:合同号:伸缩缝安装分项工程质量检验评定表施工单位:合同号:张石高速公路石家庄段混凝土防撞护栏浇筑分项工程质量检验评定表施工单位:合同号::张石高速公路石家庄段桥头搭板分项工程质量检验评定表施工单位:合同号:张石高速公路石家庄段支座垫石分项工程质量检验评定表施工单位:合同号:张石高速公路石家庄段挡块分项工程质量检验评定表施工单位:合同号:支座安装分项工程质量检验评定表施工单位:合同号:桥面防水层分项工程质量检验评定表施工单位:合同号:张石高速公路石家庄段就地浇筑(梁)板分项工程质量检验评定表施工单位:合同号:张石高速公路石家庄段复合桥面水泥混凝土铺装分项工程质量检验评定表施工单位:合同号:张石高速公路石家庄段扩大基础分项工程质量检验评定表施工单位:合同号:质检员:施工负责人:年月日张石高速公路石家庄段挖孔桩分项工程质量检验评定表施工单位:合同号:张石高速公路石家庄段柱或双壁墩身分项工程质量检验评定表施工单位:合同号:张石高速公路石家庄段台背填土分项工程质量检验评定表施工单位:合同号:张石高速公路石家庄段基础砌体分项工程质量检验评定表施工单位:合同号:张石高速公路石家庄段墩、台身砌体分项工程质量检验评定表施工单位:合同号:张石高速公路石家庄段施工单位:合同号:张石高速公路石家庄段施工单位:合同号:张石高速公路石家庄段转体施工梁分项工程质量检验评定表施工单位:合同号:。
工程名称:K36+013-K38+013水泥混凝土路面施工单位:宜昌市宏发路桥建设有限责任公司工程名称:K38+013-K40+013水泥混凝土路面施工单位:宜昌市宏发路桥建设有限责任公司工程名称:K40+013-K42+515.602水泥混凝土路面施工单位:宜昌市宏发路桥建设有限责任公司工程名称:K36+013-K38+013沥青混凝土路面施工单位:宜昌市宏发路桥建设有限责任公司工程名称:K38+013-K40+013沥青混凝土路面施工单位:宜昌市宏发路桥建设有限责任公司工程名称:K40+013-K42+515.602沥青混凝土路面施工单位:宜昌市宏发路桥建设有限责任公司工程名称:K36+013-K38+013沥青混凝土路面施工单位:宜昌市宏发路桥建设有限责任公司工程名称:K38+013-K40+013沥青混凝土路面施工单位:宜昌市宏发路桥建设有限责任公司工程名称:K40+013-K42+515.602沥青混凝土路面施工单位:宜昌市宏发路桥建设有限责任公司分部工程质量检验评定表分部工程名称:路面工程所属单位工程:路面工程所属建设项目:宜昌市公路局干线公路路面改善工程工程部位:K36+013-K38+013 施工单位:宜昌市宏发路桥建设有限责任公司施工标段:第四合同段分部工程名称:路面工程所属单位工程:路面工程所属建设项目:宜昌市公路局干线公路路面改善工程工程部位:K38+013-K40+013 施工单位:宜昌市宏发路桥建设有限责任公司施工标段:第四合同段分部工程名称:路面工程所属单位工程:路面工程所属建设项目:宜昌市公路局干线公路路面改善工程工程部位:K40+013-K42+515.602 施工单位:宜昌市宏发路桥建设有限责任公司施工标段:第四合同段分部工程名称:交通安全设施所属单位工程:路面工程所属建设项目:宜昌市公路局干线公路路面改善工程工程部位:K36+013-K42+515.602 施工单位:宜昌市宏发路桥建设有限责任公司施工标段:第四合同段分部工程名称:交通安全设施所属单位工程:路面工程所属建设项目:宜昌市公路局干线公路路面改善工程工程部位:K36+013-K42+515.602 施工单位:宜昌市宏发路桥建设有限责任公司施工标段:第四合同段单位工程质量检验评定表单位工程名称:路面工程所属建设项目:宜昌市公路局干线公路路面改善工程路线名称:第四合同段(窑马路枝江段)工程地点及桩号:窑马路K36+013-K42+515.602单位工程质量检验评定表单位工程名称:交通安全设施所属建设项目:宜昌市公路局干线公路路面改善工程路线名称:第四合同段(窑马路枝江段)工程地点及桩号:窑马路K36+013-K42+515.602===========================================================================================================说明。