磨机主要参数的确定
- 格式:doc
- 大小:250.50 KB
- 文档页数:12
球磨机参数选择和计算一、球磨机生产能力的计算球磨机的生产能力由要求粉磨的物料量而确定,在设计选型时要有一定的富余能力。
影响球磨机生产能力的因素很多,除了物料的性质(粒度、硬度、密度、温度和湿度)、欲磨细程度(产品粒度)、加料均匀程度和磨机内研磨体装载程度外,还与磨机结构形式(磨机筒体长度与直径比、仓数、隔仓板和衬板的形状)等有关。
因此,从理论上确定磨机的生产能力是比较困难的,通常用实验法与对比法来确定磨机的生产能力。
磨机粉磨的生产能力一般按新生成的小于0.074mm(—200目)级别的粉矿量进行计算。
式中V ———磨机有效容积,m3;G2———产品中小于0.074mm 的物料占总物料的百分数,%;G1———给矿中小于0.074mm 的物料占总物料的百分数,%;q,m———按新生成级别(0.074mm)试算的单位生产能力,t/(3m·h)。
q,m值由试验确定,或采用矿石物性相似、设备及工作条件相同的生产中的标定值。
当无试验数据与生产标定值时,可用式(1-3)计算:式中q m———磨机在生产或实验时,按新生成-0.074mm级别计算的实际生产能力,t/(m3·h);式中D i1———需要计算选磨机直径,m;D i1———标准磨机直径,m;K,4———磨机给料粒度和产品粒度系数,G3 G4———分别为新设计的和参数已有的或实验磨机(给矿粒度或产品粒度按新生成-0.074mm级别计算)的生产能力见表1-6。
上式G1和G2值在计算中应按实际资料计算,若无实际资料,可按表1-7和表1-8选定。
表1-4 矿石磨碎难易系数K,1矿石硬度难易度系数K,1矿石硬度难易度系数K,1普氏系数硬度等级普氏系数硬度等级<2 很软 1.4-2.0 8-10 硬0.75-0.85 2-4 软 1.25-1.5 >10 很硬0.5-0.7表1-5 磨机型式校正系数K,2表1-6 给矿粒度与产品粒度相对生产能力G3或G4表1-7 破碎产品粒度与0.074 mm 级别含量G1值表1-8 不同产品粒度中0.074mm 级别含量G2值二、球磨机功率、转速和介质装载量的计算1. 功率计算(1)按经验公式计算功率:式中G,———装入的介质和物料量,t ;D m———磨机筒体有效内径,m;K,5———研磨介质系数,查表1-9。
立式打磨机国家标注标准立式打磨机是一种常用于金属、陶瓷、玻璃等材料表面处理的设备,典型的功能是去掉材料表面的划痕、斑点、氧化等瑕疵,以及调整材料表面的光洁度和粗糙度等参数。
在国内,针对立式打磨机的标注标准主要包括以下方面内容:1. 基本参数立式打磨机的基本参数应包括主轴转速、工作台移动速度、工作台尺寸、工作台载重能力等。
主轴转速是影响立式打磨机加工能力和加工效果的重要参数,工作台移动速度和精度关系到工件处理的均匀性和一致性,工作台尺寸和载重能力则与工件的大小和重量有关。
2. 设备结构立式打磨机的结构主要包括底座、立柱、主轴、工作台、导轨、行程开关、控制面板等,不同厂家生产的设备在结构上可能存在差异,但应满足相应的国家标准要求。
例如,底座应具有足够的稳定性和抗震性,立柱应具有足够的强度和刚性,主轴应具有足够的承载能力和转速调整范围等。
3. 安全标准立式打磨机作为一种机械设备,使用时应注重安全。
安全标准主要包括切割液的涉及要求、制动器的使用要求、行程开关的要求等。
例如,在加工过程中应严格遵守切割液的使用和清洁要求,及时更换和补充切割液,避免危险发生。
另外,制动器应能稳定可靠地保持工作台位置,行程开关应灵敏可靠地控制工作台的行程。
4. 操作要求操作要求主要是为了保证设备的正常运行和延长设备的寿命。
操作要求包括设备的操作步骤、清洁保养、故障排除等。
例如,在操作立式打磨机前,应先检查设备的各项参数是否正常,检查电源是否合格,检查加工液是否足够等。
在清洁保养方面,应及时清理设备上的杂物和灰尘,将设备表面保持干燥,防止生锈,及时更换损坏的部件等。
在故障排除方面,应根据设备的报警信息和症状,采取相应的修理措施,避免因操作不当或设备损耗导致的故障。
综上所述,立式打磨机国家标注标准是制定、执行、监管立式打磨机制造、维护、操作中涉及立式打磨机安全、环保、品质、工艺等问题的规范性文件。
标准将为立式打磨机的研制、推广和应用提供技术支持和引导,提高立式打磨机加工产品的质量和效率,保障人们生产生活的安全和健康。
水泥磨机规格参数一、型号选择水泥磨机是水泥生产线中的重要设备之一,其规格参数的选择对于生产线的运行效率和产品质量具有重要影响。
在选择水泥磨机型号时,需要考虑以下几个方面的因素。
1.1 生产能力水泥磨机的生产能力通常以每小时处理的水泥产量来衡量,单位为吨/小时。
根据生产线的需求,选择合适的生产能力是非常重要的。
如果生产能力过小,会导致生产线停机时间过长,影响生产效率;而如果生产能力过大,会增加设备投资和运行维护成本。
1.2 粉磨系统水泥磨机通常包括进料系统、粉磨系统和出料系统。
在选择水泥磨机型号时,需要考虑粉磨系统的规格参数,包括磨盘直径、转速、磨辊压力等。
这些参数决定了水泥磨机的粉磨效果和能耗水平。
一般来说,磨盘直径越大、转速越高,粉磨效果越好,但相应地,能耗也会增加。
1.3 动力装置水泥磨机的动力装置通常由电机和传动装置组成。
电机的功率和转速是选择水泥磨机型号时需要考虑的重要参数。
电机功率过小会导致设备无法正常运行,功率过大则会增加设备投资和运行成本。
同时,传动装置的类型和传动比也需要根据实际情况选择,以保证设备的正常运行。
二、性能指标水泥磨机的性能指标是评价其性能优劣的重要依据。
以下是常见的水泥磨机性能指标。
2.1 产量水泥磨机的产量是指单位时间内水泥的产量,通常以吨/小时来衡量。
产量的大小直接影响到生产线的产能和生产效率,因此在选择水泥磨机时需要根据生产线的需求确定合适的产量。
2.2 粉磨效率粉磨效率是指水泥磨机在单位时间内所能达到的细度要求。
一般来说,粉磨效率越高,说明水泥磨机的粉磨能力越强,生产出的水泥颗粒更细,产品质量更好。
2.3 能耗能耗是评价水泥磨机能源利用效率的重要指标。
通常以电耗和磨耗来衡量。
电耗是指单位产量水泥所消耗的电能,磨耗是指单位时间内磨辊和磨盘的磨损量。
降低能耗是水泥磨机设计和运行的重要目标之一。
2.4 适应性水泥磨机的适应性是指其适用于不同磨矿物料和不同生产工艺的能力。
球磨机参数选择和计算一、球磨机生产能力计算球磨机生产能力由要求粉磨物料量而确定,在设计选型时要有一定富余能力。
影响球磨机生产能力因素很多,除了物料性质(粒度、硬度、密度、温度和湿度)、欲磨细程度(产品粒度)、加料均匀程度和磨机内研磨体装载程度外,还与磨机结构形式(磨机筒体长度与直径比、仓数、隔仓板和衬板形状)等有关。
因此,从理论上确定磨机生产能力是比较困难,通常用实验法与对比法来确定磨机生产能力。
磨机粉磨生产能力一般按新生成小于0. 074mm (-200目)级别粉矿量进行计算。
♦一((;2 -(;\)式中V --------- 磨机有效容积,lib;G: ------ 产品中小于0.074mm物料占总物料百分数,%;G x-------- 给矿中小于0.074mm物料占总物料百分数,%;q B ------- 按新生成级别(0.074mm)试算单位生产能力,t/(3m • h) oq,值由试验确定,或采用矿石物性相似、设备及工作条件相同生产中标定值。
当无试验数据与生产标定值时,可用式(1-3)计算:q m =(仏k 1人2人3人4式中筑 ------ 磨机在生产或实验时,按新生成-0. 074mm级别计算实际生产能力,t/ (m3• h);式中D M ------- 需要计算选磨机直径,m;D1X -------- 标准磨机直径,m;K\i ------- 磨机给料粒度和产品粒度系数,G3 G t ------ 分别为新设计和参数已有或实验磨机(给矿粒度或产品粒度按新生成-0. 074mm级别计算)生产能力见表1-6。
上式G和G,值在计算中应按实际资料计算,若无实际资料,可按表1-7和表1-8选定。
表1-4矿石磨碎难易系数表磨机型式校正系数心表给矿粒度与产品粒度相对生产能力3表1-7破碎产品粒度与0.074 mm级別含量&值二、球磨机功率、转速和介质装载量计算1.功率计算(1)按经验公式计算功率:"二().736心厂式中G, ---------- 装入介质和物料量,t :氏 ----- 磨机筒体有效内径,m;K'5 ------- 研磨介质系数,查表1-9。
书山有路勤为径,学海无涯苦作舟磨机的主要参数(1)磨机生产率。
影响磨机生产率的因素很多,如:磨机的类型、规格和转速,被磨物料的性质,磨矿介质的性质、大小、形状和充填率,闭路磨矿时的分级效率,给料粒度和排料细度,以及操作条件等。
因此,从理论上确定磨机的生产率是很困难的,一般都通过具体的试验并采用模拟方法确定,而且得到的结果是近似的,还要用一些实际资料来校核。
所以,这里不再列举有关教科书和设计手册上的一些生产率计算方法,只在各种磨机选型实例中的磨机技术性能表中列出其生产率范围。
(2)磨机转速。
磨机的筒体工作转速一般为30~14r/min,筒体直径大者转速低,反之则高。
磨机筒体的工作转速与其临界转速之比称为转速率,一般为76%~88%。
(3)磨机中介质的充填率和装入量。
磨机运转时,筒体截面上介质所占面积与该截面面积之百分比称为该磨机的充填率。
通过计算,可得出不同类型磨机在不同转速时的充填率。
在实际工作中,湿式格子型球磨机的充填率一般为40%~50%,溢流型球磨机或棒磨机的充填率一般为35%~40%,干式格子型磨机和管磨机的充填率一般为25%~35%。
已知磨机的充填率后,就可以根据磨机的有效容积和介质的松散密度计算出介质装入量。
在磨机选型实例中的磨机技术性能表中已列出不同磨机的介质装入量。
在自磨机中,一般不装入任何介质,但为了提高磨矿效率,往往加入少量钢球,其装球量约为自磨机有效容积的4%~10%。
(4)磨机功率。
类型和规格不同的磨机实际上均由制造厂配备了功率适当的电动机。
电动机本身的功耗约为10%,机械摩擦损失功耗约为10%~15%,而用来使磨矿介质和物料运动从而产生破碎和研磨作用的有用功率约为75%。
通常,实际需要的功率是根据小型试验磨机在各种具体磨矿条件下所得试验数据推算出来的,此即称为类比法,其推算公式为:式中,N、D、L——计算磨机的功率、筒体内。
球磨机的技术参数
1球磨机介绍
球磨机是一种常用的湿研磨设备,它可以把各种不同材料进行混合,通过放置磨球和机壳之间的滚阀门控制,以达到研磨作用。
它广
泛用于制颗粒粉末,制作浆料化妆品,研磨药粉,涂料和冶金等行业。
2球磨机的技术参数
现在市场上的球磨机的技术参数主要有:机器重量,装机功率,
研磨时间,温度控制精度,出料粒度,转矩,转速,研磨温度和研磨
容量。
其中,机器重量一般都会比较大,比如几百公斤到几千公斤不等;装机功率一般可以在3.
7-45KW范围内;研磨时间一般以小时统计,一般时间可以在1.
5-4.5小时,有些更多;温度控制精度一般在±1℃以内;出料粒
度可在0.5-30um之间调节;转矩可达2.2-37Nm;转速可在150-1750
范围内可调;研磨温度可在常温至120℃可调控;研磨容量可在0.5-5000L可调控。
3球磨机的优点
球磨机的优点最主要的是能够有效的保护原料的化学性能及矿物
结构,而且广泛用于矿物质物料,金属质物料,化学质物料等物料处理,具有可靠、有效、经济等优点。
精度可达到μm级,研磨时间可
控,出料细度均匀,性能稳定。
温度控制精度高,可以保护有机物料的化学特性不变。
它的研磨成品的粒度分布更加均匀,更少的有害物质和未完全倒换细致颗粒。
安装操作维护简单,操作成本低,能够根据客户的要求来提高台机的性能。
4结论
从上述球磨机的技术参数介绍及其优点来看,球磨机是理想研磨工具,可以满足不同行业物料研磨要求,具有广泛应用前景与价值。
人们将在不断创新技术参数,努力改善球磨机的性能,以便更好的服务于社会。
球磨机主要参数的确定(上)球磨机主要参数的确定(上)⼀、球磨机的转速(1)球磨机的临界转速n o当磨机筒体的转速达到某⼀数值时,研磨体产⽣的离⼼⼒等于它本⾝的重⼒,因⽽使研磨体升举⾄脱离⾓α=00,即研磨体将紧贴附在筒壁上,随筒体⼀起回转⽽不会降落下来,这个转速就称为临界转速,⽤n0表⽰。
由于磨机在某⼀转速下进⾏⼯作时,筒体内各层研磨体运动的脱离⾓各不相同,在确定磨机筒体转速时,⼀般均以最外层研磨体为基准,也就是取磨机筒体的有效内径D1作为基准进⾏参数计算。
在图7-4 中,当研磨体处于极限位置 E 点即它升举⾄顶点时,脱离⾓,此为临界条件,把它代⼊式(7-2),可得临界转速n0cosα=cos00=1即所以式中n0———临界转速,r/min;R1———最外层研磨体⾄磨筒体断⾯中⼼的距离(即筒体有效半径),m;D1———磨机筒体有效直径,m。
从理论上讲,当磨机转速达到临界转速时,研磨体将紧紧贴附在筒体内壁上,随筒体⼀起回转,不会降落,不能起任何粉磨作⽤。
但实际上并⾮如此,因为在推导研磨体运动的基本⽅程时,只考虑离⼼⼒,⽽忽略了研磨体的滑动、⾃转及物料对研磨体运动的影响。
因此球磨机的实际临界转速⽐上述的理论计算值要⾼⼀些。
(2)球磨机的理论适宜转速n 当磨机筒体达到临界转速n0时,由于研磨体紧贴筒壁上,不能起到粉碎作⽤,因此对物料的粉碎功为零。
当筒体转速较慢时,研磨体呈泻落状态运动,对物料的粉碎作⽤很弱,即对物料的粉碎功很⼩,可见研磨体对物料的粉碎所消耗的功是筒体转速的函数。
因此,使研磨体产⽣最⼤粉碎功时的筒体转速就称为球磨机的理论适宜转速t。
要想得到最⼤的粉碎功,研磨体必须具有最⼤的降落⾼度。
如图7-5所⽰,筒体内研磨体的总降落⾼度H为H=h+y研磨体由脱离点 A 抛射上升的⾼度为h ,根据抛射体运动学知以式(7-1)中代⼊式(7-44)中,得以式(7-10)和式(7-45)代⼊式(7-43)中,得研磨体总降落⾼度H 是其脱离⾓的函数。
压差:压差是指风环处的压力损失,它也是立磨操作中最为重要的控制参数之一。
在磨机运行时,磨内负荷量的变化不仅从磨机电流、料层厚度、振动幅度等参数上反应出来,而且压差更能反映磨内状况。
压差增大,磨内负荷加大;压差变小,说明磨内物料少,研磨层迅速减薄,磨内负荷下降。
这两种情况,都会因料层不稳,使振动加剧,粉磨阻力增大,磨机输入功率增加,磨机电流也忽高忽低大幅摆动,直到磨机振停或振动稳定下来为止。
操作上利用压差来作为控制磨内负荷量的变化,实现磨机稳定运行。
影响磨机压差的因素很多,如喂料量、系统风量、研磨压力、选粉机转速等。
凡是影响磨机平稳运行的因素,几乎都可以在压差上反应出来。
所以在磨机运行稳定前,这些变量都可能成为磨机操作的调整对象,操作员可根据实际情况作相应调整,直到工况稳定。
然而,在磨机正常运行中,通常只采取调整喂料量来控制压差,一般不轻易改变研磨压力和选粉机转速两变量。
研磨压力随产量要求预先设定好,而选粉机转速随产品细度而定。
至于系统风量,也不是调节负荷的最佳变量,只有在特殊情况下,才调节风量,最终还需调整喂料,使磨机负荷恢复原稳定范围不影响产品质量。
磨机出口温度:有效的控制出口温度,可以保持良好的烘干及粉磨作业条件,使产品达到规定的水分,我厂为保持生料水分在0.5%以下,控制出口温度为80-90℃。
影响磨机出口温度的因素通常有循环风、冷风、喷水量、热风、物料水分等,其中冷风量的变化有可能会使窑磨工况产生影响,一般很少采取调节冷风量的办法来调节出口温度,为了不影响窑系统,我们一般选择调节循环风挡板的开度来控制磨机出口温度。
磨机出口气体温度高低是衡量磨机运行状况的重要因素,过高过低都会引起磨机振动,通常在不影响质量的情况下,要控制出口温度基本稳定。
当磨机运转到后期时,磨辊磨盘衬板磨损严重,出口温度稍微变化就会对磨有很大影响。
产品细度:产品细度主要受选粉机转速影响,转速高,产品细;转速低,产品粗。
调节细度主要靠手动改变选粉机转速来实现,但必须注意,增加或降低,只能逐步进行,每次增加或减少1%的设定值,调节过快,可能导致磨机振动加剧甚至振停。
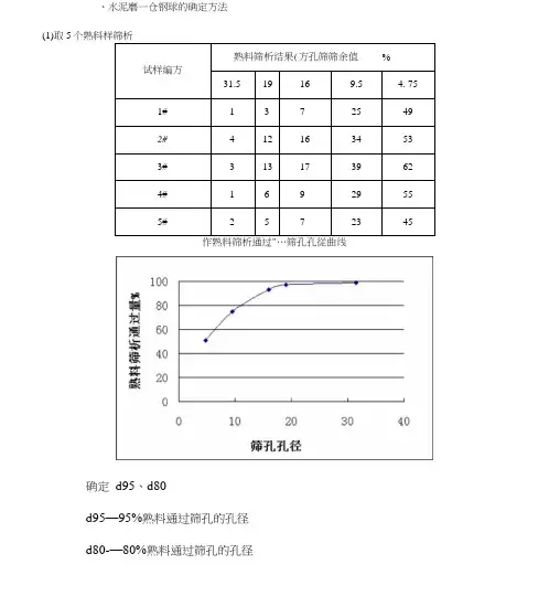
、水泥磨一仓钢球的确定方法
(1)取5个熟料样筛析
作熟料筛析通过"…筛孔孔從曲线
确定d95、d80
d95—95%熟料通过筛孔的孔径
d80-—80%熟料通过筛孔的孔径
绘表如下:
」11 14.4 15 12 10.5
dso 二12. 6 ( mm)
5
.17 26. 5 27. 5 20. 5 19
doo= 22. 1 ( mm)
5
最大球径:D大=281 d95 X —
VKm
f——磨机单位容积物料通过量影响系数,根据磨机每小时的单位容积通过量M 从下表中查出。
M二(Q+QL [ t/h • m]
式中Q---磨机小时产量,t/h
L—- 磨机循环负荷率,%
V--- 磨机有效容积,m
M与f的关系表
计算得f取1・02
K、(为熟料的易磨性为0. 95
D 平二68. 1 ( mr) i
高于31. 5mm的大块熟料约有3%大块用大球破碎,© 90球取一仓装载量6%
共2t (—仓装30t)
依次配球如下:
69mm
3. 2*13米磨现调整规格参数如下
a> 现将一仓钢球拣出© 70、© 60球及© 30以下球,将剩下© 30、© 40、© 50、© 60
(部 分)共计22. 2t 补入二仓。
b 、将三仓现有45. It 倒出10t,补入20*25钢锻7t 。
目前级配如下:。
陶瓷球磨机技术参数陶瓷球磨机是一种常见的粉碎设备,广泛用于石灰、水泥、矿山和化工等行业。
本文将介绍陶瓷球磨机的主要技术参数。
磨粉机型号陶瓷球磨机一般根据磨盘直径和磨筒长度不同而有不同的型号,例如Φ900×1800和Φ1200×2400等。
其中,Φ表示磨盘直径,单位为毫米。
例如Φ900×1800表示磨盘直径为900毫米,磨筒长度为1800毫米。
生产能力陶瓷球磨机的生产能力主要由处理的物料、设备型号和磨球直径决定。
常见的陶瓷球磨机生产能力为1-200吨/小时,其中,小型的球磨机一般生产能力为1-20吨/小时,中型的球磨机生产能力为20-50吨/小时,大型的球磨机生产能力可以达到100吨/小时以上。
磨球直径陶瓷球磨机的磨球直径一般为20-70毫米,不同的磨球直径适用于不同的物料。
较小的磨球直径适用于细粉碎,而较大的磨球直径适用于粗粉碎。
此外,磨球直径还会影响磨碎效果和电耗。
电机功率陶瓷球磨机的电机功率是一个重要的参数,通常设备功率越大,生产能力越高。
磨机的电机功率受到物料硬度,磨球直径和磨机型号等因素的影响。
从一般情况来看,球磨机的电机功率通常在15-150千瓦之间。
旋转速度陶瓷球磨机的旋转速度通常在30-40转/分钟,不同的物料和磨机型号会有所不同。
磨机的旋转速度也会影响磨碎效果,通常来说,单个物料适用的最佳旋转速度应该由生产厂家提供。
输送方式陶瓷球磨机的输送方式有多种,例如直接输送、气力输送和螺旋输送等。
不同的输送方式适用于不同的物料和工艺要求。
同时,输送方式也直接影响设备的生产能力和运转效率。
结论陶瓷球磨机的技术参数直接影响设备的生产能力和磨碎效果。
因此,在购买和使用陶瓷球磨机的过程中,需要根据生产需求和物料特性等因素,综合考虑各项技术参数,并选择合适的设备。
1.1 球磨机工作原理及研磨体运动的基本状态1.1.1 球磨机工作原理球磨机的主要工作部分是一个装在两个大型轴承上并水平放置的回转圆筒,筒体用隔仓板分成几个仓室,在各仓内装有一定形状和大小的研磨体。
研磨体一般为钢球、钢锻、钢棒、卵石、砾石和瓷球等。
为了防止筒体被磨损,在筒体内壁装有衬板。
图1 磨机粉磨物料的作用当球磨机回转时,研磨体在离心力和与筒体内壁的衬板面产生的摩擦力的作用下,贴附在筒体内壁的衬板面上,随筒体一起回转,并被带到一定高度(如图1所示),在重力作用下自由下落,下落时研磨体像抛射体一样,冲击底部的物料把物料击碎。
研磨体上升、下落的循环运动是周而复始的。
此外,在磨机回转的过程中,研磨体还产生滑动和滚动,因而研磨体、衬板与物料之间发生研磨作用,使物料磨细。
由于进料端不断喂入新物料,使进料与出料端物料之间存在着料面差能强制物料流动,并且研磨体下落时冲击物料产生轴向推力也迫使物料流动,另外磨内气流运动也帮助物料流动。
因此,磨机筒体虽然是水平放置,但物料却可以由进料端缓慢地流向出料端,完成粉磨作业。
1.1.2研磨体运动的基本状态球磨机筒体的回转速度和研磨体的填充率对于粉磨物料的作用影响很大。
当筒体以不同转速回转时,筒体内的研磨体可能出现三种基本状态,如图7.2所示。
图7.2(a),转速太慢,研磨体和物料因摩擦力被筒体带到等于动摩擦角的高度时,研磨体和物料就下滑,称为“倾泻状态”,对物料有研磨作用,但对物料的冲击作用很小,因而使粉磨效率不佳;图7.2(c),转速太快,研磨体和物料在其惯性离心力的作用下图7.2 筒体转速对研磨体运动的影响(a)低转速;(b)适宜转速;(c)高转速贴附筒体一起回转(作圆周运动),称为“周转状态”,研磨体对物料起不到冲击和研磨作用;图7.2(b),转速比较适宜,研磨体提升到一定高度后抛落下来,称为“抛落状态”,研磨体对物料较大的冲击和研磨作用,粉磨效率高。
实际上,研磨体的运动状态是很复杂的,有贴附在磨机筒壁向上的运动;有沿筒壁和研磨体层向下的滑动;有类似抛射体的抛落运动;有绕自身轴线的自转运动以及滚动等。
水泥球磨机技术参数水泥球磨机是水泥生产过程中常用的设备之一,用于将水泥熟料研磨成细度适中的水泥粉末。
水泥球磨机的技术参数对其工作效率和产品质量有着重要影响。
本文将围绕水泥球磨机的技术参数展开讨论。
1. 生产能力:水泥球磨机的生产能力是指单位时间内加工的水泥熟料的量,一般以吨/小时为单位。
水泥球磨机的生产能力直接影响到水泥生产线的产量。
生产能力的高低取决于水泥球磨机的结构设计、转速和磨介质等因素。
2. 转速:水泥球磨机的转速是指磨筒的旋转速度,一般以转/分钟为单位。
转速的选择应根据磨介质和磨矿物料的硬度来确定。
过高或过低的转速都会影响到磨矿效果和能耗。
合理的转速可以提高磨矿物料的破碎效果,同时降低磨损。
3. 磨介质:水泥球磨机磨介质主要包括钢球和磨辊。
钢球是一种常用的磨介质,其材质、直径和数量都会影响到磨矿效果。
磨辊是一种高压辊磨机的磨介质,可用于水泥磨矿的初磨和细磨。
选择合适的磨介质可以提高磨矿效率和产品质量。
4. 磨矿物料粒度:水泥球磨机的磨矿物料粒度是指进入磨机的原料的粒度分布。
矿料粒度的大小直接关系到水泥的品质和性能。
过大的粒度会影响到磨矿效果,过小的粒度会增加能耗和磨损。
合理的磨矿物料粒度可以提高水泥球磨机的生产效率和产品质量。
5. 磨矿物料湿度:水泥球磨机的磨矿物料湿度是指进入磨机的原料的含水量。
磨矿物料的湿度对磨矿效果有着重要影响。
适当的湿度可以提高磨矿效率,但过高的湿度会降低磨矿效果,增加能耗和磨损。
6. 电机功率:水泥球磨机的电机功率是指驱动磨筒旋转的电机的功率大小。
电机功率的选择应根据水泥球磨机的生产能力和磨矿物料的性质来确定。
过大的电机功率会造成能耗浪费,过小的电机功率则无法满足生产需求。
7. 分选机参数:水泥球磨机常常与分选机配套使用,分选机的参数也会影响到水泥产品的质量。
分选机参数包括筛孔大小、风量和转速等。
合理的分选机参数可以提高产品的细度和均匀度。
8. 控制系统:水泥球磨机的控制系统是保证设备正常运行和产品质量稳定的关键。
双面研磨机运行参数1. 引言1.1 概述双面研磨机是一种用于金属工件研磨加工的设备,它具有双面同时进行研磨的功能。
通过在机器的两个工作台上分别安装砂轮,双面研磨机可以实现对工件的同时加工,大大提高了生产效率。
本文将对双面研磨机的运行参数进行详细探讨。
运行参数是指影响设备运行和加工效果的各项参数,包括砂轮的转速、工作台的运行速度、研磨压力等。
这些参数的选择和调整,对于保证研磨机的正常运行和达到理想的加工效果至关重要。
在接下来的章节中,我们将逐一介绍双面研磨机的各项运行参数及其要点。
首先,我们将重点探讨运行参数1,包括其要点1和要点2。
然后,我们将介绍运行参数2及其要点1和要点2。
最后,我们将详细介绍运行参数3及其要点1和要点2。
通过本文的阅读,读者将能够更好地了解和掌握双面研磨机的运行参数,为实际生产过程中的参数选择和调整提供参考和指导。
同时,我们也希望通过本文的撰写,能够促进相关领域的研究和技术的进步,为行业发展做出贡献。
在下一章节中,我们将详细介绍运行参数1及其要点1和要点2。
敬请期待!2. 正文2.1 运行参数12.1.1 要点12.1.2 要点22.2 运行参数22.2.1 要点12.2.2 要点22.3 运行参数32.3.1 要点12.3.2 要点23. 结论3.1 总结3.2 展望1. 引言1.1 概述1.2 文章结构1.3 目的在本文中,我们将深入探讨双面研磨机的运行参数。
本文共分为三个部分: 引言、正文和结论。
2. 正文部分将详细介绍双面研磨机的各项运行参数。
在2.1节中,我们将讨论运行参数1,包括其中的要点1和要点2。
在2.2节中,我们将介绍运行参数2,同样包含了要点1和要点2。
最后,在2.3节中,我们将探讨运行参数3,其中包括要点1和要点2。
3. 结论部分将对整篇文章进行总结,并展望双面研磨机运行参数的未来发展方向。
通过本文的阅读,读者将获得对双面研磨机运行参数的详细了解,以及对未来发展的展望。
棒磨机参数棒磨机是一种常用的机械设备,可以用于对木材、塑料、金属等材料进行棒状加工。
在使用棒磨机时,需要注意参数的选取,以达到最佳的加工效果。
因此,在本文中,我们将重点介绍棒磨机的参数。
一、主要参数1. 磨削直径磨削直径是指棒磨机能够加工的最大直径,一般来说,该参数越大,能够加工的材料就越多,但也意味着机器的价格会更贵。
因此,在进行选购的时候需要综合考虑机器的功能和造价。
2. 磨轮转速磨轮转速是指磨轮工作时的转速,该参数对加工效率有着重要的影响。
一般而言,磨轮转速越高,加工效率也就越高,但也容易引发磨损过快和材料变形等问题。
3. 磨削长度磨削长度是指棒磨机能够加工的杆料长度,该参数直接决定着机器用途的多少,因此需要根据实际使用需要进行选择。
4. 磨头型号不同的磨头类型能够适用于不同的加工需求,如平板磨头可用于对直线型材的加工,而滚轮磨头则适用于对弯曲型材的加工。
因此,根据实际需要选择不同的磨头型号也是非常必要的。
二、其他参数1. 电动机功率电动机功率是指电动机的输出功率,该参数对于机器的使用寿命和功率有极大的影响。
一般而言,功率的大小与机器的价格密切相关。
2. 材质和稳定性棒磨机的材质和稳定性直接影响着机器的使用寿命和加工效果。
因此,选购时需要选择质量上乘的棒磨机,以保证使用寿命和加工效率。
3. 自动化程度随着科技的不断进步,棒磨机的自动化程度也在逐步提高。
一些高档的机型可以实现自动辅助定位、预先设定加工参数等功能,大大提高了加工效率。
以上便是关于棒磨机参数的介绍。
选购棒磨机时,需要根据实际的加工需求和预算进行综合考虑,选出最适合自己的棒磨机。
同时,使用时也需要根据实际情况进行调整和使用,以尽可能地发挥棒磨机的最佳加工效果。
粉磨系统技术参数标定1、原始数据:(1)磨机的有效内径、有效长度(2)磨机的仓数、各仓的长度(3)磨机的转速(4)研磨体的装载量,研磨体的填充率(5)磨机需用功率和电机功率;(6)分级设备的规格,分级设备的电机功率(7)磨尾出口提升机规格和电机功率(8)原料的种类及配比(9)产品种类和产品细度指标2、入磨物料性能测定(1)物料表面水分(%),物料内在水分(%);(2)物料温度;(3)原料比重(4)物料的易磨性(5)物料粒度(6)煤的热值(烘干磨)3、物料的筛分析测定:(1)磨内物料的筛析曲线(2)出磨物料细度,比表面积和颗粒组成(3)成品的细度,比表面积和颗粒组成(4)回料的细度,比表面积和颗粒组成(5)收尘器收集的细粉细度和比表面积4、物料的温度测定(1)磨内物料温度曲线;(2)出磨物料温度(3)产品温度(4)回料温度(5)磨机筒体外壁温度5、出磨物料的水分测定(1)出磨物料的水分(2)成品水分(3)回料水分6、通风和收尘的测定(1)磨机周围的空气温度;相对湿度和地区气压(2)入磨热风温度(烘干磨)(3)出磨气体温度(4)进收尘器气体温度(5)漏风系数(6)磨机入口气体负压(7)磨机出口气体负压(8)磨机出口气体动压(9)磨机出口气体含湿量(10)入收尘器气体的露点(11)通风机入口或出口的压力(12)磨机排出气体的含尘量(13)入收尘器和出收尘器气体的含尘量(14)收尘器进口和出口的气体压力7、磨机的工作指数测定(1)磨机的小时产量测定(2)产品细度的合格率(3)磨机的运转率(4)单位电耗(5)单位球、段消耗8、磨机操作参数的测定(1)循环负荷率(2)选粉效率(3)磨机单位容积物料的通过量(4)磨内存料量(5)球料比(6)物料的流速(7)物料在磨内的停留时间(8)磨内通风量(9)磨内风速(10)选粉机循环风量(11)热平衡计算。
磨机主要参数的确定磨机主要参数包括:规格、转速、研磨体的填充率、磨机的需用功率。
一、磨机规格的确定磨机的规格取决于它需要的生产能力。
一台具体磨机的生产能力,除了自身的特定状况外,还与物料的性质(粒度、硬度、温度、湿度)以及粉磨过程的生产系统有关。
磨机的长度和直径之比例是和生产系统相联系的。
对于开流系统常选管磨机,以保证产品细度一次合格,管磨机的长径比L/D=3.5~6;对于圈流磨机则应取较小的长径比,以加快物料的流通量,这时选取L/D=2.5~3.5,这种磨机称为中长磨。
下面计算公式的立足点是:在同一生产条件的不同磨机的产量和它需用的功率成正比。
实际上,这和假设是近似的。
实践证明,随磨机直径的增大,产量的增长速率稍大于需要功率的增长速率(产量,功率).而物料性质的影响,我们用实际数据加以考虑,这个系数称之为物料的易磨性系数(q)。
这样,我们就以B.B.托瓦洛夫磨机功率计算公式()为基础,得出磨机产量的关系式:== , t/h其中:——磨机的粉碎能力,(kw)V——磨机有效容积,(),()——磨机有效直径,(m)——磨机有效长度,(m)——研磨体填充率,——研磨体装入量,(t)(取的容重为4.5) n——磨机转速,(rpm)q——物料易磨性(单位电能的产量),()易磨性系数成品类别生产方式及系统易磨性系数备注原料(中等硬度石灰石、粘土、铁粉等)湿法、管磨、开流0.06~0.07 细度8~10%(4900孔/筛余)干法、管磨、圈流0.08~0.085细度8~10%(4900孔/筛余)干法、中卸磨、圈流0.09~0.095细度8~10%(4900孔/筛余)湿法、棒球磨、开流0.08~0.085细度10~12%(4900孔/筛余)水泥600#普通管磨、开流、干法窑的熟料0.029~0.031 比面积3000~3400管磨、圈流、干法窑的熟料0.035~0.037比面积2600~3000管磨、开流、湿法窑的熟料0.031~0.033比面积3000~3400管磨、圈流、湿法窑的熟料0.037~0.039比面积2600~3000500#普通管磨、开流、干法窑的熟料0.038~0.04细度5~8%(4900孔/筛余)管磨、圈流、干法窑的熟料0.046~0.048细度5~8%(4900孔/筛余)管磨、开流、湿法窑的熟料0.040~0.042细度5~8%(4900孔/筛余)管磨、圈流、湿法窑的熟料0.048~0.050细度5~8%(4900孔/筛余)当预计生产能力Q给定后,再选定磨机的转速比Ψ,以及研磨体填充率,并选定合适的长径比,则磨机有效直径即可求出。
将计算所得之,圆整成系列值(=1.83、2.0、2.2、2.4、2.6、3.0、3.2、3.5……)。
同时,有效长度也可定出。
从而得到磨机规格二、磨机转速的确定从理想的使磨机具有最大冲击力的观点出发,得出的结论是:当转速比为76%或88%为最合适。
通过对水泥厂使用磨机的转速统计,转速比ψ=0.68~0.74之间的磨机占统计总数的大部分,其中ψ=0.70~0.72的比例最大。
我们认为,ψ=0.70~0.72作为干法多仓管磨机的基本转速比是适宜的。
但是,这是个基本转速比,只适合一般情况,在选定时还要根据下列特殊条件作出相应的调整。
1)磨机规格:对于D≤2.0m的管磨机,转速应在此基础上加快1~2rpm。
理由是,通常对于不同规格的磨机,它的喂料粒度并不区别对待。
为此,为了保持小型磨机的研磨体具有必要的冲击力而提高它的转速是必要的了。
2)生产方式:湿法生产由于水分的润滑,从而降低了研磨体之间、研磨体与衬板之间的摩擦系数,产生较大的相对滑动。
因此,湿法磨机应比相同条件下的干法磨机转速提高5%左右。
不过,考虑同一磨机既可能用于干法、也可能用于湿法,有时就放弃了这一必要的修正。
3)衬板型式:衬板的表面与研磨体的牵制系数较大者,(例如凸棱衬板),磨机转速不宜超过上述推荐值。
对于平衬板则可适当高些。
4)研磨体的填充率:实践证明,填充率越低,相对滑动越大,这时应该以提高转速比的措施弥补。
5)研磨体种类:对于棒磨机,为避免沉重的钢棒过剧冲击磨体,并防止“乱棒”,转速应稍低。
湿法棒球磨的转速比推荐为。
三、研磨体的装载1)研磨体的分类及特性研磨体从外形上分为:球、段、棒。
钢球是磨机中最普遍采用的介质。
铁段是小尺寸、长度大于直径的圆柱体,其特点是有较大的研磨表面积,工作时基本是线接触,所以适合于作磨细之用。
棒,通常就是热轧的圆钢,它的工作特点是当粉碎物料时,棒与棒之间是线接触(球是点接触),因此钢棒优先是破碎大块物料,然后才依次破碎较小的物料。
对粒度适应性很强,特别适于粗磨之用。
钢球普通都是用中碳钢或高碳钢经锻制而成,也有以铸钢或特种铸铁铸造的。
各种规格的锻制钢球的单重和容重如图。
这时单一球种的容重,对多种球混装时,应取稍大值。
容重(kg/m 3)4300440047004500460048004900304050球径(mm)706080单球重量(kg)10090110125346钢球的容重及重量铁段,由铸铁制成,容重为。
钢棒,采用高碳钢(50号或70号)的热轧型钢,也有采用低合金碳素钢的,例如,型钢的钢棒容重各资料介绍的数据有些差别,可取。
这是在无物料情况下的容重。
2) 研磨体的填充率研磨体的填充率是指研磨体的体积占磨仓有效容积的百分比。
填充率所以成为重要的参数之一的原因,在于它不但直接显著地影响着粉磨过程的冲击次数及研磨面积,而且还影响着研磨体本身的提升高度,即对物料的冲击力。
很明显,在相同的条件下,较大的填充率有较大的提升高度。
对于多仓的管磨机而言,研磨体的填充率平均值多在,其中开流磨居低值,圈流磨居高值。
这样的填充率能以最小的电耗而获得最大的生产率(指每吨研磨体的单位生产率),另外,适当增加填充率(到)也是提高磨机台时产量的措施之一,但单位电耗却有些上升。
适宜的填充率又与磨机长径比有关,随长径比减小则填充率增大。
前面谈的是多仓磨填充率的平均值,实际上,在每一个仓里填充率是不一样的。
在一般情况下,填充率应是逐仓依次递减成阶梯状(棒球磨例外)。
段仓的填充率稍低时有利。
因为铁段堆积紧密,并且不易滚动,从而引起较大的偏心力矩,所以,同样重量的铁段比较钢球来说,耗电大而收效相对较小,这是由生产实践得到的经验。
棒球磨棒仓的填充率主要取决于与后面各仓粉磨能力的平衡。
单纯的棒磨机,其填充率可达到。
较高的填充率对产品质量有利。
作为棒球磨的棒仓来说,根据生产经验,也可沿用钢球仓的填充率。
四、磨机功率的计算1)B.B.托瓦洛夫公式,式中:——磨机需要的功率,()V——磨机有效容积,()——磨机有效直径,()n——磨机转速,()——研磨体总重,()该式是在理论上用积分推导和试验修正得来的。
2)F.C.邦德公式,式中:——磨机需要的功率,()——研磨体总重,()——磨机有效直径,()——转速比(工作转速与临界转速之比)——研磨体填充率,以小数表示。
该式是根据大量的实际数据统计归纳而得到的。
3)基本计算公式的修正(1)对上述两个公式的分析A、这两个公式都是指磨机的需要功率,没有包括传动效率,故不能直接作为电动机的选型依据。
B、托瓦洛夫公式中的重量是研磨体的重量,并没有包括其中的物料重,在全式中也没有包括物料重(邦德公式包括了),因而结果偏小。
(2)基本计算公式的修正对于水泥磨和原料磨,当物料全部填满研磨体空隙时,物料重量约为研磨体重量的0.14倍,计入物料重量并考虑机械传动效率后,托瓦洛夫公式演变为下式:计入机械效率后,邦德公式演变为:,机械传动效率η推荐值如下:在采用高速电机时取低值,采用低速电机时取高值对于中心传动磨机:;对于边缘传动磨机:;经过对实际运行的多台工艺参数全不相同的管磨机,分别用两个修正公式进行计算,其结果表明,两个公式的结果基本相同,公式的相关程度相当好。
(3)使用修正公式时的注意事项因为公式:比较简洁,因此,通常采用该公式计算磨机的电机功率,但是,我们必须注意其局限性,适当作出必要的调整。
A、该式适用填充率为;过高、过低都要引起误差,对于高填充率的球磨机,本式就不合适,至于一般管磨机,填充率一般在。
B、湿法生产时,由于研磨体的滑动加大,实际功率应比计算功率低。
故湿法管磨(包括棒球磨)其功率应乘以系数.C、电机选型时,容量应有不小于5%的裕度。
五、磨机辅助传动装置的功率计算使用辅助传动带动磨机转动时,速度比主传动时缓慢得多,研磨体的运动状态从抛落状态转变滑花落状态。
两者的规律完全不同,因此,必须采用不同的方法计算辅助传动的功率。
1)辅助传动功率的组成辅助传动的功率包括两个方面:A、提升研磨体和物料的功耗:;B、克服主轴承与中空轴的摩擦力功耗:;辅助传动的功率:),();(1)提升研磨体及物料的功率:,() 式中:G——包括物料在内的研磨体重量,(),对水泥生、熟料,——辅助传动时磨机转速,()a——研磨体堆积重心的偏心(),其中:——研磨体的填充率θ——研磨体和物料混合物的休止角,根据实测——弓形面积F的弦所对应的中心角之半;(2)克服主轴承与中空轴的摩擦力的功率:,()式中:——磨体部分部分,()f ——主轴承与中空轴的摩擦系数。
按边界润滑条件考虑r ——中空轴半径,(),——辅助传动时磨机转速,()2)辅助传动功率的计算公式汇总后得到辅助传动功率:式中:——辅助传动的机械传动效率,G——包括物料在内的研磨体重量,(),对水泥生、熟料,——磨体部分部分,()——研磨体堆积重心的偏心距,(),f ——主轴承与中空轴的摩擦系数,。