特种设备定期检验与定期自行检验记录表格模板
- 格式:doc
- 大小:21.00 KB
- 文档页数:2
安全管理:特种设备安全技术档案(附表格)
特种设备安全技术档案
依据《特种设备安全监察条例》第二十六条特种设备使用单位应当建立特种设备安全技术档案。
安全技术档案应当包括以下内容:
(一)特种设备的设计文件、制造单位、产品质量合格证明、使用维护说明等文件以及安装技术文件和资料;
(四)特种设备及其安全附件、安全保护装置、测量调控装置及有关附属仪(二)特种设备的定期检验和定期自行检查的记录;
(三)特种设备的日常使用状况记录;
器仪表的日常维护保养记录;
(五)特种设备运行故障和事故记录;
附件:
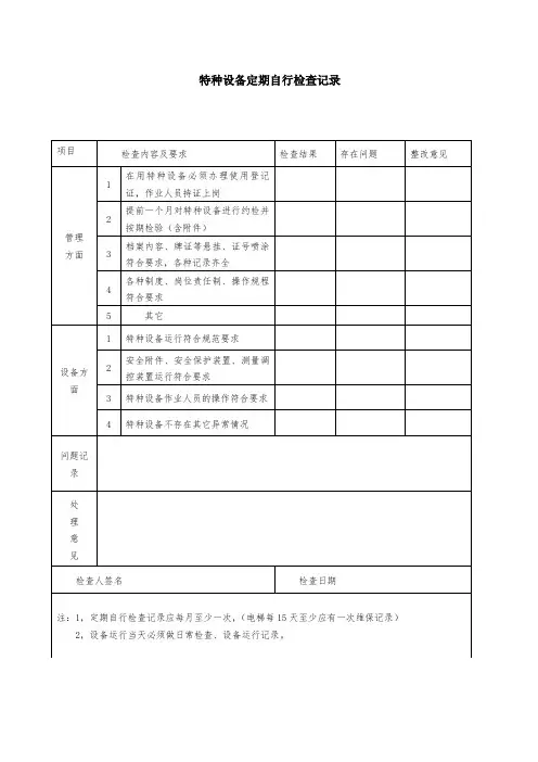
1)特种设备使用单位定期自行检查记录
2)特种设备使用状况记录
3)特种设备及附件日常维修保养记录
4)特种设备运行故障和事故记录
特种设备使用单位定期自行检查记录
特种设备使用状况记录表
特种设备及附件日常维修保养记录
特种设备运行故障和事故记录。
特种定期检验和定期自行检查记录特种设备定期检验和定期自行检查是保证特种设备安全运行的重要措施。
特种设备是指在使用过程中可能对人身安全和公共安全产生危害的压力容器、电梯、起重机械、客运索道、大型游乐设施、消防设施等特殊设备。
特种设备定期检验是指由国家相关部门或具备相应资质的检验机构对特种设备进行定期的安全性检验。
检验周期根据设备种类和使用条件不同而有所差异,一般为1年或3年。
特种设备定期检验的目的是确定设备的安全性能是否符合相关标准和规范,确保设备在使用过程中不会对人员和环境造成危害。
特种设备定期检验的内容包括设备的外观质量和机械性能的检查,安全附件和保护装置的功能检查,特种设备使用登记和档案的审查等。
检验过程中,检验人员需要使用特种设备检测仪器和设备对设备的安全性能进行精确测量和评估。
对于不符合安全标准的设备,需要及时采取相应的修理和整改措施,确保设备在再次投入使用之前能够符合安全要求。
特种设备定期自行检查是指特种设备使用单位根据相关法规和标准自行对设备的安全状况进行定期检查。
自检周期一般为1个月或3个月。
定期自行检查的目的是及时发现并排除特种设备存在的安全隐患,确保设备在使用过程中的安全性能。
定期自行检查的内容包括设备的外观检查,零部件和附件的检查,设备使用记录和维护记录的审查等。
自检过程中,使用单位需要参考设备的使用说明书和相关标准执行检查,注意对设备的工作环境、工作条件、使用频率等进行合理评估,确保检查的全面性和准确性。
特种设备定期自行检查的结果需要记录并保存,以备相关部门或检验机构的复查和验证。
记录包括设备的基本信息、检查日期、检查内容、检查结果、存在的问题和整改情况等。
记录的保存期限一般为1年或3年。
特种设备定期检验和定期自行检查是特种设备的安全管理的重要环节。
通过定期检验和自检可以及时发现并排除特种设备的安全隐患,确保设备的安全性能,并保障人身安全和公共安全。
特种设备使用单位应该加强对定期检验和自检的重视,并按时履行相关义务,确保特种设备的正常运行和安全使用。
使用单位:机具名称编号:起重设备检查日期:年月日项目NO 检查部位检查结果备注车轮1有无异常声音,滚动轴承没有产生杂音,轴承润滑良好,无发热。
2螺钉有无松动,弹簧垫有压紧。
减速箱制动器油1有无异常声音,用旋具检查声响的来源(齿轮,轴承1)。
2润滑是否良好,润滑良好,无断续嘶哑声音,减速器没有发热。
3螺钉有无松动,螺钉无松动。
1螺钉有无松动,螺钉禁固良好,制动轮无跳动或松动。
2制动轮有无跳动,刹车架无摆动,刹车轮无轴向窜动。
3调整是否适宜,开闭灵活、制动平稳可靠、不溜勾。
吊钩1吊钩螺钉有无裂纹,外观仔细观察。
2吊钩固定是否牢固,轴端挡板无松动,螺母紧固销无断裂。
主管:检查人员:注:每月定期实施一次,检查记录表应保存三年。
——1使用单位:机具名称编号:起重设备检查日期:年月日项目NO 检查部位检查结果备注缓冲器1支座有无裂纹,外观检查。
2缓冲性能是否良好,弹簧弹性良好,无断裂。
吊梁1横梁有无裂焊及弯扭,横梁无裂焊变形(仔细检查)。
2吊环有无裂纹,定期更换(仔细检查)。
3卡板是否松脱,螺钉无松动,卡板无脱落。
滑轮组1轮缘有无缺损,无崩裂。
2外罩有无损坏,无变形,无裂焊。
3滑轮轴固定是否牢靠,锁紧圆螺母紧固情况良好。
钢丝绳1有无断丝,断股,打结在75mm的长度内断丝数不超过12条,无断股。
2钢丝绳压板是否松动,压紧螺钉无松动。
3润滑是否良好,仔细检查。
圈筒1连接螺钉有无松动,仔细检查。
2轴承座有无异常现象,无异常声响、不发热,无振动。
限位器1限位器外形是否完好,外形完好,无破损。
2限位器是否有效,仔细检查有效。
主管:检查人员:注:每月定期实施一次,检查记录表应保存三年。
——2使用单位:机具名称编号:压力容器检查日期:年月日项目NO 检查部位检查结果改善措施容器本体1本体有无损伤、腐蚀。
2焊接缝有无腐蚀及裂缝。
3防锈油漆有无脱落。
盖板螺栓1各部螺栓有无松动或减少。
2各部螺栓有无损耗、腐蚀。
3盖板、凸缘有无腐蚀或变形。
使用单位:河南省天源水电有限企业机具名称编号:起重设施检查日期:年月日项目NO检查部位检查方法检查结果改良举措有无异样声音,转动轴承没车1有产生杂音,轴承润滑优秀,无发热。
轮2螺钉有无松动,弹簧垫有压紧。
减1有无异样声音,用旋具检查声响的根源(齿轮,轴承1)。
速箱润滑能否优秀,润滑优秀,无断2续沙哑声音,减速器没有发热。
3螺钉有无松动,螺钉无松动。
1螺钉有无松动,螺钉禁固优秀,制制动轮无跳动或松动。
动制动轮有无跳动,刹车架无摆器2油动,刹车轮无轴向窜动。
3调整能否适合,开闭灵巧、制动安稳靠谱、不溜勾。
1吊钩螺钉有无裂纹,外观认真观察。
吊钩2吊钩固定能否坚固,轴端挡板无松动,螺母紧固销无断裂。
主管:检查人员:注:每个月按期实行一次,检查记录表应保留三年。
使用单位:河南省天源水电有限企业机具名称编号:起重设施检查日期:年月日项目NO检查部位检查方法检查结果改良举措缓1支座有无裂纹,外观检查。
冲缓冲性能能否优秀,弹簧弹性良器2好,无断裂。
1横梁有无裂焊及弯扭,横梁无裂吊焊变形(认真检查)。
2吊环有无裂纹,按期改换(认真梁检查)。
3卡板能否松脱,螺钉无松动,卡板无零落。
1轮缘有无缺损,无崩裂。
滑2外罩有无破坏,无变形,无裂焊。
轮组滑轮轴固定能否牢靠,锁紧圆螺3母紧固状况优秀。
有无断丝,断股,打结在 75mm 1的长度内断丝数不超出12 条,钢无断股。
丝2钢丝绳压板能否松动,压紧螺钉绳无松动。
3润滑能否优秀,认真检查。
圈1连结螺钉有无松动,认真检查。
2轴承座有无异样现象,无异样声筒响、不发热,无振动。
限1限位器外形能否完满,外形完好,无损坏。
位限位器能否有效,认真检查有器2效。
主管:检查人员:注:每个月按期实行一次,检查记录表应保留三年。
使用单位:河南省天源水电有限企业机具名称编号:压力容器检查日期:年月日项目NO检查部位检查方法检查结果改良举措1本体有无损害、腐化。
容器2焊接缝有无腐化及裂痕。
本体3防锈油漆有无零落。