微机原理与接口技术实验汇总
- 格式:doc
- 大小:1.41 MB
- 文档页数:13
微机原理及接口技术实验一、实验目的本实验旨在通过学习微机原理和接口技术,了解和掌握微机系统的基本原理和接口技术的应用,培养学生对微机系统的认识和实践操作能力。
二、实验内容1. 微型计算机系统设计与搭建2. 微机输入输出接口技术应用实验3. 微机总线技术应用实验4. 微机存储器技术应用实验5. 微型计算机中断和DMA技术应用实验三、实验原理1. 微型计算机系统设计与搭建微型计算机主要由中央处理器、存储器、输入输出设备和总线组成。
本实验通过选择适当的芯片、电路连接和控制程序设计,实现一个基本的微型计算机系统。
2. 微机输入输出接口技术应用实验输入输出是微型计算机的重要组成部分,通过实验学习各种输入输出接口的原理和使用方法,并进行实际应用。
3. 微机总线技术应用实验总线是微型计算机各个部件之间传送数据和控制信息的公共通信路径。
通过实验学习总线的分类、结构和时序要求,掌握总线的实际应用。
4. 微机存储器技术应用实验存储器是微型计算机中存储数据和程序的重要设备。
通过实验学习不同类型存储器的原理和应用,掌握存储器的选择和使用。
5. 微型计算机中断和DMA技术应用实验中断和直接存储器访问(DMA)是微型计算机连接外部设备的重要技术。
通过实验学习中断和DMA的工作原理,掌握中断和DMA的应用方法。
四、实验步骤1. 根据实验要求,设计并搭建微型计算机系统;2. 连接输入输出设备,并编写控制程序;3. 进行输入输出接口技术应用实验,如串行通信、并行通信等;4. 进行总线技术应用实验,如总线传输数据测试等;5. 进行存储器技术应用实验,如读写存储器数据等;6. 进行中断和DMA技术应用实验,如中断服务程序编写等;7. 完成相关实验报告并进行总结。
五、实验设备和材料1. 微型计算机实验箱、电源适配器;2. 8051单片机、存储器芯片、输入输出芯片,如74HC164等;3. LED数码管、LCD液晶显示器、键盘、计算器等输入输出设备;4. 可编程芯片编程器、逻辑分析仪等实验设备。
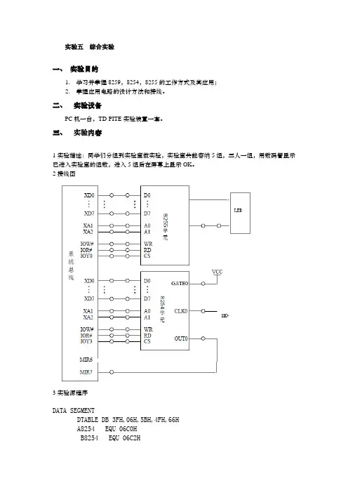
实验五综合实验一、实验目的1. 学习并掌握8259,8254,8255的工作方式及其应用;2. 掌握应用电路的设计方法和接线。
二、实验设备PC机一台,TD-PITE实验装置一套。
三、实验内容1实验描述:同学们分组到实验室做实验,实验室共能容纳5组,三人一组,用数码管显示已进入实验室的组数,进入5组后在屏幕上显示OK。
2接线图3实验源程序DATA SEGMENTDTABLE DB 3FH,06H,5BH,4FH,66HA8254 EQU 06C0HB8254 EQU 06C2HC8254 EQU 06C4HCON8254 EQU 06C6HA8255 EQU 0640HB8255 EQU 0642HC8255 EQU 0644HCON8255 EQU 0646HDATA ENDSSSTACK SEGMENT STACKDW 32 DUP(?)SSTACK ENDSCODE SEGMENTASSUME CS:CODE,SS:SSTACK,DS:DATASTART:PUSH DSMOV AX,0000HMOV DS,AXMOV AX,OFFSET IRQ7 ;取中断入口地址MOV SI,003CH ;中断矢量地址MOV [SI],AXMOV AX,CS ;段地址MOV SI,003EHMOV [SI],AX ;添IRQ7的段地址矢量CLIPOP DS;初始化主片8255MOV DX,CON8255MOV AL,80HOUT DX,ALMOV DX,A8255MOV AL,0HOUT DX,AL;初始化主片8259MOV AL, 11HOUT 20H, AL ;ICW1MOV AL, 08HOUT 21H, AL ;ICW2MOV AL, 04HOUT 21H, AL ;ICW3MOV AL, 01HOUT 21H, AL ;ICW4MOV AL, 6FH ;OCW1OUT 21H, AL;8254MOV DX, CON8254MOV AL, 10H ;计数器0,方式0OUT DX, ALMOV DX, A8254MOV AL, 02HOUT DX, ALSTIMOV CX,5LEA BX,DTABLEAA1:JMP AA1IRQ7: PUSH DXPUSH AXMOV DX, A8254MOV AL, 02HOUT DX, ALDEC CXJZ NEXTMOV DX,0640HMOV AL,[BX]OUT DX,ALINC BXNOPNOPMOV AL,20HOUT 20H,ALPOP AXPOP DX ;中断结束命令?IRETNEXT: MOV AX,014FHINT 10HMOV AX,014BHINT 10HPOP AXPOP DX;显示字符OKCODE ENDSEND START5运行结果数码管显示相应的次数,5次数计满后在屏幕上显示OK。
微机原理与接口技术实验报告
本次实验是关于微机原理与接口技术的实验报告,通过本次实验,我们将深入
了解微机原理与接口技术的相关知识,并通过实际操作来加深对这些知识的理解和掌握。
实验一,微机原理。
在本次实验中,我们首先学习了微机的基本原理,包括微机的组成结构、工作
原理和基本功能。
通过实际操作,我们了解了微机的主要组成部分,如中央处理器(CPU)、内存、输入输出设备等,并学习了它们之间的工作原理和相互配合关系。
同时,我们还学习了微机的基本指令系统和数据传输方式,加深了对微机工作原理的理解。
实验二,接口技术。
在接口技术的实验中,我们学习了微机与外部设备之间的接口技术,包括并行
接口、串行接口和通用接口等。
我们通过实际操作,了解了这些接口技术的工作原理和应用场景,学会了如何通过接口技术实现微机与外部设备的数据交换和通信。
实验三,实验综合。
在本次实验的最后,我们进行了一个综合实验,通过实际操作来综合运用微机
原理和接口技术的知识,实现一个具体的功能。
通过这个实验,我们加深了对微机原理与接口技术的理解,掌握了如何将理论知识应用到实际操作中。
总结。
通过本次实验,我们深入学习了微机原理与接口技术的相关知识,并通过实际
操作加深了对这些知识的理解和掌握。
微机原理与接口技术作为计算机科学与技术的基础知识,对我们今后的学习和工作都具有重要意义。
希望通过这次实验,能够对大家的学习和工作有所帮助,并为今后的学习打下坚实的基础。
以上就是本次实验的实验报告,希望对大家有所帮助。
感谢大家的阅读!。
微机原理与接口技术实验报告实验目的:本次实验旨在熟悉并掌握微机原理与接口技术的相关知识,通过实例操作和分析实验数据,加深对微机原理与接口技术的理解。
一、实验器材与软件1. 硬件器材:计算机主机、外设设备2. 软件工具:操作系统、编程软件二、实验步骤及结果分析1. 实验1:计算机开机自检在实验中,通过开机启动计算机,观察计算机进行自检的过程。
根据显示屏上的自检信息,可以判断计算机硬件的工作状态。
2. 实验2:串口通信测试在本实验中,通过串口通信实现计算机与外设设备之间的数据传输。
首先,将串口接口连接到计算机主机,然后进行相应的设置,包括波特率、数据位、停止位和校验位等。
在实验中,通过编写相应的程序,实现计算机与外设设备之间的数据交互。
通过观察实验结果,判断串口通信是否正常。
3. 实验3:并口通信测试本实验旨在通过并行口通信实现计算机与外设设备之间的数据传输。
首先,将并行口接口连接到计算机主机。
然后,根据实验要求进行相应的设置,包括数据总线的宽度、传输模式等。
通过编写程序,实现计算机与外设设备之间的数据交互。
观察实验结果,判断并口通信是否正常。
4. 实验4:USB接口测试在本实验中,通过USB接口实现计算机与外设设备之间的数据传输。
首先,将USB接口连接到计算机主机。
然后,在计算机中安装相应的驱动程序。
通过编写程序,实现计算机与外设设备之间的数据交互。
观察实验结果,判断USB接口是否正常工作。
5. 实验5:网络接口测试本实验旨在通过网络接口实现计算机之间的数据传输。
首先,将计算机连接到局域网中的其他计算机。
然后,进行相应的设置,包括IP地址、子网掩码等。
通过编写程序,实现计算机之间的数据交互。
观察实验结果,判断网络接口是否正常工作。
三、实验总结通过本次实验,我对微机原理与接口技术有了更深入的了解,掌握了串口、并口、USB接口和网络接口等常用接口的使用方法。
通过实验的操作和分析,我对接口通信的原理和实现方式有了更详细的了解,对计算机与外设设备之间的数据传输有了更清楚的认识。
实验二初级程序的编写与调试实验一、实验目的1、熟练掌握DEBUG的常用命令,学会用DEBUG调试程序.2、深入了解数据在存储器中的存取方法,及堆栈中数据的压入与弹出.3、掌握各种寻址方法以及简单指令的执行过程.二、实验内容1.设堆栈指针SP=2000H,AX=3000H,BX=5000H,请编一程序段将AX的内容和BX的内容进行交换.请用堆栈作为两寄存器交换内容的中间存储单元,用DEBUG调试程序进行汇编与调试.程序:MOV AX,3000MOV BX,5000MOV SP,2000PUSH AXPUSH BXPOP AXPOP BXHLT2.设DS=当前段地址,BX=0300H,SI=0002H请用DEBUG的命令将存储器偏移地址300H~304H连续单元顺序装入OAH,OBH,OCH,ODH,OEH.在DEBUG状态下送入下面程序,并用单步执行的方法,分析每条指令源地址的形成过程?当数据传送完毕时,AX中的内容是什么?-E 300 0A,0B,0C,0D,0E-AMOV BX,0300MOV SI,0002MOV AX,BXMOV AX,0304MOV AX,[0304]MOV AX,[BX]MOV AX,0001[BX]MOV AX,[BX][SI]MOV AX,0001[BX][SI] HLT3.设AX=0002H,编一个程序段将AX的内容乘10,要求用移位的方法完成. 程序:MOV AX,0002MOV BX,AXMOV CL,2SHL AX,CLADD AX,BXMOV CL,1SHL AX,CLHLT实验四加法及判断程序的编写与调试一、实验目的1.熟练掌握编写汇编语言源程序的基本方法和基本框架.2.学会编写顺序结构,分支结构和循环结构的汇编程序3.掌握程序中数据的产生与输入输出的方法.二、实验内容1.用汇编语言编写一个加法程序:1325+9839请用ASCII码的形式将加数与被加数存放在数据区DATA1和DATA2中,并将相加结果显示输出.程序:DATA SEGMENTDATA1 DB '5','2','3','1'DATA2 DB '9','3','8','9'DATA ENDSSTACK SEGMENT PARA STACK 'STACK'DB 200 DUP(?)STACK ENDSCODE SEGMENTASSUME CS:CODE,DS:DATA,SS:STACKSTART: MOV AX,DATAMOV DS,AXMOV AX,STACKMOV SS,AXLEA SI,DATA1LEA DI,DATA2MOV CX,4MOV AH,0 NEXT:MOV AL,[SI]ADC AL,[DI]ADC AL,AHMOV AH,0AAAADD AL,30HMOV [DI],ALINC DIINC SILOOP NEXTMOV CX,5ADD AH,30HMOV [DI],AH NEXT1:MOV DL,[DI]MOV AH,02INT 21HDEC DILOOP NEXT1MOV AH,4CHINT 21H CODE ENDSEND START2.假设有一组数据:5,-4,0,3,100,-51,请编写一程序,判断:每个数是否大于0?等于0?还是小于0?并输出其判断结果,即即:1当X>0Y=0当X=0-1 当X<0程序:DATA SEGMENTDATA1 DB 5, -4, 0 ,3,100,-51STRING1 DB'Y=1','$'STRING2 DB'Y=0','$'STRING3 DB'Y=-1','$'DATA ENDSSTACK SEGMENT PARA STACK 'STACK'DB 200 DUP(?)STACK ENDSCODE SEGMENTASSUME CS:CODE,DS:DATA,SS:STACKSTART: MOV AX,DATAMOV DS,AXMOV AX,STACKMOV SS,AXLEA SI,DATA1MOV CX,6NEXT: MOV AL,[SI]CMP AL,0JZ NEXT1JNS NEXT2JS NEXT3NEXT1: MOV DX,OFFSET STRING2MOV AH,09HINT 21HJMP NEXT4NEXT2: MOV DX,OFFSET STRING1MOV AH,09HINT 21HJMP NEXT4NEXT3: MOV DX,OFFSET STRING3MOV AH,09HINT 21HNEXT4: INC SILOOP NEXTMOV AH,4CHINT 21HCODE ENDSEND START实验五大小写字母互换程序的编写与调试一、实验目的进一步熟悉汇编语言源程序的编写方法及宏汇编程序的使用方法二、实验内容设内存数据区有大小写混合英文ASCII码字母: ‘AbCdEfGChinaAgriculturalUniversity’。
微机原理与接口技术实验报告(二)1、实验内容一:实验目的:(1) 阅读《实验操作.ppt》, 学习汇编工具的使用(2) 学习附录的程序代码, 理解并输入、编译和查错3) 学习利用编译错误信息进行附录的程序修改;(程序包含一个语法错误和一个逻辑错误)4)学习程序流程控制: (条件跳转指令ja jb (call指令, 观察程序执行时堆栈的变化(学会用debug –g命令设置断点);5 )学习程序中有限的寄存器的使用。
2.实验内容:(1)打开masm for windows软件, 在其中输入实验要求附给的程序, 保存后运行, 程序报错:(2)经分析发现, “noneeded”没有定义, 改为“notneeded”后正常运行(3)运行过程中发现当字母或数字个数达到两位数时, 统计结果的各位与十位对调了。
如下图, 字母数应为13, 但显示为31(4)经检查, 发现第80行程序有误, inc指令应改为dec指令。
运行后程序正常, 调试完毕。
如下图程序框图如下:实验内容二:1.实验目的及内容:编写完整程序, 实现功能:统计以下字符串STR中空格的数目, 结果保存在COUNT中, 并把个数在屏幕上显示出来。
STR DB ' AB CDE FG H I J K L MNOPQ RST UV W XYZ 12 34 56 78 9'L EQU $-STRCOUNT DB ?(字符串STR可以从这里直接拷贝到程序中)实验结果:程序如下:dispmsg macro messgemov ah,9lea dx,messgeint 21hendmDATA segmenttishi db 0dh,0ah,'the original string is:' string db ' AB CDE FG H I J K L MNOPQ RST UV W XYZ 12 34 56 78 9' STRINGLEN= $-stringnewline db 0dh,0ahNspace db 0dH,0aH,'Number of char space is:',?,?Nsp db ?,'$'DATA endsSTACK segment stack 'stack'sta db 100 dup(?)stack endsCODE segmentASSUME CS:CODE,DS:DATA,SS:STACK START:MOV AX,seg DATAMOV DS,AXxor cx,cxxor dl,dlmov cl,stringlenlea bx,stringcnt:mov al,[bx]cmp al,' 'jz yesspinc blloop cnt jmp shijinzhiyessp:inc dlinc blloop cntjmp shijinzhishijinzhi:lea bx,Nspmov ah,02hint 21hcall char2asc dispmsg tishiMOV AH,4CHINT 21Hchar2asc procmov dl,10 next: xor ah,ahdiv dladd ah,'0'mov [bx],ahdec bxor al,aljnz nextretchar2asc endpcode endsend startEND START运行结果如下:程序流程图如下:实验中遇到的问题及解决方法:1.汇编语言中寄存器有限, 在使用时注意是否保存寄存器中原有的值, 防止在使用寄存器时将原值改变。
实验一上机练习实验目的:1、掌握用编辑软件编辑程序文本的方法。
在DOS环境下,熟练掌握用MASM5.0宏汇编程序对ASM文件进行编译、连接等操作步骤。
2、熟悉用DEBUG调试程序。
实验要求:选取教科书中一典型例题,用编辑软件在PC机中形成ASM文件,然后编译、连接,生成目标文件和可执行文件。
再用DEBUG程序进行调试。
实验步骤:实验程序如下:data segmentary1 db 12,34,45,56,67,78,89,90,18cont1 equ $-ary1 ;ary1的长度sum1 dw ?ary2 db 13h,24h,57h,68h,9ah,0bch,0cdh,0deh,80h,50hcont2 equ $-ary2sum2 dw ?data endscode segmentassume cs:code, ds:datastart: mov ax,datamov ds,axlea si,ary1mov cx,cont1 ;设定循环次数为ary1的个数call sumlea si,ary2mov cx,cont2call summov ah,4ch ;结束程序功能调用4CHint 21hsum proc ;求和程序段,求该段所有数之和xor ax,ax ;ax清零为下面加法准备next1: add al,[si]adc ah,0inc siloop next1mov [si],axret ;返回调用程序sum endp ;程序段结束code endsend start点击“运行”点击“编译成目标文件”,编译成功后,再“运行”=〉“生成可执行文件”,然后运行,即可。
运行成功以后,可进行调试。
点击工具栏的调试按钮,出现调试框。
其命令如下:输入a,进行逐行汇编,输入c,比较两内存块,输入d,内存信息以16进制显示;输入e,修改内存指定的字节;输入f,可以预置一段内存;输入g,执行程序;输入h,制算术运算;输入i,从指定端口地址输入;输入l,读盘;输入m,内存块传送;输入n,置文件名;输入o,从指定端口地址输出;输入q,结束DEBUG调试;输入r,显示和修改寄存器;输入s,查找字节串;输入t,跟踪执行;输入u,反汇编;输入w,存盘操作。
微机原理与接口技术实验报告实验一,微机原理实验。
1. 实验目的。
本实验旨在通过对微机原理的实验,加深学生对微机原理相关知识的理解,提高学生的动手能力和实验技能。
2. 实验内容。
本实验主要包括微机原理的基本知识、微处理器的结构和功能、微机系统的总线结构、存储器与I/O接口。
3. 实验步骤。
(1)了解微机原理的基本知识,包括微处理器的分类、功能和工作原理。
(2)学习微机系统的总线结构,掌握总线的分类、功能和工作原理。
(3)了解存储器与I/O接口的基本概念和工作原理。
(4)进行实际操作,通过实验板进行微机原理实验,加深对微机原理知识的理解。
4. 实验结果。
通过本次实验,我深刻理解了微机原理的基本知识,掌握了微处理器的结构和功能,了解了微机系统的总线结构,以及存储器与I/O接口的工作原理。
通过实际操作,我对微机原理有了更深入的认识,提高了自己的动手能力和实验技能。
实验二,接口技术实验。
1. 实验目的。
本实验旨在通过对接口技术的实验,加深学生对接口技术相关知识的理解,提高学生的动手能力和实验技能。
2. 实验内容。
本实验主要包括接口技术的基本知识、接口电路的设计与调试、接口技术在实际应用中的作用。
3. 实验步骤。
(1)了解接口技术的基本知识,包括接口的分类、功能和设计原则。
(2)学习接口电路的设计与调试,掌握接口电路设计的基本方法和调试技巧。
(3)了解接口技术在实际应用中的作用,包括各种接口的应用场景和实际案例。
(4)进行实际操作,通过实验板进行接口技术实验,加深对接口技术知识的理解。
4. 实验结果。
通过本次实验,我深刻理解了接口技术的基本知识,掌握了接口电路的设计与调试方法,了解了接口技术在实际应用中的作用。
通过实际操作,我对接口技术有了更深入的认识,提高了自己的动手能力和实验技能。
总结。
通过微机原理与接口技术的实验,我对微机原理和接口技术有了更深入的理解,提高了自己的动手能力和实验技能。
希望通过今后的学习和实践,能够更加深入地掌握微机原理与接口技术的知识,为将来的工作和研究打下坚实的基础。
微机接口实验报告实验一简单I/O口扩展实验一、实验目的1、熟悉74LS273,74LS244的应用接口方法。
2、掌握用锁存器、三态门扩展简单并行输入、输出口的方法。
二、实验内容1、由键盘输入字符,然后通过74LS273将其ASCII码锁存输出,并通过LED显示出来。
2、逻辑电平开关的状态输入74LS244,经过PCI总线读入并以16进制显示在屏幕上。
3、逻辑电平开关的状态输入74LS244,然后通过74LS273锁存输出,利用LED显示电路作为输出的状态显示。
三、实验原理介绍本实验用到两部分电路:开关量输入输出电路,简单I/O口扩展电路。
四、实验步骤1、实验接线:(←→表示相互连接)CS0←→CS244,CS1←→CS273,平推开关的输出K1~K8←→IN0~IN7(对应连接)00~07←→发光二极管的输入LED1~LED8。
2、编辑程序,用debug调试程序,单步运行。
3、调试通过后,全速运行程序,观看实验结果。
4、编写实验报告。
五、实验提示74LS244或74LS273的片选信号可以改变,例如连接CS2,此时应同时修改程序中相应的地址。
六、实验结果程序全速运行后,逻辑电平开关的状态改变应能在LED上显示出来。
例如:K2置于L位置,则对应的LED2 应该点亮。
七、程序框图(如图1)实验程序:实验 1; * cs0<->cs273,D0~D7依次接LED1~LED8*;IOPOR T EQU 0A800HLS273 EQU IOPORT+0A0HCODE SEGMENTASSUME CS:CODESTART: MOV AH,2 ;回车符MOV DL,0DHINT 21HMOV AH,1 ;等待键盘输入INT 21HCMP AL,27 ;判断是否为ESC键JE EXIT ;若是则退出MOV DX,LS273 ;若不是,从2A8H输出其ASCII码OUT DX,ALJMP START ;转startEXIT: MOV AH,4CH ;返回INT 21HCODE ENDSEND START实验结果:从键盘输入数字0~9可以通过LED显示相应的二进制代码(亮灯为0,熄灯为1)例如从键盘输入数字3,灯亮情况led4~led1对应0011;即led4~led1从到左表示0011,led4、led3低位,led2、led1高位。
微机原理实验总结(共5篇)第一篇:微机原理实验总结微机原理实验总结不知不觉,微机原理与接口技术实验课程已经结束了。
回想起来受益匪浅,主要是加深了对计算机的一些硬件情况和运行原理的理解和汇编语言的编写汇编语言,对于学习机电工程的自动控制和计算机都是很重要的,因为它是和机器语言最接近的了,如果用它来编程序的话,会比用其它高级语言要快得多。
本学期我们在老师的带领下,进行了微机原理实验六到十这五组实验。
它们分别是:实验六8255 PA口控制PB口实验目的掌握单片机系统中扩展外围芯片的方法,了解8255 芯片的结构及编程方法。
实验内容用 8255 PA 口作开关量输入口,PB 口作输出口。
实验步骤1、用8 芯线将8 255 PA口接至开关Kl~K8,PB口接至发光二极管L1~L8;2、运行程序 HW06.ASM,拨动开关K1~K8,观察L1~L8发光二极管是否对应点亮。
实验七8255控制交通灯实验目的进一步了解8 255 芯片的结构及编程方法,学习模拟交通控制的实现方法。
实验内容用8255 做输出口,控制六个发光二极管燃灭,模拟交通灯管理。
实验步骤1、用双头线将8 255 PA0~PA2 口接至发光二极管L3~L1,PA3~PA5口接至发光二极管L7~L5;2、执行程序HW07.ASM,初始态为四个路口的红灯全亮,之后,东西路口的绿灯亮,南北路口的红灯亮,东西路口方向通车,延时一段时间后东西路口的绿灯熄灭,黄灯开始闪烁,闪烁若干次后,东西路口红灯亮,而同时南北路口的绿灯亮,南北路口方向开始通车,延时一段时间后,南北路口的绿灯熄灭,黄灯开始闪烁,闪烁若干次后,再切换到东西路口方向,之后重复以上过程。
实验八简单I /O口扩展实验目的学习单片机系统中扩展简单I/O 口的方法;学习数据输入输出程序的编制方法。
实验内容利用74LS244 作为输入口,读取开关状态,并将此状态,通过74LS273再驱动发光二极管显示出来。
微机原理及接口技术实验报告一、实验目的本实验旨在通过掌握微机原理和接口技术的实验操作,实践相关理论知识,加深对微机原理和接口技术的理解。
二、实验设备和材料1.计算机主机2.操作系统3.接口卡4.编程软件三、实验原理微机原理是指通过学习微机的结构、功能和工作原理,从硬件层面掌握微机的基本知识。
接口技术是指连接不同设备之间的通信和数据交换技术,通过学习接口技术可以实现设备的互联和数据的传输。
四、实验步骤1.将接口卡插入计算机主机的扩展槽中。
2.启动计算机,并加载操作系统。
3.打开编程软件,编写实验程序。
4.将编写好的程序烧录到接口卡中。
5.连接外部设备和接口卡,并确认连接正确无误。
6.运行程序,并观察外部设备和接口卡之间的数据交互情况。
7.分析实验结果,并记录实验数据。
8.关闭程序和计算机。
五、实验结果及分析通过实验我们成功连接了外部设备和接口卡,并实现了数据的传输和交互。
在程序运行过程中,我们观察到外部设备正常工作,并且与接口卡之间的通信稳定可靠。
根据实验数据分析,我们可以得出接口卡的性能良好,并且能够满足实际应用需求。
六、实验心得通过这次实验,我对微机原理和接口技术有了更深入的理解。
实践操作让我加深了对硬件设备和软件编程的认识,掌握了实现设备互联和数据传输的基本方法。
在实验过程中,我遇到了一些问题,如接口卡的插入和连接问题,但通过查阅资料和请教老师同学,最终成功解决了这些问题。
我发现实验不仅帮助我巩固了理论知识,也提高了我的实践能力和解决问题的能力。
总结起来,微机原理和接口技术是计算机相关专业的基础课程之一,通过实验的方式学习可以更好地将理论知识与实际应用相结合。
我相信通过不断的实践和学习,我会在微机原理和接口技术方面有进一步的提高和发展。
微机原理与接口实验实验目的:通过实验,掌握微机系统原理和接口的基本知识,能够正确使用各种接口设备进行输入输出操作。
实验器材:8086微机系统、键盘、数码管、LED灯、示波器等。
实验一:键盘输入实验实验内容:1.连接键盘到8086微机系统。
2.编写汇编程序,实现用户输入字符,并在数码管上显示用户输入的字符。
3.将程序加载到存储器中,并运行程序,进行输入测试。
实验步骤:1.将键盘接口与8086微机系统相连接。
键盘的数据引脚接到8086微机系统的8位数据总线,键盘的控制引脚接到8086微机系统的地址总线和控制总线上。
2.编写汇编程序,初始化键盘接口并循环接收键盘输入的字符。
将键盘输入的字符加载到寄存器中,并将其数字值转换为对应的ASCII码值,再将其显示在数码管上。
3.将汇编程序加载到存储器中,并运行程序进行测试。
实验结果:通过实验,可以实现键盘输入功能,并能够在数码管上显示用户输入的字符。
实验二:LED灯输出实验实验内容:1.连接LED灯到8086微机系统。
2.编写汇编程序,实现控制LED灯的亮灭。
3.将程序加载到存储器中,并运行程序,观察LED灯的亮灭情况。
实验步骤:1.将LED灯接口与8086微机系统相连接。
LED灯的引脚接到8086微机系统的8位数据总线上。
2.编写汇编程序,初始化LED灯接口并循环控制LED灯的亮灭状态。
3.将汇编程序加载到存储器中,并运行程序观察LED灯的亮灭情况。
实验结果:通过实验,可以实现LED灯的亮灭控制,根据程序中的指令可以控制LED灯的闪烁频率和顺序。
实验三:外设输入输出实验实验内容:1.连接外设设备(如温湿度传感器等)到8086微机系统。
2.编写汇编程序,读取外设设备的输入信息,并控制外设设备的输出。
3.将程序加载到存储器中,并运行程序,观察外设设备的输入输出情况。
实验步骤:1.将外设设备接口与8086微机系统相连接。
外设设备的输入引脚接到8086微机系统的数据总线上,外设设备的输出引脚接到8086微机系统的控制总线上。
微机原理与接口技术实验报告实验目的,通过本次实验,掌握微机原理与接口技术的基本知识,了解并掌握微机接口技术的应用方法。
实验仪器与设备,微机实验箱、接口卡、示波器、电源等。
实验原理,微机接口技术是指微机与外部设备进行数据交换的技术。
它是微机与外部设备之间的桥梁,通过接口技术可以实现微机与外部设备之间的数据传输和通信。
实验内容与步骤:1. 实验一,串行通信接口实验。
a. 将串行通信接口卡插入微机实验箱的接口槽中;b. 连接示波器和外部设备,并进行数据传输测试;c. 观察并记录数据传输的波形和数据传输情况。
2. 实验二,并行通信接口实验。
a. 将并行通信接口卡插入微机实验箱的接口槽中;b. 连接外部设备,并进行数据传输测试;c. 观察并记录数据传输的情况。
3. 实验三,AD转换接口实验。
a. 将AD转换接口卡插入微机实验箱的接口槽中;b. 连接外部模拟信号源,并进行模拟信号转换测试;c. 观察并记录模拟信号转换的波形和数据传输情况。
实验结果与分析:1. 串行通信接口实验结果分析:通过实验发现,在串行通信接口实验中,数据传输的波形稳定,数据传输速度较快,适用于对数据传输速度要求较高的应用场景。
2. 并行通信接口实验结果分析:在并行通信接口实验中,数据传输稳定,但数据传输速度相对较慢,适用于对数据传输速度要求不高的应用场景。
3. AD转换接口实验结果分析:经过实验发现,AD转换接口可以将模拟信号转换为数字信号,并且转换精度较高,适用于对信号转换精度要求较高的应用场景。
实验总结与展望:通过本次实验,我们深入了解了微机原理与接口技术的基本知识,掌握了串行通信接口、并行通信接口和AD转换接口的应用方法。
同时,也发现不同接口技术在数据传输速度、稳定性和精度方面各有优劣,需要根据实际应用场景进行选择。
未来,我们将继续深入学习和探索微机接口技术的应用,为实际工程项目提供更好的技术支持。
结语:通过本次实验,我们对微机原理与接口技术有了更深入的了解,实验结果也验证了接口技术在数据传输和信号转换方面的重要作用。
实验一静态存储器扩展实验编写实验程序,在单片机内部一段连续RAM 空间30H~3FH 中写入初值00H~0FH,然后将这16 个数传送到RAM 的0000H~000FH 中,最后再将外部RAM 的0000H~000FH 空间的内容传送到片内RAM 的40H~4FH 单元中。
ORG 0000HLJMP MAINORG 0040HMAIN:MOV R0,#30HMOV A,#00HMOV R2,#10HMOV 8EH,#02HLP1:MOV @R0,AINC AINC R0DJNZ R2,LP1MOV R2,#10HMOV DPTR,#0000HMOV R0,#30HLP2:MOV A,@R0MOVX @DPTR, AINC R0INC DPTRDJNZ R2,LP2MOV R2,#10HMOV DPTR,#0000HMOV R0,#40HLP3:MOVX A,@DPTRMOV @R0,AINC R0INC DPTRDJNZ R2,LP3SJMP $END实验二 8255可编程并行接口扩展及应用自己设计电路,利用8255的A和B口,分别接8个开关和8个LED发光管。
编程把开关的状态读入到CPU中,再通过LED把开关状态显示出来。
ORG 0000HLJMP MAINORG 0040HMAIN:MOV DPTR,#0FF7FH;选控制口MOV A,#10010000B;A口为输入,B、C口为输出MOVX @DPTR,ALP1:MOV DPTR,#0FF7CH;选中A口MOVX A,@DPTRMOV R1,A;存状态MOV DPTR,#0FF7DH;选中B口MOV A,R1MOVX @DPTR,A;读状态SJMP LP1END实验三键盘电路设计及应用自己设计电路,利用8255的A、B、C口,接4x4的矩阵式键盘(0-15),并接4个发光二极管,根据按下键的键号不同,将键号送4个发光二极管显示。
可以采用扫描法和反转法编写程序。
实验要求1、带预习报告上机根据实验要求,作好充分预习,设计实验硬件原理及接线图(必须标出相关的管脚号,以备硬件连线及测试),画出程序流程图,写出源程序清单,规划好调试步骤,上机时带预习报告。
注意:无预习报告者不得做实验。
2、认真实验,经教师检查后,方可离开注意掌握软、硬件调试方法,提高分析问题、解决问题的能力。
对所编写的程序必须十分清楚,作到知其然,亦知其所以然,硬件电路原理清楚,熟练应用常规的仪器(如万用表、示波器等)检查测试硬件电路。
指导教师还会根据实验要求,提出问题。
3、按时提交实验报告实验结束后,在预习报告的基础上,完成实验报告,并于下次实验时交给指导教师。
实验报告格式实验* ***** ***** *****一、实验目的二、实验内容三、硬件原理及接线图四、程序流程图五、程序清单六、实验步骤七、实验结果及现象分析八、收获及建议测13实验安排:地点:综合实验楼0701实验周次星期小节一 6 五1,2二8 五1,2三10 五1,2四12 五1,2五14 五1,2实验一汇编语言程序的调试一、实验目的1、掌握8086汇编程序的编辑、编译、连接及运行过程。
2、掌握使用HQFC软件调试程序的方法。
二、实验内容:编制程序并调试1、上机调试P45 项目1程序。
要求:1)写出调试步骤2)记下代码段数据。
3)记下数据段数据4)用单步调试法调试,记下每句程序目的操作数执行结果。
观察每句程序执行过程中CS、 IP、 FLAGS寄存器的变化。
2、上机调试P54 项目2程序,用单步调试法指出每句程序的调试结果。
要求:1)记下代码段数据。
2)记下数据段数据3)记下程序执行前附加段数据、程序执行后附加段数据。
3)用单步调试法调试,记下lop句之前每句程序目的操作数执行结果。
观察其它句程序的执行结果,观察每句程序执行过程中CS、 IP、 FLAGS寄存器的变化。
三、调试步骤1、编辑源程序,形成****.ASM文件(可用HQFC软件或XP系统下的记事本编辑源程序) (注:在E:盘上建立一个你自己的文件夹,保存你自己的文件)2、编译,形成****.OBJ文件(可用HQFC软件的编译功能)3、链接,形成****.EXE文件(可用HQFC软件的构建功能)4、运行(或调试)(可用HQFC软件的重构运行功能或开始调试)四、调试步骤参考1、编译(编译)在当前运行环境下,选择菜单栏中的“ASM文件编译”菜单,选择编译选项则程序对当前ASM源文件进行编译,编译调试窗口中输出汇编的结果,若程序汇编有错,则详细报告错误信息。
双击输出错误,集成开发环境会自动将错误所在行代码显示。
2、构建(汇编+链接)在当前运行环境下,选择菜单栏中的“ASM文件编译”菜单,选择汇编+链接选项则程序对当前ASM源文件进行汇编与链接,编译调试窗口中输出汇编与链接的结果,若程序汇编或链接有错,则详细报告错误信息。
双击输出错误,集成开发环境会自动将错误所在行代码显示。
3、重构运行(汇编+链接+执行)在当前运行环境下,选择菜单栏中的“ASM文件编译”菜单,选择汇编+链接+执行选项则程序对当前ASM源文件执行,程序自动运行。
4、用户程序的调试和运行(.ASM程序的调试)寄存器窗口在当前运行环境下,寄存器窗口中显示主要的寄存器名称及其在当前程序中的对应值,若值为红色,即表示当前寄存器的值。
调试时,单步执行,寄存器会随每次单步运行改变其输出值,同样以红色显示。
开始调试编译和链接成功之后,在“ASM文件调试”菜单中,选择“开始调试”,然也可以在工具栏中选择“开始调试”。
即可开始进行程序的调试。
设置/清除断点在ASM的调试状态下,对程序代码所在某一行前最左边的灰色列条单击鼠标,即对此行前设置了断点,如果清除断点,只需再在此行前的灰色列条上的断点单击鼠标,此断点标记将被清除。
箭头所指的行为当前单步执行到的所在行。
设置/清除断点如图所示:执行所在行反汇编号窗口断点连续运行在ASM的调试状态下,选择“ASM文件调试”菜单栏中的“连续运行”菜单或F5,则程序连续运行,直至碰到断点或程序运行结束。
单步在ASM的调试状态下,选择“ASM文件调试”菜单栏中的“单步执行”菜单或F11,则程序往后运行一条语句。
退出调试在ASM的调试状态下,选择“ASM文件调试”菜单栏中的“结束调试”菜单或F8,程序则退出ASM的调试状态。
附录1:DOS 系统下调试步骤一、所需仪器:PC 机一台。
二、80X86汇编语言程序设计上机操作指南计算机上运行汇编程序的步骤是:二、所需软件:编辑程序 WINDOW XP 系统下记事本 或DOS 系统下EDIT 文件汇编程序 MASM 连接程序 LINK调试程序 DEBUG三、调试过程中所形成软件文件名.asm ;汇编语言源程序文件文件名.obj ;汇编语言源程序经过汇编后形成的文件 文件名.exe ;文件名.obj 文件经过连接后形成的文件 四、 综合调试软件 HQFCHQFC 软件是综合 EDIT 、 MASM 、LINK 、 DEBUG4个软件为一体的软件, 五、 调试步骤1、编辑源程序,形成****.ASM 文件(可用HQFC 软件或XP 系统下的记事本编辑源程序) (注:在E :盘上建立一个你自己的文件夹,保存你自己的文件)2、编译,形成****.OBJ 文件(可用HQFC 软件的编译功能)3、链接,形成****.EXE 文件(可用HQFC 软件的构建功能)4、运行(或调试)(可用HQFC 软件的重构运行功能或开始调试)编辑程序 EDIT 汇编程序 MASM 连接程序 LINK 汇编语言源程序 .asm 目标 文件 .obj 可执行文件.exe图1 汇编语言程序的建立过程实验二汇编程序设计和DOS功能调用一、实验目的1、掌握8086汇编程序的设计。
2、掌握8086汇编程序的编辑、编译、连接及运行过程。
3、掌握利用DOS系统功能调用显示字符的方法。
二、实验内容:编制程序并调试1、现有多个有符号数23、-120、36、780、600、-2000,编制程序,找出最大值并放至指定的MAX存储单元中。
并把数据23、-120、36、780、600、-2000显示出来。
2、假设某字符串为WERFGHUJKI,以回车符(CR odh)结束,从头搜索字符串,统计字符串字符的个数,并在显示器上显示出串长(以16进制显示) ( 选作)。
三、实验要求1)记下数据段数据3)用单步调试法调试,记下每句程序执行结果,记下比较指令第一次执行后FLAGS寄存器中6个状态寄存器的变化,记下程序执行后MAX单元的值,观察每句程序执行过程中CS、 IP、FLAGS寄存器的变化。
三、调试步骤1、编辑源程序,形成****.ASM文件(可用HQFC软件或XP系统下的记事本编辑源程序) (注:在E:盘上建立一个你自己的文件夹,保存你自己的文件)2、编译,形成****.OBJ文件(可用HQFC软件的编译功能)3、链接,形成****.EXE文件(可用HQFC软件的构建功能)4、运行(或调试)(可用HQFC软件的重构运行功能或开始调试实验三数码管显示实验一、实验目的1.掌握I/O接口的使用。
2.掌握利用8255完成一组七段LED数据管的显示原理及接口方法3.掌握在DOS系统下系统的调试方法二、实验内容1、在下图中右边第二个数码管中显示6这个数字,画出硬件接线图,编写控制程序。
2、在下图中右边第二个数码管中显示数据段V ALULE单元中的数,编写控制程序(VALULE单元中的数据可任意设定为0~F)。
3 、利用三种总线、8255、数码管显示单元(见下图)实现4位LED动态显示数据段DISV ALUE单元开始存放的4个数。
(4个数据可任意设定为0~F)。
主机按任意键停止显示返回DOS。
完成系统硬件设计及软件编程。
4、利用三种总线、8255、键盘及数码管显示单元完成键盘扫描功能,并把按键数值存入数据段DISV ALUE单元中。
同时在最左边数码管中显示键值。
完成系统硬件设计及软件编程。
(选作)三、实验步骤1、接线: PB7 ~ PB0/8255 接 dp ~ a /LED 数码管PA3 ~ PA0/8255 接 SEL3 ~ SEL0 /LED 数码管 A1 ~ A0/8255 接 A1 ~ A0/系统总线 D7 ~ D0/8255 接 D7 ~ D0/系统总线CS/8255 接 Y0 /IO 地址(280H~287H)2、根据实验内容要求画出硬件接线原理图,编写相应实验程序。
3、编译、连接实验程序,对错误进行调试。
4、运行程序,观察并记录实验结果。
四、调试步骤1、编辑源程序,形成****.ASM 文件(可用HQFC 软件或XP 系统下的记事本编辑源程序) (注:在E :盘上建立一个你自己的文件夹,保存你自己的文件)2、编译,形成****.OBJ 文件(可用HQFC 软件的编译功能)3、链接,形成****.EXE 文件(可用HQFC 软件的构建功能)4、运行(或调试)(可用HQFC 软件的重构运行功能或开始调试) 五、编程提示实验台设有8个共阴极数码管及驱动电路,电路图如图(图中省去了6个 数码管)。
段码输入端:a 、b 、c 、d 、e 、f 、g 、dp ,位码输入端:SEL0~SEL7。
段码采用同相驱动,输入端加高电平,选中的数码管亮,位码加反相驱动器,位码输入端高电平选中。
七段数码管的字型代码表如下表:显示字形 dp g e f d c b a 段码IOR D0-D7 D0-D7 CS RDWR A1 A0 IOW Y0 A1 A0 PB0 8255PA0 PA1 PA2PA3 PB1 PB2 PB3 PB4 PB5PB6 PB7 A B E D F CG H SEL0 SEL1 SEL2 SEL3 系统总线 数码管0 0 0 11 1 1 1 13fh 1 0 0 0 0 0 1 1 0 06h 2 0 1 0 1 1 0 1 1 5bh 3 0 1 0 0 1 1 1 1 4fh 4 0 1 1 0 0 1 1 0 66h 5 0 1 1 0 1 1 0 1 6dh 6 0 1 1 1 1 1 0 1 7dh 7 0 0 0 0 0 1 1 1 07h 8 0 1 1 1 1 1 1 1 7fh 90 1 1 0 1 1 1 16fha b cd ef g实验四 中断与定时器/计数器应用实验第一部分 中断一、实验目的1、掌握PC 机中断处理系统的基本原理。
2、学会编写中断服务程序。
二、实验原理与内容 1、实验原理PC 机用户可使用的硬件中断只有可屏蔽中断,由8259中断控制器管理。
中断控制器用于接收外部的中断请求信号,经过优先级判别等处理后向CPU 发出可屏蔽中断请求。