实验一 三相异步电动机接触器点动控制
- 格式:docx
- 大小:44.80 KB
- 文档页数:3
三相异步电动机的点动与长动控制一、实验目的1、了解按钮、中间继电器、接触器的结构、工作原理及使用方法。
2、熟悉电气控制实验装置的结构及元器件分布。
3、掌握三相异步电动机点动与长动控制的工作原理和接线方法。
4、掌握电气控制线路的故障分析及排除方法。
二、实验仪器电气控制实验装置 1台电动机 Y801-4 0.55kw 1 台;万用表 1只电工工具及导线三、实验线路与原理图(a)为用按钮实现长动与点动的控制电路,点动按钮SB3的常闭触点作为连接触点串联在接触器KM的自锁触点电路中。
当长动时按下起动按钮SB2,接触器KM得电自锁;当点动工作时按下按钮SB3,其常开触点闭合,接触器KM得电。
但SB3的常闭触点KM的自锁电路切断,手一离开按钮,接触器KM失电,从而实现了点动控制。
若接触器外的释放时间大于按钮恢复时间,则点动结束SB3常闭触点复位时,接触器KM的常开触尚未断开,使接触器自锁电路继续通电,线路就无法实现点动控制。
这种现象称为“触点竞争”。
在实际应用中应保证接触器KM释放时间大于按钮恢复时间,从而实现可靠的点动控制。
图(b)为用开关SA实现长动与点动转换的控制电路。
当转换开关SA闭合,按下按钮SB2,接触器KM得电并自锁,从而实现了长动;当转换开关SA断开时,由于接触器KM的自锁电路被切断,所以这时按下按钮SB2是点动控制。
这种方法避免了(b)图中“触点竞争”现象,但在操作上不太方便。
图(c)为用中间继电器实现长动与点动的控制电路。
长动控制时按下按钮SB2,中间继电器KA得电并自锁。
点动工作时按下按钮SB3,由于不能自锁从而可靠地实现点动工作。
这种方法克服了(a)图和(b)图的缺点,但因为多用了一个继电器KA,所以成本增加。
四、实验内容及要求1、检查各电器元件的质量情况,了解其使用方法。
2、按图(d)连接长动与点动联锁控制的电气控制线路。
先接主电路,再接控制回路。
3、用万用表检查所连线路是否正确,自已检查无误后,经指导教师检查认可后合闸通电试验。
实验报告十:三相异步电动机接触器点动控制路线实验目的:2. 了解三相异步电动机的基本性能参数。
3. 掌握三相异步电动机的调试与运行方法。
4. 培养实际操作技能与实验技能。
实验器材:1. 三相异步电动机2. 接触器3. 断路器4. 电动机调速器5. 电压表7. 万用表8. 细线圈表9. 脉冲信号测试仪实验原理:三相异步电动机接触器点动控制路线是一种常见的电气控制系统,其主要实现方式是利用接触器点动启动电动机。
点动启动电动机的过程即是通过断开与接通电流来实现的。
具体来说,当启动按钮按下时,接触器控制电路关闭,电动机的空载运行开始;当按钮松开时,接触器控制电路恢复,电动机停转。
实验步骤:1. 转动电动机风扇叶片,观察电动机是否正常旋转,检查电气系统是否正常工作。
2. 打开电动机调速器,设定适当的三相电源电压,调整电流控制器以得到适当的电动机起动电流,保证电动机可以正常运行。
3. 观察电动机的运行状况,记录电动机的电压、电流、转速等基本性能参数,并根据参数调整电动机的运行状态,保证其正常运行。
4. 切换电源电压,比较电动机在不同电压下的运行性能,观察电机的启动变化情况,分析电压对电动机性能的影响。
5. 利用万用表和细线圈表等工具对电气系统进行检查,确认电气系统的状况良好。
6. 利用脉冲信号测试仪进行测试分析,并确定是否需要进行一些调整。
7. 关闭电动机调速器,断开电源前,注意需要先切断电动机的电源,然后才能关闭电动机调速器。
实验结论:通过三相异步电动机接触器点动控制路线的实验,我们深入掌握了电气控制的基本原理和要点,得到了更系统、全面的实验经验。
在实验过程中,我们充分考虑了实验器材的特点和用途,根据实验结果和实验数据进行了周密分析和归纳总结,实验结论具有较强的可靠性和实用价值。
同时,我们对实验设备的操作方法和技巧有了更深刻的认识,能够更加熟练地运用实验技能和专业知识。
实训一三相异步电动机接触器点动控制实训一三相异步电动机接触器点动控制一、训练目的1.通过观察实物,熟悉按钮和接触器的结构和使用方法。
2.通过实践,掌握具有短路保护的点动控制电路安装接线与检测方法。
3.掌握使用万用表检查电路的方法。
代号名称型号、规格数量备注QS 低压断路器DZ108-20/10-F 1个FU1 螺旋式保险丝RL1-15/3A 3个FU2 直插式保险丝RT14-20 2个KM 交流接触器LC1-D0610Q5N 1个SB 按钮开关LAY16 黑色1个按钮开关盒2位1个M 三相鼠笼式异步电动机WDJ26(380V/△)1台XT 端子排JF5-2.5 10位三、电气原理点动控制电路中,电动机的启动、停止,是通过手动按下或松开按钮来实现的,电动机的运行时间较短,无需过载保护装置。
控制电路如图2-1所示,合上电源开关QS,只要按下点动按钮SB,使接触器KM线圈得电吸合,KM主触点闭合,电动机即可起动;当手松开按钮SB时,KM线圈失电,而使其主触点分开,切断电动机M的电源,电动机即停止转动。
PE为电动机保护接地线。
四、安装与接线点动控制的各电器安装位置如图2-2所示。
图2-3为点动控制的电气接线图。
具体实施安装时,原理图、位置图、接线图应一并使用,相互参照。
在通电试车前,应仔细检查各线端连图1-2图1-1 点动控制电气原理图接是否正确、可靠,并用万用表的欧姆档检查控制回路是否短路或开路(按下起动控制按钮时,控制电路的两端电阻应为吸引线圈的直流电阻)、主电路有无开路或短路等。
图1-3 点动控制电路接线图实训二三相异步电机接触器自锁控制线路在点动控制的电路中,要使电动机转动,就必须用手按住按钮不放,这不适合电动机长时间连续运行的控制场合,而必需具有接触器自锁的控制电路。
代号名称型号规格数量备注QS 低压断路器DZ108-20/10-F 1FU1 螺旋式熔断器RL1-15 配熔体3A 3FU2 直插式保险丝RT14-20 配熔体2A 2KM 交流接触器LC1-D0610Q5N 线圈电压AC380V 1FR热继电器LR2-D1305N 整定范围0.63-1A 1整定值0.63A 热继电器座LA7-D1064 1SB1 按钮开关LAY16 红色 1 SB2 按钮开关LAY16 绿色 1 按钮开关盒2位 1 XT 接线端子排JF5-2.5 AC660V25A 10位M 三相鼠笼式异步电动机380V(△) 1二、训练目的1.通过实践训练,熟悉热继电器的结构、原理和使用方法。
三相异步电动机的点动和自锁控制一、实验目的1.进一步熟悉三相异步电动机、交流接触器、热继电器、按钮的结构、作用和接线。
2.培养电气线路安装接线并进行操作的能力。
3.加深理解点动和自锁控制的原理。
二、实验原理 1.点动控制点动控制是用按钮和接触器控制三相异步电动机的最简单的控制线路,其原理如图1所示。
线路的动作原理如下: 合上电源开关QS起动:按住按钮SB (不松手) 接触器KM 线圈得电KM 主触点闭合 电动机M 接通三相交流电源,起动运转。
停止:松开按钮SB 接触器KM 线圈失电 KM 主触点断开 电动机M 脱离三相交流电源,自然停转。
2.具有过载保护的自锁控制电动机经过按钮起动后,要想在松开按钮后仍能连续运转,则必须在电路中加入“自锁”功能。
电动机在运转过程中,如果长期负载过大、频繁操作、或断相运行等都会引起电动机绕组过热,影响电动机的使用寿命,甚至会烧坏电动机。
因此,对电动机要采用过载保护,一般采用热继电器作为过载保护元件。
具有过载保护的自锁控制线路原理图如图2所示。
(1)自锁控制 线路的动作原理如下: 合上电源开关QS图1 点动控制线路 图2 具有过载保护的自锁控制线路辅助常开触点闭合自锁起动:按下SB2 KM线圈得电主触点闭合电动机M运转松开起动按钮SB2,由于并在SB2两端的KM辅助常开触点闭合自锁,控制回路仍保持接通,KM线圈依然通电,电动机M不会停转。
辅助常开触点断开,解除自锁停止:按下SB1 KM主触点断开电动机M停转(2)过载保护线路动作原理如下:电动机在运行过程中由于过载或其它原因使负载电流超过额定值时,经过一定时间,串接在主回路中的热继电器的热元件因受热弯曲,使串在控制回路中的常闭触点断开,切断控制回路,接触器KM的线圈断电,其主触点断开,电动机M脱离电源停止转动,达到了过载保护的目的。
三、实验设备四、实验内容与步骤1.点动控制实验(1) 开起控制屏上的“电源总开关”,按下“开”按钮,向顺时针方向旋转控制屏左侧端面上的调压器旋钮,将三相调压器电源输出的线电压调到220V,以后保持不变。
实验一三相异步电动机点动和自锁控制实验一:三相异步电动机点动和自锁控制一、实验目的1.掌握三相异步电动机点动控制原理和实现方法。
2.掌握三相异步电动机自锁控制原理和实现方法。
3.理解点动与自锁控制在实际应用中的差异及其适用场合。
二、实验原理1.点动控制:通过手动开关或按钮控制电动机的启动和停止,适用于短时间、临时性的控制。
其特点是操作简单,但容易误操作,不安全。
2.自锁控制:利用接触器的辅助触点与启动按钮串联,实现电动机的连续运转。
当按下启动按钮时,接触器吸合,电动机开始运转;当松开启动按钮时,接触器仍然保持吸合状态,电动机继续运转。
自锁控制在长时间连续运转的场合应用广泛,具有安全可靠的特点。
三、实验步骤1.准备实验器材:三相异步电动机、交流接触器、热继电器、按钮开关、导线等。
2.搭建实验电路:根据点动和自锁控制的原理,设计并搭建实验电路。
电路应包括电源部分、控制部分和负载部分。
3.通电前检查:在通电前,检查电路连接是否正确,是否符合电气安全规范。
特别注意电源与负载的连接是否正确,以及导线是否接触良好。
4.点动控制实验:(1)按照电路图连接好电源、控制和负载部分。
(2)按下按钮开关,观察电动机是否启动。
(3)松开按钮开关,观察电动机是否停止。
5.自锁控制实验:(1)在点动控制电路的基础上,添加接触器的辅助触点与启动按钮串联。
(2)按照电路图连接好电源、控制和负载部分。
(3)按下按钮开关,观察电动机是否启动并持续运转。
(4)松开按钮开关,观察电动机是否继续运转。
6.观察与记录:在实验过程中,观察并记录各种操作下的电动机状态,以及接触器的吸合与释放情况。
7.整理实验数据:根据实验观察和记录的数据,分析点动控制和自锁控制在不同场合的适用性。
8.清理实验现场:在实验结束后,断开电源,拆除电路连接,并整理好实验器材。
四、实验结果与分析1.点动控制实验结果表明,当按下按钮时,电动机启动;松开按钮时,电动机停止。
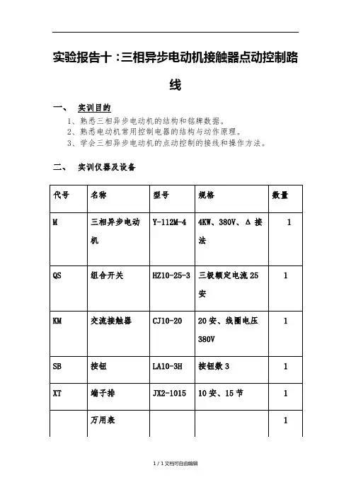
实验报告十:三相异步电动机接触器点动控制路线一、实训目的1、熟悉三相异步电动机的结构和铭牌数据。
2、熟悉电动机常用控制电器的结构与动作原理。
3、学会三相异步电动机的点动控制的接线和操作方法。
二、实训仪器及设备三、实训操作的内容及电路图安装接线1、检查电器元件质量应在不通电的情况下,用万用表检查各触点的分、合情况是否良好。
检查接触器时,应拆卸灭弧罩,用手同时按下三副主触点并用力均匀;同时应检查接触器线圈电压与电源电压是否相符。
2、按图3-1检验控制板布线正确性。
用万用表进行检查时,应选用电阻档的适当倍率,并进行校零,以防错漏短路故障。
a.检查控制电路,可将表棒分别搭在U1、V1线端上,读数应为“∞”,按下SB时读数应为接触器线圈的直流电阻阻值。
b.检查主电路时,可以手动来代替接触器受电线圈励磁吸合时的情况进行检查。
3、接电源、电动机等控制板外部的导线。
⑶控制实验经教师检查后,通电试车。
①接通电源。
合上电源开关QS。
②起停实验。
按下启动按钮SB,接触器KM线圈得电,KM主触头闭合,电动机M启动运转,观察线路和电动机运行有无异常现象;松开启动按钮SB,接触器KM线圈失电,KM主触头断开,电动机停转,这就是所谓的点动控制电路。
4、实验结束①实验工作结束后,应切断电动机的三相交流电源。
②拆除控制线路、主电路和有关实验电器。
③将各电气设备和实验物品按规定位置安放整齐四、实训的心得体会及注意要点1、电动机和按钮的金属外壳必须可靠接地。
接至电动机的导线必须穿在导线通道内加以保护,或采用坚韧的四芯橡皮线或塑料护套线进行临时通电校验。
2、电源进线应接在螺旋式熔断器底座的中心端上,出线应接在螺纹外壳上。
3、按钮内接线时,用力不能过猛,以防螺钉打滑。
4、接线时一定要认真仔细,不可接错。
5、接电前必须经教师检查无误后,才能通电操作。
6、实验中一定要注意安全操作。
杭州职业技术学院《电器控制与PLC》实验报告机电工程系电气教研室2005年4月实验一三相鼠笼式异步电动机的点动和自锁控制线路一、实验内容继电接触控制系统对中小功率笼式异步机进行直接起动,其控制线路由继电器、接触器、按钮等有触头电器组成。
某些生产机械在安装或维修后常常需要所谓“点动”控制。
除点动外,电机更多地工作于连续工作状态。
1、本次实验的内容:1)、三相鼠笼式异步电机点动控制线路2)、三相鼠笼式异步电机单方向连续旋转控制线路3)、三相鼠笼式异步电机点动及单方向连续旋转复合控制线路2、实验原理图1)三相鼠笼式异步电机点动控制线路的原理图2)三相鼠笼式异步电机单方向连续工作控制线路的原理图3)三相鼠笼式异步电机点动及单方向连续工作复合控制线路的原理图二、实验目的1、熟悉三相鼠笼式异步电机单方向起动停止和点动控制线路中各电器元件的使用方法及其在线路中所起的作用。
2、掌握三相鼠笼式异步电机单方向起动停止和点动控制线路的工作原理、接线方法、调试及故障排除技能。
三、实验步骤1)、三相鼠笼式异步电机点动控制2)、三相鼠笼式异步电机单方向连续旋转控制3)、三相鼠笼式异步电机点动及单方向连续旋转复合控制四、思考题1、在单向连续工作控制线路中,若自锁常开触头错接成常闭触头,会发生什么现象?2、在点动及单向连续工作复合控制线路中,说明按下按钮SB3时电机为何是点动工作?3、实验线路中是如何实现短路保护、过载保护、欠压保护与失压保护的?实验二三相鼠笼式异步电动机可逆旋转控制线路一、实验内容在生产实践中,常常需要生产机械的运动部件能在一定范围内自动往复运动,此时往往要求电动机能正转、反转可逆运行。
1、本次实验的内容:三相鼠笼式异步机“正←→反”可逆控制线路2、实验原理图三相鼠笼式异步电机“正←→反”可逆控制线路的原理图二、实验目的1、掌握三相笼式异步机可逆运行控制线路的工作原理、接线方式及操作方法。
2、掌握机械及电气互锁的连接方法及其在控制线路中所起的作用。
实验一三相异步电动机点动与连续运行控制一、实验目的1、熟悉常用低压电器元件(接触器、热继电器和按钮等)的功能及使用方法。
2、掌握自锁作用。
3、培养学生电气控制系统的识图能力和安装调试电气线路的动手能力。
4、培养学生分析实际问题和解决实际问题的能力。
二、实验仪器设备三相异步电动机、接触器、热继电器、一组按钮。
电源、导线若干、万用表等。
三、实验内容三相异步电动机点动与连续运行控制四、实验步骤1、点动控制图1 点动控制主电路和控制电路(1)按图1连接点动控制的主电路和控制电路。
先连接主电路,然后连接控制电路。
(2)运行、调试:合上电源开关QS;起动:按下按钮SB →接触器KM 线圈得电→KM 主触头闭合→电动机M 起动运行;停车:松开按钮SB →接触器KM 线圈失电→KM 主触头断开→电动机M 停转;停止使用时:断开电源开关QS 。
2 、连续运行控制线路图2 连续运行主电路和控制电路(1)按图2连接连续运行控制电路的主电路和控制电路。
先连接主电路,然后连接控制电路。
(2)运行、调试:合上电源开关QS;起动:按下按钮SB2 →接触器KM 线圈得电→KM 主触头闭合→电动机M 起动运行,接触器KM 的辅助常开触头闭合-自锁,使接触器KM线圈保持得电→电动机M 连续运行;停车:按下按钮SB1 →接触器KM 线圈失电→KM 主触头断开→电动机M 停转;保护环节:短路保护、过载保护、失压和欠压保护当电气控制系统中出现短路、过载或失压和欠压等故障现象,保护环节的电器动作,电动机M 停转。
停止使用时:断开电源开关QS 。
五、实验分析1.分析点动控制、连续运行控制电路的特点,比较二者区别。
2.分析电路中常见的故障现象,采取哪些保护措施?3.在实验过程中出现的异常现象,及解决措施。
实验二 三相异步电动机正反转控制一、实验目的1、熟悉常用低压电器元件(按钮、接触器及热继电器)的功能及使用方法。
2、掌握自锁、互锁的作用。
3、培养学生电气控制系统的识图能力和安装调试电气线路的动手能力。
实验一电气器件认识及三相异步电动机点动控制一、实验目的1、常用电压电器;熟悉电器型号的意义2、熟悉电压继电器的结构、工作原理、型号规格及使用方法3、掌握交直流电压继电器的吸合电压和释放电压的整定方法4、通过实际电路,学习电器排列、布局和接线方案、培养实际动手操作水平5、学习分析故障、排除故障的方法。
二、实验设备1.三相电源(380V)、单相电源(220V)2.三相异步电动机一台3.各种低压电器4.万用表一块5.导线若干四、实验内容及步骤1.低压电器的识别①根据摆放的低压电器实物,写出各电器的名称、图形和符号②了解低压电器型号的意义③抄录各电器铭牌数据,并用万用表判断导线、电器线圈、触头是否完好。
2.三相异步电动机点动控制①在实验台上找到交流接触器等,了解其结构及动作原理。
②通过实验,掌握基本电路的接线方法③按图1-1接线,经指导老师检查后方可进行合上电源操作④合上电源开关(380V~220V),按下、松开SB启动按钮,观察接触器的动作状态,电动机的旋转方向,并作记录。
⑤关闭总电源开关。
实验完毕。
五、思考题1.实现电机反转,应采取什么办法?六、实验报告要求整理实验操作结果及实验数据,完成实验报告。
B CFU图1-1 三相异步电动机点动控制电路实验二三相异步电动机正反转控制一、实验目的1.掌握异步电动机正反转的原理,熟悉接线与操作。
2.了解控制系统中保护、自锁、互锁环节的作用。
3.学习分析故障、排除故障的方法。
二、实验原理1.三相异步电动机的定子绕组通入三相交流电会产生旋转磁场。
磁场的旋转方向取决三相交流电的相序,改变相序,就能改变磁场旋转的方向,从而改变电动机的转向。
2.在生产中,要求对电动机进行保护。
通常对小功率电机用热继电器进行过载保护而用熔断器进行短路保护。
3.在控制系统中,有时要求某一电器处在加信号作用下动作后能自动保持动作后的状态。
这种作用状态为自锁作用.要求两个电器不能同时动作,这种作用称为互锁作用。
杭州职业技术学院《电器控制与PLC》实验报告机电工程系电气教研室2005年4月实验一三相鼠笼式异步电动机的点动和自锁控制线路一、实验内容继电接触控制系统对中小功率笼式异步机进行直接起动,其控制线路由继电器、接触器、按钮等有触头电器组成。
某些生产机械在安装或维修后常常需要所谓“点动”控制。
除点动外,电机更多地工作于连续工作状态。
1、本次实验的内容:1)、三相鼠笼式异步电机点动控制线路2)、三相鼠笼式异步电机单方向连续旋转控制线路3)、三相鼠笼式异步电机点动及单方向连续旋转复合控制线路2、实验原理图1)三相鼠笼式异步电机点动控制线路的原理图2)三相鼠笼式异步电机单方向连续工作控制线路的原理图3)三相鼠笼式异步电机点动及单方向连续工作复合控制线路的原理图二、实验目的1、熟悉三相鼠笼式异步电机单方向起动停止和点动控制线路中各电器元件的使用方法及其在线路中所起的作用。
2、掌握三相鼠笼式异步电机单方向起动停止和点动控制线路的工作原理、接线方法、调试及故障排除技能。
三、实验步骤1)、三相鼠笼式异步电机点动控制2)、三相鼠笼式异步电机单方向连续旋转控制3)、三相鼠笼式异步电机点动及单方向连续旋转复合控制四、思考题1、在单向连续工作控制线路中,若自锁常开触头错接成常闭触头,会发生什么现象?2、在点动及单向连续工作复合控制线路中,说明按下按钮SB3时电机为何是点动工作?3、实验线路中是如何实现短路保护、过载保护、欠压保护与失压保护的?实验二三相鼠笼式异步电动机可逆旋转控制线路一、实验内容在生产实践中,常常需要生产机械的运动部件能在一定范围内自动往复运动,此时往往要求电动机能正转、反转可逆运行。
1、本次实验的内容:三相鼠笼式异步机“正←→反”可逆控制线路2、实验原理图三相鼠笼式异步电机“正←→反”可逆控制线路的原理图二、实验目的1、掌握三相笼式异步机可逆运行控制线路的工作原理、接线方式及操作方法。
2、掌握机械及电气互锁的连接方法及其在控制线路中所起的作用。
实验一三相异步电动机接触器点动控制线路一、操作所需电器元件明细表见表1 表1二、电路图图1(a)当合上电源开关QS时,电动机是不会起动运转的,因为这时接触器KM的线圈未通电,它的主触头处在断开状态,电动机M的定子绕组上没有电压。
若要使电动机M转动,只要按下按钮SB,使线圈KM通电,主电路中的主触头KM闭合,电动机M即可起动。
但当松开按钮SB时,线圈KM即失电,而使主触头分开,切断电动机M的电源,电动机即停转.这种只有当按下按钮电动机才会运转,松开按钮即停转的线路,称为点动控制线路。
这种线路常用作快速移动或调整机床。
三、安装与接线布置图如图1(b ),接线图如图1(c )图2(b )在WD -21铁板上分别装有熔断器FU 、开关QS 、接触器KM 、按钮SB 及端子排XT 。
按照接线图图2(C )进行接线。
安装动力电路的接线采用黑色,控制电路采用红色。
安装后应符合第二章2-1的要求。
四、检测与调试图1(c )图1(b)检查接线无误后,接通交流电源,“合”开关QS,此时电机不转,按下按钮SB,电机即可起动,松开按钮电机即停转。
若电机不能点动控制或熔丝熔断等故障,则应“分”断电源,分析排除故障后使之正常工作。
实验二三相异步电动机接触器自锁控制线路一、操作所需电器元件明细表见表2 表2二、电路图图2(a)线路的动作过程是这样的;当按下起动按钮SB1,线圈KM通电主触头闭合,电动机旋转。
当松开按钮时,电动机M不会停转,因为这时,接触器线圈KM可以通过并联在SB1两端已闭合的辅助触头KM继续维持通电,保证主触头KM仍处在接通状态,电动机M就不会失电,也就不会停转。
这种松开按钮而仍能自行保持线圈通电的控制线路叫做具有自锁(或自保)的接触器控制线路,简称自锁控制线路。
与SB1并联的这一对常开辅助触头KM叫做自锁(或自保)触头。
三、安装与接线图2(b)图2(c)按图3(b)布置的位置,在WD-21大板上装有熔断器FU、开关QS、接触器KM、热继电器FR、按钮SB1、SB2及端子排XT等器件。
试验一三相异步电动机的点动控制一、实验目的:1、了解交流接触器、热继电器和按钮的结构及其在控制电路中的应用。
2、学习异步电动机基本控制电路的连接。
3、学习按钮、熔断器、热继电器的使用方法。
4、了解点动与长动的主要区别。
二、实验仪器和设备:1、DT31继电器-接触器1套2、D21三相异步电动机1台3、机电传动试验平台1套4、接线若干三、实验原理:1、继电接触器控制大量应用于对电动机的启动、停止、正反转、调速、制动等控制。
从而使生产机械按规定的要求动作;同时,也能对电动机和生产机械进行保护。
2、图1是异步电动机直接启动的控制电路。
图1-a是点动控制线路,手放开按钮后电动机即停止工作。
电路不能自锁。
图1-b是长动控制线路,手按下按钮后,线圈得电,主触点,辅助触点都闭合,电动机保持运转,控制电路实现自锁。
图1 三相异步电动机点动长动控制线路四、实验内容和步骤:1、在实验板台找到DT31继电器-接触器等,了解其结构及动作原理。
2、通过实验,掌握基本电路的接线方法。
3、按图1-a异步电动机启动线路连接,经老师检查允许后再送电(电动机暂不接入)。
4、1-a的控制电路改接为1-b图,即具有控制电路具有自锁功能。
5、通过点动、长动接线实验,观察实验现象,了解两种接线的不同工作状况及自锁区别。
五、实验总结:1、电路中自锁点起什么作用?电路没有自锁时:按下闭合按钮,接触器线圈得电后,主触点闭合接通回路,电机运转;松开闭合按钮,电路断路,线圈失电,主触点回归常开原位,电机停转。
电路处于点动。
电路有自锁点时:接触器线圈得电后,主触点、常开辅助触点都闭合接通回路,主触点闭合电机运转;常开辅助触点闭合,进行状态保持,此时再松开启动按钮,接触器也不会失电断开。
电路处于长动状况。
自锁点作用就是利用常开辅助触点与通电线圈关系,实现电路长动工作状况。
2、什么叫零压保护,即电路的零压保护是如何实现的?所谓零压(或失压)保护是指当电源断电或电压严重降低时,接触器的线圈失电,电磁铁释放使主触点断开,电动机自动从电源切除停转。
实验一三相异步电动机点动和自锁控制一、实验目的了解使用PLC代替传统继电器控制回路的方法及编程技巧,理解并掌握三相异步电动机的点动和自锁控制方式及其实现方法。
二、实验仪器1.THPJW-1A型高级维修电工实训考核装置一台2.安装有GX Developer编程软件的计算机一台3.SC-09下载电缆一根4.实验导线若干5.三相异步电动机一台三、实验内容及说明在传统的强电控制系统中,使用了大量的接触器.中间继电器.时间继电器等分立元器件。
由于使用的元器件数量和品种多,使得系统接线复杂,给系统调试以及修改接线带来困难。
因其潜在故障点多,故降低了整个系统的安全可靠性。
采用PLC对强电系统进行控制,就可以取代传统的继电接触控制系统,还可构成复杂的过程控制网络。
在需要大量中间继电器以及时间继电器和计数继电器的场合,PLC无需增加硬件设备,利用微处理器及存储器的功能,就可以很容易地完成这些逻辑组合和运算,大大降低了控制成本。
因此用PLC作为强电系统的控制器件是一种行之有效的解决方案。
本实验中,PLC对电机的控制方式分两种:1.点动控制启动:按启动按钮SB1,X0的动合触点闭合,Y1线圈得电,即接触器KM2的线圈得电,0.1S后Y0线圈得电,即接触器KM1的线圈得电,电动机作星形连接启动。
每按动SB1一次,电机运转一次。
2.自锁控制启动:按启动按钮SB2,X1的动合触点闭合,Y1线圈得电,即接触器KM2的线圈得电,0.1S后Y0线圈得电,即接触器KM1的线圈得电,电动机作星形连接启动。
只有按下停止按钮SB3时电机才停止运转。
★四、实验接线图五、梯形图参考程序★1、确定系统的输入、输出设备。
输 入:输 出:★2、控制系统的梯形图(参考)★ 六、实验验证Y0 Y1 启动(KM1) 启动(KM2) X2 X1 X0 停止(SB3) 自锁启动(SB2) 点动(SB1)名句赏析!!!!!不限主题不限抒情四季山水天气人物人生生活节日动物植物食物山有木兮木有枝,心悦君兮君不知。
实验一三相异步电动机接触器点动控制
【实训目的】
1.认识电气控制常用低压电器
2.学会看电气原理图,掌握电气控制电路接线方法
3.掌握电机点动运行的主电路、控制电路的接线调试方法
【实验内容及步骤】
1、实验内容
(1)控制对象:三相异步电动机
控制元件:按钮开关、交流接触器
(2)控制原理:当手动按下按钮时,使接触器KM线圈得电吸合,交流接触器主触点闭合,三相异步电动机启动运行;当手松开按钮时,KM线圈失电,而使其主触点分开,切断电动机的电源,电动机停止运转。
(3)电气原理图
三相异步电动机接触器点动控制电气原理图如图1.1所示。
图1.1 三相异步电动机接触器点动控制电气原理图
合上低压断路器,再按下启动按钮SB,KM线圈得电,KM主触点闭合,
三相异步电动机启动运行;松开启动按钮SB,KM线圈失电,KM主触点断开,电动机停止。
2、准备实验器材
(1)根据实验要求,按照表1.1所示设备、工具、器材明细表,将实训所需要的设备、工具、器材准备齐全并仔细检查是否完好。
表1.1 设备、工具、器材明细表
(2)根据原理图,将低压断路器、熔断器、热继电器、接触器、按钮、电机端子转接板各模块安装到实训台的网孔板上。
图1.2 三相异步电动机接触器点动控制接线图
3、实验步骤
(1)实物接线:
根据1.1所示的原理图,对各元器件进行导线连接。
(注意导线与元器件的连接要牢固,防止出现松动的情况,导线走线须经线槽,导线连接须准确。
) (2)自检:
对照电气原理图检查所连导线是否出现掉线、错线,线号漏编、错编,接线不牢固等现象,若存在上述现象,及时更正。
(注:自检完成后须经指导老师检查,才能接通电源。
(3)外观检查:
检查有无绝缘层压入接线端子,如有绝缘层压入接线端子,通电后,会使电路无法接通;检查裸露的导线线芯是否符合规定;用手摇动、拉拔接线端子上的导线,检查所有导线与端子的接触情况,不允许有松脱。
(4)功能调试:
合上低压断路器QF,按下启动按钮SB,三相异步电动机启动运行;松开启动按钮SB,电动机停止运行。
可反复试验几次,观察实验现象。
若实验现象与上述描述不符,或出现其他异常现象,应立即断开断路器,查找原因,修改后再次进行功能调试,直至功能实现。
4、实验拓展与思考
1.在实训中,按照实训步骤一步一步操作执行,结果未出现与实训步骤相同的实训结果,你会怎么分析,处理?。