防盗铝合金百叶窗标准
- 格式:pdf
- 大小:577.35 KB
- 文档页数:9
华能金陵电厂二期工程(2×1030MW)超超临界燃煤发电机组单层防雨铝合金百叶窗技术要求1 设备规1.1 单层防雨铝合金百叶窗的基本参数要求:1.1.1 功能:单层防雨、防尘;1.1.2 调节方式:无(固定防雨叶片)1.1.3 百叶窗的有效面积系数:不小于0.585;1.1.4 干工况下阻力系数:≯3.05(进风风速为3m/s);1.1.5 干工况下阻力(Pa):≯18.0(进风风速为3m/s);1.1.6 湿工况下阻力系数:≯3.22(进风风速为3m/s);1.1.7 湿工况下阻力(Pa):≯19.0(进风风速为3m/s);1.1.8 百叶窗过水量(g/kg):≯1.06 (进风风速为3m/s)1.1.9 承受最大风速(m/s):不小于30;1.1.10 安装方式:法兰式或嵌入式,具体方式在后继的技术联络中明确。
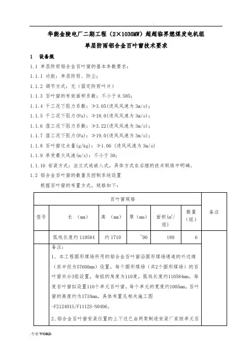
1.2 铝合金百叶窗的数量及控制系统设置根据百叶窗的布置方式,规格如下:1.3 有关技术参数的说明1.3.1 上述百叶窗规格系指招标方的安装留孔尺寸。
1.3.3 表中单元窗规格为建议规格,投标方可依据自己的企业标准进行调整,调整后的尺寸应征得设计同意。
1.3.4 百叶窗的规格和数量在施工图进行过程中可能出现微调,投标方在安排生产前应取得的确认意见。
2 技术要求2.1 规程和标准单层防雨铝合金百叶窗及其附件的设计、制造、喷涂、检验、测试和包装应符合有关的标准及规,用于它的制作材料由投标方推荐,除非招标方另有规定。
投标方所采用的包括但不限于下列标准及规,并应在投标文件中列出所采用的全部标准及规清单。
JB5171-85 《小功率电动机通用技术条件》BS848 《铝合金通风百叶窗》2.2 设备性能要求2.2.1铝合金百叶窗的设计、制造、安装,应保证在设备允许使用条件下能安全、可靠运行。
2.2.2铝合金百叶窗本体要求牢固、可靠,能简便地安装,同时百叶窗应满足本工程抗震的有关规定。
2.2.3所有铝合金百叶窗均应由带集水沟的防雨叶片、带滴水框的侧框架等组成,设置防护网罩。
铝合金翻板百叶窗示意图铝合金翻板百叶窗技术标准产品简介与适用范围1-1 产品简介1铝合金翻板百叶窗以百叶窗为原型,对多功能活动百叶窗及墙体的技术研究制作而成的复合型产品。
通过窗和墙体的合理组合,达到采光与遮阳、通风与透气、散热与保暖、开启与密闭、防盗与装饰等功能的协调、统一。
具有通风、散热、换气、采光、遮阳、防盗等特点。
2百叶窗百叶可分为手动、电动或感应自动控制方式。
1-2 应用范围适用于需要遮阳、采光、通风、排烟的建筑(公共建筑、工厂、住宅)。
术语与定义2-1 主型材用于制作铝合金窗边框、百叶片和组合窗的拼接型材。
2-2 辅型材铝合金窗构件体系中,镶嵌或固定在主型材上的辅助构件,起到传力或某种功能作用的附加型材。
2-3 主要受力杆件铝合金窗立面内承受并传递窗自重力和水平风荷载等作用力的框、百叶片和组合窗拼樘框型材。
2-4 型材截面主要受力部位铝合金窗主型材横截面中承受垂直和水平方向荷载作用力的腹板、翼缘或固定其他构件的连接受力部位。
2-5 干法安装墙体窗洞口预先安置附加金属外框并对墙体缝隙进行填充、防水密封处理,在墙体洞口表面装饰湿作业完成后,将铝合金窗固定在金属附框上的安装方法。
2-6 湿法安装将铝合金窗直接安装在未经表面装饰的墙体窗洞口上,在墙体表面湿作业装饰时对铝合金窗洞口间隙进行填充和防水密封处理。
材料标准3-1 铝合金型材3-1-1 铝合金窗工程用铝合金型材的合金牌号、供应状态、化学成分、力学性能、尺寸允许偏差应符合现行国家标准《铝合金建筑型材第1部分:基材》GB 5237.1第5.4项的规定。
型材横截面尺寸允许偏差可选用普通级,有配合要求时应选用高精级或超高精级。
3-1-2 铝合金窗主型材的壁厚应经计算或试验确定,除压条、扣板等需要弹性装配的型材外,窗用主型材主要受力部位基材截面最小实测壁厚不应小于1.4mm。
3-1-3 铝合金型材表面处理除应符合现行国家标准《铝合金建筑型材第2部分:阳极氧化型材》GB 5237.2第4.4项《铝合金建筑型材第3部分:电泳涂漆型材》GB 5237.3第5.5项《铝合金建筑型材第4部分:粉末喷涂型材》GB 5237.4第5.4项《铝合金建筑型材第5部分:氟碳漆喷涂型材》GB 5237.5第4.5项目的规定外,尚应符合下列规定:1 阳极氧化型材:阳极氧化膜膜厚应符合AA15级要求,氧化膜平均膜厚不应小于15μm;2 电泳涂漆型材:阳极氧化符合膜,表面漆膜采用透明漆应符合B级要求,复合膜局部膜厚不应小于16μm。
华能金陵电厂二期工程(2×1030MW)超超临界燃煤发电机组之宇文皓月创作单层防雨铝合金百叶窗技术要求1 设备规范1.1 单层防雨铝合金百叶窗的基本参数要求:1.1.1 功能:单层防雨、防尘;1.1.2 调节方式:无(固定防雨叶片)1.1.3 百叶窗的有效面积系数:不小于0.585;1.1.4 干工况下阻力系数:≯3.05(进风风速为3m/s);1.1.5 干工况下阻力(Pa):≯18.0(进风风速为3m/s);1.1.6 湿工况下阻力系数:≯3.22(进风风速为3m/s);1.1.7 湿工况下阻力(Pa):≯19.0(进风风速为3m/s);1.1.8 百叶窗过水量(g/kg):≯1.06 (进风风速为3m/s)1.1.9 承受最大风速(m/s):不小于30;1.1.10 装置方式:法兰式或嵌入式,具体方式在后继的技术联络中明确。
1.2 铝合金百叶窗的数量及控制系统设置根据百叶窗的安插方式,规格如下:1.3.1 上述百叶窗规格系指招标方的装置留孔尺寸。
1.3.3 表中单元窗规格为建议规格,投标方可依据自己的企业尺度进行调整,调整后的尺寸应征得设计同意。
1.3.4 百叶窗的规格和数量在施工图进行过程中可能出现微调,投标方在安插生产前应取得设计院的确认意见。
2 技术要求2.1 规程和尺度单层防雨铝合金百叶窗及其附件的设计、制造、喷涂、检验、测试和包装应符合有关的尺度及规范,用于它的制作资料由投标方推荐,除非招标方另有规定。
投标方所采取的包含但不限于下列尺度及规范,并应在投标文件中列出所采取的全部尺度及规范清单。
JB5171-85 《小功率电动机通用技术条件》BS848 《铝合金通风百叶窗》2.2 设备性能要求2.2.1铝合金百叶窗的设计、制造、装置,应包管在设备允许使用条件下能平安、可靠运行。
2.2.2铝合金百叶窗本体要求牢固、可靠,能简便地装置,同时百叶窗应满足本工程抗震的有关规定。
2.2.3所有铝合金百叶窗均应由带集水沟的防雨叶片、带滴水框的侧框架等组成,设置防护网罩。
草滩佳苑项目铝合金门窗及百叶窗、雨蓬、塑刚门窗技术要求一、铝合金门窗及百叶窗:范围包括5#四层商业房、2#、3#、4#楼二层商业裙房,具体数量及规格参见《经发〃新北居幕墙及雨蓬装饰工程施工图》1、型材要求:1)上悬窗:50系列隔热断桥型材;外平开门:50系列隔热断桥型材;2)明框玻璃幕墙本项目玻璃幕墙均采用明框式玻璃幕墙设计,分别位于2#、3#、4#楼的裙楼及5#楼。
幕墙选用Q120,Q150,Q170系列铝型材,铝型材表面处理要求氟碳喷涂,颜色根据业主要求确定。
玻璃幕墙立柱通过套芯上下活动连接,以满足层间伸缩变形能力,固定立柱铁码件焊接在后臵埋板上,埋板通过2个膨胀螺栓和2个化学螺栓固定在结构上。
幕墙玻璃采用6+12A+6mm中空钢化玻璃。
3)石材踢脚石材踢脚采用50x50x5mm镀锌角钢龙骨,用膨胀螺栓与主体结构连接,具体做法详见幕墙节点。
石材挂件采用4mm厚不锈钢石材专用挂件,面板采用25mm厚花岗岩,颜色根据业主要求确定。
4)门门玻璃采用12mm厚钢化玻璃。
5)雨篷雨篷采用点支式设计,位于2#楼、3#楼、4#楼及5#楼的裙楼。
雨篷玻璃采用6+1.52pvb+6mm厚钢化夹胶玻璃,固定玻璃用驳接爪及驳接头250系列。
玻璃雨篷龙骨采用变截面工字钢,通过后臵预埋与结构连接或通过连接角钢与玻璃幕墙企柱连接。
6)地下出入口此部分幕墙设计采用点支式全玻璃幕墙,顶面为折线形。
两侧立柱及顶部横龙骨均采用80x80x5mm方通,所有钢构件表面处理均涂氟碳漆。
玻璃采用8+1.52PVB+8mm钢化夹胶玻璃,玻璃夹具采用220系列不锈钢玻璃爪件。
7)铝合金门窗所有的主要铝合金型材均应为同一家公司的制品,铝合金材料出厂应附有产品和制作成型构件的质量保证书。
8)供选品牌:需用国产优质建筑铝型材,铝合金型材严格按照国家标准GB/T5237(1-5),铝合金厂家应提供10年的品质保证证书、产地证明、材质化验报告(需同等档次品牌,由工程招标部确定)2、玻璃要求:1)玻璃要求:(所有玻璃做法各投标单位均须在投标前送样,并须经建设单位技术研发部确认)所选用的玻璃应符合中国国家标准及下列要求:2)根据本工程要求,承包商所提供的玻璃应具有透明采光作用,并能根据使用环境的要求,具有良好的隔音降噪、防震抗击等构造易适应和改善建筑环境的功能。
华能金陵电厂二期工程(2×1030MW)超超临界燃煤发电机组单层防雨铝合金百叶窗技术要求1 设备规1.1 单层防雨铝合金百叶窗的基本参数要求:1.1.1 功能:单层防雨、防尘;1.1.2 调节方式:无(固定防雨叶片)1.1.3 百叶窗的有效面积系数:不小于0.585;1.1.4 干工况下阻力系数:≯3.05(进风风速为3m/s);1.1.5 干工况下阻力(Pa):≯18.0(进风风速为3m/s);1.1.6 湿工况下阻力系数:≯3.22(进风风速为3m/s);1.1.7 湿工况下阻力(Pa):≯19.0(进风风速为3m/s);1.1.8 百叶窗过水量(g/kg):≯1.06 (进风风速为3m/s)1.1.9 承受最大风速(m/s):不小于30;1.1.10 安装方式:法兰式或嵌入式,具体方式在后继的技术联络中明确。
1.2 铝合金百叶窗的数量及控制系统设置根据百叶窗的布置方式,规格如下:1.3 有关技术参数的说明1.3.1 上述百叶窗规格系指招标方的安装留孔尺寸。
1.3.3 表中单元窗规格为建议规格,投标方可依据自己的企业标准进行调整,调整后的尺寸应征得设计同意。
1.3.4 百叶窗的规格和数量在施工图进行过程中可能出现微调,投标方在安排生产前应取得的确认意见。
2 技术要求2.1 规程和标准单层防雨铝合金百叶窗及其附件的设计、制造、喷涂、检验、测试和包装应符合有关的标准及规,用于它的制作材料由投标方推荐,除非招标方另有规定。
投标方所采用的包括但不限于下列标准及规,并应在投标文件中列出所采用的全部标准及规清单。
JB5171-85 《小功率电动机通用技术条件》BS848 《铝合金通风百叶窗》2.2 设备性能要求2.2.1铝合金百叶窗的设计、制造、安装,应保证在设备允许使用条件下能安全、可靠运行。
2.2.2铝合金百叶窗本体要求牢固、可靠,能简便地安装,同时百叶窗应满足本工程抗震的有关规定。
2.2.3所有铝合金百叶窗均应由带集水沟的防雨叶片、带滴水框的侧框架等组成,设置防护网罩。
华能金陵电厂二期工程(2×1030MW)超超临界燃煤发电机组之马矢奏春创作单层防雨铝合金百叶窗技术要求1 设备规范1.1 单层防雨铝合金百叶窗的基本参数要求:1.1.1 功能:单层防雨、防尘;1. 调节方式:无(固定防雨叶片)1. 85;1. 干工况下阻力系数:≯3.05(进风风速为3m/s);1. 干工况下阻力(Pa):≯18.0(进风风速为3m/s);1. 湿工况下阻力系数:≯3.22(进风风速为3m/s);1. 湿工况下阻力(Pa):≯19.0(进风风速为3m/s);1. 百叶窗过水量(g/kg):≯1.06 (进风风速为3m/s)1. 承受最大风速(m/s):不小于30;1. 装置方式:法兰式或嵌入式,具体方式在后继的技术联络中明确。
1.2 铝合金百叶窗的数量及控制系统设置根据百叶窗的安插方式,规格如下:1 上述百叶窗规格系指招标方的装置留孔尺寸。
1 表中单元窗规格为建议规格,投标方可依据自己的企业尺度进行调整,调整后的尺寸应征得设计同意。
1 百叶窗的规格和数量在施工图进行过程中可能出现微调,投标方在安插生产前应取得设计院的确认意见。
2 技术要求2.1 规程和尺度单层防雨铝合金百叶窗及其附件的设计、制造、喷涂、检验、测试和包装应符合有关的尺度及规范,用于它的制作资料由投标方推荐,除非招标方另有规定。
投标方所采取的包含但不限于下列尺度及规范,并应在投标文件中列出所采取的全部尺度及规范清单。
JB5171-85 《小功率电动机通用技术条件》BS848 《铝合金通风百叶窗》2.2 设备性能要求2.铝合金百叶窗的设计、制造、装置,应包管在设备允许使用条件下能平安、可靠运行。
2.铝合金百叶窗本体要求牢固、可靠,能简便地装置,同时百叶窗应满足本工程抗震的有关规定。
2.所有铝合金百叶窗均应由带集水沟的防雨叶片、带滴水框的侧框架等组成,设置防护网罩。
防护网罩应采取304不锈钢网制作。
防护网罩应能方便的装配,便于清洁。
本工程标段划分铝合金百叶、室外栏杆技术标准一、工程概括哈尔滨群力新区11#、12#地块项目位于黑龙江省哈尔滨市群力新区群力大道,朗江路、群力第二大道的围合地段,总建筑面积为300818.23m2。
二、工程承包范围工程范围内栏杆、铝合金百叶的制作及安装工程。
栏杆安装在设备平台及露台处,铝合金百叶安装位置在空调机位处。
包括材料采购、制作与总包配合、验收、维护和保养等工作。
三、施工工期要求及标段划分2013年7月15日前加工完成,2013年7月25日进场安装,2013年8月15日前完成安装;中标单位的具体进场时间以建设单位下达的开工令为准,如因客观原因影响不能如期进场,为确保工程总体计划的按时完成,工期不予顺延。
中标单位因工期紧而采取的措施费(例如材料空运费等)及赶工费等均包括在商务报价中。
投标单位根据工期要求,在投标书中明确列出施工总工期及施工进度计划表。
全部工程保修期均为自工程竣工之日起满2年。
如有部分增加工程量或公司要求提前完成,业主在提前3天通知情况下,中标单位应及时配合满足。
具体的进场时间发包方将根据现场实际总体施工进程进行调整,但施工周期(工期)仍必须满足以上要求。
四、材料设备及配件要求4.1、本工程钢材使用国产名牌优质Q235型钢,材料按图纸规定选用,提供相应的质保书,并对选中的样品封样。
4.2铝合金百叶型材(1)铝合金百叶型材的基材应满足:铝合金牌号为6063-T5;型材的尺寸偏差精度等级为高精度级或超高精度级;(2)型材的其它性能应符合GB/T 5237.1-2000的要求。
(3)铝合金百叶喷涂应满足:粉末喷涂,涂层的光泽为哑光RD34%;铝型材表面涂装保护为:铝型材外露面为50-70μm厚粉末喷涂(颜色在铝型材采购前由甲方确定,除非投标方投标中已作说明,甲方颜色的确定均不增补费用),粉末喷涂料应采用阿克苏,诺贝尔品牌或相同档次品牌的产品,投标单位负责要求粉末喷涂料厂家向招标单位提供10年品质保证证书4.3窗户护栏10*50扁钢12*50扁钢6*40扁钢,因铁艺整体品质的高要求,生产加工工艺整体采用二氧化碳气体保护焊,表面喷砂除锈防腐镀锌处理,挂柔性腻子1-2遍、打磨-弹线、粉末喷涂(烤漆),工件要求:镀锌构件(磷化、脱脂、水洗、酸洗处理),粉末喷涂料应采用阿克苏.诺贝尔品牌或相同档次品牌的产品五、设计、制作、安装及施工要求5.1设计要求■图纸要求:栏杆、百叶正式施工前承包商应先根据招标要求细化安装节点及安装施工图交星浩地产项目部确认,而后应分别给总包(三方合同情况)、监理及星浩项目部各一套。
华能金陵电厂二期工程(2X1030MW)超超临界燃煤发电机组单层防雨铝合金百叶窗技术要求1设备规1.1单层防雨铝合金百叶窗的基本参数要求:1.1.1功能:单层防雨、防尘;1.1.2调节方式:无(固定防雨叶片)1.1.3百叶窗的有效面积系数:不小于0. 585;1.1.4干工况下阻力系数:>3.05(进风风速为3m/s);1.1.5干工况下阻力(Pa): >18.0(进风风速为3m/s);1.1.6湿工况下阻力系数:>3.22(进风风速为3m/s);1. 1.7湿工况下阻力(Pa): >19.0(进风风速为3m/s);1. 1. 8百叶窗过水量(g/kg): >1. 06 (进风风速为3m/s)1. 1. 9承受最大风速(m/s):不小于30;1.1.10安装方式:法兰式或嵌入式,具体方式在后继的技术联络中明确。
1.2铝合金百叶窗的数量及控制系统设置1.3有关技术参数的说明1.3.1上述百叶窗规格系指招标方的安装留孔尺寸。
1.3.3表中单元窗规格为建议规格,投标方可依据自己的企业标准进行调整,调整后的尺寸应征得设计同意。
1.3.4百叶窗的规格和数量在施工图进行过程中可能出现微调,投标方在安排生产前应取得的确认意见。
2技术要求2.1规程和标准单层防雨铝合金百叶窗及其附件的设计、制造、喷涂、检验、测试和包装应符合有关的标准及规,用于它的制作材料由投标方推荐,除非招标方另有规定。
投标方所采用的包括但不限于下列标准及规,并应在投标文件中列出所采用的全部标准及规清单。
JB5171-85《小功率电动机通用技术条件》BS848《铝合金通风百叶窗》2.2设备性能要求2.2. 1铝合金百叶窗的设计、制造、安装,应保证在设备允许使用条件下能安全、可靠运行。
2.2.2铝合金百叶窗本体要求牢固、可靠,能简便地安装,同时百叶窗应满足本工程抗震的有关规定。
2.2.3所有铝合金百叶窗均应由带集水沟的防雨叶片、带滴水框的侧框架等组成,设置防护网罩。
铝合金翻板百叶窗示意图铝合金翻板百叶窗技术标准产品简介与适用范围1-1 产品简介1铝合金翻板百叶窗以百叶窗为原型,对多功能活动百叶窗及墙体的技术研究制作而成的复合型产品。
通过窗和墙体的合理组合,达到采光与遮阳、通风与透气、散热与保暖、开启与密闭、防盗与装饰等功能的协调、统一。
具有通风、散热、换气、采光、遮阳、防盗等特点。
2百叶窗百叶可分为手动、电动或感应自动控制方式。
1-2 应用范围适用于需要遮阳、采光、通风、排烟的建筑(公共建筑、工厂、住宅)。
术语与定义2-1 主型材用于制作铝合金窗边框、百叶片和组合窗的拼接型材。
2-2 辅型材铝合金窗构件体系中,镶嵌或固定在主型材上的辅助构件,起到传力或某种功能作用的附加型材。
2-3 主要受力杆件铝合金窗立面内承受并传递窗自重力和水平风荷载等作用力的框、百叶片和组合窗拼樘框型材。
2-4 型材截面主要受力部位铝合金窗主型材横截面中承受垂直和水平方向荷载作用力的腹板、翼缘或固定其他构件的连接受力部位。
2-5 干法安装墙体窗洞口预先安置附加金属外框并对墙体缝隙进行填充、防水密封处理,在墙体洞口表面装饰湿作业完成后,将铝合金窗固定在金属附框上的安装方法。
2-6 湿法安装将铝合金窗直接安装在未经表面装饰的墙体窗洞口上,在墙体表面湿作业装饰时对铝合金窗洞口间隙进行填充和防水密封处理。
材料标准3-1 铝合金型材3-1-1 铝合金窗工程用铝合金型材的合金牌号、供应状态、化学成分、力学性能、尺寸允许偏差应符合现行国家标准《铝合金建筑型材第1部分:基材》GB 5237.1第5.4项的规定。
型材横截面尺寸允许偏差可选用普通级,有配合要求时应选用高精级或超高精级。
3-1-2 铝合金窗主型材的壁厚应经计算或试验确定,除压条、扣板等需要弹性装配的型材外,窗用主型材主要受力部位基材截面最小实测壁厚不应小于1.4mm。
3-1-3 铝合金型材表面处理除应符合现行国家标准《铝合金建筑型材第2部分:阳极氧化型材》GB 5237.2第4.4项《铝合金建筑型材第3部分:电泳涂漆型材》GB 5237.3第5.5项《铝合金建筑型材第4部分:粉末喷涂型材》GB 5237.4第5.4项《铝合金建筑型材第5部分:氟碳漆喷涂型材》GB 5237.5第4.5项目的规定外,尚应符合下列规定:1 阳极氧化型材:阳极氧化膜膜厚应符合AA15级要求,氧化膜平均膜厚不应小于15μm;2 电泳涂漆型材:阳极氧化符合膜,表面漆膜采用透明漆应符合B级要求,复合膜局部膜厚不应小于16μm。
表面漆膜采用有色漆应符合S级要求,复合膜局部膜厚不应小于21μm;3 粉末喷涂型材:装饰面上涂层最小局部厚度应大于40μm;4 氟碳漆喷涂型材:二涂层氟碳漆膜,装饰面平均漆膜厚度不应小于30μm。
三层氟碳漆膜,装饰面平均漆膜厚度不应小于40μm。
3-1-4 铝合金隔热型材除应符合现行行业标准《建筑用隔热铝合金型材穿条式》JG/T 175《建筑用硬质塑料隔热条》JG/T 174的规定外,尚应符合下列规定:1 穿条工艺的复合铝型材其隔热材料应使用聚酰胺66加25%玻璃纤维,不得使用PVC材料;2 浇注工艺的复合铝型材其隔热材料应使用高密度聚氨基甲酸乙酯材料。
3-2 密封材料3-2-1 铝合金窗用密封胶条应符合现行行业标准《建筑门窗用密封胶条》JG/T 187的规定,密封胶条宜使用硫化橡胶类材料或热塑性弹性体类材料。
3-2-2 铝合金窗用密封毛条应符合现行行业标准《建筑门窗密封毛条技术条件》JC/T 635规定,毛条的毛束应经过硅化处理,宜使用加片型密封毛条。
3-2-3 铝合金窗框与洞口之间的密封胶应符合国家现行标准《硅酮建筑密封胶》GB/T 14683、《丙烯酸酯建筑封胶》JC/T 484的规定。
3-3 五金件、紧固件3-3-1 铝合金窗工程用五金件应满足窗功能要求和耐久性要求,合页、滑撑、滑轮等五金件的选用应满足窗承载力要求,五金件应符合现行行业标准《建筑门窗五金件通用要求》JG/T 212的规定。
3-3-2 铝合金窗工程连接用螺钉、螺栓宜使用不锈钢紧固件。
铝合金窗受力构件之间的连接不得采用铝合金抽芯铆钉。
3-3-3 铝合金窗五金件、紧固件用钢材宜用奥氏体不锈钢材料、黑色金属材料根据使用要求应选用热浸镀锌、电镀锌、防锈涂料等有效防腐处理。
3-4 其他3-4-1 铝合金窗框与洞口间采用泡沫填缝剂做填充时,宜采用聚氨酯泡沫填缝胶。
固化后的聚氨酯泡沫胶缝表面应做密封处理。
建筑设计标准4-1 一般规定4-1-1 铝合金窗工程设计应符合建筑物所在地的气候、环境和建筑物的功能及装饰等要求。
4-1-2 铝合金窗的热工性能应根据不同建筑气候分区对建筑的基本要求确定,并应符合相关建筑节能设计标准的有关规定。
4-1-3 铝合金窗的性能、等级应由建筑设计确定,并应符合现行国家标准《铝合金门窗》GB/T 8478的有关规定。
4-1-4 铝合金窗应满足设计规定的耐久性要求。
4-1-5铝合金窗洞口宽度常用规格尺寸为:600、900、1200、1500、1800、2100、2400、2700、3000、3600、4200、4800、5400、6000mm4-1-5 铝合金窗洞口高度常用规格尺寸为:600、900、1200、1500、1800、2100、2400、2700、3000。
4-2 铝合金窗立面设计4-2-1 铝合金窗的宽、高构造尺寸,应根据天然采光设计确定的房间有效采光面积和建筑节能要求的窗墙面积比等因素综合确定。
4-2-2 铝合金窗的立面分格尺寸,应根据开启扇允许最大宽、高尺寸,并考虑玻璃原片的成材率等综合确定。
4-2-3 铝合金窗开启形式和开启面积比例,可根据各类用房的使用特点确定,并应满足房间自然通风,以及启闭、清洁、维修的方便性和安全性的要求。
4-2-4 铝合金窗的立面造型、质感、色彩等应与建筑外立面及周围环境和室内环境协调。
4-3 反复启闭性能4-3-1 铝合金窗的反复启闭性能应根据设计使用年限确定,且铝合金窗的反复启闭次数不应少于1万次。
4-3-2 经反复启闭性能检测试验后的窗,应启闭无异常、使用无障碍,并应能保持正常使用功能。
4-3-3 启闭频繁或设计使用年限要求高的铝合金窗,其反复启闭性能可根据实际需要,适当提高反复启闭的设计次数。
4-4 抗风压性能4-4-1建筑外铝合金窗的抗风压性能指标值(P3)应按不低于铝合金窗所受的风荷载标准值(W k)确定,且不应小于1.0kN/m²。
4-4-2 抗风压性能分级及指标值应符合下表规定:4-4-3 铝合金窗主要受力杆件在风荷载标准值作用下的挠度限值不大于20mm。
4-5 水密性能4-5-1 铝合金窗水密性能分级及指标值应符合下表规定:4-5-2 铝合金窗水密性能构造设计宜采取下列措施:1 在窗水平缝隙上方设置一定宽度的披水条;2 下框室内侧翼缘设计有足够高度的挡水槽;3 合理设置窗排水孔,保证排水系统的通畅;4 对窗型材构件连接缝隙、附件装配缝隙、螺栓、螺钉孔采取密封防水措施;5 提高窗杆件刚度,采用多道密封和多点锁紧装置,加强窗可开启部分密封防水性能;6 窗框与洞口墙体的安装间隙进行防水密封处理,窗下框与洞口墙体之间设置披水板。
4-5-3 铝合金窗洞口墙体外表面应有排水措施,外墙窗楣应做滴水线或滴水槽,窗台面应做成流水坡度,滴水槽的宽度和深度均不应小于100mm。
建筑外窗宜与外墙外表面有一定距离。
4-6 气密性能4-6-1 气密性能指标即单位开启缝长或单位面积空气渗透量可分为正压和负压下测量的正值和负值。
性能要求铝合金窗试件在标准状态下,压力差为10Pa时的单位开启缝长空气渗透量q1不应超过下表中各分级相应的指标值。
4-6-2 铝合金窗气密性能分级及指标绝对值应符合下表规定:4-6-3 铝合金窗气密性能构造设计宜采取下列措施:1 合理设计铝合金窗的构造形式,提高窗缝隙空气渗透阻力;2 密封胶条、密封毛条的设计应连续,形成四周封闭的密封结构;3 铝合金窗构件连接部位和五金件装配部位,应采用密封材料进行妥善的密封处理。
4-6-4 公共建筑外窗气密性能设计指标应符合现行国家标准:《公共建筑节能设计标准》GB 50189《严寒和寒冷地区居住建筑节能设计标准》JGJ 26《夏热冬冷地区居住建筑节能设计标准》JGJ 134《夏热冬暖地区居住建筑节能设计标准》JGJ 754-7 保温性能4-7-1 热保温性能指标以传热系数K值表示。
保温性能分级及指标值分别应符合下表规定:4-7-2 铝合金窗的传热系数应符合下列规定:《公共建筑节能设计标准》GB50189《严寒和寒冷地区居住建筑节能设计标准》JGJ 26《夏热冬冷地区居住建筑节能设计标准》JGJ 134《夏热冬暖地区居住建筑节能设计标准》JGJ 754-8 遮阳性能4-8-1 遮阳性能指标—遮阳系数SC为采用JGJ/T 151 规定的夏季标准计算条件,并按该规程计算所得值。
4-8-2 遮阳性能分级及指标值SC应符合下表规定:4-8-3 窗户的遮阳系数应符合下列规定:《夏热冬暖地区居住建筑节能设计标准》JGJ 75《公共建筑节能设计标准》GB 501894-8-4 有保温隔热性能要求的铝合金窗宜采取下列措施进行构造设计降低窗传热系数:1 采用有断桥结构的隔热铝合金型材;2 采用中空玻璃、低辐射镀膜玻璃、真空玻璃;3 提高铝合金窗的气密性能;4 采用双重窗设计;5 窗框与洞口墙体之间的安装缝隙进行保温处理。
4-9 采光性能4-9-1 外窗采光性能以透光折减系数Tr表示,其分级及指标值符合下表规定:4-9-2 建筑外窗的透光折减系数(Tr)应根据现行国家标准《建筑采光设计标准》GB/T 50033的规定确定。
有天然采光要求的,其透光折减系数应大于0.45。
同时有遮阳性能要求的外窗,应综合考虑遮阳系数的要求确定。
4-9-3 外窗采光性能构造设计宜采取下列措施:1 窗的立面设计尽可能减少窗的框架与整窗的面积比;2 按窗的采光性能要求合理选配玻璃;3 窗立面分格的开启形式满足窗户日常清洗的方便性。
4-10 隔声性能4-10-1 建筑外窗以“计权隔声和交通噪声频谱修正量之和(R w+C tr)”作为分级指标;内窗以“计权隔声量和粉红噪声频谱修正量之和(R w+C)”作为分级指标。
4-10-1 窗户的空气声隔声性能分级及指标值应符合下表规定:1 临街的外窗和住宅建筑外窗不应低于30dB;2 其他窗不应低于25dB。
4-10-2 建筑窗空气声隔声性能设计指标,应根据建筑物各种用房的允许噪声级标准和室外噪声环境或相邻房间噪声环境情况,以及外围护墙体或隔墙的隔声性能确定。
4-11 启闭力4-11-1 建筑窗应在不超过50N的启、闭力作用下,能灵活开启和关闭。