热敏电阻技术参数
- 格式:docx
- 大小:35.41 KB
- 文档页数:4
NTC热敏电阻特性参数基本知识热敏电阻分为两类,分别为:1.NTC负温度系数热敏电阻2.PTC正温度系数热敏电阻热敏电阻的物理特性用下列参数表示:电阻值、B值、耗散系数、热时间常数、电阻温度系数。
电阻值:R〔Ω〕电阻值的近似值表示为:R2=R1exp[1/T2-1/T1]其中: R2:绝对温度为T2〔K〕时的电阻〔Ω〕R1:绝对温度为T1〔K〕时的电阻〔Ω〕B: B值〔K〕B值:B〔k〕B值是电阻在两个温度之间变化的函数,表达式为:B= InR1-InR2 =2.3026(1ogR1-1ogR2)1/T1-1/T2 1/T1-1/T2其中: B: B值〔K〕R1:绝对温度为T1〔K〕时的电阻〔Ω〕R2:绝对温度为T2〔K〕时的电阻〔Ω〕耗散系数:δ〔mW/℃〕耗散系数是物体消耗的电功与相应的温升值之比δ= W/T-Ta = I2 R/T-Ta 其中:δ:耗散系数δ〔mW/℃〕W:热敏电阻消耗的电功〔mW〕T:达到热平衡后的温度值〔℃〕Ta: 室温〔℃〕I: 在温度T时加热敏电阻上的电流值〔mA〕R: 在温度T时加热敏电阻上的电流值〔KΩ〕在测量温度时,应注意防止热敏电阻由于加热造成的升温。
热时间常数:τ〔sec.〕热敏电阻在零能量条件下,由于步阶效应使热敏电阻本身的温度发生改变,当温度在初始值和最终值之间改变63.2%所需的时间就是热时间系数τ。
电阻温度系数:α〔%/℃〕α是表示热敏电阻器温度每变化1oC,其电阻值变化程度的系数〔即变化率〕,用α=1/R?dR/dT 表示,计算式为:α = 1/R?dR/dT×100 = -B/T2×100其中:α:电阻温度系数〔%/℃〕R:绝对温度T〔K〕时的电阻值〔Ω〕B: B值〔K〕热敏电阻是开发早、种类多、发展较成熟的敏感元器件.热敏电阻由半导体陶瓷材料组成,利用的原理是温度引起电阻变化.若电子和空穴的浓度分别为n、p,迁移率分别为μn、μp,则半导体的电导为:σ=q(nμn pμp)因为n、p、μn、μp都是依赖温度T的函数,所以电导是温度的函数,因此可由测量电导而推算出温度的高低,并能做出电阻-温度特性曲线.这就是半导体热敏电阻的工作原理.热敏电阻包括正温度系数(PTC)和负温度系数(NTC)热敏电阻,以及临界温度热敏电阻(CTR).它们的电阻-温度特性如图1所示.热敏电阻的主要特点是:①灵敏度较高,其电阻温度系数要比金属大10~100倍以上,能检测出10-6℃的温度变化;②工作温度范围宽,常温器件适用于-55℃~315℃,高温器件适用温度高于315℃(目前最高可达到2000℃),低温器件适用于-273℃~55℃;③体积小,能够测量其他温度计无法测量的空隙、腔体及生物体内血管的温度;④使用方便,电阻值可在0.1~100kΩ间任意选择;⑤易加工成复杂的形状,可大批量生产;⑥稳定性好、过载能力强.由于半导体热敏电阻有独特的性能,所以在应用方面,它不仅可以作为测量元件(如测量温度、流量、液位等),还可以作为控制元件(如热敏开关、限流器)和电路补偿元件.热敏电阻广泛用于家用电器、电力工业、通讯、军事科学、宇航等各个领域,发展前景极其广阔.一、PTC热敏电阻PTC(Positive Temperature Coeff1Cient)是指在某一温度下电阻急剧增加、具有正温度系数的热敏电阻现象或材料,可专门用作恒定温度传感器.该材料是以BaTiO3或SrTiO3或PbTiO3为主要成分的烧结体,其中掺入微量的Nb、Ta、Bi、Sb、Y、La等氧化物进行原子价控制而使之半导化,常将这种半导体化的BaTiO3等材料简称为半导(体)瓷;同时还添加增大其正电阻温度系数的Mn、Fe、Cu、Cr的氧化物和起其他作用的添加物,采用一般陶瓷工艺成形、高温烧结而使钛酸铂等及其固溶体半导化,从而得到正特性的热敏电阻材料.其温度系数及居里点温度随组分及烧结条件(尤其是冷却温度)不同而变化.钛酸钡晶体属于钙钛矿型结构,是一种铁电材料,纯钛酸钡是一种绝缘材料.在钛酸钡材料中加入微量稀土元素,进行适当热处理后,在居里温度附近,电阻率陡增几个数量级,产生PTC效应,此效应与BaTiO3晶体的铁电性及其在居里温度附近材料的相变有关.钛酸钡半导瓷是一种多晶材料,晶粒之间存在着晶粒间界面.该半导瓷当达到某一特定温度或电压,晶体粒界就发生变化,从而电阻急剧变化.钛酸钡半导瓷的PTC效应起因于粒界(晶粒间界).对于导电电子来说,晶粒间界面相当于一个势垒.当温度低时,由于钛酸钡内电场的作用,导致电子极容易越过势垒,则电阻值较小.当温度升高到居里点温度(即临界温度)附近时,内电场受到破坏,它不能帮助导电电子越过势垒.这相当于势垒升高,电阻值突然增大,产生PTC效应.钛酸钡半导瓷的PTC效应的物理模型有海望表面势垒模型、丹尼尔斯等人的钡缺位模型和叠加势垒模型,它们分别从不同方面对PTC效应作出了合理解释.实验表明,在工作温度范围内,PTC热敏电阻的电阻-温度特性可近似用实验公式表示:RT=RT0expBp(T-T0)式中RT、RT0表示温度为T、T0时电阻值,Bp为该种材料的材料常数.PTC效应起源于陶瓷的粒界和粒界间析出相的性质,并随杂质种类、浓度、烧结条件等而产生显著变化.最近,进入实用化的热敏电阻中有利用硅片的硅温度敏感元件,这是体型且精度高的PTC热敏电阻,由n型硅构成,因其中的杂质产生的电子散射随温度上升而增加,从而电阻增加.PTC热敏电阻于1950年出现,随后1954年出现了以钛酸钡为主要材料的PTC热敏电阻.PTC热敏电阻在工业上可用作温度的测量与控制,也用于汽车某部位的温度检测与调节,还大量用于民用设备,如控制瞬间开水器的水温、空调器与冷库的温度,利用本身加热作气体分析和风速机等方面.下面简介一例对加热器、马达、变压器、大功率晶体管等电器的加热和过热保护方面的应用。
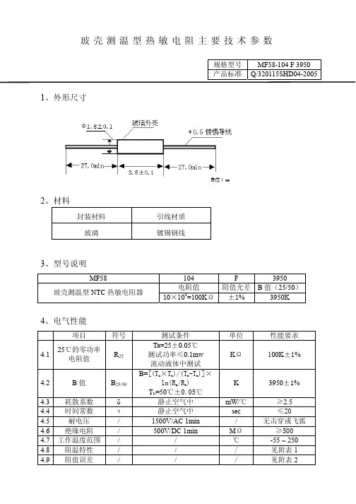
玻壳测温型热敏电阻主要技术参数规格型号MF58-104 F 3950产品标准 Q/320115SHD04-20051、外形尺寸2、材料封装材料引线材质玻璃镀锡钢线3、型号说明MF58 104F3950电阻值阻值允差B值(25/50)玻壳测温型NTC热敏电阻器10×104=100KΩ±1% 3950K4、电气性能项目符号测试条件单位性能要求4.1 25℃的零功率电阻值R25Ta=25±0.05℃测试功率≤0.1mw流动液体中测试KΩ 100K±1%4.2 B值B25/50B=[(T a×T b)/(T b-T a)]×ln(Ra/Rb)T b=50℃±0.05℃K 3950±1%4.3 耗散系数δ静止空气中 mW/℃≥2.5 4.4 时间常数τ静止空气中 sec ≤204.5 耐电压 / 1500V/AC1min / 无击穿或飞弧4.6 绝缘电阻 / 500V/DC1min MΩ≥500 4.7 工作温度范围 / / ℃-55 ~ 250 4.8 阻温特性 / / / 见附表1 4.9 阻值误差 / / / 见附表25、可靠性能试验6、焊接、使用条件6.1焊接时,焊接处距电阻体根部至少6mm ,焊接温度应低于350℃,焊接时间应尽量短。
6.2将产品引线裁剪成所需要的长度时,注意最小长度≥8mm。
6.3引线弯曲时弯曲点应距坡壳端2mm 以上,以免造成玻壳损伤。
7、储存条件7.1储存温度:-10℃ ~ 40℃;7.2储存湿度:≤75% RH ;7.3避免存放在具有腐蚀性气体及光照的环境下;7.4包装打开后需重新密封保存;项目 测试条件及方法 技术要求 5.1可焊性 将引线浸入235±5℃的锡液中,锡面距本体6mm 以上,时间2~3秒 焊料在引线浸入部分表面涂布均匀、光滑,面积在95%以上 5.2耐焊接热 将引线浸入265±5℃的锡液中,液面距电阻体6mm ,时间5±1秒 无可见性损伤, R 25 ΔR/R≤±2% 5.3引线拉伸 固定电阻端,拉力:20±1 N , 时间:10±1秒 无可见性损伤, R 25 ΔR/R≤±2% 5.4温度快速变化 -55℃20min→25℃5min→250℃20min →25℃5min,反复5次 无可见性损伤, R 25 ΔR/R≤±2% 5.5寒冷 温度:-55℃±5℃,时间:1000小时无可见性损伤, R 25 ΔR/R≤±2% 5.6 低气压 气压:40±0.1Kpa,时间:4小时 无可见性损伤,R 25 ΔR/R≤±2%5.7 稳态温热 温度:60℃±1℃,湿度:95±2%, 时间:1000小时 无可见性损伤,R 25 ΔR/R≤±2%,耐电压≥150/AC 1min绝缘电阻≥10M Ω5.8 交变湿热 温度:25~40℃,湿度:90±2%, 时间:24小时 无可见性损伤,R 25 ΔR/R≤±2%,耐电压≥700/AC 1min绝缘电阻≥500M Ω5.9 上限类别温度下零功耗的耐久性 温度: 250℃±5℃, 时间:1000±24小时 无可见性损伤,R 25 ΔR/R≤±2%5.10 振动 频率范围:10~500HZ ,振幅:1.5mm 或98m/S 2,时间2小时 无可见性损伤,R 25 ΔR/R≤±2%5.11 碰撞加速度:250m/S 2,脉冲持续时间:6mS ,碰撞次数:4000次 无可见性损伤,R 25 ΔR/R≤±2%8、认证8.1 质量管理体系认证 ISO9001:2000 (01107Q10009R2M)8.2 环境管理体系认证 ISO14001:2004 (01107E2002R0M))8.3 环保检测报告 ROSH (NO. SH9029010/CHEM) 8.4 环保检测报告 REACH (SHR09050693473001C)8.5 产品CQC认证 (CQC09001033986)8.6 安规认证UL 1434认证 (File # E240991)8.7江苏省高新技术产品认证 (090115G0149N)附表:1南京时恒阻温特性表R25=100KΩ 精度:±1% B25/50=3950K B25/85=4092K 精度:±1%(P182-6B2)电阻(KΩ) 电阻精度(%) 温度精度(℃)温度(℃)最小值 中心值 最大值 △R -△R △T -△T -5520623.500 21986.100 23436.400 6.596 -6.197 0.715 -0.672 -5417809.100 18957.600 20178.200 6.438 -6.058 0.712 -0.670 -5315466.500 16440.600 17474.200 6.287 -5.924 0.709 -0.668 -5213504.600 14335.400 15215.800 6.141 -5.795 0.706 -0.666 -5111851.500 12564.000 13318.100 6.001 -5.671 0.703 -0.664 -5010450.700 11064.900 11714.100 5.867 -5.551 0.699 -0.662 -499257.290 9789.400 10351.000 5.737 -5.435 0.696 -0.659 -488235.230 8698.310 9186.510 5.612 -5.323 0.692 -0.657 -477355.590 7760.350 8186.560 5.492 -5.215 0.689 -0.654 -466594.960 6950.200 7323.840 5.375 -5.111 0.685 -0.651 -455934.270 6247.250 6576.080 5.263 -5.009 0.681 -0.649 -445357.900 5634.670 5925.140 5.155 -4.911 0.678 -0.646 -434853.030 5098.620 5356.100 5.049 -4.816 0.674 -0.643 -424409.040 4627.670 4856.660 4.948 -4.724 0.670 -0.639 -414017.110 4212.340 4416.620 4.849 -4.634 0.666 -0.636 -403669.900 3844.740 4027.520 4.753 -4.547 0.662 -0.633 -393361.230 3518.250 3682.230 4.660 -4.462 0.657 -0.630 -383085.930 3227.300 3374.810 4.570 -4.380 0.653 -0.626 -372839.610 2967.200 3100.210 4.482 -4.300 0.649 -0.622 -362618.550 2733.970 2854.190 4.397 -4.221 0.644 -0.619 -352419.590 2524.220 2633.120 4.314 -4.145 0.640 -0.615 -342240.020 2335.070 2433.910 4.232 -4.070 0.635 -0.611 -332077.520 2164.020 2253.910 4.153 -3.997 0.631 -0.607 -321930.090 2008.970 2090.850 4.076 -3.926 0.626 -0.603 -311796.020 1868.050 1942.780 4.000 -3.856 0.621 -0.599 -301673.800 1739.690 1808.000 3.926 -3.787 0.616 -0.594 -291562.140 1622.510 1685.040 3.854 -3.720 0.611 -0.590 -281459.910 1515.290 1572.610 3.783 -3.654 0.606 -0.585 -271366.120 1417.000 1469.610 3.713 -3.590 0.601 -0.581 -261279.910 1326.700 1375.060 3.645 -3.526 0.596 -0.576 -251200.520 1243.600 1288.100 3.578 -3.464 0.590 -0.571 -241127.280 1166.990 1207.980 3.512 -3.402 0.585 -0.567 -231059.590 1096.230 1134.020 3.447 -3.342 0.579 -0.562 -22996.936 1030.770 1065.650 3.383 -3.282 0.574 -0.5570.568 -0.5523.321 -3.224-21938.848 970.126 1002.3400.562 -0.5463.259 -3.166-20884.914 913.850 943.6373.198 -3.1090.557 -0.541-19834.767 861.555 889.1143.138 -3.0520.551 -0.536-18788.078 812.895 838.4090.545 -0.530-17744.551 767.557 791.1943.079 -2.997R25=100KΩ 精度:±1% B25/50=3950K B25/85=4092K 精度:±1%(P182-6B2)温度(℃)电阻(KΩ) 电阻精度(%) 温度精度(℃)最小值 中心值 最大值 △R -△R △T -△T3.021 -2.9420.539 -0.525-16703.923 725.262 747.1732.963 -2.8870.533 -0.519-15665.955 685.759 706.0820.526 -0.5132.906 -2.834-14630.435 648.823 667.6810.520 -0.5072.850 -2.780-13597.168 614.249 631.7560.514 -0.5022.794 -2.728-12565.979 581.853 598.1122.739 -2.6750.507 -0.496-11536.711 551.468 566.5752.684 -2.6240.501 -0.490-10509.220 522.943 536.9830.494 -0.4832.630 -2.573-9483.374 496.140 509.1922.577 -2.5220.488 -0.477-8459.056 470.934 483.0710.481 -0.4712.524 -2.471-7436.156 447.211 458.4992.471 -2.4210.474 -0.465-6414.576 424.866 435.3672.419 -2.3720.467 -0.458-5394.224 403.803 413.5740.460 -0.4522.367 -2.322-4375.018 383.937 393.0282.316 -2.2740.453 -0.445-3356.881 365.185 373.6452.265 -2.2250.446 -0.438-2339.742 347.475 355.3480.439 -0.4312.215 -2.177-1323.538 330.738 338.0650.432 -0.4252.165 -2.1290308.207 314.913 321.7312.115 -2.0810.425 -0.4181293.697 299.940 306.2850.417 -0.4112.066 -2.0342279.954 285.767 291.6710.410 -0.4043266.934 272.345 277.8382.017 -1.9860.402 -0.3961.968 -1.9404254.590 259.627 264.7371.919 -1.8930.395 -0.3895242.884 247.572 252.3251.871 -1.8470.387 -0.3826231.778 236.139 240.5590.379 -0.3741.823 -1.8007221.236 225.293 229.4020.371 -0.3671.776 -1.7548211.226 214.999 218.8170.364 -0.3591.728 -1.7099201.717 205.225 208.7721.681 -1.6630.356 -0.35210192.681 195.941 199.2361.634 -1.6180.348 -0.34411184.092 187.121 190.1800.340 -0.3361.588 -1.57312175.925 178.737 181.5761.541 -1.5280.331 -0.32813168.157 170.767 173.4000.323 -0.3201.495 -1.48314160.766 163.187 165.6281.449 -1.4390.315 -0.31215153.731 155.976 158.2371.404 -1.3940.306 -0.30416147.034 149.114 151.2080.298 -0.2961.358 -1.35017140.657 142.582 144.5201.313 -1.3060.289 -0.28718134.582 136.364 138.1551.268 -1.2620.280 -0.27919128.794 130.442 132.0970.271 -0.2701.224 -1.21920123.279 124.800 126.3280.262 -0.26121118.021 119.425 120.8341.179 -1.1751.135 -1.1320.252 -0.25122113.009 114.303 115.6000.240 -0.24023108.229 109.420 110.6141.090 -1.089R25=100KΩ 精度:±1% B25/50=3950K B25/85=4092K 精度:±1%(P182-6B2)温度(℃)电阻(KΩ) 电阻精度(%) 温度精度(℃)最小值 中心值 最大值 △R -△R △T -△T0.224 -0.2231.047 -1.04624103.669 104.765 105.8620.215 -0.2151.000 -1.0002599.000 100.000 101.000-0.2610.2612695.092 96.091 97.091-1.0391.0400.263-0.263-1.0811.0832791.055 92.051 93.049-0.2710.271-1.124 2887.205 88.197 89.1911.1260.281-1.166-0.2811.1702983.532 84.518 85.5070.292-0.291-1.208 3080.028 81.007 81.989 1.212-0.3020.3033176.683 77.654 78.629-1.2501.2550.315-0.313-1.2911.2983273.491 74.453 75.419-1.333-0.3240.3261.3403370.444 71.395 72.353-0.3360.338-1.374 3467.534 68.475 69.4221.3830.350-1.415-0.3481.4253564.755 65.684 66.6210.362-1.456-0.3591.4673662.101 63.018 63.9430.374-0.371-1.4961.5093759.565 60.470 61.3830.386-0.383-1.5371.5513857.142 58.035 58.935-0.3950.398-1.577 3954.827 55.706 56.5931.5920.411-1.617-0.4071.6344052.615 53.480 54.3540.423-1.657-0.4191.6754150.500 51.351 52.2110.436-0.431-1.6971.7164248.477 49.314 50.1610.448-0.443-1.7371.7574346.544 47.366 48.199-0.4550.461-1.776 4444.694 45.503 46.3211.7980.474-1.815-0.4681.8394542.925 43.719 44.5230.487-1.854-0.4801.8794641.233 42.012 42.8020.500-0.493-1.8931.9204739.614 40.379 41.154-0.5050.513-1.932 4838.065 38.815 39.5761.960-0.5180.526-1.971 4936.582 37.317 38.0642.0000.539-2.009-0.5312.0405035.162 35.884 36.6160.552-2.047-0.5442.0805133.803 34.510 35.2280.566-0.556-2.0852.1195232.502 33.195 33.8980.579-0.5692.159-2.123 5331.256 31.934 32.624-0.5820.592-2.161 5430.063 30.727 31.4022.1980.606-2.198-0.5952.2385528.919 29.570 30.2310.620-2.236-0.6092.2775627.824 28.461 29.1090.633-0.622-2.2732.3165726.774 27.397 28.0320.647-0.6352.354-2.310 5825.769 26.378 26.999-0.6480.661-2.347 5924.804 25.401 26.0092.393-2.384-0.6620.6752.4326023.880 24.464 25.059-2.420-0.6750.6892.4706122.994 23.565 24.1470.703-0.6892.5086222.144 22.702 23.272-2.457R25=100KΩ 精度:±1% B25/50=3950K B25/85=4092K 精度:±1%(P182-6B2)温度(℃)电阻(KΩ) 电阻精度(%) 温度精度(℃)最小值 中心值 最大值 △R -△R △T -△T-0.7020.7176321.329 21.875 22.432 2.546-2.4930.732-2.529-0.7162.5846420.548 21.081 21.6260.746-2.565-0.7302.6226519.798 20.319 20.8520.760-0.744-2.6002.6606619.078 19.588 20.109-0.7570.7752.697-2.636 6718.388 18.886 19.395-0.7710.790-2.671 6817.725 18.212 18.7102.7340.804-2.706-0.7852.7716917.089 17.565 18.0520.819-2.742-0.7992.8097016.479 16.943 17.4190.834-0.814-2.7762.8457115.892 16.346 16.812-0.8280.8492.882-2.811 7215.329 15.773 16.228-0.8420.864-2.846 7314.789 15.222 15.6662.9190.879-2.880-0.8562.9557414.269 14.692 15.1270.894-2.914-0.8712.9917513.770 14.184 14.6080.909-0.885-2.9483.0287613.291 13.694 14.1090.924-0.900-2.9823.0647712.830 13.224 13.629-0.9140.940-3.016 7812.387 12.772 13.1683.0990.955-3.050-0.9293.1357911.961 12.337 12.7240.971-3.083-0.9443.1718011.552 11.919 12.2970.986-0.959-3.1163.2068111.158 11.517 11.886-3.149-0.9741.0023.2418210.780 11.130 11.491-0.9891.018-3.182 8310.415 10.758 11.1103.2771.034-3.215-1.0043.3128410.065 10.400 10.7441.049-3.250-1.0183.348859.708 10.035 10.3711.066-1.034-3.2803.381869.404 9.723 10.052-1.0491.082-3.312 879.092 9.403 9.7253.416-1.0641.098-3.345 888.791 9.096 9.4103.4501.114-3.377-1.0803.484898.502 8.799 9.1061.130-3.408-1.0953.518908.224 8.514 8.8141.147-1.111-3.4403.552917.956 8.239 8.532-3.472-1.1261.1633.586927.697 7.974 8.260-1.1421.180-3.503 937.449 7.719 7.9993.6201.196-3.534-1.1573.653947.209 7.473 7.7461.213-3.565-1.1733.68795 6.978 7.236 7.5031.230-1.189-3.5963.72096 6.756 7.008 7.268-3.627-1.2051.2473.75397 6.541 6.787 7.0421.264-3.658-1.2213.78698 6.334 6.575 6.8241.281-1.237-3.6883.81999 6.135 6.370 6.6131.298-1.2533.852-3.719 100 5.943 6.173 6.410-3.749-1.2691.3153.884101 5.758 5.982 6.2141.332-1.2853.917102 5.579 5.798 6.025-3.779R25=100KΩ 精度:±1% B25/50=3950K B25/85=4092K 精度:±1%(P182-6B2)温度(℃)电阻(KΩ) 电阻精度(%) 温度精度(℃)最小值 中心值 最大值 △R -△R △T -△T-1.3021.3503.949103 5.406 5.621 5.843-3.809-1.318-3.8381.367104 5.240 5.449 5.6663.9811.385-3.868-1.3344.013105 5.080 5.284 5.4961.402-1.351-3.8984.045106 4.925 5.124 5.332-1.3681.4204.077-3.927 107 4.775 4.970 5.173-1.3841.438-3.956 108 4.631 4.822 5.0204.1091.455-3.985-1.4014.140109 4.491 4.678 4.8721.473-4.014-1.4184.172110 4.357 4.539 4.7291.491-1.434-4.0434.203111 4.227 4.405 4.5901.509-1.4514.234-4.071 112 4.101 4.276 4.457-1.4681.527-4.100 113 3.980 4.150 4.3284.2651.546-4.128-1.4854.296114 3.863 4.030 4.2031.564-4.156-1.5024.326115 3.750 3.913 4.0821.582-1.520-4.1854.357116 3.641 3.800 3.9651.601-1.537-4.2134.387117 3.535 3.690 3.852-1.5541.619-4.240 118 3.433 3.585 3.7434.4181.638-4.268-1.5714.448119 3.334 3.483 3.6381.656-4.296-1.5894.478120 3.238 3.384 3.5351.675-1.606-4.3234.508121 3.146 3.288 3.4361.694-1.624-4.3504.538122 3.057 3.196 3.341-1.6421.713-4.377 123 2.970 3.106 3.2484.5671.732-4.404-1.6594.597124 2.887 3.020 3.1581.751-4.431-1.6774.626125 2.806 2.936 3.0721.770-1.695-4.4584.656126 2.727 2.855 2.988-1.7131.789-4.485 127 2.652 2.776 2.9064.685-1.7311.808-4.511 128 2.578 2.700 2.8274.7141.828-4.538-1.7494.743129 2.507 2.626 2.7511.847-4.564-1.7674.772130 2.438 2.555 2.6771.867-1.785-4.5904.801131 2.372 2.486 2.605-4.616-1.8031.8864.829132 2.307 2.419 2.536-1.8211.906-4.642 133 2.245 2.354 2.4694.8581.926-4.668-1.8404.886134 2.184 2.291 2.4031.946-4.694-1.8584.914135 2.126 2.230 2.3401.966-1.877-4.7194.942136 2.069 2.171 2.279-4.745-1.8951.9864.970137 2.014 2.114 2.2192.006-4.770-1.9144.998138 1.961 2.059 2.1622.026-1.933-4.7955.026139 1.909 2.005 2.1062.046-1.9515.054-4.820 140 1.859 1.953 2.052-4.845-1.9702.0665.081141 1.810 1.902 1.9992.087-1.9895.109142 1.763 1.853 1.948-4.870R25=100KΩ 精度:±1% B25/50=3950K B25/85=4092K 精度:±1%(P182-6B2)温度(℃)电阻(KΩ) 电阻精度(%) 温度精度(℃)最小值 中心值 最大值 △R -△R △T -△T-2.0082.1075.136143 1.717 1.806 1.898-4.895-2.027-4.9192.128144 1.673 1.759 1.8505.1632.148-4.944-2.0465.190145 1.630 1.715 1.8042.169-2.065-4.9685.218146 1.588 1.671 1.758-2.0852.1905.244-4.993 147 1.548 1.629 1.714-2.1042.211-5.017 148 1.508 1.588 1.6725.2712.231-5.041-2.1235.298149 1.470 1.548 1.6302.252-5.065-2.1435.325150 1.433 1.510 1.5902.274-2.162-5.0895.351151 1.397 1.472 1.5512.295-2.1825.377-5.112 152 1.362 1.436 1.513-2.2012.316-5.136 153 1.328 1.400 1.4765.4042.337-5.160-2.2215.430154 1.295 1.366 1.4402.359-5.183-2.2415.456155 1.263 1.332 1.4052.380-2.261-5.2065.482156 1.232 1.300 1.3712.402-2.280-5.2305.508157 1.202 1.268 1.338-2.3002.423-5.253 158 1.173 1.238 1.3065.5342.445-5.276-2.3205.559159 1.144 1.208 1.2752.467-5.299-2.3405.585160 1.117 1.179 1.2452.489-2.361-5.3225.610161 1.090 1.151 1.2162.511-2.381-5.3455.636162 1.064 1.124 1.187-2.4012.533-5.367 163 1.038 1.097 1.1595.6612.555-5.390-2.4215.686164 1.013 1.071 1.1322.577-5.412-2.4425.7111650.989 1.046 1.1062.599-2.462-5.4355.7361660.966 1.022 1.080-2.4832.621-5.457 1670.943 0.998 1.0555.761-2.5032.644-5.479 1680.921 0.975 1.0315.7862.666-5.501-2.5245.8111690.900 0.952 1.0072.689-5.523-2.5455.8361700.879 0.930 0.9842.711-2.566-5.5455.8601710.858 0.909 0.962-5.567-2.5862.7345.8851720.839 0.888 0.940-2.6072.757-5.589 1730.819 0.868 0.9195.9092.780-5.610-2.6285.9331740.800 0.848 0.8982.803-5.632-2.6495.9571750.782 0.829 0.8782.826-2.671-5.6535.9821760.764 0.810 0.859-5.675-2.6922.8496.0061770.747 0.792 0.8402.872-5.696-2.7136.0301780.730 0.774 0.8212.895-2.734-5.7176.0531790.714 0.757 0.8032.918-2.7566.077-5.738 1800.698 0.740 0.785-5.759-2.7772.9426.1011810.682 0.724 0.7682.965-2.7996.1251820.667 0.708 0.751-5.780R25=100KΩ 精度:±1% B25/50=3950K B25/85=4092K 精度:±1%(P182-6B2)温度(℃)电阻(KΩ) 电阻精度(%) 温度精度(℃)最小值 中心值 最大值 △R -△R △T -△T-2.8202.9896.1481830.652 0.692 0.735-5.801-2.842-5.8223.0121840.638 0.677 0.7196.1723.036-5.843-2.8646.1951850.624 0.663 0.7043.060-2.885-5.8646.2181860.610 0.648 0.689-2.9073.0846.241-5.884 1870.597 0.634 0.674-2.9293.108-5.905 1880.584 0.620 0.6596.2653.132-5.925-2.9516.2881890.571 0.607 0.6453.156-5.945-2.9736.3111900.559 0.594 0.6323.180-2.995-5.9666.3341910.547 0.581 0.618-3.017-5.9863.2041920.535 0.569 0.6056.356-3.0403.229-6.006 1930.524 0.557 0.5936.3793.253-6.026-3.0626.4021940.512 0.545 0.5803.277-6.046-3.0846.4241950.502 0.534 0.5683.302-3.107-6.0666.4471960.491 0.523 0.5563.327-6.086-3.1296.4691970.481 0.512 0.5453.351-6.105-3.1526.4921980.470 0.501 0.5343.376-3.174-6.1256.5141990.461 0.491 0.5233.401-3.197-6.1456.5362000.451 0.481 0.5123.426-6.164-3.2206.5592010.442 0.471 0.5013.451-3.243-6.1846.5812020.432 0.461 0.491-3.2663.4762030.423 0.451 0.481-6.2036.603-3.2893.501-6.222 2040.415 0.442 0.4726.6253.526-6.242-3.3126.6472050.406 0.433 0.4623.552-6.261-3.3356.6682060.398 0.424 0.4533.577-3.358-6.2806.6902070.390 0.416 0.444-3.3813.603-6.299 2080.382 0.407 0.4356.712-3.4043.628-6.318 2090.374 0.399 0.4266.7343.654-6.337-3.4286.7552100.366 0.391 0.4183.679-6.356-3.4516.7772110.359 0.383 0.4103.705-3.474-6.3756.7982120.352 0.376 0.401-6.393-3.4983.7316.8192130.345 0.368 0.394-3.5223.757-6.412 2140.338 0.361 0.3866.8413.783-6.431-3.5456.8622150.331 0.354 0.3783.809-6.449-3.5696.8832160.325 0.347 0.3713.835-3.593-6.4686.9042170.318 0.340 0.364-6.486-3.6173.8626.9252180.312 0.334 0.3573.888-6.505-3.6416.9462190.306 0.327 0.3503.914-3.665-6.5236.9672200.300 0.321 0.3433.941-3.6896.988-6.541 2210.294 0.314 0.337-6.559-3.7133.9677.0092220.288 0.308 0.3303.994-3.7377.0302230.283 0.302 0.324-6.577南京时恒阻温特性表R25=100KΩ 精度:±1% B25/50=3950K B25/85=4092K 精度:±1%(P182-6B2)温度(℃)电阻(KΩ) 电阻精度(%) 温度精度(℃)最小值 中心值 最大值 △R -△R △T -△T-3.761-6.5964.0212240.277 0.297 0.3187.051-3.7854.047-6.614 2250.272 0.291 0.3127.071-3.810-6.6324.0742260.266 0.285 0.3067.092-3.8344.101-6.649 2270.261 0.280 0.3007.112-3.8594.128-6.667 2280.256 0.275 0.2947.133-3.8834.155-6.685 2290.251 0.269 0.2897.153-3.9084.1822300.247 0.264 0.283-6.7037.174-3.9334.2107.194-6.7212310.242 0.259 0.278-3.9574.237-6.738 2320.237 0.255 0.2737.214-3.9824.264-6.756 2330.233 0.250 0.2687.235-4.0074.2922340.228 0.245 0.263-6.7737.2554.319-6.791-4.0327.2752350.224 0.241 0.2584.347-4.057-6.8087.2952360.220 0.236 0.253-4.0824.3752370.216 0.232 0.249-6.8267.3154.402-6.843-4.1077.3352380.212 0.227 0.2444.430-4.132-6.8607.3552390.208 0.223 0.2404.458-6.878-4.1587.3752400.204 0.219 0.2354.486-4.183-6.8957.3952410.200 0.215 0.2314.514-4.208-6.9127.4142420.197 0.211 0.2274.542-4.234-6.9297.4342430.193 0.207 0.2234.571-4.2597.454-6.946 2440.189 0.204 0.2194.599-6.963-4.2857.4732450.186 0.200 0.2154.627-4.310-6.9807.4932460.183 0.196 0.2114.656-6.997-4.3367.5132470.179 0.193 0.207-4.3624.684-7.014 2480.176 0.189 0.2047.5324.713-4.3887.552-7.031 2490.173 0.186 0.2004.742-4.4147.571-7.047 2500.170 0.182 0.196附表:2南京时恒电阻误差曲线图。
NTC热敏电阻对一个产品的重要性,就像人的手,少了,人能活着,但是做不了事情。
这还得是灵敏的手。
温馨提示:NTC热敏电阻最重要的是寿命!在经得起各种高精度、高灵敏度、高可靠、超高温、强压力考验后,它仍很长时间稳定工作。
所以,你找的必须首先是:长寿命NTC热敏电阻!这样你才能保证长寿命的电器产品。
道理很简单,命都没了,再能干也没用。
艾美特电饭锅、亿思达温度计、品胜可充电池等等品牌,就是以这个标准来选择NTC 热敏电阻。
NTC负温度系数热敏电阻专业术语零功率电阻值 RT(Ω)RT指在规定温度 T 时,采用引起电阻值变化相对于总的测量误差来说可以忽略不计的测量功率测得的电阻值。
电阻值和温度变化的关系式为:RT = RN expB(1/T – 1/TN)RT :在温度 T ( K )时的 NTC 热敏电阻阻值。
RN :在额定温度 TN ( K )时的 NTC 热敏电阻阻值。
T :规定温度( K )。
B : NTC 热敏电阻的材料常数,又叫热敏指数。
exp :以自然数 e 为底的指数( e = 2.71828 …)。
该关系式是经验公式,只在额定温度 TN 或额定电阻阻值 RN 的有限范围内才具有一定的精确度,因为材料常数 B 本身也是温度 T 的函数。
额定零功率电阻值 R25 (Ω)根据国标规定,额定零功率电阻值是 NTC 热敏电阻在基准温度25 ℃ 时测得的电阻值 R25,这个电阻值就是 NTC 热敏电阻的标称电阻值。
通常所说 NTC 热敏电阻多少阻值,亦指该值。
材料常数(热敏指数) B 值( K )B 值被定义为:RT1 :温度 T1 ( K )时的零功率电阻值。
RT2 :温度 T2 ( K )时的零功率电阻值。
T1, T2 :两个被指定的温度( K )。
对于常用的 NTC 热敏电阻, B 值范围一般在 2000K ~ 6000K 之间。
零功率电阻温度系数(αT )在规定温度下, NTC 热敏电阻零动功率电阻值的相对变化与引起该变化的温度变化值之比值。
各种负温度系数NTC热敏电阻-温度传感器技术参数详解与选型负温度系数(NTC)热敏电阻是一种能够根据温度的变化而产生相应变化的电阻器件。
下面将从技术参数和选型两个方面详细介绍NTC热敏电阻。
一、技术参数:1.温度系数:温度系数是指在一定温度范围内,热敏电阻的电阻值与温度变化之间的关系。
NTC热敏电阻的温度系数通常为负值,即随着温度的升高,电阻值减小。
常用的NTC热敏电阻温度系数有-3,000 ppm/℃和-4,200 ppm/℃等。
2.额定阻值:额定阻值是指在标准温度下,热敏电阻的电阻值。
常用的额定阻值有10KΩ、100KΩ等。
3.工作温度范围:工作温度范围是指热敏电阻所能正常工作的温度范围。
要根据具体的应用环境和需求选择合适的工作温度范围。
4.热时间常数:热时间常数是指热敏电阻在温度变化时响应的时间。
热时间常数越小,则响应速度越快。
5.精度:精度是指热敏电阻在额定温度下的电阻值与标准值之间的误差。
常见的精度等级有±1%、±3%等。
二、选型:1.根据需要测量的温度范围选择合适的温度系数:在选择NTC热敏电阻时,要根据所需测量的温度范围来选择合适的温度系数。
一般来说,-3,000 ppm/℃的NTC热敏电阻适用于宽温度范围的测量,而-4,200 ppm/℃的NTC热敏电阻适用于较窄的温度范围。
2.根据应用环境选择合适的工作温度范围:在选择NTC热敏电阻时,要根据应用环境的温度范围来选择合适的工作温度范围。
确保选择的NTC热敏电阻能够在应用环境下正常工作。
3.根据响应速度选择合适的热时间常数:在选择NTC热敏电阻时,要根据应用需求来选择合适的热时间常数。
如果需要快速响应的温度传感器,应选择具有较小热时间常数的NTC热敏电阻。
4.根据精度要求选择合适的精度等级:如果应用对测量精度要求较高,则应选择具有较高精度等级的NTC热敏电阻。
综上所述,选择合适的NTC热敏电阻应考虑其技术参数,如温度系数、额定阻值、工作温度范围、热时间常数和精度等,以满足具体应用的需求。
热敏电阻NTC3D-20铜脚现货3Ω技术参数分析:随着科学、技术不断地发展,电子行业紧随其步伐,电路保护元器件不断地在更新换代,这一路来,从最初单一的电子元器件到如今多样化、定制化、差异化,电路保护元器件产品愈来愈成熟、稳定。
电子行业的大力发展带动了市场需求,越来越多的人纷纷加入到供应电路保护器件行列队伍之中。
最近总有客户来点询问为什么他们买到的热敏电阻NTC3D-20/NTC10D-20经常炸掉,这个问题让我们怎么来回答呢:我先从两个方面来分析:首先得总客户自身找原因:所谓:“己所不欲勿施于人“当我们找供应商的时候每次询价的时候,总是一个字“贵”来让供应商降价,再降价。
本来做生意就是将本求利,一份价格一分货的道理,供应商在应对客户时为做成一笔生意总是在让步,利润就一步一步减少了。
怎么办?可想而知,供应商只能在产品质量上做文章来保证利润,就会出现很多以次充好的情况,从而导致恶性竞争,也就影响客户的成本。
其次:还得从供应商的业务水平和诚信上考究,现在随着网络的发展,网络上的价格越来越来透明也带来了不少的客户,但是很多不良的商家他们对产品本身的性能不甚了解,对产品的进货渠道根本不稳定,今天东一击明天西一枪,打起游击战,对客户也是能忽悠就尽量忽悠。
钱到手就不理睬客户,甚至人找不到,电话也是关机。
最后市面上出现很多供应商对产品性能不甚了解随便推荐给客户的情况,来了解一下现在市面大体积功率型热敏电阻CP线和铜脚的分析:1可以从机械特性和电气特性两方面来比较。
铁的整体性能比铜差多了,和频率特性无关。
铜软,不容易断,易成型,散热好,导电性好,焊接性能好。
铁与焊锡不亲和,容易虚焊,在空气中易氧化,寿命短。
2铁脚便宜,铜脚贵,现在元件生产厂家为了节省成本使用铁脚。
质量铜的好,铁的使用日久容易氧化生锈,影响电路板的性能。
3铜脚的从导电性能,柔软性,耐腐蚀,抗氧化,焊锡粘附性都要比铁的好,但厂家为了减少成本,换成了铁线。
如何理解并应用NTC负温度系数热敏电阻3450一、引言NTC负温度系数热敏电阻(Negative Temperature Coefficient Thermistor,简称NTC热敏电阻)是一种温度敏感器件,其电阻随温度的升高而不断下降。
在现代电子技术中,NTC热敏电阻被广泛应用在温度补偿、温度测量和温控系统中。
其中,NTC负温度系数热敏电阻3450是一种常见且重要的型号,具有很高的应用价值。
下文将围绕NTC负温度系数热敏电阻3450展开深入讨论,并探索其理解和应用。
二、NTC负温度系数热敏电阻3450的基本特性1. NTC热敏电阻的工作原理在电子电路中,NTC热敏电阻起着关键的作用。
其基本工作原理是:随着温度的升高,NTC热敏电阻的阻值不断下降,这种现象被称为负温度系数效应。
而NTC负温度系数热敏电阻3450是一种典型的NTC 热敏电阻,其负温度系数效应十分显著。
2. NTC负温度系数热敏电阻3450的参数特性NTC负温度系数热敏电阻3450具有一系列参数特性,包括额定阻值、B值、温度系数、耐压、工作温度范围等。
这些特性对其在电子电路中的应用起着决定性作用。
了解这些参数特性,有助于更好地理解和应用NTC负温度系数热敏电阻3450。
三、NTC负温度系数热敏电阻3450的应用案例1. NTC负温度系数热敏电阻3450在温度测量中的应用在温度测量领域,NTC负温度系数热敏电阻3450是一种常见的温度传感器。
通过构建简单的电路,将NTC负温度系数热敏电阻3450与其他元件相连,便可以实现对温度的准确测量。
其敏感度高、响应快的特点,使其在温度测量中具有广泛的应用前景。
2. NTC负温度系数热敏电阻3450在温度补偿中的应用在电子设备中,由于温度的变化会导致电子器件性能的变化,因此需要进行温度补偿以保证系统的稳定性。
NTC负温度系数热敏电阻3450的特性使其成为温度补偿的理想选择。
通过合理设计电路,利用NTC负温度系数热敏电阻3450的特性,可以对电子设备进行精准的温度补偿,提高系统的稳定性和可靠性。
NTC热敏电阻的主要技术参数说明1. 额定温度(Rated Temperature):NTC热敏电阻的额定温度指的是在该温度下,热敏电阻的电阻值为额定电阻值的一半。
额定温度通常由电阻制造商在产品标志上标注,例如25℃、50℃等。
2. 额定电阻值(Rated Resistance):NTC热敏电阻的额定电阻值是在额定温度下的电阻值,通常由电阻制造商在产品标志上标注。
3. B值系数(B-Value):B值系数是描述NTC热敏电阻温度特性的一个重要参数。
它代表了电阻值随温度变化的曲线斜率。
B值系数可以通过以下公式计算得到:Rt = R0 * exp(B * (1/T - 1/T0)),其中,Rt为温度为T时的电阻值,R0为温度为T0时的电阻值,B为B值系数。
4. 温度系数(Temperature Coefficient):温度系数是指NTC热敏电阻在其中一温度范围内电阻值随温度变化的百分比变化量。
一般来说,NTC热敏电阻的温度系数为负值,也就是说电阻值随温度的升高而下降。
5. 长期稳定性(Long Term Stability):NTC热敏电阻的长期稳定性指的是其电阻值在长期使用过程中的变化程度。
在一些应用中,需要进行长时间的温度测量,而NTC热敏电阻的长期稳定性就显得尤为重要。
6. 响应时间(Response Time):响应时间是指NTC热敏电阻从受到温度变化到反应出相应电阻变化所需要的时间。
响应时间越短,说明NTC 热敏电阻对温度变化的敏感性越高。
7. 热容(Thermal Capacity):热容是指NTC热敏电阻所需要吸收或释放的热量,在单位时间内所引起的温度变化量。
8. 额定功率(Rated Power):额定功率是指NTC热敏电阻所能承受的最大功率。
超过额定功率运行可能会导致电阻变化,甚至烧毁。
9. 工作温度范围(Operating Temperature Range):工作温度范围指的是NTC热敏电阻能够可靠工作的温度范围,超过该范围可能会导致电阻值的不稳定性。
热敏电阻参数零功率电阻是指在某一温度下测量PTC热敏电阻值时,加在PTC热敏电阻上的功耗极低,低到因其功耗引起的PTC热敏电阻的阻值变化可以忽略不计。
额定零功率电阻指环境温度25℃条件下测得的零功率电阻值。
居里温度Tc对于PTC热敏电阻的应用来说,电阻值开始陡峭地增高时的温度是重要的,我们将其定义为居里温度。
居里温度对应的PTC热敏电阻的电阻RTc = 2*Rmin。
温度系数αPTC热敏电阻的温度系数定义为温度变化导致的电阻的相对变化。
温度系数越大,PTC 热敏电阻对温度变化的反应越灵敏。
α = (lgR2-lgR1)/lge(T2-T1)额定电压VN额定电压是在最大工作电压Vmax以下的供电电压。
通常Vmax = VN + 15%击穿电压VD击穿电压是指PTC热敏电阻最高的电压承受能力。
PTC热敏电阻在击穿电压以上时将会击穿失效。
表面温度Tsurf表面温度Tsurf是指当PTC热敏电阻在规定的电压下并且与周围环境间处于热平衡状态已达较长时间时,PTC热敏电阻表面的温度。
动作电流Ik流过PTC热敏电阻的电流,足以使PTC热敏电阻自热温升超过居里温度,这样的电流称为动作电流。
动作电流的最小值称为最小动作电流。
不动作电流INk流过PTC热敏电阻的电流,不足以使PTC热敏电阻自热温升超过居里温度,这样的电流称为不动作电流。
不动作电流的最大值称为最大不动作电流.PTC热敏电阻器主要参数详解伏-安特性:在25℃的静止空气中, 指加在热敏电阻器引出端的电压与达到热平衡的稳态条件下的电流之间的关系(如下图)绝缘热敏电阻:达到规定的绝缘阻值及电压验证测试的热敏电阻。
非绝缘热敏电阻:不要求绝缘电压和绝缘阻值测试的热敏电阻。
起始电流(Iin):在电路开关启动到闭合瞬间所出现的电流,即Iin。
峰值电流(Iinp-p): 起始电流(Iin)的峰-峰值。
电流-时间特性:指热敏电阻器在施加电压过程中,电流随时间的变化特性。
1、压敏电阻主要有两个参数标称压敏电压和通流容量。
相比TVS,通流量大,但响应速度低。
2、TVS吸收浪涌电流很小,但响应速度较快(ns级)。
3、热敏电阻。
PTC热敏电阻主要参数额定零功率电阻R25零功率电阻,是指在某一温度下测量PTC热敏电阻值时,加在PTC热敏电阻上的功耗极低, 低到因其功耗引起的PTC热敏电阻的阻值变化可以忽略不计. 额定零功率电阻指环境温度25℃条件下测得的零功率电阻值. 最小电阻Rmin指PTC热敏电阻可以具有的最小的零功率电阻值.居里温度Tc对于PTC热敏电阻的应用来说,电阻值开始陡峭地增高时的温度是重要的,我们将其定义为居里温度.居里温度对应的PTC热敏电阻的电阻RTc = 2*Rmin.温度系数αPTC热敏电阻的温度系数定义为温度变化导致的电阻的相对变化.温度系数越大,PTC热敏电阻对温度变化的反应越灵敏. α = (lgR2-lgR1)/(T2-T1)表面温度Tsurf表面温度Tsurf是指当PTC热敏电阻在规定的电压下并且与周围环境间处于热平衡状态已达较长时间时,PTC热敏电阻表面的温度.动作电流Ik流过PTC热敏电阻的电流,足以使PTC热敏电阻自热温升超过居里温度,这样的电流称为动作电流. 动作电流的最小值称为最小动作电流.动作时间ts环境25℃条件下,给PTC热敏电阻加一个起始电流(保证是动作电流),通过PTC热敏电阻的电流降低到起始电流的50%时经历的时间就是动作时间.不动作电流INk流过PTC热敏电阻的电流,不足以使PTC热敏电阻自热温升超过居里温度,这样的电流称为不动作电流. 不动作电流的最大值称为最大不动作电流.最大电流Imax最大电流是指PTC热敏电阻最高的电流承受能力.超过最大电流时PTC热敏电阻将会失效.残余电流Ir残余电流是在最大工作电压Vmax下,热平衡状态下的电流.最大工作电压Vmax最大工作电压是指在规定的环境温度下,允许持续地保持在PTC热敏电阻上最高的电压.对同一产品而言,环境温度越高,最大工作电压值越低.额定电压VN额定电压是在最大工作电压Vmax以下的供电电压.通常Vmax = VN + 15%击穿电压VD击穿电压是指PTC热敏电阻最高的电压承受能力.PTC热敏电阻在击穿电压以上时将会击穿失效压敏:压敏电阻的测量: 压敏电阻一般并联在电路中使用,当电阻两端的电压发生急剧变化时,电阻短路将电流保险丝熔断,起到保护作用.压敏电阻在电路中,常用于电源过压保护和稳压.测量时将万用表置10k档,表笔接于电阻两端,万用表上应显示出压敏电阻上标示的阻值,如果超出这个数值很大,则说明压敏电阻已损压敏电阻标称参数压敏电阻用字母“MY”表示,如加J为家用,后面的字母W、G、P、L、H、Z、B、C、N、K分别用于稳压、过压保护、高频电路、防雷、灭弧、消噪、补偿、消磁、高能或高可靠等方面.压敏电阻虽然能吸收很大的浪涌电能量,但不能承受毫安级以上的持续电流,在用作过压保护时必须考虑到这一点.压敏电阻的选用,一般选择标称压敏电压V1mA和通流容量两个参数. 1、所谓压敏电压,即击穿电压或阈值电压.指在规定电流下的电压值,大多数情况下用1mA直流电流通入压敏电阻器时测得的电压值,其产品的压敏电压范围可以从10-9000V不等.可根据具体需要正确选用.一般V1mA=1.5Vp=2.2VAC,式中,Vp为电路额定电压的峰值.VAC为额定交流电压的有效值.ZnO压敏电阻的电压值选择是至关重要的,它关系到保护效果与使用寿命.如一台用电器的额定电源电压为220V,则压敏电阻电压值V1mA=1.5Vp=1.5××220V=476V,V1mA=2.2VAC=2.2×220V=484V,因此压敏电阻的击穿电压可选在470-480V之间.(描述可能有错)2、所谓通流容量,即最大脉冲电流的峰值是环境温度为25℃情况下,对于规定的冲击电流波形和规定的冲击电流次数而言,压敏电压的变化不超过± 10%时的最大脉冲电流值.为了延长器件的使用寿命,ZnO压敏电阻所吸收的浪涌电流幅值应小于手册中给出的产品最大通流量.然而从保护效果出发,要求所选用的通流量大一些好.在许多情况下,实际发生的通流量是很难精确计算的,则选用2-20KA的产品.如手头产品的通流量不能满足使用要求时,可将几只单个的压敏电阻并联使用,并联后的压敏电不变,其通流量为各单只压敏电阻数值之和.要求并联的压敏电阻伏安特性尽量相同,否则易引起分流不均匀而损坏压敏电阻. 压敏电阻器的应用原理压敏电阻器是一种具有瞬态电压抑制功能的元件,可以用来代替瞬态抑制二极管、齐纳二极管和电容器的组合.压敏电阻器可以对IC及其它设备的电路进行保护,防止因静电放电、浪涌及其它瞬态电流(如雷击等)而造成对它们的损坏.使用时只需将压敏电阻器并接于被保护的IC或设备电路上,当电压瞬间高于某一数值时,压敏电阻器阻值迅速下降,导通大电流,从而保护IC或电器设备;当电压低于压敏电阻器工作电压值时,压敏电阻器阻值极高,近乎开路,因而不会影响器件或电器设备的正常工作. 压敏电阻的选用选用压敏电阻器前,应先了解以下相关技术参数:标称电压是指在规定的温度和直流电流下,压敏电阻器两端的电压值.漏电流是指在25℃条件下,当施加最大连续直流电压时,压敏电阻器中流过的电流值.等级电压是指压敏电阻中通过8/20等级电流脉冲时在其两端呈现的电压峰值.通流量是表示施加规定的脉冲电流(8/20μs)波形时的峰值电流.浪涌环境参数包括最大浪涌电流Ipm(或最大浪涌电压Vpm和浪涌源阻抗Zo)、浪涌脉冲宽度Tt、相邻两次浪涌的最小时间间隔Tm以及在压敏电阻器的预定工作寿命期内,浪涌脉冲的总次数N等. 3.1 标称电压选取一般地说,压敏电阻器常常与被保护器件或装置并联使用,在正常情况下,压敏电阻器两端的直流或交流电压应低于标称电压,即使在电源波动情况最坏时,也不应高于额定值中选择的最大连续工作电压,该最大连续工作电压值所对应的标称电压值即为选用值.对于过压保护方面的应用,压敏电压值应大于实际电路的电压值,一般应使用下式进行选择: VmA=av/bc式中:a为电路电压波动系数,一般取1.2;v为电路直流工作电压(交流时为有效值);b为压敏电压误差,一般取0.85;c为元件的老化系数,一般取0.9; 这样计算得到的VmA实际数值是直流工作电压的1.5倍,在交流状态下还要考虑峰值,因此计算结果应扩大1.414倍.另外,选用时还必须注意: (1) 必须保证在电压波动最大时,连续工作电压也不会超过最大允许值,否则将缩短压敏电阻的使用寿命; (2) 在电源线与大地间使用压敏电阻时,有时由于接地不良而使线与地之间电压上升,所以通常采用比线与线间使用场合更高标称电压的压敏电阻器. 压敏电阻所吸收的浪涌电流应小于产品的最大通流量. 应用电路浪涌和瞬变防护时的电路.对于压敏电阻的应用连接,大致可分为四种类型: 第一种类型是电源线之间或电源线和大地之间的连接,作为压敏电阻器,最具有代表性的使用场合是在电源线及长距离传输的信号线遇到雷击而使导线存在浪涌脉冲等情况下对电子产品起保护作用.一般在线间接入压敏电阻器可对线间的感应脉冲有效,而在线与地间接入压敏电阻则对传输线和大地间的感应脉冲有效.若进一步将线间连接与线地连接两种形式组合起来,则可对浪涌脉冲有更好的吸收作用. 第二种类型为负荷中的连接,它主要用于对感性负载突然开闭引起的感应脉冲进行吸收,以防止元件受到破坏.一般来说,只要并联在感性负载上就可以了,但根据电流种类和能量大小的不同,可以考虑与R-C串联吸收电路合用. 第三种类型是接点间的连接,这种连接主要是为了防止感应电荷开关接点被电弧烧坏的情况发生,一般与接点并联接入压敏电阻器即可. 第四种类型主要用于半导体器件的保护连接,这种连接方式主要用于可控硅、大功率三极管等半导体器件,一般采用与保护器件并联的方式,以限制电压低于被保护器件的耐压等级,这对半导体器件是一种有效的保护. 4 氧化锌压敏电阻存在的问题现有压敏电阻在配方和性能上分为相互不能替代的两大类: 4.1 高压型压敏电阻高压型压敏电阻,其优点是电压梯度高(100~250V/mm)、大电流特性好(V10kA/V1mA≤1.4)但仅对窄脉宽(2≤ms)的过压和浪涌有理想的防护能力,能量密度较小,(50~300)J/cm3. 4.2 高能型压敏电阻高能型压敏电阻,其优点是能量密度较大(300J/cm3~750J/cm3),承受长脉宽浪涌能力强,但电压梯度较低(20V/mm~500V/mm),大电流特性差(V10kA/V1mA>2.0). 这两种配方的性能差别造成了许多应用上的“死区”,在10kV电压等级的输配电系统中广泛采用了真空开关,由于它动作速度快、拉弧小,会在操作瞬间造成极高过压和浪涌能量,如果选用高压型压敏电阻加以保护(如避雷器),虽然它电压梯度高、成本较低,但能量容量小,容易损坏;如果选用高能型压敏电阻,虽然它能量容量大,寿命较长,但电压梯度低,成本太高,是前者的5~13倍. 在中小功率变频电源中,过压保护的对象是功率半导体器件,它对压敏电阻的大电流特性和能量容量的要求都很严格,而且要同时做到元件的小型化.高能型压敏电阻在能量容量上可以满足要求,但大电流性能不够理想,小直径元件的残压比较高,往往达不到限压要求;高压型压敏电阻的大电流特性较好,易于小型化,但能量容量不够,达不到吸能要求.中小功率变频电源在这一领域压敏电阻的应用几乎还是空白.TVS与压敏电阻的区别:1) TVS管和压敏电阻不象开关元件那样具有开关特性,而是类似稳压二极管那样具有稳压特性。
NTC热敏电阻功率型系列简介、应用范围及特点1.产品简介为了避免电子电路中在开机的瞬间产生的浪涌电流,在电源电路中串接一个功率型NTC 热敏电阻器,能有效地抑制开机时的浪涌电流,并且在完成抑制浪涌电流作用以后,由于通过其电流的持续作用,功率型NTC热敏电阻器的电阻值将下降到非常小的程度,它消耗的功率可以忽略不计,不会对正常的工作电流造成影响,所以,在电源回路中使用功率型NTC 热敏电阻器,是抑制开机时的浪涌,以保证电子设备免遭破坏的最为简便而有效的措施。
2.应用范围适用于转换电源、开关电源、UPS电源、各类电加热器、电子节能灯、电子镇流器、各种电子装置电源电路的保护以及彩色显示像管、白炽灯及其它照明灯具的灯丝保护。
3.特点:·体积小,功率大,抑制浪涌电流能力强·反应速度快·材料常数(B值)大,残余电阻小·寿命长,可靠性高·系列全,工作范围宽1. 电阻器的最大工作电流〉实际电源回路的工作电流2. 功率型电阻器的标称电阻值R≥1.414*E/Im式中 E为线路电压 Im为浪涌电流对于转换电源,逆变电源,开关电源,UPS电源, Im=100倍工作电流对于灯丝,加热器等回路 Im=30倍工作电流3. B值越大,残余电阻越小,工作时温升越小4. 一般说,时间常数与耗散系数的乘积越大,则表示电阻器的热容量越大,电阻器抑制浪涌电流的能力也越强。
零功率电阻值RT(Ω)RT指在规定温度T 时,采用引起电阻值变化相对于总的测量误差来说可以忽略不计的测量功率测得的电阻值。
电阻值和温度变化的关系式为:RT = RN expB(1/T – 1/TN)RT :在温度T (K )时的NTC 热敏电阻阻值。
RN :在额定温度TN (K )时的NTC 热敏电阻阻值。
T :规定温度(K )。
B :NTC 热敏电阻的材料常数,又叫热敏指数。
exp :以自然数e 为底的指数(e = 2.71828 …)。
直热式负温度系数热敏电阻器规格书Directly heated negative temperature coefficient thermistorsNTC Specification客户名称 CUSTOMER NAME产品名称 PART NAME MF72 NTC热敏电阻产品规格 PART NUMBER NTC8D11MBS签发日期 ISSUE DATE2023-05-11确认CONFIRM产品规格代码和应用范围及特点PartNumber and Application Range and Characteristics一、产品规格代码 PARTNUMBER二、应用范围及特点Application Range and Characteristics1、产品特点 FeatureofPowerThermistor1.1应用范围 Appliaction1.2特点 Characteristic○转换电源,开关电源,UPS电源○Switchingpower-supply,switchpower,upspower ○镇流器及各类加热器 ○Electronicenergysavinglampselectronicballast and all kindsofelectricheater ○各类显像管,显示器 ○AllkindsofRT,display ○电子节能灯,其他照明灯具○Bulbandotherlightinglamps○体积小,功率大,抑制浪涌电流能力强○Smallsize,largepower,strongcapacityof suppressionofinrushcurrent ○反应速度快○Fastresporse○材料常数(B值)大,残余电阻小○Bigmaterialconstant(Bvalue),small residualresistance ○寿命长,可靠性高○Longlifeandhighreliability ○系列全,应用范围宽○Completeseries,wideapplications外型尺寸及材料和电性能External dimensions and material and electrical properties一、外型尺寸及相关标准External dimensions and relevant standards1 引线形状 Lead the shape2 产品尺寸 Product size3 材料 Materials(1)封装材料(Wrapper) :酚醛树脂(Modified phenolic resin)(2)引线(Down-lead) :CP线(CP Wire)(3)颜色(Coating color):黑色(Black)二、电性能Electrical performance型号Part NoD maxT maxd ±0.05F ±1直引线StraightLead WireLmin 8D-111360.757.5/520型号R25(Ω)最大稳态电流(A)残余电阻(Ω)耗散系数(mw/℃)热时间常数(s)最大允许使用容量值240V/120V(μF)B值(K)工作温度(℃)认证UL/CULCQCTUV8D-11830.25约14约50470/18002800-40~ +175pass pass pass产品结构、材料及制造工艺流程Product structure, materials and manufacturing process flow 一、NTC 热敏电阻产品结构 NTC Thermisto Product structure二、材料 Materials三、制造工艺流程 Manufacturing process flowMF72型NTC热敏电阻工艺流程图备注:所有工序工人必须自检.产品阻温特性及静态伏安特性Resistance-Temperature Characteristic and Staracteristic 一、产品阻温特性Resistance-Temperature Characteristic二、静态伏安特性Staracteristic热敏电阻技术术语及安全可靠性properties of products二、电气性能 Electrical Characteristics三、机械性能Mechanical Characteristics四、可靠性试验Reliability Test包装方式Packing methods 一、散装式样 BULK STYLE(1)常规产品包装Normal product packaging(2)切脚产品包装 Cut the feet product packaging存储条件Storage condition1 存贮环境条件2 请不要在下列条件下使用本元件,否则将可能导致性能衰退或产品损毁,甚至引起火灾。
NTC2和PTC热敏电阻目录第一节NTC负温度系数热敏电阻参数第二节NTC负温度系数热敏电阻分类第三节产品型号命名标准:第四节型号参数即电气性能第五节温度感知型NTC应用电路第六节功率型NTC应用电路第七节PTC第一节NTC负温度系数热敏电阻参数B 值被定义为:RT1 :温度 T1 ( K )时的零功率电阻值。
RT2 :温度 T2 ( K )时的零功率电阻值。
T1、T2 :两个被指定的温度( K )。
对于常用的 NTC 热敏电阻, B 值范围一般在 2000K ~ 6000K 之间。
感知型的NTC要求B值要大。
B值越大约灵敏。
在规定温度下, NTC 热敏电阻零动功率电阻值的相对变化与引起该变化的温度变化值之比值。
αT :温度 T ( K )时的零功率电阻温度系数。
RT :温度 T ( K )时的零功率电阻值。
T :温度( T )。
B :材料常数。
在规定环境温度下, NTC 热敏电阻耗散系数是电阻中耗散的功率变化与电阻体相应的温度变化之比值。
δ: NTC 热敏电阻耗散系数,( mW/ K )。
△ P : NTC 热敏电阻消耗的功率( mW )。
△ T : NTC 热敏电阻消耗功率△ P 时,电阻体相应的温度变化( K )。
能量是以瓦特为单位表示。
通常,外包覆环氧或酚类、外径为0.095英寸的热敏电阻,在搅动油中耗散因子是13mW/℃,在静止空气中耗散因子为2mW/℃。
在零功率条件下,当温度突变时,热敏电阻的温度变化了始未两个温度差的63.2% 时所需的时间,热时间常数与 NTC 热敏电阻的热容量成正比,与其耗散系数成反比。
τ:热时间常数( S )。
C: NTC 热敏电阻的热容量。
δ: NTC 热敏电阻的耗散系数。
电阻体自身温度不超过其最高工作温度。
在规定的技术条件下,热敏电阻器能长期连续工作所允许的最高温度。
即:T0-环境温度。
热敏电阻在规定的环境温度下,阻体受测量电流加热引起的阻值变化相对于总的测量误差来说可以忽略不计时所消耗的功率。
热敏电阻型号NTC5D-25性能参数浅析!【尧丰发】一:NTC5D-25产品的性能参数NTC5D-25是MF72功率型热敏电阻此款型号参数如下:1、外形尺寸25mm,阻值在25°为5R2、材料:包封材料,引线材质,黑色酚醛树脂,镀锡铜线3、电气性能3.125℃的零功率电阻值,测试条件:Ta=25±0.5℃,测试功率≤0.1mw空气中测试,性能要求5±20%3.2B值,测试条件:B={(TaXTb)/(Tb-Ta)}X1n(Ra/Rb),性能要求3000±10%3.3最大允许容值,测试条件:240Vac,性能要求6803.4耐电压,测试条件:700V/AC 1min,性能要求无击穿或飞弧3.5绝缘电阻,测试条件:500V/DC 1min,性能要求,≥5003.6工作温度:-55-200℃4、可靠性能实验4.1引出端强度,测试条件及方法:引线轴向逐渐施加拉力,拉力持续时间10sec。
技术要求,无可见损伤。
4.2可焊性,测试条件及方法:将引线浸入235±5℃的锡液中,浸渍时间2-3sec,浸液深度:10mm,浸渍次数:1,技术要求,焊料在引线浸入部分表面涂布均匀,光滑,面积在95%以上。
4.3耐焊接热,测试条件及方法:将引线浸入260±5℃的锡液中,液面距电阻体2mm,时间5±1sec。
技术要求,无可见性损伤,标志清晰。
4.3最大允许电容量,测试条及方法:施加最大允许电容量,间歇地闭合50ms,断开5倍的热时间常数为一个循环,对热敏电阻器施加1000次循环。
技术要求,无可见性损伤,标志清晰4.4温度速度变化,测试条件及方法:-55℃30min→25℃5min→200℃30min→25℃5min,循环5次,技术要求,无可见性损伤,标志清晰。
4.5稳态湿热,测试条件及方法:温度:40±2℃,湿度:93±2%RH,时间:500±24H,技术要求,无可见性损伤,标志清晰。
NTC热敏电阻功率型系列简介、应用范围及特点1.产品简介为了避免电子电路中在开机的瞬间产生的浪涌电流,在电源电路中串接一个功率型NTC 热敏电阻器,能有效地抑制开机时的浪涌电流,并且在完成抑制浪涌电流作用以后,由于通过其电流的持续作用,功率型NTC热敏电阻器的电阻值将下降到非常小的程度,它消耗的功率可以忽略不计,不会对正常的工作电流造成影响,所以,在电源回路中使用功率型NTC 热敏电阻器,是抑制开机时的浪涌,以保证电子设备免遭破坏的最为简便而有效的措施。
2.应用范围适用于转换电源、开关电源、UPS电源、各类电加热器、电子节能灯、电子镇流器、各种电子装置电源电路的保护以及彩色显示像管、白炽灯及其它照明灯具的灯丝保护。
3.特点:·体积小,功率大,抑制浪涌电流能力强·反应速度快·材料常数(B值)大,残余电阻小·寿命长,可靠性高·系列全,工作范围宽1. 电阻器的最大工作电流〉实际电源回路的工作电流2. 功率型电阻器的标称电阻值R≥1.414*E/Im式中 E为线路电压 Im为浪涌电流对于转换电源,逆变电源,开关电源,UPS电源, Im=100倍工作电流对于灯丝,加热器等回路 Im=30倍工作电流3. B值越大,残余电阻越小,工作时温升越小4. 一般说,时间常数与耗散系数的乘积越大,则表示电阻器的热容量越大,电阻器抑制浪涌电流的能力也越强。
零功率电阻值 RT(Ω)RT指在规定温度 T 时,采用引起电阻值变化相对于总的测量误差来说可以忽略不计的测量功率测得的电阻值。
电阻值和温度变化的关系式为:RT = RN expB(1/T – 1/TN)RT :在温度 T ( K )时的 NTC 热敏电阻阻值。
RN :在额定温度 TN ( K )时的 NTC 热敏电阻阻值。
T :规定温度( K )。
B : NTC 热敏电阻的材料常数,又叫热敏指数。
exp :以自然数 e 为底的指数(e = 2.71828 …)。
功率型NTC热敏电阻系列主要技术参数功率型NTC热敏电阻(Negative Temperature Coefficient Thermistor,简称NTC热敏电阻)是一种可通过温度变化来改变电阻值的热敏元件。
它在电子设备中广泛应用于温度检测、温度补偿、温度控制等方面。
下面将主要介绍功率型NTC热敏电阻的主要技术参数。
1.温度系数:NTC热敏电阻的温度系数是一个重要的参数,它表示在一定温度范围内,电阻值随温度变化的快慢程度。
一般来说,NTC热敏电阻的温度系数为负值,即电阻值随温度升高而下降。
温度系数一般用百分比表示,比如-3%/℃表示在每摄氏度的温度变化下,电阻值下降3%。
2. B值: B值是描述NTC热敏电阻温度特性的一个重要参数,也称为Beta值,是指在参考温度下,NTC热敏电阻电阻值与温度之间的关系。
B值与温度系数密切相关,通过B值可以计算出NTC热敏电阻在其他温度下的电阻值。
B值的单位一般是K,常用的B值有3000K、3500K、4000K等。
3.应用温度范围:应用温度范围是指NTC热敏电阻可以正常工作的温度范围。
不同的NTC热敏电阻具有不同的应用温度范围,一般在-40℃到+125℃之间。
在超出应用温度范围的情况下,NTC热敏电阻的温度系数和温度特性可能会发生明显的变化。
4.额定功率:额定功率是指NTC热敏电阻能够承受的最大功率。
由于NTC热敏电阻会发热,所以在使用时需要考虑到电阻的功率消耗,以避免因功率过大而导致电阻发热过高造成损坏。
额定功率一般用瓦特(W)表示,常用的额定功率有0.25W、0.5W、1W等。
5.额定电阻值:额定电阻值是指NTC热敏电阻在额定温度下的电阻值,一般用欧姆(Ω)表示。
额定电阻值可以在制造过程中校准,以确保NTC热敏电阻在使用时能够正常工作。
6.灵敏度:灵敏度是指NTC热敏电阻电阻值与温度变化的关系,在实际应用中,灵敏度越高,NTC热敏电阻对温度变化的响应越快速,检测精度也越高。