涵洞说明书2
- 格式:doc
- 大小:20.50 KB
- 文档页数:2
第1篇一、工程概况桥梁涵洞工程是公路建设的重要组成部分,其主要功能是连接道路、跨越河流、山谷等自然障碍物,确保道路畅通。
本工程涉及桥梁和涵洞的施工,主要包括桥梁的施工、涵洞的施工以及桥梁与涵洞的连接等。
二、施工准备1. 技术准备:组织施工人员学习相关规范、规程,熟悉图纸,明确施工工艺和质量要求。
2. 材料准备:根据工程需要,采购合格的建筑材料,如钢筋、水泥、砂石、木材等。
3. 机械设备准备:确保施工过程中所需的各种机械设备正常运行,如挖掘机、装载机、混凝土搅拌车、泵车等。
4. 施工场地准备:平整施工场地,搭建临时设施,确保施工顺利进行。
三、桥梁施工1. 基础施工:根据设计要求,进行桩基施工,确保桩基质量符合规范要求。
2. 上部结构施工:根据上部结构形式,采用相应施工工艺,如现浇梁、预制梁、装配式梁等。
3. 防护工程:对桥梁主体结构进行防护,如安装栏杆、伸缩缝等。
4. 桥面铺装:根据设计要求,进行桥面铺装,确保桥面平整、牢固。
四、涵洞施工1. 基坑开挖:根据设计要求,进行基坑开挖,确保基坑尺寸符合规范要求。
2. 基础施工:根据基础形式,采用相应施工工艺,如砌筑基础、现浇基础等。
3. 管节预制:根据涵洞尺寸,进行管节预制,确保管节质量符合规范要求。
4. 管节安装:将预制管节安装到基坑内,确保管节位置准确、连接牢固。
5. 排水设施:安装涵洞排水设施,如涵洞出口、涵洞进出口连接等。
五、桥梁与涵洞连接1. 桥梁与涵洞连接处,进行基础处理,确保连接处平整、牢固。
2. 根据设计要求,进行桥梁与涵洞连接处的防水处理。
3. 桥梁与涵洞连接处的施工质量应符合规范要求。
六、施工质量控制1. 严格控制原材料质量,确保施工质量。
2. 加强施工过程控制,严格执行施工规范和操作规程。
3. 定期进行质量检查,确保施工质量符合设计要求。
4. 发现质量问题,及时进行处理,确保工程顺利进行。
七、施工安全1. 施工现场应设置安全警示标志,确保施工安全。
涵洞设计说明书涵洞设计说明书一、设计依据1、交通部部颁标准《公路工程技术标准》JTJ B001-2003。
2、交通部部颁标准《公路桥涵设计通用规范》JTG D60-2004。
3、交通部部颁标准《公路钢筋混凝土及预应力混凝土桥涵设计规范》JTGD62-2004。
4、交通部部颁标准《公路桥涵地基与基础设计规范》(JTG D63-2007)。
5、交通部部颁标准《公路桥涵施工技术规范》JTJ 041-2000。
6、交通部部颁标准《公路桥涵抗震设计细则》(JTG/T B02-01-2008)。
7、交通部部颁标准《公路圬工桥涵设计规范》(JTG D61-2005)。
8、交通部部颁标准《公路交通安全设施设计规范》(JTG D81-2006)。
9、交通部部颁标准《公路交通安全设施设计细则》(JTG/T D81-2006)。
10、交通部部颁标准《钢筋混凝土用钢第1部分:热轧光圆钢筋》(GB 1499.1-2008)。
11、交通部部颁标准《钢筋混凝土用钢第2部分:热轧带肋钢筋》(GB 1499.2-2007)。
12、交通部部颁标准《公路工程质量检验评定标准》(JTG F80/1-2004)。
二、技术标准1、设计荷载:公路-II级。
2、设计洪水频率:1/50。
3、交角:0°、30°,交角指水流方向与路线法线方向的夹角。
4、跨径:1.0、1.5、4.0米。
5、基础埋置深度:K0+000~K66+000埋深 2.3米;K66+000~K92+000埋深3.0米;K92+000~终点埋深2.6米;6、路基宽度:12.00米。
7、涵台基础:采用分离式基础。
三、设计说明:A、钢筋混凝土明板涵:1、主要材料:(1)、混凝土:台身、台帽、基础均采用C30混凝土, 盖板、铰缝均采用C30混凝土,涵面铺装采用C40混凝土;(2)、砌体:八字墙、河床铺砌、隔水墙、边坡铺砌均采用M7.5浆砌片石。
(3)、石料:石料强度不得低于MU30。
桥梁、涵洞说明5.1涵洞设计的一般规定涵洞设计原则上不降低原有沟渠功能,尽量不破坏原有水系和排灌网络,满足水利配套和农灌的需要。
涵洞设计荷载为公路—Ⅰ级。
1涵洞施工注意事项:1).圆管涵管座混凝土应与管身紧密相贴,使圆管受力均匀,圆管涵管节头采用对头拼接,管身采用沥青油毛毡防水,沉降缝用沥青麻絮或其它具有弹性的不透水材料填塞。
圆管涵各管节应顺流水坡度成平顺直线,如管壁厚度不一致时,应在内壁取平。
2).盖板涵预制板必须在混凝土强度达到设计强度70%后,才能够脱、摸移动和堆放。
堆放时应在块件端部两点搁置垫木,不得把上下面倒置。
3).盖板涵洞身每隔4~6米设一道沉降缝,沉降缝应贯通整个断面,缝宽2厘米,缝内用沥青麻絮或其它具有弹性的防水材料填塞。
置于岩石地基上的涵洞可以不设沉降缝。
4).涵台及翼墙后填土要求分层夯实,分层厚度不宜大于30厘米,压实度不宜低于90%。
5).桥涵施工对路基填筑压实施工干扰较大。
涵洞施工按先易后难的原则,尽量使路基填筑压实形成较长作业面,方便路基施工,加快施工进度,保证工程质量。
6).未尽事宜按有关技术规范规定执行。
5.2涵洞型式的选择5.2.1涵洞主要是为渲泄地面水流(或小河沟)而设置的横穿路基的小型排水构造物,公路跨越沟谷、溪沟、河流、人工渠道以及排出路基内侧边沟水流时,常常需要修建涵洞。
5.2.2涵洞应根据所在公路的使用任务、性质和将来的发展需要,按照安全使用、经济坚固的原则,同时适当考虑农田排灌的需要,结合各有关方面的要求,综合考虑施工与养护等条件,恰当的选择涵洞。
5.2.3小桥涵位置和方向设置,必须考虑“进口要顺,水流要稳”,不发生斜流、漩涡等现象。
以免冲击洞口、堤坝或农田。
本地区河流及沟谷水量充足,地面径流资源丰富,水土流失不太严重。
设涵地区坡陡水急,水量大、历时短,冲刷现象比较严重。
涵位布置应尽量符合水流方向,不宜改沟设涵,强求正交。
5.2.4盖板涵要求过水面积较大时,低路堤上的明涵或一般路堤的暗涵,构造较简单,维修容易,跨径较小时用石盖板涵,跨径较大时用钢筋混凝土涵。
通道、涵洞说明本项目为龙里县洗马镇新城镇建设项目,涵洞设计荷载采用城—A级,设计洪水频率采用1/50,通道净高3.5m。
根据沿线地形、地貌和地质情况,通道设1道,涵洞共设5道。
一、布设原则根据沿线沟渠的流量,结合地形、地质条件及建筑材料等情况,选定涵洞的位置、结构型式及孔径。
二、本段涵洞的布设情况为了便于施工及减少跳车,采用暗涵设计。
涵洞结构形式为钢筋混凝土盖板涵与钢筋混凝土箱涵,考虑到便于排洪及清淤,孔径布置都不小于1m。
本项目共有5道涵洞,全长87.34m,其中三道为钢筋混凝土盖板涵,长51.25m;两道为钢筋混凝土箱涵,长36.09m,箱涵净跨径为6.0m,预留两米人行道,人行道处净高2.5m;一号路设盖板沟接顺改沟,桩号为K0+780~K0+830,全长为50.0m;K0+620处设水井半涵一道,采用φ30cm铸铁管导出。
通道与路线呈斜交30度。
通道净宽4m,净空高度为3.5m,进出口采用斜交正做。
通道长24.25m。
涵洞施工方法及注意事项涵洞的施工按现行部颁《公路桥涵施工技术规范》(JTG F50-2011)的要求组织施工。
同时还应注意以下几条:一)、涵洞钢筋:HPB300钢筋:应符合国家标准(GB1499.1-2008)规定要求。
HRB400钢筋:应符合国家标准(GB1499.2-2007)规定要求。
二)、箱涵(1)箱涵通道采用就地浇筑工艺。
全箱可采用两次浇筑,第一次浇至底板内壁以上30cm,第二次浇筑剩余部分。
两次浇筑的接缝处应按施工缝处理。
(2)侧墙背后应回填砂砾石,回填范围为顺路向方向长度,顶面不小于涵身高度加2m,底面不小于2m。
(3)当涵身混凝土强度达到100%时方可进行涵背填土,要求两侧对称分层夯实,不得采用大型机械推土超厚压实。
(4)每道箱涵均需在涵身中部(中央分隔带下)连同基础设变形缝一道,若箱涵很长时可视具体情况再设变形缝,分段宜在4~6m。
(5)在满足排水情况下,箱涵位置可根据回填路基情况和土地使用规划适当调整平面位置,路基回填至箱涵基础底时,应通知地勘单位现场确认地基承载力后方可进入下步工序。
桥梁、涵洞说明一、初步设计批复意见及施工图专家组意见执行情况本施工图设计严格按浙江省发展和改革委员会文件(浙发改设计(2011) 129号)《关于泰顺县58省道(西山岗)至筱村公路工程初步设计批复的函》及“关于泰顺县58省道(西山岗)至筱村公路工程施工图审查专家组意见”执行。
1.初步设计批复意见(1)同意本项目桥梁上部结构均采用T粱方案,下部结构采用柱式墩、桩基础,桥台采用桩基础或U型桥台、扩大基础。
下阶段结合地质详勘进一步优化桩径和桩长,对易受冲刷的基础,要做好防冲刷设计。
(2)同意桥面铺装采用10厘米厚钢筋砼+10厘米厚沥青砼。
2.初步设计批复意见执行情况本施工图设计根据初步设计批复意见严格执行,在施工图设计阶段结合详勘详测的资料以及地形、地质、水文、水力情况,进一步优化调整了桥梁墩、台的位置,优化了桥跨布置,确保安全经济合理。
具体措施如下:(1)根据批复意见,在经过技术经济比较后,对部分桥梁的配跨、桥型方案作了合理的调整。
在保证结构完成预定功能的前提下,尽可能与周边环境相协调。
对非部颁现行标准图设计的桥涵构造物都进行结构验算,确保结构安全。
(2)根据施工图详勘的地质钻孔、地质纵断面、对于部分地质特殊的桥梁,还考虑横向地质变化结合桥梁不同横向偏距的地质纵断面以及桥址处的勘探成果进行施工图设计,确保结构安全并经济合理。
(3)根据施工图设计阶段详测的资料,进行了局部合理优化。
结合山区地形、地貌、地质条件以及地质勘探结果、优化墩台基础形式以及尺寸;根据桥墩台处的横断面,逐墩合理优化桥墩系梁标高以及基础高程。
对高桥墩进行了结构验算,确保结构安全、经济、合理。
(4)根据批复意见,桥面铺装采用10厘米厚钢筋砼+10厘米厚沥青砼。
3.施工图专家组意见(1)山区桥梁基础冲刷较严重,建议完善桥梁基础防冲刷设计。
(2)对盖梁的配筋设计作进一步复核计算。
(3)通过验算对桥梁下部结构设计作进一步优化,合理确定桩径及桩底标高,适当归并桩柱种类。
涵洞通⽤图说明涵洞通⽤图1 本图适应范围1、钢筋砼圆管涵:孔径0.75m、1.0m、1.25m , 管顶填⼟⾼度0.5-10.0m。
2、钢筋砼盖板涵(通道):跨径1.5、2.0、2.5、3.0、3.5、4.0、5.0、6.0m。
3、倒虹吸:竖井式倒虹吸管中圆管采⽤1.0m,斜倒虹吸管中圆管采⽤1.0m。
4、洞⼝形式:井字洞⼝、⼋字洞⼝5、路基边坡:1:1.5,1:1.75。
2 设计说明及施⼯注意事项1、设计荷载:公路—Ⅰ级。
2、钢筋砼圆管涵:1)管节分段长度分别为1.0m和0.5m;2)各种斜交及正交⾓度的涵洞长度,可通过基本管节,斜管节和端墙调整以适⽤各种情况。
3)涵洞顶上及涵⾝两侧在不⼩于两倍孔径范围内的填⼟须分层对称夯实,压实度达到96%。
4)涵⾝每隔4~6 m应设沉降缝⼀道,对于地基⼟质发⽣变化,基础埋置深度不⼀或基础对地基的压⼒发⽣变化,以及基础填挖交界处,也应设置沉降缝。
3、钢筋砼盖板涵1)预制盖板按99cm和74cm两种宽度绘制,若需变更盖板宽度,可参照本图的配筋根数,按实际板宽进⾏折算。
2)当为斜交涵洞时,洞⼝两端盖板设计为梯形盖板,可预制安装或现场浇筑。
3)必须在预制盖板的强度达到设计强度的70%时,⽅能脱模吊运。
4)盖板块件堆放时采⽤两点搁置,可⽤钢丝绳捆绑吊装。
5)当涵洞的基底⼟承载⼒⼩于本图所拟定的容许范围时,此时可在基底铺砌⼲砌⽚⽯、设置砂砾⽯、碎⽯或砂垫层,提⾼基底⼟承载⼒。
6)台后在不⼩于两倍孔径范围内,选⽤透⽔性能良好的砂质⼟或砂砾⼟等对称分层夯实。
7)分离式基础涵洞铺砌采⽤7.5号砂浆砌40cm厚度双层⽚⽯,砌筑时应保证砂浆填满,以起到⽀撑及承受冲刷的作⽤。
8)整体式基础钢筋混凝⼟盖板涵涵台及基础采⽤C20混凝⼟,以提⾼整体强度。
9)⾼填⼟钢筋混凝⼟盖板涵涵台采⽤C30混凝⼟,基础材料对于1.5×2.0m采⽤C20混凝⼟,其余孔径采⽤C25混凝⼟。
4、倒虹吸1)竖井式倒虹吸管中圆管的配筋参见钢筋混凝⼟圆管涵的配筋。
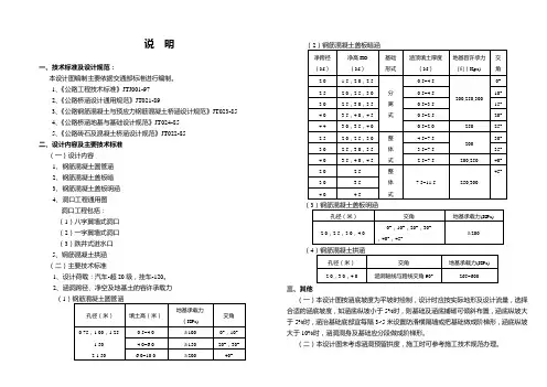
说明一、技术标准及设计规范:本设计图编制主要依据交通部标准进行编制。
1、《公路工程技术标准》JTJ001-972、《公路桥涵设计通用规范》JT021-893、《公路钢筋混凝土与预应力钢筋混凝土桥涵设计规范》JT023-854、《公路桥涵地基与基础设计规范》JT024-855、《公路砖石及混凝土桥涵设计规范》JT022-85二、设计内容及主要技术标准(一)设计内容1、钢筋混凝土圆管涵2、钢筋混凝土盖板暗3、钢筋混凝土盖板明涵4、洞口工程通用图洞口工程包括:(1)八字翼墙式洞口(2)一字翼墙式洞口(3)跌井式进水口5、钢筋混凝土拱涵(二)主要技术标准1、设计荷载:汽车-超20级,挂车-120。
2、涵洞跨径、净空及地基土的容许承载力(1(2)钢筋混凝土盖板暗涵(4三、其他(一)本设计图按涵底坡度为平坡时绘制,设计时应按实际地形及设计流量,选择合适的涵底坡度,如涵底纵坡小于5%时,则基础及涵底铺砌可倾斜布置,涵底纵坡大于5%时,涵治基础底部宜每隔3~5米设置防滑横隔墙或把基础做成阶梯形,涵底纵坡大于10%时,涵洞洞身及基础应分段做成阶梯形。
(二)本设计图未考虑涵洞预留拱度,施工时可参考施工技术规范办理。
说明(一)一、主要材料:1、管身砼:30号砼。
2、管身钢筋:纵向钢筋采用I级钢筋;螺旋主筋采用II级钢筋。
3、基础:管身基础采用20号砼,八字墙、一字墙基础均采用15号砼。
4,洞口:1)八字墙身和一字墙身及帽石采用20号砼。
2)洞口铺砌、一字墙护坡、隔水墙均采用7.5号浆砌片石,片石标号不小于30号。
3)勾缝材料用7.5号砂浆。
二、设计要点:(一)设计计算:1、采用容许应力、极限应力两种方法分别对截面进行了应力与裂缝计算。
2、活载计算理论:按刚性管节计算即不考虑管节的变形,也不考虑涵洞顶土柱和周围填土间的摩擦力,采用角度分布法计算,半无限弹性体理论核算。
3、管节配筋按纯弯板断面分析,采用双向配筋管壁设置内外圈两层钢筋,并根据管径大小区别配用不同等级的钢筋,管节配筋由裂缝控制设计。
桥涵说明书一、涵洞说明望江山至文家坪公路砼路面工程,沿线桥涵经调查全线共有涵洞68道,均为2008年和2010年新建,涵洞能满足设计要求,完全可以利用,且结构完好,只须清通就能够满足于山洪过水断面。
本次设计只对涵洞进口跌井重新设计和新建,洞身人工清通。
二、设计原则1、结构设计遵照按《公路桥涵设计技术规范》严格执行。
2、按承载能力极限状态进行张度计算时,其表达式为r.s≤R3、按正常使用极限状态进行验算时,其裂缝开展宽度不大于0.2mm。
4、永久作用标准值结构混凝土自重取25.26KN/m3。
5、永久作用标准值取作用中大者计算。
6、车辆荷载按《公路桥梁设计荷载标准》取值。
7、地面永久荷载10KN/m2。
三、施工注意事项1、管涵:受力情况和适应基础的性能较好,仅设置端墙不需要墩台,所以圬工数量小,造价较低,但在低路堤,使用受限。
2、四铰管涵在其横断面上有四个铰,位置设在弯矩最大外,即涵洞内侧和顶部、底部,由于四铰涵有交铰的作用,降低了圆管的内力,四铰涵是一个几何可变结构,只有当竖向作用力横向作用力相互平衡时,方能保持其形状,因此要求涵管四周的土具有相同的弹性,使涵管可以随着土的变形而适应本身的受力,为此四铰涵管只可布置在天然地基或稍加压的土垫层上,若放在石质地基上,应在管节下开槽并垫以砂层。
本设计全部采用刚性管涵:它在横断面上构成一个刚性圆环,环的厚度随直径大小和填土高度而变,一般在8-15cm之间,涵管的钢筋有内外两层,钢筋加工成一个个的圆圈式螺旋箍筋骨架,刚性管涵可根据地基的性质安置在混凝土基础上或砂垫层上。
涵洞进口一字墙工程数量已在路基中计列。
以上未尽事宜,按《公路桥涵施工技术规范》(JTJ041-2000)严格执行。
涵洞、通道涵、涵式小桥设计说明涵洞、通道涵、涵式小桥设计说明一、技术标准及规范1、交通部部颁标准《公路工程技术标准》JTG B01-2003。
2、交通部部颁标准《公路桥涵设计通用规范》JTG D60-2004。
3、交通部部颁标准《公路钢筋混凝土及预应力混凝土桥涵设计规范》JTG D62-2004。
4、交通部部颁标准《公路桥涵地基及基础设计规范》JTG63-2007。
5、交通部部颁标准《公路工程混凝土结构防腐蚀技术规范》JTG/TB07-01-2006。
6、交通部部颁标准《公路涵洞设计细则》JTG/T D65-04--2007。
7、钢筋混凝土箱涵参考:JT/GQB 016-2000。
8、其它相关标准及规范二、主要技术指标1、设计荷载:公路-I级。
2、设计洪水频率:1/100。
3、地震动峰值加速度值:0.1g。
三、主要材料1、圆管涵:管节采用C40混凝土,钢筋采用R235、HRB335钢筋,管基采用C20混凝土;帽石、端墙墙身及基础采用C25混凝土;八字墙墙身及基础采用C20片石砼;洞口铺砌、隔水墙采用M7.5砂浆砌片石,片石标号不小于30号。
2、盖板涵(用于跨径不大于4m,且填土高小于8m的盖板涵):3、盖板涵及涵式小桥(除跨径不大于4m,且填土高小于8m的盖板涵外):4、箱涵:涵身及翼墙采用C30混凝土,钢筋采用II级钢筋;涵身基础采用C20混凝土;洞口河床铺砌、隔水墙、锥形护坡均采用M7.5砂浆砌片石及M7.5砂浆勾缝。
四、设计要点根据实地调查的有关资料及地方要求,结合桥梁兼排水通道的设置情况,综合考虑布设涵洞、通道。
根据地基承载力、路基填土高度、设计流量及材料来源分别选用了圆管涵、盖板涵、箱涵、涵式小桥。
其中箱涵涵顶填土高度<0.5m时视为明涵。
明涵需要设置搭板,在箱涵涵身设置牛腿。
箱涵温度应力按±10°C考虑,并考虑了底板、侧墙与顶板分期浇筑时的混凝土的收缩影响,故施工时按降温10°C处理。
涵洞设计说明本路段共有1座中桥,中心桩号为K1+140,为1孔30米预应力T梁,桥面宽度为:净-9m+2x1.25m (人行道),总宽12m。
该桥使用状况良好,桥面铺装完好,本次改造老桥利用。
新建5座涵洞,以利于排水和灌溉,其中盖板涵4做,圆管涵1座。
(一)盖板暗涵设计说明一、技术标准与设计规范:1、交通部部颁标准《公路工程技术标准》JTJ 001-972、交通部部颁标准《公路桥涵设计通用规范》JTJ 021-893、交通部部颁标准《公路砖石及混凝土桥涵设计规范》JTJ 022-854、交通部部颁标准《公路桥涵地基及基础设计规范》JTJ 024-855、交通部部颁标准《公路桥涵施工技术规范》JTJ 041-2000二、技术指标1、净跨径:1.5、2.0、2.50、3.00、4.00米2、斜度:0o、10o、20o、30o、40o(涵洞轴线与路线法线之夹角)3、荷载等级:汽车——20级,挂车——100;汽车——超20级,挂车——1204、涵洞净跨径、净空及地基土的容许承载力:三、主要材料四、设计要点1、盖板采用简支板计算图式进行设计。
按承载能力极限状态和正常使用极限状态分别进行计算和验算。
2、盖板的计算高度按d1计,为提高盖板强度在盖板跨中加厚为d2。
预制盖板宽度为99cm。
3、盖板底层设受力主筋,顶层设架立钢筋,各种钢筋沿板长和板宽方向均匀布置。
4、当涵洞为斜交时,涵身部分中板以正交预制板铺设,二端洞口部分以梯形现浇钢筋混凝土板构成,梯形板支撑端短边长度99>Ld>50(cm),钢筋构造见相应图纸。
5、路面车辆活荷载对涵顶的压力按30 o角进行分布;填土内摩擦角为35 o,土容重18KN/m。
6、涵台的计算按四铰框架模式进行。
7、当涵洞跨径L<2.0M时,支撑梁可采用块石砌筑。
L>=2.0M时宜采用钢筋混凝土浇筑。
8、当涵洞过水流量按无压力式涵洞设计。
确定涵底坡度时,一般应小于本图册水力计算表中设定流速下的最大坡度imax,同时应大于表中的临界坡度Ik。
总说明一设计依据、标准及相关规范1.1设计依据(1)XXXXXXXXXX“关于倒虹吸设计委托函”。
(2)XXXXXXXXXX提供的地勘报告。
(3)XXXXXXXXXX与我院签订的设计合同书。
1.2设计标准1.2.1 桥涵荷载等级:城市—B级1.2.2 抗震设防烈度:Ⅷ度地震作用:地震动峰值加速度为0.20g。
1.3设计规范《公路桥涵设计通用规范》JTG D60-2004《城市桥梁设计规范》CJJ 11-2011《公路桥涵地基与基础设计规范》JTG D63-2007《公路钢筋混凝土及预应力混凝土桥涵设计规范》JTG D62-20041.4 施工及验收规范《城市桥梁工程与质量验收规范》CJJ 2-2008《公路桥涵施工技术规范》JTG/T F50-2011二工程概况2.1工程范围及规模XXXXXXX(集团)有限公司厂区建筑面积13800平方米,是XX最早的一家集科研、生产、营销于一体的花园式、专业化葡萄酒生产企业,目前年产量近3万吨,葡萄种植面积11.7万亩,销售达近30亿元。
本项目位于XXXX厂外东侧,东临XX路,现状为灌溉用水渠。
为便于XXX以后运输的便利,现需于厂区南侧新建一条厂区道路,为跨越现状水渠,需建设倒虹吸涵洞一道。
2.2主要设计内容根据建设单位要求,考虑沿线农田灌溉要求,经与建设单位在现场踏勘确认,本项目与XX路东侧、XXXX厂南侧设置1道1-1.5米倒虹吸圆管涵。
2.3工程资料2.3.1 地质概况(1)气象XX属中温带干旱大陆性气候,具有降水稀少、蒸发强烈,光照充足、气候干燥、风大沙多等特点,年平均气温8.5℃左右,最低一月份月平均气温-14.6℃,历史极端最低气温-30.6℃,最高气温在七月份,平均为23.5℃,极端最高气温39.3℃,无霜期150天左右。
XX年最大降水量354.3mm,最小为98.2mm,日最大降水量66.8mm,降水量多集中在每年7、8、9三个月,占全年总降水量70%以上,年均水面蒸发量1176mm(E601型),干旱指数5.9。
说明一、设计依据(一)、初步设计批复意见执行情况本施工图设计按中华人民共和国交通部“交公路发〔1999〕363号”文件“关于金华至丽水公路初步设计的批复”意见执行。
(二)、设计规范设计部分采用的技术规范如下:中华人民共和国行业标准《公路工程技术标准》(JTJ001-97);中华人民共和国交通部标准《公路桥涵设计通用规范》(JTJ021-89);中华人民共和国交通部标准《公路砖石及混凝土桥涵设计规范》(JTJ022-85);中华人民共和国交通部标准《公路钢筋混凝土及预应力混凝土桥涵设计规范》(JTJ023-85)。
中华人民共和国交通部标准《公路桥涵地基与基础设计规范》(JTJ0024-85);二、涵洞设计说明本标段共设置石拱涵1道,钢筋混凝土暗盖板涵1道,根据已有道路情况,在所设置的通道内设置部分排灌涵洞。
1. 结构型式:钢筋混凝土盖板涵、石拱涵。
2. 盖板涵的跨径有2.0m、2.5m、3.0m及4.0m,拱涵的跨径有2.0m,3.0m,4.0m。
3.盖板涵及拱涵地基容许承载力祥见相应布置图。
4.主要材料:钢筋混凝土暗盖板涵盖板采用40号混凝土,台身混凝土采用20号,基础及涵洞铺砌采用15号混凝土。
石拱涵拱圈材料采用7.5号浆砌块石(30号),帽石采用5号砂浆粗料石(30号),台身、侧墙及基础采用5号砂浆片石(25号),护拱采用5号砂浆片石(20号)。
施工方法及注意事项1. 盖板涵(1) 设计要求承载力见相应布置图,如设计要求承载力与实际有出入时,请与有关部门联系斟情解决。
(2) 上下部连接可将台墙高度砌筑到盖板支点处的顶面,使盖板与台墙顶紧,起支撑作用。
(3)上下部采用栓钉连接,钉孔位置要一并考虑。
栓钉可用盖板的主筋制作,栓钉长度为盖板厚度加台帽厚度。
每块盖板在预制时端部各预留一个钉孔,盖板安装后在每一个钉孔中插两个栓钉,再用20号小石子砼填满捣实。
(4) 预制板必须在砼达到设计强度70%后,才能脱模、移运和堆放,涵身两侧填土应在盖板端缝及涵底铺砌混凝土强度达到设计强度的100%时进行,应分层夯填,不得采用大型机械压实,更不能只在一侧夯填,必须两侧同时对称进行。
涵洞设计说明一、设计标准1、结构的设计基准期:100年2、设计荷载;公路-Ⅰ级。
3、道路等级:公路二级,设计行车速度为40Km/h4、设计洪水频率:涵洞1/50。
5、涵洞与路基同宽。
6、地震烈度:Ⅶ度7、设计安全等级为二级二、沿线涵洞的分布情况沿线根据现有池塘、沟谷等情况布设钢筋砼箱涵1道,涵洞总长21.51米。
三、建筑材料钢筋混凝土箱涵:涵身采用C35铪,其受力主筋及构造钢筋均采用HRB335钢筋;帽石采用C35铪,涵身基础为C20砼;洞口河床铺砌、八字墙为C15片石砼,台背回填材料采用砂砾石。
四、设计、施工要点:1、钢筋混凝土箱涵采用就地浇筑工艺。
全箱可分为二层浇筑。
第一层浇至底板内壁以上30厘米,第二层浇筑剩余部分。
两次浇筑的接缝处应保证有良好的衔接面(粗糙、干净并不得有堆落的混凝土、砂浆等)。
2、为了减小箱涵两侧填土的沉降量,以改善涵顶与两侧路面的平顺性,侧墙以外各自不小于4.50米的范围内应以砂性土回填。
3、本设计作为闭合框架的主要受力钢筋宜优先采用焊接接头。
钢筋焊接接头的类型和质量应符合《钢筋焊接及验收规范》(JGJ18-2003)的要求。
接头的位置应相互错开并应符合《混凝土结构设计规范》(GB50010-2002)中的有关规定。
4、钢筋表上的钢筋形状及图纸上的钢筋接头位置均未考虑错开要求,钢筋接头实际位置及要求应按施工验收规范确定。
5、每道涵洞均需沿涵长方向设置沉降缝,沉降缝必须贯穿整个涵身断面(包括基础)。
6、箱涵应设置防腐沥青管形防水层。
五、强制性条文执行情况(一).公路桥涵设计通用规范1、公路桥涵结构的设计基准期为100年。
2、设计安全等级按表1.0.9取值,符合第1.0.9条。
3、桥涵设计时,对不同的作用采用不同的代表值,符合第4.1.2条规定;结构按承载能力极限状态设计时,采用两种作用效应组合,符合第4.1.6条规定;4、桥涵设计时计算图式、荷载等级及其标准值、加载方法、纵横向折减符合第4.3.1条规定。
标准文档徐州市市政设计院有限公司2010年课题海特涵洞软件的应用与出图范本目录第一部分 (4)海特涵洞软件操作方法说明 (4)1.1基本操作 (5)1.2涵洞设计 (7)1.2.1圆管涵设计步骤 (7)1.2.2盖板涵设计步骤 (18)1.2.3倒虹吸涵设计步骤 (21)第二部分 (23)海特涵洞软件操作注意事项 (23)范例一:圆管涵设计范例 (32)范例二:盖板涵设计范例 (34)范例三:倒虹吸涵设计范例 (36)海特软件操作说明及注意事项第一部分海特涵洞软件操作方法说明1.1基本操作1.1.1运行软件软件启动时间稍长,请耐心等待1.1.2确认项目管理器软件完全打开后,在屏幕左端应出现项目管理器的窗口,如没有,请在屏幕上方嵌入的一排海特菜单栏中选择“视图”,在下拉菜单中单击“项目管理器”。
这样就会打开项目管理器窗口。
如下图:1.1.3新建项目组在屏幕上方嵌入的一排海特菜单栏中选择“文件”,,在下拉菜单中单击“新建项目组”,在弹出的对话框中输入项目组名称及保存路径,然后确定。
(初次使用时,新建项目组命令可能会自动弹出,只需将左下角的方框勾选去掉即可)如下图:1.1.4添加涵洞新建的项目组会在项目管理器中显示出来。
在项目管理器中右击项目组的名称,在弹出的菜单中选择添加涵洞命令。
然后在接下来弹出的对话框中选择涵洞类型模板并输入涵洞桩号,最后确定。
如下图:1.2涵洞设计新建的涵洞桩号会出现在项目管理器中,右击新建的涵洞,弹出的菜单里会显示出所有可以进行的操作及参数的编辑。
下面以新建的圆管涵进行详细说明。
1.2.1圆管涵设计步骤设计步骤1.涵洞选型。
右击涵洞桩号在弹出菜单中选择“涵洞选型”,在弹出的对话框中选择左右洞口的形式(一般可选锥坡洞口)和洞口与洞身结合部类型(一般可选一字墙)。
然后输入涵洞斜交角度,最后选择涵洞孔数。
在“高级参数”里,可以选择设计荷载,如下图。
2.输入地面线。
右击涵洞桩号在弹出菜单中选择“地面线”,先输入地面线中心高。
本图参照《沪宁高速公路桥涵通用图》HNGG/QT-09,HNGG/QT-10和HNQQ/QT-11进行设计。
一、设计依据1. 交通部部颁《公路工程技术标准》JTJ01-97。
2. 交通部部颁《公路桥涵设计通用规范》JTJ021-89。
3. 交通部部颁《公路钢筋混凝土及预应力混凝土桥涵设计规范》JTJ023-85。
4. 交通部部颁《公路砖石及混凝土桥涵设计规范》JTJ022-85。
5. 交通部部颁《公路桥涵地基与基础设计规范》JTJ024-85。
二、技术标准三、主要材料四、设计要点(一) 圆管涵1. 管壁各断面的弯矩计算采用公路设计手册《涵洞》第六章第二节介绍的刚性圆管涵计算方法计算;管壁厚度与孔径比采用1∶10。
2. 管身荷载:管身所受恒载包括管身自重、管身侧面及顶面土压力。
管身所承受的活载即车辆荷载通过填土按30°扩散角分布于管顶假定的水平面上,当分布宽度小于计算孔径时,按局部均布荷载计算;基底竖向反力假定通过基础均匀分布;圆管的侧压力强度按管顶水平面以上土柱引起的水平荷载计算;填土容重为18kn/m3,内摩擦角为35°。
3. 根据管顶及管侧内力计算结果,按单筋截面砼配置管壁内、外两层受力钢筋。
4. 内径为1.5m的圆管涵用于主线上,内径为1.0m的圆管涵用于填土高度小于4.0m的互通匝道上。
(二) 箱涵1. 箱身按闭合箱形截面,取1m箱长进行内力计算。
顶、底板按压弯或拉弯构件配筋,侧墙按压弯构件配筋。
2. 箱身荷载箱身所受恒载包括箱身自重、箱身侧面及顶面土压力,搭板重(填土高度小于0.5m时),而不计箱内底板上面的铺装、车辆(含流水)等荷载。
箱身所受活载,当箱顶填土高度小于0.5m按45°角扩散车轮荷载,并计入冲击力;当箱顶填土高度等于或大于0.5m时按30°角扩散车轮荷载,不计冲击力。
活载通过填土引起的侧压力,按箱身全长范围内的箱后填土破坏棱体上的活载换算成等代均布土层厚度计算。
涵洞说明一、设计方法本路涵洞填土高度大于0.5米的按交通部颁布的《钢筋混凝土盖板涵(JT/GQB 003-2003)》规范设计,荷载等级为公路-II级。
对于相同类型相同跨径的涵洞,作一套标准图,工程数量,已分别作了计算。
具体各结构部位主要材料按以下要求进行:盖板涵:盖板采用C30混凝土预制,非整块板可用相同配筋现浇或预制;台帽采用C25混凝土;暗涵台基采用M7.5浆砌片石;暗涵台身采用C25混凝土;涵底铺砌采用M5.0浆砌片石;侧墙、一字墙采用M7.5浆砌片石;帽石采用C25混凝土;支撑梁采用C25混凝土,涵顶矮墙和错台梯步采用C15混凝土,截水墙采用M7.5浆砌块石;沟槽池、边沟跌井采用M7.5浆砌片石,洞口采用M7.5浆砌片石;片石标号应大于30号。
盖板涵的盖板配筋按设计跨径、交角、板厚分别在“暗涵盖板构造图”中查取。
全线分离式基础暗涵跨径大于2米的均设有支撑梁。
工程数量表中已计入Ф12和Ф8钢筋数量,请在施工时注意参照相应的标准图二、采用类型本合同段共有27道涵洞,(重)新建5道涵洞,均为钢筋混凝土盖板暗涵。
接长1道,为钢筋混凝土盖板暗涵。
原涵利用包括4道拱涵和17道钢筋混凝土盖板暗涵。
三、施工注意事项:a)全线新建涵洞,部分涵洞因进出水困难的,为保证流水畅通,进、出口可做适当开挖,发生的工程量按实际计。
b)涵洞施工时,应考虑边沟水或其它沟渠水的引入,并应注意接顺,如:加长排水沟接顺原沟等,所发生的工程数量由现场监理据实确定。
c)全线涵洞,地基承载力不得低于0.25MPa或0.3MPa,否则应进行换填或其它加固措施。
d)在进出口有挡墙的地段,注意与挡墙配合施工,挡墙应向后错开,若是挖方地段,应注意放坡与路垫边坡一致。
为满足涵洞设计要求,可将挡墙在满足技术要求的前提下移动位置或错台处理,出口跌水高度可根据实际需要作调整。
e)若涵洞图上的路基设计高与路基设计表中不符,请注意核对后据实处理,可对一字墙高度等作微小调整,但不宜调整涵底标高。
一、设计标准
根据交通部颁《公路工程技术标准》(JTG B01-2014)、《公路桥涵设计通用规范》(JTG D60-2004)、《公路圬工桥涵设计规范》(JTG D61-2005)、《公路桥涵地基与基础设计规范》(JTG D63-2007)、《公路钢筋混凝土及预应力混凝土桥涵设计规范》(JTG D62-2004)、《公路桥涵设计手册》(1991年编印)以及《公路桥涵标准图》(JT/GQB003-2003, JT/GQB004 -2003)。
全线桥涵技术标准采用如下:
1、设计荷载:公路—Ⅱ级;
2、小桥、涵洞设计洪水频率为1/25。
二、涵洞设计说明
本项目共设涵洞6道,钢筋混凝土盖板涵16米/1道,钢筋混凝土圆管涵33.5米/2道,详见圆管涵一览表(S4—2—2)、盖板涵一览表(S4—2—1)。
三、设计理论
(一)钢筋砼盖板涵设计
㈠结构基本假定
①盖板两端为铰接支承在上端,台身下端与基础固接,盖板内力计算不考虑涵台传来的水平力。
②盖板按简支板计算;台墙按简支梁计算,并按弹性地基梁进行验算。
㈡设计中的计算假定
①装配式钢筋混凝土盖板涵上部盖板与台墙顶紧,下部基础河床铺砌与支承
梁作为支撑成为四铰刚构系统,按四铰刚构计算。
②洞顶上车辆荷载引起的竖向土压力按车轮着地面积的边缘向下作30度角分布。
③荷载引起的台后土压力按换算土柱高计算。
④涵洞泄水能力按无压力计算,全部为自由出流,出水口流速不大于4.5米/秒。
(三)钢筋砼圆管涵设计
㈠设计计算理论
①分别采用容许应力和极限应力对截面进行应力与裂缝分析及计算。
②活载计算理论:按刚性管节计算即不考虑管节的变形,也不考虑洞顶土柱和周围填土间的摩擦力,采用角度分布法计算,半无限性体理论核算。
③管节钢筋按纯弯板截面分析,采用双向配筋管壁设置内外圈两层钢筋,管节钢筋由裂缝控制设计。
④当填土厚≤6米时,考虑活载影响;大于6米时,不考虑活载影响。
⑤土重:按土柱重理论计算,内摩擦角φ=35°,土容重为18KN/m3。
四、设计要点
1、桥涵角度指涵洞轴线与路线前进方向的右角.
2、涵洞进出水口形式:1)一字墙、2跌水井、3)八字墙、4)急流槽
3、洞口尺寸按路基边坡的1:1.5进行计算。
4、设计基础形式:盖板涵C15基础,圆管涵C15基础及C30砼管身基础。
5、材料:
钢筋采用R235级钢、HRB335级钢,砼为C15、C20、C30,片、块石强度不得低于30#。
圆管管节、钢筋砼盖板采用预制,均为30#钢筋混凝土;15#砼管涵洞身基础,20#砼涵身台帽,10#砂浆勾缝,10#砂浆墙顶抹面,其余均采用7.5#浆砌片石。
五、施工方法及注意事项
第四篇涵洞说明
S4—1
S4—1
1、涵洞顶及涵身两侧在不小于两倍孔径范围内的填土须分层对称夯实,相对
密度达到95%。
2、当洞顶覆土厚度小于0.5米时,施工过程中严禁任何重型机械和车辆通
过。
3、每隔3~6米设一道垂直于涵洞轴线的沉降缝,沉降缝贯穿于整个断面,
缝宽1~2厘米,内用沥青麻絮填塞。
4、圆管涵采用预制管节,安装时用人工安装。
5、其它未尽事宜及注意事项参照公路桥涵施工技术规范及有关图表说明。