圆管涵设计说明
- 格式:doc
- 大小:55.50 KB
- 文档页数:2
圆管涵设计说明一、技术标准与设计规范1、《公路工程技术标准》JTGB01-20142、《公路桥涵设计通用规范》JTGD60-20153、《公路用工桥涵设计规范》JTGD61-20054、《公路钢筋混凝土及预应力混凝土桥涵设计规范》JTGD62-20045、《公路桥涵施工技术规范》JTG/TF50-20116、《公路涵洞设计细则》JTG∕TD65-04-20077、《公路桥涵地基与基础设计规范》JTGD63-2007二、技术指标1.孔径:0.3m、0.8m、1.Om>1.5m;2.汽车荷载等级:公路一H级:3.设计安全等级:三级;4.环境类别:I类;三、主要材料1、圆管涵主要材料2、原材料原材料应有供应商提供的出厂检验合格证明书,并应按《公路桥涵施工技术规范》(JTG/TF50-2011)规定的检验项目、批次规定,严格实施进场检验。
1)混凝土水泥:应采用品质稳定的普通硅酸盐水泥或硅酸盐水泥,碱含量不宜大于0.60%,熟料中C3A含量不应大于&0%。
其余技术要求尚应符合《通用硅酸盐水泥》(GB175-2007)的规定,不应使用其它品种水泥。
细骨料:应采用硬质洁净的天然中粗河砂,也可使用经专门机组生产、并经试验确认的机制砂,其细度模数宜为2.6~3.2,含泥量不应大于2.0%,泥块含量不应大于0.5%(高性能混凝土),其余技术要求应符合《公路工程集料试验规程》(JTGE42-2005)的规定。
粗骨料:应采用坚硬耐久的碎石或卵石,空隙率宜小于40%,压碎指标宜小于20%,粗骨料母岩的抗压强度与混凝土设计强度之比应不小于1.5,含泥量不应大于1.0%,泥块含量不应大于0.5%,针片状含量宜小于10%;粒径宜为5mm~20mm,连续级配,最大粒径不应超过25mm,且不应大于钢筋最小净距的3/4;其余技术要求应符合《公路工程集料试验规程》(JTGE42-2005)的规定。
选用的骨料应在施工前进行碱活性试验,应优先采用非活性骨料;不应使用碱-碳酸盐反应活性骨料和膨胀率大于0.20舟的碱-硅酸反应活性骨料;当所采用骨料的碱-硅酸反应膨胀率在0.10%~0.20%时,混凝土中的总碱含量不宜大于3.0kg∕m3,且应经碱-骨料反应抑制措施有效性试验验证合格。
第 1 页说明一、技术标准:(一)管节孔径:Φ1.0m,Φ1.50m。
(二)管顶填土高度:0.5~10.0m。
(三)涵洞斜度Ф(指与路中心线的法线的夹角):0°、5°、10°、15°、20°、25°、30°、35°、40°、45°。
(四)洞口型式:八字式。
(五)地基容许承载力:0.15MPa。
(六)设计荷载:汽车-超20级,挂车-120。
二、设计标准与规范:1、交通部标准《公路工程技术标准》JTJ001-97。
2、交通部标准《公路桥涵设计通用规范》JTJ021-89。
3、交通部标准《公路钢筋混凝土及预应力混凝土桥涵设计规范》JTJ023-85。
三、主要材料:钢筋:螺旋形主钢筋为甲级冷拔低碳钢丝、直径为Фb5mm,抗拉设计强度为Rg=520MPa,纵向钢筋为Ⅰ级钢筋(3号钢)直径Ф6mm。
混凝土:管节C30;端墙墙身20号;端墙基础15号;管基10号。
浆砌片石:洞口翼墙墙身、翼墙基础、洞口河床铺砌及隔水墙7.5号。
三、施工要求:(一)预制管节建议采用离心法旋转成型的工艺,工厂集中预制Ф1.0圆管一般仅用于互通匝道、联络线和被交叉道路上;Ф1.5圆管一般用于主线上,圆管涵的设置应按2.0米标准管节执行,0.5米标准管节仅作为调整管节使用。
(二)当Ф1.0涵顶填土高度大于6米或Ф1.5涵顶填土高度大于4米时,螺旋钢筋采用双肢平行并绕。
(三)若地质土质较差,其地基允许承载力小于0.15MPa时,应采取换土措施,其换土深度由计算确定。
对于膨胀土地段,管底砂砾垫层改为砂垫层,厚度为1.0米。
(四)涵洞长每4~6m设沉降缝一道。
(五)施工放样时,必须注意管涵的全长、管节的合理配置以及洞口端墙的准确位置。
根据设计图的计算长度L,斜交管涵首先配置两端各一斜管节(两节合计长度为Lj+0.5m)和若干个2m正管节,余下不足 2.0m部分以0.5m正管节调整,故实际涵长L=(Li+0.5)+2n1+0.5n2+E(式中:n1、n2分别为2.0m、0.5m正管节节数,E为沉降缝宽度和考虑误差的预加长度3~5cm),L与L之差上下两端平均分配。
一、设计依据(1) 部颁《公路工程技术标准》(JTG B01-2003)(2) 部颁《公路桥涵设计通用规范》(JTGD60-2004)(3) 部颁《公路钢筋混凝土及预应力混凝土桥涵设计规范》(JTGD62-2004)(4) 部颁《公路砖石及混凝土桥涵设计规范》(JTJ022-85)(5) 部颁《公路工程抗震设计规范》(JTJ004-89)(6) 部颁《公路桥涵地基与基础设计规范》(JTJ024-85)(7) 部颁《公路桥涵施工技术规范》(JTJ041-2000)二、技术标准三、主要材料四、设计要点结构计算考虑承载能力极限状态和正常使用极限状态下的各种最不利组合,对强度、裂缝、变形进行控制。
(一) 圆管涵、倒虹吸1. 管壁各断面的弯矩计算采用刚性圆管涵计算方法计算;φ1.0米管涵管壁厚度与孔径比采用3∶20,φ1.5米管涵管壁厚度与孔径比采用1∶10。
2. 管身荷载:管身所受恒载包括管身自重、管身侧面及顶面土压力。
管身所承受的活载即车辆荷载通过填土按30°扩散角分布于管顶假定的水平面上,当分布宽度小于计算孔径时,按局部均布荷载计算;基底竖向反力假定通过基础均匀分布;圆管的侧压力强度按管顶水平面以上土柱引起的水平荷载计算;填土容重为18kN/m3,内摩擦角为35°。
3. 据管顶及管侧内力计算结果,按单筋截面砼配置管壁内、外两层受力钢筋。
4. 内径为1.5m的圆管涵用于主线上,内径为1.0m的圆管涵用于填土高度小于4.0m的互通匝道上。
5. 倒虹吸水头差(竖井进出口至管涵中心处的高差)≤12米。
(二) 箱涵1. 箱身按闭合箱形截面,取1m箱长进行内力计算,顶、底板按受弯构件配筋,侧墙按偏心受压构件计算。
2. 箱身荷载箱身所受恒载包括箱身自重、箱身侧面及顶面土压力、搭板重(填土高度小于0.5m时)。
箱身所受活载,按30°角扩散车轮荷载,不计冲击力。
活载通过填土引起的侧压力,按箱身全长范围内的箱后填土破坏棱体上的活载换算成等代均布土层厚度计算。
第 1 页 共 2 页通 用 图 设 计 总 说 明一、技术标准和技术规范1、中华人民共和国交通部部颁《公路工程技术规范》JTG B01-2003。
2、中华人民共和国交通部部颁《公路桥涵设计通用规范》JTG D60-2004。
3、中华人民共和国交通部部颁《公路钢筋混凝土及预应力混凝土桥涵设计规范》 JTG D62-2004。
4、中华人民共和国交通部部颁《公路圬工桥涵设计规范》JTG D61-2005。
二、技术指标1、涵洞类别及主要尺寸如下表:2、车辆荷载:公路-Ⅰ级,公路-Ⅱ级。
三、主要材料注:1、表列石料为最低标号。
2、砂、石料的质量要求按《公路桥涵施工技术规范》(JTJ041-2000)有关条文办理。
四、设计要点1、管节内按刚性管节受弯构件计算,不考虑管壁环向压力和径向剪力的影响,且按不同填土高度的受力情况配筋。
2、斜管节未另行作结构验算,适当配置构造钢筋。
3、正管节分段长度为:1.5m 及2.0m 两种,可根据需要组合成0.5m 为基数的各种涵洞长度。
4、斜管节中轴线长度:孔径0.75、1.00、1.25m 为1.5m ,孔径1.5、2.0m 为2.0m 。
5、管节基础① C20混凝土基础厚度,应根据地基土壤类别、状态、地基容许承载力及受荷载后变形大小,涵位是否经常浸水以及洞顶填土高度、垫层材料种类等具体情况综合分析后选用。
② 地基分类及相应基础厚度值Ⅰ类:紧密的碎、卵石类土(卵石、砾石),完整的岩层,采用无基础形式。
Ⅱ类:一般密实的碎、卵石土,硬塑~坚硬粘土,中等密实的中砂、粗砂、破碎岩层等,采用无基础形式Ⅲ类:中等密实的饱和粉砂、细砂土,软塑~硬塑粘土、亚粘土、较密实的人工填土、风华岩层等,基础厚度取50cm 。
Ⅳ类:松散的饱和粉砂、细砂土,流塑~软塑粘土、亚粘土、一般密实的人工填土等,基础采用50cm 。
③ 对于裂粘土地区,应根据涵位地基膨胀潜势大小,采用预湿换土、石灰(水泥)稳定等工程处治措施减弱和完全消除膨胀潜势后,基础厚度可取100cm。
1、管涵施工放样:放出轴线,端线及开挖边线,轴线桩放到开挖线以外后用水泥浆保护好,同时在开挖线附近加设一个临时水准点的固定位置,用来控制各结构部位的标高,经监理工程师核实无误后方可进行施工。
2、基坑开挖:基坑由挖掘机开挖至高于设计标高20cm左右,自检合格后,及时报监理工程师做地基承载力试验,经监理工程师检验合格后,由人工挖至设计标高,人工清理整平。
基坑顶面应设置排水沟,防止地面水流入基坑,基坑顶有动载时,坑顶边与动载间应留有不小于2m宽的护道.3、垫层施工:圆管涵采用的垫层材料为压实的连续砂砾垫层,其压实度在95%以上(按重型击实法试验测定),砂砾垫层应分层压实、摊铺不得有离析现象,否则必须重新拌和铺筑。
4、混凝土运输:圆管涵基础砼在施工现场拌和浇注,采用农用车配料斗运输,16t吊车施工浇注,为确保砼质量,应严格控制施工配合比,砼搅拌时间,防止运输过程中产生离析现象,保证砼的和易性及塌落度满足设计要求。
5、混凝土浇注A.基坑内应设排水设施,在砼浇注前,基坑底部不允许有积水.B.砼浇注时由高处落下的高度不得超过 2.0m,当浇注高度过高时,应采用导管和溜槽,并保持导管和溜槽干净,在使用过程中避免离析。
C.砼浇注时按水平法分层浇注,插入式振捣器振捣,捣实厚度不得超过40cm,相邻两层砼浇注时间不得超出2小时。
避免两层砼表面脱开。
D.振捣器插入砼或拔出时要慢,以免产生空洞,且要垂直的插入砼。
振捣时间不宜过长或过短,以振捣处砼料出浆没有明显下沉和气泡冒出为宜。
E.在浇注过程中,应经常检查模板和支架稳定,防止走模,发现问题应及时采取相应措施进行处理,确保砼施工质量。
F.工程的每一部份砼的浇注日期、时间及浇注条件都要保证有原始的施工记录,供监理工程师随时检查使用。
5、砼养生A.砼浇注完成后,待表面收水并硬化后对混凝土进行养生,洒水养生最少保持7d以上或监理工程师批示的天数。
B.基础在拆模以前应连续保持湿润。
一、设计依据(1) 部颁《公路工程技术标准》(JTG B01-2003)(2) 部颁《公路桥涵设计通用规范》(JTGD60-2004)(3) 部颁《公路钢筋混凝土及预应力混凝土桥涵设计规范》(JTGD62-2004)(4) 部颁《公路砖石及混凝土桥涵设计规范》(JTJ022-85)(5) 部颁《公路工程抗震设计规范》(JTJ004-89)(6) 部颁《公路桥涵地基与基础设计规范》(JTJ024-85)(7) 部颁《公路桥涵施工技术规范》(JTJ041-2000)二、技术标准三、主要材料四、设计要点结构计算考虑承载能力极限状态和正常使用极限状态下的各种最不利组合,对强度、裂缝、变形进行控制。
(一) 圆管涵、倒虹吸1. 管壁各断面的弯矩计算采用刚性圆管涵计算方法计算;φ1.0米管涵管壁厚度与孔径比采用3∶20,φ1.5米管涵管壁厚度与孔径比采用1∶10。
2. 管身荷载:管身所受恒载包括管身自重、管身侧面及顶面土压力。
管身所承受的活载即车辆荷载通过填土按30°扩散角分布于管顶假定的水平面上,当分布宽度小于计算孔径时,按局部均布荷载计算;基底竖向反力假定通过基础均匀分布;圆管的侧压力强度按管顶水平面以上土柱引起的水平荷载计算;填土容重为18kN/m3,内摩擦角为35°。
3. 据管顶及管侧内力计算结果,按单筋截面砼配置管壁内、外两层受力钢筋。
4. 内径为1.5m的圆管涵用于主线上,内径为1.0m的圆管涵用于填土高度小于4.0m的互通匝道上。
5. 倒虹吸水头差(竖井进出口至管涵中心处的高差)≤12米。
(二) 箱涵1. 箱身按闭合箱形截面,取1m箱长进行内力计算,顶、底板按受弯构件配筋,侧墙按偏心受压构件计算。
2. 箱身荷载箱身所受恒载包括箱身自重、箱身侧面及顶面土压力、搭板重(填土高度小于0.5m时)。
箱身所受活载,按30°角扩散车轮荷载,不计冲击力。
活载通过填土引起的侧压力,按箱身全长范围内的箱后填土破坏棱体上的活载换算成等代均布土层厚度计算。
圆管涵设计说明范文圆管涵是一种常见且广泛应用的桥梁结构,用于解决河道、溪涧、道路等水流交汇处的涵洞需求。
圆管涵有着简单、经济、施工方便等优点,广泛应用于交通、水利、城市建设等领域。
本文将对圆管涵的设计进行说明,包括设计基本原理、设计参数、结构设计等方面。
一、设计基本原理圆管涵的设计基本原理是在交汇处设置一段圆形截面的管道,通过控制管道的直径和长度,使水流通过管道,达到解决水流交汇处的涵洞需求。
在设计过程中,需要考虑水流量、水流速度、土质条件、地质条件、环境条件等因素,确保圆管涵能够承受预期的水流冲击和地下水位压力,并且不会对周围环境和结构造成不利影响。
二、设计参数在进行圆管涵设计时,需要确定以下参数:1.内径:圆管涵的内径主要根据预计的水流量和水流速度来确定,通常根据经验公式计算得出。
2.厚度:圆管涵的厚度应根据土质条件和地下水位压力等因素来确定,并确保其能够承受预期的水流冲击力。
3.长度:圆管涵的长度应根据实际需要进行确定,通常需要考虑水流过涵洞时的水力压力等因素,并确保涵洞内的水流速度和水压都处于合理范围内。
三、结构设计圆管涵的结构设计主要包括涵洞底部设置、连接方式、加固措施等方面:1.涵洞底部设置:涵洞底部应进行适当处理以确保水流顺畅通过,并避免堆积淤塞。
常用的处理方式包括设置挡板、提升涵洞底部、改善涵洞底部坡度等。
2.连接方式:对于较长的圆管涵,需要设置适当的连接方式,以确保涵洞整体的连续性。
常用的连接方式包括搭接连接、螺栓连接等。
3.加固措施:对于需要加固的圆管涵,可以采取增加加固环、钢筋混凝土增强等措施,提高涵洞的承载能力和抗冲击能力。
四、验算与施工在完成圆管涵的设计之后,需要进行相应的验算,确保其能够满足设计要求。
常用的验算包括水流冲击力验算、土压力计算、地下水位压力计算等。
根据验算结果,进行相应的修正和调整,并编制涵洞施工图纸。
在施工中,需要注意涵洞的基坑开挖、管道安装、边坡稳定等方面的施工要求,并进行相关的检查和验收。
圆管涵说明说明一、设计规范(一)《公路桥涵通用设计规范》(JTG D60-2004);(二)《公路圬工桥涵设计规范》(JTG D60-2005);(三)《公路钢筋混凝土及预应力混凝土桥涵设计规范》(JTG D62-2004);(四)《公路桥涵地基与基础设计规范》(JTJ024-85)。
二、技术标准(一)设计荷载:公路-Ⅱ级;(二)环境类别:Ⅰ类;(三)孔径:0.75 m、1.0m、1.25m、1.50m;(四)管顶填土高度:0.5m~12.0m;(五)斜度:0°~45°。
三、主要材料(一)管身混凝土:C30(二)管身钢筋:R235、HRB335;(三)端墙、河床铺砌、八字翼墙及基础、隔水墙:M7.5浆砌片石,刚性基础、帽石:C30砼;(四)锥形护坡:M7.5浆砌片石;(五)片石标号≥MU30。
四、设计要点(一)本图按无压力式和半压力式管涵设计,出水口按自由堰流;(二)设计计算:a.本通用图采用极限应力法对截面进行了应力和裂缝计算;b.活载计算理论:按刚性管节计算即不考虑管节的变形,也不考虑涵洞顶土柱和周围填土间的摩擦力,采用角度分布法计算,半无限弹性体理论核算;c.管节配筋按纯弯板断面分析,采用双向配筋管壁设置内外圈两层钢筋,并根据管径大小分别配用不同等级的钢筋,管节配筋由裂缝控制设计;d.土重:按土柱重理论计算,内摩擦角φ=35°,土容重:18kN/m3。
(三)构造e.管节分标准管节和调整长度的辅助管节,标准管节长2m,辅助管节长0.5m;f.洞口型式分一字式、八字式、井闸式和井字洞口,八字式洞口水流条件较好,造价亦较低,宜采用八字式,当采用一字式洞口时,为保证端墙稳定及改善排水,应采用锥形护坡;g.基础构造:柔性基础的端部上层采用浆砌片石或片石混凝土,下层采用砂垫层铺设,中部均采用砂垫层铺设;刚性基础采用C20砼;五、施工要点(一)管节在对头拼接时,填塞缝隙的麻絮,上半圈应从外往里填塞,下半圈应从里向外填塞;(二)管节预制、运输、存放时,应注意轻放,堆放的底面应平整,必要时铺设5~10cm的砂垫层,使受力均匀,以免管节开裂;(三)洞顶填土厚0.5m~1.0m时,管顶路基及管身两侧,在不小于两倍孔径范围内,应用含灰量9%的石灰土每20cm一层,分层夯实,达到90%的压实度,或用天然级配砂石料保持最佳含水量每20cm一层,分层夯实,压实度达到96%;(四)涵洞应设上拱度,其数值视基底土的种类按下表确定。
说明圆管涵一、设计依据(一)中华人民共和国交通部标准《公路工程技术标准》JTG B01—2003(二)中华人民共和国交通部标准《公路桥涵设计通用规范》JTG D60—2004(三)中华人民共和国交通部标准《公路钢筋混凝土及预应力混凝土桥涵设计规范》JTG D62—2004(四)中华人民共和国交通部标准《公路圬工桥涵设计规范》JTG D61—2005(五)中华人民共和国交通部标准《公路桥涵施工技术规范》JTGT F50—2011二、技术指标(一)圆管涵孔径: 1.5m。
(二)管顶填土高度:不小于0.7m。
(三)洞口型式:锥坡式、八字墙。
(四)要求地基容许承载力最低值300Kpa,。
(五)汽车荷载:公路Ⅱ级。
三、主要材料管节:C30混凝土;螺旋形主钢筋为R235钢筋φ8 mm、φ10 mm、φ12mm;纵向钢筋为R235钢筋,直径为φ8mm;帽石、洞口端墙、端墙基础及管基均为C20混凝土;洞口河床铺砌,隔水墙为C20片石混凝土,锥形护坡为M7.5浆砌片石,M7.5水泥砂浆勾缝。
四、设计要点(一)管节设计1.各种管节分别采用一种规格(材料、尺寸及配筋均相同),以便于工厂集中预制,并适用于不同填土高度。
2.管节计算考虑管基参与受力,按管壁与管基共同作用计算管壁内力,因此应根据不同的填土高度和车辆荷载分布情况来设计涵洞基础,以调整管壁内力。
3.管壁各断面的弯距计算公式,系将圆管对称分割成两个单阶变截面悬臂曲杆,作为基本结构进行推导,假定管壁厚与孔径之比为1/10,基础为两倍管壁厚度的环形局部加强断面,基础材料与管壁材料的弹性模量比取0.7,刚性管壁的轴向力对计算应力值影响很小,忽略不计。
4.圆管的外荷载:管顶填土竖向压力为土柱重;车辆荷载竖向压力通过填土按30°扩散角分布于管顶的假定水平面上。
当分布宽度小于计算孔径时,按局部均布荷载计算;基底竖向反力假定通过基础均布于组合断面中性轴的水平投影面,圆管侧压力强度按管顶水平面以上的土柱引起的水平均布荷载计算。
圆管涵施工组织设计引言概述:圆管涵施工组织设计是在道路建设中非常重要的一环,它直接关系到圆管涵工程的顺利进行和质量保障。
本文将从五个大点出发,详细阐述圆管涵施工组织设计的重要性和具体要点。
正文内容:1. 圆管涵施工组织设计的意义1.1 提高施工效率1.2 保证施工质量1.3 提前预防施工风险1.4 优化资源利用1.5 保障工期进度2. 圆管涵施工组织设计的具体要点2.1 施工工艺选择2.1.1 圆管涵的安装方式2.1.2 施工设备的选择2.1.3 施工工艺的合理性2.2 施工队伍组织2.2.1 队伍规模与结构2.2.2 人员技术素质要求2.2.3 工作分工与协作2.3 施工材料与设备准备2.3.1 圆管涵的材料选择2.3.2 设备的配备与调试2.3.3 材料与设备的储备2.4 安全措施与施工环境管理2.4.1 安全生产责任制度2.4.2 施工现场的安全防护2.4.3 施工环境的整治与管理2.5 施工进度与质量控制2.5.1 施工进度计划的制定2.5.2 施工质量检查与验收2.5.3 施工记录与数据管理总结:圆管涵施工组织设计是圆管涵工程顺利进行的关键,它涉及到施工效率、质量保证、风险预防、资源利用和工期进度等方面。
在具体的施工组织设计中,需要注意施工工艺选择、施工队伍组织、施工材料与设备准备、安全措施与施工环境管理以及施工进度与质量控制等要点。
只有合理设计和科学组织施工,才能确保圆管涵工程的顺利进行,达到预期的效果。
因此,圆管涵施工组织设计是道路建设中不可忽视的重要环节。
圆管涵施工方案一、项目背景圆管涵是一种用于道路、铁路、河流等场所的交通隧道结构,用于引导水流或交通工具通过。
本项目旨在设计和施工一个圆管涵,以解决道路交通和水流引导的问题。
二、设计要求1. 圆管涵的直径应满足道路交通和水流引导的需求。
2. 圆管涵的长度应根据具体场地条件进行合理确定。
3. 圆管涵的材料选择应具有足够的强度和耐久性,以应对各种环境条件下的使用。
4. 圆管涵的施工应符合相关标准和规范,确保施工质量和安全性。
三、设计方案1. 圆管涵的直径为3米,长度为50米,材料选择为钢筋混凝土。
2. 圆管涵的设计采用横断面为半圆形,以满足水流的引导和交通工具的通行。
3. 圆管涵的内部应设置合适的排水系统,以确保水流的顺畅和排除涵内积水。
4. 圆管涵的入口和出口应设计合理的坡度,以方便车辆的进出。
5. 圆管涵的顶部应设置适当的防水层,以防止雨水渗入涵内。
四、施工方案1. 圆管涵的施工分为以下几个步骤:a. 基础施工:挖掘基坑,进行基础的浇筑和加固。
b. 钢筋制作:根据设计要求,制作并安装圆管涵的钢筋骨架。
c. 模板搭设:根据设计要求,搭设圆管涵的模板,确保施工的准确性和平整度。
d. 混凝土浇筑:在模板搭设完成后,进行混凝土的浇筑,同时进行充分的振捣和密实。
e. 后续工序:包括防水层的施工、排水系统的安装、入口和出口的修整等。
2. 施工过程中需要注意以下事项:a. 施工人员应具备相关资质和经验,熟悉施工流程和安全规范。
b. 施工现场应设置合适的安全警示标志,确保施工人员和周围交通的安全。
c. 施工过程中应定期检查施工质量,确保每个步骤的准确性和合格性。
d. 如遇恶劣天气或其他不可抗力因素,应暂停施工并采取相应的安全措施。
五、施工验收标准1. 圆管涵的直径、长度和材料应符合设计要求。
2. 圆管涵的横断面应符合半圆形的设计要求。
3. 圆管涵的排水系统应正常运行,无积水现象。
4. 圆管涵的入口和出口坡度应符合交通工具通行的要求。
说明受业主委托,我公司对圆管涵工程进行勘测和设计。
一、技术标准:
1、管节孔径:Φ2.0m。
2、管顶填土高度:0.5~1.0m。
3、涵洞斜度(指与路中心线的法线的夹角):0°。
4、洞口型式:八字式。
5、地基容许承载力:0.3。
6、设计荷载:公路—级。
二、设计标准与规范:
1、《公路工程技术标准》(B01-2014)
2、《公路涵洞设计细则》( D65-04-2007)
3、《公路桥涵设计通用规范》( D60-2004)
三、主要材料:
1、钢筋:螺旋形主钢筋为400、直径为Ф120;纵向钢筋为300,直径为Ф80。
2、水泥混凝土:管节C30,管基C20。
3、浆砌片石:端墙墙身、端墙基础、洞口翼墙墙身、翼墙基础、洞口河床铺砌及隔水
墙7.5号。
4、砂砾石:基础垫层。
四、施工要求:
1、预制管节建议采用离心法旋转成型的工艺。
2、若地质土质较差,其地基允许承载力小于0.25时,应采取换填措施,其换填深度
由计算确定。
3、管基混凝土可分两次浇筑。
先浇筑管底以下部分,此时应注意预留管壁厚度及安
放管节坐浆混凝土2~3,待管节安放就位后再浇筑管底以上部分,并应保证新旧
混凝土以及管基混凝土与管壁的有效结合(如埋置笋石、钢筋等)。
4、涵洞顶上及涵身两侧在不小于两倍孔径范围内的填土须对称夯实,密实度要求不
小于95%。
5、施工过程中,当洞顶覆土厚度小于0.5m时,严禁任何重型机械和车辆通过。
1 / 1。
圆管涵施工技术、工艺方案说明第一篇:圆管涵施工技术、工艺方案说明K27+886圆管涵施工技术、工艺方案说明一、工程概况K27+886圆管涵,为单孔Φ1.5 米圆管涵,涵长41.32米,与路线夹角为100°,涵底纵坡为零。
二、施工准备1、测量放样:用全站仪准确放出圆管涵中桩及纵、横轴线,然后放出各部位位置,钉木桩保护,防止移位、破坏。
2、现场准备:涵洞征地及临时占地征用工作已经完成,需用材料已经进场并经试验检测合格,机械设备及人员已经进场,各项准备工作已经就绪,能够满足施工要求。
三、施工技术方案(一)、基坑开挖及垫层施工1、基坑放样:根据设计图纸和圆管涵的中心及纵、横轴线,用全站仪、钢尺进行基坑放样。
基坑开挖前,应在纵横轴线上、基坑边桩以外设控制桩,每侧两个,供施工中随时校核放样用。
2、基坑开挖:基坑开挖前测量地面高程,控制开挖深度,开挖尺寸比圆管涵基础宽出50cm。
基坑开挖用人工配合挖掘机进行,开挖至设计标高上20~30厘米时,改用人工清理至设计标高,整平后检查基坑平面尺寸、位置、标高是否符合图纸设计,并进行基底承载力试验,合格后进行下步工序。
3、垫层施工:基坑开挖完成后,先进行垫层施工,分层回填砂砾并夯实,压实度满足规范和设计要求。
砂砾垫层应为压实的连续材料层,不得有离析现象。
(二)、基础施工1、基础放样基坑挖好后,应重新放设涵洞的纵、横轴线,同时用经纬仪、钢尺对基础平面尺寸进行准确的细部放样。
并用水准仪按涵洞分节抄平,逐节钉设水平桩,控制基底和基顶标高。
2、混凝土管座:混凝土由拌和站集中拌和,混凝土所用砂石料、水泥均应符合规范要求,严格按实验室给定的施工配合比拌制砼,拌和均匀。
按施工图纸和技术规范的要求浇筑管座基础。
管基分两次浇筑,先浇筑底下部分,注意预留管基厚度及安放管节座浆混凝土2~3cm, 待安放管节后再浇筑管底以上部分。
(三)、钢筋混凝土圆管的预制1、管节由监理工程师认可的预制厂制作。
圆管涵施工组织设计引言概述:圆管涵施工组织设计是指在建设圆管涵工程时,为了保证施工顺利进行,需要制定合理的施工组织设计方案。
本文将从五个大点阐述圆管涵施工组织设计的重要性及其具体内容,以及总结该方案的三个方面。
正文内容:1. 圆管涵施工组织设计的重要性1.1 提高施工效率合理的施工组织设计可以避免施工过程中的重复工作和冲突,从而提高施工效率。
例如,在施工组织设计中,可以明确各个施工工序的顺序和时间安排,避免不必要的等待和交叉作业,从而提高施工效率。
1.2 保证施工质量施工组织设计中可以明确施工过程中的质量要求和控制措施,确保施工质量。
例如,在施工组织设计中,可以规定圆管涵的安装要求、检测要求以及相关的质量控制措施,确保施工质量符合规范要求。
1.3 确保施工安全合理的施工组织设计可以提前识别施工过程中的潜在安全风险,并采取相应的安全措施。
例如,在施工组织设计中,可以明确圆管涵施工过程中的安全要求,规定必须佩戴安全防护用具、设置警示标志等,确保施工安全。
2. 圆管涵施工组织设计的具体内容2.1 施工工序划分将圆管涵施工过程划分为不同的工序,明确每一个工序的任务和时间安排。
例如,包括准备工作、基坑开挖、圆管安装、回填等工序。
2.2 施工资源安排根据施工组织设计,合理安排施工所需的人力、机械、材料和财力资源。
例如,确定所需的施工人员数量和技术要求,选择适当的施工机械设备,保证施工所需的材料供应。
2.3 施工顺序和方法选择根据具体情况确定圆管涵施工的顺序和方法。
例如,在施工组织设计中,可以规定先进行基坑开挖,然后进行圆管安装,最后进行回填。
2.4 质量控制措施明确圆管涵施工过程中的质量控制措施,包括检测要求、验收标准等。
例如,规定圆管涵安装前需要进行质量检测,确保圆管涵的尺寸、强度等符合要求。
2.5 安全措施明确圆管涵施工过程中的安全要求和措施,确保施工安全。
例如,规定必须佩戴安全帽、安全绳等个人防护用具,设置警示标志,确保施工现场的安全。
钢筋混凝土圆管涵及倒虹吸管设计说明一、技术标准与技术规范1. 中华人民共和国交通部颁标准《公路工程技术标准》JTG B 01-2003。
2. 中华人民共和国交通部颁标准《公路桥涵设计通用规范》JTG D60-2004。
3. 中华人民共和国交通部颁标准《公路钢筋混凝土及预应力混凝土桥涵设计规范》JTG D62-2004。
4. 中华人民共和国交通部颁标准《公路圬工桥涵设计规范》JTG D61-2005。
二、技术指标1.涵洞类别及主要尺寸:2.车辆荷载:公路-I 级。
三、主要材料四、设计要点1. 计算假定,由于本通用图圆管涵采用有基础形式,基础形式固定支承,中心角127o 。
根据公路桥涵设计手册《基本资料》固定支承,中心角120o 圆管涵内力计算系数为0.231,且忽略管壁环向压力N 及径向剪力Q,仅考虑管壁上的 弯距M 。
(1)管节自重荷载q 1=γ1t(2)填土产生的均布垂直压力q 2=γ2h(3)填土产生的均布水平压力q 3=γ2Htg 2(45 o -φ/2)(4)车辆荷载产生的均布垂直压力q 4=∑G/ab(5)车辆荷载产生的均布水平压力q 5=(∑G/ab)×tg 2(45 o -φ/2) 式中:γ1-管节的材料容重(KN/m 3),γ2-土的容重(KN/m 3),γ2=21 KN/m 3H-管节上的填土高度(m)t-管壁厚度(m)φ-土的内摩擦角(度)r-管壁内外径的平均半径(m)∑G-车轮或履带荷载轴重(KN)a,b-车轮或履带荷载压力分布长度(m)圆管涵内力计算公式2.管节内力按刚性管节受弯构件计算,不考虑法向力和剪力的影响,且按不同填土高度的受力情况配筋。
3.斜管节未另行作结构验算,适当配置构造钢筋。
4. 正管节分段长度分为:1.5m及2.0m两种,可根据需要组合成0.5m为基数的各种涵洞长度。
5.斜管节中轴线长度:孔径0.75、1.00、1.25米为1.50米,孔径1.50、2.00米为2.0米。
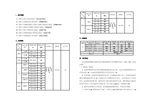
说明一、技术标准及设计规范:本设计图编制主要依据交通部标准进行编制。
1、《公路工程技术标准》JTJ001-972、《公路桥涵设计通用规范》JT021-893、《公路钢筋混凝土与预应力钢筋混凝土桥涵设计规范》JT023-854、《公路桥涵地基与基础设计规范》JT024-855、《公路砖石及混凝土桥涵设计规范》JT022-85二、设计内容及主要技术标准(一)设计内容1、钢筋混凝土圆管涵2、钢筋混凝土盖板暗3、钢筋混凝土盖板明涵4、洞口工程通用图洞口工程包括:(1)八字翼墙式洞口(2)一字翼墙式洞口(3)跌井式进水口5、钢筋混凝土拱涵(二)主要技术标准1、设计荷载:汽车-超20级,挂车-120。
2、涵洞跨径、净空及地基土的容许承载力(1(4三、其他(一)本设计图按涵底坡度为平坡时绘制,设计时应按实际地形及设计流量,选择合适的涵底坡度,如涵底纵坡小于5%时,则基础及涵底铺砌可倾斜布置,涵底纵坡大于5%时,涵治基础底部宜每隔3~5米设置防滑横隔墙或把基础做成阶梯形,涵底纵坡大于10%时,涵洞洞身及基础应分段做成阶梯形。
(二)本设计图未考虑涵洞预留拱度,施工时可参考施工技术规范办理。
说明(一)一、主要材料:1、管身砼:30号砼。
2、管身钢筋:纵向钢筋采用I级钢筋;螺旋主筋采用II级钢筋。
3、基础:管身基础采用20号砼,八字墙、一字墙基础均采用15号砼。
4,洞口:1)八字墙身和一字墙身及帽石采用20号砼。
2)洞口铺砌、一字墙护坡、隔水墙均采用7.5号浆砌片石,片石标号不小于30号。
3)勾缝材料用7.5号砂浆。
二、设计要点:(一)设计计算:1、采用容许应力、极限应力两种方法分别对截面进行了应力与裂缝计算。
2、活载计算理论:按刚性管节计算即不考虑管节的变形,也不考虑涵洞顶土柱和周围填土间的摩擦力,采用角度分布法计算,半无限弹性体理论核算。
3、管节配筋按纯弯板断面分析,采用双向配筋管壁设置内外圈两层钢筋,并根据管径大小区别配用不同等级的钢筋,管节配筋由裂缝控制设计。
附录二
钢筋混凝土圆管涵设计说明
1.技术标准与设计规范:
1.交通部部颁标准《公路工程技术标准》(JTG B01-2003)
2.交通部部颁标准《公路桥涵设计通用规范》(JTG D60-2004)
3.交通部部颁标准《公路圬工桥涵设计规范》(JTG D61-2005)
4.交通部部颁标准《公路钢筋混凝土及预应力混凝土桥涵设计规范》(JTG D62-2004)
5.交通部部颁标准《公路桥涵施工技术规范》(JTJ 041-2000)
6.交通部部颁标准《公路涵洞设计细则》(JTG/T D65-04-2007)
7.交通部部颁标准《公路工程混凝土结构防腐蚀技术规范》(JTG/T B07-01-2006)
8.交通部部颁标准《公路桥涵地基与基础设计规范》(JTG D63-2007)
2.技术指标
1.孔径:1.0
2.荷载等级:公路-Ⅰ级
3.结构设计安全等级:三级
3.主要材料:
4.设计要点:1.本图册采用无压式管涵设计,出水口为自由堰流。
2.本图按承载能力极限状态和正常使用极限状态分别对管节截面进行强度与裂缝验算。
3.活载计算理论:按刚性管节计算。
既不考虑管节的变形,也不考虑涵洞顶土柱和周围填土间
的摩擦力,采用角度分布法计算。
4.路面车辆活荷载对涵顶的压力按30°角进行分布;填土容重:19kN/m3,内摩擦角φ35°。
5.根据《公路工程混凝土结构防腐蚀技术规范》的规定,本图册设定圆管涵环境作用等级为Ⅲ
类。
如实际工程环境作用等级超过以上设定,应根据规范的相关规定提高混凝土标号和保护层厚度,并应采取附加防腐蚀措施及满足规范规定的其它要求。
6.为便于工厂集中预制,同一孔径管节对应不同填土高度,均采用同样的管壁厚。
通过钢筋直
径和间距加以区分。
7.管节按纯弯板断面分析计算,采用双向配筋,管壁设置内外圈两层钢筋。
配筋由裂缝控制,
裂缝宽度按0.15mm控制。
8.管节分标准管节和调整长度的辅助管节。
标准管节长1m,辅助管节长0.5m。
9.洞口型式为一字墙,如采用其它形式时需要另行设计。
10.管节采用平口接头填缝,具体构造:节间缝隙采用沥青浸过的麻絮填塞,外面圈裹两道满涂
热沥青的油毛毡或四层沥青浸制麻布,粗铅丝绑扎固定。
11.填土高度为0.5m~0.75m,内径1m时,地基承载力要求地基承载力不小于150kPa。
12.基础构造:基础采用C20混凝土,基础底面铺设换填垫层。
13.基底换填材料的选用要求:当基底应力≤150 kPa时, 换填材料可采用碎石土,当基底应
力>150 kPa时, 换填材料要求采用级配碎石。
14.当地基容许承载力不满足要求时,应根据实际情况采用适当的方法对涵洞底地基进行加固处
理,以达到设计要求的容许承载力。
一字墙地基承载力要求与洞身基础相同。
15.涵洞洞口处的路基边坡应与涵洞所在路段路基边坡保持一致,一字墙尺寸及工程数量表提供
了按1:1.5边坡坡率进行设计的尺寸,如边坡坡率为其它值时需要另行设计。
16.管节配筋计算时未考虑运输吊装的情况。
17.汽车荷载为公路-Ⅱ级时可参照使用。
5.施工要点:
14.未尽事宜,应符合交通部部颁《公路桥涵施工技术规范》JTJ041-2000的要求。
1.管节拼接时,填塞缝隙的沥青麻絮,上半圈应从外往里填塞,下半圈应从里往外填塞。
2.管节预制、运输、存放时,应注意轻放,堆放的底面应平整,必要时铺设5~10cm的砂垫层,
使管节受力均匀,以免开裂。
3.涵洞(基础及涵身)沉降缝处两端应对齐、平整,上下不得交错。
4.涵洞完成后,基底混凝土强度应达到设计强度的75%时,方可进行回填土。
回填土宜采用透
水性材料,不得采用含有泥草、腐殖物或冻土块的土。
当透水性材料不足时,可采用石灰土
或水泥稳定土回填,回填土的实际厚度宜为0.1~0.2m。
实际工程中建议有目的地进行一些
如砂性粗粒土填料的试验,以降低工程造价。
5.涵洞全长范围内,每3~5m应设置一道沉降缝。
6.按照《公路工程混凝土结构防腐蚀技术规范》的要求,对混凝土结构的原材料、施工和质量
验收等方面进行耐久性施工控制。
7.施工时,必须注意涵洞全长与管节的配置准确.斜交管涵应首先配置两端的斜管节,其余按
1.0m标准管节配置,余下不足1.0m的管节以0.5m正管节调整。
当管节长度之和与实际涵长
有微小差值时,应将差值平分于上下游两端。
为避免放样时的误差,可将一端洞口端墙在管
节安装完毕后,再进行浇筑。
8.管涵基底应按设计要求浇筑,必须注意平整,砂砾垫层、碎石垫层必须均匀、密实。
9.在冰冻地区,洞口两端2.0m范围内的基底应置于冰冻线以下。
10.洞口尺寸应按路基边坡值进行调整。
11.管节基础砼可分两次浇筑,先浇节底的下部分,此时应注意预留节壁厚度及安放管节座浆砼
2~3cm,待安装好管节后才浇筑管底以上部分砼。
浇筑砼时应保证新旧砼的结合及节基砼与
节壁的结合。
12.涵身两侧填料应分层对称夯实,其每侧长度不应小于洞身两侧填料高度的2倍,压实度不应
小于96%。
为保证背台压实度,可考虑采用液压补强压实的施工工艺。
13.为防止河床过度冲刷,应采用铺砌对河床进行处理,对倾斜较大的岩石河床,基础和铺砌可
做成阶梯形。
洞底和洞口铺砌必须注意平整,砂砾垫层必须均匀、密实。