建筑隔墙用用轻质条板
- 格式:doc
- 大小:117.86 KB
- 文档页数:7
建筑隔墙用轻质条板通用技术要求
建筑隔墙用轻质条板通用技术要求是指在建筑隔墙中使用轻质条板作为隔墙材料时需要满足的技术要求,主要包括以下几个方面:
1. 材料要求:轻质条板是一种由石膏、纤维、胶粉等原材料制成的板材,其密度较轻、质地坚硬、防火性能好、隔声效果佳。
在选择轻质条板时,需要确保其符合国家相关标准,并且具有良好的耐水、耐腐蚀、耐磨损等性能。
2. 施工要求:在进行轻质条板隔墙的施工过程中,需要注意以下要求:保证轻质条板的平整度和垂直度;采用合适的接缝处理方式,确保隔墙的整体美观度;控制施工过程中的湿度和温度,以确保施工质量。
3. 安装要求:轻质条板隔墙的安装过程需要注意以下要点:对于轻质条板的固定,应该选择合适的固定方式,如使用螺钉或夹具等;在固定轻质条板的同时,需要注意避免损坏板材表面,以及保证板材之间的接缝紧密。
4. 隔音要求:轻质条板隔墙的隔音效果依赖于板材的密度和隔墙结构的设计。
在隔墙的设计过程中,需要关注以下因素:隔墙的厚度、轻质条板的孔隙度、板材的堆积方式等。
通过科学的设计,可以提高隔音效果,为人们创造更加安静舒适的生活环境。
总之,建筑隔墙用轻质条板通用技术要求是一系列技术标准,旨在确保轻质条板隔墙的施工质量、安全性能和隔音效果。
在建筑隔墙施工过程中,需要严格遵守这些技术要求,并根据实际情况进行适当的调整和优化,以实现最佳的建筑隔墙效果。
建筑隔墙轻质条板术语轻质条板lightweight panel面密度不大于110kg/㎡,长宽比不小于2.5,采用轻质材料或大孔洞轻质构造制作成的,用于非承重内隔墙的预制条板。
空心条板hollow cores panel沿板材长度方向布置有若干贯通孔洞的轻质条板。
实心条板solid panel用同类材料制作的无孔洞轻质条板。
复合夹芯条板composite sandwich panel由两种及两种以上不用功能材料复合或由面板(包括浇注面层)与夹芯层材料复合制成的轻质条板。
企口out heed and inter orifice设置于条板两侧面的榫头、榫槽及接缝槽的总称。
轻质条板隔墙lightweight panel partition用轻质条板组装的非承重内隔墙。
条板隔墙设计与构造要求条板隔墙的分类条板隔墙按功能要求分类可分为普通隔墙、防火隔墙、隔声隔墙;按使用部位的不同可分为分户隔墙、分室隔墙。
应根据隔墙使用功能和使用部位的不通分别设计单层条板隔墙、双层条板隔墙、接板拼装条板隔墙。
60mm及以下厚度的条板不的单独用做隔墙使用。
条板隔墙厚度应满足建筑物抗震、防火、隔声、保温等功能要求。
单层条板隔墙用作分户墙时,其厚度不应小于120mm;用作户内分室隔墙时,不宜小于90mm。
双层条板隔墙选用条板的厚度不宜小于60mm。
条板的长度标志尺寸(L)应为楼层高减去梁高或楼板厚度及安装预留空间。
宜为2200-3500mm.条板的宽度标志尺寸(B)宜按100mm递增。
条板的厚度标志尺寸(T)宜按10mm递增。
参考资料见:中华人民共和国行业标准JGJ/T 157 -2008。
建筑隔墙用轻质条板隔墙作为建筑物中常见的一种构造,旨在划分空间以及提供声音和隔热的功能。
在过去,隔墙通常是由砖石或混凝土建造而成,但随着技术的发展和人们对轻便、高效建筑材料的需求,轻质条板在建筑隔墙中的应用变得越来越流行。
轻质条板是一种材料,采用合成纤维材料和特殊胶粘剂经过加工制作而成。
相比传统的隔墙材料,轻质条板具有许多独特的优势。
首先,轻质条板的重量较轻,方便安装和搬运。
这样可以提高施工效率,减少人力和时间成本。
其次,轻质条板的隔音效果出色。
由于其内部结构特殊,能有效地吸收和阻挡声音的传播,从而提供了优异的隔音效果。
这对于那些需要保持室内安静和隐私的场所,比如医院、学校和办公室等,尤为重要。
此外,轻质条板还具备优异的隔热性能。
它可以阻挡热量的传递,使室内保持舒适的温度。
在夏季,它可以防止室外高温对室内的温度影响;在冬季,它可以防止室内暖气的散失,提高能源利用效率。
这使得轻质条板在节能方面具有显著的优势,有助于降低能源消耗和减少对环境的负面影响。
此外,轻质条板还具有良好的抗震性能。
它具备一定的弹性,能够吸收外部冲击力,从而减轻建筑物的震动。
这对于那些位于地震频发区域的建筑来说尤为重要,可以提供更高的安全性和稳定性。
值得一提的是,轻质条板的制作过程中不需要燃烧,也不会产生有害气体和灰尘。
这使得它成为一种环保的选择,有助于减少施工过程中的污染和人体对有害物质的暴露。
随着轻质建筑材料的发展,越来越多的建筑师和设计师开始选择轻质条板作为隔墙的材料。
轻质条板不仅能够满足建筑物对隔音、隔热和抗震等方面的要求,而且其灵活性和美观性也是其它材料所不及的。
由于轻质条板的灵活性,它能够满足各种建筑形式和风格的需求。
无论是现代化的办公楼,还是传统的学校建筑,都可以使用轻质条板作为隔墙材料。
此外,轻质条板还可以根据需要进行定制,以适应不同的空间需求和设计要求。
在外观方面,轻质条板也具备一定的美观性。
其表面可以进行刷漆或贴上装饰材料,以增加其视觉效果和装饰性。
建筑用轻质隔墙条板标准建筑用轻质隔墙条板是一种在建筑行业中广泛应用的新型建筑材料,它具有重量轻、强度高、隔音隔热等优点,因此越来越受到建筑行业的关注和青睐。
为了规范建筑用轻质隔墙条板的生产和应用,制定相关的标准显得尤为重要。
本文将围绕建筑用轻质隔墙条板的相关标准进行探讨,希望能对建筑行业的相关人员提供参考。
一、标准的必要性1. 安全性:建筑用轻质隔墙条板在建筑中扮演着非常重要的角色,因此其安全性是首要考虑的因素。
建立相关的标准可以保证建筑用轻质隔墙条板在使用过程中不会出现安全隐患。
2. 质量稳定性:标准的建立可以规范建筑用轻质隔墙条板的生产工艺和质量要求,确保产品质量的稳定性,满足建筑项目的需求。
3. 市场需求:有了相关的标准,建筑用轻质隔墙条板的产品质量可以得到保障,消费者可以更加信任和选择这种新型材料,从而推动其在市场中的发展。
二、标准的制定主体1. 国家标准化管理委员会:作为国家标准化的管理主体,国家标准化管理委员会应当负责制定建筑用轻质隔墙条板的国家标准。
2. 建筑行业协会:建筑行业协会可以代表建筑行业的利益,参与建筑用轻质隔墙条板标准的制定,确保标准符合实际需求。
3. 相关建筑材料生产企业和研究机构:这些企业和机构拥有丰富的生产和研发经验,可以为建筑用轻质隔墙条板的标准制定提供宝贵的建议和支持。
三、标准的内容1. 名称和分类:建筑用轻质隔墙条板的分类标准,包括产品的用途、材质、规格等。
2. 技术要求:包括建筑用轻质隔墙条板的物理性能、化学性能、耐久性等方面的要求。
3. 检验方法:规定建筑用轻质隔墙条板的检验方法和标准,包括检测设备、检测过程等。
4. 标志、包装、运输和储存:标准化建筑用轻质隔墙条板的标志、包装、运输和储存要求,确保产品的质量和安全。
5. 质量控制:建立相关的质量控制标准和流程,保证建筑用轻质隔墙条板产品的质量稳定性。
四、标准的执行和监督建筑用轻质隔墙条板的相关标准应当得到相关部门的认可和宣传,确保广泛执行。
建筑轻质条板隔墙技术规程
建筑轻质条板隔墙技术是一种新型的建筑隔墙技术,它采用轻质条板作为隔墙材料,具有重量轻、强度高、隔音、隔热、防火等优点,被广泛应用于建筑隔墙工程中。
为了保证建筑轻质条板隔墙工程的质量和安全,制定了一系列的技术规程。
一、材料选用
建筑轻质条板隔墙技术的材料主要包括轻质条板、钢龙骨、螺丝、胶水等。
轻质条板应符合国家标准,钢龙骨应选用优质钢材,螺丝应选用防锈螺丝,胶水应选用环保型胶水。
二、施工前准备
施工前应对施工现场进行检查,确保施工现场符合施工要求。
施工前应制定详细的施工方案,包括施工流程、施工工艺、施工时间等。
三、施工工艺
1. 钢龙骨的安装
应根据设计要求确定钢龙骨的位置和间距。
然后,将钢龙骨固定在墙体上,钢龙骨的固定应牢固可靠。
2. 轻质条板的安装
轻质条板应根据设计要求进行切割,然后将轻质条板放置在钢龙骨上,用螺丝将轻质条板固定在钢龙骨上。
3. 端部处理
轻质条板的端部应进行处理,以保证隔墙的整体美观。
4. 灌浆处理
轻质条板隔墙施工完成后,应进行灌浆处理,以增强隔墙的强度和稳定性。
四、验收标准
建筑轻质条板隔墙施工完成后,应进行验收。
验收标准应符合国家标准和相关规定。
验收合格后,方可交付使用。
建筑轻质条板隔墙技术规程是保证建筑轻质条板隔墙工程质量和安全的重要保障。
在施工过程中,应严格按照规程要求进行施工,确保施工质量和安全。
中华人民共和国国家标准建筑用轻质隔墙条板(征求意见稿)GB –Light weight panels for partition wall used in buildings1范围本文件规定了建筑隔墙用轻质条板(以下简称轻质条板)的术语和定义、分类与标记、一般规定、要求、试验方法、检验规则、标志、运输和贮存。
本文件适用于工业与民用建筑的非承重内隔墙用轻质条板。
2规范性引用文件下列文件中的内容通过文中的规范性引用而构成本文件必不可少的条款。
其中,注日期的引用文件,仅该日期对应的版本适用于本文件;不注日期的引用文件,其最新版本(包括所有的修改单)适用于本文件。
GB175通用硅酸盐水泥GB/T701低碳钢热轧圆盘条GB/T1452夹层结构平拉强度试验方法GB/T1596用于水泥和混凝土中的粉煤灰GB/T2542砌墙砖试验方法GB2828.1计数抽样检验程序第1部分:按接收质量限(AQL)检索的逐批检验抽样计划GB/T3810.3陶瓷砖试验方法第3部分:吸水率、显气孔率、表观相对密度和容重的测定GB6566建筑材料放射性核素限量GB8076混凝土外加剂GB8624建筑材料及制品燃烧性能分级GB/T9775纸面石膏板GB/T9776建筑石膏GB/T9978.1建筑构件耐火试验方法第1部分:通用要求GB/T9978.8建筑构件耐火试验方法第8部分:非承重垂直分隔构件的特殊要求GB/T13024箱纸板GB/T13475建筑构件稳态热传递性质的测定、标准和防护热箱法GB/T14684建设用砂GB/T14685建设用卵石、碎石GB/T17431.1轻集料及其试验方法第1部分:轻集料GB/T18046用于水泥和混凝土中的粒化高炉矿渣粉GB18580室内装饰装修材料人造板及其制品中甲醛释放限量GB18583室内装饰装修材料胶粘剂中有害物质限量GB/T19889.3声学建筑和建筑构件隔声测量第3部分:建筑构件空气声隔声的实验室测量GB20472硫铝酸盐水泥GB/T25176混凝土和砂浆用再生细骨料GB/T30100建筑墙板试验方法GB/T31818粉状纸制品胶粘剂JGJ63混凝土用水标准JGJ/T110建筑工程饰面砖粘结强度检验标准JGJ/T318石灰石粉在混凝土中应用技术规程JG/T298建筑室内用腻子JG/T414建筑用菱镁装饰板JC/T412.1纤维水泥平板第1部分:无石棉纤维水泥平板JC/T449镁质胶凝材料用原料JC/T564.1纤维增强硅酸钙板第一部分:无石棉硅酸钙板JC/T841耐碱玻璃纤维网布YB/T5294一般用途低碳钢丝3术语和定义下列术语和定义适用于本文件。
建筑轻质条板隔墙技术规程
建筑轻质条板隔墙技术规程
1. 准备工作
1.1. 材料准备:轻质条板、水泥、石膏粉、石膏板、沙子、天然水泥
石膏粉、木龙骨、工具、各种建筑胶水。
1.2. 工具准备:钢尺、直角尺、墨线粉盒和线、扣板钳、套管钳、抹板、泥刀、电动工具等。
2. 隔墙施工
2.1. 布线:根据设计图纸确定隔断的位置和尺寸,然后按照要求用墨
线进行横竖方向的布线。
2.2. 安装木龙骨:在墙体的两端和隔板的中央位置,安装用于固定条
板的木龙骨。
2.3. 固定轻质条板:将轻质条板平放于地面,然后用钉子或者木钉固
定在木龙骨上,使板之间的孔口顺着同一方向。
2.4. 砌筑基层:在轻质条板上喷洒适量的水泥砂浆,然后砌筑基层,
砂浆高度应不超过轻质条板厚度的1/2。
2.5. 挂贴石膏板:在砌筑完基层后,将石膏板用钉子或者吸盘固定在
轻质条板上,然后用石膏粉勾缝,并且涂上第一次腻子。
2.6. 涂刷腻子:涂刷第二次腻子后,再次勾缝,并且涂刷第三次腻子。
2.7. 打磨:打磨墙面使之平整美观。
2.8. 清理:清理施工现场。
3. 安全注意事项
3.1. 施工人员应在施工前进行安全培训,并正确佩戴相关个人保护装备。
3.2. 严禁随意爬梯和架设脚手架,确保施工安全。
3.3. 严禁在施工现场吸烟、乱扔垃圾等行为,保护环境。
以上就是建筑轻质条板隔墙技术规程的详细内容。
轻质条板隔墙技术规程介绍如下:
轻质条板隔墙技术是一种新型、环保、高效的隔墙建筑技术。
以下是一些常见的轻质条板隔墙技术规程:
1.材料选择:轻质条板隔墙一般使用轻质混凝土条、空心砖或空心板作为墙体,以及
钢筋、水泥、石膏等材料作为加固和填缝材料。
选择优质材料可以保证隔墙的稳定和质量。
2.墙体设计:轻质条板隔墙的墙体设计需要遵循国家建筑规范和相关标准,包括承重、
隔声、防火等要求。
3.施工流程:轻质条板隔墙的施工流程包括开槽、安装条板、加固、填缝、抹灰等步
骤。
需要注意的是,施工时要确保墙体垂直、水平,接口平整,以确保墙体的稳定和隔声效果。
4.施工质量检验:轻质条板隔墙施工完成后,需要进行质量检验,包括墙面平整度、
垂直度、水平度、强度、隔声效果等方面。
只有通过检验,才能确保隔墙的质量和稳定性。
需要注意的是,轻质条板隔墙技术规程因地区、材料和设计要求不同而有所差异。
在进行轻质条板隔墙施工前,需要详细了解当地的技术规程和标准,以确保施工质量和安全。
建筑轻质条板隔墙技术规程随着建筑工程技术的不断发展,建筑材料的种类也越来越多。
建筑轻质条板隔墙技术是一种新型的隔墙技术,其主要特点是使用轻质条板进行隔墙,具有重量轻、强度高、隔音效果好等优点。
本文将从材料选择、施工工艺、质量控制等方面对建筑轻质条板隔墙技术进行详细介绍。
一、材料选择1.轻质条板轻质条板是建筑轻质条板隔墙技术的核心材料,其主要由轻质骨料、水泥、石膏等材料制成。
轻质条板具有重量轻、强度高、隔音效果好等优点,是一种理想的隔墙材料。
2.钢龙骨钢龙骨是建筑轻质条板隔墙技术中使用的支撑结构材料,其主要由冷轧钢板制成。
钢龙骨具有强度高、耐腐蚀、易加工等优点,是一种理想的支撑结构材料。
3.隔音棉隔音棉是建筑轻质条板隔墙技术中使用的隔音材料,其主要由玻璃纤维、矿棉等材料制成。
隔音棉具有隔音效果好、防火性能好等优点,是一种理想的隔音材料。
二、施工工艺1.准备工作在施工前,需要对施工现场进行清理,确保施工现场干净整洁。
同时,还需要检查施工材料的质量,确保施工材料符合要求。
2.安装钢龙骨首先,需要确定隔墙的位置和大小,并根据隔墙的大小和位置进行钢龙骨的切割和加工。
然后,将钢龙骨安装在墙体上,并进行固定。
3.安装轻质条板将轻质条板放置在钢龙骨上,并进行固定。
在固定轻质条板时,需要注意轻质条板的方向,确保轻质条板的方向一致。
4.安装隔音棉在轻质条板的内部填充隔音棉,确保隔音效果。
5.封缝处理在轻质条板之间的缝隙处进行封缝处理,确保隔墙的密封性。
6.装饰处理在隔墙完成后,进行装饰处理,使隔墙与整个建筑的风格相协调。
三、质量控制1.材料质量控制在建筑轻质条板隔墙技术中,材料的质量是影响隔墙质量的重要因素。
因此,在施工前需要对材料进行检查,确保材料符合要求。
2.施工质量控制在施工过程中,需要对施工质量进行严格控制。
特别是在钢龙骨的安装和轻质条板的固定过程中,需要注意施工质量,确保隔墙的稳定性和强度。
3.验收质量控制在隔墙完成后,需要进行验收,确保隔墙符合要求。
建筑轻质条板隔墙技术规程隔墙是建筑中常见的构造,它可以起到隔音、隔热、隔离空间等作用。
传统的隔墙材料有砖、混凝土等,但这些材料重量大、施工难度大,不利于快速、经济地完成墙面施工。
因此,轻质条板隔墙技术逐渐成为建筑界的热门话题。
本文将介绍建筑轻质条板隔墙技术规程,以便更好地应用于实际建筑中。
一、技术要求1、材料要求:轻质条板隔墙主要材料为轻质石膏板、钢龙骨、岩棉等。
轻质石膏板应符合GB/T 9775-2008《石膏板》标准的要求,钢龙骨应符合GB/T 11981-2001《轻钢龙骨》标准的要求,岩棉应符合GB/T 25975-2010《岩棉制品》标准的要求。
2、设计要求:轻质条板隔墙设计应根据建筑结构、使用功能及防火、防潮、隔音等要求进行合理设计。
建筑结构不宜设置过多的轻质隔墙,以免影响建筑整体结构的稳定性。
隔墙的尺寸应根据实际需要确定,墙体高度不宜超过3.5m,墙体长度不宜超过8m。
3、施工要求:轻质条板隔墙施工应严格按照设计图纸进行,墙面平整度、垂直度、水平度、尺寸精度等应符合规定要求。
墙面表面应平整、光滑、无裂缝、无毛刺、无色差。
墙体连接处应采用专用连接件连接,连接件应符合国家相关标准。
二、施工流程1、墙体布置:根据设计图纸确定隔墙位置,用墨线标出墙体轮廓,并进行墙体定位。
2、龙骨安装:根据设计要求,在墙体轮廓上安装钢龙骨,龙骨间距一般为600mm,龙骨固定在墙体上的距离应不小于25mm。
3、板材安装:将轻质石膏板放置在钢龙骨上,用自攻螺丝将板材固定在钢龙骨上。
板材四周距离墙体应不小于10mm,板材间距应不小于2mm。
4、岩棉填充:在轻质石膏板之间填充岩棉,岩棉应填充到板材顶部,填充密度应均匀,不得出现空洞或压缩不足的情况。
5、板材贴面:在岩棉填充完毕后,将轻质石膏板放置在岩棉上,用自攻螺丝将板材固定在钢龙骨上。
板材四周距离墙体应不小于10mm,板材间距应不小于2mm。
6、接缝处理:板材之间的接缝应采用专用填缝胶进行填充,填缝胶应与板材颜色相同,填缝胶应填充满,不得出现空洞或漏缝。
建筑隔墙用轻质条板概述建筑隔墙用轻质条板是一种用于建筑隔墙的材料,由于其轻质且易于安装,已逐渐成为建筑隔墙的主要材料之一。
本文将介绍建筑隔墙用轻质条板的特点、优势以及使用注意事项等相关内容。
特点建筑隔墙用轻质条板的主要特点如下:1.轻质:由于使用了轻质材料,使其更加轻便、易于搬运和安装;2.防火:经过特殊处理,能够有效防止火灾事故;3.隔音:包括隔音之间的声音,使得房间具有更好的私密性;4.耐水:具有很好的耐水性能,不会因为受潮而出现变形;5.环保:不会产生有害物质,对环境无污染。
优势相较于传统的隔墙材料,建筑隔墙用轻质条板具有如下优势:1.安装简便:轻质条板轻便,易于搬运,而且可以根据需要进行大面积裁剪。
这使得施工变得更加简单、快捷;2.等压力分布模式:使用轻质条板作为隔墙材料,能够在墙面上形成“等压力分布模式”,这使得墙面更加均匀、平坦,具有更好的美观性;3.节能:轻质条板内部空心,能够有效隔热保温,使墙面具有良好的保温效果;4.价格实惠:相较于传统的建筑隔墙材料,轻质条板的价格更加实惠。
使用注意事项在使用建筑隔墙用轻质条板时,需要注意以下事项:1.轻质条板在进行安装时,需要保证墙面的平整度和垂直度,否则会影响隔墙效果、美观度;2.在进行安装时,需要确保每一块轻质条板表面都对齐,以保证墙面的平整度,并使用专业的工具进行校准;3.在使用轻质条板时,需要使用专用的钉子进行固定,以确保其牢固性;4.在隔墙用轻质条板墙体装修过程中,需注意墙面防潮处理,并留意施工中的各种安全问题。
建筑隔墙用轻质条板是一种轻质的、安全的、快捷的墙体装修材料,具有防火、隔音、耐水、环保等特性。
使用轻质条板可以大大提高墙体建设的效率和墙体的美观度,同时还可以实现节能效果。
在使用轻质条板时,需要注意墙面平整度和垂直度、使用专用的工具和物品进行固定,并且注意施工安全问题。
在建筑隔墙装修的选材中,建筑隔墙用轻质条板是值得施工人员和业主考虑的一种材料。
建筑上的轻质隔墙如何定义?有什么标准?
对于轻质隔墙的定义,不同的标准有不同的检测项目和检测规范。
如国
《JG/T169-2005标准》就规定了建筑隔墙用轻质条板(以下简称轻质条板)产品的术语、分类、要求、试验方法、检验规则和产品的标志、运输、贮存等规范。
轻质隔墙的定义
就此问题,防火规范中,泄压面积概念引入:低于120公斤/平方米即可认为轻
体墙。
通常来讲,轻质隔墙主要是一种取代传统实心粘土砖的新型节能墙材料,重量
只有同尺寸实心砖砌墙重量的1/5左右(最多能达到1/8)。
外观类似空心楼板,两边
有公母隼槽。
它主要以增强纤维水泥板为面板,具有质轻体薄、吊挂力强、隔热隔音、防火防水、易安装等其它墙体材料无法比拟的综合优势。
轻质隔墙的应用
轻质隔墙主要用作建筑物的分户墙、非承重墙、内隔墙与外墙、消防隔墙等部位,可广泛应用于住宅、学校、医院、高档写字楼、宾馆的框架结构建筑中。
轻质隔墙的检测标准
根据国家《JG/T169-2005》标准,对轻质隔墙的面密度、干燥收缩值、抗弯破坏荷载、抗冲击性能、吊挂力、抗压强度、空气声隔声量等项目进行重点检测;
而在行业标准里面轻质隔墙的耐火极限、吊挂力、隔音和面密度是主要检测内容,此外,像抗冲击性能、抗压强度、含水率,干缩率、导热系数外观尺寸偏差等也必须
达到相应的规范标准。
附:松本泰安复合墙板的检测标准
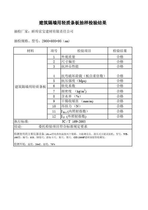
执行标准:《建筑隔墙用轻质条板》(JG/T169-2005)
技术规程:《建筑轻质条板隔墙技术规程》(JGJ/T 157-2014)
设计图集:《内隔墙-轻质条板(一)》(10J113-1)。
轻质条板隔墙施工方案一、背景介绍轻质条板隔墙是建筑工程中常用的一种隔墙构造,主要由轻质条板和连接件构成。
轻质条板由膦质、水泥和砂等原材料制成,具有重量轻、强度高、防火、隔声等特点。
因其施工简便、效率高,被广泛应用于各类建筑项目中。
二、材料准备1.轻质条板:根据设计要求和墙体高度选择合适规格和厚度的轻质条板。
2.连接件:包括连接钢筋、拉拔筋、砖墙头等。
3.其他辅助材料:膨胀螺丝、膨胀管、膨胀钉等。
三、施工步骤1. 基础处理在浇筑混凝土基础完成后,进行基准线标高和定位,保证隔墙位置准确无误。
2. 安装轻质条板根据设计要求,选取合适规格的轻质条板,采用推拉法将轻质条板放置在指定位置,保证整体平整。
3. 固定条板利用连接件,将轻质条板固定在基础上,注意固定位置、间距和横竖交错。
4. 填充保温材料(可选)如果设计需要,可在轻质条板间填充保温材料,提高隔墙的保温性能。
5. 粘贴保温层(可选)在轻质条板上粘贴防水保温层,增强隔墙的防水和保温效果。
6. 完善收口处理对隔墙的收口、框架、门洞等部位进行处理,保证整体美观、结实。
四、验收和保养1. 验收确认隔墙各项指标符合设计要求,如外墙平整度、垂直度、水平度等。
2. 保养定期检查隔墙的表面状况,如有裂缝或变形应及时修复,保持隔墙的完好。
五、总结轻质条板隔墙施工方案的实施,旨在提供一种简便、高效且具有良好防火、隔声效果的隔墙施工方案。
通过合理的材料选择、施工步骤和保养方法,能够确保隔墙的质量和使用寿命,为建筑工程的顺利进行提供有力支持。
建筑用轻质条板1要求1.1原材料应使用性能稳定的原材料生产条板。
条板生产企业应逐批验收进厂原材料的合格证,并对主要原材料的性能定期复检。
用于生产轻质条板的所有胶凝材料、骨料、增强材料、水、外掺料(包括外加剂、发泡剂、粉煤灰等)均应符合国家标准、行业标准的相关规定。
1.2外观质量轻质条板的外观应符合下表规定外观质量序号项目指标1 板面外露筋纤;飞边毛刺;板面泛霜;板的纵向、横向、厚度方向贯通裂缝无2 复合夹芯条板面层脱落a无3 板面裂缝,长度50mm~100mm,宽度0.5mm~1mm ≤2处/板4 蜂窝气孔,长径5mm~30mm ≤3处/板5 缺棱掉角,宽度×长度10mm×25mm~20mm×30mm ≤2处/板6 壁厚b/mm ≥12注:序号3、4、5项中低于下限值的缺陷忽略不计,高于上限值的缺陷为不合格。
a 复合夹芯条板检测此项;b 空心条板应测壁厚。
1.3尺寸偏差条板尺寸允许偏差应符合下表规定。
允许尺寸偏差序号项目允许偏差1 长度±52 宽度±23 厚度±14 板面平整≤25 对角线差≤66 侧向弯曲L/10001.4物理力学性能条板不同含水率限值规定对应的使用地区和条板物理力学性能指标应符合下两表的有关规定。
条板不同含水率限值规定对应的使用地区含水率% ≤12 ≤10 ≤8使用地区潮湿中等干燥注:潮湿系指年平均相对湿度大于75%的地区;中等系指年平均相对湿度50~70%的地区;干燥系指年平均相对湿度小于50%的地区;物理力学性能指标序号项目指标板厚60mm 板厚90mm 板厚120mm1 抗冲击性能/次≥5 ≥5 ≥52 抗弯破坏荷载/板自重倍数≥1.5 ≥1.5 ≥1.53 抗压强度/MPa ≥3.5 ≥3.5 ≥3.54 软化系数≥0.8 ≥0.8 ≥0.85 面密度/kg/m2≤70 ≤90 ≤1106 含水率a/% ≤12/10/87 干燥收缩值/mm/m ≤0.6 ≤0.6 ≤0.68 吊挂力/N ≥1000 ≥1000 ≥10009 空气声隔声量/dB ≥35 ≥35 ≥3510 耐火极限/h ≥1 ≥1 ≥111 传热系数b/W/m2.K ——≤2.0注:石膏条板的软化系数为≥0.60.a 含水率不同限制对应的使用地区见上表。
2017.3砖瓦世界0 引言建筑隔墙用轻质条板(以下简称轻质条板)是一种新型节能墙体材料,外型像空心楼板,具有质量轻、隔热保温效果好、防火防潮、快速施工、降低成本等优点,可广泛应用于居住建筑、公共建筑和一般工业建筑工程中非承重分室隔墙和分户隔墙。
本文将以90型多孔轻质条板(标记KPB285×60×9 JG/T 169-2005)为例,对轻质条板的性能及生产工艺加以叙述和论证,供同行们参考。
1 定义面密度在70~110kg/m 2,长宽比不小于2.5,采用轻质材料或轻型构造制作的,用于非承重内隔墙的预制条板。
2 轻质条板现行执行标准见表1。
表1 轻质条板现行执行标准序号标准名称标准号应用范围1内隔——轻质条板(一)10J113-1设计、安装2建筑隔墙用轻质条板JG/T169-2005生产及质量控制3建筑轻质条板隔墙技术规程JGJ/157-2008按装、生产执行4混凝土轻质条板JG/T350-2011生产控制及验收5建筑用轻质隔墙条板GB/T23451-2009生产及质量控制3 轻质条板的性能(1)保温隔热性能好,经测试保温效果优于570mm 实心砖墙。
(2)施工速度快,安装简单方便,可钉可锯,可任意切割。
(3)隔音、防水、防火性能好,隔音可达45dB,大大高于砌体隔音效果。
(4)轻质抗震,砖墙轻3~4倍,比空心砖墙轻2~3优于普通砌体,能满足抗震烈度8(5)表面装饰性好,可直接贴壁纸、瓷砖及喷涂。
(6)综合造价低,程造价20%以上。
(7)环保、节能、利废,无放射A 类产品,利废节能,(8)增大使用面积,砌体,可增大使用面积约8%~10%。
4 生产工艺流程(1)工作准备拌机附近。
③校正计量器具并清扫场地。
④配制隔离剂和发泡剂。
(2)涂刷隔离剂①清扫主机(模具)内剩余残渣、②机械喷涂隔离剂,均匀一致。
③将钢管插入主机(模具)(3)挂玻璃纤维网片①根据模板尺寸剪裁纤维网片。
②将剪裁好的网片小心放入主机(4)搅拌料浆加入棕丝纤维,粉煤灰、炉渣,③上述材料加完后搅拌量的发泡剂再搅拌1~2min 及生产工艺张景发(辽宁新风集团凌新化工有限公司,辽宁辽阳 111200)砖瓦世界2017.3(5)(模具)上方将放料口布袋对准模具内匀速放料。
建筑用轻质条板1要求1.1原材料应使用性能稳定的原材料生产条板。
条板生产企业应逐批验收进厂原材料的合格证,并对主要原材料的性能定期复检。
用于生产轻质条板的所有胶凝材料、骨料、增强材料、水、外掺料(包括外加剂、发泡剂、粉煤灰等)均应符合国家标准、行业标准的相关规定。
1.2外观质量轻质条板的外观应符合下表规定1.3尺寸偏差1.4物理力学性能条板不同含水率限值规定对应的使用地区和条板物理力学性能指标应符合下两1.5建筑材料放射性核素限量条板的建筑材料放射性核素限量应符合下表有关规定。
建筑材料放射性核素限量2试验方法2.1实验环境及试验条件试验应在常温常湿条件下进行。
2.2外观质量检测对受测板,视距0.5m左右,目测有无外露增强筋或纤维、贯通裂缝;用精度为0.5mm的钢直尺两侧板面裂缝的长度,蜂窝气孔,缺棱掉角数据,读数读至1mm。
用刻度放大镜测量裂缝的宽度,并记录缺陷数量。
2.3尺寸偏差检测2.3.1长度测量三处:—板边两处:靠近两板边100mm范围内,平行于该板边。
—板中一处:过两板端中点。
用精度为1mm的钢卷尺拉测,读数读至1mm,取三处测量数据的最大值和最小值为检测结果。
2.3.2宽度测量三处:—板端两处:靠近两板端的100mm范围内,平行于该板边。
—板中一处:过两板边中点。
用精度为1mm的钢卷尺拉测,读数读至1mm,取三处测量数据的最大值和最小值为检测结果。
2.3.3厚度2.3.3.1在各距板两端100mm,两边100mm及横向中心线处布置测点,共测量六处。
2.3.3.2用精度0.5的钢直尺。
外卡钳和游标卡尺配合测量,读数读至0.5mm,记录测量数据。
2.3.3.3取六处测量数据的最大值和最小值为检验结果,精确至0.5mm。
2.3.4壁厚在受检空心板端部用壁厚卡尺测量三处,分别测量板的上下壁厚及孔间壁厚的薄弱处,读数精确至0.1mm,如目测空心板中间的上下壁厚有明显差别,可沿板宽截开测其壁厚,取最小值为检验结果。
2.3.5板面表面平整2.3.5.1受检板两板面各量测三处,共六处。
第一处:使靠尺中点位于板面中心,靠尺尺身重合于板面一条对角线;另二处:靠尺位置关于板面中心对称,靠尺一端位于板面一条对角线端点,靠尺另一端交于对边板边,条板另一面测量位置关于条板中心对称,2.3.5.2用2m靠尺和楔形塞尺测量。
记录每处靠尺与板面最大间隙的读数,读数读至0.5mm。
取六处测量数据的最大值和最小值为检验结果,精确至1mm。
2.3.6对角线差用精度为1mm的钢卷尺量测两条对角线的长度,度数读至1mm,取两个测量数据的差值为检测结果。
2.3.7侧向弯曲通过板边端点沿板面拉直测线,用精度0.5mm的钢直尺量测板两侧的侧向弯曲处,取最大值为检测结果,精确至0.5mm。
2.4物理力学性能试验2.4.1抗冲击性能试验2.4.1.1试验条板的长度尺寸不应小于2m。
2.4.1.2区条板三块为一组样本,组装并固定,上下钢管中心间距为板长减去100mm,即(L-100)mm。
板缝用与板材质相符额专用砂浆粘结,板与板之间挤紧,接缝处用玻璃纤维布搭接,并用砂浆压实刮平。
2.4.1.3 24h后将装有30kg重,粒径2mm以下细砂的标准沙袋用直径10mm左右的绳子固定在其中心距板面100mm的钢环上,使沙袋垂悬状态时的重心位于L/2高度处。
2.4.1.4以绳长为半径沿圆弧将沙袋在与板面垂直的平面内拉开,使重心提高500mm(标尺测量),然后自由摆动下落,冲击设定位置,反复5次。
2.4.1.5目测板两面有无贯通裂缝,记录试验结果。
2.4.1.6实验结果仅适用于所测条板长度尺寸以内的条板。
2.4.2抗弯破坏荷载试验2.4.2.1试验条板的长度尺寸不应小于2m 。
2.4.2.2将完成面密度测试的条板简支在支座长度大于板宽尺寸的两个平行支座上,其一为固定铰支座,另一为滚动铰支座,支座中间间距调至(L-100)mm ,两端伸出长度相等。
2.4.2.3 空载静置2min ,按照不少于五级施加荷载,每级荷载不大于板自重的30%。
2.4.2.4用堆荷方式从两端向中间均匀加荷,堆长相等,间隙均匀,堆宽与板宽相同。
2.4.2.5前四级每级加荷后静置2min ,第五级加荷至板自重的1.5倍后,静置5min 。
此后如继续施加荷载,按此分级加荷方式循环直至断裂破坏。
2.4.2.6记取第一级荷载至第五级加荷(或断裂破坏前一级荷载)荷载综合作为实验结果。
2.4.2.7实验结果仅适用于所测条板长度尺寸以内的条板。
2.4.3抗压强度试验2.4.3.1沿条板的板宽方向依次截取厚度为条板厚度尺寸、高度为100mm 、长度为100mm 的单元体试件(对于空心条板,长度包括一个完整孔及两条完整孔间肋的单元体试件),三块为一组样本。
2.4.3.2处理试件上表面和下表面,使之成为相互平行且与试件孔洞圆柱轴线垂直的平面。
可调制水泥砂浆处理上表面和下表面,并用水平尺调至水平。
2.4.3.3将试件置于试验机承压板上,使试件的轴线与试验机压板的压力中心重合,以0.05~0.10MPa/s 的速度加荷,直至试件破坏。
记录最大破坏荷载P 。
2.4.3.4每个试件的抗压强度按式(1)计算,精确至0.1MPa lbP R =.....................(1) 式中:R-试件的抗压强度,单位为MPa ;P-破坏荷载,单位为牛顿(N );l-试件受压面的长度,单位为毫米(mm );B-试件受压面的宽度,单位为毫米(mm );条板的抗压强度一三个试件抗压强度的算术平均值表示,精确至0.1MPa 。
2.4.4软化系数试验2.4.4.1取试验条板一块,沿板长方向截取试件,即高度为100mm 、长度为100mm 的试件,共六块,分为二组样本,每组三块(对于空心条板,长度包括一个完整孔及两条完整孔间肋的单元体试件)。
2.4.4.2处理试件上表面和下表面,使之成为相互平行且与试件孔洞圆柱轴线垂直的平面。
必要时可调制水泥砂浆处理上表面和下表面,并用水平尺调至水平。
2.4.4.3试件处理后,在烘箱内烘至恒重(不同材料条板的烘干温度参照表“不同材料条板的烘干温度”),然后将其中一组3块泡入20±2℃的水中,72h 后取出,表面用湿毛巾抹干。
然后同另一组未泡水的试块一起在压力机上做抗压强度试验。
01R R I =........................(2) 式中:I-软化系数;R 1-饱和含水状态下试件的抗压强度平均值,单位为MPa ;R 0-绝干状态下试件的抗压强度平均值,单位为MPa 。
2.4.5面密度试验2.4.5.1取条板三块为一组样本进行试验,用精度不低于0.5kg ,量程≥500kg 的磅秤称取试验条板重量G ,读数读至0.5kg 。
2.4.5.2每块试验条板的面密度按式(3)计算,精确至0.5kg/m 2。
BL G P ⨯=........................(3) 式中:P-试验条板的面密度,单位为公斤每平方米(kg/m 2);G-试验条板的重量,单位为公斤(kg );L-试验条板的长度尺寸,单位为米(m );B-试验条板的宽度尺寸,单位为米(m )。
2.4.6含水率试验2.4.6.1试件制取:从条板上沿板长方向截取试件三件为一组样本,试件高度为100mm ,长度与条板宽度尺寸相同。
试件实验地点如远离取样处,则在取样后应立即用塑料袋将试件密封包装。
2.4.6.2试件取样后立即称取取样重量m 1,精确至0.01kg ,如试件为塑料袋密封运至者,则在开封前先将试件连同包装袋一起称量;然后称量包装袋的重量,称应先观察袋内是否出现有试件析出的水珠,如有水珠,应将水珠擦干。
计算两次称量所得重量的差值,作为试件取样时的重量,精确至0.01kg 。
2.4.6.3将试件送入电热鼓风干燥箱内(试件烘干温度见表“不同材料条板的烘干温度”)干燥24h 。
此后每隔两小时称量一次,直至前后两次称量值之差不超过后一次称量值的0.2%为止。
2.4.6.4试件在电热鼓风干燥箱内冷却至与室温之差不超过20℃时取出,立即称量其绝干重量m0,精确至0.01kg 。
实验数据计算与结果取值:每隔试件的含水率按式(4)计算,精确至0.1%。
1000011⨯-=m m m W ............................(4) 式中:W 1-试件的含水率,%;m 1-时间的取样重量,单位为公斤(kg );m 0-试件的绝干重量,单位为公斤(kg ).条板的含水率W 1以三个试件含水率的算术平均值表示,精确至0.1%。
2.4.7干燥收缩实验2.4.7.1沿条板长方向截取试件,即高度为60mm 、长度为板宽的试件三件,为一组样本。
2.4.7.2在每件试件两个端面中心各钻一个直径6mm ~10mm 、深度14mm ~16mm 的孔洞(如试件端面为凹槽,可做切平处理,之后钻孔),在孔洞内灌入水玻璃调和的水泥浆或其它刚性胶粘剂,然后在孔洞内埋置收缩头,使每个收缩头的中心线均与试件的中心线重合,且使收缩头露在试件外的那部分测头的长度21ηη及均在4mm ~6mm 之间。
2.4.7.3试件制备好放置1d 后,检查侧头是否安装牢固,否则重新安装。
将制备好的试件浸没在20℃±2℃的水中,水面高出试件20mm ,浸泡72h 。
2.4.7.4将试件从水中取出,用拧干的湿布抹去表面水分,并将测头擦干净,立刻采用精度为0.002mm 的万能测长仪测定初始长度l 1和试件干燥后长度l 2或采用测量精度不低于0.01mm 的其它测量仪器,如:采用配有百分表的比长仪测量试件长度的变化量。
采用钢直尺测量试件的初始长度l 1(含收缩头外露部分21ηη及);然后用钢直尺测量试件长度l 2(不含收缩头)。
2.4.7.5将试件放入温度20℃±1℃,相对湿度(50±5)%的恒温恒湿室内,进行收缩值测量,每天测量一次,直至达到干缩平衡,即连续3d 内任意2d 的测长读数波动值小于0.01mm ,量出试件干燥后的长度l 2。
2.4.7.6试件干缩值按式(5)计算: 1000)(21121⨯+--=ηηl l l S ..........................(5) 式中:S-干燥收缩值,单位为毫米每米(mm/m );l 1-试件初始长度,单位为毫米(mm );L 2-试件干燥后长度,单位为毫米(mm );)(21ηη+—两个收缩头露在试件外的部分测头的长度之和,单位为毫米(mm )。
2.4.8吊挂力试验2.4.8.1取试验条板一块,在板中高1600mm 处,切深乘以高乘以宽为(50*40*90)mm 的孔洞,清残灰后,用水泥水玻璃浆(或其它粘结剂)黏结,吊挂件孔与板面间距为100mm 。