涂装车间工艺流程图
- 格式:docx
- 大小:93.03 KB
- 文档页数:2
喷涂工艺,喷漆车间,涂装喷漆工艺流程技术,涂装车间,喷漆流程,涂装线设备喷漆工艺喷漆是对经过检验合格后的产品、半成品表面覆盖,起到防锈、防腐,漂亮美观并具有标志的作用。
进行在喷漆、喷塑前必须进行前处理,在前处理作必要的整体检查,并按工艺作局部修整。
本工艺按GB11373-89、JB/Z146-79、JB4328.9-86并根据工厂实际制定。
一、前处理工艺流程简图预处理→除油→水洗→除锈→水洗→磷化→干燥→喷塑→喷漆二、前处理工艺规范及操作规程2.1、我厂生产线布局:槽体防腐玻钢大门槽体功能除油水洗除锈水洗水洗磷化水洗喷塑房槽体编号1 2 3 4 5 6 7操作顺序按数字大小从小到大进行。
2.2、预处理:根据具体生产现场的条件及处理工件表面状况不同,而采取的物理手段,其主要目的是消除化学处理中影响处理质量和周期的控制因素,维护化学制剂的使用寿命。
如:对于被处理新产品表面过多的油污、灰尘、铁屑、块锈、浮锈及过厚的氧化皮和不能酸洗的产品进行人工擦洗和去除(主要采用钢丝刷和砂布),处理后用压缩空气清除锈尘。
减少除油除锈液的大量损耗,避免工件过处理造成的损耗,缩短化学处理周期,提高处理液的使用寿命。
预处理除油应用充分稀释的除油剂进行擦洗,严禁使用有机溶剂(如汽油、香蕉水),以避免污染除油槽液及时性表面形成有机溶剂固体份保护膜影响除油质量。
2.3.除油在常温情况下浸渍25分钟。
去除重油污时间要延长。
为加速除油速度,可使工件与槽液作相对运动或辅以机械外力。
除油质量的检验方法是:用水冲洗,工件表面水膜连续,即除油干净。
2.4、除锈:一般锈蚀和冷轧板的冷作硬化层的去除时间为25分钟,重锈及氧化皮的去除时间应适当延长,直至全部去除。
为加快除锈速度,可使工件与槽液作相对运动或辅以机械外力。
但除锈时间不宜过长,以免产生金属过腐蚀“氢脆”及金属表面黑色“碳化物富积”的形成。
一般除锈质量的检验标准为目视无未除尽的锈迹或氧化皮残留,表面为均匀的银灰色金属基体即可。
喷涂车间工艺流程图一、引言喷涂车间是指用喷涂工艺对产品进行涂装的生产车间。
喷涂工艺流程图是一种图形化的表示方式,用于展示喷涂车间的工艺流程和各个环节之间的关系。
本文将详细介绍喷涂车间的工艺流程图,包括原料准备、表面处理、涂装、烘干和质检等环节。
二、工艺流程图下面是喷涂车间的工艺流程图:1. 原料准备原料准备是喷涂车间的第一步,主要包括涂料、稀释剂、溶剂等原料的准备。
涂料需要按照配方要求进行配制,确保其质量和性能符合要求。
稀释剂和溶剂的选择和使用要符合环保要求,并确保与涂料相容。
2. 表面处理表面处理是为了提高产品的附着力和耐腐蚀性。
主要包括除锈、除油和表面清洁等工序。
除锈可以采用机械除锈、化学除锈或者电解除锈等方法。
除油可以采用溶剂洗涤或者碱洗等方法。
表面清洁可以采用喷砂或者喷丸等方法。
3. 涂装涂装是喷涂车间的核心环节,主要包括底漆喷涂、面漆喷涂和清漆喷涂等工序。
底漆喷涂是为了提高产品的附着力和防腐性,面漆喷涂是为了增加产品的美观性和色采效果,清漆喷涂是为了提高产品的耐候性和耐磨性。
4. 烘干烘干是为了使涂层快速干燥和固化,以便进行下一步的工序。
烘干可以采用自然烘干、热风烘干或者紫外线烘干等方法。
烘干的时间和温度需要根据涂料的类型和厚度进行调节,确保涂层的质量和性能。
5. 质检质检是对涂装产品进行检测和评估,以确保其质量和性能符合要求。
质检包括外观检查、厚度测量、附着力测试和耐腐蚀测试等项目。
质检结果将作为产品出厂前的最后一道关卡,确保产品的合格率和客户满意度。
三、数据分析根据喷涂车间的工艺流程图,我们可以进行一些数据分析,以评估生产效率和质量控制的情况。
1. 喷涂车间的生产能力:根据涂装设备的规格和工作时间,可以计算出喷涂车间的生产能力。
例如,每小时可以喷涂的产品数量和每天的工作时间,从而估算出车间的日产量和月产量。
2. 涂料的使用量:根据涂料的配方和每次喷涂的涂料用量,可以计算出每一个产品的涂料使用量和车间的总涂料消耗量。
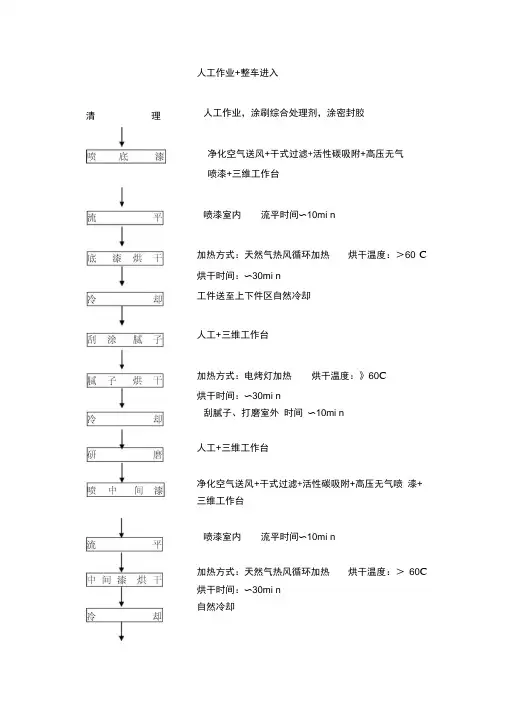
人工作业+整车进入
人工作业,涂刷综合处理剂,涂密封胶
清理
净化空气送风+干式过滤+活性碳吸附+高压无气
喷漆+三维工作台
喷漆室内流平时间〜10mi n
加热方式:天然气热风循环加热烘干温度:>60°C
烘干时间:〜30mi n
工件送至上下件区自然冷却
人工+三维工作台
加热方式:电烤灯加热烘干温度:》60C
烘干时间:〜30mi n
刮腻子、打磨室外时间〜10mi n
人工+三维工作台
净化空气送风+干式过滤+活性碳吸附+高压无气喷漆+
三维工作台
喷漆室内流平时间〜10mi n
加热方式:天然气热风循环加热烘干温度:>60C
烘干时间:〜30mi n
自然冷却
净化空气送风+干式过滤+活性碳吸附+高压无气喷
漆+三维工作台
喷漆室内流平时间〜10mi n
加热方式:蒸汽热风循环加热烘干温度:》60C 烘干时间:〜30mi n
自然冷却
人工作业。
涂装车间工艺流程图一、引言涂装车间是创造业中重要的环节之一,涂装工艺流程图是对涂装车间工艺流程进行系统化、图形化描述的工具。
本文将详细介绍涂装车间的工艺流程图及其标准格式。
二、涂装车间工艺流程图的标准格式涂装车间工艺流程图的标准格式包括以下几个主要部份:1. 标题涂装车间工艺流程图的标题应准确简明地描述涂装车间的工艺流程。
例如,可以使用"涂装车间工艺流程图"作为标题。
2. 图例图例是涂装车间工艺流程图中的关键部份,用于解释各种符号和线条的含义。
图例应包括每一个符号的名称和对应的含义。
例如,可以使用不同颜色的方框表示不同的工艺步骤,使用箭头表示物料的流动方向。
3. 工艺步骤涂装车间工艺流程图应包括涂装车间的各个工艺步骤,按照实际生产流程的先后顺序进行罗列。
每一个工艺步骤应配以相应的标识符号,并用箭头表示物料的流动方向。
例如,可以使用"A1"、"A2"、"A3"等标识符号表示不同的工艺步骤。
4. 物料流动涂装车间工艺流程图应准确描述物料在涂装车间中的流动路径。
物料的流动路径应用箭头表示,并配以相应的标识符号。
例如,可以使用"A1 → A2"表示物料从工艺步骤A1流向工艺步骤A2。
5. 工艺参数涂装车间工艺流程图还应包括各个工艺步骤的相关工艺参数。
例如,可以在每一个工艺步骤的旁边标注相应的工艺参数,如温度、压力、涂装时间等。
6. 控制点涂装车间工艺流程图应标注各个工艺步骤的控制点。
控制点是指在涂装车间工艺流程中对工艺参数进行监控和调整的关键位置。
例如,可以使用"C1"、"C2"、"C3"等标识符号表示不同的控制点。
7. 检测点涂装车间工艺流程图应标注各个工艺步骤的检测点。
检测点是指在涂装车间工艺流程中对产品质量进行检测和验证的关键位置。
例如,可以使用"D1"、"D2"、"D3"等标识符号表示不同的检测点。
涂装车间工艺流程图一、引言涂装车间是创造行业中重要的环节之一,涉及到产品的外观质量和保护。
为了确保涂装过程的高效性和质量稳定性,需要制定详细的工艺流程图,以指导操作人员进行涂装作业。
本文将详细描述涂装车间的工艺流程图。
二、工艺流程图概述涂装车间工艺流程图是指在涂装车间进行涂装作业时,按照一定的步骤和顺序进行操作的流程图。
通过工艺流程图,可以清晰地了解每一个步骤的操作要求和顺序,确保涂装作业的质量和效率。
三、工艺流程图的内容1. 准备工作a. 检查涂装设备和工具的完好性和可用性。
b. 准备涂装材料,如底漆、面漆、稀释剂等。
c. 检查涂装区域的清洁度和通风情况。
2. 表面处理a. 清洁和除锈:使用适当的清洁剂和工具清洁产品表面,并去除锈蚀。
b. 打磨:对产品表面进行打磨,以提高涂装的附着力和平整度。
3. 底漆涂装a. 混合底漆:按照规定的配比将底漆和稀释剂混合均匀。
b. 喷涂底漆:使用喷枪将底漆均匀地喷涂在产品表面,确保涂层的厚度和均匀性。
c. 干燥:将涂装的产品放置在干燥室中,以确保底漆能够充分干燥。
4. 面漆涂装a. 混合面漆:按照规定的配比将面漆和稀释剂混合均匀。
b. 喷涂面漆:使用喷枪将面漆均匀地喷涂在产品表面,确保涂层的厚度和均匀性。
c. 干燥:将涂装的产品放置在干燥室中,以确保面漆能够充分干燥。
5. 检查和修复a. 检查涂装质量:对涂装完成的产品进行外观检查,确保涂层的质量符合要求。
b. 修复缺陷:如有涂装缺陷,及时进行修复,以保证产品的外观质量。
6. 包装和出库a. 包装:对涂装完成的产品进行包装,以保护产品的外观质量。
b. 出库:将包装完成的产品进行出库,以便后续的交付和使用。
四、工艺流程图的制作方法制作涂装车间工艺流程图可以使用各种绘图软件,如Microsoft Visio、AutoCAD等。
以下是一种常见的制作方法:1. 确定流程图的结构和步骤:根据涂装车间的实际情况,确定涂装的步骤和操作顺序。
喷涂车间工艺流程图一、引言喷涂车间是创造业中常见的工艺环节之一,用于对产品进行喷涂涂层的施工。
为了确保喷涂工艺的高效和质量,制定一份详细的工艺流程图是非常重要的。
本文将详细介绍喷涂车间的工艺流程图标准格式,以便于操作人员能够清晰地了解工艺流程,提高工作效率和产品质量。
二、工艺流程图标准格式的要求1. 标题:在工艺流程图的顶部中央,以大号字体写明“喷涂车间工艺流程图”。
2. 图例:在工艺流程图的右上角,以小号字体写明各种图例的含义,如箭头表示物料流动方向,方框表示工艺步骤等。
3. 工艺步骤:按照产品的创造流程,从左至右挨次标明各个工艺步骤。
每一个步骤都应以一个方框表示,并在方框内写明该步骤的名称和编号,方框之间用箭头连接,表示物料的流动方向。
4. 工艺参数:在每一个工艺步骤的方框下方,以小号字体写明该步骤的工艺参数,如温度、湿度、喷涂压力等。
如果某个工艺步骤没有特定的工艺参数,则可以省略该部份。
5. 检测要求:在每一个工艺步骤的方框右侧,以小号字体写明该步骤的检测要求,如涂层厚度、颜色均匀度等。
如果某个工艺步骤没有特定的检测要求,则可以省略该部份。
6. 备注:在工艺流程图的底部,以小号字体写明一些需要额外说明的内容,如特殊工艺要求、注意事项等。
三、喷涂车间工艺流程图示例喷涂车间工艺流程图如下:```图例:箭头表示物料流动方向方框表示工艺步骤工艺步骤:1. 准备工作工艺参数:温度:25°C 湿度:50%检测要求:无2. 检查产品质量工艺参数:无检测要求:产品表面无明显缺陷3. 清洁产品表面工艺参数:无检测要求:无4. 喷涂底漆工艺参数:喷涂压力:2.5 bar 喷涂速度:50 cm/s 检测要求:底漆厚度:20-30 μm5. 干燥工艺参数:温度:30°C 湿度:60%检测要求:无6. 喷涂面漆工艺参数:喷涂压力:2.0 bar 喷涂速度:40 cm/s检测要求:面漆厚度:30-40 μm 颜色均匀度:≥95%备注:- 特殊工艺要求:底漆和面漆需分别喷涂两遍。
涂装车间工艺流程
一、车身预处理
1、车身剥离检查:确保车身表面清理干净,去除烤漆膜及外来物,
检查车身总体表面情况。
2、车身检查:检查车身有无损伤、冒痕、凹凸、折痕、接缝、腐蚀
及金属粘着等情况,并确定处理方式。
3、车身抛光:采用机械抛光,达到质量要求,并及时补抛损伤处。
4、车身烘干:清洁处理的车身,采用热风烘干,达到烘干质量要求,并保护处理部分不被外界污染。
5、车身腐蚀防护:根据主体的处理要求,采用涂料、喷漆,实施防
腐处理,为后续工序提供质量保证。
二、涂装
1、涂料配制:根据质量标准,配制涂料,保证涂料的质量,试验室
分析后放置于涂料库以备使用。
2、底漆涂装:清洁底漆库,将配好的底漆放置入枪,加上填充剂和
减泡剂,将车身纵横向穿梭,检查喷涂效果。
3、面漆涂装:将配成的面漆放入枪,将车身从正面穿梭喷涂,涂装
效果达到规定要求,检查喷涂效果。
4、固化:涂装完成后,将车身送经过高温固化箱,使涂料完全固化,固化温度维持等,避免变形出现。
三、质量控制。
喷涂车间工艺流程图一、引言喷涂车间是制造业中常见的生产车间之一,主要用于对产品进行喷涂涂装。
为了确保喷涂工艺的高效、准确和稳定,需要制定一份详细的工艺流程图,以便操作人员能够清晰地了解整个喷涂过程,并按照流程进行操作。
本文将详细介绍喷涂车间的工艺流程图。
二、工艺流程图概述喷涂车间的工艺流程图主要包括以下几个环节:准备工作、涂料调配、喷涂操作、质量检验和清洗保养。
下面将对每个环节进行详细描述。
三、准备工作1. 检查喷涂设备和工具的完好性:检查喷枪、喷涂设备、压缩空气系统等设备是否正常工作,确保没有损坏或故障。
2. 准备喷涂材料:根据产品的要求,准备好所需的涂料、溶剂、稀释剂等材料,并按照配方准确称量。
3. 清洁工作区域:确保喷涂工作区域干净整洁,无杂物和灰尘,以免影响喷涂效果。
四、涂料调配1. 根据产品要求,按照配方准确称量涂料、溶剂、稀释剂等材料,并进行充分搅拌,以确保涂料的均匀性和稳定性。
2. 检查涂料的粘度和流动性:使用粘度计和流变仪等设备检测涂料的粘度和流动性,确保符合产品要求。
五、喷涂操作1. 准备产品:将待喷涂的产品放置在适当的位置,确保产品表面干净、平整,并进行必要的预处理,如去除油污、锈蚀等。
2. 喷涂底漆:根据产品要求,使用喷枪将底漆均匀地喷涂在产品表面,确保底漆的厚度和均匀性。
3. 喷涂面漆:在底漆干燥后,使用喷枪将面漆均匀地喷涂在产品表面,确保面漆的颜色、厚度和光泽度符合产品要求。
4. 控制喷涂厚度:使用厚度测量仪等设备对喷涂涂层的厚度进行检测和控制,以确保喷涂厚度符合产品要求。
六、质量检验1. 外观检查:对喷涂后的产品进行外观检查,包括颜色、光泽度、平整度等方面的检查,确保产品的外观质量符合要求。
2. 耐候性测试:将喷涂后的产品暴露在恶劣的环境条件下进行耐候性测试,如高温、低温、湿度等,以评估喷涂涂层的耐久性。
3. 附着力测试:使用附着力测试仪对喷涂涂层的附着力进行测试,确保涂层与产品表面的附着力符合要求。
喷涂车间工艺流程图喷涂车间是制造业中非常重要的一个环节,它涉及到产品表面的装饰、保护和涂层的质量控制等方面。
为了更好地组织和管理喷涂车间的生产流程,制定一份详细的工艺流程图是非常必要的。
下面是我为您编写的喷涂车间工艺流程图的标准格式文本。
1. 背景介绍喷涂车间是用于对产品进行涂装的生产环节,主要包括涂装前的准备工作、涂装过程和涂装后的处理工作。
通过合理的工艺流程图,可以使喷涂车间的生产更加高效、规范和可控。
2. 工艺流程图以下是喷涂车间的工艺流程图,包括了涂装前的准备、涂装过程和涂装后的处理工作。
2.1 涂装前的准备工作2.1.1 产品接收与检验- 接收产品并进行入库登记。
- 对产品进行外观检查和尺寸测量,确保产品符合要求。
2.1.2 表面处理- 清洗产品表面,去除油污和杂质。
- 进行除锈处理,保证产品表面光洁度。
- 进行酸洗或碱洗,提高涂层附着力。
2.1.3 掩膜和遮盖- 根据产品要求,对需要保护的部位进行掩膜或遮盖。
- 确保掩膜或遮盖材料与产品表面充分贴合,防止漏涂。
2.2 涂装过程2.2.1 喷涂设备准备- 检查喷涂设备的状态,确保正常运行。
- 准备好所需的涂料、溶剂和喷涂工具。
2.2.2 涂料配制- 根据产品要求和涂装工艺,准确配制涂料。
- 确保涂料的质量符合要求,避免出现涂层缺陷。
2.2.3 喷涂操作- 将产品放置在喷涂设备中,确保产品稳定。
- 根据产品要求和涂装工艺,控制喷涂参数,如喷涂压力、喷涂速度等。
- 均匀、连续地进行喷涂,确保涂层厚度均匀一致。
2.3 涂装后的处理工作2.3.1 干燥与固化- 将喷涂完成的产品放置在通风良好的区域进行自然干燥。
- 根据涂料要求,进行烘干或固化处理,确保涂层的质量和耐久性。
2.3.2 检验与修复- 对喷涂完成的产品进行外观检查和质量检验。
- 如果发现涂层缺陷,及时进行修复或重新喷涂。
2.3.3 包装与出库- 对合格的产品进行包装,确保产品的安全运输。
重庆龙江汽车有限公司驾驶室涂装工艺流程图 产品型号 YZ1040 文件编号 产品名称 WLJA-I 轻卡 共 3 页 零件图号5000010K01-00 零件名称 白车身总成 关键特性(按顾客要求)● 特殊特性 ☆ 一般特性○ 流程图:工件预清洁 上挂 预脱脂 脱脂 水洗1 水洗2 表调 磷化 水洗3 转挂 烘烤 强冷 不合格返修 合格驾驶室 刮灰 打磨 涂焊缝密封胶 喷PVC 喷中涂层漆 中涂烘干 中涂强冷 中涂层检查补灰 中涂打磨 面漆前擦净 喷面漆 面漆流平面漆烘干 面漆强冷 面漆检查抛光检验合格入库 不合格返修检测 水洗4 纯水洗1 吹水 阴极电泳 UF1洗 UF2洗 纯水洗2 沥水及吹水。
批准:审核:校对:编制:-可编辑修改-。
-可编辑修改-重庆龙江汽车有限公司车架涂装工艺流程图 产品型号 YZ1040 文件编号 第 页 产品名称 WLJA-I 轻卡 零件图号2801000K01-00 零件名称 车架总成 关键特性(按顾客要求)● 特殊特性 ☆ 一般特性○ 流程图:合格车架入库 工件预清洁 上挂 预脱脂 脱脂 水洗1 水洗2 表调 磷化 水洗3 转挂 烘烤 强冷 不合格返修 检测 水洗4 纯水洗1 吹水 阴极电泳 UF1洗 UF2洗 纯水洗2 沥水及吹水。
批准:审核:校对:编制:-可编辑修改-重庆龙江汽车有限公司车厢涂装工艺流程图 产品型号 YZ1040 文件编号 第 页 产品名称 WLJA-I 轻卡 零件图号5000010K01-00 零件名称 货箱总成 关键特性(按顾客要求)● 特殊特性 ☆ 一般特性○ 流程图:面漆前擦净 喷面漆 面漆流平 面漆烘干 面漆强冷 面漆检查抛光 合格入库 不合格返修合格车厢 工件预清洁 上挂 预脱脂 脱脂 水洗1 水洗2 表调 磷化 水洗3 转挂 烘烤 强冷 不合格返修 检测 水洗4 纯水洗1 吹水 阴极电泳 UF1洗 UF2洗 纯水洗2 沥水及吹水 检验。
钢结构涂装油漆工序作业示意图二
0301、枪与被涂工件表面保持垂直;
0302、喷枪与被涂工件保持30cm左右距离,喷幅约为50%;
0303、保持恰当的搭接;
0304、对凹凸部位的处理;
0305、移动过程扣动扳机;
0306、涂装的要求:
1、为了确保涂装质量,必须严格涂料厂产品说明书规定进行施工;
2、构件大面积喷涂前,必须对手动焊缝、自由边、角落、R孔及难以喷涂的位置先进行预涂工作,保证喷涂的质量;
3、每覆涂一道油漆必须表面用手工砂皮纸进行打磨清理颗粒、垃圾等物:
4、如果温度低于5℃时,油漆混合后放置15分钟左右,然后开始喷涂;
5、喷涂过程中应随时用湿膜测厚仪测试湿膜厚度,然后根据湿膜厚度进行调整,以确保达到规定干膜厚度;
6、根据不同的油漆,选用合适的喷漆泵和喷枪嘴,严格控制涂装的复涂间隔期:
7、喷涂时,喷枪始终与被平面保持垂直,左右上下移动时,要注意与被涂面等距离移动,避免手腕转动而成为弧形移动,以保持膜厚的均匀;
8、喷涂距离通常为300-400毫米,喷幅为50%左右;
9、运行速度要根据膜厚的条件而定,过快达不到设计干膜厚度,过慢会引起漆膜过厚和流挂;
10、钢板温度在5℃-38℃时,必须要调整喷涂作业时间,防止油漆的缺陷;
11、油漆作业的环境,湿度必须低于85%,露点应在3℃以下;
12、晚上施工时必须有足够的照明,在箱体内喷涂油漆时必须有防爆风机和防爆灯,防止安全的意外发生及油漆漏涂。
喷涂车间工艺流程图一、引言喷涂车间是一种常见的工业生产车间,主要用于对产品进行表面涂装,保护和美化产品外观。
喷涂车间工艺流程图是对喷涂车间的生产流程进行图形化展示,以便于工作人员理解和执行各项工作任务。
本文将详细描述喷涂车间的工艺流程图,包括准备工作、涂装工艺、质量检验等内容。
二、准备工作1. 原材料准备:a. 涂料:根据产品要求选择合适的涂料类型和颜色,并确保涂料质量符合标准要求。
b. 溶剂:根据涂料要求选择合适的溶剂,并确保溶剂质量达到标准要求。
c. 辅助材料:如底漆、填充剂、稀释剂等,根据产品要求选择合适的辅助材料。
2. 设备准备:a. 喷涂设备:包括喷枪、喷涂机、喷涂柜等,确保设备完好,并进行必要的维护保养。
b. 通风设备:确保车间内空气流通良好,排除有害气体。
3. 工作区域准备:a. 清洁工作区域:清理工作区域,确保无灰尘、杂物等影响涂装质量的物质。
b. 遮盖保护:对不需要喷涂的部分进行遮盖保护,防止喷涂物污染其他区域。
三、涂装工艺1. 表面处理:a. 清洗:对产品表面进行清洗,去除油污、灰尘等杂质。
b. 打磨:对产品表面进行打磨,提高涂装附着力。
c. 防锈处理:对金属产品进行防锈处理,防止腐蚀。
2. 底漆涂装:a. 涂装前准备:对底漆进行搅拌、过滤等处理,确保底漆质量良好。
b. 喷涂底漆:使用喷枪将底漆均匀地喷涂在产品表面,形成一层保护膜。
3. 中涂涂装:a. 涂装前准备:对中涂涂料进行搅拌、过滤等处理,确保涂料质量良好。
b. 喷涂中涂:使用喷枪将中涂涂料均匀地喷涂在底漆上,形成产品的颜色和效果。
4. 面漆涂装:a. 涂装前准备:对面漆进行搅拌、过滤等处理,确保面漆质量良好。
b. 喷涂面漆:使用喷枪将面漆均匀地喷涂在中涂上,形成最终的产品外观。
四、质量检验1. 外观检验:a. 目测检查:对产品外观进行目测检查,确保涂装均匀、无气泡、无划痕等缺陷。
b. 光泽度检测:使用光泽度仪测量产品表面的光泽度,确保符合要求。
设 3个工位.需 4 人
涂装车间工艺流程图
38Jph(4.28m/min). 二楼
预清理洪流冲洗槽预脱脂脱脂第一水洗第二水洗表调磷化第三水洗第四水洗第一纯水洗第二纯水洗
白车身
设 2 个工位.需 1人. 一楼设3个工位需4人存 80 台电泳车.
38Jph(3.79m/min) 机器人 4 台38Jph(3.79m/min) 一楼38Jph(3.48m/min) 二楼
焊缝密封 IBS检查及换夹具纯水喷洗槽纯水浸洗槽UF3 喷洗槽UF2 浸洗槽UF1 喷洗槽电泳
(自动)电泳烘干
设 9个工位.需24人.一楼离线钣金设 1个工位 .机器人 4台设1个工位.需2人存 22台涂胶车.设 7 个工位。
需12 人.13 台机器人二楼
38Jph(3.21m/min)二楼38Jph(4.12m/min)一楼38Jph(4.43m/min) 38Jph (3.79m/min)38Jph(36m/min)一楼38Jph(36m/min)一楼
焊缝密封(人工)遮蔽下底板喷 PVC卸遮蔽裙边喷涂
胶烘干电泳打磨擦净中涂
(UBS)(RPP)
设1个工位.需4人设1个工位 . 机器人 4台设 1个工位 . 机器人 2台设 1个工位.需3人
38Jph(36m/min) 一楼38Jph(36m/min) 一楼38Jph(36m/min)一楼
离线打磨38Jph(4.43m/min)
机器人 2台二楼
送总装贴膜报交检查精修清漆色漆闪干色漆中涂闪干
面漆烘干
设4个工位.需 4 人设 8个工位.需15 人存 65 台面漆车二楼15 台机器人二楼17 台机器人二楼
38Jph(4.12m/min)一楼38Jph(4.12m/min)一楼38Jph(3.48m/min)38Jph(4.43m/min)38Jph(4.43m/min)。