冷冲压件检验技术规范
- 格式:doc
- 大小:124.00 KB
- 文档页数:4
金属冷冲压件技术标准 Coca-cola standardization office【ZZ5AB-ZZSYT-ZZ2C-ZZ682T-ZZT18】广东顺德惠美庄电器实业有限公司金属冷冲压件技术标准附件版本:A/02014-01-05发布2014-01-06实施金属冷冲压件技术条件1范围本标准规定了榨油机用金属冷冲压件的技术要求、试验方法、检验规则、标志、包装、运输和贮存等。
本标准适用于榨油机用金属冷冲压件(以下简称冲压件)。
2规范性引用文件下列文件中的条款通过本标准的引用而成为本标准的条款。
凡是注日期的引用文件,其随后所有的修改单(不包括勘误的内容)或修订版均不适用于本标准,然而,鼓励根据本标准达成协议的各方研究是否可使用这些文件的最新版本。
凡是不注日期的引用文件,其最新版本适用于本标准。
GB/T1839-2003 钢铁产品镀锌层质量试验方法GB/T1839 钢产品镀锌层质量试验方法GB/T2518 连续热镀锌薄钢板和钢带GB/T10125 人造气氛腐蚀试验、盐雾试验GB/T11253 碳素结构钢和低合金结构钢冷轧薄钢板及钢带GB/T13914 冲压件尺寸公差GB/T 13915 冲压件角度公差GB/T 13916 冲压件形状和位置未注公差金属冷冲压件结构要素金属冷冲压件通用技术条件HMZDQ/WI-01 抽样方案3技术要求与试验方法3.1一般要求3.1.1冲压件应符合本标准的要求,并按照规定程序批准的图样及技术文件制造。
3.1.2冲压件的材料应符合图纸要求,若选用热镀锌钢板,应符合GB/T2518规定。
若选用冷轧钢板,应符合GB/T11253规定;所有钢材必须符合各钢厂与美的采购中心签定的技术协议。
要求符合RoHS指令的冲压件,所有材料成份必须符合相关文件要求。
3.1.3非喷涂冲压件必须使用钝化板。
3.2外观要求3.2.1表面质量冲压件表面应洁净,无油污、明显灰尘、黑斑、锈蚀、发白、脱锌现象及明显机械划伤痕和严重拉伤痕,翻边孔无开裂。
*****冷冲压件有限公司冲压件的缺陷及检验操作指导1、目的本规范旨在明确制造过程中对各种冲压件质量的描述、检验方法、判定规范、及对冲压件固有缺陷记录和使用规范,为制造过程质量检验提供依据。
2、范围本规范适用于公司部件生产部责范围内生产的冲压件半成品和成品。
3、术语3.1 关键冲压件对整车的结构、装配、生产工艺、使用性能、安全等方面有重要影响的冲压件,将这一类冲压件作为过程质量的关键环节去加以控制,列为关键冲压件。
3.2 固有缺陷针对前期产品开发过程中,因技术、工装及设计等原因导致的冲压件存在一些工艺上无法彻底整改的缺陷,制造过程对这些缺陷进行固化和稳定。
4、冲压件质量要求分类冲压件的种类繁多,每个冲压件的质量要求是不一样的;为了在提高整车质量的同时要充分考虑到生产技术条件和质量成本等因素,以便能够充分提高整车生产的综合效能。
制定冲压件的质量检验规范需要结合生产工艺技术条件和车身的使用性能等要求,对不同类别的冲压件制定相应的质量规范。
4.1 根据冲压件在车身上功能尺寸等作用分为:关键件和非关键件。
4.2 根据冲压件在车身上的位置不同及客户的可视程度分为:A 、B 、C、D 四个区域。
4.3 根据冲压件上孔在车身装配及工艺要求分为:一般孔、定位孔、装配孔。
4.4 根据冲压件上料边在车身焊接、压合等工艺要求分为:一般料边、压合料边、焊接料边。
5、冲压件在整车上分区5.1 (A区)车身腰线装饰条或防擦条的下边线、前翼\后翼轮罩边线等以上部位,不包括当车身前后风挡玻璃上边缘的顶盖和天窗区域。
5.2 (B 区)车身腰线装饰条或防擦条的下边线、前翼\后翼轮罩边线等以下部位,车身前后风挡玻璃上边缘的顶盖和天窗区域。
5.3 (C 区)打开车门上车时能看到的部位;坐在司机或乘客座位上,关上车门后能看得见的部位;车身发动机盖、行李盖打开后看得见区域;天窗窗框,油箱加注孔入口等其他区域。
5.4 (D 区)除A 、B 、C 三个可视区域,车身上被内饰件等覆盖的、客户一般所不能察觉或发现的部位。
冲压件出入库检验流程(试制)
目前冲压加工部件有:铜/铝主片,铜水室,铜/铝挡板,铜/铝侧板,中冷器主片/挡板,马鞍件、铜/铝水箱支架等。
冲压件为本公司核心部分,平时因冲压问题导致产品滞留,报废或影响下一道工序生产,特制定此检验标准,以免该问题频繁发生:
(一)原材料检验
来料时,应按照图纸并按照物料清单进行每一项核实,如发现有问题,初步分析后,应及时通知技术或供应商。
(二)材料加工过程检测
加工时,应按照图纸对工件尺寸严格检查,如发现有问题,应第一时间隔离,并分析原因,找到相关负责人处理。
(三)半成品工件出库
目前处于半成品状态的为侧板,支架。
需出库酸洗、喷塑、镀锌。
在材料出库前,应严格检查侧板,支架尺寸外观。
检验合格后在工件上挂上合格标牌。
冲压应按照型号,点好数量后摆放。
仓管、司机清理好数目后,方可出库。
严禁将未挂标牌或未点清数目的工件拉出去酸洗、喷塑或镀锌。
(四)半成品工件入库
于出厂后再入库的工件,应先检查工件外观。
如有掉漆,刮伤,数量不够的情况,应及时挑出。
大面积掉漆,刮伤应通知厂家,返回整改,如数量不够,则应由仓库通知司机是否漏装、错装。
(五)工件成品入库
侧板返丝好后,应检查是否拉伤,掉螺母情况应及时挑出,并及时整改。
冲压工返丝好,分好型号后,由仓库清点好数目后办理成品工件入库。
以上标准请质检员、仓库按时执行!。
冲压件检验标准冲压件是机械制造中常见的一种零部件,其质量直接影响到整个产品的质量和性能。
因此,对冲压件的检验标准显得尤为重要。
本文将围绕冲压件的检验标准展开讨论,以期为相关行业提供参考。
首先,冲压件的外观质量是最直观的检验指标之一。
外观质量包括冲压件的表面光洁度、无损伤、无变形等方面。
在检验时,应该通过肉眼或辅助工具对冲压件进行全面、细致的观察。
同时,可以采用比对样件、使用光源照射等方式来确保外观质量的一致性和准确性。
其次,冲压件的尺寸精度也是需要严格检验的重要指标。
尺寸精度直接关系到冲压件的装配和使用。
在检验过程中,应该采用精密的测量工具,如千分尺、游标卡尺等,对冲压件的尺寸进行精确测量,并与设计图纸进行比对,以确保尺寸精度符合要求。
另外,冲压件的材料成分和力学性能也是需要重点检验的内容之一。
材料成分的检验可以通过化学分析、光谱分析等手段进行,以确保冲压件所使用的材料符合标准要求。
而力学性能的检验则需要通过拉伸试验、冲击试验等方式来进行,以确保冲压件在使用过程中具有足够的强度和韧性。
此外,冲压件的表面涂装和防腐蚀性能也是需要重点考虑的内容。
表面涂装应该均匀、牢固,不应有脱落、起泡等现象。
而防腐蚀性能则需要通过盐雾试验、湿热循环试验等方式来进行检验,以确保冲压件在各种恶劣环境下都能保持良好的表面状态。
最后,对于一些特殊要求的冲压件,如汽车车身件、航空航天零部件等,还需要根据相关行业标准进行特殊的检验,以确保冲压件的质量符合特定的使用要求。
综上所述,冲压件的检验标准涉及到外观质量、尺寸精度、材料成分、力学性能、表面涂装和防腐蚀性能等多个方面。
只有严格按照标准要求进行检验,才能保证冲压件的质量稳定、可靠,从而确保整个产品的质量和性能。
希望本文所述内容能够为相关行业提供一定的参考价值,同时也希望各行业能够根据自身实际情况,制定更加严格、科学的冲压件检验标准,为产品质量的提升提供有力保障。
冲压件检验作业指导书(一)【引言概述】冲压件检验是在冲压件生产过程中必不可少的环节,其目的是确保产品的质量和一致性。
本作业指导书旨在指导操作人员进行冲压件检验工作,提供明确的操作流程和注意事项,以确保检验结果的准确性和可靠性。
【正文内容】一、检查冲压件外观1. 检查表面是否有明显的缺陷,如划痕、凸起、凹陷等。
2. 检查冲压件的尺寸是否符合图纸要求。
3. 检查冲压件的颜色、涂层等是否符合规定标准。
4. 检查冲压件的边缘是否整齐光滑,无毛刺、露铜等问题。
5. 检查冲压件的标志和标签是否清晰可辨认。
二、检测冲压件材料性能1. 使用金相显微镜检查冲压件的金相组织结构。
2. 进行硬度测试,确保冲压件的硬度符合标准要求。
3. 进行拉伸试验,检测冲压件的拉伸强度和延伸率。
4. 进行冲击试验,评估冲压件的抗冲击性能。
5. 进行化学成分分析,确保冲压件材料的成分符合标准要求。
三、检验冲压件的功能性能1. 进行装配试验,测试冲压件与其他零件的配合情况。
2. 进行泄漏测试,确保冲压件的密封性。
3. 进行开关试验,检验冲压件的开关性能和可靠性。
4. 进行负荷试验,评估冲压件的承载能力。
5. 进行振动测试,检测冲压件的耐振性能。
四、检验冲压件的可靠性1. 进行寿命试验,评估冲压件的使用寿命。
2. 进行可靠性验证,确保冲压件在规定的时间内正常工作。
3. 进行环境适应性测试,检查冲压件在不同环境条件下的工作稳定性。
4. 进行电磁兼容性测试,确保冲压件在电磁干扰下的正常工作。
5. 进行强度耐久性测试,评估冲压件在重复负荷下的耐久性能。
五、记录和处理检验结果1. 在检验过程中,及时记录冲压件的检验结果和相关数据。
2. 对于不合格的冲压件,及时进行标识和隔离,并记录不合格原因。
3. 对于合格的冲压件,进行标识和追溯,确保其质量可追溯。
4. 对于异常情况和重要的检验结果,及时向相关部门报告和处理。
5. 定期回顾和评估检验结果,以改进和优化冲压件生产和检验流程。
冲压件检验准则第一篇:冲压件检验准则冲压件检验准则目的规定了冲压件检验的评价准则,确保合格产品流入下一工序,确保产品满足顾客的要求。
2 适用范围适用于冲压件质量的认可。
3 术语略 4 引用略 5 规定5.1 冲压件检验区域划分,参照《整车审核工作指导书》中的附件3“车身表面区域的划分”。
5.2 冲压件检验方法 5.2.1 触摸检验5.2.1.1 用干净的纱布将外覆盖件的表面擦干净。
5.2.1.2 检验员需戴上触摸手套沿着零件纵向紧贴零件表面触摸,这种检验方法取决于检验员的经验。
5.2.1.3 必要时可用油石打磨被探知的可疑区域并加以验证,但这种方法不失为一种行之有效的快速检验方法。
5.2.2 油石打磨5.2.2.1 用干净的纱布将外覆盖件的表面擦干净。
5.2.2.2 打磨用油石(20×20×100mm或更大)5.2.2.3 有圆弧的地方和难以接触到的地方用相对较小的油石打磨(例如:8×100mm的半圆形油石)5.2.2.4 油石粒度的选择取决于表面状况(如粗糙度,镀锌等)。
建议用细粒度的油石。
5.2.2.5 油石打磨的方向基本上沿纵向进行,并且很好地贴合零件的表面,部分特殊的地方还可以补充横向的打磨。
5.2.3 柔性纱网的打磨5.2.3.1 用干净的纱布将外覆盖件的表面擦干净。
5.2.3.2 用柔性砂网紧贴零件表面沿纵向打磨至整个表面,任何麻点、压痕会很容易地被发现。
5.2.4 涂油检验5.2.4.1 用干净的纱布将外覆盖件的表面擦干净。
5.2.4.2 用干净的刷子沿着同一个方向均匀地涂油至零件的整个外表面。
5.2.4.3 把涂完油的零件放在强光下检验,建议把零件竖在车身位置上。
用此法可很容易地发现零件上的微小的麻点、瘪塘、波纹。
5.2.5 目视检验 5.2.6 检具检测5.2.6.1 将零件放入检具,依据检具说明书操作要求,对零件进行检测。
5.3 冲压件缺陷评价准则 5.3.1 开裂5.3.1.1 检验方法:目视 5.3.1.2 评价准则: A类缺陷:没有经过培训的用户也能注意到的开裂,此类缺陷的冲压件是用户不能接受的,发现后必须立即对冲压件进行冻结。
钣金冷冲压件质量检验规范(ISO9001-2015)1.0目的对钣金冷冲压件加工过程的监督及成品检验的要求。
2.0适用范围本标准适用于公司及其外协加工的钣金冷冲压件。
3.0引用标准GB/T13916-2002冲压件形状和位置未注公差GB/T1804-2000一般公差未注公差的线性和角度尺寸的公差GB/T13914-2002冲压件尺寸公差GB/T13915-92冲压件角度公差GB/T15055-2007冲压件未注公差尺寸极限偏差JB/T8930-1999冲压工艺质量控制规范JB/T4129-1999冲压件毛刺高度JB/T4381-1999冲压剪切下料件未注公差尺寸的极限偏差GB/T2828.1-2012计数抽样检验程序第1部分:按接收质量限(AQL)检索的逐批检验抽样计划4.0检验内容4.1板材4.1.1板材的选择严格按图纸要求选材。
4.1.2板材允许缺陷板材允许有个别轻微的擦伤、压痕、凹面、及清理痕迹,其深度不得超过板料厚度公差带的一半。
4.1.3板材的周边质量所有切割周边均需齐平、无尖角、利边、无毛刺、无裂纹、转角处应圆滑。
4.2冲压件尺寸公差4.2.1冲压件未注尺寸公差图纸没有要求的(非配合)尺寸偏差按GB/T15055—2007进行检验。
该标准分为四级(f、m、c、v),采用f级,表示为GB/T15055-f,见表1。
当冲压零件为精密冲压件和冷挤压件时,该标准不适用。
应选用GB/T1804-m(一般未注公差的线性和角度尺寸的公差)进行检验,见本标准3.10的表6。
基本尺寸材料厚度公差等级大于至大于至 f0.5 3 - 1 ±0.05 1 3 ±0.153 6 - 1 ±0.1 14 ±0.2 4 - ±0.36 30 - 1 ±0.15 1 4 ±0.3 4 - ±0.4530 120 - 1 ±0.2 1 4 ±0.4 4 - ±0.6120 400 - 1 ±0.25 1 4 ±0.5 4 - ±0.75400 1000 - 1 ±0.35 1 4 ±0.7 4 - ±1.051000 2000 - 1 ±0.45 1 4 ±0.94 - ±1.42000 4000 - 1 ±0.7 1 4 ±1.4 4 - ±1.8注:对于0.5及0.5mm以下的尺寸应标公差。
冷冲压模具设计原则模具设计规定项目科:质量科:制造科:总经理:1.0 目旳規范試模運作,使得模具能按時試模,同時減少某些無謂旳試模,縮短模具交期,提高企业效益.2.0 合用范圍合用于我司外发设计制作旳所有模具.3.0总则模具设计前需给出《模具设计、制造、交付进度表》,表中需详细列出模具图纸设计、模具制造(线割/热处理/精磨等)及模具组装/试模三大阶段时间安排,并由供应商组织技术评审会议;表中需详细列出模具装配、初次试模交样时间。
供应商对图纸设计中旳<<工序图>>及<<排样图>>完毕后,设计方需要将上述资料递交文光有关负责人,文光有关负责人在接到上述有关资料后通过内部评审。
然后与供应商进行双方沟通评审,确认模具设计方案,光模具技术企业只作为技术支援。
所有部件设计时必须考虑便于模修人员安装、拆卸。
应尽量防止为更换冲头,而出现过多拆卸旳状况。
图纸作为文光验收旳重要根据,所有模具零部件需保证与图纸一致,否则按照不合格品处理。
模具交付后,文光将按照图纸对模具零部件进行实测,如发现设计与制造不符合,将不予以验收。
产品验收后,保留最终验收工件及全尺寸汇报作为参照样品,后期模具更改完毕后需保证产品质量与样品稳定一致。
模具尺寸不不不小于报价时模具预算尺寸,如模具为工程模工序数必须与报价时所报旳工序数一致。
4.0实行细则第一阶段:模具设计设计图纸规定A工艺流程图1.工艺流程图中必须详细列出每道工位旳内容,用不一样颜色辨别工作内容。
OP10 、OP20、OP30 等为工位序号,颜色与工位对应。
2. 所有冲孔,原则上需要在同一种工位,一次冲压成型,易于保证位置度规定。
所有孔旳尺寸做上公差。
B构造总图构造总图中必须附带所有部件装配关系,以及上、下模具视图,能清晰反应出整套模具旳设计构造。
在装配图中有详细旳零部件清单。
图纸需要包括所有零部件外形尺寸。
总图将作为最终预算(报价)旳重要根据。
冷冲压安全操作规范1、适用范围本规范适用于冲压设备加工的各类零件的冲裁、成形加工。
2、使用设备及工具冲床、扳手、夹钳、手钳、电工起子3、加工前的准备工作3.1加工前应对工作场地进行清理,用于堆放材料和加工坯件。
3.2检查设备运转是否正常,并进行必要的维护,准备需要的各种工、量具。
3.3生产前应先熟悉零件图样及工艺文件,如不清楚应向工艺人员询问清楚后再生产。
3.4检查上道工序转运来的加工件是否有检验人员的签字,否则不能生产。
4、安装和调整模具4.1对照工艺文件检查所用模具及设备是否相符,检查模具有无裂纹、压伤等缺陷。
4.2冲模上、下模板和冲床的滑块底面、工作台面应擦拭干净。
4.3预先用手扳动飞轮(中、大型冲床用微动按钮),调节滑块到最高位置(即上死点),将连杆调节到最短长度。
4.4对有导向装置的模具可将上、下模在导向件吻合状态下,一起安放在冲床工作台上,对无导向件的模具则取一块木板放在工作台上,把上模放在木板上。
4.5用手搬动飞轮(中、大型冲床用微动铵钮),使滑块靠近上模,并将上模的模柄对准滑块孔(无模柄的上模,将上模凸耳的螺栓孔对准滑块的T形槽),然后再使滑块级慢下降,直至滑块下平面紧贴上模板的上平面,拧紧紧固螺栓,将上模固定于滑块上。
4.6撤除所垫木板,安装下模,用上述方法使滑块下降,同时使上下模对准吻合,调整间隙均匀。
4.7初步调整冲床的闭合高度。
4.8正确紧固下模。
4.9安装调整好模具后应检查模具内外有无异物或其他工具,并在上、下模的配合部分(导向件、工作零件之间)加上润滑剂,然后开空车冲几次,进一步检查冲模的安装、紧固、调整是否妥当。
4.10试冲。
在试冲时逐步调整闭合高度,直到符合要求,然后紧固螺杆,调整打料装置和其他装置(如,弹性卸料装置等)。
4.11调整工件定位装置。
5、作业加工5.1第一个冲出的冲压件经过自检合格,还应经过专职检验人员检验,合格后方可进行冲压生产。
5.2冲压中小型工件时,将单件毛坯放到模具上,或将冲压后的冲压件、废料等取出必须使用工具(如夹钳、钩子),严禁用手直接伸入上、下模之间。
.冲压件检验判定标准一、质量判定基本定义1、某些描述中使用的一些主观评价词汇的定义:轻微的:指容易接受的,感觉不太明显、不太大、力量很小、不太持久的。
明显的:指较突出的、较清晰的、不用置疑的。
显著的:指非常突出的、一定觉察得到的、鲜明突出的、完全清晰可见的。
2、冲压件在整车上分区定义汽车分三个区域:两个外区和一个内区。
A区:汽车的上部至车身腰线,分界线为:车身腰线装饰条或保护条的下边线车身腰线装饰槽下边线车身上开合件边框的有关部位:汽车内2区的某些部位,从外面完全看的见,可根据具体情况视做1区处理B区:坐在司机或乘客座位上,关上车门后能看得见的部位,位于:车身腰线以上所有上车时能看见的部位,车身周边,车身边框以及:后侧窗,后行李箱隔板,尾门内板,车身尾门框,行李箱,发动机舱,发动机罩内表面,天窗窗框,油箱加注孔入口所有坐在司机或乘客座位上,关上车门能看的见的,位于车身腰线以下的部位。
C区:位于车身装饰条或保护条以下的部分、不影响客户直观视觉效果的部位。
3、检验基本条件定义:站立,在缺陷扣分区内,在冲压件四周,离件1米进行检查允许俯身,但不能蹲下检查涉及到间隙及高低不平的缺陷,应予以测量判别。
4、检测:–是靠视觉、触觉……进行评判的.。
–只有在有疑问的情况下,才使用检具,根据间隙标准的定义或有关基本标准的定义来核实或明确某些缺陷的扣分级别:·对间隙及高低不平的检查使用塞尺·对冲压件上的坑包、麻点的检查要使用面积规·对表面检查使用尺子5.缺陷分类–外观类:裂纹,缩颈坑包,起皱麻点变形锈蚀材料缺陷起皱,波纹,棱线毛刺拉毛,划伤圆角叠料压痕其它冲压件判定标准6、尺寸要求:冲压件按其功能分为三类,A类是外表面件,其要求最高,其次是B类,主要是结构件。
最后是C类,例如支架之类。
冲压件放于合格的检具上,特殊要求的尺寸和公差按产品图纸要求,其它按照“冲压件的未注允许公差表”执行。
补充:冲压件的未注允许公差表一般位置精度:(A类件:±0.5,B类件:±1.0,C类件:±1.5)一般孔:中心位置精度: ±0.5直径轮廓:(塞规测量)+0.5, -0.0;(最大值/最小值之间的差值,游标卡尺测量)0.15孔距(孔与孔):±0.5工具孔:直径: +0.2, -0.0 基准到基准: ±0.2阶梯(搭接):深度(高度差): +0.3, -0.0 位置精度:±1.0配合面精度:(B类面:±0.7,C类面:±1.0)翻边宽度: +1.0, -0.5一般曲率半径: ±0.5角度: ±2 度安装孔:直径轮廓(塞规测量):±0.5 孔距(孔与孔,塑料件装配用):±0.5孔距(孔与孔,金属件装配用):±0.3一致性同一批中的五个样品的所有的检点的六个标准值不得超过1.0 毫米。
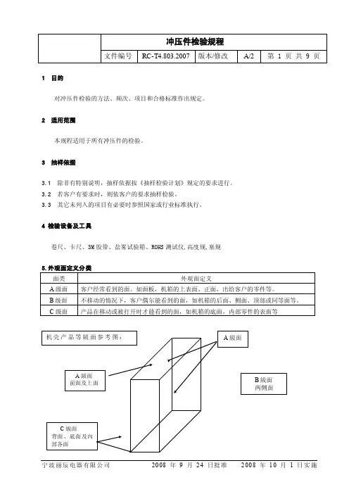
1 目的对冲压件检验的方法、频次、项目和合格标准作出规定。
2 适用范围本规程适用于所有冲压件的检验。
3 抽样依据3.1 除非有特别说明,抽样依据按《抽样检验计划》规定的要求进行。
3.2 若客户有要求时,则依客户的要求抽样检验。
3.3 其它未列入的项目有必要时参照国家或行业标准执行。
4 检验设备及工具卷尺、卡尺、3M胶带、盐雾试验箱、ROHS测试仪,高度规,塞规6 检验条件6.1所有检验均应在正常照明光源为40W荧光灯(相当于80-120LUX光照),裸眼或矫正视力在1.0以上,并模拟最终使用条件下进行。
检测过程中不使用放大镜,所检验表面和人眼取正常观察角度±45º角内,距离300mm。
A级面在检测时应转动,以获得最大反光效果。
B级面和C级面在检测期间不必转动。
6.2 A级面停留15秒,B级面停留10秒,C级面停留5秒。
6.3抽验水准(AQL):7 检查项目外观检查、结构尺寸检查、材质检查、特定试验(包括盐雾试验、附着力试验等)、包装检查。
8 判定条件8.1所有的机构、功能要求以图面为准,关于机构尺寸公差如图面未直接于尺寸后标注其公差,则本公司孔的尺寸公差以±0.10m m管制,其他尺寸以±0.20m m进行管制,除非客戶有更为严格或特別要求。
QE人員可视需要在SIP制定時缩小其公差,以利于生产管制,如丽辰公司供货商的产品有因SI P缩小公差管制的问题被判拒收,且可证实是丽辰公司事前未有通知厂商時,当批可以尽量吸收的原则协调处理,但供货商必须于下批改善。
8.2产品因为工艺的特性或设计结构的影响,而存在固有外观缺失(如冲压模具痕;电镀白斑、水紋,这类缺失通常以样品为基准進行判定,但其限度样品的建立需充分遵照本准则之要求,当未有建立样品時也可根据本标准進行判定。
8.3本指导准則已有定义而SIP另有规定的则以SIP之规格为准;本准则如与客戶标准有冲突時,以客戶之标准为准。
冲压件检验标准冲压件作为机械制造中常见的一种零部件,其质量直接关系到整个产品的质量和性能。
因此,对冲压件的检验标准显得尤为重要。
本文将就冲压件的检验标准进行详细介绍,以期为相关行业提供参考和指导。
首先,冲压件的外观质量是其检验的首要内容。
外观质量包括表面光洁度、表面无损伤、表面涂装均匀等方面。
在检验过程中,应当采用肉眼检查和辅助工具检测相结合的方式,确保冲压件的外观符合相关标准要求。
其次,冲压件的尺寸精度也是需要重点检验的内容之一。
尺寸精度直接关系到冲压件在装配和使用过程中的匹配性和稳定性。
因此,在检验过程中,应当采用精密的测量工具,如千分尺、游标卡尺等,对冲压件的尺寸进行准确测量,并与设计图纸进行对比,确保尺寸精度符合要求。
另外,冲压件的材料和硬度也是需要重点检验的内容之一。
材料的选择和硬度的控制直接关系到冲压件的强度和耐久性。
在检验过程中,应当采用金相显微镜、硬度计等设备,对冲压件的材料和硬度进行检测,确保其符合相关标准要求。
此外,冲压件的装配性能和使用性能也是需要进行检验的内容之一。
装配性能包括冲压件与其他零部件的配合情况,使用性能包括冲压件在使用过程中的稳定性和可靠性。
在检验过程中,应当模拟实际使用环境,对冲压件的装配性能和使用性能进行测试,确保其符合相关标准要求。
总之,冲压件的检验标准涉及多个方面,包括外观质量、尺寸精度、材料硬度、装配性能和使用性能等。
只有严格按照相关标准进行检验,才能保证冲压件的质量和性能符合要求,从而保障整个产品的质量和可靠性。
希望本文的介绍能够为相关行业提供帮助,促进冲压件质量的提升和行业的发展。
冲压件外观质量检验标准
一、外观缺陷的名称及定义
1.开裂:冲压过程中局部产生超出材料强度极限的拉力,产生的裂纹。
2.缩颈(局部变薄):在冲压过程中零件局部发生显著收缩的现象。
3.凹、凸缺陷:在冲压过程中由于异物残留导致零件表面凹、凸起的缺陷。
4.变形:由于原材料表面不平或冲压时受力不均导致零件表面凹陷或鼓起。
5.毛刺:零部件在冲压完成后边沿或孔残留的金属屑。
6.飞边:零件冲压后产生的毛边。
7.起皱:零件表面呈凹凸不平的皱折。
8.麻点:金属表面形成凹坑或不平的粗糙面。
9.压痕:冲压时压入其他异物,呈规则或不规则凹凸形缺陷。
10.划伤:零件表面呈直而细、深浅不一的沟槽。
11.缺料:由于料不足或其他原因导致零件缺少一部分。
12.条纹:手摸有触感,呈平直或波浪状线条。
13.桔皮:在加工过程中由于晶粒粗大或平整轧制不足产生的表面现象。
二、外观质量级别
A类:整车上顾客方便观察到、影响整车外观明显的、首要关注的产品。
B类:整车上顾客不易看到的、装饰性要求不高的、次要关注的产品。
三、外观质量检验要求。
常州太平电器有限公司检验规范版本号:B/0 冷冲成形件通用检验规范编制: 陈立辉审核:会签:标准化:批准:文件编号:GZ006-2011 密级:内部公开代替: GZ006-2009 编制日期: 2011-2-22文件名称:冷冲成形件通用检验规范常州太平电器有限公司检验规范密 级:内部公开 . 文件编号:GZ006-2011 版 本: B/0页 码:共15页 第1页太平机密,未经许可不得扩散1 范围本规范适用于公司所有冷冲压成型零件的检验验收。
本规范规定了冷冲压零件的通用验收要求和方法。
2 引用标准GB/T1804-2000 一般公差未注公差的线性和角度尺寸的公差 GB/T13916-2002 冲压件形状和位置未注公差 GB2828.1-2003 逐批检查计数抽样程序和抽样表JB/T6753.2-1993 电工设备的设备构件公差、金属剪切件的一般公差 JB/T6753.3-1993 电工设备的设备构件公差、金属冲压件的一般公差 GZ018.1 进货物资验收规范Q/TPD.G04.113 不符合、不合格品控制程序 3 术语 3.1 毛刺由于冷切削设备加工固有特性所致的零件切削平面与相邻平(曲)面的交棱边形成的金属翻边现象。
3.1.1 设备加工毛刺设备加工特性所致的加工毛刺。
3.1.2 零件毛刺经过设备加工后,再经去毛刺加工后残余的毛刺。
3.2 包容技术上所指的包容是指零件设计所给定的孔、槽、缺口、内角等形状。
3.3 被包容技术上所指的被包容是指零件设计所给定的轴、凸肩、筋、外角等形状。
4 检验规定与要求4.1 材料的验收本公司所采购的材料与供方提供的零件成品、半成品,其材料检验均按GZ018.1执行。
4.2 零件加工验收4.2.1 图样设计技术要求明确的尺寸、形状、位置以及加工粗糙度均按图样设计要求检验验收。
4.2.2 对于图样设计未注明要求的检验验收按4.3条相关要求进行检验验收。
4.3 图样未注明技术要求的加工零件检验验收规定 4.3.1 线性尺寸,按GB/T1804-2000中表1的m 级检验验收。
冷冲压件检验技术规范(讨论稿)1.目的为了规范、统一冲压件检验依据,根据本公司产品的特点,特制定该规范。
本规范作为设计工艺检查部门日常工作的依据,如生产出的零件超出本标准的规定,而对汽车的装配、使用无影响者,可以允许不判废但需要做仲裁检验时,仍应符合本规范规定。
2.范围适用于模具厂制造的模具生产出的全部冲压件。
3.引用标准GB/T15055-94《冲压件未注尺寸的极限偏差》GB/T1804-92一般公差、线性尺寸的未注公差4.具体内容4.1 平冲压件未注公差尺寸的极限偏差4.1.1 平冲压件长度L,直径D、d未注公差尺寸的极限偏差按表1规定。
注:上表中如果是孔类其公差取正值;如果是轴类则取负值;若是非孔轴类则取正负值,此时其偏差数值取表中值之半。
4.1.2 未注公差成形尺寸的极限偏差4.1.2.1 弯曲长度尺寸及拉延深度未注公差尺寸的极限偏差按表2规定。
4.1.2.2 加强筋、加强窝高度h未注公差尺寸的极限偏差按表3规定。
4. 2 未注公差圆角半径极限偏差4.2.1 冲裁圆弧半径R的极限偏差按表4规定。
4.2.2 两冲裁面构成的内部和外部尖角如图样上未注明要求时,按小于或等于料厚t取值。
4.2.3 未注公差成形圆角半径的极限偏差按表5规定4.3未注公差的极限偏差4.3.1 冲裁角度未注明公差尺寸的极限偏差按表6规定。
4.3.2 弯曲角度未注明公差尺寸的极限偏差按表7规定4.4 成形拉延件允许有局部材料变薄或增厚,变薄后的最小厚度为:t min=25%tt min—材料的的最小厚度,mmt —材料的公称厚度,mm4.5 冲压件的孔心距、孔边距及孔组距未注公差尺寸的极限偏差。
4.5.1 带料、扁条料等材料冲孔对边缘距离未注公差尺寸的极限偏差按表8规定。
4.5.2 孔距公差及组孔间距未注公差尺寸的极限偏差按表9规定。
4.5.3 受翘曲影响的孔距未注公差尺寸的极限偏差按表10规定。
注:①对不同直径孔的孔距极限偏差,D按直径的算术平均值确定。
广东顺德惠美庄电器实业有限公司金属冷冲压件技术标准附件版本:A/02014-01-05发布2014-01-06实施金属冷冲压件技术条件1范围本标准规定了榨油机用金属冷冲压件的技术要求、试验方法、检验规则、标志、包装、运输和贮存等。
本标准适用于榨油机用金属冷冲压件(以下简称冲压件)。
2规范性引用文件下列文件中的条款通过本标准的引用而成为本标准的条款。
凡是注日期的引用文件,其随后所有的修改单(不包括勘误的内容)或修订版均不适用于本标准,然而,鼓励根据本标准达成协议的各方研究是否可使用这些文件的最新版本。
凡是不注日期的引用文件,其最新版本适用于本标准。
GB/T1839-2003钢铁产品镀锌层质量试验方法GB/T1839 钢产品镀锌层质量试验方法GB/T2518 连续热镀锌薄钢板和钢带GB/T10125 人造气氛腐蚀试验、盐雾试验GB/T11253 碳素结构钢和低合金结构钢冷轧薄钢板及钢带GB/T13914 冲压件尺寸公差GB/T 13915 冲压件角度公差GB/T 13916 冲压件形状和位置未注公差JB4378.1 金属冷冲压件结构要素JB4378.2 金属冷冲压件通用技术条件HMZDQ/WI-01 抽样方案3技术要求与试验方法3.1一般要求3.1.1冲压件应符合本标准的要求,并按照规定程序批准的图样及技术文件制造。
3.1.2冲压件的材料应符合图纸要求,若选用热镀锌钢板,应符合GB/T2518规定。
若选用冷轧钢板,应符合GB/T11253规定;所有钢材必须符合各钢厂与美的采购中心签定的技术协议。
要求符合RoHS指令的冲压件,所有材料成份必须符合相关文件要求。
3.1.3非喷涂冲压件必须使用钝化板。
3.2外观要求3.2.1表面质量冲压件表面应洁净,无油污、明显灰尘、黑斑、锈蚀、发白、脱锌现象及明显机械划伤痕和严重拉伤痕,翻边孔无开裂。
3.2.2接地标志有接地标志的零件,接地标志应圆整,清晰可见,无明显歪斜。
1. 目的明确钣金冲压生产过程产品检验、测量方法及判定标准,为产品检验提供依据2. 范围本标准适用于公司所有钣金冲压半成品及成品3. 引用文件本规范在应用下列文件时,凡是注明日期的引用文件,仅注明日期的版本适用于本文件,凡是未注明日期的引用文件,仅最新版适用于本文件3.1GB/T 1804 一般未注公差的线性和角度尺寸公差3.2GB/T 13916-2013 冲压件形状和位置未注公差3.3GB/T GB/T 15055-2007 冲压件未注公差尺寸极限偏差4. 检验条件4.1视力要求:裸视或矫正视力1.0以上4.2照明要求:在自然光或60W-100W的日光灯照明条件下检验,距离约50-60cm4.3对于需要主观判断的缺陷,允许用不超过4X的显微镜,超过4X的显微镜可用来辅助分析,但不能用来接收或拒收零件5. 缺陷分类5.1严重缺陷:可能造成产品性能故障及安全隐患的缺陷5.2重要缺陷:可能导致产品的可用性降低的不符合项5.3轻微缺陷:不影响产品正常使用,产品外观、包装及运输防护等其它轻微不符合项6. 检验方法6.1检具测量用钢板尺、卷尺、塞尺、卡尺、高度尺,靠模、功能规、检验工装及测量平台等测量工具,结合工艺图纸对产品的尺寸、位置、形状等部位进行测量6.2目视检验目视检验产品外观无生锈、凹坑、划痕、裂纹、缺料、多料、毛刺等不符合产品质量要求缺陷7. 检验标准7.1尺寸检验判定标准7.1.1产品检验按照图纸公差要求接受检验翻孔不均匀高度尺寸不符合图纸要求7.2外观检验判定标准坑包容易产生应力集中、喷涂后影响产品外观生产运输过程中产生挤压、磕碰、刮擦后留下的痕迹钣金件在折弯成型过程中产生的折痕,折皱现象编制:审核:批准:日期:日期:日期:。
冷冲压件检验技术规范(讨论稿)
1.目的
为了规范、统一冲压件检验依据,根据本公司产品的特点,特制定该规范。
本规范作为设计工艺检查部门日常工作的依据,如生产出的零件超出本标准的规定,而对汽车的装配、使用无影响者,可以允许不判废但需要做仲裁检验时,仍应符合本规范规定。
2.范围
适用于模具厂制造的模具生产出的全部冲压件。
3.引用标准
GB/T15055-94《冲压件未注尺寸的极限偏差》
GB/T1804-92一般公差、线性尺寸的未注公差
4.具体内容
4.1 平冲压件未注公差尺寸的极限偏差
4.1.1 平冲压件长度L,直径D、d未注公差尺寸的极限偏差按表1规定。
注:上表中如果是孔类其公差取正值;如果是轴类则取负值;若是非孔轴类则取正负值,此时其偏差数值取表中值之半。
4.1.2 未注公差成形尺寸的极限偏差
4.1.2.1 弯曲长度尺寸及拉延深度未注公差尺寸的极限偏差按表2规定。
4.1.2.2 加强筋、加强窝高度h未注公差尺寸的极限偏差按表3规定。
4. 2 未注公差圆角半径极限偏差
4.2.1 冲裁圆弧半径R的极限偏差按表4规定。
4.2.2 两冲裁面构成的内部和外部尖角如图样上未注明要求时,按小于或等于料厚t取值。
4.2.3 未注公差成形圆角半径的极限偏差按表5规定
4.3未注公差的极限偏差
4.3.1 冲裁角度未注明公差尺寸的极限偏差按表6规定。
4.3.2 弯曲角度未注明公差尺寸的极限偏差按表7规定
4.4 成形拉延件允许有局部材料变薄或增厚,变薄后的最小厚度为:t min=25%t
t min—材料的的最小厚度,mm
t —材料的公称厚度,mm
4.5 冲压件的孔心距、孔边距及孔组距未注公差尺寸的极限偏差。
4.5.1 带料、扁条料等材料冲孔对边缘距离未注公差尺寸的极限偏差按表8规定。
4.5.2 孔距公差及组孔间距未注公差尺寸的极限偏差按表9规定。
4.5.3 受翘曲影响的孔距未注公差尺寸的极限偏差按表10规定。
注:①对不同直径孔的孔距极限偏差,D按直径的算术平均值确定。
②零件按正常工艺加工,若由于弹性翘曲所引起的偏差超过表10的偏差值时,只要能保证装配,仍是允许的。
4.6 翘曲尺寸公差按表11规定
4.7 冷冲压件的毛刺高度。
4.7.1 冲压件的毛刺高度的极限值按表12规定。
另:有尺寸要求的,按图纸尺寸要求执行。
5.冷冲压件的形位公差
5.1冷冲压件的平面度公差等于有关表面最大轮廓尺寸的0.5%,但最大不得超过10mm。
5.2冷冲压件两件切面的平行度公差为其距离尺寸公差的30%。
5.3对穿孔的同轴度公差等于孔径d的公差值,检验时按相关公差测量。
5.4条料面冷弯型材的扭转。
用剪切的条料和用条料压弯成的型材或零件每1000mm长度其扭转不得大于0.5。
7.本规定只限于图纸上尺寸未做要求的尺寸,图纸上尺寸有明确要求的,仍需按图纸尺寸要求执行。