冲压件检验标准.doc
- 格式:doc
- 大小:73.02 KB
- 文档页数:5
(八)最新生效日期:2006。
09。
15第 1 页共2 页冲压制品检验规范检验项目检验要求判定标准检验判定Cr Maj Min OK起皱物件表面不能有明显的起皱现象①物件A级面,不能有起皱现象有起皱,但不明显,经后续加工可遮盖有起皱,但较明显,经后续加工不可遮盖②物件B、C级面,表面有起皱,但经后续加工可消除,可接受表面有起皱,但经后续加工可不消除破裂物件经冲压加工后,不能有破裂现象①物件表面及边沿在经冲压后不能有破裂②孔位边沿有破裂(除装饰孔以外的组装孔),组装后能遮盖组装后不能遮盖,但不影响产品结构和外观组装后不能遮盖,影响产品结构和外观③所有装饰孔不能有破裂现象披锋物件边沿、孔位,不能有锋利的尖角和披锋①物件断切面及边、孔,不能有明显披锋或组装后可遮盖②物件断切面披锋高≦0.1mm ,不伤手,不影响产品外观③物件断切面披锋高≦0.1mm ,且有尖角、伤手,不接受④断切面披锋高≦0.1mm ,不伤手,但影响产品外观⑤断切面披锋高≦0.1mm ,组装时影响产品装配,但可以组装不可以组装⑥物件冲孔位披锋,不影响产品装配及外观影响产品装配及外观⑦装饰孔或散热孔披锋(内部),如不影响装配及外观,披锋搞出0.15mm ,可接受如果影响产品组装(易伤手),则不接受缺料物件表面及边、角不能有任何缺料现象①物件表面及能触及的边角,不能有任何缺料现象②物件在加工过程中,如果有缺料,但经过后加工剪切后,可消除③物件内部缺料,不影响产品组装和外观可接受冲压痕物件表面及孔位边沿,不能有明显的冲压痕①物件表面不能有明显的冲压模痕及废料痕或模具拉痕②如果表面有冲压痕迹,在后续加工过程中可消除③物件表面冲压痕,在后续加工中不能消除拉痕物件表面不能有明显①物件表面不能有明显的拉伤、压伤痕(八)最新生效日期:2006。
09。
15第 2 页共2 页的拉、压痕②物件表面拉痕的长≦10mm ,宽≦0.1mm ,深≦0.05mm10mm<长≦20mm , 宽≦0.1mm , 深≦0.05mm10mm<长≦20mm , 宽>0.1mm , 深≦0.05mm10mm<长≦20mm , 宽>0.1mm ,0.05mm<深≦0.1mm③表面拉痕,在后续加工过程中可消除④表面拉痕,在后续加工过程中不能完全消除,或不可消除损伤物件表面及孔边不能有任何损伤①物件表面无任何损伤现象②物件表面损伤面积5mm²且较轻,可修复物件表面损伤面积5mm²且较重,不可修复物件表面损伤面积>5mm²,不可接受③孔位边沿损伤,在后续装配过程中可遮盖孔位边沿损伤,在后续装配过程中不可遮盖变形物件边口及表面、孔边不能有冲压变形现象①物件表面及边口变形明显,不能接受②物件表面及边口变形,在50cm 处观察不明显,可接受③孔位冲压变形,组装后可遮盖,不影响产品外观,可接受④孔位冲压变形,组装后不能遮盖,影响产品外观尺寸产品重要配合尺寸,满足设计要求①产品配合尺寸,符合设计要求②产品重要求尺寸,符合设计要求③产品配合尺寸,超过其最大公差值≦0.1mm,可接受产品配合尺寸,超过其最大公差值>0.1mm,,但不影响装配或后续作业产品配合尺寸,超过其最大公差值>0.1mm,,影响装配或后续作业④孔位尺寸,经实测值大于最大公差值,不影响产品外观、结构孔位尺寸,经实测值大于最大公差值,影响产品外观、结构⑤产品尺寸小于设计尺寸或孔位尺寸小于设计尺寸,影响产品组装或不能组装⑥孔位尺寸偏斜,组装后不影响整体外观和结构,可接受孔位尺寸偏斜,组装后影响整体外观和结构,不接受。
1 目的对冲压件检验的方法、频次、项目和合格标准作出规定。
2 适用范围本规程适用于所有冲压件的检验。
3 抽样依据3.1 除非有特别说明,抽样依据按《抽样检验计划》规定的要求进行。
3.2 若客户有要求时,则依客户的要求抽样检验。
3.3 其它未列入的项目有必要时参照国家或行业标准执行。
4 检验设备及工具,塞规卷尺、卡尺、3M胶带、盐雾试验箱、ROHS测试仪,高度规6 检验条件6.1所有检验均应在正常照明光源为40W荧光灯(相当于80-120LUX光照),裸眼或矫正视力在1.0以上,并模拟最终使用条件下进行。
检测过程中不使用放大镜,所检验表面和人眼取正常观察角度±45º角内,距离300mm。
A级面在检测时应转动,以获得最大反光效果。
B级面和C级面在检测期间不必转动。
6.2 A级面停留15秒,B级面停留10秒,C级面停留5秒。
6.3抽验水准(AQL):不合格(缺陷)类别严重主要一般缺陷类别代码 A B CAQL 0 1.5 2.57 检查项目外观检查、结构尺寸检查、材质检查、特定试验(包括盐雾试验、附着力试验等)、包装检查。
8 判定条件8.1所有的机构、功能要求以图面为准,关于机构尺寸公差如图面未直接于尺寸后标注其公差,则本公司孔的尺寸公差以±0.10mm管制,其他尺寸以±0.20mm进行管制,除非客戶有更为严格或特別要求。
QE人員可视需要在SIP制定時缩小其公差,以利于生产管制,如丽辰公司供货商的产品有因SIP缩小公差管制的问题被判拒收,且可证实是丽辰公司事前未有通知厂商時,当批可以尽量吸收的原则协调处理,但供货商必须于下批改善。
8.2产品因为工艺的特性或设计结构的影响,而存在固有外观缺失(如冲压模具痕;电镀白斑、水紋,这类缺失通常以样品为基准進行判定,但其限度样品的建立需充分遵照本准则之要求,当未有建立样品時也可根据本标准進行判定。
8.3本指导准則已有定义而SIP另有规定的则以SIP之规格为准;本准则如与客戶标准有冲突時,以客戶之标准为准。
1 目的对冲压件检验的方法、频次、项目和合格标准作出规定。
2 适用范围本规程适用于所有冲压件的检验。
3 抽样依据3.1 除非有特别说明,抽样依据按《抽样检验计划》规定的要求进行。
3.2 若客户有要求时,则依客户的要求抽样检验。
3.3 其它未列入的项目有必要时参照国家或行业标准执行。
4 检验设备及工具卷尺、卡尺、3M胶带、盐雾试验箱、R OHS测试仪,高度规,塞规6 检验条件6.1所有检验均应在正常照明光源为40W荧光灯(相当于80-120LUX光照),裸眼或矫正视力在1.0以上,并模拟最终使用条件下进行。
检测过程中不使用放大镜,所检验表面和人眼取正常观察角度±45º角内,距离300m m。
A级面在检测时应转动,以获得最大反光效果。
B级面和C级面在检测期间不必转动。
6.2 A级面停留15秒,B级面停留10秒,C级面停留5秒。
6.3抽验水准(AQL):7 检查项目外观检查、结构尺寸检查、材质检查、特定试验(包括盐雾试验、附着力试验等)、包装检查。
8 判定条件8.1所有的机构、功能要求以图面为准,关于机构尺寸公差如图面未直接于尺寸后标注其公差,则本公司孔的尺寸公差以±0.10mm管制,其他尺寸以±0.20mm进行管制,除非客戶有更为严格或特別要求。
QE人員可视需要在SIP制定時缩小其公差,以利于生产管制,如丽辰公司供货商的产品有因SIP缩小公差管制的问题被判拒收,且可证实是丽辰公司事前未有通知厂商時,当批可以尽量吸收的原则协调处理,但供货商必须于下批改善。
8.2产品因为工艺的特性或设计结构的影响,而存在固有外观缺失(如冲压模具痕;电镀白斑、水紋,这类缺失通常以样品为基准進行判定,但其限度样品的建立需充分遵照本准则之要求,当未有建立样品時也可根据本标准進行判定。
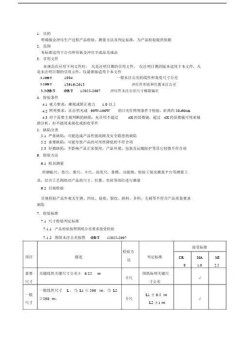
1. 目的明确钣金冲压生产过程产品检验、测量方法及判定标准,为产品检验提供依据2. 范围本标准适用于公司所有钣金冲压半成品及成品 3. 引用文件本规范在应用下列文件时, 凡是注明日期的引用文件, 仅注明日期的版本适用于本文件,凡是未注明日期的引用文件,仅最新版适用于本文件1804一般未注公差的线性和角度尺寸公差13916-2013 冲压件形状和位置未注公差3.3GB/T GB/T15055-2007冲压件未注公差尺寸极限偏差4. 检验条件4.1 视力要求:裸视或矫正视力 1.0 以上4.2 照明要求:在自然光或 60W-100W的日光灯照明条件下检验,距离约50-60cm4.3 对于需要主观判断的缺陷,允许用不超过 4X 的显微镜,超过 4X 的显微镜可用来辅助分析,但不能用来接收或拒收零件 5. 缺陷分类5.1 严重缺陷:可能造成产品性能故障及安全隐患的缺陷 5.2 重要缺陷:可能导致产品的可用性降低的不符合项5.3 轻微缺陷:不影响产品正常使用,产品外观、包装及运输防护等其它轻微不符合项6. 检验方法6.1 检具测量用钢板尺、卷尺、塞尺、卡尺、高度尺,靠模、功能规、检验工装及测量平台等测量工具,结合工艺图纸对产品的尺寸、位置、形状等部位进行测量6.2 目视检验目视检验产品外观无生锈、凹坑、划痕、裂纹、缺料、多料、毛刺等不符合产品质量要求缺陷7. 检验标准7.1 尺寸检验判定标准7.1.1 产品检验按照图纸公差要求接受检验7.1.2 图纸未注公差按照GB/T 15055-2007检验方接受标准项目描述判定标准法CRMA MI0 1.02.5重要关键线性关键尺寸公差± 0.25㎜图纸标明关键尺尺寸卡尺寸公差√一般 一般线性尺寸L ,当 L1 ≤ 500 ㎜,当 L2L1 ± 0.5 ㎜≥500 ㎜, 卡尺√尺寸L2 ±1 ㎜3.2GB/T3.1GB/T装配孔一般过孔形状位置方料长宽尺寸轮廓扭曲变形孔径尺寸 D1 ≤ 30㎜D1 ﹢ 0.3㎜孔径尺寸 D2 ≥ 30㎜卡尺位置度D2 ﹢ 0.5㎜√功能规± 0.25 ㎜孔径尺寸 D1 ≤ 30㎜D1 ﹢ 0.5㎜孔径尺寸 D2 ≥ 30㎜卡尺位置度D2 ﹢ 1 ㎜√功能规±0.5㎜冲压件形状位置未注公差参考 GB/T满足装配检具适13916-2013检具√用性1 :切板方料长度尺寸 L ± 0.5卡尺㎜√卷尺2: 开料对角线尺寸偏差≤ 0.5 ㎜1 :前壳成型后扭曲变形量≤ 2卡尺㎜√塞尺 2 :后壳成型后扭曲变形量≤ 1㎜1: 厚度 3.0 ㎜板料后壳打点高度后壳0.3-0.5 ㎜凸点卡尺√2 :厚度 4.0㎜高度板料后壳打点高度 1.3 ± 0.1㎜1 :焊缝目视检直缝验标准点打点深焊检度 0.3-0.5㎜验参卡尺√2 :计算方法,考点大点深度约等于深度1/2直径翻孔不均匀高度尺寸不符合图纸要求1 :翻孔净高度翻孔3+1 ㎜翻边卡尺√2 :端盖翻边高高度度 h ±0.5㎜7.2 外观检验判定标准检验方接受标准项目描述判定标准MA MI法CR01.02.5锈蚀是冲压件长期存放或者存放不当导致对产品功能、强度、耐疲劳度产生影响。
冲压件检验通用标准1.钢板厚度要求,根据图纸材料栏,允差不得超过0.1MM, 并逐步完善材料牌号2.喷塑件应注意初检颜色和光面或砂面程度,再检验喷塑质量,是否有堆塑,颗粒物,漏喷,过薄过厚现象;电镀件注意镀锌件的颜色是镀白还是镀彩,镀铬的光亮程度,以封样样品或色样作为标准。
缺陷判定应区别ABC面3. 检查沉孔个数和大小是否符合图纸,必要时用沉头螺钉比较是否符合装配要求4. 孔位检查: 用1:1图纸进行对比检查, 有技改的图纸注意检查是否技改到位,检查是否缺孔,多孔。
A3图幅的1:1图纸有失真,首次校对时应采用A4图纸,以后校对采用上次封样样品。
5. 孔径检查5.1对于生产量大的冲压件,应注意检查孔径大小,因为冲针可能磨损造成直径变小。
5.2对于轴承孔,应检验喷塑后尺寸是否符合图纸要求, 抽样用轴承座带轴承进行试套。
5.3对于螺丝孔,去除喷塑层后,M3的螺孔底孔,用2.5冲针可以轻松通过,用2.6冲孔较紧。
M4的螺孔底孔,用3.3冲针可以轻松通过,用3.4冲孔较紧。
螺纹底孔过紧造成攻丝困难,过松造成易滑丝!6.成形和冲压定位精度6.1接收板和灯架零件,要求对中性精度高,否则造成对管偏心,影响机器性能,两边对应尺寸相差不能超过0.1MM。
接收板小孔和长磁头大孔是两道冲出,应分别检验对中性6.2灯架是易变形零件,要求进出货放置整齐,避免变形,冲孔定位不得超出0.05MM,变形量不得超出0.2MM6.3 折弯直角度应不得超过3度。
6. 4以下是冲压件的工艺,质检人员应能判定哪道工艺出现问题左右板的工艺:落料—冲孔接收板的工艺:落料—冲小孔—成形—冲长磁头大孔灯架的工艺:落料—冲孔—成形后横档的工艺:落料—冲孔—成形手柄的工艺:落料—冲孔—去毛刺--成形备注:有些冲压件是落料和冲孔合为一道落料,以提高效率,降低成本7. 厂商标记:对于不同厂家生产的同一物料,一般有厂家区别记号,质检物料部门应能识别。
这类物料要求分开放置,左右板配套使用。
五金冲压件检验标准一、目的本标准规定了五金冲压件的检验项目、方法和要求,以确保产品质量符合规定要求。
二、检验项目及标准1. 尺寸检验(1)检查五金冲压件的尺寸是否符合设计图纸要求。
(2)使用卡尺、千分尺、塞尺等测量工具对五金冲压件的尺寸进行测量,并记录测量数据。
(3)检查五金冲压件的公差是否符合设计要求。
2. 外观检验(1)检查五金冲压件的表面是否有划痕、压印、变形等缺陷。
(2)观察五金冲压件的颜色、光泽是否符合设计要求。
(3)检查五金冲压件的边缘是否光滑、整齐,无毛刺、飞边等缺陷。
3. 材质检验(1)检查五金冲压件的材料是否符合设计要求。
(2)通过化验、光谱分析等方法对五金冲压件的材质进行检验,确保其符合产品质量标准。
4. 强度检验(1)测试五金冲压件的强度是否符合设计要求。
(2)通过拉伸试验、弯曲试验、冲击试验等方法对五金冲压件的强度进行检验,确保其能够承受预定的载荷和压力。
5. 功能性检验(1)检查五金冲压件的功能是否符合设计要求。
(2)对五金冲压件进行装配和调试,检查其是否能够正常工作。
6. 可靠性检验(1)测试五金冲压件的可靠性是否符合设计要求。
(2)通过在正常条件下进行长时间工作测试,观察五金冲压件是否存在失效或性能下降现象。
7. 安全性检验(1)检查五金冲压件是否存在安全隐患。
(2)通过模拟实际使用环境,对五金冲压件进行安全性能测试,如防爆、防腐蚀等测试。
8. 包装检验(1)检查五金冲压件的包装是否符合保护产品完整性及安全性的要求。
(2)观察包装材料、标识、防潮、防震等措施是否符合相关标准和客户要求。
冲压件表面检验标准1、)外板件外露型面:1.1表面光顺、平滑,流线无波纹,无硬点,无凹凸,无成形滑移线,无划伤。
1.2棱线清晰连续,圆角均匀。
1.3材料表面无锈蚀、麻点,成形变薄量不大于料厚的10%。
1.4切割边、孔边毛刺高度不大于料厚的20%2、)外板件被遮盖面:2.1表面无明显凸凹,允许有轻微碰伤和划伤。
2.2允许存在轻微的成形滑移线。
2.3切割边、孔边、翻边毛刺高度不大于料厚的30%,孔边不允许有较大变形。
2.4翻边、弯边允许存在料厚20%的变薄量。
3、)内板件外露型面(指未被内饰板遮盖并外露可视的型面)3.1表面光顺、平滑,无褶皱,无因异物所造成的凹凸,无严重划伤。
3.2棱线清晰连续,圆角均匀。
3.3材料表面无锈蚀、麻点。
3.4表面允许有轻微波纹,但不影响整车外观。
3.5毛刺高度不大于料厚的35%4、)内板件被遮盖面4.1型面光顺,棱线清晰,圆角均匀。
4.2非装配型面允许有不大于料厚10%的划伤,允许有轻微皱纹,但不允许有褶皱、死皱。
4.3切割边、孔边、翻边毛刺高度不大于料厚的35%,孔边不允许有较大变形。
4.4材料成型变薄量不大于料厚的15%。
5、)结构件(料厚在1.0mm以上内板件、加强件、加强梁等)装配面5.1型面平整,圆角清晰,局部允许有不影响焊接的轻微波纹。
5.2螺母孔周边不允许变形。
5.3切边、弯边、翻边、孔周边不允许有较大变形,毛刺高度不大于料厚的35%5.4材料成型变薄量不大于料厚的20%。
6、)结构件(料厚在1.0mm以上内板件、加强件、加强梁等)非装配型面6.1局部型面允许有不大于料厚20%的拉痕、拉伤等成型痕迹。
6.2局部型面允许有较轻波纹和皱纹,但不允许有褶皱、死皱6.3材料成型变薄量不大于料厚的20%6.4切边、弯边、翻边、孔周边毛刺高度不大于料厚的40%,孔边不允许有较大变形。
7、质量问题描述及处理方法:1、)毛刺(用角磨机打磨修边有毛刺处)2、)拉毛(用抛光机打磨拉毛处,如拉毛严重,可先用角磨机打磨)3、)高点(较高的高点线用锤击修整,再用专用工具刮平,最后用抛光机抛光;小高点用专用工具刮平,再用抛光机抛光。
冲压件表面检验标准1、)外板件外露型面: 1.1 表面光顺、平滑,流线无波纹,无硬点,无凹凸,无成形滑移线,无划伤。
1.2 棱线清晰连续,圆角均匀。
1.3 材料表面无锈蚀、麻点,成形变薄量不大于料厚的10%。
1.4 切割边、孔边毛刺高度不大于料厚的20%2、)外板件被遮盖面: 2.1 表面无明显凸凹,允许有轻微碰伤和划伤。
2.2 允许存在轻微的成形滑移线。
2.3 切割边、孔边、翻边毛刺高度不大于料厚的30%,孔边不允许有较大变形。
2.4 翻边、弯边允许存在料厚20%的变薄量。
3、)内板件外露型面(指未被内饰板遮盖并外露可视的型面) 3.1 表面光顺、平滑,无褶皱,无因异物所造成的凹凸,无严重划伤。
3.2 棱线清晰连续,圆角均匀。
3.3 材料表面无锈蚀、麻点。
3.4 表面允许有轻微波纹,但不影响整车外观。
3.5 毛刺高度不大于料厚的35%4、)内板件被遮盖面4.1 型面光顺,棱线清晰,圆角均匀。
4.2 非装配型面允许有不大于料厚10%的划伤,允许有轻微皱纹,但不允许有褶皱、死皱。
4.3 切割边、孔边、翻边毛刺高度不大于料厚的35%,孔边不允许有较大变形。
4.4 材料成型变薄量不大于料厚的15%。
5、)结构件(料厚在 1.0mm 以上内板件、加强件、加强梁等)装配面5.1 型面平整,圆角清晰,局部允许有不影响焊接的轻微波纹。
5.2 螺母孔周边不允许变形。
5.3 切边、弯边、翻边、孔周边不允许有较大变形,毛刺高度不大于料厚的35%5.4 材料成型变薄量不大于料厚的20%。
6、)结构件(料厚在 1.0mm 以上内板件、加强件、加强梁等)非装配型面6.1 局部型面允许有不大于料厚20%的拉痕、拉伤等成型痕迹。
6.2 局部型面允许有较轻波纹和皱纹,但不允许有褶皱、死皱6.3 材料成型变薄量不大于料厚的20%6.4 切边、弯边、翻边、孔周边毛刺高度不大于料厚的40%,孔边不允许有较大变形。
7、质量问题描述及处理方法:1、)毛刺(用角磨机打磨修边有毛刺处)2、)拉毛(用抛光机打磨拉毛处,如拉毛严重,可先用角磨机打磨)3、)高点(较高的高点线用锤击修整,再用专用工具刮平,最后用抛光机抛光;小高点用专用工具刮平,再用抛光机抛光。
宁波XX电器公司冲压件检验规程文件编号RC-T4.803.2007版本/修改A/2第1页共9页1目的对冲压件检验的方法、频次、项目和合格标准作出规定。
2适用范围本规程适用于所有冲压件的检验。
3抽样依据3.1 除非有特别说明,抽样依据按《抽样检验计划》规定的要求进行。
3.2 若客户有要求时,则依客户的要求抽样检验。
3.3 其它未列入的项目有必要时参照国家或行业标准执行。
4检验设备及工具卷尺、卡尺、3M胶带、盐雾试验箱、ROHS®试仪,高度规,塞规5.面类外观面定义A级面客户经常看到的面。
如面板,机箱的上表面、正面,出给客户的零件等。
机壳产品等級面参考图:6检验条件6.1所有检验均应在正常照明光源为40W荧光灯(相当于80-120LUX光照),裸眼或矫正视力在1.0以上, 并模拟最终使用条件下进行。
检测过程中不使用放大镜,所检验表面和人眼取正常观察角度土450角内, 距离300mm A 级面在检测时应转动,以获得最大反光效果。
B级面和C级面在检测期间不必转动。
(示意图)6.2 A级面停留15秒,B级面停留10秒,C级面停留5秒。
6.3抽验水准(AQL):不合格(缺陷)类别严重主要一般缺陷类别代码A B CAQL0 1.5 2.57 检查项目外观检查、结构尺寸检查、材质检查、特定试验(包括盐雾试验、附着力试验等)、包装检查。
8判定条件8.1 所有的机构、功能要求以图面为准,关于机构尺寸公差如图面未直接于尺寸后标注其公差,则本公司孔的尺寸公差以土0.10mm管制,其他尺寸以土0.20mm进行管制,除非客戶有更为严格或特別要求。
QE人員可视需要在SIP制定時缩小其公差,以利于生产管制,如丽辰公司供货商的产品有因SIP缩小公差管制的问题被判拒收,且可证实是丽辰公司事前未有通知厂商時,当批可以尽量吸收的原则协调处理,但供货商必须于下批改善。
8.2产品因为工艺的特性或设计结构的影响,而存在固有外观缺失(如冲压模具痕;电镀白斑、水紋,这类缺失通常以样品为基准進行判定,但其限度样品的建立需充分遵照本准则之要求,当未有建立样品時也可根据本标准進行判定。
质量作业文件编号:BAICYX/QW028版次:A冲压件检验标准编制审核批准2013年月日发布2113年月日生效北汽银翔汽车公司发布1 目的本标准旨在明确在整车开发和后期制造过程中对各种冲压件质量的描述、检验方法、判定标准以及对冲压件固有缺陷的记录和使用标准,为制造过程和入库质量检验提供依据。
2 适用范围本标准适用于北汽银翔汽车有限公司开发的所有冲压件的检验。
3 术语和定义3.1 关键冲压件对整车的结构、装配、生产工艺、使用性能、安全等方面有重要影响的冲压件,将这一类冲压件作为过程质量的关键环节加以控制,列为关键冲压件。
3.2 固有缺陷针对前期产品开发过程中,因技术、工装及设计等原因导致的冲压件存在的一些工艺上无法彻底整改的缺陷,制造过程中需对这些缺陷进行固化和稳定。
3.3 冲压件分类3.3.1 根据冲压件在车身上功能尺寸等作用分为:关键件和非关键件。
3.3.2 根据冲压件在车身上的位置不同及客户的可视程度分为:A 、B 、C、D 四个区域。
3.3.3 根据冲压件上孔在车身上的装配及工艺要求分为:一般孔、定位孔、装配孔。
3.3.4 根据冲压件上料边在车身焊接、扣合等的工艺要求分为:一般料边、焊接料边、扣合料边。
3.4 冲压件在整车上的分区定义3.4.1 A 区车身腰线装饰条或防擦条的上边线、前翼/后翼轮罩边线等以上部位,但不包含车身前后挡风玻璃上边缘的顶盖和天窗区域。
3.4.2 B 区车身腰线装饰条或防擦条的下边线、前翼/后翼轮罩边线等以下部位,车身前后挡风玻璃上边缘的顶盖和天窗区域。
3.4.3 C 区打开车门上车时能看到的部位;坐在司机或乘客座位上,关上车门后能看得见的部位;车身发动机盖、行李盖打开后看得见区域;天窗窗框,油箱加注孔入口等区域。
3.4.4 D 区除A 、B 、C 三个可视区域,车身上被内饰件等覆盖的、客户一般所不能察觉和发现的部位。
3.5 冲压件质量缺陷类型3.5.1 外观缺陷包括:裂纹、缩颈、坑包、变形、麻点、氧化、锈蚀、材料缺陷、起皱、毛刺、拉伤、压痕、划伤、圆角不顺、叠料及其他。
硬物摩擦造成的划痕或有深度的划痕不允许没有深度的划痕一个产品允许1个轻划痕 缺少的面积印刷文字断线标准断线 宽度c c ≤0.1mm 45cm 目视距离不可分辨18印刷重影 二次印刷的整体错位不接受严重缺陷。
目测 30cm 目视距离不可分辨表面异物目测14油渍在产品表面上残留的油污不允许9单重不达标单重不在范围內不允许重缺陷電子秤13缺损物料缺掉不允许重缺陷目測重缺陷目测重缺陷目测重缺陷目测7少數少于标准数量不允许物料破裂不允许8破裂规格不符5与标准不符不允许6生锈产品表面生成黄黑色异物不允许 1.脱落为严重不良.2.与样品相差为轻缺陷.目测重缺陷 游标卡尺/针规重缺陷目测帖紙粘性与实物粘贴实验以测试结果已定4混料混有不同规格的物料不允许目测11划伤目測不允许重缺陷目測重缺陷轻缺陷2 2.影响功能或装配为重缺陷.12堵孔1批鋒超过标准为得不良.五金件手印以反光面检查为条件不允許3N=数量,L=长度,W=宽度,D=直径,A=区域,J=距离,H=深度,S=面积,10翘曲五金件因内/外力而造成的整体的变形在五金件周围多出的五金料废边 1.影响外观为轻缺陷.目测L 为長 H 為寬L ≤0.1mm.H ≤0.1mm 印刷文字针孔不良1. 在标准以内接收目测S ≤在该笔画长或宽的1/2为OK.2.超过标准的判为轻缺陷.堵住应有的孔位不允许重缺陷目測重缺陷161. 在标准以内接收目测2.超过标准的判为轻缺陷.152.超过标准的判为重缺陷.17印刷色差 1. 在标准以内接收目测2.超过标准的判为轻缺陷.与样品色彩差异20线屑状异物、印迹等油污(可擦除)异物.印跡在30cm 目视距离不可辨.油污数量 N>2,擦拭后不会扩散.1.在标准以内接收目测2.超过标准的判为重缺陷.□第一阶文件 □第二阶文件 ▓第三阶文件文件编号:标题:产品外观检验标准版本: A 页次: 3 of 3目测19印刷指纹印刷文字留有指纹1. 在标准以内接收披鋒LH印字上出現缺少油墨文字断缺。
(八)最新生效日期:2006。
09。
15第 1 页共2 页冲压制品检验规范检验项目检验要求判定标准检验判定Cr Maj Min OK起皱物件表面不能有明显的起皱现象①物件A级面,不能有起皱现象有起皱,但不明显,经后续加工可遮盖有起皱,但较明显,经后续加工不可遮盖②物件B、C级面,表面有起皱,但经后续加工可消除,可接受表面有起皱,但经后续加工可不消除破裂物件经冲压加工后,不能有破裂现象①物件表面及边沿在经冲压后不能有破裂②孔位边沿有破裂(除装饰孔以外的组装孔),组装后能遮盖组装后不能遮盖,但不影响产品结构和外观组装后不能遮盖,影响产品结构和外观③所有装饰孔不能有破裂现象披锋物件边沿、孔位,不能有锋利的尖角和披锋①物件断切面及边、孔,不能有明显披锋或组装后可遮盖②物件断切面披锋高≦0.1mm ,不伤手,不影响产品外观③物件断切面披锋高≦0.1mm ,且有尖角、伤手,不接受④断切面披锋高≦0.1mm ,不伤手,但影响产品外观⑤断切面披锋高≦0.1mm ,组装时影响产品装配,但可以组装不可以组装⑥物件冲孔位披锋,不影响产品装配及外观影响产品装配及外观⑦装饰孔或散热孔披锋(内部),如不影响装配及外观,披锋搞出0.15mm ,可接受如果影响产品组装(易伤手),则不接受缺料物件表面及边、角不能有任何缺料现象①物件表面及能触及的边角,不能有任何缺料现象②物件在加工过程中,如果有缺料,但经过后加工剪切后,可消除③物件内部缺料,不影响产品组装和外观可接受冲压痕物件表面及孔位边沿,不能有明显的冲压痕①物件表面不能有明显的冲压模痕及废料痕或模具拉痕②如果表面有冲压痕迹,在后续加工过程中可消除③物件表面冲压痕,在后续加工中不能消除拉痕物件表面不能有明显①物件表面不能有明显的拉伤、压伤痕(八)最新生效日期:2006。
09。
15第 2 页共2 页的拉、压痕②物件表面拉痕的长≦10mm ,宽≦0.1mm ,深≦0.05mm10mm<长≦20mm , 宽≦0.1mm , 深≦0.05mm10mm<长≦20mm , 宽>0.1mm , 深≦0.05mm10mm<长≦20mm , 宽>0.1mm ,0.05mm<深≦0.1mm③表面拉痕,在后续加工过程中可消除④表面拉痕,在后续加工过程中不能完全消除,或不可消除损伤物件表面及孔边不能有任何损伤①物件表面无任何损伤现象②物件表面损伤面积5mm²且较轻,可修复物件表面损伤面积5mm²且较重,不可修复物件表面损伤面积>5mm²,不可接受③孔位边沿损伤,在后续装配过程中可遮盖孔位边沿损伤,在后续装配过程中不可遮盖变形物件边口及表面、孔边不能有冲压变形现象①物件表面及边口变形明显,不能接受②物件表面及边口变形,在50cm 处观察不明显,可接受③孔位冲压变形,组装后可遮盖,不影响产品外观,可接受④孔位冲压变形,组装后不能遮盖,影响产品外观尺寸产品重要配合尺寸,满足设计要求①产品配合尺寸,符合设计要求②产品重要求尺寸,符合设计要求③产品配合尺寸,超过其最大公差值≦0.1mm,可接受产品配合尺寸,超过其最大公差值>0.1mm,,但不影响装配或后续作业产品配合尺寸,超过其最大公差值>0.1mm,,影响装配或后续作业④孔位尺寸,经实测值大于最大公差值,不影响产品外观、结构孔位尺寸,经实测值大于最大公差值,影响产品外观、结构⑤产品尺寸小于设计尺寸或孔位尺寸小于设计尺寸,影响产品组装或不能组装⑥孔位尺寸偏斜,组装后不影响整体外观和结构,可接受孔位尺寸偏斜,组装后影响整体外观和结构,不接受。
※※目錄※※1.目制定冲压生产线普通检查准则,在规格,客户之外观规范及产品范畴等没有明确规定期,以此作为检查检查过运作之根据。
2.范畴合用于PCE,ECG所有冲制作3.参照文献3.1ES04-021Compaq铁壳外观规范3.2记录保存依QS-164.特殊规定4.1本文献若与蓝图及IS,SIP,SOP,PMP客户检查规范发生冲突,以上述规格和蓝图为准。
4.2例外规定放入个别检查规格内。
4.3若个别规格规定超过(低于或松于)此文献,以个别规格为准。
5.检查规定5.1毛刺规定:5.1.1所有冲制件毛刺高度不得超过板厚5%,不容许有毛刺方,必要有压毛边工序,压完毛边后,不得有刮手感觉。
5.1.2对于0.15~0.4MM不锈钢,马口铁及铜弹片,毛刺高度应控制在0.04MM如下。
5.1.3毛刺(如图1)5.1.4在制程中,度不不大于4%时,就要做好检查记录并规定修模,但已冲零件放行。
5.2平面度规定:5.2.1冲件平面不容许有与蓝图不符之最严重翘曲。
5.2.2平面度不得不不大于零件最大外轮廓尺寸0.4%,用卡尺,刀口尺及塞尺对其进行测量。
5.2.3有特殊装配功能面,其平面度要相应加严控制,并放入检查规格中,以规格规定这准。
5.2.4有特殊装配功能尺寸要有平行度或对称度规定,并放入检查规格中,以规格规定为准,例如磁架长对称槽装FDD,HDD,CD-ROM。
5.6冲制件折弯角度必要控制±1°范畴,以防止因装配、铆接、拉铆、打螺钉后产生变形。
有特殊装配边要加严管制,并放入个别规格内列管。
5.7聚固件5.7.1紧固件须与基材紧密相连,符合安装程序及制程中尺寸。
5.7.2紧固件在安装中不能变形或挤压变形。
5.7.3基材安装中不能变形或凸出。
5.7.4长压件如螺柱STANDOFF,ETC须垂直度<1.5°5.8螺柱(STANDOFF),螺母(NUT)螺钉(SCREW)压合规定:5.8.1所有螺柱,螺母,螺钉与冲压件母面压合时,必要压牢,不得压偏,螺母(NUT)压合后不得与母面有间隙存在,螺柱(STANDOFF),螺钉(SCREW)不容许高出母面。
冲压件检验判定标准
一、质量判定基本定义
1、某些描述中使用的一些主观评价词汇的定义:
轻微的:指容易接受的,感觉不太明显、不太大、力量很小、不太持久的。
明显的:指较突出的、较清晰的、不用置疑的。
显著的:指非常突出的、一定觉察得到的、鲜明突出的、完全清晰可见的。
2、冲压件在整车上分区定义
汽车分三个区域:两个外区和一个内区。
A区:
汽车的上部至车身腰线,分界线为:
车身腰线装饰条或保护条的下边线
车身腰线装饰槽下边线
车身上开合件边框的有关部位:
汽车内2区的某些部位,从外面完全看的见,可根据具体情况视做1区处理
B区:
坐在司机或乘客座位上,关上车门后能看得见的部位,位于:车身腰线以上
所有上车时能看见的部位,车身周边,车身边框
以及:后侧窗,后行李箱隔板,尾门内板,车身尾门框,行李箱,发动机舱,发动机罩内表面,天窗窗框,油箱加注孔入口
所有坐在司机或乘客座位上,关上车门能看的见的,位于车身腰线以下的部位。
C区:
位于车身装饰条或保护条以下的部分、不影响客户直观视觉效果的部位。
3、检验基本条件定义:
站立,在缺陷扣分区内,在冲压件四周,离件1米进行检查允许俯身,但不能蹲下检查涉及到间隙及高低不平的缺陷,应予以测量判别。
4、检测:
–是靠视觉、触觉……进行评判的.。
–只有在有疑问的情况下,才使用检具,根据间隙标准的定义或有关基本标准的定义来核实或明确某些缺陷的扣分级别:
·对间隙及高低不平的检查使用塞尺
·对冲压件上的坑包、麻点的检查要使用面积规
·对表面检查使用尺子
5.缺陷分类
–外观类:
裂纹,缩颈坑包,起皱麻点
变形锈蚀材料缺陷
起皱,波纹,棱线毛刺拉毛,划伤
圆角叠料压痕其它
冲压件判定标准
6、尺寸要求:
冲压件按其功能分为三类,A类是外表面件,其要求最高,其次是B类,主要是结构件。
最后是C类,例如支架之类。
冲压件放于合格的检具上,特殊要求的尺寸和公差按产品图纸要求,其它按照“冲压件的未注允许公差表”执行。
补充:冲压件的未注允许公差表
一般位置精度:(A类件:±0.5,B类件:±1.0,C类件:±1.5)
一般孔:中心位置精度: ±0.5
直径轮廓:(塞规测量)+0.5, -0.0;(最大值/最小值之间的差值,游标卡尺测量)0.15
孔距(孔与孔):±0.5
工具孔:直径: +0.2, -0.0 基准到基准: ±0.2
阶梯(搭接):深度(高度差): +0.3, -0.0 位置精度:±1.0
配合面精度:(B类面:±0.7,C类面:±1.0)
翻边宽度: +1.0, -0.5
一般曲率半径: ±0.5
角度: ±2 度
安装孔:直径轮廓(塞规测量):±0.5 孔距(孔与孔,塑料件装配用):±0.5
孔距(孔与孔,金属件装配用):±0.3
一致性
同一批中的五个样品的所有的检点的六个标准值不得超过1.0 毫米。
其平均值的移动较之前一批不得大于±0.3 毫米。
对称性
左右手对称件的所有的尺寸差值应在±0.5毫米范围内,所有的位置差应在±0.75毫米内。
如特殊要求和情况需要,可以把冲压件放于合格的检具上用三座标测量冲压件型面尺寸:测量要素尺寸要求按产品图纸和“冲压件的未注允许公差表”执行。
一般检测原则为:检测任意一点与数模的空间公差在±0.2mm以内;装配、定位和基准孔的公差控制在0.10mm。
冲压件放于合格的检具上,型面公差±0.5mm,基准孔孔位公差±0.20mm,轮廓尺寸公差±0.5~2mm。
具体数值以冲压件等级不同而变化。
外覆盖件的检查
一、检验方法:
1、触摸检查
●用干净的纱布将外覆盖件的表面擦干净。
●检验人员需戴上触摸手套沿着零件纵向紧贴零件表面触摸,这种检验方法取决于检验员
的经验,必要时可用油石打磨被探知的可疑区域并加以验证,但这种方法不失为一种行之有效的快速检验方法。
2、油石打磨
●用干净的纱布将外覆盖件的表面擦干净。
●打磨用油石(20×13×100mm或更大)
●有园弧的地方和难以接触到的地方用相对较小的油石打磨(例如:8×100mm的半园形油
石)
●油石粒度的选择取决于表面状况(如粗糙度,镀锌等)。
建议用细粒度的油石。
油石打磨的方向基本上沿纵向进行,并且很好地贴合零件的表面,部分特殊的地方还可以补充横向的打磨。
3、涂油检查(Highlight oil)
●用干净的纱布将外覆盖件的表面擦干净。
●用干净的刷子沿着同一个方向均匀地涂油至零件的整个外表面。
把涂完油的零件放在Highlight下检查,建议把零件竖在车身位置上。
用此法可很容易地发现零件上的微小的麻点、瘪塘、波纹。
二、常见的缺陷及标准
1、碎裂
检查方法:目视。
标准;对于外覆盖件任何碎裂的零件都是不可接受的。
2、拉伤、晶粒粗大、暗伤
检查方法:目视
标准:对于外覆件任何导致零件潜在碎裂的拉伤、晶粒粗大、暗伤都是不可接收的,尤其是四门、两盖的咬边翻边部位。
3、瘪塘
检查方法:目视、油石打磨、触摸、涂油
标准:A类缺陷:是用户不能接收的缺陷,没有经过培训的用户也能注意
这类瘪塘发现后必须立即对冲压件进行冻结。
B类缺陷:是一种使人感到不愉快的缺陷,它是在冲压件外表面上摸得着和看得见的可确定的瘪塘。
C类缺陷:是需要修正的缺陷,这些瘪塘绝大多数处于模棱两可的情况下,只有在油石打磨后才看得出。
4、波浪
检查方法:目视、油石打磨、触摸、涂油
标准:A类缺陷:是用户不能接收的缺陷,没有经过培训的用户也能注意
这类瘪塘发现后必须立即对冲压件进行冻结。
B类缺陷:是一种使人感到不愉快的缺陷,它是在冲压件外表面上摸得着和看得见的可确定的波浪。
C类缺陷:是需要修正的缺陷,这些波浪多数处于模棱两可的情况下,只有在油石打磨后才看得出。
5、翻边、切边不平整及短缺
检查方法:目视、触摸
标准:对于外覆盖件任何翻边、切边的不平整及短缺,影响了咬边质量及焊接搭边不平整、短缺,从而影响焊接质量都是不可接受的。
6、毛刺:(切边、冲孔)
检查方法:目视
标准:毛刺的长度要求小于板料厚度的10%。
任何影响焊接搭边贴合程度的毛刺是不可接受的。
任何容易导致人身伤害的毛刺是不可接受的。
任何影响零件定位及装配的冲孔毛刺是不可接受的。
7、拉毛及划伤:
检查方法:目视
标准:外覆盖的外表面不允许存在拉毛及划伤,外覆盖件的内表面不允许存在影响外表面质量
的划伤。
内覆盖件表面不允许存在潜在的导致零件拉裂的严重划伤。
8、回弹:
检查方法:放在检具上检查
标准:冲压件不允许存在严重的回弹从而导致零件间的尺寸匹配和焊接变形。
9、漏冲孔
检查方法:目视检查并用水溶性记号笔作计数标记
标准:零件上任何孔的漏冲将影响零件的的定位与装配,是不可接受的。
10.起皱
检查方法:目视
标准:外覆盖件不允许存在任何顾客容易察觉的起皱,内覆盖件不允许存在严重的起皱从而导致材料重迭。
11、麻点群、麻点、压痕
检查方法:目视、油石打磨、触摸、涂油
标准:A类缺陷:麻点集中,超过整个面积2/3都分布有麻点。
B类缺陷:麻点可看到、可摸到。
C类缺陷:打磨后可见单独分布的麻点,在1区要求麻点间距离为300mm或更大。
12、打磨缺陷、打磨印
检查方法:目视、油石打磨
标准:A类缺陷:打磨穿了,在外表面上明显可见,所有顾客都立即可见。
B类缺陷:能看到、摸到,在有争议的地方打磨后也能证明。
C类缺陷:用油石打磨后能看出。
13、材料缺陷
检查方法:目视
标准:材料强度不符合要求,轧钢板留下的痕迹、重叠、桔皮、有条纹、镀锌表面疏松、镀锌层剥落。
14、油花纹
检查方法:目视
标准:外覆盖件经油石打磨后不允许存在明显得印痕。