归档建设工程监理文件资料范围和保管期限
- 格式:docx
- 大小:12.48 KB
- 文档页数:2
建设项目文件材料归档范围和保管期限表一、工程准备阶段文件(一)、项目立项文件1、项目建议书及批复意见永久2、项目可行性研究报告及其批复文件永久3、项目立项申请及批复文件永久4、关于项目立项的有关会议纪要、领导讲话永久(二)、项目征地文件1、项目选址意见书及其审批文件永久2、土地出让协议、补偿协议永久3、拆迁安置意见、协议、方案等永久4、建设工程用地规划许可证永久5、建设单位用地申请表及建设用地批准书永久6、国有土地使用权出让合同(正、副本)永久7、国有土地使用证永久(三)、项目勘察、测绘、设计文件1、工程地质勘察报告永久2、水文地质勘察报告、自然条件、地质调查永久3、建设用地钉桩通知单(书)永久4、建设工程设计任务书及其批复文件永久5、总体规划设计及其批复文件永久6、方案设计及其批复文件永久7、初步设计及其批复文件、8、技术设计及其批复文件永久9、施工图设计及其说明长期10、设计计算书长期11、建设工程施工图纸及技术资料报告书长期12、施工图设计文件审查批准书、审查报告、审查备案书永久13、建筑工程消防设计审核意见书永久14、防雷装置施工图设计文件核查书永久(四)工程招标文件1、工程勘察、设计招标文件长期2、勘察、设计合同永久3、施工招标文件(工程招投标代理合同、招标公告、招标书、施工招标报名登记表、投标单位法人代表资格证明书、投标单位授权委托书、投标书、施工招标中标通知书)长期4、施工承包合同永久5、工程监理招标文件长期6、监理委托合同永久(五)、工程开工审批文件1、建设项目投资计划申请表、土地建设项目年度投资计划书、投资项目核准登记表及投资许可证永久2、建设环境影响评价技术咨询合同永久3、建设项目环境保护申请登记表、建设项目环境影响报告表及批复、行政许可申请材料登记及准予行政许可决定书永久4、防空地下室工程建设审批表永久5、固定资产投资方向调节税完税凭证、免征工程项目建筑税的申请及批文、免征工程配套费的请示及批文永久6、工程建设项目报建申报表、登记表永久7、规划审批申报表及建设工程规划许可证永久8、建筑节能工程告知性备案登记表永久9、建设工程质量监督登记表、申报表永久10、工程项目监理登记表永久11、临时占用、掘动道路申请表短期12、建筑工程施工许可证申请表、建设工程施工许可证永久13、建设工程施工安全监督申报表、建设工程安全措施备案表永久14、建设安全文明施工措施费(发票)拆迁情况报告长期15、项目法人责任制保证书、身份证明书、建设单位资质证明、勘察、设计、施工、监理单位资质证、营业执照长期16、总包(分包)施工企业资质审查表(监档表1—7)长期17、建设单位质量管理人员登记审查表(监档表1—8)长期18、施工单位质量管理人员登记审查表(监档表1—9 )长期19、施工单位特工种人员登记审查表(监档表1—10)长期20、抽样人员授权书(监档表1—11)长期21、见证人员授权书(监档表1—12)长期(六)、工程财务文件1、工程设计概算材料长期2、施工图预算材料长期3、施工预算长期4、工程决算永久(七)、建设、施工、监理机构及负责人1、工程项目管理机构(项目经理部)及其负责人名单长期2、工程项目监理机构(项目监理部)及其负责人名单长期3、工程项目施工管理机构(施工项目经理部)及其负责人名单长期二、施工文件(一)、建筑安装工程1、开工报告长期2、工程技术要求、技术交底、图纸会审纪要长期3、施工组织设计、方案及报批文件、施工计划、施工技术及安全措施文件、施工工艺长期4、施工预算的编制和审核短期5、施工日志长期6、工程定位、基槽开挖线测量资料长期7、施工安全、环保措施短期8、地基钎探记录和钎探平面布点图长期9、验槽记录和地基处理记录长期10、桩基施工、试桩记录长期11、设计会议会审、设计变更、工程洽商记录长期12、施工材料砂、石、砖、水泥、钢筋、防水材料、隔热保温、防腐材料、轻集料汇总表长期13、砂、石、砖、水泥、钢筋、防水材料、隔热保温、防腐材料、轻集料出厂证明文件长期14、砂、石、砖、水泥、钢筋、防水材料、轻集料、焊条、沥青复试试验报告长期15、预制构件(钢、混凝土)出厂合格证、试验记录长期16、工程物质选样送审表、进场物质批次汇总表、工程物质进场报验表短期17、施工试验记录(1)、土壤(素土、灰土)干密度试验报告长期(2)、土壤(素土、灰土)击实实验报告长期(3)、砂浆配合比通知单长期(4)、砂浆(试块)抗压强度试验报告长期(5)、混凝土配合比通知单长期(6)、混凝土(试块)抗压强度试验报告长期(7)、混凝土抗渗试验报告长期(8)、商品混凝土出厂合格证、复试报告长期(9)、钢筋接头(焊接)试验报告长期(10)、防水工程试水检查记录长期(11)、楼地面、屋面坡度检查记录长期(12)、土壤、砂浆、混凝土、钢筋连接、混凝土抗渗试验报告汇总表长期18、隐蔽工程检查记录(1)、基础和主体结构钢筋工程永久(2)、钢结构工程永久(3)、防水工程永久(4)、高程控制永久19、施工记录(1)、定位测量检查记录长期(2)、预检工程检查记录长期(3)、冬施混凝土搅拌测温记录长期(4)、冬施混凝土养护测温记录长期(5)、烟道、垃圾道检查记录长期(6)、沉降观测记录长期(7)、机构吊装记录长期(8)、现场施工预应力记录长期(9)、工程竣工测量长期(10)、新型建筑材料长期(11)、施工新技术长期20、工程质量事故处理记录永久21、工程质量检验记录长期(1)、检验批质量验收记录长期(2)、分项工程质量验收记录长期(3)、基础、主体工程验收记录长期(4)、幕墙工程验收记录长期(5)、分部(子分部)工程质量验收记录长期(二)电气、给排水、消防、采暖、通风、空调、燃气、建筑智能化、电梯工程1、一般施工记录(1)、施工组织设计长期(2)、技术交底长期(3)、施工日志长期2、图纸变更记录(1)、图纸会审长期(2)、设计变更长期(3)、工程洽商长期3、设备、产品质量检查、安装记录(1)、设备、产品质量检查、安装记录长期(2)、设备装箱单、商检证明和说明书、开箱报告长期(3)、设备安装记录长期(4)、设备试运行记录长期(5)、设备明细表长期4、预检记录长期5、隐蔽工程检查记录长期6、施工试验记录(1)电气接地电阻、绝缘电阻、综合布线、有线电视末端等测试记录长期(2)楼宇自控、监视、安装、视听、电话等系统调试记录长期(3)变配电设备安装、检查、通电、满负荷测试记录长期(4)给排水、消防、采暖、通风、空调、燃气等管道强度、严密性、灌水、通水、吹洗、漏风、试压、通球、阀门等试验记录长期(5)电气照明、动力、给排水、消防、采暖、通风、空调燃气等系统调试、试运行记录长期(6)电梯接地电阻、绝缘电阻测试记录;空载、半载、满载、超载试运行记录;平衡、运速、噪声调整试验报告长期7 、质量事故处理记录长期8、工程质量检验记录(1)检验批质量验收记录长期(2)分项工程质量验收记录长期(3)分部(子分部)工程质量验收记录长期(三)室外工程1、室外安装(给水、雨水、污水、热力、燃气、电讯、电力、照明、电视、消防等)施工文件长期2、室外建筑环境(建筑小品、水景、道路园林绿化等)施工文件长期二、监理文件(一)、施工监理文件、资料1、监理合同协议、监理大纲、监理规划、细则及批复长期2、施工及设备器材供应单位资质审核、设备、材料报审长期3、施工组织设计、施工方案、施工计划、技术措施、审核、施工进度、延长工期、索赔及付款报审长期4、(停、复、返)工令、许可证、中间验收证明书长期5、设计变更、材料、零部件、设备代用审批长期6、监理通知、协调会审纪要、监理工程师指令、指示、来往函件长期7、工程材料监理检查、复查、实验记录、报告长期8、监理日志、监理周(月、季、年)报、备忘录长期9、各项测控量成果及复核文件、外观、质量、文件等检查、抽查记录长期10、施工质量检查分析评估、工程质量事故、施工安全事故报告长期11、工程进度计划、事实、分析统计文件长期12、单元工程检查及开工(开仓)签证,工程分部分项质量认证、评估长期13、主要材料及工程投资计划、完成报表长期(二)、设备采购、监造工作监理资料1、设备采购委托监理合同、采购方案、监造计划长期2、市场调查、考察报告长期3、设备制造的检查计划和检验要求、检验记录及试验报告、分包单位资格报审表长期4、原材料、零配件等的质量证明文件和检验报告长期5、开工、复工报审表、暂停令长期6、会议纪要、来往文件长期7、监理工程师通知单、监理工作联系单长期8、监理日志、监理月报长期9、质量事故处理文件、设备制造索赔文件长期10、设备验收、交接文件、支付证书和设备制造结算审核文件长期11、设备采购,监造工作总结长期(三)、监理工作声像材料。
工程监理档案资料管理办法1目的为使建设项目(工程)监理档案完整、准确、安全保管并有效利用,按照《科学技术档案案卷构成的一般要求》(GB/T11822-2000)、《国家重大建设项目文件归档要求与档案整理规范》(DA/T28-2002),结合公司工程监理档案资料的实际情况,制定本办法。
2适用范围2.1监理档案是指从工程中标后开始至监理工作结束全过程中形成的按规定应当归档保存的文件资料。
包括各种具有查证、参考和保存价值的各种形式的原始记录、文函、会议纪要、签证资料、材料和设备证明、图纸、声像材料等。
2.2电网工程按照《国家电网公司三个标准化项目部》手册执行。
3职责3.1公司的监理档案工作实行公司技术负责人负责制;3.2运营管理处负责对档案资料形成过程进行指导;3.3事业部负责对所属监理部档案资料收集整理情况进行监督检查。
3.4各项目监理部的监理档案工作由总监负责,总监办公室具体管理,设专人专岗开展此项工作,各专业应积极配合并明确责任人;3.5工程竣工后监理部负责资料的归档工作,并在竣工1个月内向公司档案室移交归档资料。
3.6向建设单位移交归档资料的工作,具体要求按建设单位的规定执行。
4资料保存、归档范围及保管期限规定4.1《监理工程资料保存、归档范围及保管期限规定》的说明4.1.1本规定是以华联监表(A、B、C)为例进行编写的,因各事业部以及各工程的建设单位要求不同,执行的资料管理标准不一,但资料的大体内容相同,所以如不执行华联监表的工程,参照本规定要求执行。
4.1.2本规定标题栏归档保存单位栏目中:监理部保存资料为施工过程中监理部保存的过程资料,公司档案室保存资料为工程竣工后移交公司档案室的工程档案。
建设单位保存资料为工程竣工后移交建设单位的档案,此栏目仅为参考,具体移交内容以建设单位要求为准。
4.1.3需要移交电子文件的资料,资料的编审批页和盖章页需扫描成JPG格式图片文件。
电子文件夹名称以附件1中资料名称为准。
建设工程文件归档整理规范1、总则1.0.1为加强建设工程文件的归档整理工作,统一建设工程档案的验收标准,建立完整、准确的工程档案,制定本规范。
1.0.2本规范适用于建设工程文件的归档整理以及建设工程档案的验收。
专业工程按有关规定执行。
1.0.3建设工程文件的归档整理除执行本规范外,尚应执行现行有关标准的规定。
2、术语2.0.1建设工程项目(construction project)经批准按照一个总体设计进行施工,经济上实行统一核算,行政上具有独立组织形式,实行统一管理的工程基本建设单位。
它由一个或若干个具有内在联系的工程所组成。
2.0.2单位工程(single project)具有独立的设计文件,竣工后可以独立发挥生产能力或工程效益的工程,并构成建设工程项目的组成部分。
2.0.3分部工程(subproject)单位工程中可以独立组织施工的工程。
2.0.4建设工程文件(construction project document)在工程建设过程中形成的各种形式的信息记录,包括工程准备阶段文件、监理文件、施工文件、竣工图和竣工验收文件,也可简称为工程文件。
2.0.5工程准备阶段文件(seedtime document of a cons-truction project)工程开工以前,在立项、审批、征地、勘察、设计、招投标等工程准备阶段形成的文件。
2.0.6监理文件(project management document)监理单位在工程设计、施工等监理过程中形成的文件。
2.0.7施工文件(constructing document)施工单位在工程施工过程中形成的文件。
2.0.8竣工图(as—build drawing)工程竣工验收后,真实反映建设工程项目施工结果的图样。
2.0.9竣工验收文件(handing over document)建设工程项目竣工验收活动中形成的文件。
2.0.10建设工程档案(project archive)在工程建设活动中直接形成的具有归档保存价值的文字、图表、声像等各种形式的历史记录,也可简称工程档案。
监理文件资料归档范围和保管期限建设工程监理文件资料归档范围和保管期限、与建设工程监理有关的施工文件归档范围和保管期限是容易混淆的地方,特此归纳。
建设工程监理文件资料归档范围和保管期限序号文件资料名称保存单位和保管期限建设单位监理单位城建档案管理部门保存1项目监理机构及负责人名单长期长期√2建设工程监理合同长期长期√3监理规划监理规划长期短期√监理实施细则长期短期√项目监理机构总控制计划等长期短期—4监理月报中的有关质量问题长期长期√5监理会议纪要中的有关质量问题长期长期√6进度控制工程开工令/复工令长期长期√工程暂停令长期长期√7质量控制不合格项目通知长期长期√质量事故报告及处理意见长期长期√8造价控制预付款报审与支付短期——月付款报审与支付短期——设计变更、洽商费用报审与签认短期——工程竣工决算审核意见书长期—√9分包资质分包单位资质材料长期——供货单位资质材料长期——试验等单位资质材料长期——10监理通知有关进度控制的监理通知长期长期—有关质量控制的监理通知长期长期—有关造价控制的监理通知长期长期—11合同及其他事项管理工程延期报告及审批永久长期√费用索赔报告及审批长期长期—合同争议、违约报告及处理意见永久长期√合同变更材料长期长期√12监理工作总结专题总结长期短期—月报总结长期短期—工程竣工总结长期长期√质量评价意见报告长期长期√与建设工程监理有关的施工文件归档范围和保管期限序号名称建设单位施工单位监理单位城建档案管理部门1工程质量检验记录(土建工程)检验批质量验收记录长期长期长期—分项工程质量验收记录—基础、主体工程验收记录永久√幕墙工程验收记录√分部(子分部)工程质量验收记录√2工程质量检验记录(安装工程)检验批质量验收记录长期—分项工程质量验收记录—分部(子分部)工程质量验收记录永久√。
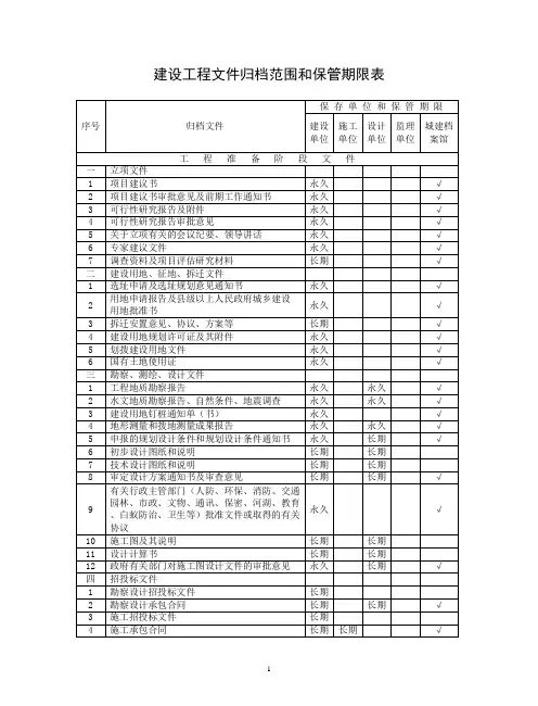
建设工程文件归档整理标准?GB/T50328-2001〔建设工程文件归档范围和保管期限表目录〕一、工程准备阶段文件1.立项文件2.建设用地、征地、拆迁文件3.勘察、测绘、设计文件4.招投标文件5.开工审批文件6.财务文件7.建设、施工、监理机构及负责人二、监理文件1.监理规划2.监理月报中的有关质量问题3.监理会议记要中的有关质量问题4.进度控制5.质量控制6.造价控制7.分包资质8.监理通知9.合同与其他事项管理10.监理工作总结三、施工文件1.建设安装工程1) 土建〔建造与结构〕工程2) 电气、给排水、消防、采暖、通风、空调、燃气、建造智能化、电梯工程3) 室外工程2. 市政根抵设施工程1) 施工技术准备2) 施工现场准备3) 设计变更、洽商记录4) 原材料、成品、半成品、构配件、设备出厂质量合格证及试验报告5) 施工试验记录6) 施工记录7) 预检记录8) 隐蔽工程检查〔验收〕记录9) 工程质量检查评定记录10) 功能性试验记录11) 质量事故及处理记录12) 竣工测量资料四、竣工图1.建造安装工程竣工图1) 综合竣工图2) 专业竣工图2. 市政根抵设施工程竣工图五、竣工验收文件1. 工程竣工总结2. 竣工验收记录1) 建造安装工程2) 市政根抵设施工程3. 财务文件4. 声像、缩微、电子档案附录A建设工程文件归档范围和保管期限表序号归档文件保存单位和保管期限建设单位施工单位设计单位监理单位城 建档案馆工程准备阶段文件一立项文件1工程建议书永久√2工程建议书审批意见及前期工作通知书永久√3可行性研究报告及附件永久√4可行性研究报告审批意见永久√5关于立项有关的会议记要、领导讲话永久√6专家建议文件永久√7调查资料及工程评估研究材料长期√二建设用地、征地、拆迁文件1选址申请及选址规划意见通知书永久√2用地申请报告及县级以上人民政府城乡建设用地批准书永久√3拆迁安置意见、协议、方案等长期√4建设用地规划许可证及其附件永久√5划拨建设用地文件永久√6国有土地使用证永久√三勘察、测绘、设计文件1工程地质勘察报告永久永久√2水文地质勘察报告、自然条件、地震调查 永久永久√3建设用地钉桩通知单〔书〕永久√4地形测量和拔地测量成果报告永久永久√5申报的规划设计条件和规划设计条件通知书永久长期√6初步设计图纸和说明长期长期7技术设计图纸和说明长期长期8审定设计方案通知书及审查意见长期长期√9有关行政主管部门〔人防、环保、消防、交通、园林、市政、文物、通讯、保密、河湖、教育、白蚁防治、卫生等〕批准文永久√单位单位单位单位档案馆件或者取得的有关协议。
附录G建设工程文件归档范围和保管期限表续表续表续表续表序号归档文件保存单位和保管期限建设单位施工单位设计单位监理单位城建档案馆2 室外建筑环境(建筑小品、水景、道路、园林绿化等)施工文件长期√二市政基础设施工程(一) 施工技术准备l 施工组织设计短期短期2 技术交底长期长期3 图纸会审记录长期长期√4 施工预算的编制和审查短期短期(二) 施工现场准备1 工程定位测量资料长期长期√2 工程定位测量复核记录长期长期√3 导线点、水准点测量复核记录长期长期√4 工程轴线、定位桩、高程测量复核记录长期长期√5 施工安全措施短期短期6 施工环保措施短期短期(三) 设计变更、洽商记录1 设计变更通知单长期长期√2 洽商记录长期长期√(四) 原材料、成品、半成品、构配件、设备出厂质量合格证及试验报告1 砂、石、砌块、水泥、钢筋(材)、石灰、沥青、涂料、混凝土外加剂、防水材料、粘接材料、防腐保温材料、焊接材料等试验汇总表长期√2 砂、石、砌块、水泥、钢筋(材) 、石灰、沥青、涂料、混凝土外加剂、防水材料、粘接材料、防腐保温材料、焊接材料等质量合格证书和出厂检(试)验报告及现场复试报告长期√3 水泥、石灰、粉煤灰混合料、沥青混合料、商品混凝土等试验汇总表长期√4 水泥、石灰、粉煤灰混合料、沥青混合料、商品混凝土等出厂合格证和试验报告现场复试报告长期√5 混凝土预制构件、管材、管件、钢结构构件等试验汇总表长期√6 混凝土预制构件、管材、管件、钢结构构件等出厂合格证书和相应的施工技术资料长期√7 厂站工程的成套设备、预应力混凝土张拉设备、各类地下管线井室设施、产品等汇总表长期√序号归档文件保存单位和保管期限建设单位施工单位设计单位监理单位城建档案馆①桩基位置平面示意图长期长期√②打桩记录长期长期√③钻孔桩钻进记录及成孔质量检查记录长期长期√④钻孔(挖孔)桩混凝土浇灌记录长期长期√3 构件设备安装和调试记录①钢筋混凝土大型预制构件、钢结构等吊装记录长期长期②厂(场)、站工程大型设备安装调试记录长期长期√4 预应力张拉记录①预应力张拉记录表长期√②预应力张拉孔道压浆记录长期√③孔位示意图长期√5 沉井工程下沉观测记录长期√6 混凝土浇灌记录长期7 管道、箱涵等工程项目推进记录长期√8 构筑物沉降观测记录长期√9 施工测温记录长期10 预制安装水池壁板缠绕钢丝应力测定记录长期√(七) 预检记录1 模板预检记录2 大型构件和设备安装前预检记录短期3 设备安装位置检查记录短期4 管道安装检查记录短期5 补偿器冷拉及安装情况记录短期6 支(吊)架位置、各部位连接方式等检查记录短期7 供水、供热、供气管道吹(冲)洗记录短期8 保温、防腐、油漆等施工检查记录短期(八) 隐蔽工程检查(验收)记录长期长期√(九) 工程质量检查评定记录1 工序工程质量评定记录长期长期2 部位工程质量评定记录长期长期3 分部工程质量评定记录长期长期√(十) 功能性试验记录1 道路工程的弯沉试验记录长期√注:“√”表示应向城建档案馆移交。
建筑工程文件归档范围、保管期限和管理流向表
1临时性支护工程A类和B类工程档案统一由建设单位保存。
3非政府工程的A类和B类工程档案统一由建设单位保存。
说明:
1.设计咨询指设计单位、勘察单位、招投标代理机构、造价咨询机构等;
2.列入A类归档的项目准备阶段文件、监理文件、竣工验收文件移交时需同时提供扫描文件或电子文件;
3.竣工图归档移交需同时提供内容一致的CAD电子文件;
4.C类文件由文件形成单位自行归档;
5.永久是指工程档案需永久保存;长期是指工程档案的保存期限等于该工程的使用寿命;短期是指工程档案保存20年以下。
6市政工程项目准备阶段文件、监理文件、竣工验收文件移交时需同时提供扫描文件或电子文件参照此表。
工程监理档案资料管理办法1目的为使建设项目(工程)监理档案完整、准确、安全保管并有效利用,按照《科学技术档案案卷构成的一般要求》(GB/T11822-2000)、《国家重大建设项目文件归档要求与档案整理规范》( DA/T28-2002),结合公司工程监理档案资料的实际情况,制定本办法。
2适用范围2.1 监理档案是指从工程中标后开始至监理工作结束全过程中形成的按规定应当归档保存的文件资料。
包括各种具有查证、参考和保存价值的各种形式的原始记录、文函、会议纪要、签证资料、材料和设备证明、图纸、声像材料等。
2.2 电网工程按照《国家电网公司三个标准化项目部》手册执行。
3职责3.1公司的监理档案工作实行公司技术负责人负责制;3.2运营管理处负责对档案资料形成过程进行指导;3.3事业部负责对所属监理部档案资料收集整理情况进行监督检查。
3.4各项目监理部的监理档案工作由总监负责,总监办公室具体管理,设专人专岗开展此项工作,各专业应积极配合并明确责任人;3.5工程竣工后监理部负责资料的归档工作,并在竣工 1 个月内向公司档案室移交归档资料。
3.6 向建设单位移交归档资料的工作,具体要求按建设单位的规定执行。
4资料保存、归档范围及保管期限规定4.1 《监理工程资料保存、归档范围及保管期限规定》的说明4.1.1 本规定是以华联监表( A、B、C)为例进行编写的,因各事业部以及各工程的建设单位要求不同,执行的资料管理标准不一,但资料的大体内容相同,所以如不执行华联监表的工程,参照本规定要求执行。
4.1.2 本规定标题栏归档保存单位栏目中:监理部保存资料为施工过程中监理部保存的过程资料,公司档案室保存资料为工程竣工后移交公司档案室的工程档案。
建设单位保存资料为工程竣工后移交建设单位的档案,此栏目仅为参考,具体移交内容以建设单位要求为准。
4.1.3 需要移交电子文件的资料,资料的编审批页和盖章页需扫描成JPG 格式图片文件。
国家重大建设项目文件归档范围(建设单位保管期限)一、可行性研究、任务书:(保管期限)1项目建议书及报批文件(永久)2项目选址意见书及其报批文件(永久)3可行性研究报告及其评估、报批文件(永久)4项目评估(包括借贷承诺评估)、论证文件(永久)5环境预测、调查报告、环境影响报告书和批复(永久)6设计任务书、计划任务书、报批文件(永久)二、设计基础文件:1工程地质、水文地质、勘察设计、勘察报告、地质图、勘察记录、化验、试验报告、重要土、岩样及说明(永久)2地形、地貌、控制点、建筑物、构筑物及重要设备安装测量定位、观测记录(永久)3水文、气象、地震等其它设计基础资料(永久)三、设计文件:1总体规划设计(永久)2方案设计(永久)3初步设计及其报批文件(永久)4技术设计(永久)5施工图设计(长期)6技术秘密材料、专利文件(永久)7工程设计计算书(长期)8关键技术试验(永久)9设计评价、鉴定及审批(永久)四、项目管理文件:1征地、移民文件:1.1征用土地申请、批准文件、红线图、坐标图、行政区域图(永久)1.2征地移民拆迁、安置、补偿批准文件、协议书(永久)1.3建设前原始地形、地貌、状况图、照片(永久)1.4施工执照(永久)2计划、投资、统计、管理文件:2.1有关投资、进度、物资、工程量的建议计划、实施计划和调整计划(长期)2.2概算、预算管理、差价管理文件(长期)2.3合同变更、索赔等涉及法律事务的文件(长期)2.4规程、规范、标准、规划、方案、规定(长期)2.5招标文件审查、技术设计审查、技术协议(长期)2.6投资、进度、质量、安全、合同控制文件(长期)3招标投标、承发包合同协议:3.1招标书、招标修改文件、招标补遗及答疑文件(长期)3.2投标书、资质材料、履约类保函、委托授权书和投标澄清文件、修正文件(永久)3.3开标议程、开标大会签字表、报价表、评标纪律、评标人员签字表、评标记录、报告(长期)3.4中标通知书(长期)3.5合同谈判纪要、合同审查文件、合同书、合同变更文件(永久)4专项申请、批复文件:4.1环境保护、劳动安全、卫生、消防、人防、规划等文件(永久)4.2水、暖、电、煤气、通信、排水等配套协议文件(长期)4.3原料、材料、燃料供应等来源协议文件(长期)五、施工文件:1建筑施工文件:1.1开工报告、工程技术要求、技术交底、图纸会审纪要(长期)1.2施工组织设计、方案及报批文件、施工计划、施工技术及安全措施、施工工艺文件(长期)1.3原材料及构件出厂证职、质量鉴定、复验单(长期)1.4建筑材料试验报告(长期)1.5设计变更、工程更改洽商单、材料代用核定审批手续、技术核定单、业务联系单、备忘录等(永久)1.6施工定位(水准点、导线点、基准线、控制点等)测量、复核记录、地质勘探(永久)1.7土、岩试验报告、基础处理、基础工程图、桩基工程记录、地基验销记录(永久)1.8施工日记、大事记(长期)1.9隐蔽工程验收记录(永久)1.10各类工程记录及测试、沉降、位移、变形监测记录、事故处理报告(永久)1.11工程质量检查、评定(永久)1.12技术总结、施工预、决算(长期)1.13交工验收记录证明(永久)1.14竣工报告、竣工验收报告(永久)1.15竣工图(永久)1.16声像材料(长期)2设备及管线安装施工文件:2.1开工报告、工程技术要求、技术交底、图纸会审纪要(长期)2.2施工组织设计、方案及其报批文件、施工计划、技术措施文件(长期)2.3原材料及构件出厂证明、质量鉴定、复验单(长期)2.4建筑材料试验报告(长期)2.5设计变更通知、工程更改洽商单、材料、零部件、设备代用审批手续、技术核定单、业务联系单、备忘录等(永久)2.6焊接试验记录、报告、施工检验、探伤记录(永久)2.7隐蔽工程检查验收记录(永久)2.8强度、密闭性试验报告(长期)2.9设备、网络调试记录(长期)2.10施工安装记录、安装质量检查、评定、事故处理报告(长期)2.11系统调试、调试记录(长期)2.12管线清洗、试压、通水、通气、消毒等记录(短期)2.13管线标高、位置、坡度测量记录(长期)2.14中间教交工验收记录证明、工程质量评定(永久)2.15竣工报告、竣工验收报告、施工预、决算(永久)2.16竣工图(永久)3电气、仪表安装施工文件:3.1开工报告、工程技术要求、技术交底、图纸会审纪要(长期)3.2施工组织设计、施工及其报批文件、施工计划、技术措施文件(短期)3.3原材料及构件出厂证明、质量鉴定、复验单(长期)3.4建筑材料试验报告(长期)3.5设计变更通知、工程更改洽商单、材料、零部件、设备代用审批手续、技术核定单、业务联系单、备忘录等(永久)3.6系统测试、整定记录(长期)3.7绝缘、接地电阻等性能测试、校核(长期)3.8材料设备明细表及检验记录、施工安装记录、质量检查评定、事故处理报告(永久)3.9操作、联动试验(短期)3.10电气装置交接记录(短期)3.11中间交工验收记录、工程质量评定(永久)3.12竣工报告、竣工验收报告(永久)3.13竣工图(永久)3.14声像材料(长期)六、监理文件:1施工监理文件、资料:1.1监理合同协议、监理大纲、监理规划、细则及批复(长期)1.2施工及设备器材供应单位资质审核、设备、材料报审(长期)1.3施工组织设计、施工方案、施工计划、技术措施审核、施工进度、延长工期、索赔、及付款报审(长期)1.4开(停、复、返)工令、许可证、中间验收证明书(长期)1.5设计变更、材料、零部件、设备代用审批(长期)1.6监理通知、协调会审纪要、监理工程师指令、指示、来往函件(长期)1.7工程材料监理检查、复检、实验记录、报告(长期)1.8监理日志、监理周(月、季、年)报、备忘录(长期)1.9各项测控量成果及复核文件、外观、质量、文件等检查、抽查记录(长期)1.10施工质量检查分析评估、工程质量事故、施工安全事故报告(长期)1.11工程进度计划、实施、分析统计文件(长期)1.12变更价格审查、支付审批、索赔处理文件(长期)1.13单元工程检查及开工(开仓)签证、工程分部、分项质量认证、评估(长期)1.14主要材料及工程投资计划、完成报表(长期)2设备采购、监造工作监理资料:2.1设备采购委托监理合同、采购方案、监造计划(长期)2.2市场调查、考察报告(长期)2.3设备制造的检验计划和检验要求、检验记录及试验报告、分包单位资格报审表(长期)2.4原材料、零配件等的质量证明文件和检验报告(长期)2.5开动、复工报审表、暂停令(长期)2.6会议纪要、来往文件(长期)2.7监理工程师通知单、监理工作联系单(长期)2.8监理日志、监理月报(长期)2.9质量事故处理文件、设备制造索赔文件(长期)2.10设备验收、交接文件、支付证书和设备制造结算审核文件(长期)2.11设备采购、监造工作总结(长期)3监理工作声像材料(长期)七、工艺设备文件:1工艺说明、规程、路线、试验、技术总结(长期)2产品检验、包装、工装图、检测记录(长期)3设备、材料采购、招投标文件、合同、出厂质量合格证明(长期)4设备、材料装箱单、开箱记录、工具单、备品备件单(长期)5设备图纸、使用说明书、零部件目录(长期)6设备测绘、验收记录及索赔文件(长期)7设备安装调试、测定数据、性能鉴定(长期)8科研项目:1开题报告、任务书、批准书(永久)2协议书、委托书、合同(永久)3研究方案、计划、调查研究报告(永久)4试验记录、图表、照片(永久)5实验分析、计算、整理数据(永久)6实验装置及特殊设备图纸、工艺技术规范说明书(永久)7实验装置操作规程、安全措施、事故分析(长期)8阶段报告、科研报告、技术鉴定(永久)9成果申报、鉴定、审批及成果推广应用材料(永久)10考察报告、重要课题研究报告(永久)九、涉外文件:1询价、报价、投标文件(短期)2合同、合同附件(永久)3谈判协议、议定书(永久)4谈判记录(长期)5谈判过程中外商提交的材料(长期)6出国考察及收集来的有关材料(短期)7国外各设计阶段文件及设计联络文件(永久)8各设计阶段审查议定书(永久)9技术问题来往函电(永久)10国外设备、材料检验、安装手册、操作使用说明书等随机文件(永久)11国外设备合格证明、装箱单、提单、商业发票、保险单证明(短期)12设备开箱检验记录、商检、海关及索赔文件(永久)13国外设备、材料的防腐、保护措施(短期)14外国技术人员现场提供的文件材料(长期)十、生产技术准备、试生产文件:1技术准备计划(短期)2试生产管理、技术责任制(短期)3开停车方案(短期)4设备试车、验收、运转、维护记录(长期)5试生产产品质量鉴定报告(短期)6安全操作规程、事故分析报告(长期)7运行记录(短期)8技术培训材料(短期)9产品技术参数、性能、图纸(永久)10工业卫生、劳动保护材料、环保、消防运行检测记录(短期)十一、财务、器材管理文件:1财务计划及执行、年度计划及执行、年度投资统计(短期)2工程概算、预算、标底、合同价、决算、审计及说明(永久)3主要材料消耗、器材管理(短期)4交付使用的固定资产、流动资产、无形资产、递延资产清册(永久)十二、竣工验收文件:1项目竣工验收报告(永久)2工程设计总结(永久)3工程施工总结(永久)4工程监理总结(永久)5项目质量评审文件(永久)6工程现场声像文件(永久)7工程审计文件、材料、决算报告(永久)8环境保护、劳动安全卫生、消防、人防、规划、档案等验收审批文件(永久)9竣工验收会议决议文件、验收证书及验收委员会名册、签字、验收备案文件(永久)10项目评优报奖申报材料、批准文件及证书(长期)。