抱箍法盖梁施工方案
- 格式:doc
- 大小:127.50 KB
- 文档页数:18
墩柱盖梁抱箍及支架法施工方案一、工程概况本工程建筑工地的盖梁工程,需要施工墩柱的盖梁抱箍及支架工作。
本方案旨在确保施工过程安全可靠、高效完成。
二、施工组织1.施工单位:建筑工地施工队2.施工人员:工地经理、工地监理、施工人员等3.施工设备:吊车、支撑脚手架、抱箍工具等4.工期:预计完成时间为7天三、施工步骤1.准备工作:组织施工人员,安排相关材料和设备,并制定详细的施工计划。
2.搭设脚手架:按照设计要求,合理设置脚手架,确保施工人员的操作空间。
3.安装抱箍:根据设计要求和图纸,确定抱箍的数量和位置,并使用抱箍工具依次进行安装。
4.调整抱箍:对已安装的抱箍进行调整,使其与墩柱的形状相吻合,并保证其牢固可靠。
5.安装支架:按照设计要求,安装支架,确保墩柱的支撑和稳定。
6.调整支架:对已安装的支架进行调整,使其与墩柱的高度和角度相符,保证墩柱的垂直性。
7.进行盖梁施工:在墩柱的抱箍和支架的支撑下,进行盖梁的混凝土浇筑工作。
8.梁体养护:完成盖梁浇筑后,进行适当的养护,确保混凝土的强度和耐久性。
9.施工总结:对施工过程进行总结和评估,查看施工质量,及时发现和解决问题。
四、施工要求1.严格按照设计要求和施工图纸进行施工,确保施工质量符合规范。
2.工人要按照操作规程进行作业,严禁擅自修改和调整施工方案。
3.施工过程中,要及时清理工地,保持施工环境整洁,避免安全事故发生。
4.安装抱箍和支架时,要进行必要的调整,确保其与墩柱的连接牢固可靠。
5.盖梁浇筑时,要控制混凝土的流动速度和浇筑质量,确保梁体的均匀和一致。
6.施工完毕后,及时对施工现场进行清理,恢复周围环境的整洁。
五、安全措施1.工人必须穿戴符合要求的安全防护用品,如安全帽、防护眼镜、防护服等。
2.施工过程中,要严格遵守安全操作规程,禁止违章作业。
3.搭设脚手架和安装支架时,要检查材料的质量和承载能力,确保施工人员的安全。
4.盖梁浇筑时,要设置警示标志,防止他人误入施工区域。
用抱箍法进行盖梁施工工法范本一:正文:一:背景介绍抱箍法是一种常用的盖梁施工工法,通常应用于大型建筑工程中。
此工法通过使用钢筋抱箍来增强梁的强度和稳定性,从而提高其承载能力。
本文将详细介绍抱箍法的实施步骤和注意事项。
二:工程前准备在施工开始之前,需要进行以下准备工作:1. 准备所需的材料和设备,包括钢筋、混凝土、抱箍器等。
2. 检查施工现场的平整度和土壤条件,确保施工条件良好。
3. 制定详细的工程施工方案,包括施工步骤、材料使用和施工时间等。
三:施工步骤1. 确定梁的位置和尺寸,并进行标线。
2. 装配抱箍器,将钢筋按照设计要求进行抱箍。
3. 将抱箍好的钢筋放置在梁的位置上,并进行固定。
4. 混凝土浇筑,确保梁的全部空隙都填满混凝土。
5. 养护混凝土,等待其充分硬化。
四:安全注意事项在进行抱箍法盖梁施工时,需要注意以下安全事项:1. 使用抱箍器时要小心操作,避免夹伤。
2. 确保梁的位置和尺寸准确无误,避免误差导致施工失败。
3. 在进行混凝土浇筑时,要注意避免混凝土泄漏或漏浆现象。
4. 佩戴好个人防护装备,如安全帽、防护眼镜等。
五:附件本文档涉及的附件包括施工方案、工程图纸等,请参阅附件部分。
六:法律名词及注释1. 抱箍器:指用于固定钢筋的工具。
2. 混凝土:指由水泥、沙子、骨料等材料经过拌和、浇筑、凝固而成的材料。
范本二:正文:一:背景介绍抱箍法是一种常用的盖梁施工工法,适用于各种建筑工程。
该工法通过使用钢筋抱箍来加固梁的强度和稳定性,以提高承载能力。
本文将详细介绍抱箍法的施工方法和注意事项。
二:工程前准备在开始施工前,需要进行以下准备工作:1. 采购所需材料和设备,包括钢筋、混凝土、抱箍器等。
2. 检查施工现场的平整度和土壤条件,确保符合施工要求。
3. 制定详细的施工方案,包括工序安排、材料使用计划等。
三:施工步骤1. 确定梁的位置和尺寸,并进行标线。
2. 组装抱箍器,根据设计要求将钢筋进行抱箍。
昆明南连接线髙速公路工程三标盖梁抱箍法施工方案编制:___________________校对:___________________审核:___________________上海隧道工程股份有限公司昆明南连接线高速公路工程三标项目经理部二0—二年七月目录一、工程概况 (1)二、编制依据 (1)三、施工进度安排 (1)四、蓋梁施工方法及抱箍法施工编制说明 (1)4・1施工方法 (1)4.2抱箍法施工编制说明 (2)五、盖梁施工工艺 (2)5.1凿除柱顶浮浆 (2)5.2安装盖梁承重抱箍 (2)5.3施工放样 (3)5.4盖梁纵梁和横梁安装 (3)5.5盖梁底模安装 (3)5.6安装盖梁钢筋 (4)5. 7安装盖梁侧模 (4)5. 8碇浇注 (4)5. 9养生 (4)5. 10拆侧模 (4)5.11拆底模 (4)六、蓋梁安全保证措施 (4)6.1施工准备 (4)6.2安全防护措施 (5)6.2. 1施工准备阶段安全预防措施 (5)6.2. 2盖梁施工安全预防措施 (5)6.2. 3安全管理组织机构图 (6)七、........................................................................ 质量保证措施67.1质量控制点 (6)7.2停点检查 (6)7.3钢筋制作及安装要求 (6)7.4模板安装要求 (7)7.5建立健全质量保证体系 (7)7. 6质量管理组织机构图 (8)八、.......................................................................... 劳动力计划8九、机械、设备投入计划8十、盖梁施工安全应急预案 (9)10.1目的 (9)10.2本方案町能发生的不安全因素 (9)10.3对不安全因素的预防措施 (9)10.4应急救援预案 (10)十一、盖梁抱箍法施工设计计算 (13)11.1荷载计算 (13)11.2厚竹夹板15mm底模受力计算 (13)11.3方木小梁(横向)受力计算 (15)11. 4釆用I32C工字钢主梁(纵向)受力计算 (16)11. 5工字钢悬臂部分受力验算 (17)一、工程概况昆明南连接线高速公路工程3标(K7+6000〜K14+000),全线共计6. 4km。
盖梁模板(抱箍法)施工方案及计算目录第一部分盖梁模板(抱箍法)施工方案一、施工方案说明二、盖梁抱箍法结构设计三、主要工程材料数量汇总表四、模板安装要求五、模板拆除六、安全注意事项七、墩帽混凝土浇筑要求八、安全管理:九、应急预案第二部分盖梁抱箍法施工方案检算计算一、施工方案检算说明二、侧模支撑计算三、横梁计算四、纵梁计算五、抱箍计算六、抱箍体下支销受力计算七、抱箍与36b型工字钢支点焊接验算第三部分盖梁模板支撑平面、立面、剖面图、抱箍详图第一部分盖梁模板(抱箍法)施工方案图一、施工方案说明1、概况立基路(东岳路—塔基路)新建工程2#桥桥长为37.04米(10+10+10),共有2支桥墩盖梁,墩为柱式结构(墩柱直径为1000mm钢筋砼结构,分六支柱式结构),墩柱上方为盖梁,盖梁长为28.689米,宽1.60米,高为1.0米的钢筋砼结构,如图1-1,由于桥墩柱高度不大,最大高度为 1.8—2.50米,本工程墩柱盖梁拟采用墩柱抱箍法施工,盖梁砼约为45.9m3。
图1--1 盖梁正截面(单位:厘米)#桥桥墩盖梁平面图2、方案编制依据(1)、《建筑施工扣件式钢管脚手架安全技术规范》JGJ130-2020;(2)、《建筑施工安全检查标准》JGJ 59-991(3)、《建筑施工安全检查标准》JGJ 59-991(4)、《建筑结构荷载规范》(GB 50009-2020)(5)、《钢结构设计规范》(GB 50017-2020)(6)、《混凝土结构工程施工质量验收规范》GB5020202020(7)、《建筑施工模板安全技术规范》JGJ 162-2020(8)、《木结构设计规范》(GB 50005)(9)、《埋弧焊用碳钢焊丝和焊剂》(GB/T 5293)(10)、《低合金钢埋弧焊用焊剂》(GB/T 12470)(11)、立基路(东岳路—塔基路)新建工程2#桥施工图设计文件二、盖梁抱箍法结构设计1、侧模与端模支撑侧模18mm胶木板,面模厚度为18mm,在侧面板外设6*9方木作为背带并采用间距0.3m 作竖带处理,竖带高1.3m;在竖带上下各设一条(分二支)的钢管作横向支模,并在φ48的模向支模上进行φ12栓杆作拉杆,设计三道,模向间距为1.60米,在模向钢管外设φ48的钢管斜撑(二道),支撑在梁底横梁上。
盖梁抱箍施工方案一、引言盖梁抱箍施工是在建筑施工过程中常见的工序之一,主要用于增强梁的承载能力,提高建筑结构的稳定性和安全性。
本文档将详细介绍盖梁抱箍施工方案的操作步骤和注意事项,并给出了相关的施工要求和质量控制措施。
二、施工准备在进行盖梁抱箍施工前,需要进行以下准备工作:1.检查施工区域周边环境,确保施工场地平整、无障碍物,并进行相应的清理工作。
2.依据设计图纸,确认梁的尺寸、材料和数量,并进行材料验收。
3.检查施工所需工具和设备的完整性和工作状态,如液压抱箍机、扳手等。
三、施工步骤1. 安装抱箍机1.将抱箍机放置在梁的两个相对侧面上,使其与梁的长边平行,调整抱箍机的位置,使其能够完整地覆盖梁的一侧,并与梁的表面贴合。
2.将抱箍机的两侧手柄打开,使其与梁的表面保持最佳接触。
确保抱箍机的安装牢固,不易移动。
2. 调整抱箍机1.使用扳手旋转抱箍机的螺丝,将抱箍机的两侧手柄向内拧紧,直到抱箍机开始固定梁,同时注意保持两侧手柄的平衡。
2.检查抱箍机的位置和角度,确保其与梁的表面保持平行,并调整抱箍机的姿态,使其与梁的整体形状吻合。
3. 进行抱箍施工1.确保抱箍机已经调整到位并固定好后,使用液压抱箍机的手柄进行施力。
根据设计要求和梁的尺寸,适当增加液压抱箍机的压力,使其能够牢固地抱住梁。
2.确认抱箍的压力达到设计要求后,保持一段时间,以达到预期的抱箍效果。
3.检查抱箍的牢固性和均匀性,确保抱箍在整个梁的长度上均匀施力,并进行必要的调整。
4. 施工现场整理1.完成抱箍施工后,进行施工现场的清理工作,清除材料和工具的残留物,并确保施工现场干净整洁。
2.将抱箍机、工具和设备等收拾妥当,并妥善保管。
四、施工注意事项1.在进行盖梁抱箍施工前,应仔细阅读设计图纸和施工方案,确保操作规范和安全。
2.调整抱箍机位置和角度时,应避免损坏梁表面,同时注意自身安全。
3.在进行抱箍施工时,应保持施力的均匀性和稳定性,避免施力过大或过小。
XX市XX北路XX桥工程脚手架及盖梁模板(抱箍法)施工编制人:审批人:XX市市政工程总公司20XX年6月29日专项施工方案一、工程简况1、XX北路位于XX市区北部,规划道路性质为南北向城市主干路,本桥位于XX市XX北路与XX交叉处,该桥中心线为XX路道路中心线,与规划河道中线成50。
交角。
桥位处XX规划河底高程88.07米,百年一遇洪水位94.33米。
河道规划为复式断面,主河槽底宽60米,边坡1:3,堤距180米(垂直方向)。
二、编制依据1、XX市XX北路XX桥工程施工招标答疑文件。
2、XX市市政工程勘测设计研究院:XX市XX北路XX桥工程施工图设计,工程号:2008-047-C-Q-1。
3、中华人民共和国行业标准《公路工程技术标准》JTG B01-2003。
4、中华人民共和国行业标准《市政工程质量检验评定标准》CJJ2-90。
三、盖粱模板抱箍法结构设计桥梁无支架施工在当前市政工程建设中越来越显示其优越性。
抱箍法施工是无支架施工的一种新方法,本桥梁工程柱子直径1.3m,柱高3—9n,小等,采用抱箍法施工较为合适。
1、侧模与端模支撑侧模为钢模,面模厚度为6mm,肋板高为10cm,在肋板外设[10背带。
在侧模外侧采用间距为1m的[10竖带,竖带高1.5m;在竖带上下各设一条◇16的栓杆作拉杆,上下拉杆间间距为0.75m,在竖带外设①48的钢管斜撑,支撑在横梁上。
端模也采用定制钢模,面模厚度为6mm,肋板高为lOcm,在肋板外设[10背带。
端模外则由特制三角架背带支撑,空隙用木楔填塞。
2、底模支撑底模为方木配合竹模,面模厚度为8mm,方木高为lOcm。
在底模下部采用间距O.4m,150mm*150mm做横梁长为2.5m。
盖梁悬出端底模下设三角支架支撑,三角架放在横梁上。
横梁底下设纵梁。
横梁上设钢垫块以调整盖梁底的横向坡度与安装误差。
与墩柱相交部位采用特制钢支架作支撑。
3、纵梁在横梁底部采用两根40#工字钢作为纵梁,单根纵梁长26m。
盖梁专项施工技术方案抱箍法已审批一、工程概述:盖梁工程是指在桥梁施工中,将两个混凝土墩体之间的钢筋混凝土梁架设完成的过程。
该工程在桥梁的建设中发挥着非常重要的作用,是桥梁建设的关键之一。
本文主要介绍盖梁专项施工技术方案抱箍法。
二、施工方法:盖梁专项施工技术方案抱箍法,是一种先靠姿态约束实现精准倾斜的施工技术。
具体施工方式如下:1、基础施工:承台和墩身的施工必须首先完成。
2、板箱梁的制作:将板箱梁制作完成后,我们需要进行检查,看是否符合设计的要求。
3、放置支撑料:我们需要特别注意,放置支撑料的数量必须足够。
4、抱箍施工:我们采用抱箍的方式实现板箱梁的倾斜,使用拉紧的方法固定板箱梁。
5、梁的架设:在板箱梁的倾斜角度到达标准的时候,我们就可以将梁架设到正确的位置。
6、剪力支撑:梁成功架设之后,我们需要进行剪力支撑的处理。
7、减震设计:我们还需要进行减震设计。
8、腹板预留孔施工:在梁架设完成之后,并不是直接支撑梁体,而是先进行腹板预留孔的施工。
9、拆卸梁体支撑:在孔的施工完成之后,我们需要拆卸梁体支撑,行车通道逐步开放,由此完成了整个的盖梁工程。
三、施工流程:1、设置该工程的专责负责人,明确各施工队的任务、职责及协作要求;2、做好严格的质量、安全、环保等各个方面工艺和方法的制定及施工全过程的质量、安全、环保管理;3、通过现场实际测量,做好预制板箱梁与现场放线控制的协调与一致;4、制定每个板箱梁单元的重力水平垂直姿态控制方案,实现板箱梁单元的准确姿态调整;5、自前箱向后箱架设,自下而上依次加序架设,确保板箱梁强度和板间粘结度;6、吊装板箱梁时,悬挂点应设置在偏跨梁段边缘的板缆中心或板截面重心处,确保板箱梁水平平移及倾斜精度;7、板箱梁与钢筋混凝土墩体之间的防水隔离缝进行固定,局部砼工程和护栏安装,使之成为完整的桥梁;8、注意施工期间的安全,必要时设置安全文明施工标志与标牌,做好各施工队之间的交流协作,确保揭梁操作顺利完成。
盖梁抱箍法施工方案新概述盖梁抱箍法作为一种先进的施工技术,在房屋建设中逐渐被广泛采用。
本文将介绍盖梁抱箍法施工方案新,内容包括施工前期准备、具体施工流程、以及注意事项等。
施工前期准备在进行盖梁抱箍法施工前,需要进行充分的准备。
具体包括以下方面:1. 选定施工场地首先需要选定施工场地,确定施工范围和位置。
同时还需要考虑施工场地的地形地貌、周边环境、交通出行等因素。
2. 制定详细施工方案在确定施工场地后,需要制定详细的施工方案。
方案应该包括施工的具体步骤、时间计划、材料采购等。
3. 选定施工材料在制定了施工方案后,需要选定合适的施工材料。
在盖梁抱箍法施工中比较重要的材料包括钢筋、混凝土、模板等。
4. 安排施工人员在准备工作到位后,需要根据施工方案安排好施工人员,确定其具体岗位并分配任务。
具体施工流程1. 检查施工场地在施工之前,需要对施工场地进行检查。
主要是为了保证施工的安全性和质量,避免发生安全事故或者施工不符合要求的情况。
2. 搭建模板在检查施工场地后,需要对模板进行搭建。
主要是为了保证施工的精度、稳定性和安全性。
3. 安装钢筋在模板搭建好后,可以开始安装钢筋。
钢筋的正确安装是保证施工质量的关键,应遵循安全规范和标准。
4. 浇筑混凝土当钢筋安装好后,可以进行混凝土的浇筑。
在浇筑混凝土之前,应控制好混凝土的配合比、浇筑时间和浇筑厚度等。
5. 抱箍加固当混凝土浇筑完毕时,需进行抱箍加固。
主要是为了提高建筑物的稳定性和承载力,保证建筑物的质量安全。
6. 拆除模板当抱箍加固完成后,拆除模板即可。
在拆除模板时,需要注意安全性,避免模板倒塌和人员伤害等情况发生。
注意事项在进行盖梁抱箍法施工时,需要注意以下事项:1. 施工质量要求盖梁抱箍法施工质量的好坏直接关系到建筑物的安全性和使用寿命。
因此,在施工过程中要按照标准进行施工,确保施工质量达到要求。
2. 施工安全要保障施工过程中,一定要注意安全。
例如,搭建模板要如果做好稳定性工作,避免发生模板倒塌事故等等。
梁箍法施工设计计算一、设计校核和计算说明1.计算原理(1)在满足结构受力的条件下考虑挠度和变形控制。
(2)综合考虑结构的安全性。
(3)采用更符合实际的力学模型。
(4)尽量采用现有的组件和已经使用过的支持方法。
2.没有贝雷架的相关数据。
根据计算,没有数据可以附上。
3.对于部分结构的不均匀分布,不对称采用较大的均布荷载。
4.本次计算不扣除墩柱承担的盖梁混凝土重量。
作为安全储备。
5.抱箍加工完成实施前,必须先进行压力试验,变形符合要求后方可使用。
二、侧模支撑计算1.荷载计算(按最大盖梁)混凝土浇筑时的侧压力:Pm=Kγh式中:K——外加剂的影响系数,取1.2;γ-混凝土容重,26kN/m3;;H -有效压头高度。
混凝土浇筑速度V为0.3m/h,浇筑温度为20℃。
则:v/T=0.3/20=0.015<0.035h = 0.22+24.9v/T = 0.22+24.9×0.015 = 0.6mpm = kγh = 1.2×26×0.6 = 19千帕模板上混凝土振捣的侧压力按4kPa考虑。
那么:Pm=19+4=23kPa盖梁长度每延米侧压力按最坏情况考虑(即混凝土浇至盖梁顶部时):P = pm×(h-h)+pm×h/2 = 23×2+23×0.6/2 = 53.9 kN。
2、拉杆张力计算拉杆(φ20圆钢)间距1.2m,1.2m范围内混凝土浇筑时的侧压力由上、下拉杆承担。
有:σ=(T1+T2)/A=1.2P/2πr2= 1.2×53.9/(2π×0.012)= 102993 kpa = 103 MPa <[σ]= 160 MPa(OK)3、垂直皮带弯曲和挠度计算竖带两端设拉杆作为竖带支点,竖带为简支梁,长度l0=2.2m,混凝土侧压力按均布荷载q0考虑。
垂直带的弹性模量e[14b = 2.1×105 MPa;惯性矩Ix = 609.4cm4弯曲模量Wx = 87.1cm3立方厘米Q0 = 23×1.2 = 27.6千牛/米最大弯矩:mmax = q0l 02/8 = 27.6×2.72/8 = 25kn·m。
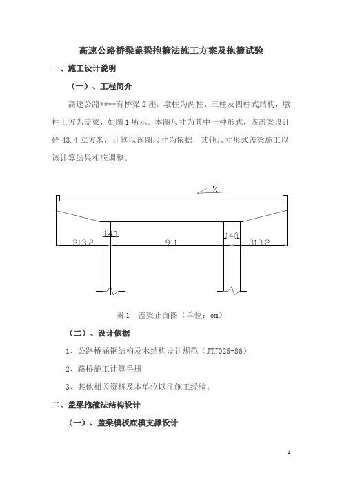
高速公路桥梁盖梁抱箍法施工方案及抱箍试验一、施工设计说明(一)、工程简介高速公路****有桥梁2座。
墩柱为两柱、三柱及四柱式结构,墩柱上方为盖梁,如图1所示。
本图尺寸为其中一种形式,该盖梁设计砼43.4立方米,计算以该图尺寸为依据,其他尺寸形式盖梁施工以该计算结果相应调整。
图1 盖梁正面图(单位:cm)(二)、设计依据1、公路桥涵钢结构及木结构设计规范(JTJ025-86)2、路桥施工计算手册3、其他相关资料及本单位以往施工经验。
二、盖梁抱箍法结构设计(一)、盖梁模板底模支撑设计在盖梁底模下部采用间距1m工14型钢作横梁,横梁长3.7m。
横梁底下设纵梁。
(二)、纵梁设计在横梁底部采用单层;两排贝雷片(标准贝雷片规格:3000mm ×1500mm,)连接形成纵梁,长18m,两排贝雷梁位于墩柱两侧,中心间距140mm。
贝雷片之间采用销连接。
纵、横梁以及纵梁与联接梁之间采用U型螺栓连接;纵梁下为抱箍。
(三)、抱箍设计采用两块半圆弧型钢板(板厚t=16mm)制成, M24的高强螺栓连接,抱箍高50cm,采用20根高强螺栓连接。
抱箍紧箍在墩柱上产生摩擦力提供上部结构的支承反力,是主要的支承受力结构。
为了提高墩柱与抱箍间的摩擦力,同时对墩柱砼面保护,在墩柱与抱箍之间设一层2~3mm厚的橡胶垫,纵梁与抱箍之间采用U型螺栓连接。
图2 盖梁抱箍法施工示意图(四)、防护栏杆与工作平台设计(1) 栏杆采用φ50的钢管搭设,在横梁上每隔2米设一道1.2m 高的钢管立柱,竖向间隔0.5m设一道钢管横杆,钢管之间采用扣件连接。
立柱与横梁的连接采用在横梁上设0.2m高的支座。
钢管与支座之间采用销连接。
(2) 工作平台设在横梁悬出端,在横梁上铺设5cm厚的木板,木板与横梁之间采用铁丝绑扎牢靠。
三、盖梁抱箍法施工设计计算(一)、设计检算说明1、设计计算原则(1)在满足结构受力情况下考虑挠度变形控制。
(2)综合考虑结构的安全性。
盖梁、系梁施工
盖梁、系梁采用C30砼浇筑,均采用抱箍法施工。
抱箍采用2cm 厚Q235钢板,每个抱箍分两片半圆制作,内径较墩柱略大,对扣在墩柱上端,再用高强螺栓固定,使之牢固箍在墩柱上。
抱箍上设45号工字钢承重梁和方木分配梁的膺架承托体系。
然后在膺架上铺设盖梁、系梁底模,绑扎钢筋,支立侧模,最后浇筑混凝土。
抱箍施工如下图:
抱箍法施工示意图
1、图中尺寸除注明外均以mm计,W值视具体情况而定。
2、钢抱箍制作直径必须准确,使其周长略小于墩身周长。
在内面垫约5mm厚橡胶,用拆装梁N31螺栓将两片钢抱箍抱死于墩身上,每个螺栓上紧力矩不小于60kg·m,在其上搭设横梁,铺设底模。
3、钢抱箍用于帽梁的施工,可倒用,一套抱箍重236kg。
抱箍法施工盖梁的施工流程图
钢抱箍制作必须准确,在与墩身或者桩基接触面之间垫5mm厚橡胶垫,用N31螺栓将两片钢抱箍整合包裹在墩身上,每个螺栓上紧力矩不小于60KN·m。
钢抱箍固定前应根据盖、系梁底面标高反算其安装高度,然后在上面搭设纵横梁和盖梁的底模。
(2)混凝土浇筑
①混凝土采用混凝土泵车泵送,每次振捣厚度不超过30cm,连续进行。
如因故间断,间断时间超过混凝土初凝时间,则按施工缝处理。
②人工振捣,震捣器垂直插入,快插慢拔,并插入前一层混凝土50~100mm,尽量避免与钢筋和,模板接触,捣实后1.5h~24h内不得受到振动。
③混凝土浇筑完成,待其表面收浆后尽快对混凝土进行养生,采用塑料布覆盖并洒水养生,洒水的时间不少于7d。
墩柱盖梁抱箍及支架法施工方案一、工艺原理二、施工准备工作1.工地调查:了解盖梁区域的地质情况和现场环境,确定施工方案和所需设备。
2.施工材料准备:准备好所需的钢筋、混凝土、木材等施工材料。
3.设备及工具准备:准备好起重机械、搅拌机、模板等施工设备及工具。
4.人员配备:合理安排施工人员,确保施工人员熟悉操作流程和注意事项。
三、施工步骤1.设置抱箍:在墩柱顶部设置抱箍,抱箍应采用弯曲的钢筋,通过焊接或绑扎固定在墩柱上方。
抱箍的数量和布置要根据具体情况进行设计,以保证固定效果达到要求。
2.安装支架:根据盖梁的设计要求制作支架,支架应具备足够的承载能力和稳定性。
支架安装的位置和布置要根据盖梁的形状和尺寸进行合理的设计。
3.装配模板:根据盖梁的尺寸和形状,制作模板,并进行调整和校正,确保模板的几何形状和位置的精度满足设计要求。
4.安装钢筋:根据盖梁的设计要求,将预先制作好的钢筋放置在模板内,并进行调整和固定。
钢筋的布置要满足混凝土结构的强度和刚度要求。
5.浇筑混凝土:在钢筋安装完毕后,进行混凝土浇筑,确保浇筑过程中的质量控制和施工工期的安排。
6.混凝土养护:混凝土浇筑完毕后,根据养护要求进行养护。
养护期间要注意保持混凝土的湿润和温度适宜。
7.取下支架和抱箍:在混凝土达到强度要求后,可以根据需要撤除支架并拆除抱箍。
四、安全措施1.钢筋搬运时要注意防止划伤人员,操作时要戴好手套。
2.模板安装和调整的过程中要注意固定,并设置安全通道。
3.混凝土浇筑时要确保操作人员的安全,避免混凝土污染和溅起的危险。
4.在撤除支架和拆除抱箍时,要进行稳定预处理,防止坍塌和移动造成的危险。
五、施工质量控制1.抱箍的设置和固定要满足设计要求,保证墩柱在盖梁过程中的稳定性。
2.支架的安装要牢固可靠,承载力要能满足盖梁过程中的需求。
3.模板的制作和安装要精确,模板的几何形状和位置要满足设计要求。
4.钢筋的安装要满足混凝土结构的强度和刚度要求。
盖梁抱箍法施工设计及计算第一部分盖梁抱箍法施工设计一、施工设计说明1、工程概况本工程主要分部分项工程包括桩基础、承台(系梁)、立柱、墩盖梁(台帽)、预制小箱梁安装、整体化层及附属工程等。
桥墩采用双柱式及三柱式墩。
本次计算只选择下安立交PY6桥墩盖梁,其为本桥跨度最大的盖梁,墩柱中心距离为8.1595m,盖梁长度22.219m,宽1.8m,高1.6m ,悬臂长度2.95m,墩柱直径1.3m,砼浇筑方量为62.9m3。
2、设计依据(1)交通部行业标准,公路桥涵钢结构及木结构设计规范(JTJ025-86)(2)汪国荣、朱国梁编著施工计算手册(3)公路施工手册,桥涵(上、下册)(4)路桥施工计算手册人民交通出版社(5)盖梁模板提供厂家提供的模板有关数据。
(6)施工图设计文件。
(7)我单位的桥梁施工经验。
二、盖梁抱箍法结构设计1、侧模与端模支撑侧模为特制大钢模,面模厚度为δ6mm,肋板高为8cm,在肋板外设[14背带。
在侧模外侧采用间距0.75m的[14作竖带,竖带高2m;在竖带上下各设一条φ18的栓杆作拉杆,上下拉杆间间距1.8m。
2、底模支撑底模为特制大钢模,面模厚度为δ6mm,肋板高为8cm。
在底模下部采用间距0.3m[8型钢作横梁,横梁长1.8m。
盖梁悬出端底模下设三角支架支撑,三角架放在横梁上。
横梁底下设纵梁。
横梁上设钢垫块以调整盖梁底的横向坡度与安装误差。
与墩柱相交部位采用特制型钢支架作支撑。
3、纵梁在横梁底部采用两根贝雷片连接形成纵梁,长24m,纵梁在墩柱外侧采用[10型槽钢使纵梁形成整体,增加稳定性。
贝雷片之间采用销连接。
纵、横梁以及纵梁与联接梁之间采用U型螺栓连接;纵梁下为抱箍和千斤顶。
4、千斤顶和抱箍为方便施工,抱箍与纵梁之间采用6个50T的螺旋千斤顶。
采用两块半圆弧型钢板(板厚t=16mm)制成, M24的高强螺栓连接,抱箍高60cm,采用20根高强螺栓连接。
抱箍紧箍在墩柱上产生摩擦力提供上部结构的支承反力,是主要的支承受力结构。
(建筑工程管理)盖梁抱箍法施工方案新盖梁抱箍法施工方案工程概况明理路位于郑州市郑东新区综合交通枢纽地区,为郑东新区的壹条南北向城市主干路,红线宽60m,具体布置为:60m(红线)-3.5m(人行道)-4m(非机动车道)-2m(机非分隔带)-15m(机动车道)-11m(中央分隔带)-15m(机动车道)-2m(机非分隔带)-4m(非机动车道)-3.5m(人行道)。
本标段工程为明理路跨七里河桥(含七里河南路至文苑南路道路顺接工程量),其中桥梁工程位于明理路跨七里河处,桥梁设计定名为明理南桥。
桥位起点桩号K0+258.537,终点桩号K0+457.617,全长199.08米。
工程范围内道路平面线形为半径2000m的圆曲线,跨中和河道斜角角度为82.555度。
本次设计桥为4×21+32+4×18=188m九跨简支梁结构。
二、主要施工方法1、施工准备:桥墩在立柱施工完成后,根据盖梁设计标高返算出抱箍钢带下缘在墩柱的确切位置,且做好标记,以便抱箍准确就位。
为方便盖梁底模的安装,在浇筑混凝土时,墩柱顶混凝土标高按比设计标高高2cm控制。
2、墩柱顶凿毛待墩柱混凝土达到设计强度的75%之上后,对墩柱顶进行凿毛处理,凿除顶部的水泥砂浆和松弱层,凿毛至新鲜混凝土,且把柱顶进行清理干净。
标高按设计标高控制,以便于安装盖梁底模。
3、测量放样在盖梁施工前,对墩柱进行施工测量,作为安装盖梁底模的依据。
墩柱施工测量和控制的内容包括:墩柱中心位置测量、立柱顶高程测量。
墩柱中心测量采用全站仪进行测量;高程测量是根据施工中设立的临时水准点,用水准仪直接进行。
4、模板支架、底模的制作和安装盖梁模板支架采用25a工字钢纵梁,每侧3根工字钢,中间水平方向用对拉螺栓连接,工字钢上方铺设15cm×15cm枕木,间距0.4m作横梁,在横梁上方纵向铺设10cm×10cm方木,在贴近立柱处安放第壹根和最后壹根。
盖梁抱箍施工方案一、项目背景和目标在建筑施工中,梁是承担楼板荷载的重要组成部分,而梁的施工需要采取合理的施工方案来确保其安全可靠。
本文将介绍盖梁抱箍施工方案,以确保梁的施工质量和工程安全。
二、施工前的准备工作1.施工人员的培训和安全意识培养:施工人员应经过相关培训,掌握梁施工的基本知识和操作技能,并提高安全意识。
2.材料准备:准备好所需的施工材料,包括梁模板、钢筋、混凝土、梁抱箍等。
3.施工设备准备:准备好梁施工所需的施工设备,如起重机械、模板支撑等。
三、施工步骤1.梁的模板安装:根据设计图纸,按照规范要求安装梁的模板,并严格按照设计尺寸、位置进行调整和对齐。
2.钢筋的布置:按照设计要求,在模板内布置梁的钢筋,包括梁底筋、梁顶筋和横向箍筋等,并进行钢筋的连接和固定。
3.梁抱箍的安装:(1)确定抱箍的位置:根据设计要求,确定梁抱箍的安装位置,并用细线或划线钢筋对模板进行标注。
(2)抱箍的制作:根据设计要求,制作好梁抱箍,并对抱箍的长度、数量进行检查。
(3)抱箍的安装:将制作好的梁抱箍放置在梁模板上,并根据标注位置进行固定,确保抱箍的位置准确。
(4)箍筋的连接:将梁抱箍与梁内的纵向钢筋连接起来,使用扎带、焊接等方法进行牢固的连接。
4.混凝土的浇筑:在完成梁的钢筋布置和梁抱箍安装后,进行混凝土的浇筑作业。
根据设计要求,控制好混凝土浇注的时间和流动性,确保混凝土充分填充模板空间,并利用振动器进行震动以排除混凝土中的气泡。
5.养护和拆模:混凝土浇筑完成后,根据施工规范进行养护,包括保持适宜的湿度、温度等条件;待混凝土养护完成后,进行梁模板的拆除。
四、安全措施1.施工现场的安全防护:在施工现场设置明显的安全警示标识,划分好施工区域,并设置好相应的安全防护措施。
2.施工人员的安全防护:施工人员应配备好安全帽、安全鞋、手套等防护用品,并进行岗前安全教育和培训。
3.起重机械的安全使用:操作起重机械时,应严格按照操作规程进行,保持起重机械的稳定和安全。
农村道路畅通工程编制:审核:批准:目录1、编制说明 (1)1.1编制依据 (1)1.2编制目的 (1)1.3适用范围 (1)2、工程概况 (1)2.1工程简介 (1)2.2水文地质条件 (2)3、施工准备情况 (3)3.1、技术准备 (3)3.2、机具准备 (3)3.3、材料准备 (3)4、施工方法 (5)4.1施工准备 (6)4.2墩柱顶凿毛 (6)4.3测量放样 (6)4.4模板支架、底模的制作与安装 (6)4.5钢筋笼的制作、运输与安装 (6)4.6安装侧模 (7)4.7混凝土的浇筑及养护 (7)4.8模板与支架的拆除 (7)4.9盖梁抱箍法施工模板设计 (8)5、施工计划 (9)6、危险因素分析 (10)6.1危险源辨识 (10)6.2危险因素分析 (10)7、施工安全保障措施 (12)7.1组织保障 (12)7.2安全生产保证体系 (12)7.3技术保障 (15)7.4雨季施工安全保障措施 (20)7.5夜间施工安全保障措施 (21)7.6监测监控及应急救援措施 (21)7.7安全应急措施 (22)7.8“三防”应急措施 (25)7.9触电事故应急措施 (27)7.10火灾事故应急措施 (28)8、安全检查和验收 (29)8.1检查方法 (29)8.2检查内容 (29)8.3验收程序 (30)9、文明施工及环境保护 (30)9.1文明施工 (30)9.2环境保护 (30)1、编制说明1.1编制依据《中华人民共和国安全生产法》《建设工程安全生产管理条例》《公路水运工程安全生产监督管理办法》《生产安全事故报告和调查处理条例》《巢湖市2018年农村道路畅通工程施工图设计》《公路桥涵施工技术规范》JTG/T F50-2011《建筑施工起重吊装工程安全技术规范》JGJ 276-2012《公路工程施工安全技术规范》JTG F90-2015《公路交通安全设施施工技术规范》JTG F71-2006《公路养护安全作业规程》JTG H30-2015《施工现场临时用电安全技术规范》JGJ 46-2005《公路工程质量检验评定标准》JTGF80/1-20171.2编制目的为加强本标段盖梁施工的安全技术管理,保障人员、机械、结构物的施工安全,根据《巢湖市2018年农村道路畅通工程施工图设计文件》、《公路桥涵施工技术规范》等,以及相应规范及办法,并结合项目部现行材料、技术、施工机械、管理水平等实际情况及施工技术水平,编制本施工方案。
盖梁(抱箍法)施工方案广州至河源高速公路(广州段)工程盖梁(抱箍法)施工方案编制:复核:审批:广河高速公路广州段工程合同段项目经理部二00八年十月1盖梁(抱箍法)施工方案盖梁(抱箍法)施工方案一、工程概况:本工程路线全长8.9km,其中大桥1391m/3座,中桥380m/6座。
桥梁下部构造均为柱式墩、肋板台(桩柱式台、埋置式台),基础均为钻孔灌注桩。
本工程桥梁盖梁数量较多,且墩柱高度不一,因此,项目部经过对现场情况分析,组织施工技术人员进行多次论证,决定对本项目部分桥梁盖梁采用抱箍法施工。
二、施工前准备1、材料准备钢筋(本工程钢筋为甲供材):(1) 钢筋进场时,必须按批次及时进行力学性能和化学性能试验,除型号及规格均应符合设计的规定外,钢筋的力学性能和化学性能必须符合国标的规定。
(2) 现场所进的钢筋应具有出厂质量证明或试验检测报告。
工程使用钢筋前,需要焊接的钢筋应作焊接试验,不合格的不能使用在正式工程中。
(3) 钢筋要分批、分规格存放,不得混放,并做好标识。
(4) 存放钢筋不能接触地面,一般应架离地面30cm,雨季露天存放或存放期较长时要做好遮盖,并保证钢筋不能锈蚀。
(5) 钢筋应顺直,表面洁净,无严重锈蚀、裂纹、断伤和刻痕,表面油污和颗粒状或片状锈蚀应予清除。
水泥(本工程水泥为甲供材)(1)水泥应采用强度、收缩性、耐磨性、抗冻性良好的水泥。
其物理性能和化学成份应符合国家有关标准的规定。
(2)水泥进场时,应有产品合格证及试验单。
并应对品种、标号、进场数量、出厂日期等进行检查验收,并按批次及时进行力学性能和化学性能复验,无复验合格不得使用,使用时按出厂日期择先使用。
(3) 不同等级、厂牌、品种、出厂日期的水泥,严禁混合使用。
出厂日期超过三个月或受潮的水泥,不得使用。
碎石:(1) 碎石应质地坚硬,并应符合规定级配,最大粒径不应超过40mm。
2盖梁(抱箍法)施工方案(2) 使用合格的经监理工程师认可的碎石。
Are You suprised ? 页脚内容17 抱箍法盖梁施工方案 一、工程概况 本标段荣乌高速公路棋盘井至乌海段工程QWTJ-2标段起止桩号为K10+018—K24+000,标段长度13.982Km,包括大、中桥884米/4座(预应力箱梁);分离式立交:995米/5座(预应力组合箱梁,现浇预应力箱梁);巴音陶亥互通立交桥1处(现浇预应力箱梁)。 桥墩盖梁为桥墩的重要组成部分,与桥墩系梁一样也为悬空体,因其结构及位置因素施工具有一定困难,因此将其自桥墩墩身中摘出,另行编制施工方案。首件工程编制依据: (1) 荣乌高速公路棋盘井至乌海段工程施工招标文件; (2) 荣乌高速公路棋盘井至乌海段工程施工图设计; (3) 现行国家施工规范、规程、规则、及验收标准及地方标准; (4) 我方对施工现场踏勘所获得的有关资料; 考虑到桥位处原地面地基承载力不高,而采用抱箍法施工盖梁可以克服满堂支架对地基承载力要求较高的缺点。我合同段拟对所有的圆柱墩盖梁采用抱箍法施工。抱箍承重原理:在盖梁施工时,用半圆形钢带抱紧墩柱,在钢带两端焊接牛腿,将盖梁底模的承重横梁架在牛腿上,利用钢带抱紧墩柱所产生的摩擦力来承担盖梁自重、模板自重、施工荷载等。 工程量:K17+083桥1号墩左幅盖梁:钢筋7.32t,混凝土30.41m3 二、施工方法: Are You suprised ? 页脚内容17 2.1凿除柱顶浮浆: 将柱顶砼浮浆全部凿除,裸露新鲜砼。并冲刷干净,以保证墩柱与盖梁砼联接牢固。 2.2安装盖梁承重挂篮: 首先安装承重抱箍, 利用抱箍握紧墩柱产生的磨擦力来承担盖粱自身重量和施工荷载。抱箍与墩柱之间加一层10mm厚的橡胶垫,目的是增加抱箍与墩柱之间的磨擦力, 不啃伤墩柱砼。抱箍在每次使用前需经过认真检查,必须保证所有焊缝均饱满、不开焊,否则应加焊。抱箍用高强螺栓在紧固时必须保证每个螺栓受力均匀且达到设计拉力强度,确保抱箍与墩柱之间有充分的摩擦力以及承受上部荷载。在施工时,现场管理人员必须对每个螺栓的紧固情况进行认真检查。 在每承重抱箍下端加装一副抱箍,两抱箍间以槽钢、木楔支撑,以提高承载力,增加抱箍可靠性,抱箍上为承重横梁。 承重横梁采用30号工字钢, 与承重包箍牛腿之间以一对木楔支撑, 工字钢内侧用钢丝绳拉紧,中部设槽钢支撑在地面,地面承载力不足时在地面上加铺砼垫板或钢板;工字钢上放一排长2.5米10号工字钢或木方,垂直30工字钢布置,间距40-50cm,并与30号工字钢绑扎牢固;底模板两边搭设木板,利于施工操作。 2.3施工放样: 测量人员将盖梁轴线放出后,施工人员按盖梁轴线和盖梁标高安装底Are You suprised ? 页脚内容17 模, 并调整盖梁底模达到设计高标。 2.4盖梁底模安装: 盖梁底模采用6mm的组合钢模,两端悬出端底模下设三脚架支撑,三脚架至于槽钢上,绑扎牢固,三脚架及槽钢搭设完毕后,将盖梁底模安装就位,用扣件与下面槽钢固定,盖梁底模标高安装施工误差不应大于±5mm, 轴线偏位误差不应大于±10mm, 模板接缝间要垫双面胶条,表面用腻子补实刮平,防止接缝漏浆造成砼面色差或麻面。 2.5安装盖梁钢筋: 底模经检测合格后,测量放线,将钢筋位置标在模板上,随后进行盖梁钢筋安装,盖梁骨架钢筋在加工车间先加工成骨架,每个骨架经检查合格后,成组运至施工现场,用吊车整体吊装就位绑扎成型。绑扎同时加垫块,保证保护层厚度,垫块位置应尽量远离模板接缝。吊装应注意吊点位置, 并采取必要的加固措施, 防止骨架变形。钢筋绑扎过程中必须严格安装规范和施工图进行,定位要准确, 确保钢筋保护层厚度误差不大于5mm,钢筋施工的允许偏差见下表1、附表2. 2.6安装盖梁侧模: 钢筋绑扎及预埋件施工经检查合格后,进行侧模施工。侧模采用定型钢模由专业模板厂设计制作,安装前必须打磨除锈,打磨干净后均匀涂刷脱模剂,侧模与侧模、侧模与底模之间的接缝要紧密,加垫双面胶条防止漏浆。侧模采用φ16的对拉螺栓进行加固,内设支撑,在侧模外侧采用φ50的钢管作为横带和竖带,并且在侧模和底模分配梁之间用滑栏螺丝连接,以便调节侧模的垂直度。模板各部位支撑、拉杆要稳固。安装完毕后,Are You suprised ? 页脚内容17 仔细检查各部位尺寸以及稳定性。立模具体要求见附表 焊接网、焊接骨架的允许偏差 附表1 项 目 允许偏差(mm) 网的长、宽 ±10 网眼的尺寸 ±10 网眼的对角线差 ±10 骨架的宽及高 ±5 骨架的长 ±10 箍筋间距 0,-20 钢筋位置允许偏差 附表2 检查项目 允许偏差(mm)
受力钢筋间距
两排以上排距 ±5
同排 梁、板、拱肋 ±10 基础、锚碇、墩台、柱 ±20
灌注桩 ±20 箍筋、横向水平钢筋、螺旋筋间距 0,-20
钢筋骨架尺寸 长 ±10 宽、高或直径 ±5 弯起钢筋位置 ±20
保护层厚度 柱、梁、拱肋 ±5 基础、锚碇、墩台 ±10 板 ±3 模板、支架安装的允许偏差 附表3 项 目 允许偏差(mm) 模板标高 基础 ±15 Are You suprised ? 页脚内容17 柱、墙和梁 ±10 墩台 ±10
模板内部尺寸 上部所有构件 ±5,0 基础 ±30 墩台 ±20
轴线偏位 基础 15 柱或墙 8 梁 10 墩台 10 装配式构件支承面的标高 +2,-5 模板相邻表面高低差 2 模板表面平整 5 预埋件中心位置 3 预留孔洞中心位置 10 预留孔洞截面内部尺寸 +10,0
支架拱架 纵轴线的平面位置 跨度的1/1000或30 曲线形拱架的标高 +20,-10
2.7砼浇注: 盖梁钢筋绑扎完毕,模板安装妥当后可进行混凝土浇筑。为保证保护层厚度,要在钢筋与模板之间设置砼垫块(垫块强度应与浇筑砼强度相同),垫块应错落开布置,不得贯通全长。盖梁混凝土浇筑采用混凝土汽车泵泵送混凝土。 盖梁混凝土浇筑前,还需对盖梁系列支承构件、器具进行全面检查,以防因钢筋绑扎、模板安装导致支承构件松动、位移而于混凝土浇筑时发生质量、安全事故。盖梁混凝土浇筑的整个过程中,应设专人对模板的紧固、加固情况,对支承构件的支承情况认真而细致地进行Are You suprised ? 页脚内容17 检查,发现异常及时、妥善进行处理。 盖梁混凝土浇筑应以自中间向两端推进的方式进行,以确保模板受力均匀,从而确保盖梁支承构件、器具受力均匀。盖梁混凝土浇筑杜绝以自一端向另一端整体推进的方式进行,以免因受力不均匀导致盖梁支撑架垮塌而发生质量、安全事故。 砼浇注前,应自检合格后报请监理工程师检查模板各部位尺寸是否正确,接缝是否严密,支撑、拉杆是否稳固以及钢筋、预埋件位置等是否正确。模板内的杂物、积水、钢筋上的污垢应清理干净。以上各项全部符合设计要求后方可浇注砼。 砼拌合站集中拌合、砼罐车运输、吊车吊运砼入模。在入模前检查混凝土的坍落度及均匀性。浇注顺序从与墩柱联接部位开始向两端分层且对称浇注,每层厚度不超过30cm,砼振捣以砼面停止下沉,并无明显气泡上升、表面平坦一致为宜不超过30S。在灌注上层砼时,要将振捣棒插入下层砼内不少于10cm。砼振捣时严禁碰撞钢筋和模板,浇注砼时要留足够数量的砼试件。混凝土必须一次浇注完成,浇注应连续进行,如因故间断时,间断时间应小于混凝土的初凝时间。盖梁施工时,混凝土输送采用混凝土输送泵车以泵送形式进行。由于混凝土采用泵送形式输送,其浇筑速度相对较快,因此混凝土振捣应加强。盖梁施工时,混凝土振捣设备至少应配置4台。 盖梁混凝土浇筑完毕,应间隔一定时间浇筑盖梁外侧挡块混凝土,以防盖梁顶层混凝土上翻。 盖梁混凝土浇筑完毕,应适时地浇筑支承垫石及内侧挡块混凝土。本项目盖梁支承垫石设计较为特别,垫石设计有利于其顶面调平。垫石施Are You suprised ? 页脚内容17 工分两步进行,第一步浇筑混凝土,第二步于混凝土顶面铺设调平层。垫石混凝土浇筑前,应将垫石钢筋区域内盖梁混凝土表面进行琢毛处理,并将残渣清理干净,内侧挡块混凝土浇筑前同样按此方法进行处理。垫石顶面铺设厚度为3cm的M50无收缩砂浆层,用于对垫石顶面找平,受调平层厚度制约,调平层砂浆无法采用机械振捣而只可采取人工捣固方式进行。人工捣固垫石调平层砂浆须认真、仔细,确保砂浆密实。 垫石、挡块混凝土浇筑须仔细振捣,尤其垫石混凝土振捣更需加强。 垫石、挡块施工除确保其平面位置外,还应确保其顶面高程符合有关要求,尤其垫石顶面高程更应严格进行控制。 盖梁支承垫石施工时,应预留支座锚栓孔。 浇筑盖梁混凝土时,应避免施工人员、施工设备、器具触碰垫石、挡块预埋钢筋,以防其变形、位移。 在浇注过程中或完成时,若混凝土表面泌水较多,需在不扰动混凝土的条件下采取措施将水排除。继续浇注时,应查明原因,采取措施,减少泌水。浇注完成后,混凝土顶面应修整抹平,待定浆后再抹第二遍并压光。浇注期间,应设专人检查抱箍、支架、模板、钢筋及预埋件的稳固情况,当发现有松动、变形、移位时,应及时处理。 2.8养生: 砼初凝后,用土工布或塑料布覆盖洒水养生,盖梁施工时对混凝土洒水养生应做到及时、适时。盖梁混凝土浇筑完毕应对其顶面及时进行覆盖。养生期不小于7天,盖梁混凝土养生洒水采用高压水泵或具备泵水功能的