历年二建案例真题及答案(精.选)
- 格式:doc
- 大小:213.50 KB
- 文档页数:28
二建案例分析题及答案一、案例分析题。
1. 建筑工程的施工过程中,常常会遇到哪些质量问题?请结合具体案例进行分析,并提出解决方案。
2. 在二级建造师考试中,常见的建筑工程管理问题有哪些?请以实际案例为基础,进行详细分析,并提出解决方案。
3. 请结合具体案例,分析在建筑工程施工中可能出现的安全隐患,并提出相应的预防措施。
4. 以具体案例为基础,分析在建筑工程设计中可能出现的问题,并提出改进建议。
5. 请以具体案例为例,分析在建筑工程质量监督中可能出现的问题,并提出解决方案。
二、案例分析答案。
建筑工程的施工过程中,常常会遇到各种质量问题。
例如,在某高层建筑的施工过程中,发现了混凝土浇筑时出现的裂缝现象。
经过调查分析,发现是由于施工人员在浇筑混凝土时未按照规范要求进行振捣,导致混凝土密实度不够,从而出现了裂缝。
为了解决这一问题,我们可以采取加强对施工人员的技术培训,加强对施工工艺的监督等措施,以确保施工质量。
在二级建造师考试中,常见的建筑工程管理问题包括施工进度延误、材料管理不善、人员管理不当等。
以某大型土建工程项目为例,由于施工单位未能合理安排施工进度,导致工程延期交付使用。
为了解决这一问题,我们可以加强对施工进度的监督,合理调配施工人员和设备,确保施工进度的顺利进行。
在建筑工程施工中可能出现的安全隐患包括高空作业安全、施工现场管理不善等。
以某桥梁工程为例,由于施工单位未能严格执行安全操作规程,导致施工人员在高空作业时发生了坠落事故。
为了解决这一问题,我们可以加强对施工现场的安全管理,配备必要的安全设施和器材,加强对施工人员的安全教育和培训。
在建筑工程设计中可能出现的问题包括设计方案不合理、设计图纸错误等。
以某住宅小区设计为例,由于设计单位未能充分考虑到地质条件和环境因素,导致部分建筑结构出现了设计不合理的情况。
为了解决这一问题,我们可以加强对设计单位的审查和监督,确保设计方案的科学合理性。
在建筑工程质量监督中可能出现的问题包括监督不力、监督手段不足等。
历年二建《矿业工程实务》真题及答案(案例分析题)历年二建《矿业工程实务》真题及答案(案例分析题)三、案例分析题(共5题,(一)、(二)、(三)题各20分,(四)、(五)题各30分)(一)背景资料某施工企业承担一地面建筑的基坑开挖:工程。
基坑开挖深度为5m,基坑北侧距基坑边缘4m处已有一栋三层永久建筑物,坑缘堆有施工单位的大量建筑钢材。
基坑所处的地质条件为砂质土层,地下水位在地表以下4m。
基坑设计采用钢板桩支护。
施工前建设单位为节约工程投资,指示更改支护设计,只在基坑北侧采用钢板桩支护,其它部位采用无支护的垂直开挖方式。
结果基坑南侧在施工过程中出现较大变形,且一直未被发现,最终部分坍塌。
因施工单位未及时处理,结果又引起了更大面积的塌方。
事后施工单位准备就基坑坍塌造成的损失向建设单位索赔。
问题1.该基坑属于几级基坑?说明理由。
2.该基坑宜采用何种降水方式?其最小降水深度应为多少?3.该基坑坍塌的直接原因是什么?造成该基坑塌方的主要因素有哪些?4.该基坑施工违反了哪些主要安全规定?5.施工单位是否可对前后两次坍塌事故进行索赔?说明理由。
如可索赔,施工单位应提出的主要索赔证据是什么?答案:1.一级基坑(1分);根据规程,与邻近建筑物的距离在开挖深度以内的基坑列为一级基坑(1分)。
2.宜采用井点降水方式(2分);最小降水深度应将水降至基坑底以下0.5m,即地表以下5.5m以下(2分)。
3.基坑坍塌的直接原因是建设单位更改了支护设计(2分)。
主要因素有:(1)边坡过陡,使土体的稳定性不够(1分);(2)水对基坑稳定性的影响(1分);(3)基坑上边边缘附近超载(1分);(4)支护措施不当(1分)。
4.(1)违反在基坑附近有建筑物或构筑物时,应有专门的防止发生下沉和变形措施的规定(1分);(2)违反基坑周边1m范围内不得堆载,不得超载堆荷规定(1分);(3)违反基坑施工应有必要的变形监测的规定(2分);(4)违反安全生产规定:发生重大安全事故时,应立即采取抢险措施(1分)。
三、案例分析题(共4题,(一)(二)(三)(四)题各20分)【案例一】背景资料某房屋建筑工程,建筑面积6800m2,钢筋混凝土框架结构,外墙外保温节能体系。
根据《建设工程施工合同(示范文本)》(GF-2013-0201)和《建设工程监理合同(示范文本)》(GF-2012-0202),建设单位分别与中标的施工单位和监理单位签订了施工合同和监理合同。
在合同履行过程中,发生了下列事件:事件一:工程开工前,施工单位的项目技术负责人主持编制了施工组织设计,经项目负责人审核、施工单位技术负责人审批后,报项目监理机构审查。
监理工程师认为该施工组织设计的编制、审核(批)手续不妥,要求改正;同时,要求补充建筑节能工程施工的内容。
施工单位认为,在建筑节能工程施工前还要编制、报审建筑节能##技术专项方案,施工组织设计中没有建筑节能工程施工内容并无不妥,不必补充。
事件二:建筑节能工程施工前,施工单位上报了建筑节能工程施工技术专项方案,其中包括如下内容:(1)考虑到冬期施工气温较低,规定外墙外保温层只在每日气温高于5℃的11:00~17:00之间进行施工,其他气温低于5℃的时段均不施工;(2)工程竣工验收后,施工单位项目经理组织建筑节能分部工程验收。
事件三:施工单位提交了室内装饰装修工程进度计划网络图(如下图所示),经监理工程师确认后按此组织施工。
事件四:在室内装饰装修工程施工过程中,因涉及变更导致工作C的持续时间变为36天,施工单位以设计变更影响施工进度为由提出22天的工期索赔。
问题:1.分别指出事件一中施工组织设计编制、审批程序的不妥之处,并写正确做法。
施工单位关于建筑节能工程的说法是否正确?说明理由。
2.分别指出事件二中建筑节能工程施工安排的不妥之处,并说明理由。
3.针对事件三的进度计划网络图,列式计算工作C和工作F时间参数中的缺项,并确定该网络图的计算工期(单位:周)和关键线路(用工作表示)4. 事件四中,施工单位提出的工期索赔是否成立?说明理由。
2015年二建市政案例真题(一)背景资料某公司中标北方城市道路工程,道路全长1000m。
道路结构与地下管线布置如图1所示。
施工场地位于农田,邻近城市绿地。
土层以砂性粉土为主,不考虑施工降水。
雨水方沟内断面2.2m×1.5m,采用钢筋混凝土结构,壁厚度200mm;底板下混凝土垫层厚100mm。
雨水方沟位于南侧辅路下,排水方向为由东向西,东端沟内底高度程为-5.0m(地表高程±0.0m),流水坡度1.5‰。
给水管道位于北侧人行道下,土深度1m。
项目部对①辅路、②主路、③给水管道、④雨水方沟、⑤两侧人行道及隔离带化)作为施工部署,依据各种管道高程以及平面位置对工程的施工顺序作了总全体安排。
施工过程发生如下事件:事件1:部分主路路基施工突遇大雨,未能及时碾压,造成路床积水、土料过湿,影响施工进度。
事件2:为加快施工进度,项目部将沟槽开挖出的土方在现场占用城市绿地存放以备回填,方案审查时被纠正。
问题:1.列式计算雨水方沟东、西两端沟槽的开挖深度。
【答案】雨水方沟东端开挖深度:5+0.1+0.2=5.3m,雨水方沟西端开挖深度:5.3+1.5‰×1000=6.8m注意不是高程,不需要加负号2.用背景资料中提供的序号表示本工程的总体施工顺序。
【答案】④雨水沟--③给水管道--②主路--①辅路--⑤绿化隔离带补充:由于雨水管道施工及检修对道路交通干扰很大,因此,雨水干管应尽可能不布置在主要交通干道的行车道下,而宜直接埋设在绿带或较宽的人行道下,一般来说,从上至下管线顺序依次为电力管(沟)、电讯管(沟)、煤气管、给水管、雨水管、污水管。
3.针对事件1写出部分路基雨后土基压实的处理措施。
【答案】如土质过湿,应将其翻松、晾晒、风干后重新夯实。
雨后如路基表面含水量过大无法压实时,应先挖出受雨淋湿土料,然后换填灰土然后压实,如个别地段仍有反弹情况下,可采用路拌法,将反弹地段用重型铧犁和重型悬耕机粉碎1~2遍,并经过夯平后,将全部生石灰粉均匀撒布与上,再用上述机械粉碎,拌和4~6遍,然后用两轮压路机全面碾压,直至达到压实度。
二建案例分析题及答案一、案例分析题。
1. 某市某工程项目总承包单位在施工过程中,因未按照设计要求进行混凝土浇筑,导致工程质量问题。
请分析该事件可能产生的影响,并提出相应的解决方案。
2. 某建筑公司在施工过程中,因未严格执行安全操作规程,导致发生一起严重的安全事故。
请分析该事件可能带来的后果,并提出相应的防范措施。
3. 某工程项目在施工过程中,因材料采购不当,导致工程质量无法达到设计要求。
请分析该事件可能引发的问题,并提出相应的改进措施。
二、答案。
1. 针对未按照设计要求进行混凝土浇筑的问题,可能产生的影响包括,工程质量不达标,影响工程结构的稳定性和耐久性;可能引发安全隐患,影响工程施工进度;可能导致额外的修复和整改成本,增加项目投资。
解决方案包括,严格按照设计要求进行混凝土浇筑,加强对施工过程的监督和检查;及时发现和解决问题,确保工程质量;加强对施工人员的培训和教育,提高他们的责任意识和专业水平。
2. 针对未严格执行安全操作规程导致安全事故的问题,可能带来的后果包括,造成人员伤亡和财产损失,影响企业形象和信誉;可能导致相关法律责任和经济赔偿,增加企业成本。
防范措施包括,严格执行安全操作规程,加强安全教育和培训;建立健全安全管理制度,加强安全监督和检查;加强安全隐患排查和整改,确保施工安全。
3. 针对材料采购不当导致工程质量问题的可能问题,可能引发的问题包括,影响工程质量和使用寿命,可能导致施工质量事故;可能增加工程成本和投资,影响项目进度。
改进措施包括,严格按照相关标准和规定进行材料采购,确保材料质量;加强对供应商的管理和监督,建立合作伙伴关系;加强对材料的验收和检测,确保材料符合要求。
以上是针对二建案例分析题及答案的内容,希望对大家的学习和工作有所帮助。
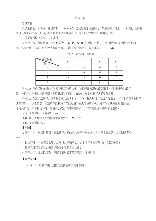
案例分析一背景资料某学生活动中心工程,建设面积 18000m2,现浇混凝土框架结构,条形基础,地上 4 层,首层阶梯报告厅局部层高 21m,模板直接支撑在地基土上。
施工单位为某施工总承包企业。
工程实施过程中发生了下列事件:事件一:施工单位将施工作业划分为A、B、C、D 四个施工过程,分别由指定的专业班组进行施工,每天一班工作制,组织无节奏流水施工,流水施工参数见下表(单位:d):表2 流水施工参数表施工过程A B C D施工段I12182512Ⅱ12202513Ⅲ19182015Ⅳ13222214事件二:在首层阶梯报告厅顶板模板工程验收中,项目经理发现在最顶部两水平拉杆中间加设了一道水平拉杆;水平拉杆的端部与四周建筑物间隔 100m。
安全总监下达了整改通知。
事件三:在施工过程中,该工程所在地连续下了 6d 特大暴雨(超过了当地近 10 年来该季节的最大降雨量),洪水泛滥,给建设单位和施工单位造成了较大的经济损失。
施工单位认为这些损失是由于特大暴雨(不可抗力事件)造成的,提出下列索赔要求(以下索赔数据与实际情况相符):(1)工程清理、恢复费用 18 万元;(2)施工机械设备重新购置和修理费用 29 万元;(3)工期顺延 6d。
【问题】1.事件一中,列式计算四个施工过程之间的流水步距分别是多少天?流水施工的计划工期是多少天?2.指出事件二中的不妥之处,分别写出正确做法。
水平拉杆无处可顶时的措施有哪些?3.模板设计无要求时,模板拆除的顺序和方法是什么?4.事件三中,分别指出施工单位的索赔要求是否成立?说明理由。
【参考答案】1.A、B、C、D 四个施工过程之间的流水步距计算如下:计划工期T=(12+18+52)+(12+13+15+14)=136d。
2.(1)不妥之处及理由如下:①不妥之处一:最顶部两水平拉杆中间加设了一道水平拉杆。
正确做法:最顶两步距水平拉杆中间应分别增加一道水平拉杆。
②不妥之处二:水平拉杆的端部与四周建筑物间隔 100m。
工程技术面试试题一、单项选择题(共20分题, 每题1分, 每题的备选项中, 只有1个最符合题意)1.普通钢筋混凝土结构用钢的主要品种是()。
A. 热轧钢筋B. 热处理钢筋C. 钢丝D. 钢绞线【答案】A【解析】钢筋混凝土结构用钢主要品种有热轧钢筋、预应力混凝土用热处理钢筋、预应力混凝土用钢丝和钢绞线等热轧钢筋是建筑工程中用量最大的钢材品种之一, 主要用于钢筋混凝土结构和预应力钢筋混凝土结构的配筋。
2.在钢筋混凝土梁中, 箍筋的主要作用是()。
A. 承受由于弯矩作用而产生的拉力B. 承受由于弯矩作用而产生的压力C. 承受剪力D. 承受因混凝土收缩和温度变化产生的压力【答案】C【解析】箍筋主要是承担剪力的, 在结构还能固定受力钢筋的位置, 以便绑扎成钢筋骨架。
3.某住宅建筑, 地上层数为八层, 建筑高度为24.300m,该住宅属()。
A. 低层住宅B. 多层住宅C. 中高层住宅D. 高层住宅【答案】C【解析】住宅建筑按层数分类: 一层至三层为低层住宅, 四层至六层为多层住宅, 七层至九层为中高层住宅, 十层及十层以上为高层住宅, 除住宅建筑之外的民用建筑高度不大于24m者为单层和多层建筑。
大于24m者为高层建筑(不包括高度大于24m的单层公共建筑)。
4.某实行建筑高度控制区内房层, 室外地面标高为-0.300m, 屋面面层标高为18.00m, 女儿墙顶点标高为19.100m, 突出屋面的冰箱间顶面为该建筑的最高点, 其标高为21.300m, 该房屋的建筑高度是()m。
A. 18.300B. 19.100C. 19.400D. 21.600【答案】D 【解析】实行建筑高度控制区内建筑高度, 应按建筑物室外地面至建筑物和构筑物最高点的高度计算。
则该房屋的建筑高度为=21.30-(-0.300)=21.600m5.建筑钢材拉伸试验测的各项指标中, 不包括()。
A. 屈服强度B. 疲劳强度C. 抗拉强度D. 伸长率【答案】B【解析】反映建筑钢材拉伸性能的指标包括屈服强度, 抗拉强度和伸长率。
二建案例分析题及答案一、案例分析题。
1.某工程项目中,设计图纸中明确规定了使用的材料和施工工艺,但在实际施工过程中,施工方为了降低成本,采用了与设计图纸不符的材料和工艺,导致工程质量出现了严重问题。
请分析该案例中可能存在的问题及解决办法。
2.某建筑工地上,施工人员在进行高空作业时,未按照相关安全规定使用安全带,导致发生了一起严重的安全事故。
请分析该案例中可能存在的问题及解决办法。
3.某工程项目中,施工单位未按照合同约定按时完成工程,导致工程延期交付,给业主造成了经济损失和时间成本。
请分析该案例中可能存在的问题及解决办法。
二、答案。
1.对于第一个案例中的问题,首先需要明确责任。
设计图纸中规定的材料和工艺是经过专业设计师认真考虑和选择的,施工方未经允许擅自更改,属于违约行为。
解决办法是,施工方应当承担相应责任,按照设计图纸要求重新进行施工,并承担由此产生的额外费用。
同时,监理单位应加强对施工过程的监督,确保施工方严格按照设计图纸要求进行施工,保障工程质量。
2.针对第二个案例中的问题,需要加强安全管理。
施工人员未按规定使用安全带,属于违反安全规定的行为。
解决办法是,施工单位应当加强对施工人员的安全教育和培训,提高他们的安全意识和规范操作能力。
同时,施工现场应设置警示标识和安全设施,加强安全巡查,及时发现并纠正安全隐患,确保施工安全。
3.针对第三个案例中的问题,需要加强合同管理。
施工单位未按时完成工程,属于违约行为。
解决办法是,业主可以要求施工单位按照合同约定进行赔偿,并要求加快工程进度,尽快完成工程交付。
同时,监理单位应加强对工程进度的监督,确保施工单位按时完成工程,保障业主的利益。
综上所述,针对工程建设中可能出现的问题,需要加强各方的责任意识和管理水平,确保工程质量和安全,维护合同的有效性,保障各方的合法权益。
案例分析题案例(一)【背景资料】某单位承建一钢厂主干道钢筋混凝土道路工程,道路全长1.2km,红线各幅分配如图1-1所示。
雨水主管敷设于人行道下,管道平面布置如图1-2路段地层富水,地下水位较高,设计单位在道路结构层中增设了200m厚层。
项目部进场后按文明施工要求对施工现场进行了封闭管理,并在现场进出口设置了现场“五牌一图”。
背景资料:某单位承建一钢厂主干道钢筋混凝土道路工程,道路全长1.2km,红线各幅分配如图1-1所示。
雨水主管敷设于人行道下,管道平面布置如图1-2路段地层富水,地下水位较高,设计单位在道路结构层中增设了200m厚级配碎石层。
项目部进场后按文明施工要求对施工现场进行了封闭管理,并在现场进出口设置了现场“五牌一图”。
道路施工过程中发生如下事件:事件一:路基验收完成已是深秋,为在冬期到来前完成水泥稳定碎石基层,项目部经过科学组织,优化方案,集中力量,按期完成基层分项工程的施工作业时做好了基层的防冻覆盖工作。
事件二:基层验收合格后,项目部采用开槽法进行DN300mm的雨水支管施工,雨水支管沟槽开挖断面如图1-3所示。
槽底浇筑混凝土基础后敷设雨水支管,现场浇筑C25混凝土对支管进行全包封处理。
事件三:雨水支管施工完成后,进入了面层施工阶段,在钢筋进场时,试验员当班检查了钢筋的品种、规格,均符合设计和国家现行标准规定,经复试(现场取样)合格,却忽略了供应商没能提供的相关资料,便将钢筋投入现场施工使用。
【问题】1设计单位增设的200mm厚级配碎石层应设置在道路结构中的哪个层次?说明其作用。
2.“五牌一图”具体指哪些牌和图?3.请写出事件一中进入冬期施工的气温条件是什么?并写出基层分项工程应在冬期施工,到来之前多少天成。
4.请在图1-3雨水支管沟槽开挖断面示意图中选出正确的雨水支管开挖断面形式.[开挖断面形式用(a)断面或(b)断面作答5.事件三中钢筋进场时还需要检查哪些资料?【参考答案】1.(1)垫层。
````【案例1K413035】[P133] 地铁 3 号标段,包含一段双线区4.事件4,监理要求项目部是否正确?如不正确,写出正确方案应按有关规定,办理变更手[ 背景资料] 扣除 1.5m 的隧道长度的做法是做法。
间和一个车站,区间隧道及风道续。
某地铁隧道盾构法施工,隧※答案:不正确。
出入口采用暗挖法施工,车站的否正确,为什么?②采用干法喷射混凝土现场道穿越土层有黏土、粉土、细砂、①在初始掘进过程中应根据主体结构采用明挖法施工。
区间[ 参考答案]施工粉尘较严重,通风换气装置、小粒径砂卵石、含有上层滞水,收集的盾构掘进数据(推力、刀隧道上方为现况道路,路宽1.事件 1 中最可能引起塌方除尘设备不符合职业卫生要求或覆土厚度8~14m,采用土压平衡22.5m,道路沿线的地下埋设有雨盘扭矩等)及地层变形量测量数的原因是什么?正确做法是什有关规定。
盾构施工。
施工项目部依据施工据,判断土压、注浆量、注浆压污水、天然气、电信、热力等管么?4.事件4,监理要求项目部组织设计在具备始发条件后开始力等设定值是否适当,及时进行线,另外还有一座公共厕所。
隧※答案:从背景分析,引起扣除 1.5m 的隧道长度的做法是隧道施工,掘进过程中始终按施调整,并通过测量盾构与衬砌的道埋深15m左右,并有100m左右塌方可能成因是公共厕所的化粪否正确,为什么?工组织设计规定的各项施工参数位置,及早把握盾构掘进方向控长度内遇有中风化石灰岩。
岩层池渗漏。
较旧的污水混凝土管线、※答案:监理要求是正确执行。
制特性,为正常掘进控制提供依以上分别为黏土2m,砂卵石5~方沟、化粪池等渗漏情况比较多,的。
因为据有关规定:当清单与施工过程中发生以下事件:据。
7m,粉细砂2m,粉质黏土3m,回致使隧道顶部土体含水量增大引实际发生的数量不符时,应以实事件一:拆除始发工作井洞②由于掘进工程中地层条填土2~2.5m。
施工日志记录如起塌方,所以要特别引起注意。
二建案例分析题及答案
[案例题]
某市某地块拟建一座20层的多功能商业楼,已制定出建筑方案,并招标工程施工。
招标时间结束后,市政府公布了投标结果,结果显示两家公司达到了70分,其中包括公司A和公司B。
市政府根据国家招标法和招标文件规定的评审办法进行了
综合评审,最终评定结果如下:
(1)公司A在招标文件规定的现场踏勘中未配合做好踏勘准
备工作,导致评标专家组不得不在30分钟内完成了踏勘任务。
根据招标文件规定,公司A在“勘察报告”一项减分50分。
(2)公司B在投标过程中,提交的资料不符合招标文件要求,经评审专家组审核,按照合同要求要扣除20分。
(3)根据招标文件的规定,勘察报告依序顺延判定合格,公
司A与公司B的过程产生一致的扣分,不影响最终评标结果。
(4)综上,市政府执委会召开会议,决定在公司A和公司B
之间进行硬性投标,投标价最低的一方中标。
公司A的投标
价为5000万元,公司B的投标价为4900万元。
[答案]
根据上述案例的情况,公司A和公司B都达到了70分,但在
评审过程中两家公司出现了不符合招标要求的情况,公司A
因未配合做好踏勘准备工作减50分,公司B因提交的资料不
符合招标文件要求减20分。
根据招标文件规定,两家公司的
过程产生了一致的扣分。
综合考虑公司A和公司B的投标价,公司A的投标价为5000万元,公司B的投标价为4900万元。
根据市政府执委会的决定,在公司A和公司B之间进行硬性投标,投标价最低的一方中标。
综上所述,根据最终决定,在上述案例中,公司B的投标价最低,所以公司B中标。
二建重大劳动安全事故罪案例题
2022年二级建造师《工程法规》考试分为单选题和多选题。
小编为您整理历年真题10道,附答案解析,供您考前自测提升!
1、施工企业发生的下列事故中,可构成工程重大安全事故罪的是()。
单选题
A.劳务作业人员王某在施工中不慎从楼上坠亡
B.施工企业工程施工质量不符合标准,造成建筑物倒塌,砸死砸伤多人
C.施工企业对裸露地面的钢筋未采取防护和警示措施,造成路人李某摔成重伤
D.劳务作业人员张某在工地食堂下毒,致使劳务作业人员集体中毒
正确答案:B
答案解析:工程重大安全事故罪——违反国家规定,降低工程质量标准重大责任事故罪——违反安全管理规定、强令他人违章冒险作业重大劳动安全事故罪——安全生产设施或安全生产条件不符合国家规定B正确。
施工质量不符合标准,是指不符合强制性标准,显然是降低工程质量。
A不构成犯罪。
C发生侵权之债。
D构成投毒罪。
2、根据《建设施工质量管理条例》,属于建设工程竣工验收应当具备的条件有()。
2011二级建造师实务案例分析一背景资料:某广场地下车库工程,建筑面积18000㎡。
建设单位和某施工单位根据《建设工程施工合同(示范文本)》(99-0201)签订了施工承包合同,合同工期140天。
工程实施过程中发生了下列事件:事件一:施工单位将施工作业划分为A、B、C、D、四个施工过程,分别由指定的专业班组进行施工,每天一班工作制,组织无节奏流水施工,流水施工参数见下表:事件二:项目经理部根据有关规定,针对水平混凝土构件模板(架)体系,编制了模板(架)工程专项施工方案,经过施工项目负责人批准后开始实施,仅安排施工项目技术负责人进行现场监督。
事件三:在施工过程中,该工程所在地连续下了6天特大暴雨(超过了当地近10年来季节的最大降雨量),洪水泛滥,给建设单位和施工单位造成了较大的经济损失。
施工单位认为这些损失是由于特大暴雨(不可抗力事件)所造成的,提出下列索赔要求(以下索赔数据与实际情况相符):(1)工程清理、恢复费用18万;(2)施工机械设备重新购置和修理费用29万;(3)人员伤亡善后费用62万;(4)工期顺延6天。
问题:1、事件一中,列式计算A、B、C、D、四个施工过程之间的流水步距分别是多少天?5分答案:2、事件一中,列式计算流水施工的计划工期是多少天?能否满足合同工期的要求?(5分)答案:3、事件二中,指出专项施工方案实施中有哪些不妥之处?说明理由。
(5分)答案:4、事件三中,分别指出施工单位的索赔要求是否成立?说明理由。
5分答案:案例分析二背景资料:某施工单位承建两栋15层的框架结构工程。
合同约定:(1)钢筋由建设单位供应;(2)工程质量保修按国务院279号令执行。
开工前施工单位编制了单位工程施工组织设计,并通过审批。
施工过程中,发生下列事件:事件一:建设单位按照施工单位提出的某批次钢筋使用计划按时组织钢筋进场。
事件二:因工期紧,施工单位建议采取每5层一次竖向分阶段组织验收的措施,得到建设单位认可。
项目经理部对施工组织设计作了修改,其施工部署中劳动力计划安排为“为便于管理,选用一个装饰装修班组按栋分两个施工组织流水作业”。
事件三:分部工程验收时,监理工程师检查发现某墙体抹灰约有1.0㎡的空鼓区域,责令限期整改。
事件四:工程最后一次阶段验收合格,施工单位于2010年9月18日提交工程验收报告,建设单位于当天投入使用。
建设单位以工程质量问题需要在使用中才能发现为由,将工程竣工验收时间推迟到11月18日进行,并要求《工程质量保修书》中竣工日期以11月18日为准。
施工单位对竣工日期提出异议。
问题:1、事件一中,对于建设单位供应分该批次钢筋,建设单位和施工单位各应承担哪些责4分答案:2、事件二中,施工组织设计修改后,应该什么程序报审? 4分答案:3、事件二中,本工程劳动力计划安排是否合理?写出合理安排。
4分答案:4、写出事件三中墙体抹灰空鼓的修补程序(至少列出4项)。
4分答案:5、事件四中,施工单位对竣工日期提出异议是否合理?说明理由。
写出本工程合理的竣工日期。
4分答案:案例分析三背景资料某建设单位新建办公楼,与甲施工单位签订施工总承包合同。
该工程门厅大堂内墙设计做法为干挂石材,多功能厅隔墙设计做法为石膏板骨架隔墙。
施工过程中发生下列事件:事件一:建设单位将该工程所有门窗单独发包,并与具备相应资质条件的乙施工单位签订门窗施工合同。
事件二:装饰装修施工时,甲施工单位组织大堂内墙与地面平行施工。
监理工程师要求补充交叉作业专项安全措施。
事件三:施工单位上报了石膏板骨架隔墙施工方案。
其中石膏板安装方法为“隔墙面板横向铺设,两侧对称、分层由下至上逐步安装;填充隔声防火材料随面层安装逐层跟进,直至全部封闭;石膏板用自攻螺钉固定,先固定板四边,后固定板中部,钉头略埋入板内,钉眼用石膏腻子抹平”。
监理工程师认为施工方法存在错误,责令修改后重新报审。
事件四:工程完工后进行室内环境污染物浓度检测,结果不达标,经整改后再次检测达到相关要求。
问题:1、事件一中,建设单位将门窗单独发包是否合理?说明理由。
(5分)答案:2、事件二中,交叉作业安全控制应注意哪些要点?(15分)答案:3、事件四中,室内环境污染物浓度再次检测时,应如何取样?(5分)答案:案例分析四背景资料某房地产开发公司与施工单位签订了一份价款为1000万元的建筑工程施工合同,合同工期为7个月。
工程价款约定如下:(1)工程预付款为合同的10%;(2)工程预付款扣回的时间及比例:自工程款(含工程预付款)支付至合同价款的60%后,开始从当月的工程款中扣回工程预付款,分两次扣回;(3)工程质量保修金为工程结算总价的5%竣工结算是一次扣留;(4)工程款按月支付,工程款达到合同总造价的90%停止支付,余款待工程结算完成并扣除保修金后一次性支付。
每月完成的工作量如下:工程施工过程中,双方签字认可因钢材涨价增补价差5万元,因施工单位保管不力罚款1万元。
问题:1、列式计算本工程预付款及其起扣点分别是多少万元?工程预付款从几月份开始起扣?5分答案:2、7、8月份开发公司应支付工程款多少万元?截止8月末累计支付工程款多少万元?答案:3、工程竣工验收书合格后双方办理了工程结算。
工程竣工结算之前累积支付工程款是多少万元?本工程竣工结算是多少万元?本工程保修金是多少万元?(保留小数点后两位)答案:4、根据《建设工程价款结算暂行办法》(财建【2004】369号)的规定,工程竣工结算方式分别有哪几种类型?本工程竣工结算属于哪种类型?答案:案例一答案(一)答案:按照累加数列错位相减取大差法(二)答案:计划工期136 满足(三)答案:施工单位技术负责人审批,报总监理工程师同意批准后实施(四)答案:(1)索赔成立,因为按照施工合同法,不可抗力造成的工程清理恢复费用应有建设单位承担。
(2)不成立。
因为按照施工合同法,不可抗力造成的施工单位自有的机械损坏由施工单位自己承担(3)不成立,不可抗力造成的人员伤亡由各单位自己承担(4)成立。
不可抗力造成的工期延后工期顺延案例二(一)答案:建设单位责任:对材料质量负责,提前24小时通知施工单位,支付保管费,检测费,入不提前通知,材料损失施工单位不负责(二)答案:原审核人审核,原审批人审批后形成《施工组织设计修改记录表》(三)答案:不合理,,将装饰班组由不同施工作业划分不同施工过程,按不同施工段按层组织流水施工(四)答案:凿除墙体空鼓部分,清理基层,涂刷界面挤,保证厚度分层施工,及时养护,重新组织验收(五)答案:建设单位已投入使用,即已工程已合格。
竣工日期即为使用日期,2010年9月18日案例三(一)答案:不合理,总承包单位对工程的质量、安全、工期负责,门窗工程如需单独发包应由总承包单位与分包单位签订,由建设单位认可。
(5分)(二)答案:书本上有。
交叉作业(5分)1.交叉作业人员不允许在同一垂直方向上操作,要做到上部与下部作业人员的位置错开,使下部作业人员的位置处在上部落物的可能坠落半径范围之外,当不能满足要求时,应设置安全隔离层进行防护。
2.在拆除模板\脚手架等作业时,作业点下方不得有其他作业人员,防止落物作人。
的模板等堆放时,不能过于靠近楼层边沿,应与楼层边沿留出不小于1m的安全距离,码放高度也不宜超过1m.3.结构施工自二层起,凡人员进出的通道口都应搭设符合规范要求的防护棚,高度超过24m的交叉作业,通道口应设双层防护棚进行防护。
书本有。
骨架隔墙(5分)1)安装固定\施工方法均有不妥,正确的做法有(1)板材应在自由状态下进行固定,固定时应从板的中间向板的四周固定。
(2)纸面石膏板的长边应垂直于次龙骨安装,短边平行搭接在次龙骨上,搭接宽度宜为次龙骨宽度的1/2.(3)采用钉固法,螺钉与板边距离:纸面石膏板包边宜10~15,切割边宜为15~20,水泥加压板螺钉与板边距离宜为 8—15 ;板周边钉距宜为150—170 ,板中钉距不得大于 200 .(4)石膏板的接缝应按设计要求或构造要求进行板缝防裂处理。
安装双层石膏板时面层板与基层板的接缝应错开,并不得在同一根龙骨上接缝。
(5)螺钉头宜略埋入板面,并不得使纸面破损。
钉眼应做防锈处理并用腻子抹平。
(6)石膏板的接缝应按设计要求进行板缝处理。
(5分)(三)答案:按照原来数量的一倍进行抽检,原不合格重检,10%,不少于6间,离地0.8—1.5,离墙0.5 ,案例四(一)答案:预付款:1000*10100(万元), 2分预付款起扣点:1000*60600(万元), 2分6月份开始扣回预付款 1分(二)答案:7月份工程款=160-50=110万元8月工程款=130万元80 16170 180 16013 0=880万元(三)答案:结算之前累计支付工程款:1000*90900, 2分万元,竣工结算:1000+5=1005万元 2分保修金:1005*550.25万元(三)答案:结算方式,单项、单位、总决算2010三、案例分析题(共4题,每题20分)(一)背景资料某写字楼工程,地下1层,地上10层,当主体结构已基本完成时,施工企业根据工程实际情况,调整了装修施工组织设计文件,编制了装饰工程施工进度网络计划,经总监理工程师审核批准后组织实施。
如下图:在施工过程中发生了以一事件:事件一:工作E原计划6天,由于设计变更改变了主要材料规格与材质,经总监理工程师批准,E工作计划改为9天完成,其他工作与时间执行网络计划。
事件二:一层大厅轻钢龙骨石膏板吊顶,一盏大型水晶灯(垂100)安装在吊顶工程的主龙骨上。
事件三:由于建设单位急于搬进写字楼办公室,要求提前竣工验收,总监理工程师组织建设单位技术人员,施工单位项目经理及设计单位负责人进行了竣工验收。
问题:1.指出本装饰工程网络计划的关键线路(工作),计算计划工期。
2.指出本装饰工程实际关键线路(工作),计算实际工期。
3.灯安装是否正确?说明理由4.竣工验收是不明妥当?说明理由答:1.用标号法找关键线路,计算工期。
如下图所示。
则计划关键线路为:B-C―F-G;计划工期为17天。
2.用标号法找关键线路,计算工期,如下图所示。
则实际关键线路为:B -E―H;实际工期为19天。
3.不正确。
因为安装在吊顶工程主龙骨上的大型水晶灯属重型灯具,根据装饰装修工程施工技术更档,重型灯具。
电扇及其他重型设备严禁安装在吊顶工程的龙骨上,必须增高附加吊杆。
4.不妥当。
因为竣工验收应分为三个阶段:(1)竣工验收的准备参与工程建设的各方应做好竣工验收的准备;(2)初步验收:施工单位在自检合格基础上,填写竣工工程报验单,由总监理工程师组织专业监理工程理财,对工程质量进行全面检查,经检查验收合格后,由总监签署工程竣工报验单,向建设单位提出质量评估报告;(3)正式验收:由建设单位接到监理单位的质量评估和竣工报验单后,审查符合要求即组织正式验收(二)背景资料某办公楼工程,建筑面积23723m2,框架剪力墙结构,地下1层,地上2层,首层高4.8m,标准层高3.6m,顶层房间为有保温层的轻钢龙骨纸面石膏板吊顶。