紧固件-原材料规格书模板
- 格式:doc
- 大小:66.50 KB
- 文档页数:3
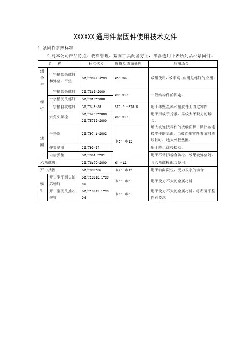
XXXXXX通用件紧固件使用技术文件1.紧固件参照标准:针对本公司产品特点、物料管理、紧固工具配备方面,推荐选用下表所列品种紧固件。
2. 优选紧固件规格及尺寸2.1 十字槽盘头螺钉(GB/T/T818-2000)、十字槽沉头螺钉(GB/T/T819-2000)规格及尺寸2.2六角头螺栓(GB/T5782-2000、GB/T5783-2000,允许选用GB/T5780-2000、GB/T5781-2000)规格及尺寸见下表。
螺纹规格 d M6 M8 M10 M12 M16 k 公称 4 5.3 6.4 7.5 10 s max 10 13 16 18 24ι范围GB/T5783-2000(全螺纹-A级)12-60 16-80 20-100 25-100 35-100 GB/T5782-2000(A级)b参考18 22 26 30 38-44ι30-60 35-80 40-100 45-120 55-160 GB/T5781-2000(全螺纹-C级)12-50 16-60 20-80 25-100 35-100 GB/T5780-2000(C级)b参考18 22 26 30 38-44ι30-60 35-80 40-100 45-120 55-160 ι系列10、12、16、20-50(5进位)、60、70-160(10进位)2.3十字盘头自攻螺钉(GB/T845-85)规格及尺寸见下表。
单位: mm2.4螺栓、螺钉组合件规格及尺寸见下表。
单位: mm2.5平垫圈、弹簧垫圈规格及尺寸见下表。
单位: mm2.6内齿锁紧垫圈(GB/T861.2-87)规格及尺寸见下表。
2.7六角螺母-A和B级(GB/T6170-2000)规格及尺寸见下表。
2.8开口挡圈(GB/T896-86)规格及尺寸见下表。
2.9 开口型平圆头抽芯铆钉(GB/T12618.1-2000)规格及尺寸见下表。
单位: mm2.10开口型沉头抽芯铆钉(GB/T12617.1-2000)规格及尺寸见下表。
紧固件国家标准⼿册紧固件国家标准⼿册丝规格M2 M2.5 M3 M4 M5标准扭⼒ 1.6~2 3~4 6~7.5 14.5~18 28~35(kgf?cm)○⾃攻⽛螺丝螺丝规格 1.7 2 2.3 2.6 3 3.5标准扭⼒ 1.5 3 3 3 4 4Min. Max. Min. Max. ! [ X" m. r9 X2 }; k: V1 M1.0 0.15 0.20 0.08 0.102 M1.1 0.22 0.29 0.11 0.14 / Y; W) D2 P4 s+ ^9 E3 M1.2 0.32 0.42 0.16 0.214 M1.4 0.48 0.62 0.24 0.315 M1.6 0.70 0.91 0.35 0.46 6 E0 R8 S5 Q7 o1 M/ l6 M1.8 1.10 1.43 0.55 0.727 M2.0 1.50 1.95 0.75 0.988 M2.2 2.00 2.60 1.00 1.309 M2.5 3.20 4.16 1.60 2.0810 M3.0 5.00 6.50 2.50 3.2511 M3.5 6.50 8.45 3.25 4.23 9 `- d3 R ?) s, L+ z5 t( T12 M4.0 14.00 18.20 7.00 9.1013 M4.5 20.50 26.65 10.25 13.3314 M5.0 29.00 37.70 14.50 18.8515 M6.0 49.00 63.70 24.00 31.20第⼀部分基础知识第⼀章度量当今世界上长度计量单位主要有两种,⼀种为公制,计量单位为⽶(m)、厘⽶(cm)、毫⽶(mm)等,在欧州、我国及⽇本等东南亚地区使⽤较多,另⼀种为英制,计量单位主要为英⼨(inch),相当于我国旧制的市⼨,在美国、英国等欧美国家使⽤较多。
1、公制计量:(10进制)1m =100 cm=1000 mm1 cm0 1 2 3 4 5 6 7 8 9 10 mm2、英制计量:(8进制)1英⼨=8英分1英⼨=25.4 mm 3/8''×25.4 =9.520 1/8 1/4 3/8 1/2 5/8 3/4 7/8 1 inch3、1/4''以下的产品⽤番号来表⽰其称呼径,如:4#,5#,6#,7#,8#,10#,12#第⼆章螺纹⼀、螺纹是⼀种在固体外表⾯或内表⾯的截⾯上,有均匀螺旋线凸起的形状。
紧固件标准件手册紧固件是机械行业中常用的零部件,它们在机械装配中起着非常重要的作用。
在工程设计和制造过程中,正确选择和使用紧固件是非常关键的。
因此,掌握紧固件标准件的相关知识对于工程师和技术人员来说至关重要。
一、紧固件的分类。
紧固件按照用途和结构可以分为螺栓、螺母、螺钉、螺柱、垫圈等。
螺栓通常用来连接两个或多个零部件,而螺母则用来固定螺栓。
螺钉通常用于固定薄板或者塑料件。
螺柱则是一种类似于螺栓的紧固件,但是它没有螺纹,通常用于支撑或者定位。
垫圈则用来增加紧固件的承载面积,防止零部件受到损坏。
二、紧固件的材料。
紧固件的材料通常包括碳素钢、合金钢、不锈钢、黄铜、铝合金、钛合金等。
不同的材料具有不同的强度、耐腐蚀性和温度特性,因此在选择紧固件材料时需要根据具体的使用环境和要求进行合理的选择。
三、紧固件的标准。
紧固件的标准化对于保证机械装配的质量和可靠性非常重要。
常见的紧固件标准包括GB、ISO、DIN、ANSI/ASME等。
这些标准规定了紧固件的尺寸、材料、强度等要求,确保了紧固件的互换性和可靠性。
四、紧固件的选用原则。
在实际工程中,选择合适的紧固件是非常重要的。
首先需要根据装配的要求和受力情况选择合适的紧固件类型和规格。
其次需要根据使用环境和工作条件选择合适的材料和表面处理方式。
最后需要根据紧固件的标准和要求进行选用,确保紧固件的可靠性和安全性。
五、紧固件的安装和使用。
在紧固件的安装过程中,需要注意正确的安装方法和扭矩要求,确保紧固件的安装质量。
在紧固件的使用过程中,需要定期检查紧固件的状态,确保紧固件的可靠性和安全性。
六、紧固件的质量控制。
在紧固件的生产和使用过程中,质量控制是非常重要的。
生产厂家需要严格控制原材料的质量,确保紧固件的强度和可靠性。
用户在使用紧固件时也需要严格按照要求进行安装和使用,确保紧固件的质量和安全性。
总结:紧固件作为机械装配中的重要零部件,对于保证机械装配的质量和可靠性起着非常重要的作用。
全螺纹螺柱按照GB/T20634-2009,螺栓按照GB/T6175,螺母按照GB/T6175-2009。
编制: 审核:管口号公称尺寸 连接尺寸标准 连接面形式 配套螺栓/螺柱数量尺寸 螺栓/螺柱材质 螺母规格 螺母数量 螺母材质垫片尺寸N15050-150HG/T 20615-2009 RF4×M16×65(螺栓) A2-50M164A2-50 HG/T20627-2009 RF50-15PTFE N2 400 400-150HG/T20615-2009 RF 16×M27×150 0Cr18Ni9 M27 320Cr18Ni9 HG/T20627-2009RF400-150 PTFE N5 400 400-150HG/T20615-2009 RF 16×M27×1500Cr18Ni9 M27 320Cr18Ni9 HG/T20627-2009RF400-150 PTFE N6 200 200-150HG/T20615-2009 RF 8×M20×115 0Cr18Ni9 M20 160Cr18Ni9 HG/T20627-2009RF200-150 PTFE N7 200 200-150HG/T20615-2009 RF 8×M20×115 0Cr18Ni9 M20 160Cr18Ni9 HG/T20627-2009RF200-150 PTFE N8 200 200-150HG/T20615-2009 RF 8×M20×115 0Cr18Ni9 M20 160Cr18Ni9 HG/T20627-2009RF200-150 PTFE N9 200 200-150HG/T20615-2009 RF 8×M20×115 0Cr18Ni9 M20 160Cr18Ni9HG/T20627-2009RF200-150 PTFEN10 20 20-150HG/T 20615-2009 RF4×M14×75(螺栓) A2-50 M14 4A2-50 HG/T20627-2009 RF20-150 PTFE N11 20 20-150HG/T 20615-2009RF 4×M14×75(螺栓)A2-50 M14 4A2-50 HG/T20627-2009 RF20-150 PTFE全螺纹螺柱按照GB/T20634-2009,螺栓按照GB/T6175,螺母按照GB/T6175-2009。
紧固件选用手册紧固件选用手册1、引言本手册旨在为工程师和设计师提供关于紧固件(螺栓、螺母、螺钉等)的选用指南。
通过正确选用紧固件,可以确保装配的稳定性和可靠性,从而提高产品的品质和安全性。
本手册将介绍紧固件的类型、材料、性能要求以及选用原则等相关内容。
2、紧固件的分类2.1 螺钉2.1.1 机械螺纹螺钉2.1.2 金属丝螺钉2.1.3 塑料螺钉2.2 螺栓2.2.1 全螺纹螺栓2.2.2 半螺纹螺栓2.2.3 不锈钢螺栓2.3 螺母2.3.1 平面螺母 2.3.2 螺纹螺母2.3.3 自锁螺母3、紧固件的材料3.1 碳钢3.1.1 45钢3.1.2 40Cr钢3.2 不锈钢3.2.1 不锈钢304 3.2.2 不锈钢316 3.3 铜3.4 铝合金4、紧固件的性能要求 4.1 抗拉强度4.2 屈服强度4.3 耐腐蚀性4.4 耐疲劳性4.5 耐高温性4.6 耐低温性5、紧固件的选用原则5.1 载荷计算5.2 紧固件的预加载5.3 紧固件的安装方法5.4 紧固件的可调节性5.5 紧固件的使用环境6、附件6.1 技术图纸6.2 紧固件选型表6.3 紧固件安装指南附件:本文涉及的附件包括但不限于:技术图纸、紧固件选型表、紧固件安装指南等相关资料。
法律名词及注释:1、载荷计算:根据工程的需求和应力分析,计算所需紧固件的最大承载能力。
2、预加载:在安装紧固件时,施加一定的预紧力,使紧固部位紧密连接并防止松动或失效。
3、可调节性:紧固件在使用过程中是否可以进行调整或更换,以适应不同的工作条件。
全文结束。
紧固件幕墙构件是由面板、铝合金建筑型材拼合连接成基本构件后, 运到工地通过安装形成幕墙体系。
因此, 在幕墙制作、安装过程中连接占有重要地位, 任何幕墙结构都会遇到连接问题。
幕墙构件连接, 除隐框幕墙结构装配组件玻璃与铝框的连接采用硅酮密封胶胶接外, 通常用紧固件连接。
紧固件把两个以上的金属或非金属构件连接在一起, 连接方法分不可拆卸连接和可拆卸连接两类。
铆合属于不可拆卸连接, 螺纹连接属于可拆卸连接, 使用这类连接的构件可以自由拆卸, 使用方便。
紧固件有普通螺栓、螺钉、螺柱和螺母, 不锈钢螺栓、螺钉、螺柱和螺母以及抽芯铆钉。
(一) GB/T3098.1—2000《紧固件机械性能、螺栓、螺钉和螺柱》规定了碳钢或合金钢制造的螺栓、螺钉和螺柱的机械性能1螺栓、螺钉和螺柱各性能等级的钢种和回火温度见表2-57。
表2-572.螺栓、螺钉和螺柱的机械物理性能见表2-58。
表2-58 螺栓、螺钉和螺柱的机械和物理性能1.螺纹紧固件应力截面积值GB/T16823.1—1997《螺纹紧固件应力截面积和承载面积》对螺纹紧固件应力截面积值作了规定见表2-59。
表2-59注: 应力截面积As 用于螺栓抗拉、抗剪强度验算;内径d1 用于拉杆抗拉强度验算。
GB/T3098.2—2000《紧固件机械性能螺母粗牙螺纹》规定了螺母的材料和机械性能。
1.材料的化学成分应符合表2-60的规定。
表2-602.螺母的机械性能应符合表2-61的规定。
表2-61 机械性能GB/T3098.4—2000《紧固件机械性能螺母细牙螺纹》规定了螺母的机械性能。
1. 材料见表2-57。
2. 螺母的机械性能应符合表2-62的规定表2-62 机械性能(二)GB/T3098.6—2000《紧固件机械性能不锈钢螺栓螺钉和螺柱》规定了由奥氏体、马氏体和铁索体耐腐蚀不锈钢制造的螺栓、螺钉和螺柱的机械性能。
1.不锈钢组别与化学成份见表2-63。
表2-63 不锈钢的组别与化学成份2.螺栓、螺钉和螺柱的不锈钢组别和性能标记。
标准件填写格式重申:请注意标准件在技术文件中的填写格式,举例说明如下:序代号(栏)名称及规格(栏)材料(栏)默认解读1按公司网//172.16.1.112008年标准件目录:注意GB/T后空一格按公司网//172.16.1.112008年标准件目录:名称+规格或公称尺寸、其他特性×长度产品等级、材料或硬度+表面处理2 垫片类举例:3 GB/T 93-1987标准型弹簧垫圈12氧化处理4GB/T 95- 2002平垫圈C级8100HV级、不经表面处理、产品等级为C 级5GB/T 96.1-2002大垫圈A级10钢制200HV 级、不经表面处理、产品等级为A级6GB/T 96.1-2002大垫圈A级10300HV 镀锌彩钝钢300HV级镀锌彩钝A 级7GB/T 96.1-2002大垫圈A级10A2 A2组不锈钢制200HV级、不经表面处理、产品等级为A级8GB/T96.2-2002 大垫圈C级10 钢制100HV 级、不经表面处理、产品等级为C级10GB/T 97.1-2002平垫圈A级16钢制200HV 级、不经表面处理、产品等级为A级11GB/T 97.1-2002平垫圈A级16A4 A4组不锈钢制200HV级、不经表面处理、产品等级为A级12GB/T 97.2-2002平垫圈倒角型A级20300HV 镀锌钝化钢300HV级、表面镀锌钝化、产品等级为A级13GB/T 848-1985小垫圈A级10钢制200HV 级、不经表面处理、产品等级为A级14GB/T 848-1985小垫圈A级10300HV A2L 钢制300HV 级、经表面A2L处理、镀锌5μm彩钝、产品等级为A 级15 GB/T 859-1987轻型弹簧垫圈12发蓝16GB/T 5287- 2002特大垫圈C级16Fe/Zn8.c2C 钢制100HV 级、经表面镀锌8μm彩钝、产品等级为C 级17 GB/T 7244-1987重型弹簧垫圈12氧化处理螺母类举例1GB/T 41-2000六角螺母C级M12钢制5级、精度7H不经表面处理螺母2GB/T 56-1988六角厚螺母M208. 镀锌钝化钢制8级、精度6H表面镀锌钝化螺母3GB/T 56-1988六角厚螺母M20氧化处理钢制5级、精度6H表面氧化处理螺母4GB/T 889.1-2000 1型非金属嵌件六角锁紧螺母M166H、8级镀锌钝化螺母5GB/T 6170-2000 1型六角螺母M12 6H、8级表面不处理6GB/T 6170-2000 1型六角螺母M12 10 镀锌18μm钝化6H、10级、镀锌18μm钝化螺母7GB/T 6175-2000 2型六角螺母M10 钢制9级、精度6H、表面氧化螺母8GB/T 6175-2000 2型六角螺母M10 12 Fe/Zn20M 钢制12级、精度6H表面机械镀锌20μm螺母9GB/T 6175-2000 2型六角螺母M10 12粉末渗锌15μm12级6H、15μm粉末渗锌10 GB/T 13681-1992 焊接六角螺母M8 6G精度、含C <0.25%具有可焊性钢制、表面未经过处理11 GB/T 13681-1992 焊接六角螺母M8 镀锌钝化6G精度、含C <0.25%具有可焊性钢制、表面镀锌钝化GB/T 17880.1-1999 平头铆螺母M8×15 材料为ML10、表面镀锌钝化螺栓类举例1 GB/T 27-1988 六角头铰制孔用螺栓M12×80 m6钢制8.8级d s按m6精度、表面氧化A级2 GB/T 5781-2000 六角头螺栓M12×80 钢制4.8级、表面不处理、全螺纹、C级3 GB/T 5782-2000 六角头螺栓M12×80 钢制8.8级6g精度、表面氧化A级4 GB/T 5782-2000 六角头螺栓M12×80 A2-70 A2组不锈钢制6g精度、强度70级、表面简单处理5 GB/T 5782-2000 六角头螺栓M12×80 Cu2 铜制、6g精度6 GB/T 897-1988 双头螺柱bm=1d M10×50 钢制4.8级、6g、表面不处理7 GB/T 897-1988 双头螺柱bm=1d GM10×508.8 镀锌钝化钢制8.8级、镀锌钝化、机体旋入端过渡配合螺纹8 GB/T 902.1-1989 手工焊用焊接螺柱M10×50钢制4.8级、6g、A型、表面不处理9 GB/T 902.1-1989 手工焊用焊接螺柱M10×50-Q钢制4.8级、6g、A型加长表面不处理GB/T 902.1-1989 手工焊用焊接螺柱BM10×506g、B型、表面不处理GB/T 902.2-1989 机动弧焊用焊接螺柱M10×50钢制4.8级、6g、A型、表面不处理GB/T 902.2-1989 机动弧焊用焊接螺柱BM10×50钢制4.8级、6g、B型、表面不处理GB/T 902.3-1989 储能焊用焊接螺柱M4×12 钢制4.8级、6g、表面不处理GB/T 902.3-1989 储能焊用焊接螺柱M4×12 镀铜钢制4.8级、6g、表面镀铜GB/T 902.3-1989 储能焊用焊接螺柱M4×12 镀锌钝化钢制4.8级、6g、表面镀锌钝化注意事项:1.标准件代号栏不准为空,信息不准填入备注栏,按公司规定格式填写。
紧固件材料手册 epub
是一本关于紧固件材料的手册电子书。
紧固件是用于连接或固定物体的零件,
如螺钉、螺栓、螺母等。
本手册提供了关于紧固件材料的详细信息和指导,以帮助读者选择适当的紧固件材料。
在这本电子书中,你将找到各种类型的紧固件材料及其特性的描述。
这些材料
包括常见的金属材料,如碳钢、不锈钢、合金钢等,以及非金属材料,如塑料、橡胶和复合材料。
每种材料都包含了其特定的物理、化学和力学性质,以及其适用的环境和条件。
此外,该手册还提供了关于紧固件材料的选择和使用的实用建议。
你将学到如
何根据不同的应用需求选择合适的材料,以确保紧固件的性能和可靠性。
手册中还包含了材料的安装和维护指南,以及避免材料失效的建议。
无论是在机械制造、汽车、航空航天还是其他领域,紧固件都是至关重要的组件。
选择合适的紧固件材料对于确保产品的质量、安全性和可靠性至关重要。
因此,这本《紧固件材料手册 epub》对于工程师、设计师和其他涉及紧固件选择的专业
人士而言是一个宝贵的参考资料。
通过阅读这本紧固件材料手册 epub,你将获得对不同类型和特性的紧固件材料的深入了解。
这将帮助你在实际应用中做出明智的决策,并确保所选的材料符合你的需求和要求。
无论你是初学者还是有经验的专业人士,这本手册都将成为你不可或缺的工具和参考资料。
希望这本《紧固件材料手册 epub》能为你在紧固件选择和应用方面提供必要的帮助,并使你更加熟悉紧固件材料的特性和用途。
祝你在工作中取得成功!。
紧固件标准件手册紧固件是机械设备中不可或缺的重要部件,它们被广泛应用于各种领域,包括汽车制造、航空航天、建筑工程等。
紧固件的质量和性能直接影响着设备的安全和可靠性,因此对于紧固件的选择和使用需要严格遵循相关的标准和规范。
本手册将介绍一些常见的紧固件标准件,帮助读者更好地了解和选择适合自己需求的紧固件。
首先,我们来介绍一些常见的紧固件标准件类型。
螺栓、螺母、螺钉、螺柱、螺栓组、螺钉组等都是常见的紧固件标准件,它们通常由碳钢、合金钢、不锈钢等材料制成,具有不同的强度等级和表面处理方式。
在选择紧固件标准件时,需要根据具体的使用环境和要求来确定材料和规格。
其次,紧固件标准件的性能等级也是需要重点关注的内容。
根据国际标准ISO898-1的相关规定,螺栓和螺母的性能等级分为8.8、10.9、12.9等级,分别代表着不同的拉伸强度和抗剪强度。
在实际使用中,需要根据设备的负荷和工作条件来选择合适的性能等级,以确保设备的安全可靠。
此外,紧固件标准件的表面处理也是影响其性能和耐腐蚀性的重要因素。
常见的表面处理方式包括镀锌、镀镍、磷化等,这些处理可以提高紧固件的耐腐蚀性能,延长其使用寿命。
在特殊环境中,如海洋环境或化工领域,需要选择具有良好耐腐蚀性能的紧固件标准件,以确保设备的长期稳定运行。
最后,我们需要注意紧固件标准件的安装和使用。
在安装紧固件标准件时,需要严格按照相关的安装规范和要求进行操作,确保紧固件的预紧力和安装扭矩符合要求。
同时,在使用过程中需要定期检查紧固件的状态,及时更换损坏或老化的紧固件,以确保设备的安全运行。
总之,紧固件标准件是机械设备中不可或缺的重要部件,选择和使用合适的紧固件标准件对于设备的安全和可靠性至关重要。
通过本手册的介绍,希望读者能够更好地了解紧固件标准件的相关知识,从而在实际应用中做出正确的选择和使用。
供应商L O G O
供应商公司名称
原材料规格书
原材料名称描述
原材料英文名称描述
物料代码
拟制: 审核: 批准:
XXXX-XX-XX发布
供应商公司名称(供应商代码)
签章位置
1 产品简介
(请列出该产品执行标准的具体标准号)
2 产品的命名规则和标志
3、结构尺寸图
4、尺寸检验记录
5、检验、实验项目
6
7、中国RoHS执行情况
8、包装方式
9、使用注意事项
(请说明适合于何种材质的被连接对象、被连接对象螺纹底孔直径的要求以及力矩的要求)
10、在正常情况下产品上机不良率
11、备注声明该规格书/产品主要适用于何种应用范围;所列内容如有对我司不适用的条款需列出说明;。